ФЕДЕРАЛЬНОЕ АГЕНТСТВО
ПО ТЕХНИЧЕСКОМУ РЕГУЛИРОВАНИЮ И МЕТРОЛОГИИ
|
|
НАЦИОНАЛЬНЫЙ |
ГОСТ Р |
СИСТЕМЫ БЕЗОПАСНОСТИ
КОМПЛЕКСНЫЕ
МЕТАЛЛООБНАРУЖИТЕЛИ СТАЦИОНАРНЫЕ
ДЛЯ ПОМЕЩЕНИЙ
Общие технические требования.
методы испытаний
|
|
Москва Стандартинформ 2010 |
Цели и принципы стандартизации в Российской Федерации установлены Федеральным законом от 27 декабря 2002 г. № 184-ФЗ «О техническом регулировании», а правила применения национальных стандартов Российской Федерации - ГОСТ Р 1.0-2004 «Стандартизация в Российской Федерации. Основные положения»
1 РАЗРАБОТАН Международной Ассоциацией (МА) «Системсервис», Федеральным государственным учреждением «Научно-исследовательский центр «Охрана» МВД России (ФГУ «НИЦ «Охрана» МВД России), Государственным учреждением «Научно-производственное объединение «Специальная техника и связь» МВД России (ГУ НПО «Специальная техника и связь» МВД России), Федеральным государственным унитарным предприятием (ФГУП) «Конструкторское бюро точного машиностроения им. А.Э. Нудельмана», Федеральным государственным унитарным предприятием «Научно-производственное предприятие (ФГУП НПП) «Дельта»
2 ВНЕСЕН Техническим комитетом по стандартизации ТК 439 «Средства автоматизации и системы управления»
3 УТВЕРЖДЕН И ВВЕДЕН В ДЕЙСТВИЕ Приказом Федерального агентства по техническому регулированию и метрологии от 15 декабря 2009 г. № 1141-ст
4 ВВЕДЕН ВПЕРВЫЕ
Информация об изменениях к настоящему стандарту публикуется в ежегодно издаваемом информационном указателе «Национальные стандарты», а текст изменений и поправок - в ежемесячно издаваемых информационных указателях «Национальные стандарты». В случае пересмотра (замены) или отмены настоящего стандарта соответствующее уведомление будет опубликовано в ежемесячно издаваемом информационном указателе «Национальные стандарты». Соответствующая информация, уведомление и тексты размещаются также в информационной системе общего пользования - на официальном сайте Федерального агентства по техническому регулированию и метрологии в сети Интернет
Содержание
ГОСТ Р 53705-2009
СИСТЕМЫ
БЕЗОПАСНОСТИ КОМПЛЕКСНЫЕ
МЕТАЛЛООБНАРУЖИТЕЛИ СТАЦИОНАРНЫЕ ДЛЯ ПОМЕЩЕНИЙ
Общие технические требования. методы испытаний
Complex security systems.
Stationary metal detectors for apartments.
General technical requirements. Test methods
Дата введения - 2010-09-01
Настоящий стандарт распространяется на вновь разрабатываемые и модернизируемые стационарные металлообнаружители для помещений (далее - металлообнаружители), предназначенные для обнаружения перемещения через контрольную зону помещения(й) легкого огнестрельного, холодного, пневматического и метательного оружия и портативных (объемом до 600 см3) взрывных устройств в металлической оболочке с поражающими внутренними металлическими элементами, а также иных, схожих по геометрическим размерам и совокупной массе черного и/или цветного металла(ов) предметов, запрещенных к несанкционированному перемещению (проносу) в помещении(ях) и скрываемых от непосредственного визуального наблюдения под одеждой людей или в их ручной клади.
Настоящий стандарт устанавливает общие технические требования и методы испытаний для металлообнаружителей, работающих автономно или в составе систем/подсистем контроля и управления доступом (КУД), входящих в состав комплексных систем безопасности промышленных объектов гражданского назначения, административных, общественных и жилых объектов.
Настоящий стандарт не распространяется на металлообнаружители, изготавливаемые (применяемые) для гражданской авиации по требованиям авиационной безопасности в соответствии с Воздушным кодексом Российской Федерации, на объектах Федеральной службы исполнения наказаний Российской Федерации, а также по специальным требованиям производств и объектов военного и оборонного назначения.
В настоящем стандарте использованы нормативные ссылки на следующие стандарты:
ГОСТ Р 8.568-97 Государственная система обеспечения единства измерений. Аттестация испытательного оборудования. Основные положения
ГОСТ Р 12.4.026-2001 Система стандартов безопасности труда. Цвета сигнальные, знаки безопасности и разметка сигнальная. Назначение и правила применения. Общие технические требования и характеристики. Методы испытаний
ГОСТ Р 27.403-2009 Надежность в технике. Планы испытаний для контроля вероятности безотказной работы
ГОСТ Р 50009-2000 Совместимость технических средств электромагнитная. Технические средства охранной сигнализации. Требования и методы испытаний
ГОСТ Р 50776-95 (МЭК 60839-1-4:1989) Системы тревожной сигнализации. Часть 1. Общие требования. Раздел 4. Руководство по проектированию, монтажу и техническому обслуживанию
ГОСТ Р 51241-2008 Средства и системы контроля и управления доступом. Классификация. Общие технические требования. Методы испытаний
ГОСТ Р 51242-98 Конструкции защитные механические и электромеханические для дверных и оконных проемов. Технические требования и методы испытаний на устойчивость к разрушающим воздействиям
ГОСТ Р 51317.4.3-2006 (МЭК 61000-4-3:2006) Совместимость технических средств электромагнитная. Устойчивость к радиочастотному электромагнитному полю. Требования и методы испытаний
ГОСТ Р 51317.4.4-2007 (МЭК 61000-4-4:2004) Совместимость технических средств электромагнитная. Устойчивость к наносекундным импульсным помехам. Требования и методы испытаний
ГОСТ Р 51317.4.5-99 (МЭК 61000-4-5-95) Совместимость технических средств электромагнитная. Устойчивость к микросекундным импульсным помехам большой энергии. Требования и методы испытаний
ГОСТ Р 51317.4.6-99 (МЭК 61000-4-6-96) Совместимость технических средств электромагнитная. Устойчивость к кондуктивным помехам, наведенным радиочастотными электромагнитными полями. Требования и методы испытаний
ГОСТ Р 51317.4.11-2007 (МЭК 61000-4-11:2004) Совместимость технических средств электромагнитная. Устойчивость к провалам, кратковременным прерываниям и изменениям напряжения электропитания. Требования и методы испытаний
ГОСТ Р 51317.6.1-2006 (МЭК 61000-6-1:2005) Совместимость технических средств электромагнитная. Устойчивость к электромагнитным помехам технических средств, применяемых в жилых, коммерческих зонах и производственных зонах с малым энергопотреблением. Требования и методы испытаний
ГОСТ Р 51317.6.2-2007 (МЭК 61000-6-2:2005) Совместимость технических средств электромагнитная. Устойчивость к электромагнитным помехам технических средств, применяемых в промышленных зонах. Требования и методы испытаний
ГОСТ Р 51317.6.3-2009 (МЭК 61000-6-3:2006) Совместимость технических средств электромагнитная. Электромагнитные помехи технических средств, применяемых в жилых, коммерческих зонах и производственных зонах с малым энергопотреблением. Нормы и методы испытаний
ГОСТ Р 51317.6.4-2009 (МЭК 61000-6-4:2004) Совместимость технических средств электромагнитная. Электромагнитные помехи от технических средств, применяемых в промышленных зонах. Нормы и методы испытаний в промышленных зонах. Требования и методы испытаний
ГОСТ Р 51318.14.1-99 (СИСПР 14-1-93) Совместимость технических средств электромагнитная. Радиопомехи индустриальные от бытовых приборов, электрических инструментов и аналогичных устройств. Нормы и методы испытаний
ГОСТ Р 51318.22-2006 (СИСПР 22:2006) Совместимость технических средств электромагнитная. Оборудование информационных технологий. Радиопомехи индустриальные. Нормы и методы измерений
ГОСТ Р 51318.24-99 (СИСПР 24-97) Совместимость технических средств электромагнитная. Устойчивость оборудования информационных технологий к электромагнитным помехам. Требования и методы испытаний
ГОСТ Р 52931-2008 Приборы контроля и регулирования технологических процессов. Общие технические условия
ГОСТ Р 53307-2009 Конструкции строительные. Противопожарные двери и ворота. Метод испытаний на огнестойкость
ГОСТ Р 53310-2009 Проходки кабельные, вводы герметичные и проходы шинопроводов. Требования пожарной безопасности. Методы испытаний на огнестойкость
ГОСТ Р 53313-2009 Изделия погонажные электромонтажные. Требования пожарной безопасности. Методы испытаний
ГОСТ Р 53315-2009 Кабельные изделия. Требования пожарной безопасности
ГОСТ Р 53704-2009 Системы безопасности комплексные и интегрированные. Общие технические требования
ГОСТ Р МЭК 60065-2005 Аудио-, видео- и аналогичная электронная аппаратура. Требования безопасности
ГОСТ 2.601-2006 Единая система конструкторской документации. Эксплуатационные документы
ГОСТ 2.610-2006 Единая система конструкторской документации. Правила выполнения эксплуатационных документов
ГОСТ 12.0.004-90 Система стандартов безопасности труда. Организация обучения безопасности труда. Общие положения
ГОСТ 12.1.004-91 Система стандартов безопасности труда. Пожарная безопасность. Общие требования
ГОСТ 12.1.005-88 Система стандартов безопасности труда. Общие санитарно-гигиенические требования к воздуху рабочей зоны
ГОСТ 12.1.006-84 Система стандартов безопасности труда. Электромагнитные поля радиочастот. Допустимые уровни на рабочих местах и требования к проведению контроля
ГОСТ 12.1.019-79 Система стандартов безопасности труда. Электробезопасность. Общие требования и номенклатура видов защиты
ГОСТ 12.2.003-91 Система стандартов безопасности труда. Оборудование производственное. Общие требования безопасности
ГОСТ 12.2.007.0-75 Система стандартов безопасности труда. Изделия электротехнические. Общие требования безопасности
ГОСТ 12.2.049-80 Система стандартов безопасности труда. Оборудование производственное. Общие эргономические требования
ГОСТ 12.3.032-84 Система стандартов безопасности труда. Работы электромонтажные. Общие требования безопасности
ГОСТ 20.39.108-85 Комплексная система общих технических требований. Требования по эргономике, обитаемости и технической эстетике. Номенклатура и порядок выбора
ГОСТ 27.002-89 Надежность в технике. Основные понятия. Термины и определения
ГОСТ 29.05.002-82 Система стандартов эргономических требований и эргономического обеспечения. Индикаторы цифровые знакосинтезирующие. Общие эргономические требования
ГОСТ 11478-88 Аппаратура радиоэлектронная бытовая. Нормы и методы испытаний на воздействие внешних механических и климатических факторов
ГОСТ 14192-96 Маркировка грузов
ГОСТ 14254-96 (МЭК 529-89) Степени защиты, обеспечиваемые оболочками (код IP)
ГОСТ 15150-69 Машины, приборы и другие технические изделия. Исполнение для различных климатических районов. Категории, условия эксплуатации, хранения и транспортирования в части воздействия климатических факторов внешней среды
ГОСТ 16962.1-89 (МЭК 68-2-1-74) Изделия электротехнические. Методы испытаний на устойчивость к климатическим внешним воздействующим факторам
ГОСТ 17516.1-90 Изделия электротехнические. Общие требования в части стойкости к механическим внешним воздействующим факторам
ГОСТ 21786-76 Система «Человек-машина». Сигнализаторы звуковые неречевых сообщений. Общие эргономические требования
ГОСТ 23088-80 Изделия электронной техники. Требования к упаковке, транспортированию и методы испытаний
ГОСТ 23170-78 Упаковка для изделий машиностроения. Общие требования
ГОСТ 23216-78 Изделия электротехнические. Хранение, транспортирование, временная противокоррозионная защита, упаковка. Общие требования и методы испытаний
ГОСТ 26828-86 Изделия машиностроения и приборостроения. Маркировка
ГОСТ 28203-89 (МЭК 68-2-6-82) Основные методы испытаний на воздействие внешних факторов. Часть 2. Испытания. Испытание Fc и руководство: Вибрация (синусоидальная)
ГОСТ 28631-2005 Сумки, чемоданы, портфели, ранцы, папки, изделия мелкой кожгалантереи. Общие технические условия
СП 4.13130.2009 Системы противопожарной защиты. Ограничения распространения пожара на объектах защиты. Требования к объемно-планировочным и конструктивным решениям
СП 6.13130.2009 Системы противопожарной защиты. Электрооборудование. Требования пожарной безопасности
СП 12.13130.2009 Определение категорий помещений, зданий наружных установок по взрывопожарной и пожарной опасности
Примечание - При пользовании настоящим стандартом целесообразно проверить действие ссылочных стандартов в информационной системе общего пользования - на официальном сайте Федерального агентства по техническому регулированию и метрологии в сети Интернет или по ежегодно издаваемому информационному указателю «Национальные стандарты», который опубликован по состоянию на 1 января текущего года, и по соответствующим ежемесячно издаваемым информационным указателям, опубликованным в текущем году. Если ссылочный стандарт заменен (изменен), то при пользовании настоящим стандартом следует руководствоваться заменяющим (измененным) стандартом. Если ссылочный стандарт отменен без замены, то положение, в котором дана ссылка на него, применяется в части, не затрагивающей эту ссылку.
В настоящем стандарте применены следующие термины с соответствующими определениями:
3.1 металлообнаружитель: Техническое средство обнаружения запрещенных к несанкционированному проносу металлических предметов, скрываемых под одеждой людей или в их ручной клади.
3.2 тип металлообнаружителя: Металлообнаружитель, характеризуемый существенным классификационным признаком (характеристикой) или совокупностью признаков (характеристик).
3.3 металлообнаружитель стационарный: Металлообнаружитель, закрепленный на неподвижной конструкции или на неподвижном основании, предназначенный для использования в заранее определенном месте в нормированных условиях эксплуатации.
3.4 металлообнаружитель передвижной/переносной: Металлообнаружитель, конструкция которого обеспечивает его использование в различных условиях эксплуатации на объекте.
3.5 контрольная зона обнаружения (далее - контрольная зона): Зона, характеризуемая высотой, шириной и глубиной свободного пространства, в которой металлообнаружителем обеспечивается обнаружение заданного объекта(ов) или селективное необнаружение заданного предмета(ов).
3.6 объект(ы) обнаружения: Металлосодержащий(е) предмет(ы), запрещенный(е) к несанкционированному проносу.
3.7 предметы необнаружения: Металлосодержащие предметы с небольшой массой черного и/или цветного металла(ов) - фурнитура одежды, обуви и ручной клади, ключи от замков, карманные зажигалки, пишущие ручки, нагрудные знаки и награды, ювелирные украшения и детские игрушки, оправы очков, расчески, брелоки, зубные металлические протезы, монеты и подобные предметы.
3.8 сигнал срабатывания: Реакция металлообнаружителя световой и/или звуковой индикацией (и/или в виде изображения на экране дисплея) на внесение в его контрольную зону объекта(ов) обнаружения.
3.9 ложное срабатывание: Реакция металлообнаружителя сигналом срабатывания при отсутствии внесения в его контрольную зону объекта(ов) обнаружения или при внесении в его контрольную зону допустимого(ых) предмета(ов) необнаружения.
3.10 ручная кладь: Чемоданы, сумки, портфели, ранцы, папки, изделия мелкой кожгалантереи - по ГОСТ 28631.
3.11 система контроля и управления доступом: По ГОСТ Р 51241.
3.12 защитная металлическая конструкция для дверного/оконного проема: По ГОСТ Р 51242.
3.13 комплексная система безопасности объекта: По ГОСТ Р 53704.
3.14 имитатор объекта обнаружения/предмета необнаружения (далее - имитатор): Предмет с весогабаритными и магнитоэлектрическими характеристиками, эквивалентными соответствующим характеристикам объекта(ов) обнаружения, предмета(ов) необнаружения.
4.1 Настоящий стандарт устанавливает классификацию металлообнаружителей по:
- функциональному назначению;
- условиям применения;
- конструкции;
- размерам контрольной зоны.
4.1.1 По функциональному назначению металлообнаружители подразделяют на предназначенные для досмотра:
- человека;
- ручной клади.
4.1.2 По условиям применения металлообнаружители подразделяют как на стационарные, так и на передвижные/переносные.
4.1.3 По конструктивному исполнению металлообнаружители подразделяют на:
- арочные;
- стоечные (с механически не связанными панелями обнаружения, выполненными в виде вертикальных стоек или колонн);
- имеющие один проход через контрольную зону;
- имеющие два прохода и более через контрольную зону.
4.1.4 По размерам контрольной зоны металлобнаружители для досмотра человека подразделяют на:
- с полной контрольной зоной;
- с ограниченной контрольной зоной.
4.2 Условные обозначения
4.2.1 Условное обозначение металлообнаружителя в нормативных документах (НД) и при заказе-наряде на поставку конкретного типа металлобнаружителя должно содержать:
а) наименование изделия - «Металлообнаружитель»;
б) условное обозначение и/или наименование модели [если таковое(ые) предусмотрены];
в) наименование предприятия-изготовителя;
г) функциональное назначение по 4.1.1;
д) условия применения по 4.1.2;
е) конструктивное исполнение по 4.1.3;
ж) характеристику размера контрольной зоны по 4.1.4;
и) класс обнаружения;
к) класс селективности;
л) НД на металлообнаружитель.
4.2.2 Примеры условных обозначений различных типов металлообнаружителей с характеристиками приведены в приложении Е.
5.1 Металлообнаружитель конкретного типа должен быть изготовлен в соответствии с требованиями настоящего стандарта и НД [технических условий (ТУ), стандарта(ов) организации ([1 ст. 17)], по рабочим чертежам, утвержденным в установленном порядке.
5.2 Функциональные характеристики
5.2.1 Металлообнаружитель должен выдавать сигнал срабатывания при перемещении объекта(ов) обнаружения через контрольную зону [контролируемый проход(ы)] в соответствии со своими классификационными признаками (4.1.1 - 4.1.4).
Примечание - Траектория движения объекта(ов) обнаружения и его(их) ориентация в контрольной зоне могут быть произвольными.
5.2.2 Класс обнаружения для металлообнаружителя устанавливают в соответствии с таблицей 1.
Таблица 1 - Классы обнаружения металлообнаружителя и их характеристики
|
Класс обнаружения |
Обнаружительная способность |
Вероятность обнаружения объекта(ов) |
|
1 |
Низкая |
Не более 0,90 |
|
2 |
Средняя |
От 0,90 до 0,95 |
|
3 |
Повышенная |
От 0,95 до 0,98 |
|
4 |
Высокая |
Более 0,98 |
5.2.3 Металлообнаружитель должен обеспечивать выполнение функции обнаружения объекта(ов) с заданными характеристиками (3.1, 3.6) (выдавать сигнал срабатывания) при перемещении через контрольную зону объектов обнаружения со скоростью в пределах от 0,3 до 5,0 м/с.
5.2.4 Металлообнаружитель не должен выдавать сигнал срабатывания при перемещении через контрольную зону предметов необнаружения (3.7) и должен обеспечивать заданную селективность.
5.2.4.1 Общая (совокупная) масса металла(ов) предмета(ов) необнаружения не должна превышать 180 г.
5.2.4.2 Масса металла(ов) в каждом отдельном предмете необнаружения в общей проносимой совокупности предметов необнаружения может быть от 20 до 80 г.
5.2.4.3 Металлообнаружитель не должен выдавать сигнал срабатывания, если общая проносимая совокупность металлосодержащих предметов необнаружения, соответствующая требованиям 5.2.4.1, 5.2.4.2, равномерно распределена на площади не более 0,25 м2 по общей контролируемой поверхности (на теле человека или на/в проносимой ручной клади).
5.2.5 Класс селективности металлообнаружителя и его характеристики по отношению к предметам необнаружения устанавливают в соответствии с таблицей 2 при тех же настройках, при которых определен и установлен его класс обнаружения.
Таблица 2 - Классы селективности металлообнаружителя и их характеристики
|
Класс селективности |
Селективность по отношению к предмету(ам) необнаружения |
Вероятность выдачи сигнала ложного срабатывания |
|
А |
Низкая |
≤ 0,2 |
|
Б |
Нормальная |
≤ 0,1 |
|
В |
Повышенная |
≤ 0,05 |
|
Г |
Высокая |
≤ 0,02 |
5.2.6 Сигнал срабатывания металлообнаружителя должен сопровождаться световой и/или звуковой индикацией (изображением на экране дисплея).
Окончание индикации сигнала срабатывания должно означать последующую готовность металлообнаружителя к работе.
5.2.7 Требования к звуковой индикации металлообнаружителя устанавливают в НД на его конкретный тип в соответствии с ГОСТ 21786, при этом должна быть предусмотрена возможность отключения звукового сигнала.
5.2.8 Требования к световой индикации устанавливают в НД на металлообнаружитель конкретного типа в соответствии с ГОСТ 29.05.002.
5.2.9 Металлообнаружитель должен компенсировать возможное влияние на его работу неподвижных металлических предметов и конструкций, включая защитные металлические конструкции по ГОСТ Р 51242, расположенных вблизи от его контрольной зоны и эквивалентных по массе стальному листу с линейными размерами не более 2,0×1,0×0,002 м.
5.2.9.1 Время компенсации влияния неподвижных металлических предметов и конструкций не должно превышать 15 с.
5.2.9.2 Компенсация влияния помех и установление рабочего режима металлообнаружителя должны сопровождаться световой и/или звуковой индикацией.
5.2.10 Условия выбора места установки металлообнаружителя для целевого применения с учетом ограничений 5.2.9 должны быть указаны в эксплуатационной документации.
5.2.11 Время готовности металлообнаружителя к работе после включения напряжения электропитания должно быть не более 1 мин.
5.2.12 Металлообнаружитель не должен выдавать сигнал срабатывания при перемещении объектов обнаружения на расстояние более 1 м от его контрольной зоны.
5.2.13 Металлообнаружитель должен соответствовать требованиям настоящего стандарта при одновременной работе с другими аналогичными металлообнаружителями, расположенными от него на расстоянии не менее 1 м.
5.2.14 Электропитание металлообнаружителя должно осуществляться от промышленной сети переменного тока частотой (50 ±1) Гц и напряжением от 187 до 242 В или от встроенного аккумулятора электропитания, работающего постоянно или включаемого автоматически при пропадании напряжения питания от промышленной сети.
5.2.15 Металлообнаружитель должен соответствовать требованиям настоящего стандарта при непрерывной работе в течение 24 ч без дополнительной настройки.
5.2.16 Металлообнаружитель, работающий в составе объектовой системы/ подсистемы КУД, должен обеспечивать формирование и выдачу сигнала срабатывания в соответствии с требованиями настоящего стандарта, НД на металлообнаружитель и с учетом требований НД на данную систему/подсистему КУД.
5.3.1 Конструкция металлообнаружителя и его составных частей должна обеспечивать его доставку в упаковке к месту установки через стандартные дверные проемы объекта по ГОСТ Р 51242 и ГОСТ Р 53307.
5.3.2 Конструкция металлообнаружителя и его составных частей должна обеспечивать необходимую механическую прочность, требуемую условиями его применения (эксплуатации).
5.3.3 Органы управления металлообнаружителя конструктивно должны быть защищены от несанкционированного (нештатного) использования.
Допускается применять антивандальную защиту органов управления металлообнаружителем.
5.3.4 Габаритные размеры контрольной зоны металлообнаружителя для досмотра человека должны быть:
- высота не менее 2,0 м для контроля человека в полный рост;
- высота не менее 1,7 м для контроля человека до плеча;
- ширина не менее 0,6 м;
- глубина не более 1,0 м.
5.3.5 Габаритные размеры контрольной зоны металлообнаружителя для досмотра ручной клади должны быть установлены в НД на конкретный тип металлообнаружителя.
5.3.6 Конструкция светового индикатора и/или дисплея в металлообнаружителе должна обеспечивать защиту от засветки прямыми солнечными лучами и другими эквивалентными источниками света.
5.4.1 Общие эргономические требования к металлообнаружителю устанавливают по ГОСТ 12.2.049, ГОСТ 20.39.108, ГОСТ 29.05.002, ГОСТ 21786.
5.4.2 Требования технической эстетики к металлообнаружителю устанавливают по ГОСТ 20.39.108.
5.4.3 Цвета сигнальные и знаки безопасности устанавливают по ГОСТ Р 12.4.026.
5.5 Требования эксплуатационной надежности
5.5.1 Металлообнаружитель в соответствии с ГОСТ 27.002 является восстанавливаемым (ремонтируемым и обслуживаемым) изделием.
5.5.2 Средняя наработка на отказ металлообнаружителя при эксплуатации в соответствии с требованиями НД должна быть не менее 10000 ч.
5.5.3 Средний срок службы металлообнаружителя должен быть не менее 8 лет.
5.5.4 Среднее время восстановления работоспособности металлообнаружителя при ремонте и среднее время проверки и настройки работоспособности при проведении технического обслуживания металлообнаружителя указывают в НД на металлообнаружитель конкретного типа.
5.6 Требования устойчивости к воздействию климатических факторов
Металлообнаружитель должен соответствовать требованиям настоящего стандарта при воздействии климатических факторов для исполнения У, УХЛ, О и категорий размещения 2, 3, 4 по ГОСТ 15150.
5.7 Требования устойчивости к воздействию механических факторов
5.7.1 Металлообнаружитель должен соответствовать требованиям настоящего стандарта после воздействия механических факторов (вибрации, тряски, ударов) в условиях транспортирования Ж по ГОСТ 23216.
5.7.2 Металлообнаружитель должен соответствовать требованиям 5.2 при механических воздействиях для группы эксплуатации М1 и степени жесткости 1 по ГОСТ 17516.1.
5.8 Требования к электромагнитной совместимости
5.8.1 Металлообнаружитель по устойчивости к воздействию электромагнитных помех должен соответствовать степени жесткости 2 по ГОСТ Р 50009.
5.8.2 Металлообнаружитель не должен выдавать ложные сигналы срабатывания при воздействии динамических изменений напряжения сети электропитания в соответствии со степенью жесткости не менее 2 по ГОСТ Р 51317.4.11.
5.8.3 Металлообнаружитель должен соответствовать требованиям 5.2 при воздействии электромагнитных помех, создаваемых телевизионной и электронно-вычислительной техникой, техническими средствами обнаружения, сигнализации и связи, расположенными на расстоянии не менее 1 м от него.
5.8.4 Металлообнаружитель должен соответствовать требованиям 5.2 при воздействии электромагнитных помех, создаваемых силовыми электроустановками до 1000 В по [3, 4], расположенными на расстоянии не менее 2 м от него.
5.8.5 Металлообнаружитель, работающий в составе системы/подсистемы КУД, не должен выдавать ложный сигнал срабатывания при работе совместно с радиостанцией связи, если она входит в состав данной системы/подсистемы.
Мощность радиостанции при этом не должна превышать 2 Вт, а ее расстояние от металлообнаружителя при использовании должно быть не менее 2 м.
5.9 Требования к маркировке и упаковке
5.9.1 Общие требования к маркировке металлообнаружителя устанавливают в соответствии с ГОСТ 26828.
5.9.2 Маркировка металлообнаружителя должна содержать:
- наименование и/или товарный знак предприятия-изготовителя;
- наименование изделия;
- условное обозначение и/или наименование модели [если таковое(ые) предусмотрено(ы)];
- заводской номер;
- год и месяц изготовления;
- контактные реквизиты предприятия-изготовителя (если таковые предусмотрены).
5.9.3 Маркировка транспортной тары должна соответствовать ГОСТ 14192.
5.9.4 Общие требования к упаковке должны соответствовать ГОСТ 23170.
5.9.5 Металлообнаружитель в части защиты от внешних воздействующих факторов должен иметь упаковку категории КУ-1 по ГОСТ 23216.
5.9.6 Способы упаковки транспортируемого металлообнаружителя указывают в НД на металлообнаружитель конкретного типа.
5.10 Требования к эксплуатационной документации
5.10.1 Эксплуатационная документация для металлообнаружителя должна соответствовать требованиям ГОСТ 2.601, ГОСТ 2.610 и настоящего стандарта.
5.10.2 В эксплуатационной документации на металлообнаружитель указывают:
- наименование и условное обозначение изделия с указанием конструктивного исполнения (4.2.1);
- условное обозначение и/или наименование модели [если таковое(ые) предусмотрено(ы)];
- функциональные характеристики с указанием класса обнаружения (см. 5.2.2) и класса селективности (см. 5.2.5);
- габаритные размеры контрольной зоны (см. 5.3.4);
- условия применения (см. 5.6, 5.7);
- меры по обеспечению помехозащищенности (см. 5.8);
- особенности выбора места установки с учетом 4.1.2, 4.1.3, 5.2, 5.5-5.8, 6.3;
- особенности установки и монтажа на выбранном месте с учетом конструкции;
- правила настройки для работы с учетом места установки;
- правила работы при использовании;
- требования и меры безопасности;
- данные для проведения технического обслуживания;
- данные для проведения ремонта.
5.11 Требования к проектированию, монтажу и техническому обслуживанию металлообнаружителя - по ГОСТ Р 50776.
6.1 Требования электробезопасности
6.1.1 Металлообнаружитель должен соответствовать общим требованиям безопасности электроустановок с защитой от поражения электрическим током класса 1 в соответствии с ГОСТ 12.2.007.0, а также требованиям ГОСТ 12.1.019, ГОСТ 12.2.003, ГОСТ 12.0.004, ГОСТ 12.3.032, ГОСТ Р МЭК 60065.
6.1.2 Электрическая прочность изоляции между силовой цепью электропитания и корпусом металлообнаружителя должна выдерживать в течение 1 мин без пробоя напряжение 1,5 кВ синусоидального тока частотой (50 ±1) Гц.
6.1.3 Электрическое сопротивление изоляции между силовой цепью электропитания и корпусом металлообнаружителя должно быть не менее 40 МОм при температуре окружающего воздуха (20 ±5) °С и относительной влажности не более 80 %.
6.2 Требования безопасности при воздействии электромагнитного поля
6.2.1 Электромагнитное излучение работающего металлообнаружителя на расстоянии не менее 0,5 м от панели обнаружения (см. 4.1.3) при воздействии на человека в течение 8 ч не должно превышать допустимой величины в соответствии с ГОСТ 12.1.006.
6.2.2 Влияние металлообнаружителя на работоспособность медицинских кардиостимуляторов и на сохранение информации на магнитных носителях (дискетах, компакт-дисках, флеш-картах, пластиковых картах) при прохождении человеком контрольной зоны или проносе ручной клади указывают в НД на конкретный тип металлообнаружителя.
6.3 Требования пожарной безопасности
6.3.1 Металлообнаружитель и его применение в помещениях объекта должны на основании [2, ст. 18, 82] соответствовать требованиям действующих строительных норм и правил, стандартов, сводов правил и других нормативных документов, относящихся к обеспечению пожарной безопасности, утвержденных в установленном порядке: ГОСТ Р 53310, ГОСТ Р 53312, ГОСТ Р 53313, ГОСТ Р 53314, ГОСТ Р 53315, ГОСТ Р 53316, ГОСТ Р 53317, ГОСТ 12.1.004, СП 4.13130, СП 6.13130, СП 12.13130, [5-19].
7.1 Конструкция и упаковка металлообнаружителя должны обеспечивать перевозку в транспортной таре автомобильным (в крытых кузовах по дорогам на расстояние до 1000 км со скоростью до 80 км/ч), железнодорожным, водным и воздушным (в отапливаемом герметизированном отсеке) транспортом на любые расстояния в соответствии с правилами, установленными на данном виде транспорта по ГОСТ 23088, и маркировкой, нанесенной на тару.
7.2 Условия хранения металлообнаружителя должны соответствовать категории С по ГОСТ 15150 (таблица 13).
8.1 Общие положения
8.1.1 Испытания металлообнаружителя проводят в соответствии с методами настоящего стандарта и НД на конкретный тип металлообнаружителя.
Допускается совмещать испытания по определенным пунктам требований и использовать результаты, полученные на предшествующих испытаниях (этапах испытаний).
8.1.2 Помещение для проведения испытаний должно соответствовать необходимым требованиям безопасности работ и санитарно-гигиеническим требованиям (приложение Б), а приборы и оборудование необходимо использовать строго в соответствии с инструкциями по их эксплуатации.
8.1.3 Все испытания проводят в нормальных климатических условиях по ГОСТ 15150, если в НД на конкретный тип металлообнаружителя не установлено иное.
8.1.4 Средства измерений должны быть поверены в установленном порядке.
8.1.5 Испытательное оборудование должно быть аттестовано в соответствии с ГОСТ Р 8.568.
8.1.6 Функциональные испытания металлообнаружителя (далее - испытания) рекомендуется проводить на специальном автоматизированном стенде (далее - стенд).
8.1.7 Стенд для испытаний металлообнаружителя должен обеспечивать:
- установку, закрепление и циклическое перемещение объекта(ов) обнаружения [предмета(ов) необнаружения] в контрольной зоне металлообнаружителя со скоростью движения от 0,3 до 5,0 м/с с отклонениями от заданных значений не более ± 10 %;
- длину горизонтального участка перемещения объекта(ов) обнаружения [предмета(ов) необнаружения] не менее 2,5 м;
- регулируемые и изменяемые координаты размещения объекта(ов) обнаружения [предмета(ов) необнаружения] в контрольной зоне для различных видов испытаний.
Регулируемая высота траектории движения объекта(ов) обнаружения [предмета(ов) необнаружения] должна иметь дискретность регулировки не более 0,15 м;
- подсчет количества перемещений объекта(ов) обнаружения [предмета(ов) необнаружения] в контрольной зоне;
- подсчет количества срабатываний металлообнаружителя;
- автоматическое отключение в случае отказа металлообнаружителя.
Рекомендуемые схемы типового автоматизированного стенда для проведения функциональных испытаний металлообнаружителя приведены в приложении А.
Примечание - В случае применения стендов, конструктивно отличных от рекомендуемого, они должны обеспечивать аналогичные условия проведения проверки выполнения функциональных характеристик.
8.1.8 Проверку обеспечения функциональных характеристик металлообнаружителя, масса, габаритные размеры и/или другие характеристики которого не позволяют это выполнить на стенде в полном комплекте, допускается проводить по отдельным составным частям (элементам, блокам), распространяя результаты этих испытаний на металлообнаружитель в целом, что должно быть согласовано в установленном порядке.
Примечание - Допускается проводить проверку обеспечения функциональных характеристик металлообнаружителя не на стенде, а с участием аттестованного в установленном порядке человека-испытателя ростом 165 - 190 см.
На испытателе во время проведения испытаний могут быть предметы необнаружения общей массой не более 20 г.
8.2 Испытания металлообнаружителя по установлению класса обнаружения
Испытания металлообнаружителя по установлению класса обнаружения (см. 5.2.2) проводят в помещении, удовлетворяющем требованиям приложения Б настоящего стандарта.
8.2.1 Испытания металлообнаружителя для досмотра человека по установлению класса обнаружения
8.2.1.1 В металлообнаружителе устанавливают режим, соответствующий обнаружению объекта(ов) обнаружения, указанный в НД на конкретный тип металлообнаружителя.
8.2.1.2 Устанавливают поочередно имитаторы 1, 2, 3, 4, 5 на стенде в соответствии с рисунком В.4 (приложение В) в верхней, средней и нижней частях контрольной зоны [прохода(ов)].
8.2.1.3 Перемещают имитаторы 1, 2, 3, 4, 5 через центр контрольной зоны [прохода(ов)].
При испытаниях на стенде контролируемое движение должно начинаться за 1 м от испытываемого металлообнаружителя и заканчиваться после прохода 1 м за испытываемый металлообнаружитель.
Примечание - При проходе через контрольную зону человека-испытателя движение должно начинаться за 2,5 м от испытываемого металлообнаружителя и заканчиваться после прохода 2,5 м за испытываемый металлообнаружитель.
Скорость движения при испытании должна быть в пределах: 0,3-0,4; 1,4-1,5 и 4,5-5,0 м/с.
Эту операцию повторяют 100 раз для каждого типа имитатора и варианта его расположения в контрольной зоне. При каждом перемещении фиксируют срабатывание звуковой и/или световой индикации (изображение на экране дисплея) металлообнаружителя.
8.2.1.4 Рассчитывают частоту обнаружения каждого имитатора при каждом варианте расположения в контрольной зоне по формуле
где С - общее количество сигналов срабатывания металлообнаружителя;
П - общее количество перемещений.
Сопоставляя полученный(е) результат(ы) со значениями вероятностей обнаружения, приведенными в таблице 1, устанавливают класс обнаружения по наименьшей частоте обнаружения всех имитаторов.
8.2.1.5 При необходимости (если это предусмотрено НД на конкретный тип металлообнаружителя) повторяют испытания по 8.2.1.1-8.2.1.3 металлообнаружителя с электропитанием от встроенного аккумулятора (5.2.14) и проводят соответствующие повторные расчеты.
8.2.2 Испытания металлообнаружителя для досмотра ручной клади по установлению класса обнаружения
8.2.2.1 Выполняют действия по 8.2.1.1.
8.2.2.2 Размещают в портфеле-дипломате последовательно имитаторы 1, 2, 3, 4, 5, расположив их в соответствии с позициями 1-3 таблицы В.1 (приложение В), и передвигают с помощью стенда портфель-дипломат со скоростью 0,5-1,0 м/с, устанавливая его в контрольной зоне металлообнаружителя согласно указаниям НД на конкретный тип металлообнаружителя.
Эту операцию повторяют 200 раз для каждого варианта расположения имитаторов в контрольной зоне. При каждом перемещении фиксируют срабатывание звуковой и/или световой индикации (изображение на экране дисплея) металлообнаружителя.
8.2.2.3 Рассчитывают частоту обнаружения имитаторов по формуле (1).
Сопоставляя полученный(е) результат(ы) со значениями вероятностей обнаружения, приведенными в таблице 1, устанавливают класс обнаружения по 8.2.1.4.
Примечание - При необходимости проводят испытания и расчеты по 8.2.1.5.
8.3 Испытания металлообнаружителя по установлению класса селективности
Испытания металлообнаружителя по установлению класса селективности (см. 5.2.4, 5.2.5) проводят в помещении, удовлетворяющем требованиям приложения Б настоящего стандарта. Режимы настройки металлообнаружителя аналогичны 8.2.
8.3.1 Испытания металлообнаружителя для досмотра человека по установлению класса селективности
8.3.1.1 Устанавливают поочередно имитатор(ы) 6 на испытательном стенде в соответствии с рисунком Г.2 (приложение Г) - в верхней, средней и нижней частях контрольной зоны [прохода(ов)].
8.3.1.2 Последовательно перемещают через контрольную зону (проход) имитатор(ы) 6 для каждого варианта установки.
Скорость перемещения следует устанавливать в пределах: 0,3-0,4; 1,4-1,5 и 4,5-5,0 м/с. Эту операцию для каждого варианта повторяют 100 раз.
При каждом перемещении фиксируют работу звуковой и/или световой индикации (изображение на экране дисплея) металлообнаружителя.
8.3.1.3 Рассчитывают частоту обнаружения имитатора 6 по формуле (1), используя результаты всей совокупности испытаний.
Сопоставляя полученный(е) результат(ы) со значениями вероятностей ложного сигнала срабатывания, приведенными в таблице 2, устанавливают класс селективности металлообнаружителя по отношению к предмету(ам) необнаружения на человеке.
8.3.2 Испытания металлообнаружителя для досмотра ручной клади по установлению класса селективности
8.3.2.1 Размещают поочередно в портфеле-дипломате имитатор(ы) 6, расположив его (их) в произвольной ориентации в соответствии с таблицей Г.1 (приложение Г), и перемещают портфель-дипломат через контрольную зону со скоростью 0,5-1,0 м/с или устанавливают портфель-дипломат с имитато- ром(ами) 6 в контрольную зону металлообнаружителя по указаниям НД на конкретный тип металлообнаружителя.
Эту операцию для каждого варианта повторяют 200 раз.
При каждом перемещении фиксируют работу звуковой и/или световой индикации (изображение на экране дисплея) металлообнаружителя.
8.3.2.2 Рассчитывают частоту обнаружения имитатора 6 по формуле (1), используя результаты всей совокупности испытаний.
Сопоставляя полученный(е) результат(ы) со значениями вероятностей выдачи ложного сигнала срабатывания с приведенными в таблице 2, устанавливают класс селективности металлообнаружителя по отношению к предмету(ам) необнаружения в ручной клади.
8.4 Проверка металлообнаружителя для досмотра человека на обеспечение стабильности выполнения функции обнаружения (см. 5.2.2)
8.4.1 Выполняют действия по 8.2.1.1.
8.4.2 Перемещают через контрольную зону [проход(ы)] металлообнаружителя имитаторы 1,2,3, 4, 5, последовательно располагая их в соответствии с рисунком В.4 (приложение В).
Скорости перемещения имитаторов через контрольную зону 0,5-1,0 м/с. Эту операцию для каждого варианта размещения и скорости перемещения повторяют 200 раз. При каждом перемещении фиксируют работу звуковой и/или световой индикации (изображение на экране дисплея) металлообнаружителя.
8.4.3 Не выключая металлообнаружитель через период, равный времени непрерывной работы (24 ч), за вычетом времени, затраченного на проведение испытаний по 8.4.1, повторяют проверку.
Металлообнаружитель считается выдержавшим данную проверку, если класс обнаружения не ниже соответствующего класса, полученного при испытаниях по 8.2.1.
8.4.4 Если результаты проверки оказываются хуже, чем полученные в 8.2.1, то металлообнаружителю присваивают класс обнаружения по наименьшему полученному расчетному значению.
8.5 Проверка металлообнаружителя для досмотра человека на обеспечение стабильности выполнения функции селективности (см. 5.2.4, 5.2.5)
8.5.1 Режимы настройки металлообнаружителя аналогичны 8.4.
8.5.2 Перемещают через контрольную зону [проход(ы)] металлообнаружителя имитатор 6, располагая его на стенде в соответствии с рисунком Г.2 (приложение Г).
Скорости перемещения имитатора через контрольную зону 0,5-1,0 м/с. Эту операцию для каждого варианта размещения и скорости перемещения повторяют 200 раз. При каждом перемещении фиксируют работу звуковой и/или световой индикации (изображение на экране дисплея) металлообнаружителя.
8.5.3 Остальные действия при данной проверке аналогичны 8.4.3.
Металлообнаружитель считается выдержавшим данную проверку, если полученный класс селективности по отношению к предмету(ам) необнаружения не ниже соответствующего класса, полученного при испытаниях по 8.3.1.
8.5.4 Если результаты проверки оказываются хуже, чем полученные в 8.3.1, то металлообнаружителю присваивают класс селективности по наименьшему полученному расчетному значению.
8.5.5 Настоящий стандарт допускает совмещение проверок по 8.4 и 8.5.
8.6 Проверку металлообнаружителя для досмотра ручной клади на обеспечение стабильности выполнения функций обнаружения и селективности проводят по методикам 8.4 и 8.5 с использованием данных таблицы В.1 приложения В и таблицы Г.1 приложения Г.
8.7 Проверку требований к конструкции металлообнаружителя (5.3) проводят экспертным методом анализа комплекта эксплуатационной документации.
8.8 Проверку металлообнаружителя на соответствие требованиям эргономики (5.4) проводят экспертным методом.
8.9 Испытания металлообнаружителя на соответствие требованиям эксплуатационной надежности (5.5) проводят не реже одного раза в три года.
Методику проведения и планы контрольных испытаний устанавливают в НД по ГОСТ 27.403.
8.10 Испытания на устойчивость к воздействию климатических факторов
8.10.1 Испытания металлообнаружителя на устойчивость к воздействию повышенной и пониженной температур, соответствующих условиям эксплуатации (см. 5.6), проводят по ГОСТ Р 52931 и НД на конкретный тип металлообнаружителя.
8.10.2 Испытания металлообнаружителя на устойчивость к воздействию повышенной влажности (см. 5.6) проводят по ГОСТ 16962.1 и НД на конкретный тип металлообнаружителя.
8.10.3 Испытания металлообнаружителя на устойчивость к воздействию пыли (см. 5.6) проводят по ГОСТ 14254 и НД на конкретный тип металлообнаружителя.
8.11 Испытания на устойчивость к воздействию механических факторов
8.11.1 Испытания металлообнаружителя на воздействие механических факторов в условиях транспортирования (см. 5.7) проводят по ГОСТ 11478 и НД на конкретный тип металлообнаружителя.
8.11.2 Испытания металлообнаружителя на воздействие вибрации (см. 5.7) проводят по ГОСТ 28203 и НД на конкретный тип металлообнаружителя.
Примечание - С учетом габаритных размеров и массы металлообнаружителя допускается проводить испытания по 8.10, 8.11 аналогично 8.1.8.
8.12 Испытания металлообнаружителя на соответствие требованиям к электромагнитной совместимости
8.12.1 При испытаниях на соответствие требованиям к электромагнитной совместимости (см. 5.8) проверяют работоспособность металлообнаружителя в условиях воздействия помех, создаваемых в сетях электропитания (5.2.14), электроустановками до 1000 В по [3, 4] (силовые шкафы, электрокабели, электрические двигатели оборудования), телевизионной и электронно-вычислительной техникой, техническими средствами обнаружения, сигнализации и связи, расположенными на расстоянии не менее 1 м от него.
8.12.2 Испытания работоспособности (5.2.1-5.2.10) металлообнаружителя при воздействии помех по сетям электропитания проводят по ГОСТ Р 50009, ГОСТ Р 51317.4.11 и НД на конкретный тип металлообнаружителя.
8.12.3 Испытания работоспособности металлообнаружителя при воздействии помех, создаваемых электроустановками, проводят по ГОСТ Р 50009, ГОСТ Р 51317.6.1, ГОСТ Р 51317.6.2, ГОСТ Р 51317.6.3, ГОСТ Р 51317.6.4 и НД на конкретный тип металлообнаружителя.
8.12.4 Испытания работоспособности металлообнаружителя при воздействии помех, создаваемых телевизионной и электронно-вычислительной техникой, техническими средствами обнаружения, сигнализации и связи, проводят по ГОСТ Р 50009, ГОСТ Р 51317.4.3, ГОСТ Р 51317.4.4, ГОСТ Р 51317.4.5, ГОСТ Р 51317.4.6, ГОСТ Р 51318.22, ГОСТ Р 51318.24 и НД на конкретный тип металлообнаружителя.
Примечания
1 При испытаниях металлообнаружителя в условиях воздействия электромагнитных помех, создаваемых силовыми электроустановками, необходимо соблюдать следующие условия:
в качестве имитатора электроустановки следует использовать асинхронный двухфазный двигатель мощностью не менее 500 Вт, электропитание которого осуществляется от автономной электрической сети;
ось вращения имитатора должна быть параллельна направлению движения человека (или ручной клади), а его предполагаемый геометрический центр должен находиться на высоте центра панели обнаружения (стойки, колонны) и на расстоянии не менее 2 м от центра;
в процессе испытаний осуществляют не менее 10 циклов пуска-останова имитатора.
2 При испытаниях металлообнаружителя при воздействии электромагнитных помех мониторов телевизионной и электронно-вычислительной техники необходимо соблюдать следующие условия:
- плоскость экрана телевизионного устройства должна быть параллельна направлению движения человека (или ручной клади) через контрольную зону, а его центр должен находиться на высоте центра панели обнаружения (стойки, колонны) и на расстоянии не менее 1 м от этого центра, развернутым на 90° относительно плоскости пола.
3 При испытаниях металлообнаружителя на воздействие электромагнитных помех, создаваемых радиостанцией связи, необходимо соблюдать следующие условия:
допускаемая мощность работающей в режиме передачи радиостанции не должна превышать 2 Вт;
расстояние работающей радиостанции от металлообнаружителя должно быть не менее 2 м.
4 При испытаниях металлообнаружителя на воздействие электромагнитных помех, создаваемых работающими одновременно с ним техническими средствами обнаружения и сигнализации, следует использовать соответствующие методики, приведенные в НД на конкретный тип металлообнаружителя.
8.12.5 Испытания работоспособности металлообнаружителя по 8.12.2-8.12.4 при воздействии помех необходимо проводить аналогично испытаниям без воздействия помех (см. 5.2).
8.12.6 Необходимые расчеты для определения классов обнаружения и селективности металлообнаружителя при работе в условиях, описанных в 8.12.2-8.12.4, проводят по 8.2-8.6.
8.13 Проверка маркировки и упаковки
8.13.1 Проверку износостойкости маркировки металлообнаружителя (см. 5.9) проводят по ГОСТ 26828.
8.13.2 Испытания упаковки и упакованных металлообнаружителей (см. 5.9) проводят по ГОСТ 23216.
8.14 Методы испытаний на безопасность
8.14.1 Испытания металлообнаружителей на электробезопасность (см. 6.1) проводят по ГОСТ Р МЭК 60065 и по соответствующим методикам, представленным в НД на металлообнаружитель конкретного типа.
8.14.2 Испытания металлообнаружителей на безопасность от собственного электромагнитного излучения (см. 6.2) проводят по методикам, представленным в НД на металлообнаружитель конкретного типа, с учетом 6.2.1.
Для импортных металлообнаружителей данный показатель контролируют по наличию гарантии изготовителя (поставщика) при инспекционном контроле производства.
8.14.3 Испытания металлообнаружителей на пожарную безопасность (см. 6.3) проводят по соответствующим методикам, представленным в НД на металлообнаружитель конкретного типа, с учетом 6.3.1.
8.15 Проверку эксплуатационной документации металлообнаружителя конкретного типа на соответствие требованиям 5.10 проводят экспертным методом.
Стенд для функциональных испытаний является переносным прибором и предназначен для определения характеристик досмотрового оборудования (металлообнаружителей) в нормальных условиях эксплуатации по ГОСТ 15150. Принцип действия стенда основан на измерении количества срабатываний и расстояния от предмета обнаружения в момент срабатывания проверяемого оборудования.

1 - концевой выключатель левый; 2 - разъем подключения кабеля № 2; 3 - рычаг натяжителя; 4 - пружина натяжителя; 5 - ролик натяжителя; 6 - леска привода подвижной тележки; 7 - корпус - направляющая станина; 8 - подвижная тележка; 9 - ролик привода сдатчиком импульсов; 10 - мотор привода; 11 - концевой выключатель правый; 12 - разъем подключения кабеля № 1; 13 - пульт управления и индикации
Рисунок А.1 - Общий вид стенда сверху

Рисунок А.2 - Расположение информации о назначении кнопок пульта управления стендом
Б.1 Помещение для проведения испытаний должно соответствовать общим требованиям ГОСТ 12.1.005, ГОСТ 12.1.006, ГОСТ 20.39.108, [20-28].
Б.2 Помещение для проведения испытаний должно иметь линейные размеры не менее:
Б.2.1 Длина - 6 м.
Б.2.2 Ширина - 3,5 м.
Б.2.3 Высота - 3 м.
Б.3 Стены, пол, потолок не должны быть выполнены из металла и иметь наружные металлические конструкции.
Б.4 Металлические предметы в помещении в процессе испытаний не должны перемещаться.
Б.5 Пол в помещении должен обеспечивать отсутствие передачи колебаний при проходе по нему испытательного стенда (или человека) через металлообнаружитель.
Б.6 В помещении должно быть размечено место установки испытываемого металлообнаружителя с линейными размерами 1,0×0,6×2,0 м.
Б.7 Место установки металлообнаружителя должно удовлетворять следующим требованиям.
Б.7.1 Расстояние от границы места установки до любых электрических сетей, кроме сетей электропитания металлообнаружителя и освещения рабочего места, должно быть не менее 3 м.
Б.7.2 Расстояние от границы места установки до электросветильников должно быть не менее 1 м.
Б.7.3 Расстояние от границы места установки до посторонних металлических предметов должно составлять не менее 3 м.
Б.7.4 Расстояние от границы места установки до стен в одном из направлений должно быть не менее 2,5 м.
Б.7.5 Расстояние от границы места установки до работающих силовых электроустановок (силовых шкафов, кабелей, электрических двигателей и другого электрооборудования), телевизионных устройств (мониторов вычислительной техники), телевизионных приемников должно составлять не менее 3 м.
Б.7.6 К электрической сети для испытаний недопустимо подключать мощные электроустановки (например, сварочный аппарат, электрокомпресссор и другое электрооборудование), работающие в повторно-кратковременном режиме, с переменным потреблением мощности.
Эскиз имитаторов 1, 2
Легкое огнестрельное и пневматическое оружие
Имитатор 1
Материал: Сталь 10
Имитатор 2
Материал: Сталь 20X13

Рисунок В.1
Эскиз имитатора 3
- Холодное оружие из стали
- Металлические предметы из стали для нанесения человеку поражающих ударов
Материал: Сталь 10

Рисунок В.2
Имитатор 4 - Взрывные устройства с оболочкой из стали
Материал: Сталь 10
Имитатор 5 - Холодное оружие из цветного металла или взрывные устройства с оболочкой из цветного металла
Материал: АМЦ

Рисунок В.3
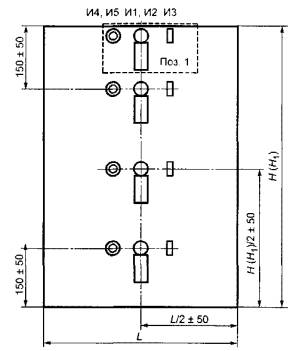
Расположение и ориентация имитаторов объекта(ов) обнаружения на человеке (И1, И2, ИЗ, И4, И5) при функциональных испытаниях металлообнаружителя для досмотра человека на автоматизированном стенде

L - ширина контрольной зоны, не менее 600 мм;
Н - высота контрольной зоны, не менее 2000 мм для металлообнаружителя с полной контрольной зоной;
Н1 - высота контрольной зоны, не менее 1700 мм для металлообнаружителя с ограниченной контрольной зоной;
позиция 1 - расположение имитаторов в верхней части контрольной зоны при испытаниях металлообнаружителя с ограниченной контрольной зоной.
Таблица В.1 - Расположение имитаторов объекта(ов) обнаружения в ручной клади (И1, И2, И3, И4, И5) при функциональных испытаниях металлообнаружителя для досмотра ручной клади. Ориентация имитаторов произвольная
|
№ позиции |
Расположение имитаторов объекта(ов) обнаружения в ручной клади |
||
|
Имитаторы 1, 2 |
Имитатор 3 |
Имитаторы 4, 5 |
|
|
1 |
В центре портфеля-дипломата |
В центре портфеля-дипломата |
В центре портфеля-дипломата |
|
2 |
В левом/правом верхнем углу портфеля-дипломата |
В левом/правом верхнем углу портфеля-дипломата |
В левом/правом верхнем углу портфеля-дипломата |
|
3 |
В левом/правом нижнем углу портфеля-дипломата |
В левом/правом нижнем углу портфеля-дипломата |
В левом/правом нижнем углу портфеля-дипломата |
Предмет(ы)необнаружения
Материал: Сталь 10

Рисунок Г.1
Расположение и ориентация имитаторов предмета(ов) необнаружения на человеке (И6) при функциональных испытаниях металлообнаружителя на автоматизированном стенде

L - ширина контрольной зоны, не менее 600 мм;
Н - высота контрольной зоны, не менее 2000 мм для металлообнаружителя с полной контрольной зоной;
Н1 - высота контрольной зоны, не менее 1700 мм для металлообнаружителя с ограниченной контрольной зоной;
позиция 1 - расположение имитаторов в верхней части контрольной зоны при испытаниях металлообнаружителя с ограниченной контрольной зоной.
Таблица Г.1 - Расположение имитатора предмета(ов) необнаружения (И6) в ручной клади при функциональных испытаниях металлообнаружителя для досмотра ручной клади. Ориентация имитатора И6 произвольная
|
Расположение имитатора предмета(ов) необнаружения И6 в ручной клади |
||||||
|
№ позиции |
1 |
2 |
3 |
4 |
5 |
|
|
Имитатор И6 |
В центре портфеля-дипломата |
|
В левом верхнем углу портфеля-дипломата |
В левом нижнем углу портфеля-дипломата |
В правом верхнем углу портфеля-дипломата |
В правом нижнем углу портфеля-дипломата |
Примечание - Данные приложений В - Г аналогично могут быть использованы при проведении испытаний металлообнаружителя человеком-испытателем.
Имитаторы 1, 2
Для следующих типов легкого огнестрельного и пневматического оружия (по ГОСТ Р 51242, [29], [30]):
Автомат АКСУ-74, калибр 5,45.
Пистолет-пулемет «Узи», калибр 9,0.
Пистолеты-пулеметы: «Кедр», «Кедр-Б», «Клин», калибр 9,0.
Пистолет Стечкина, калибр 9,0.
Пистолет ПМ, калибр 9,0.
Пистолет «Браунинг», калибр 9,0.
Пистолет «Вальтер», калибр 9,0.
Пистолет «Беретта», калибр 9,0.
Пистолет «Парабеллум», калибр 7,65.
Пистолет «ТТ», калибр 7,62.
Пистолет «Кольт», калибр 7,62.
Пистолет специальный малокалиберный ПСМ, калибр 4,5.
Револьвер «Наган», калибр 7,62.
Револьвер «Кольт», калибр 11,0.
Револьвер 3-CU Test (FAA-USA), калибр 5,6.
Пистолет бесствольный травматический «Оса», калибр 18,0.
Пистолеты пневматические газобаллонные: «Беркут», «SKIF», «SPORT», калибр 4,5.
Карабин охотничий «Сайга» - обрез самодельный, калибр 7,62.
Карабин охотничий «Маузер» - обрез самодельный, калибр 7,62.
Ружья охотничьи: «ИЖ-27», «ТОЗ-12» - обрез самодельный, калибр 12,0.
Для следующих типов холодного (клинкового колюще-режущего (рубящего) и метательного оружия, ножей (по [29], [31]):
Штык-нож стальной автоматов АК-47, АК-М, АК-74.
Кинжал стальной.
Кортик стальной.
Стилет стальной.
Стилет дюралюминиевый, латунный самодельный.
Заточка колюще-режущая стальная самодельная.
Топор охотничий (туристский) стальной.
Нож охотничий (туристский) стальной.
Сурикена стальная
Для следующих типов холодного оружия и поражающих человека металлических предметов травматического и ударно-дробящего действия (по [29-31]):
Кастет стальной.
Кастет дюралюминиевый, латунный самодельный.
Перчатка, рукавица кольчужная стальная.
Цепь стальная (фрагмент обрезной самодельный).
Прут стальной (фрагмент обрезной самодельный).
Ручной ударно-режущий инструмент стальной (с весом металла не менее 200,0 г).
Малогабаритные (с объемом металла не менее 60,0 см3) стальные детали машиностроительного назначения.
Имитаторы 4, 5
Для следующих типов портативных взрывных устройств (по [31]):
Граната ручная Ф-1.
Граната ручная РГД-5.
Граната ручная РГ-42.
Граната ручная кумулятивная РКГ-3.
Граната подствольного гранатомета автоматов АК-47, АК-М, АК-74.
Взрывное устройство самодельное в металлической оболочке с бризантным ВВ (до 100 г в тротиловом эквиваленте) пониженной (аммонал, аммонит), нормальной (тротил) и повышенной (гексоген, оксоген, тетрил) мощности, с внутренними металлическими поражающими элементами.
Е.1 Пример обозначения металлообнаружителя с полной контрольной зоной обнаружения для досмотра человека и ручной клади со средней вероятностью обнаружения и повышенной селективностью, технические требования к которому соответствуют ГОСТ Р 53705:
Металлообнаружитель стационарный арочный с одним проходом (2,0×1,0×0,5 м) через контрольную зону, класса 2В, ГОСТ Р 53705.
Е.2 Пример обозначения металлообнаружителя с полной контрольной зоной обнаружения для досмотра человека с повышенной вероятностью обнаружения и высокой селективностью, технические требования к которому соответствуют ГОСТ Р 53705:
Металлообнаружитель стационарный стоечный, имеющий три прохода (2,0×0,6×0,5 м) через контрольную зону, класса 3Г, ГОСТ Р 53705.
Е.3 Пример обозначения металлообнаружителя передвижного для досмотра ручной клади с высокой вероятностью обнаружения и с низкой селективностью, технические требования к которому соответствуют ГОСТ Р 53705:
Металлообнаружитель передвижной арочный, для досмотра ручной клади, имеющий два прохода (0,6×0,6×0,6 м) через контрольную зону, класса 4А, ГОСТ Р 53705.
Е.4 Пример обозначения металлообнаружителя переносного стоечного для досмотра человека с полной контрольной зоной обнаружения, со средней вероятностью обнаружения и с нормальной селективностью, технические требования к которому соответствуют ГОСТ Р 53705:
Металлообнаружитель переносной стоечный, имеющий один проход (1,7×0,6×0,5) через контрольную зону, класса 2В, ГОСТ Р 53705.
Е.5 Пример обозначения и характеристики сертифицированного импортного стационарного арочного металлообнаружителя для досмотра человека с полной контрольной зоной обнаружения, с тремя проходами:
Металлообнаружитель стационарный арочный программируемый для помещений. Фирма-изготовитель ..… Модель ….. Металлообнаружитель сертифицирован по ГОСТ Р 53705.
Сертификат соответствия
ГОCT P MD AE …..
Действителен до ……………..
Код К-ОКП …… Код ТН ВЭД ………………
Предназначен для досмотра человека, с полной контрольной зоной обнаружения, с четырьмя проходами (2,0×0,76×0,6 м).
Класс обнаружения - 3, повышенный (вероятность обнаружения - 0,95-0,98)
Класс селективности - Г, высокий (вероятность выдачи ложного сигнала тревоги ≤ 0,02).
Настраивается на любую массу металла от нескольких грамм.
Имеет тестовую самодиагностику работоспособности, возможность синхронизации для совместной работы с другими металлообнаружителями, электронную защиту от помех мониторов и электрооборудования оргтехники.
Федеральный закон от 27 декабря 2002 г. № 184-ФЗ «О техническом регулировании» |
||
|
Федеральный закон от 22 июля 2008 г. № 123-ФЗ «Технический регламент о требованиях пожарной безопасности |
||
|
Правила устройства электроустановок, утвержденные приказом Минэнерго России от 08.07.2002 № 204 |
||
|
Правила технической эксплуатации электроустановок потребителей, утвержденные приказом Минэнерго России от 13.01.2003 № 6. |
||
|
Противопожарные нормы |
||
|
[6] |
Жилые здания |
|
|
[7] |
Общественные здания и сооружения |
|
|
[8] |
Производственные здания |
|
|
[9] |
Административные и бытовые здания |
|
|
[10] |
Складские здания |
|
|
[11] |
Приемка в эксплуатацию законченных строительством объектов. Основные положения |
|
|
[12] |
Электротехнические устройства |
|
|
[13] |
Системы автоматизации |
|
|
[14] |
Пожарная безопасность зданий и сооружений |
|
|
[15] |
Правила пожарной безопасности в Российской Федерации |
|
|
[16] |
Временные нормы и правила. Проектирование многофункциональных высотных зданий и зданий-комплексов в г. Москве (раздел 16) |
|
|
[17] |
Методические указания по проведению анализа риска опасных производственных процессов, утвержденные постановлением Госгортехнадзора России от 10.07.2001 № 30 |
|
|
[18] |
Ст. ВДПО 2-02-08 |
Системы оповещения и управления эвакуацией. Проектирование, монтаж, эксплуатация |
|
Пожарная безопасность предприятий. Курс пожарно-технического минимума: Справочник. М.: Спецтехника, 2001. 448 с. |
||
|
Санитарно-эпидемиологические требования к жилым зданиям и помещениям |
||
|
[21] |
СанПиН 2.1.4.02795-01 |
Зоны санитарной охраны источников водоснабжения и водопроводов хозяйственно-питьевого назначения |
|
[22] |
Питьевая вода. Гигиенические требования к качеству воды централизованных систем питьевого водоснабжения. Контроль качества |
|
|
[23] |
СанПиН 2.1.4.1075-02 |
|
|
[24] |
Гигиенические требования к охране поверхностных вод |
|
|
[25] |
Гигиенические требования к обеспечению качества атмосферного воздуха населенных мест |
|
|
[26] |
Санитарно-эпидемиологические требования к качеству почвы |
|
|
[27] |
Санитарно-защитные зоны и санитарная классификация предприятий, сооружений и иных объектов |
|
|
Гигиенические требования к микроклимату производственных помещений |
||
|
Федеральный закон от 13 декабря 1996 г. № 150-ФЗ «Об оружии» |
||
|
Ярочкин В.И. Оружие. Гражданское, служебное, боевое. М.: «Ось-89», 1996. 208 с. |
||
|
Применение технических средств в борьбе с терроризмом/Под общ. ред. С.Ф. Радивила. М.: НИЦ «Охрана» ГУВО МВД России, 2000. 96 с. |
||
Ключевые слова: автоматизация, аудиоконтроль, безопасность, видеоконтроль, вероятность, воздействие, движение, действие, документация, доступ, досмотр, защита, зона, имитатор, индикация, информация, испытания, кладь, класс, климат, комплекс, конструкция, контроль, металл, надежность, наблюдение, металлообнаружитель, необнаружение, обнаружение, объект, оповещение, подсистема, поиск, помехоустойчивость, перемещение, предмет, производство, проход, размер, расположение, селективность, сигнал, система, совместимость, срабатывание, стенд, тест, требования, управление, устройство, человек, чувствительность, эксплуатация, эргономика