|
ФЕДЕРАЛЬНОЕ АГЕНТСТВО |
||
|
|
НАЦИОНАЛЬНЫЙ |
ГОСТ Р |
ОТЛИВКИ ИЗ МЕТАЛЛОВ И СПЛАВОВ
Допуски размеров, массы
и припуски на механическую обработку
|
|
Москва Стандартинформ 2010 |
Предисловие
Цели и принципы стандартизации в Российской Федерации установлены Федеральным законом от 27 декабря 2002 г. № 184-ФЗ «О техническом регулировании», а правила применения национальных стандартов Российской Федерации - ГОСТ Р 1.0-2004 «Стандартизация в Российской Федерации. Основные положения»
Сведения о стандарте
1 РАЗРАБОТАН Государственным образовательным учреждением высшего профессионального образования «Московский государственный технический университет «МАМИ»
2 ВНЕСЕН Техническим комитетом по стандартизации ТК 252 «Литейное производство»
3 УТВЕРЖДЕН И ВВЕДЕН В ДЕЙСТВИЕ Приказом Федерального агентства по техническому регулированию и метрологии от 9 декабря 2009 г. № 610-ст
4 ВВЕДЕН ВПЕРВЫЕ
Информация об изменениях к настоящему стандарту публикуется в ежегодно издаваемом информационном указателе «Национальные стандарты», а текст изменений и поправок - в ежемесячно издаваемых информационных указателях «Национальные стандарты». В случае пересмотра (замены) или отмены настоящего стандарта соответствующее уведомление будет опубликовано в ежемесячно издаваемом информационном указателе «Национальные стандарты». Соответствующая информация, уведомление и тексты размещаются также в информационной системе общего пользования - на официальном сайте Федерального агентства по техническому регулированию и метрологии в сети Интернет
Содержание
НАЦИОНАЛЬНЫЙ СТАНДАРТ РОССИЙСКОЙ ФЕДЕРАЦИИ
|
ОТЛИВКИ ИЗ МЕТАЛЛОВ И СПЛАВОВ Допуски размеров, массы Metal and alloy castings. |
Дата введения - 2010-07-01
Настоящий стандарт распространяется на отливки из черных и цветных металлов и сплавов и устанавливает допуски размеров, формы, расположения и неровностей поверхности, массы и припуски на механическую обработку.
В настоящем стандарте использованы нормативные ссылки на следующие стандарты:
ГОСТ 2.308-79 Единая система конструкторской документации. Указание на чертежах допусков форм и расположения поверхностей
ГОСТ 3.1125-88 Единая система технической документации. Правила графического выполнения элементов литейных форм и отливок
ГОСТ 8-82 Станки металлорежущие. Общие требования к испытаниям на точность
ГОСТ 3212-92 Комплекты модельные. Уклоны формовочные, стержневые знаки, допуски размеров
Примечание - При пользовании настоящим стандартом целесообразно проверить действие ссылочных стандартов в информационной системе общего пользования - на официальном сайте Федерального агентства по техническому регулированию и метрологии в сети Интернет или по ежегодно издаваемому информационному указателю «Национальные стандарты», который опубликован по состоянию на 1 января текущего года, и по соответствующим ежемесячно издаваемым информационным указателям, опубликованным в текущем году. Если ссылочный стандарт заменен (изменен), то при пользовании настоящим стандартом следует руководствоваться заменяющим (измененным) стандартом. Если ссылочный стандарт отменен без замены, то положение, в котором дана ссылка на него, применяется в части, не затрагивающей эту ссылку.
В настоящем стандарте применены следующие термины с соответствующими определениями:
3.1 номинальный размер детали (отливки): Размер, указанный на чертеже детали (отливки).
3.2 средний размер детали: Размер детали, соответствующий сумме номинального размера детали и среднего значения поля его допуска.
3.3 вид размеров отливки: Совокупность размеров отливки, характеризующихся подобными конструктивными и технологическими условиями формирования их точности.
Размеры вида 1 - размеры элементов отливок, образованных одной частью литейной формы или одним стержнем.
Размеры вида 2 - размеры элементов отливок, образованных двумя полуформами или полуформой и стержнем (в том числе размеры, выходящие на плоскость разъема отливки или пересекающие ее).
Размеры вида 3 - размеры элементов отливок, образованных тремя и более частями литейной формы, несколькими стержнями или подвижными элементами формы, а также толщины стенок, являющихся замыкающим звеном двух размеров.
3.4 действительный размер отливки: Действительный размер, измеряемый двухточечным инструментом.
3.5 допуск смещения элемента отливки по плоскости разъема: Разность предельных отклонений положений частей элемента отливки, формируемых в разных полуформах.
3.6 общий допуск элемента отливки: Комплексный допуск, включающий допуск размера от поверхности до базы и независимо назначенные допуски формы и расположения нормируемого участка поверхности.
3.7 шероховатость поверхностей: Совокупность повторяющихся неровностей малой величины (микронеровностей).
Базовой линией для определения параметров шероховатости служит средняя линия микропрофиля поверхности. Приняты обозначения: Ra (мкм) - среднеарифметическое отклонение микропрофиля поверхностей; Rz (мкм) - высота неровностей профиля (по десяти точкам).
3.8 неровностность поверхности: Совокупность повторяющихся неровностей средней величины (мезонеровностей), т.е. неровностей поверхности с шагом, превышающим базовую длину, на которой измеряют шероховатость данной поверхности.
Базовой линией для определения значений параметров неровностности служит средняя линия профиля поверхности.
Базовая длина для измерения неровностности поверхностей отливок принимается равной 4-10 базовым длинам для измерения шероховатости, но не менее пяти шагов неровностности и не более 100 мм.
Неровностность занимает промежуточное положение между шероховатостью и отклонениями формы поверхности.
3.9 допуск неровностности поверхности отливки: Наибольшая высота мезонеровностей поверхности отливки, т.е. сумма наибольшей высоты выступа и впадины поверхности.
3.10 припуск на обработку: Толщина слоя металла, удаляемая с поверхности отливки при ее обработке в целях обеспечения заданных размеров, формы, расположения, неровностностей и шероховатости поверхности детали.
3.11 общий припуск: Суммарный припуск на все переходы обработки, соответствующий разности номинальных значений детали и отливки.
3.12 минимальный литейный припуск: Припуск, необходимый для обеспечения заданных требований к качеству (шероховатости, неровностности и бездефектности) поверхности детали и зависящий от толщины удаляемого при обработке поверхностного слоя, шероховатости и неровностности поверхности отливки. Поверхностные дефекты отливки не должны выходить за пределы минимального литейного припуска.
3.13 поверхностный слой отливки (детали): Слой металла с видоизмененными (при формировании или предшествующей обработке) составом, микроструктурой и свойствами, обладающий повышенным сопротивлением лезвийной обработке.
3.14 технологический напуск: Местное или неравномерное увеличение тела отливки по сравнению с чертежом литой детали с нормативными припусками на обработку, вызванное особенностями литейной технологии. К технологическим напускам относятся: пополнения, обеспечивающие направленную кристаллизацию отливки; пополнения, сглаживающие местные углубления и выступы; пополнения и стяжки, компенсирующие искажение конфигурации отливки под влиянием напряжений, возникающих при охлаждении; непроливаемые отверстия; усадочные ребра; литейные уклоны.
3.15 параметры точности отливки: Обобщенные характеристики точности размеров, поверхностей или отливки в целом.
Параметры точности размеров и поверхностей отливки включают класс точности массы, размеров, степень коробления элемента отливки, степень точности поверхности, а также смещение элемента отливки и ряд припуска поверхности отливки.
Параметры точности отливки в целом включают класс размерной точности, степень коробления, степень точности поверхностей и класс точности массы, а также смещение отливки.
3.16 нормы точности отливки: Требования к уровню значений параметров точности отливки.
Нормы точности устанавливают в зависимости от назначения, конструктивно-технологических особенностей, условий эксплуатации и изготовления отливки.
3.17 вид механической обработки: Механическая обработка (черновая, получистовая, чистовая и тонкая) характеризуется степенью точности и шероховатости обработанной поверхности.
Количество технологических переходов, необходимых для выполнения каждого вида обработки, зависит от условий обработки и конкретных особенностей отливки и обрабатываемой поверхности.
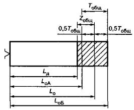
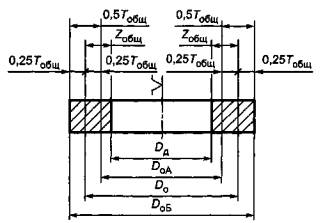
4.1 Номинальный размер отливки следует принимать равным номинальному размеру детали для необрабатываемых поверхностей (рисунок 1) и сумме среднего размера детали и половине общего припуска на обработку для обрабатываемых поверхностей при одностороннем припуске (рисунок 2) и двухстороннем припуске (типа тел вращения или взаимно-противоположных поверхностей) (рисунок 3).

Lд - номинальный размер детали; Lо - номинальный размер отливки; LоА - наименьший размер отливки; LоБ - наибольший размер отливки; Тобщ - общий допуск отливки
Рисунок 1

Zобщ - общий припуск; Lд, Lо, LоА, LоБ, Тобщ - см. рисунок 1
Рисунок 2

DА, Dо - номинальный размер детали, отливки; DоА, DоБ - наименьший и наибольший размер отливки; Zобщ, Тобщ - см. рисунки 1, 2
Рисунок 3
4.2 Номинальную массу отливки следует принимать равной массе отливки с номинальными размерами.
Методику определения номинальной массы устанавливают в стандартах предприятий.
4.3 При определении номинальных размеров отливок учитывают технологические напуски.
Технологические напуски устанавливает изготовитель и указывает в чертежах отливки или детали с указанием размера отливки.
4.4 Нормы точности устанавливают на отливку в целом, отдельные ее поверхности и размеры.
4.5 Точность отливки в целом характеризуют классом размерной точности отливки, степенью коробления, степенью точности поверхностей, классом точности массы, допуском смещения.
Обязательному применению подлежат классы размерной точности и точности массы отливки. Использование других показателей точности отливок, а при необходимости и специфические требования к точности литых деталей в зависимости от их назначения и условий эксплуатации регламентируют в стандартах предприятий.
4.6 Нормы точности отливок: классы размерной точности, степень коробления, степень точности поверхностей, классы точности масс, а также ряды припусков на обработку для различных технологических процессов и условий изготовления и обработки отливок приведены в приложениях А-Ж.
На отдельные размеры и поверхности отливок допускается устанавливать более жесткие нормы точности, чем в целом на отливку.
4.7 На чертеже отливки (или чертеже детали с нанесенными размерами отливки) следует указывать измерительные базы (базы разметки) и базы первоначальной обработки поверхностей.
5.1 Допуски линейных размеров отливок, изменяемых и неизменяемых обработкой, должны соответствовать указанным в таблице 1. Для наклонных, конических и фасонных поверхностей, заданных координатами от одной базы или поверхности, допускается устанавливать допуски на номинальное значение наибольшего из размеров.
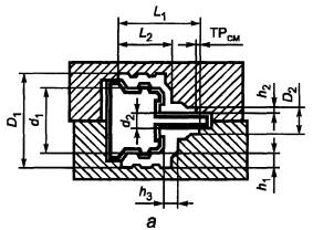
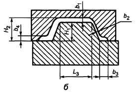
5.2 Допуски размеров элементов отливки, образованных двумя полуформами или полуформой и стержнем (ВР2), следует устанавливать соответствующими классу размерной точности отливки. Допуски размеров, образованных одной частью литейной формы или одним стержнем (ВР1), следует устанавливать на 1, 2 класса точнее. Допуски размеров, образованных тремя и более частями литейной формы, несколькими стержнями или подвижными элементами формы, а также допуски толщины стенок, являющиеся замыкающим звеном двух размеров (ВР3), следует устанавливать на 1, 2 класса грубее (рисунок 4).


Размеры вида: ВР1 - d1, d2, Н1, L3; BP2 - D1, D2, L1, L2, b3, b4; ВР3 - h1, h2, h3, b2
Рисунок 4
5.3 Допуски линейных размеров отливок от предварительно обработанной поверхности до литой поверхности должны соответствовать допускам, указанным в таблице 1. Классы их точности и обозначения на чертежах устанавливают в стандартах предприятий.
5.4 Допуски угловых размеров в пересчете на линейные размеры не должны превышать значения, установленные в таблице 1 для линейных размеров соответствующих классов точности.
5.5 Допуски формы поверхностей отливок (отклонения от прямолинейности, плоскостности, параллельности, перпендикулярности, заданного профиля) в диаметральном выражении должны соответствовать указанным в таблице 2.
Допуски формы, приведенные в таблице 2, не учитывают литейные уклоны, назначаемые в соответствии с ГОСТ 3212.
Допуски расположения включают позиционные допуски и допуски смещения.
Позиционный допуск Тпоз при обработке отверстия или бобышки относительно плоских баз 1 и 2 (рисунок 5 а) следует определять вероятностной суммой допусков номинальных размеров от баз 1 и 2 до оси обрабатываемого отверстия по следующей формуле
|
|
(1) |
Позиционный допуск при обработке внутреннего диаметра относительно внешнего базового диаметра должен соответствовать половине допуска базового диаметра Тпоз = 0,5ТoD.

а - оси отверстия относительно баз механической обработки; б - оси диаметра отверстия dотносительно оси базового диаметра D; То - допуск размера; 1, 2, 3 - базы; А - внутренняя поверхность
Рисунок 5 - Позиционный допуск
5.6 Допуски круглости, соосности, симметричности, пересечения осей, позиционные допуски в диаметральном выражении не должны превышать допуски на размеры, установленные в таблице 1.
5.7 Допуск смещения по плоскости разъема равен разности между предельными отклонениями положений частей отливки, формируемых в разных полуформах (рисунок 6).

Dmax, Dmin - максимальный и минимальный диаметры отливки из-за смещения; Тсм - допуск смещения; МФ - плоскость разъема
Рисунок 6 - Смещение по плоскости разъема отливки
Допуск смещения отливки по плоскости разъема в диаметральном выражении устанавливают по таблице 1 на уровне класса размерной точности отливки по номинальному размеру наиболее тонкой из стенок отливки, выходящих на разъем или пересекающих его.
5.8 Допуск смещения, вызванный перекосом стержня, следует устанавливать в диаметральном выражении по таблице 1 на 1, 2 класса точнее класса размерной точности отливки, по номинальному размеру наиболее тонкой из стенок отливки, формируемых с участием стержня.
5.9 Общие допуски элементов поверхности отливок учитывают совместное влияние допуска размера от поверхности до базы, допусков формы обрабатываемой и базовой поверхностей, а также допусков расположения. При определении общего допуска элемента поверхности отливки по таблице И.1 приложения И, составляющие величин допусков следует расположить в порядке их убывания согласно рисунку 7. Значения допусков Т1 и Т2 следует находить в первой и второй графах таблицы И.1, в третьей графе находят промежуточные результаты То1... То3 и окончательный общий допуск Тобщ.

Рисунок 7
5.10 Допуски неровностностей поверхностей отливок должны соответствовать указанным в таблице 3.
5.11 Для обрабатываемых поверхностей отливок установлено симметричное расположение полей допусков, для необрабатываемых поверхностей допускается симметричное и асимметричное (частично или полностью) расположение полей допусков размеров, формы и расположения.
Установлено симметричное расположение полей допусков неровностностей поверхностей отливок.
Таблица 1 - Допуски линейных размеров отливок
В миллиметрах
|
Номинальный размер |
Допуск размеров отливок, не более, для классов точности |
|||||||||||||||||||||
|
1 |
2 |
3т |
3 |
4 |
5т |
5 |
6 |
7т |
7 |
8 |
9т |
9 |
10 |
11т |
11 |
12 |
13т |
13 |
14 |
15 |
16 |
|
|
До 4 включ. |
0,06 |
0,08 |
0,10 |
0,12 |
0,16 |
0,20 |
0,24 |
0,32 |
0,40 |
0,50 |
0,64 |
0,80 |
1,00 |
1,20 |
1,60 |
2,0 |
- |
- |
- |
- |
- |
- |
|
Св. 4 до |
0,07 |
0,09 |
0,11 |
0,14 |
0,18 |
0,22 |
0,28 |
0,36 |
0,44 |
0,56 |
0,70 |
0,90 |
1,10 |
1,40 |
1,8 |
2,2 |
2,8 |
- |
- |
- |
- |
- |
|
Св. 6 до |
0,08 |
0,10 |
0,12 |
0,16 |
0,20 |
0,24 |
0,32 |
0,40 |
0,50 |
0,64 |
0,80 |
1,00 |
1,20 |
1,60 |
2,0 |
2,4 |
3,2 |
4,0 |
5,0 |
- |
- |
- |
|
Св. 10 до |
0,09 |
0,11 |
0,14 |
0,18 |
0,22 |
0,28 |
0,36 |
0,44 |
0,56 |
0,70 |
0,90 |
1,10 |
1,40 |
1,8 |
2,2 |
2,8 |
3,6 |
4,4 |
5,6 |
7,0 |
- |
- |
|
Св. 16 до |
0,10 |
0,12 |
0,16 |
0,20 |
0,24 |
0,32 |
0,40 |
0,50 |
0,64 |
0,80 |
1,00 |
1,20 |
1,60 |
2,0 |
2,4 |
3,2 |
4,0 |
5,0 |
6,4 |
8,0 |
10,0 |
12,0 |
|
Св. 25 до |
0,11 |
0,14 |
0,18 |
0,22 |
0,28 |
0,36 |
0,44 |
0,56 |
0,70 |
0,90 |
1,10 |
1,40 |
1,8 |
2,2 |
2,8 |
3,6 |
4,4 |
5,6 |
7,0 |
9,0 |
11,0 |
14,0 |
|
Св. 40 до |
0,12 |
0,16 |
0,20 |
0,24 |
0,32 |
0,40 |
0,50 |
0,64 |
0,80 |
1,00 |
1,20 |
1,60 |
2,0 |
2,4 |
3,2 |
4,0 |
5,0 |
6,4 |
8,0 |
10,0 |
12,0 |
16,0 |
|
Св. 63 до |
0,14 |
0,18 |
0,22 |
0,28 |
0,36 |
0,44 |
0,56 |
0,70 |
0,90 |
1,10 |
1,40 |
1,8 |
2,2 |
2,8 |
3,6 |
4,4 |
5,6 |
7,0 |
9,0 |
11,0 |
14,0 |
18,0 |
|
Св. 100 до |
0,16 |
0,20 |
0,24 |
0,32 |
0,40 |
0,50 |
0,64 |
0,80 |
1,00 |
1,20 |
1,60 |
2,0 |
2,4 |
3,2 |
4,0 |
5,0 |
6,4 |
8,0 |
10,0 |
12,0 |
16,0 |
20,0 |
|
Св. 160 до |
- |
- |
0,28 |
0,36 |
0,44 |
0,56 |
0,70 |
0,90 |
1,10 |
1,40 |
1,8 |
2,2 |
2,8 |
3,6 |
4,4 |
5,6 |
7,0 |
9,0 |
11,0 |
14,0 |
18,0 |
22,0 |
|
Св. 250 до |
- |
- |
0,32 |
0,40 |
0,50 |
0,64 |
0,80 |
1,00 |
1,20 |
1,60 |
2,0 |
2,4 |
3,2 |
4,0 |
5,0 |
6,4 |
8,0 |
10,0 |
12,0 |
16,0 |
20,0 |
24,0 |
|
Св. 400 до |
- |
- |
- |
- |
0,56 |
0,70 |
0,90 |
1,10 |
1,40 |
1,8 |
2,2 |
2,8 |
3,6 |
4,4 |
5,6 |
7,0 |
9,0 |
11,0 |
14,0 |
18,0 |
22,0 |
28,0 |
|
Св. 630 до |
- |
- |
- |
- |
|
0,80 |
1,00 |
1,20 |
1,60 |
2,0 |
2,4 |
3,2 |
4,0 |
5,0 |
6,4 |
8,0 |
10,0 |
12,0 |
16,0 |
20,0 |
24,0 |
32,0 |
|
Св. 1000 до |
- |
- |
- |
- |
- |
- |
- |
1,40 |
1,8 |
2,2 |
2,8 |
3,6 |
4,4 |
5,6 |
7,0 |
9,0 |
11,0 |
14,0 |
18,0 |
22,0 |
28,0 |
36,0 |
|
Св. 1600 до |
- |
- |
- |
- |
- |
- |
- |
- |
2,0 |
2,4 |
3,2 |
4,0 |
5,0 |
6,4 |
8,0 |
10,0 |
12,0 |
16,0 |
20,0 |
24,0 |
32,0 |
40,0 |
|
Св. 2500 до |
- |
- |
- |
- |
- |
- |
- |
- |
|
2,8 |
3,6 |
4,4 |
5,6 |
7,0 |
9,0 |
11,0 |
14,0 |
18,0 |
22,0 |
28,0 |
36,0 |
44,0 |
|
Св. 4000 до |
- |
- |
- |
- |
- |
- |
- |
- |
- |
3,2 |
4,0 |
5,0 |
6,4 |
8,0 |
10,0 |
12,0 |
16,0 |
20,0 |
24,0 |
32,0 |
40,0 |
50,0 |
|
Св. 6300 до |
- |
- |
- |
- |
- |
- |
- |
- |
- |
- |
- |
- |
7,0 |
10,0 |
12,0 |
16,0 |
20,0 |
24,0 |
32,0 |
40,0 |
50,0 |
64,0 |
|
Св. 10000 |
- |
- |
- |
- |
- |
- |
- |
- |
- |
- |
- |
- |
8,0 |
12,0 |
16,0 |
20,0 |
24,0 |
32,0 |
40,0 |
50,0 |
64,0 |
80,0 |
Таблица 2 - Допуски формы поверхностей отливок
В миллиметрах
|
Номинальный размер нормируемого участка |
Допуск формы поверхностей элементов отливки, не более, для степеней коробления элементов отливки |
||||||||||
|
1 |
2 |
3 |
4 |
5 |
6 |
7 |
8 |
9 |
10 |
11 |
|
|
До 125 включ. |
0,12 |
0,16 |
0,20 |
0,24 |
0,32 |
0,4 |
0,5 |
0,64 |
0,8 |
1,0 |
1,20 |
|
Св. 125 до 160 включ. |
0,16 |
0,20 |
0,24 |
0,32 |
0,4 |
0,5 |
0,64 |
0,8 |
1,0 |
1,20 |
1,6 |
|
Св. 160 до 200 включ. |
0,20 |
0,24 |
0,32 |
0,4 |
0,5 |
0,64 |
0,8 |
1,0 |
1,20 |
1,6 |
2,0 |
|
Св. 200 до 250 включ. |
0,24 |
0,32 |
0,4 |
0,5 |
0,64 |
0,8 |
1,0 |
1,20 |
1,6 |
2,0 |
2,40 |
|
Св. 250 до 315 включ. |
0,32 |
0,4 |
0,5 |
0,64 |
0,8 |
1,0 |
1,20 |
1,6 |
2,0 |
2,40 |
3,2 |
|
Св. 315 до 400 включ. |
0,4 |
0,5 |
0,64 |
0,8 |
1,0 |
1,20 |
1,6 |
2,0 |
2,40 |
3,2 |
4,0 |
|
Св. 400 до 500 включ. |
0,5 |
0,64 |
0,8 |
1,0 |
1,20 |
1,6 |
2,0 |
2,40 |
3,2 |
4,0 |
5,0 |
|
Св. 500 до 630 включ. |
0,64 |
0,8 |
1,0 |
1,20 |
1,6 |
2,0 |
2,40 |
3,2 |
4,0 |
5,0 |
6,4 |
|
Св. 630 до 800 включ. |
0,8 |
1,0 |
1,20 |
1,6 |
2,0 |
2,40 |
3,2 |
4,0 |
5,0 |
6,4 |
8,0 |
|
Св. 800 до 1000 включ. |
1,0 |
1,20 |
1,6 |
2,0 |
2,40 |
3,2 |
4,0 |
5,0 |
6,4 |
8,0 |
10,0 |
|
Св. 1000 до 1200 включ. |
1,20 |
1,6 |
2,0 |
2,40 |
3,2 |
4,0 |
5,0 |
6,4 |
8,0 |
10,0 |
12,0 |
|
Св. 1200 до 1600 включ. |
1,6 |
2,0 |
2,40 |
3,2 |
4,0 |
5,0 |
6,4 |
8,0 |
10,0 |
12,0 |
16,0 |
|
Св. 1600 до 2000 включ. |
2,0 |
2,40 |
3,2 |
4,0 |
5,0 |
6,4 |
8,0 |
10,0 |
12,0 |
16,0 |
20,0 |
|
Св. 2000 до 2500 включ. |
2,40 |
3,2 |
4,0 |
5,0 |
6,4 |
8,0 |
10,0 |
12,0 |
16,0 |
20,0 |
24,0 |
|
Св. 2500 до 3150 включ. |
3,2 |
4,0 |
5,0 |
6,4 |
8,0 |
10,0 |
12,0 |
16,0 |
20,0 |
24,0 |
32,0 |
|
Св. 3150 до 4000 включ. |
4,0 |
5,0 |
6,4 |
8,0 |
10,0 |
12,0 |
16,0 |
20,0 |
24,0 |
32,0 |
40,0 |
|
Св. 4000 до 5000 включ. |
5,0 |
6,4 |
8,0 |
10,0 |
12,0 |
16,0 |
20,0 |
24,0 |
32,0 |
40,0 |
50,0 |
|
Св. 5000 до 6300 включ. |
6,4 |
8,0 |
10,0 |
12,0 |
16,0 |
20,0 |
24,0 |
32,0 |
40,0 |
50,0 |
64,0 |
|
Св. 6300 до 8000 включ. |
8,0 |
10,0 |
12,0 |
16,0 |
20,0 |
24,0 |
32,0 |
40,0 |
50,0 |
64,0 |
80,0 |
|
Св. 8000 до 10000 включ. |
10,0 |
12,0 |
16,0 |
20,0 |
24,0 |
32,0 |
40,0 |
50,0 |
64,0 |
80,0 |
|
|
Св. 10000 |
12,0 |
16,0 |
20,0 |
24,0 |
32,0 |
40,0 |
50,0 |
64,0 |
80,0 |
|
|
|
Примечание - за номинальный размер нормируемого участка при определении допусков, формы и расположения следует принимать наибольший из размеров нормируемого участка элемента отливки, для которого регламентируются отклонения формы и расположения поверхности. |
|||||||||||
Таблица 3 - Допуски неровностности поверхности отливки
|
Допуск неровностности отливки, мм, не более, для степеней точности поверхности отливки |
|||||||||||||||||||||
|
1 |
2 |
3 |
4 |
5 |
6 |
7 |
8 |
9 |
10 |
11 |
12 |
13 |
14 |
15 |
16 |
17 |
18 |
19 |
20 |
21 |
22 |
|
0,05 |
0,05 |
0,08 |
0,1 |
0,12 |
0,16 |
0,2 |
0,24 |
0,32 |
0,4 |
0,5 |
0,64 |
0,8 |
1,0 |
1,2 |
1,6 |
2,0 |
2,4 |
3,2 |
4,0 |
5,0 |
6,4 |
6.1 Допуски массы отливок должны соответствовать указанным в таблице 4.
6.2 Установлено симметричное расположение поля допуска массы относительно номинальной массы.
Таблица 4 - Допуски массы отливок
|
Номинальная масса отливки, кг |
Допуск массы отливки, %, не более, для классов точности массы отливки |
||||||||||
|
1 |
2 |
3т |
3 |
4 |
5т |
5 |
6 |
7т |
7 |
8 |
|
|
До 0,1 включ. |
1,6 |
2,0 |
2,4 |
3,2 |
4,0 |
5,0 |
6,4 |
8,0 |
10,0 |
12,0 |
16,0 |
|
Св. 0,1 до 0,4 включ. |
1,2 |
1,6 |
2,0 |
2,4 |
3,2 |
4,0 |
5,0 |
6,4 |
8,0 |
10,0 |
12,0 |
|
Св. 0,4 до 1,0 включ. |
1,0 |
1,2 |
1,6 |
2,0 |
2,4 |
3,2 |
4,0 |
5,0 |
6,4 |
8,0 |
10,0 |
|
Св. 1,0 до 4,0 включ. |
- |
1,0 |
1,2 |
1,6 |
2,0 |
2,4 |
3,2 |
4,0 |
5,0 |
6,4 |
8,0 |
|
Св. 4,0 до 10,0 включ. |
- |
- |
1,0 |
1,2 |
1,6 |
2,0 |
2,4 |
3,2 |
4,0 |
5,0 |
6,4 |
|
Св. 10,0 до 40,0 включ. |
- |
- |
- |
1,0 |
1,2 |
1,6 |
2,0 |
2,4 |
3,2 |
4,0 |
5,0 |
|
Св. 40,0 до 100,0 включ. |
- |
- |
- |
- |
1,0 |
1,2 |
1,6 |
2,0 |
2,4 |
3,2 |
4,0 |
|
Св. 100,0 до 400,0 включ. |
- |
- |
- |
- |
- |
1,0 |
1,2 |
1,6 |
2,0 |
2,4 |
3,2 |
|
Св. 400,0 до 1000,0 включ. |
- |
- |
- |
- |
- |
- |
1,0 |
1,2 |
1,6 |
2,0 |
2,4 |
|
Св. 1000,0 до 4000,0 включ. |
- |
- |
- |
- |
- |
- |
- |
1,0 |
1,2 |
1,6 |
2,0 |
|
Св. 4000,0 до 10000,0 включ. |
- |
- |
- |
- |
- |
- |
- |
- |
1,0 |
1,2 |
1,6 |
|
Св. 10000,0 до 40000,0 включ. |
- |
- |
- |
- |
- |
- |
- |
- |
- |
1,0 |
1,2 |
|
Св. 40000,0 до 100000,0 включ. |
- |
- |
- |
- |
- |
- |
- |
- |
- |
- |
1,0 |
|
Св. 100000,0 |
- |
- |
- |
- |
- |
- |
- |
- |
- |
- |
- |
Продолжение таблицы 4
|
Номинальная масса отливки, кг |
Допуск массы отливки, %, не более, для классов точности массы отливки |
||||||||||
|
9т |
9 |
10 |
11т |
11 |
12 |
13т |
13 |
14 |
15 |
16 |
|
|
До 0,1 включ. |
20,0 |
24,0 |
32,0 |
- |
- |
- |
- |
- |
- |
- |
- |
|
Св. 0,1 до 0,4 включ. |
16,0 |
20,0 |
24,0 |
32,0 |
- |
- |
- |
- |
- |
- |
- |
|
Св. 0,4 до 1,0 включ. |
12,0 |
16,0 |
20,0 |
24,0 |
32,0 |
- |
- |
- |
- |
- |
- |
|
Св. 1,0 до 4,0 включ. |
10,0 |
12,0 |
16,0 |
20,0 |
24,0 |
32,0 |
- |
- |
- |
- |
- |
|
Св. 4,0 до 10,0 включ. |
8,0 |
10,0 |
12,0 |
16,0 |
20,0 |
24,0 |
32,0 |
- |
- |
- |
- |
|
Св. 10,0 до 40,0 включ. |
6,4 |
8,0 |
10,0 |
12,0 |
16,0 |
20,0 |
24,0 |
32,0 |
- |
- |
- |
|
Св. 40,0 до 100,0 включ. |
5,0 |
6,4 |
8,0 |
10,0 |
12,0 |
16,0 |
20,0 |
24,0 |
32,0 |
- |
- |
|
Св. 100,0 до 400,0 включ. |
4,0 |
5,0 |
6,4 |
8,0 |
10,0 |
12,0 |
16,0 |
20,0 |
24,0 |
32,0 |
- |
|
Св. 400,0 до 1000,0 включ. |
3,2 |
4,0 |
5,0 |
6,4 |
8,0 |
10,0 |
12,0 |
16,0 |
20,0 |
24,0 |
32,0 |
|
Св. 1000,0 до 4000,0 включ. |
2,4 |
3,2 |
4,0 |
5,0 |
6,4 |
8,0 |
10,0 |
12,0 |
16,0 |
20,0 |
24,0 |
|
Св. 4000,0 до 10000,0 включ. |
2,0 |
2,4 |
3,2 |
4,0 |
5,0 |
6,4 |
8,0 |
10,0 |
12,0 |
16,0 |
20,0 |
|
Св. 10000,0 до 40000,0 включ. |
1,6 |
2,0 |
2,4 |
3,2 |
4,0 |
5,0 |
6,4 |
8,0 |
10,0 |
12,0 |
16,0 |
|
Св. 40000,0 до 100000,0 включ. |
1,2 |
1,6 |
2,0 |
2,4 |
3,2 |
4,0 |
5,0 |
6,4 |
8,0 |
10,0 |
12,0 |
|
Св. 100000,0 |
1,0 |
1,2 |
1,6 |
2,0 |
2,4 |
3,2 |
4,0 |
5,0 |
6,4 |
8,0 |
10,0 |
|
Примечание - Допуски массы отливок приведены в процентах от номинальной массы отливок. |
|||||||||||
7.1 Припуски на обработку (на сторону) назначают дифференцированно на каждую обрабатываемую поверхность отливки с учетом общего допуска и ряда припуска. Ряд припуска следует определять по таблице Е.1 (приложение Е).
7.1.1 Минимальный литейный припуск на обработку поверхности отливки следует определять в соответствии с таблицей 5 для устранения неровностей и дефектов литой поверхности и уменьшения шероховатости поверхности при отсутствии необходимости повышения точности размеров, формы и расположения обрабатываемой поверхности.
Таблица 5 - Минимальный литейный припуск
|
Ряд припуска отливки |
|||||||||||||||||
|
1 |
2 |
3 |
4 |
5 |
6 |
7 |
8 |
9 |
10 |
11 |
12 |
13 |
14 |
15 |
16 |
17 |
18 |
|
Минимальный литейный припуск на сторону, мм, не более |
|||||||||||||||||
|
0,1 |
0,2 |
0,3 |
0,4 |
0,5 |
0,6 |
0,8 |
1,0 |
1,2 |
1,6 |
2,0 |
2,5 |
3,0 |
4,0 |
5,0 |
6,0 |
8,0 |
10,0 |
7.1.2 Общий припуск следует назначать в соответствии с таблицей 6 для устранения погрешностей размеров, формы и расположения неровностей и дефектов обрабатываемой поверхности, формирующихся при изготовлении отливки и последовательных переходах ее обработки, в целях повышения точности обрабатываемого элемента отливки.
Таблица 6 - Общий припуск поверхности отливки
|
Общий допуск элемента поверхности, мм |
Вид окончательной механической обработки |
Общий припуск на сторону, мм, не более, для ряда припуска отливки |
||||||||
|
1 |
2 |
3 |
4 |
5 |
6 |
7 |
8 |
9 |
||
|
До 0,10 включ. |
Черновая |
0,2 |
0,3 |
0,4 |
0,6 |
0,6 |
0,7 |
0,9 |
- |
- |
|
Чистовая |
0,2 |
0,3 |
0,4 |
0,5 |
0,6 |
0,7 |
0,9 |
- |
- |
|
|
Тонкая |
0,2 |
0,3 |
0,4 |
0,5 |
0,6 |
0,7 |
1,0 |
- |
- |
|
|
Св. 0,10 до 0,11 включ. |
Черновая |
0,2 |
0,3 |
0,4 |
0,5 |
0,6 |
0,7 |
0,9 |
- |
- |
|
Получистовая |
0,2 |
0,3 |
0,4 |
0,6 |
0,6 |
0,7 |
0,9 |
- |
- |
|
|
Чистовая |
0,2 |
0,3 |
0,4 |
0,5 |
0,6 |
0,7 |
1,0 |
- |
- |
|
|
Тонкая |
0,3 |
0,4 |
0,4 |
0,6 |
0,6 |
0,8 |
0,9 |
- |
- |
|
|
Св. 0,11 до 0,12 включ. |
Черновая |
0,2 |
0,3 |
0,4 |
0,6 |
0,6 |
0,7 |
0,9 |
1,1 |
- |
|
Получистовая |
0,2 |
0,3 |
0,4 |
0,5 |
0,6 |
0,7 |
0,9 |
1,3 |
- |
|
|
Чистовая |
0,3 |
0,3 |
0,6 |
0,6 |
0,7 |
0,8 |
1,0 |
1,3 |
- |
|
|
Тонкая |
0,3 |
0,4 |
0,5 |
0,6 |
0,7 |
0,8 |
1,0 |
1,3 |
- |
|
|
Св. 0,12 до 0,14 включ. |
Черновая |
0,2 |
0,3 |
0,4 |
0,5 |
0,6 |
0,7 |
0,9 |
1,1 |
- |
|
Получистовая |
0,3 |
0,3 |
0,5 |
0,5 |
0,7 |
0,8 |
1,0 |
1,3 |
- |
|
|
Чистовая |
0,3 |
0,4 |
0,5 |
0,6 |
0,7 |
0,8 |
1,0 |
1,3 |
- |
|
|
Тонкая |
0,3 |
0,4 |
0,5 |
0,6 |
0,7 |
0,8 |
1,0 |
1,3 |
- |
|
|
Св. 0,14 до 0,16 включ. |
Черновая |
0,2 |
0,3 |
0,4 |
0,5 |
0,6 |
0,7 |
0,9 |
1,1 |
1,3 |
|
Получистовая |
0,3 |
0,4 |
0,5 |
0,6 |
0,7 |
0,8 |
1,0 |
1,3 |
1,4 |
|
|
Чистовая |
0,3 |
0,4 |
0,5 |
0,6 |
0,7 |
0,8 |
1,0 |
1,3 |
1,5 |
|
|
Тонкая |
0,3 |
0,4 |
0,5 |
0,6 |
0,7 |
0,8 |
1,0 |
1,3 |
1,5 |
|
|
Св. 0,16 до 0,18 включ. |
Черновая |
0,2 |
0,3 |
0,4 |
0,5 |
0,6 |
0,7 |
0,9 |
1,2 |
1,4 |
|
Получистовая |
0,3 |
0,4 |
0,5 |
0.6 |
0,7 |
0,8 |
1,0 |
1,3 |
1,5 |
|
|
Чистовая |
0,3 |
0,4 |
0,5 |
0,6 |
0,7 |
0,8 |
1,0 |
1,3 |
1,5 |
|
|
Тонкая |
0,3 |
0,5 |
0,5 |
0,7 |
0,8 |
0,9 |
1,1 |
1,4 |
1,6 |
|
|
Св. 0,18 до 0,20 включ. |
Черновая |
0,2 |
0,3 |
0,4 |
0,5 |
0,6 |
0,7 |
1,0 |
1,2 |
1,4 |
|
Получистовая |
0,3 |
0,4 |
0,5 |
0,6 |
0,7 |
0,8 |
1,0 |
1,3 |
1,5 |
|
|
Чистовая |
0,3 |
0,5 |
0,5 |
0,7 |
0,8 |
0,9 |
1,1 |
1,4 |
1,6 |
|
|
Тонкая |
0,4 |
0,5 |
0,6 |
0,7 |
0,8 |
0,9 |
1,1 |
1,4 |
1,6 |
|
Продолжение таблицы 6
|
Общий допуск элемента поверхности, мм |
Вид окончательной механической обработки |
Общий припуск на сторону, мм, не более, для ряда припуска отливки |
||||||||
|
10 |
11 |
12 |
13 |
14 |
15 |
16 |
17 |
18 |
||
|
До 0,10 включ. |
Черновая |
- |
- |
- |
- |
- |
- |
- |
- |
- |
|
Чистовая |
- |
- |
- |
- |
- |
- |
- |
- |
- |
|
|
Тонкая |
- |
- |
- |
- |
- |
- |
- |
- |
- |
|
|
Св. 0,10 до 0,11 включ. |
Черновая |
- |
- |
- |
- |
- |
- |
- |
- |
- |
|
Получистовая |
- |
- |
- |
- |
- |
- |
- |
- |
- |
|
|
Чистовая |
- |
- |
- |
- |
- |
- |
- |
- |
- |
|
|
Тонкая |
- |
- |
- |
- |
- |
- |
- |
- |
- |
|
|
Св. 0,11 до 0,12 включ. |
Черновая |
- |
- |
- |
- |
- |
- |
- |
- |
- |
|
Получистовая |
- |
- |
- |
- |
- |
- |
- |
- |
- |
|
|
Чистовая |
- |
- |
- |
- |
- |
- |
- |
- |
- |
|
|
Тонкая |
- |
- |
- |
- |
- |
- |
- |
- |
- |
|
|
Св. 0,12 до 0,14 включ. |
Черновая |
- |
- |
- |
- |
- |
- |
- |
- |
- |
|
Получистовая |
- |
- |
- |
- |
- |
- |
- |
- |
- |
|
|
Чистовая |
- |
- |
- |
- |
- |
- |
- |
- |
- |
|
|
Тонкая |
- |
- |
- |
- |
- |
- |
- |
- |
- |
|
|
Св. 0,14 до 0,16 включ. |
Черновая |
- |
- |
- |
- |
- |
- |
- |
- |
- |
|
Получистовая |
- |
- |
- |
- |
- |
- |
- |
- |
- |
|
|
Чистовая |
- |
- |
- |
- |
- |
- |
- |
- |
- |
|
|
Тонкая |
- |
- |
- |
- |
- |
- |
- |
- |
- |
|
|
Св. 0,16 до 0,18 включ. |
Черновая |
- |
- |
- |
- |
- |
- |
- |
- |
- |
|
Получистовая |
- |
- |
- |
- |
- |
- |
- |
- |
- |
|
|
Чистовая |
- |
- |
- |
- |
- |
- |
- |
- |
- |
|
|
Тонкая |
- |
- |
- |
- |
- |
- |
- |
- |
- |
|
|
Св. 0,18 до 0,20 включ. |
Черновая |
1,8 |
- |
- |
- |
- |
- |
- |
- |
- |
|
Получистовая |
1,9 |
- |
- |
- |
- |
- |
- |
- |
- |
|
|
Чистовая |
2,1 |
- |
- |
- |
- |
- |
- |
- |
- |
|
|
Тонкая |
2,1 |
- |
- |
- |
- |
- |
- |
- |
- |
|
Продолжение таблицы 6
|
Общий допуск элемента поверхности, мм |
Вид окончательной механической обработки |
Общий припуск на сторону, мм, не более, для ряда припуска отливки |
||||||||
|
1 |
2 |
3 |
4 |
5 |
6 |
7 |
8 |
9 |
||
|
Св. 0,20 до 0,22 включ. |
Черновая |
0,3 |
0,4 |
0,4 |
0,6 |
0,6 |
0,8 |
0,9 |
1,1 |
1,4 |
|
Получистовая |
0,3 |
0,4 |
0,5 |
0,6 |
0,7 |
0,8 |
1,1 |
1,4 |
1,6 |
|
|
Чистовая |
0,4 |
0,5 |
0,6 |
0,7 |
0,8 |
0,9 |
1,1 |
1,4 |
1,6 |
|
|
Тонкая |
0,4 |
0,5 |
0,6 |
0,7 |
0,8 |
0,9 |
1,1 |
1,4 |
1,6 |
|
|
Св. 0,22 до 0,24 включ. |
Черновая |
0,3 |
0,4 |
0,5 |
0,6 |
0,7 |
0,8 |
1,0 |
1,1 |
1,4 |
|
Получистовая |
0,4 |
0,4 |
0,6 |
0,6 |
0,8 |
0,8 |
1,1 |
1,4 |
1,6 |
|
|
Чистовая |
0,4 |
0,5 |
0,6 |
0,7 |
0,8 |
0,9 |
1,1 |
1,4 |
1,6 |
|
|
Тонкая |
0,4 |
0,5 |
0,6 |
0,7 |
0,8 |
0,9 |
1,2 |
1,5 |
1,7 |
|
|
Св. 0,24 до 0,28 включ. |
Черновая |
0,3 |
0,5 |
0,5 |
0,6 |
0,7 |
0,8 |
1,0 |
1,2 |
1,4 |
|
Получистовая |
0,4 |
0,5 |
0,6 |
0,7 |
0,8 |
0,9 |
1,1 |
1,4 |
1,6 |
|
|
Чистовая |
0,5 |
0,5 |
0,7 |
0,8 |
0,9 |
1,0 |
1,2 |
1,5 |
1,7 |
|
|
Тонкая |
0,5 |
0,6 |
0,7 |
0,8 |
0,9 |
1,0 |
1,2 |
1,5 |
1,7 |
|
|
Св. 0,28 до 0,32 включ. |
Черновая |
0,3 |
0,4 |
0,5 |
0,6 |
0,7 |
0,8 |
1,0 |
1,2 |
1,4 |
|
Получистовая |
0,4 |
0,5 |
0,6 |
0,7 |
0,8 |
0,9 |
1,2 |
1,5 |
1,7 |
|
|
Чистовая |
0,5 |
0,6 |
0,7 |
0,8 |
0,9 |
1,0 |
1,2 |
1,5 |
1,7 |
|
|
Тонкая |
0,5 |
0,7 |
0,8 |
0,9 |
1,0 |
1,1 |
1,3 |
1,6 |
1,8 |
|
|
Св. 0,32 до 0,36 включ. |
Черновая |
0,3 |
0,5 |
0,5 |
0,7 |
0,8 |
0,9 |
1,1 |
1,3 |
1,5 |
|
Получистовая |
0,5 |
0,6 |
0,7 |
0,8 |
0,9 |
1,0 |
1,2 |
1,5 |
1,7 |
|
|
Чистовая |
0,5 |
0,7 |
0,8 |
0,9 |
1,0 |
1,1 |
1,3 |
1,6 |
1,8 |
|
|
Тонкая |
0,6 |
0,7 |
0,8 |
0,9 |
1,0 |
1,1 |
1,3 |
1,6 |
1,8 |
|
|
Св. 0,36 до 0,40 включ. |
Черновая |
0,4 |
0,5 |
0,6 |
0,7 |
0,8 |
0,9 |
1,1 |
1,3 |
1,5 |
|
Получистовая |
0,5 |
0,6 |
0,7 |
0,8 |
0,9 |
1,0 |
1,2 |
1,5 |
1,7 |
|
|
Чистовая |
0,6 |
0,7 |
0,8 |
0,9 |
1,0 |
1,1 |
1,3 |
1,6 |
1,8 |
|
|
Тонкая |
0,6 |
0,8 |
0,8 |
0,9 |
1,1 |
1,1 |
1,4 |
1,6 |
1,9 |
|
|
Св. 0,40 до 0,44 включ. |
Черновая |
0,4 |
0,5 |
0,6 |
0,7 |
0,8 |
0,9 |
1,1 |
1,3 |
1,5 |
|
Получистовая |
0,6 |
0,7 |
0,8 |
0,9 |
1,0 |
1,1 |
1,3 |
1,6 |
1,3 |
|
|
Чистовая |
0,6 |
0,7 |
0,9 |
1,0 |
1,1 |
1,2 |
1,4 |
1,7 |
1,9 |
|
|
Тонкая |
0,7 |
0,8 |
0,9 |
1,0 |
1,1 |
1,2 |
1,4 |
1,7 |
1,9 |
|
Продолжение таблицы 6
|
Общий допуск элемента поверхности, мм |
Вид окончательной механической обработки |
Общий припуск на сторону, мм, не более, для ряда припуска отливки |
||||||||
|
10 |
11 |
12 |
13 |
14 |
15 |
16 |
17 |
18 |
||
|
Св. 0,20 до 0,22 включ. |
Черновая |
1,8 |
- |
- |
- |
- |
- |
- |
- |
- |
|
Получистовая |
2,0 |
- |
- |
- |
- |
- |
- |
- |
- |
|
|
Чистовая |
2,1 |
- |
- |
- |
- |
- |
- |
- |
- |
|
|
Тонкая |
2,1 |
- |
- |
- |
- |
- |
- |
- |
- |
|
|
Св. 0,22 до 0,24 включ. |
Черновая |
1,8 |
2,2 |
2,6 |
- |
- |
- |
- |
- |
- |
|
Получистовая |
1,9 |
2,4 |
3,0 |
- |
- |
- |
- |
- |
- |
|
|
Чистовая |
2,1 |
2,5 |
3,1 |
- |
- |
- |
- |
- |
- |
|
|
Тонкая |
2,1 |
2,5 |
3,3 |
- |
- |
- |
- |
- |
- |
|
|
Св. 0,24 до 0,28 включ. |
Черновая |
1,8 |
2,2 |
2,7 |
- |
- |
- |
- |
- |
- |
|
Получистовая |
2,0 |
2,4 |
3,0 |
- |
- |
- |
- |
- |
- |
|
|
Чистовая |
2,1 |
2,5 |
3,2 |
- |
- |
- |
- |
- |
- |
|
|
Тонкая |
2,2 |
2,6 |
3,3 |
- |
- |
- |
- |
- |
- |
|
|
Св. 0,28 до 0,32 включ. |
Черновая |
1,8 |
2,2 |
2,7 |
3,3 |
- |
- |
- |
- |
- |
|
Получистовая |
2,1 |
2,4 |
3,1 |
3,6 |
- |
- |
- |
- |
- |
|
|
Чистовая |
2,2 |
2,6 |
3,2 |
3,8 |
- |
- |
- |
- |
- |
|
|
Тонкая |
2,3 |
2,7 |
3,4 |
3,9 |
- |
- |
- |
- |
- |
|
|
Св. 0,32 до 0,36 включ. |
Черновая |
1,9 |
2,3 |
2,8 |
3,3 |
4,3 |
- |
- |
- |
- |
|
Получистовая |
2,1 |
2,5 |
3,2 |
3,7 |
4,8 |
- |
- |
- |
- |
|
|
Чистовая |
2,3 |
2,7 |
3,3 |
3,8 |
5,0 |
- |
- |
- |
- |
|
|
Тонкая |
2,4 |
2,8 |
3,4 |
4,0 |
5,1 |
- |
- |
- |
- |
|
|
Св. 0,36 до 0,40 включ. |
Черновая |
1,9 |
2,3 |
2,8 |
3,4 |
4,3 |
- |
- |
- |
- |
|
Получистовая |
2,2 |
2,6 |
3,1 |
3,6 |
4,8 |
- |
- |
- |
- |
|
|
Чистовая |
2,4 |
2,7 |
3,4 |
3,9 |
5,0 |
- |
- |
- |
- |
|
|
Тонкая |
2,4 |
2,8 |
3,4 |
4,0 |
5,1 |
- |
- |
- |
- |
|
Продолжение таблицы 6
|
Общий допуск элемента поверхности, мм |
Вид окончательной механической обработки |
Общий припуск на сторону, мм, не более, для ряда припуска отливки |
||||||||
|
1 |
2 |
3 |
4 |
5 |
6 |
7 |
8 |
9 |
||
|
Св. 0,44 до 0,50 включ. |
Черновая |
0,6 |
0,5 |
0,7 |
0,8 |
0,9 |
1,0 |
1,2 |
1,4 |
1,6 |
|
Получистовая |
0,6 |
0,7 |
0,8 |
0,9 |
1,0 |
1,1 |
1,3 |
1,6 |
1,8 |
|
|
Чистовая |
0,7 |
0,8 |
0,9 |
1,0 |
1,1 |
1,2 |
1,4 |
1,7 |
1,9 |
|
|
Тонкая |
0,8 |
0,9 |
1,0 |
1,1 |
1,2 |
1,3 |
1,5 |
1,8 |
2,0 |
|
|
Св. 0,50 до 0,56 включ. |
Черновая |
0,5 |
0,6 |
0,7 |
0,8 |
0,9 |
1,0 |
1,2 |
1,4 |
1,6 |
|
Получистовая |
0,7 |
0,8 |
0,9 |
1,0 |
1,1 |
1,2 |
1,4 |
1,7 |
1,9 |
|
|
Чистовая |
0,8 |
0,9 |
1,0 |
1,1 |
1,2 |
1,3 |
1,5 |
1,8 |
2,0 |
|
|
Тонкая |
0,9 |
1,0 |
1,1 |
1,2 |
1,3 |
1,4 |
1,6 |
1,9 |
2,1 |
|
|
Св. 0,56 до 0,64 включ. |
Черновая |
0,5 |
0,7 |
0,8 |
0,9 |
1,0 |
1,1 |
1,3 |
1,5 |
1,7 |
|
Получистовая |
0,8 |
0,9 |
1,0 |
1,1 |
1,2 |
1,3 |
1,5 |
1,8 |
2,0 |
|
|
Чистовая |
0,9 |
1,0 |
1,1 |
1,2 |
1,3 |
1,4 |
1,6 |
1,9 |
2,1 |
|
|
Тонкая |
1,0 |
1,1 |
1,2 |
1,3 |
1,4 |
1,5 |
1,7 |
2,0 |
2,2 |
|
|
Св. 0,64 до 0,70 включ. |
Черновая |
0,6 |
0,7 |
0,8 |
0,9 |
1,0 |
1,1 |
1,3 |
1,5 |
1,7 |
|
Получистовая |
0,8 |
0,9 |
1,1 |
1,2 |
1,3 |
1,4 |
1,6 |
1,9 |
2,1 |
|
|
Чистовая |
0,9 |
1,1 |
1,1 |
1,3 |
1,4 |
1,4 |
1,6 |
1,9 |
2,2 |
|
|
Тонкая |
1,1 |
1,1 |
1,3 |
1,4 |
1,4 |
1,6 |
1,8 |
2,1 |
2,3 |
|
|
Св. 0,70 до 0,80 включ. |
Черновая |
0,6 |
0,8 |
0,8 |
0,9 |
1,1 |
1,1 |
1,4 |
1,6 |
1,8 |
|
Получистовая |
0,9 |
1,1 |
1,2 |
1,3 |
1,4 |
1,5 |
1,7 |
2,0 |
2,1 |
|
|
Чистовая |
1,1 |
1,2 |
1,3 |
1,4 |
1,5 |
1,6 |
1,8 |
2,1 |
2,3 |
|
|
Тонкая |
1,2 |
1,3 |
1,4 |
1,5 |
1,6 |
1,7 |
1,9 |
2,2 |
2,4 |
|
|
Св. 0,80 до 0,90 включ. |
Черновая |
0,7 |
0,8 |
0,9 |
1,0 |
1,1 |
1,2 |
1,4 |
1,6 |
1,8 |
|
Получистовая |
1,1 |
1,2 |
1,3 |
1,4 |
1,5 |
1,6 |
1,8 |
2,1 |
2,3 |
|
|
Чистовая |
1,2 |
1,3 |
1,4 |
1,5 |
1,6 |
1,7 |
1,9 |
2,2 |
2,4 |
|
|
Тонкая |
1,4 |
1,4 |
1,6 |
1,6 |
1,8 |
1,9 |
2,1 |
2,4 |
2,3 |
|
|
Св. 0,90 до 1,00 включ. |
Черновая |
0,8 |
0,9 |
1,0 |
1,1 |
1,2 |
1,3 |
1,5 |
1,7 |
1,9 |
|
Получистовая |
1,2 |
1,3 |
1,4 |
1,5 |
1,6 |
1,7 |
1,9 |
2,1 |
2,4 |
|
|
Чистовая |
1,3 |
1,4 |
1,5 |
1,6 |
1,7 |
1,8 |
2,0 |
2,3 |
2,5 |
|
|
Тонкая |
1,5 |
1,6 |
1,7 |
1,8 |
1,9 |
2,0 |
2,2 |
2,5 |
2,7 |
|
Продолжение таблицы 6
|
Общий допуск элемента поверхности, мм |
Вид окончательной механической обработки |
Общий припуск на сторону, мм, не более, для ряда припуска отливки |
||||||||
|
10 |
11 |
12 |
13 |
14 |
15 |
16 |
17 |
18 |
||
|
Св. 0,44 до 0,50 включ. |
Черновая |
2,0 |
2,4 |
2,8 |
3,4 |
4,4 |
5,3 |
- |
- |
- |
|
Получистовая |
2,2 |
2,6 |
3,3 |
3,8 |
4,8 |
5,8 |
- |
- |
- |
|
|
Чистовая |
2,4 |
2,8 |
3,5 |
3,9 |
5,2 |
6,2 |
- |
- |
- |
|
|
Тонкая |
2,5 |
2,9 |
3,6 |
4,1 |
5,3 |
6,3 |
- |
- |
- |
|
|
Св. 0,50 до 0,56 включ. |
Черновая |
2,0 |
2,4 |
2,9 |
3,4 |
4,4 |
5,5 |
- |
- |
- |
|
Получистовая |
2,3 |
2,7 |
3,3 |
3,8 |
4,9 |
6,8 |
- |
- |
- |
|
|
Чистовая |
2,5 |
2,9 |
3,4 |
4,0 |
5,1 |
6,1 |
- |
- |
- |
|
|
Тонкая |
2,6 |
3,0 |
3,6 |
4,3 |
5,5 |
6,3 |
- |
- |
- |
|
|
Св. 0,56 до 0,64 включ. |
Черновая |
2,1 |
2,4 |
2,9 |
3,5 |
4,4 |
5,5 |
6,5 |
- |
- |
|
Получистовая |
2,4 |
2,8 |
3,4 |
3,9 |
5,0 |
6,0 |
7,1 |
- |
- |
|
|
Чистовая |
2,6 |
3,0 |
3,6 |
4,1 |
5,3 |
6,3 |
7,3 |
- |
- |
|
|
Тонкая |
2,7 |
3,1 |
3,8 |
4,3 |
5,4 |
6,5 |
7,6 |
- |
- |
|
|
Св. 0,64 до 0,70 включ. |
Черновая |
2,1 |
2,5 |
3,0 |
3,4 |
4,5 |
5,4 |
6,5 |
8,5 |
- |
|
Получистовая |
2,4 |
28 |
3,5 |
3,9 |
5,0 |
6,0 |
7,1 |
9,3 |
- |
|
|
Чистовая |
2,6 |
3,1 |
3,6 |
4,1 |
5,3 |
6,3 |
7,5 |
9,8 |
- |
|
|
Тонкая |
2,8 |
3,1 |
3,9 |
4,4 |
5,6 |
6,6 |
7,8 |
9,8 |
- |
|
|
Св. 0,70 до 0,80 включ. |
Черновая |
2,2 |
2,6 |
3,1 |
3,6 |
4,6 |
5,6 |
6,5 |
8,5 |
- |
|
Получистовая |
2,5 |
2,9 |
3,6 |
4,0 |
5,2 |
6,2 |
7,3 |
9,3 |
- |
|
|
Чистовая |
2,8 |
3,1 |
3,8 |
4,3 |
5,4 |
6,5 |
7,5 |
9,8 |
- |
|
|
Тонкая |
2,9 |
3,4 |
4,0 |
4,5 |
5,8 |
6,7 |
7,8 |
10,0 |
- |
|
|
Св. 0,80 до 0,90 включ. |
Черновая |
2,2 |
2,6 |
3,2 |
3,7 |
4,6 |
5,6 |
6,7 |
8,5 |
10,5 |
|
Получистовая |
2,7 |
3,1 |
3,7 |
4,1 |
5,3 |
6,3 |
7,3 |
9,5 |
11,5 |
|
|
Чистовая |
2,9 |
3,4 |
3,9 |
4,4 |
5,6 |
6,7 |
7,8 |
9,8 |
12,0 |
|
|
Тонкая |
3,1 |
3,4 |
4,1 |
4,6 |
5,8 |
6,9 |
8,0 |
10,5 |
12,5 |
|
|
Св. 0,90 до 1,00 включ. |
Черновая |
2,3 |
2,7 |
3,1 |
3,6 |
4,8 |
5,6 |
6,7 |
8,8 |
10,5 |
|
Получистовая |
2,7 |
3,2 |
3,8 |
4,3 |
5,3 |
6,3 |
7,5 |
9,5 |
11,5 |
|
|
Чистовая |
3,0 |
3,5 |
4,0 |
4,5 |
5,8 |
6,7 |
7,8 |
10,0 |
12,0 |
|
|
Тонкая |
3,1 |
3,6 |
4,3 |
4,8 |
6,0 |
6,9 |
8,0 |
10,5 |
12,5 |
|
Продолжение таблицы 6
|
Общий допуск элемента поверхности, мм |
Вид окончательной механической обработки |
Общий припуск на сторону, мм, не более, для ряда припуска отливки |
||||||||
|
1 |
2 |
3 |
4 |
5 |
6 |
7 |
8 |
9 |
||
|
Св. 1,00 до 1,10 включ. |
Черновая |
0,8 |
0,9 |
1,1 |
1,2 |
1,3 |
1,4 |
1,6 |
1,8 |
2,0 |
|
Получистовая |
1,1 |
1,3 |
1,4 |
1,4 |
1,6 |
1,6 |
1,9 |
2,2 |
2,4 |
|
|
Чистовая |
1,4 |
1,4 |
1,6 |
1,6 |
1,8 |
1,9 |
2,1 |
2,4 |
2,6 |
|
|
Тонкая |
1,6 |
1,7 |
1,8 |
1,9 |
2,0 |
2,1 |
2,3 |
2,5 |
2,7 |
|
|
Св. 1,10 до 1,20 включ. |
Черновая |
0,9 |
1,0 |
1,1 |
1,2 |
1,3 |
1,4 |
1,6 |
1,8 |
2,0 |
|
Получистовая |
1,3 |
1,4 |
1,5 |
1,6 |
1,7 |
1,8 |
2,0 |
2,3 |
2,5 |
|
|
Чистовая |
1,5 |
1,6 |
1,7 |
1,8 |
1,9 |
2,0 |
2,2 |
2,5 |
2,7 |
|
|
Тонкая |
1,7 |
1,8 |
1,9 |
2,0 |
2,1 |
2,1 |
2,4 |
2,7 |
2,8 |
|
|
Св. 1,20 до 1,40 включ. |
Черновая |
1,1 |
1,2 |
1,3 |
1,4 |
1,5 |
1,6 |
1,8 |
2,0 |
2,1 |
|
Получистовая |
1,5 |
1,6 |
1,7 |
1,8 |
1,9 |
2,0 |
2,2 |
2,5 |
2,7 |
|
|
Чистовая |
1,8 |
1,9 |
1,9 |
2,1 |
2,2 |
2,3 |
2,5 |
2,8 |
3,0 |
|
|
Тонкая |
1,9 |
2,0 |
2,1 |
2,2 |
2,3 |
2,4 |
2,6 |
2,9 |
3,2 |
|
|
Св. 1,40 до 1,60 включ. |
Черновая |
1,2 |
1,3 |
1,4 |
1,5 |
1,8 |
1,7 |
1,9 |
2,1 |
2,3 |
|
Получистовая |
1,7 |
1,8 |
1,9 |
2,0 |
2,1 |
2,2 |
2,4 |
2,7 |
2,9 |
|
|
Чистовая |
1,9 |
2,1 |
2,2 |
2,3 |
2,4 |
2,5 |
2,6 |
3,0 |
3,1 |
|
|
Тонкая |
2,2 |
2,3 |
2,4 |
2,5 |
2,6 |
2,7 |
2,9 |
3,1 |
3,4 |
|
|
Св. 1,60 до 1,80 включ. |
Черновая |
1,2 |
1,3 |
1,4 |
1,5 |
1,6 |
1,7 |
1,9 |
2,1 |
2,3 |
|
Получистовая |
1,8 |
1,9 |
2,0 |
2,1 |
2,2 |
2,3 |
2,5 |
2,8 |
3,0 |
|
|
Чистовая |
2,1 |
2,2 |
2,3 |
2,4 |
2,6 |
2,6 |
2,3 |
3,1 |
3,3 |
|
|
Тонкая |
2,3 |
2,4 |
2,6 |
2,6 |
2,7 |
2,8 |
3,0 |
3,4 |
3,6 |
|
|
Св. 1,80 до 2,00 включ. |
Черновая |
1,3 |
1,4 |
1,6 |
1,6 |
1,7 |
1,8 |
2,0 |
2,2 |
2,4 |
|
Получистовая |
1,9 |
2,1 |
2,2 |
2,3 |
2,4 |
2,5 |
2,6 |
3,0 |
3,1 |
|
|
Чистовая |
2,3 |
2,4 |
2,6 |
2,6 |
2,7 |
2,8 |
3,0 |
3,4 |
3,6 |
|
|
Тонкая |
2,6 |
2,7 |
2,8 |
2,9 |
3,0 |
3,1 |
3,3 |
3,6 |
3,8 |
|
|
Св. 2,00 до 2,20 включ. |
Черновая |
1,5 |
1,6 |
1,7 |
1,8 |
1,9 |
2,0 |
2,2 |
2,4 |
2,6 |
|
Получистовая |
2,1 |
2,3 |
2,4 |
2,4 |
2,5 |
2,7 |
2,8 |
3,2 |
3,4 |
|
|
Чистовая |
2,5 |
2,6 |
2,7 |
2,8 |
2,9 |
3,0 |
3,3 |
3,6 |
3,8 |
|
|
Тонкая |
2,9 |
3,0 |
3,1 |
3,1 |
3,3 |
3,4 |
3,6 |
3,9 |
4,1 |
|
Продолжение таблицы 6
|
Общий допуск элемента поверхности, мм |
Вид механической обработки |
Общий припуск на сторону, мм, не более, для ряда припуска отливки |
||||||||
|
10 |
11 |
12 |
13 |
14 |
15 |
16 |
17 |
18 |
||
|
Св. 1,00 до 1,10 включ. |
Черновая |
2,4 |
2,7 |
3,3 |
3,8 |
4,8 |
5,8 |
6,7 |
8,8 |
10,5 |
|
Получистовая |
2,8 |
3,1 |
3,8 |
4,3 |
5,3 |
6,3 |
7,5 |
9,5 |
11,5 |
|
|
Чистовая |
3,1 |
3,4 |
4,1 |
4,6 |
5,8 |
6,7 |
7,8 |
10,0 |
12,5 |
|
|
Тонкая |
3,3 |
3,7 |
4,4 |
4,9 |
6,0 |
7,1 |
8,3 |
10,5 |
12,5 |
|
|
Св. 1,10 до 1,20 включ. |
Черновая |
2,4 |
2,8 |
3,4 |
3,8 |
4,8 |
5,8 |
6,9 |
8,8 |
11,0 |
|
Получистовая |
2,9 |
3,4 |
3,9 |
4,4 |
5,4 |
6,5 |
7,5 |
9,8 |
12,0 |
|
|
Чистовая |
3,1 |
3,6 |
4,3 |
4,8 |
5,8 |
6,9 |
8,0 |
10,0 |
12,5 |
|
|
Тонкая |
3,4 |
3,8 |
4,4 |
4,9 |
6,2 |
7,1 |
8,3 |
10,5 |
12,5 |
|
|
Св. 1,20 до 1,40 включ. |
Черновая |
2,5 |
2,9 |
3,5 |
3,9 |
4,9 |
6,0 |
6,9 |
9,0 |
11,0 |
|
Получистовая |
3,1 |
3,4 |
4,1 |
4,6 |
5,6 |
6,7 |
7,8 |
9,8 |
12,0 |
|
|
Чистовая |
3,4 |
3,9 |
4,5 |
5,0 |
6,1 |
7,1 |
8,3 |
10,5 |
12,5 |
|
|
Тонкая |
3,7 |
4,0 |
4,8 |
5,1 |
6,5 |
7,5 |
8,5 |
11,0 |
13,0 |
|
|
Св. 1,40 до 1,60 включ. |
Черновая |
2,7 |
3,1 |
3,6 |
4,0 |
5,0 |
6,0 |
7,1 |
9,0 |
11,0 |
|
Получистовая |
3,3 |
3,6 |
4,3 |
4,8 |
5,8 |
6,9 |
8,0 |
10,0 |
12,0 |
|
|
Чистовая |
3,6 |
4,1 |
4,6 |
5,1 |
6,3 |
7,3 |
8,5 |
10,5 |
13,0 |
|
|
Тонкая |
3,9 |
4,3 |
5,0 |
5,4 |
6,7 |
7,8 |
8,8 |
11,0 |
13,5 |
|
|
Св. 1,60 до 1,80 включ. |
Черновая |
2,7 |
3,2 |
3,7 |
4,1 |
5,2 |
6,2 |
7,1 |
9,0 |
11,0 |
|
Получистовая |
3,5 |
3,8 |
4,4 |
4,9 |
6,0 |
7,1 |
8,0 |
10,0 |
12,5 |
|
|
Чистовая |
3,8 |
4,3 |
4,3 |
5,3 |
6,5 |
7,5 |
8,5 |
11,0 |
13,0 |
|
|
Тонкая |
4,0 |
4,4 |
5,2 |
5,6 |
6,9 |
7,8 |
9,0 |
11,0 |
13,5 |
|
|
Св. 1,80 до 2,00 включ. |
Черновая |
2,8 |
3,3 |
3,8 |
4,3 |
5,1 |
6,1 |
7,3 |
9,3 |
11,0 |
|
Получистовая |
3,6 |
4,0 |
4,6 |
5,0 |
6,1 |
7,1 |
8,3 |
10,5 |
12,5 |
|
|
Чистовая |
4,0 |
4,4 |
5,0 |
5,4 |
6,7 |
7,8 |
8,8 |
11,0 |
13,0 |
|
|
Тонкая |
4,3 |
4,8 |
5,5 |
5,8 |
7,1 |
8,0 |
9,3 |
11,5 |
13,5 |
|
|
Св. 2,00 до 2,20 включ. |
Черновая |
3,0 |
3,4 |
3,9 |
4,4 |
5,5 |
6,3 |
7,3 |
9,5 |
11,5 |
|
Получистовая |
3,8 |
4,1 |
4,8 |
5,3 |
6,3 |
7,3 |
8,5 |
10,5 |
12,5 |
|
|
Чистовая |
4,3 |
4,6 |
5,1 |
5,8 |
6,9 |
8,0 |
9,0 |
11,0 |
13,5 |
|
|
Тонкая |
4,6 |
5,0 |
5,6 |
6,1 |
7,3 |
8,3 |
9,5 |
12,0 |
14,0 |
|
Продолжение таблицы 6
|
Общий допуск элемента поверхности, мм |
Вид механической обработки |
Общий припуск на сторону, мм, не более, для ряда припуска отливки |
||||||||
|
1 |
2 |
3 |
4 |
5 |
6 |
7 |
8 |
9 |
||
|
Св. 2,20 до 2,40 включ. |
Черновая |
1,6 |
1,7 |
1,8 |
1,9 |
2,0 |
2,1 |
2,3 |
2,5 |
2,7 |
|
Получистовая |
2,4 |
2,5 |
2,6 |
2,6 |
2,8 |
2,9 |
3,1 |
3,4 |
3,3 |
|
|
Чистовая |
2,7 |
2,8 |
2,9 |
3,1 |
3,2 |
3,3 |
3,6 |
3,3 |
3,9 |
|
|
Тонкая |
3,1 |
3,1 |
3,3 |
3,4 |
3,4 |
3,6 |
3,8 |
4,1 |
4,3 |
|
|
Св. 2,40 до 2,80 включ. |
Черновая |
1,8 |
1,9 |
1,9 |
2,1 |
2,2 |
2,3 |
2,5 |
2,6 |
2,9 |
|
Получистовая |
2,6 |
2,7 |
2,8 |
2,9 |
3,0 |
3,1 |
3,3 |
3,6 |
3,8 |
|
|
Чистовая |
3,0 |
3,2 |
3,3 |
3,4 |
3,5 |
3,6 |
3,3 |
4,0 |
4,3 |
|
|
Тонкая |
3,5 |
3,6 |
3,7 |
3,8 |
3,8 |
3,9 |
4,1 |
4,4 |
4,3 |
|
|
Св. 2,80 до 3,20 включ. |
Черновая |
1,9 |
2,1 |
2,2 |
2,3 |
2,4 |
2,5 |
2,6 |
2,9 |
3,1 |
|
Получистовая |
3,0 |
3,1 |
3,1 |
3,3 |
3,4 |
3,4 |
3,6 |
4,0 |
4,1 |
|
|
Чистовая |
3,4 |
3,6 |
3,6 |
3,8 |
3,9 |
4,0 |
4,1 |
4,3 |
4,6 |
|
|
Тонкая |
4,8 |
3,9 |
4,0 |
4,1 |
4,3 |
4,3 |
4,5 |
4,8 |
5,0 |
|
|
Св. 3,20 до 3,60 включ. |
Черновая |
2,2 |
2,3 |
2,4 |
2,5 |
2,6 |
2,7 |
2,9 |
3,1 |
3,3 |
|
Получистовая |
3,3 |
3,4 |
3,4 |
3,6 |
3,6 |
3,8 |
4,0 |
4,3 |
4,5 |
|
|
Чистовая |
3,9 |
4,0 |
4,1 |
4,3 |
4,3 |
4,4 |
4,6 |
4,9 |
5,2 |
|
|
Тонкая |
4,3 |
4,4 |
4,4 |
4,5 |
4,6 |
4,8 |
4,9 |
5,3 |
5,6 |
|
|
Св. 3,60 до 4,00 включ. |
Черновая |
2,4 |
2,5 |
2,6 |
2,7 |
2,8 |
2,9 |
3,2 |
3,4 |
3,3 |
|
Получистовая |
3,6 |
3,8 |
3,9 |
4,0 |
4,1 |
4,3 |
4,4 |
4,3 |
4,9 |
|
|
Чистовая |
4,3 |
4,4 |
4,4 |
4,6 |
4,6 |
4,8 |
4,9 |
5,3 |
5,5 |
|
|
Тонкая |
4,8 |
4,9 |
5,0 |
5,2 |
5,1 |
5,3 |
5,4 |
5,3 |
6,0 |
|
|
Св. 4,00 до 4,40 включ. |
Черновая |
4,5 |
2,6 |
2,7 |
2,8 |
2,9 |
3,0 |
3,3 |
3,3 |
3,7 |
|
Получистовая |
3,8 |
3,9 |
4,0 |
4,1 |
4,3 |
4,3 |
4,5 |
4,3 |
5,0 |
|
|
Чистовая |
4,6 |
4,6 |
4,8 |
4,8 |
4,9 |
5,0 |
5,1 |
5,4 |
5,8 |
|
|
Тонкая |
4,9 |
5,0 |
5,2 |
5,3 |
5,3 |
5,5 |
5,6 |
6,0 |
6,2 |
|
|
Св. 4,40 до 6,00 включ. |
Черновая |
2,9 |
3,0 |
3,1 |
3,1 |
3,3 |
3,4 |
3,6 |
3,8 |
4,0 |
|
Получистовая |
4,3 |
4,4 |
4,4 |
4,5 |
4,6 |
4,3 |
4,9 |
5,3 |
5,6 |
|
|
Чистовая |
5,0 |
5,1 |
5,3 |
5,3 |
5,4 |
5,6 |
5,3 |
6,0 |
6,3 |
|
|
Тонкая |
5,6 |
5,8 |
5,8 |
6,0 |
6,0 |
6,2 |
6,3 |
6,7 |
6,9 |
|
Продолжение таблицы 6
|
Общий допуск элемента поверхности, мм |
Вид окончательной механической обработки |
Общий припуск на сторону, мм, не более, для ряда припуска отливки |
||||||||
|
10 |
11 |
12 |
13 |
14 |
15 |
16 |
17 |
18 |
||
|
Св. 2,20 до 2,40 включ. |
Черновая |
3,1 |
3,4 |
4,0 |
4,5 |
5,4 |
6,5 |
7,6 |
9,5 |
11,5 |
|
Получистовая |
4,0 |
4,4 |
5,0 |
5,4 |
6,6 |
7,5 |
8,3 |
11,0 |
13,0 |
|
|
Чистовая |
4,4 |
4,9 |
5,5 |
6,0 |
7,1 |
8,3 |
9,3 |
11,3 |
13,5 |
|
|
Тонкая |
4,8 |
5,1 |
5,8 |
6,3 |
7,3 |
8,5 |
9,8 |
12,0 |
14,0 |
|
|
Св. 2,40 до 2,80 включ. |
Черновая |
3,3 |
3,6 |
4,1 |
4,6 |
5,6 |
6,7 |
7,8 |
9,8 |
11,5 |
|
Получистовая |
4,3 |
4,6 |
5,1 |
5,6 |
6,7 |
7,8 |
9,0 |
11,0 |
13,0 |
|
|
Чистовая |
4,3 |
5,2 |
5,3 |
6,1 |
7,5 |
8,5 |
9,3 |
11,5 |
14,0 |
|
|
Тонкая |
5,2 |
5,4 |
6,1 |
6,7 |
8,0 |
9,0 |
10,0 |
12,5 |
14,5 |
|
|
Св. 2,80 до 3,20 включ. |
Черновая |
3,4 |
3,9 |
4,4 |
4,9 |
5,8 |
6,9 |
7,8 |
9,8 |
12,0 |
|
Получистовая |
4,3 |
5,0 |
5,6 |
6,0 |
7,1 |
8,3 |
9,3 |
11,5 |
13,5 |
|
|
Чистовая |
5,1 |
5,3 |
6,1 |
6,7 |
7,3 |
8,8 |
9,8 |
12,0 |
14,5 |
|
|
Тонкая |
5,4 |
5,5 |
6,5 |
7,1 |
8,3 |
9,3 |
10,5 |
12,5 |
15,0 |
|
|
Св. 3,20 до 3,60 включ. |
Черновая |
3,6 |
4,1 |
4,6 |
5,2 |
6,2 |
7,1 |
8,0 |
10,0 |
12,0 |
|
Получистовая |
4,9 |
5,3 |
5,8 |
6,3 |
7,5 |
8,5 |
9,5 |
11,5 |
14,0 |
|
|
Чистовая |
5,3 |
6,0 |
6,3 |
7,1 |
8,3 |
9,3 |
10,5 |
12,5 |
15,0 |
|
|
Тонкая |
6,0 |
6,3 |
7,1 |
7,5 |
8,8 |
9,8 |
11,0 |
13,0 |
15,3 |
|
|
Св. 3,60 до 4,00 включ. |
Черновая |
3,9 |
4,3 |
4,8 |
5,3 |
6,3 |
7,3 |
8,3 |
10,5 |
12,5 |
|
Получистовая |
5,3 |
5,6 |
6,3 |
6,7 |
8,0 |
9,0 |
9,8 |
12,0 |
14,0 |
|
|
Чистовая |
6,0 |
6,3 |
6,9 |
7,5 |
8,8 |
9,8 |
10,5 |
13,0 |
15,0 |
|
|
Тонкая |
6,5 |
6,9 |
7,5 |
8,0 |
9,3 |
10,5 |
11,5 |
13,5 |
16,0 |
|
|
Св. 4,00 до 4,40 включ. |
Черновая |
4,0 |
4,4 |
4,9 |
5,5 |
6,5 |
7,5 |
8,5 |
10,5 |
12,5 |
|
Получистовая |
5,5 |
5,8 |
6,3 |
6,9 |
8,0 |
9,0 |
10,0 |
12,0 |
14,5 |
|
|
Чистовая |
6,1 |
6,7 |
7,3 |
7,8 |
9,0 |
9,3 |
11,0 |
13,0 |
15,5 |
|
|
Тонкая |
6,7 |
7,1 |
7,8 |
8,3 |
9,5 |
10,5 |
11,5 |
14,0 |
16,0 |
|
|
Св. 4,40 до 5,00 включ. |
Черновая |
4,4 |
4,8 |
5,3 |
5,8 |
6,7 |
7,8 |
8,8 |
11,0 |
13,0 |
|
Получистовая |
5,3 |
6,3 |
6,9 |
7,3 |
8,5 |
9,5 |
10,5 |
12,5 |
14,5 |
|
|
Чистовая |
6,7 |
7,1 |
7,8 |
8,3 |
9,5 |
10,5 |
11,5 |
14,0 |
16,0 |
|
|
Тонкая |
7,3 |
7,3 |
8,5 |
9,0 |
10,0 |
11,0 |
12,0 |
14,5 |
16,5 |
|
Продолжение таблицы 6
|
Общий допуск элемента поверхности, мм |
Вид окончательной механической обработки |
Общий припуск на сторону, мм, не более, для ряда припуска отливки |
||||||||
|
1 |
2 |
3 |
4 |
5 |
6 |
7 |
8 |
9 |
||
|
Св. 5,00 до 6,60 включ. |
Черновая |
- |
3,3 |
3,4 |
3,4 |
3,6 |
3,6 |
3,9 |
4,1 |
4,3 |
|
Получистовая |
- |
4,9 |
5,0 |
5,2 |
5,1 |
5,3 |
5,4 |
5,8 |
6,0 |
|
|
Чистовая |
- |
5,8 |
5,8 |
6,0 |
6,0 |
6,2 |
6,3 |
6,7 |
6,9 |
|
|
Тонкая |
- |
6,3 |
6,5 |
6,5 |
6,7 |
6,7 |
6,9 |
7,3 |
7,5 |
|
|
Св. 5,60 до 6,40 включ. |
Черновая |
- |
3,8 |
3,9 |
4,0 |
4,1 |
4,3 |
4,4 |
4,6 |
4,8 |
|
Получистовая |
- |
5,1 |
5,3 |
5,3 |
5,4 |
5,6 |
5,8 |
6,0 |
6,3 |
|
|
Чистовая |
- |
6,1 |
6,3 |
6,3 |
6,5 |
6,5 |
6,7 |
7,1 |
7,3 |
|
|
Тонкая |
- |
6,9 |
7,1 |
7,1 |
7,3 |
7,3 |
7,5 |
7,8 |
8,0 |
|
|
Св. 6,40 до 7,00 включ. |
Черновая |
- |
- |
4,3 |
4,3 |
4,4 |
4,5 |
4,8 |
4,9 |
5,2 |
|
Получистовая |
- |
- |
5,8 |
6,0 |
6,0 |
6,2 |
6,3 |
6,7 |
6,9 |
|
|
Чистовая |
- |
- |
6,9 |
7,1 |
7,1 |
7,3 |
7,5 |
7,8 |
8,0 |
|
|
Тонкая |
- |
- |
7,8 |
7,8 |
7,8 |
8,0 |
8,3 |
8,5 |
8,8 |
|
|
Св. 7,00 до 8,00 включ. |
Черновая |
- |
- |
4,8 |
4,8 |
4,9 |
5,0 |
5,1 |
5,5 |
5,6 |
|
Получистовая |
- |
- |
6,5 |
6,5 |
6,7 |
6,7 |
6,9 |
7,3 |
7,5 |
|
|
Чистовая |
- |
- |
8,0 |
8,0 |
8,0 |
8,3 |
8,5 |
8,8 |
9,0 |
|
|
Тонкая |
- |
- |
8,5 |
8,8 |
8,8 |
8,8 |
9,0 |
9,3 |
9,5 |
|
|
Св. 8,00 до 9,00 включ. |
Черновая |
- |
- |
- |
5,3 |
5,4 |
5,6 |
5,8 |
6,0 |
6,1 |
|
Получистовая |
- |
- |
- |
7,3 |
7,5 |
7,5 |
7,8 |
8,0 |
8,3 |
|
|
Чистовая |
- |
- |
- |
9,0 |
9,0 |
9,3 |
9,3 |
9,8 |
9,8 |
|
|
Тонкая |
- |
- |
- |
9,8 |
9,8 |
9,8 |
10,0 |
10,5 |
10,5 |
|
|
Св. 9,00 до 10,00 включ. |
Черновая |
- |
- |
- |
6,0 |
6,0 |
6,2 |
6,3 |
6,5 |
6,7 |
|
Получистовая |
- |
- |
- |
8,3 |
8,3 |
8,5 |
8,5 |
9,0 |
9,0 |
|
|
Чистовая |
- |
- |
- |
9,8 |
9,8 |
9,8 |
10,0 |
10,5 |
10,5 |
|
|
Тонкая |
- |
- |
- |
11,0 |
11,0 |
11,0 |
11,5 |
11,5 |
12,0 |
|
|
Св. 10,00 до 11,00 включ. |
Черновая |
- |
- |
- |
- |
6,5 |
6,5 |
6,7 |
6,9 |
7,1 |
|
Получистовая |
- |
- |
- |
- |
8,5 |
8,8 |
8,8 |
9,3 |
9,3 |
|
|
Чистовая |
- |
- |
- |
- |
10,0 |
10,0 |
10,5 |
10,5 |
11,0 |
|
|
Тонкая |
- |
- |
- |
- |
11,0 |
11,5 |
11,5 |
12,0 |
12,0 |
|
Продолжение таблицы 6
|
Общий допуск элемента поверхности, мм |
Вид окончательной механической обработки |
Общий припуск на сторону, мм, не более, для ряда припуска отливки |
||||||||
|
10 |
11 |
12 |
13 |
14 |
15 |
16 |
17 |
18 |
||
|
Св. 5,00 до 5,60 включ. |
Черновая |
4,8 |
5,2 |
5,6 |
6,2 |
7,1 |
8,0 |
9,0 |
11,0 |
13,0 |
|
Получистовая |
6,3 |
6,7 |
7,3 |
8,0 |
9,0 |
9,8 |
11,0 |
13,0 |
15,5 |
|
|
Чистовая |
7,3 |
7,8 |
8,3 |
8,8 |
10,0 |
11,0 |
12,0 |
14,5 |
16,5 |
|
|
Тонкая |
8,0 |
8,3 |
9,0 |
9,5 |
11,0 |
12,0 |
13,0 |
15,0 |
17,5 |
|
|
Св. 5,60 до 6,40 включ. |
Черновая |
5,1 |
5,6 |
6,2 |
6,5 |
7,5 |
8,5 |
9,5 |
11,5 |
13,5 |
|
Получистовая |
6,7 |
7,1 |
7,8 |
8,3 |
9,3 |
10,5 |
11,5 |
13,5 |
15,5 |
|
|
Чистовая |
7,8 |
8,3 |
8,8 |
9,3 |
10,5 |
11,5 |
12,5 |
16,0 |
17,0 |
|
|
Тонкая |
8,5 |
9,0 |
9,8 |
10,0 |
11,5 |
12,5 |
13,6 |
16,0 |
18,0 |
|
|
Св. 6,40 до 7,00 включ. |
Черновая |
5,4 |
6,0 |
6,5 |
6,9 |
8,0 |
9,0 |
9,8 |
12,0 |
14,0 |
|
Получистовая |
7,3 |
7,5 |
8,3 |
8,8 |
9,8 |
11,0 |
12,0 |
14,0 |
16,0 |
|
|
Чистовая |
8,5 |
8,3 |
9,5 |
9,8 |
11,0 |
12,0 |
13,0 |
15,5 |
17,5 |
|
|
Тонкая |
9,3 |
9,5 |
10,5 |
11,0 |
12,0 |
13,0 |
14,0 |
16,5 |
18,5 |
|
|
Св. 7,00 до 8,00 включ. |
Черновая |
6,0 |
6,5 |
6,9 |
7,5 |
8,5 |
9,5 |
10,5 |
12,5 |
14,5 |
|
Получистовая |
7,8 |
8,3 |
8,8 |
9,3 |
10,5 |
11,5 |
12,5 |
14,5 |
17,0 |
|
|
Чистовая |
9,5 |
9,8 |
10,5 |
11,0 |
12,0 |
13,0 |
14,0 |
16,5 |
18,5 |
|
|
Тонкая |
10,0 |
10,5 |
11,0 |
11,5 |
13,0 |
14,0 |
15,0 |
17,5 |
19,5 |
|
|
Св. 8,00 до 9,00 включ. |
Черновая |
6,5 |
6,9 |
7,5 |
8,0 |
9,0 |
9,8 |
11,0 |
13,0 |
15,0 |
|
Получистовая |
8,8 |
9,0 |
9,8 |
10,0 |
11,0 |
12,0 |
13,5 |
15,5 |
17,5 |
|
|
Чистовая |
10,5 |
10,5 |
11,5 |
12,0 |
13,0 |
14,0 |
15,0 |
17,5 |
19,5 |
|
|
Тонкая |
11,0 |
11,5 |
12,5 |
13,0 |
14,0 |
15,0 |
16,0 |
18,5 |
20,5 |
|
|
Св. 9,00 до 10,00 включ. |
Черновая |
7,1 |
7,5 |
8,0 |
8,5 |
9,5 |
10,5 |
11,5 |
13,5 |
15,5 |
|
Получистовая |
9,5 |
9,8 |
10,5 |
11,0 |
12,0 |
13,0 |
14,0 |
16,5 |
18,5 |
|
|
Чистовая |
11,0 |
11,5 |
12,0 |
12,5 |
14,0 |
15,0 |
16,0 |
18,0 |
20,5 |
|
|
Тонкая |
12,5 |
12,5 |
13,5 |
14,0 |
16,0 |
16,0 |
17,0 |
19,5 |
22,0 |
|
|
Св. 10,00 до 11,00 включ. |
Черновая |
7,5 |
8,0 |
8,5 |
9,0 |
9,8 |
11,0 |
12,0 |
14,0 |
16,0 |
|
Получистовая |
9,8 |
10,0 |
10,5 |
11,0 |
12,5 |
13,5 |
14,5 |
16,5 |
18,5 |
|
|
Чистовая |
11,5 |
12,0 |
12,5 |
13,0 |
14,0 |
15,0 |
16,0 |
18,5 |
20,5 |
|
|
Тонкая |
12,5 |
13,0 |
13,5 |
14,0 |
15,5 |
16,5 |
17,5 |
19,5 |
22,0 |
|
Продолжение таблицы 6
|
Общий допуск элемента поверхности, мм |
Вид окончательной механической обработки |
Общий припуск на сторону, мм, не более, для ряда припуска отливки |
||||||||
|
1 |
2 |
3 |
4 |
5 |
6 |
7 |
8 |
9 |
||
|
Св. 11,00 до 12,00 включ. |
Черновая |
- |
- |
- |
- |
7,1 |
7,3 |
7,5 |
7,5 |
7,8 |
|
Получистовая |
- |
- |
- |
- |
9,3 |
9,6 |
9,5 |
9,8 |
10,0 |
|
|
Чистовая |
- |
- |
- |
- |
11,0 |
11,0 |
11,5 |
11,5 |
12,0 |
|
|
Тонкая |
- |
- |
- |
- |
12,5 |
12,5 |
13,0 |
13,0 |
13,5 |
|
|
Св. 12,00 до 14,00 включ. |
Черновая |
- |
- |
- |
- |
- |
8,5 |
8,5 |
8,8 |
9,0 |
|
Получистовая |
- |
- |
- |
- |
- |
11,0 |
11,5 |
11,5 |
12,0 |
|
|
Чистовая |
- |
- |
- |
- |
- |
12,5 |
13,0 |
13,0 |
13,5 |
|
|
Тонкая |
- |
- |
- |
- |
- |
14,5 |
14,5 |
15,0 |
15,0 |
|
|
Св. 14,00 до 16,00 включ. |
Черновая |
- |
- |
- |
- |
- |
9,5 |
9,5 |
9,8 |
10,0 |
|
Получистовая |
- |
- |
- |
- |
- |
12,0 |
12,5 |
12,6 |
13,0 |
|
|
Чистовая |
- |
- |
- |
- |
- |
15,0 |
15,0 |
15,5 |
15,5 |
|
|
Тонкая |
- |
- |
- |
- |
- |
16,5 |
17,0 |
17,0 |
17,5 |
|
|
Св. 16,00 до 18,00 включ. |
Черновая |
- |
- |
- |
- |
- |
- |
10,5 |
11,0 |
11,0 |
|
Получистовая |
- |
- |
- |
- |
- |
- |
13,5 |
14,0 |
14,0 |
|
|
Чистовая |
- |
- |
- |
- |
- |
- |
15,5 |
16,0 |
16,0 |
|
|
Тонкая |
- |
- |
- |
- |
- |
- |
18,0 |
16,0 |
18,5 |
|
|
Св. 18,00 до 20,00 включ. |
Черновая |
- |
- |
- |
- |
- |
- |
11,5 |
11,5 |
12,0 |
|
Получистовая |
- |
- |
- |
- |
- |
- |
14,5 |
15,0 |
15,0 |
|
|
Чистовая |
- |
- |
- |
- |
- |
- |
17,5 |
17,5 |
18,0 |
|
|
Тонкая |
- |
- |
- |
- |
- |
- |
19,5 |
20,0 |
20,0 |
|
|
Св. 20,00 до 22,00 включ. |
Черновая |
- |
- |
- |
- |
- |
- |
- |
13,0 |
13,5 |
|
Получистовая |
- |
- |
- |
- |
- |
- |
- |
16,5 |
16,5 |
|
|
Чистовая |
- |
- |
- |
- |
- |
- |
- |
19,5 |
19,5 |
|
|
Тонкая |
- |
- |
- |
- |
- |
- |
- |
21,0 |
22,0 |
|
|
Св. 22,00 до 24,00 включ. |
Черновая |
- |
- |
- |
- |
- |
- |
- |
14,0 |
14,5 |
|
Получистовая |
- |
- |
- |
- |
- |
- |
- |
17,5 |
18,0 |
|
|
Чистовая |
- |
- |
- |
- |
- |
- |
- |
21,0 |
21,0 |
|
|
Тонкая |
- |
- |
- |
- |
- |
- |
- |
23,5 |
24,0 |
|
Продолжение таблицы 6
|
Общий допуск элемента поверхности, мм |
Вид окончательной механической обработки |
Общий припуск на сторону, мм, не более, для ряда припуска отливки |
||||||||
|
10 |
11 |
12 |
13 |
14 |
15 |
16 |
17 |
18 |
||
|
Св. 11,00 до 12,00 включ. |
Черновая |
8,31 |
8,5 |
9,0 |
9,5 |
10,5 |
10,5 |
12,5 |
14,5 |
16,5 |
|
Получистовая |
0,5 |
11,0 |
11,5 |
12,0 |
13,0 |
14,0 |
15,0 |
17,5 |
19,5 |
|
|
Чистовая |
12,5 |
12,5 |
13,5 |
14,0 |
16,0 |
16,0 |
17,0 |
19,5 |
21,0 |
|
|
Тонкая |
14,0 |
14,5 |
15,0 |
15,5 |
16,5 |
17,5 |
19,0 |
21,0 |
23,5 |
|
|
Св. 12,00 до 14,00 включ. |
Черновая |
9,5 |
9,8 |
10,5 |
11,0 |
12,0 |
13,0 |
14,0 |
16,0 |
18,0 |
|
Получистовая |
12,0 |
12,5 |
13,0 |
13,5 |
15,0 |
16,0 |
17,0 |
19,0 |
21,0 |
|
|
Чистовая |
14,0 |
14,5 |
16,0 |
16,5 |
16,5 |
17,5 |
18,5 |
21,0 |
23,0 |
|
|
Тонкая |
15,5 |
16,0 |
16,5 |
17,0 |
18,5 |
19,5 |
20,5 |
23,0 |
25,0 |
|
|
Св. 14,00 до 16,00 включ. |
Черновая |
10,5 |
11,0 |
11,5 |
12,0 |
13,0 |
14,0 |
15,0 |
17,0 |
19,0 |
|
Получистовая |
13,5 |
13,5 |
14,5 |
15,0 |
16,0 |
17,0 |
18,0 |
20,0 |
22,0 |
|
|
Чистовая |
16,0 |
16,5 |
17,0 |
17,5 |
19,0 |
20,0 |
21,0 |
23,0 |
25,0 |
|
|
Тонкая |
18,0 |
18,0 |
19,0 |
19,5 |
20,5 |
22,0 |
22,5 |
25,0 |
27,0 |
|
|
Св. 16,00 до 18,00 включ. |
Черновая |
11,5 |
12,0 |
12,5 |
13,0 |
14,0 |
15,0 |
16,0 |
18,0 |
20,0 |
|
Получистовая |
14,5 |
15,0 |
16,5 |
16,0 |
17,0 |
18, |
19,0 |
21,0 |
23,5 |
|
|
Чистовая |
16,5 |
17,0 |
17,5 |
18,0 |
19,5 |
20,5 |
21,0 |
23,5 |
26,0 |
|
|
Тонкая |
19,0 |
19,5 |
20,0 |
20,5 |
22,0 |
22,5 |
24,0 |
26,0 |
28,0 |
|
|
Св. 18,00 до 20,00 включ. |
Черновая |
12,5 |
12,5 |
13,0 |
13,5 |
14,5 |
15,5 |
16,5 |
18,5 |
20,5 |
|
Получистовая |
15,5 |
16,0 |
16,5 |
17,0 |
18,0 |
19,0 |
20,0 |
22,5 |
24,0 |
|
|
Чистовая |
18,5 |
18,5 |
18,5 |
20,0 |
21,0 |
22,0 |
23,0 |
25,0 |
28,0 |
|
|
Тонкая |
20,5 |
21,0 |
22,0 |
22,0 |
23,5 |
24,0 |
25,0 |
28,0 |
30,0 |
|
|
Св. 20,00 до 22,00 включ. |
Черновая |
13,5 |
14,0 |
14,5 |
15,0 |
16,0 |
17,0 |
18,0 |
20,0 |
22,0 |
|
Получистовая |
17,0 |
17,5 |
18,0 |
18,5 |
19,5 |
20,5 |
22,0 |
24,0 |
26,0 |
|
|
Чистовая |
20,0 |
20,5 |
21,0 |
21,0 |
22,5 |
23,5 |
25,0 |
27,0 |
29,0 |
|
|
Тонкая |
22,0 |
22,5 |
23,5 |
24,0 |
25,0 |
26,0 |
27,0 |
29,0 |
31,5 |
|
|
Св. 22,00 до 24,00 включ. |
Черновая |
15,0 |
15,0 |
15,5 |
16,0 |
17,0 |
18,0 |
19,0 |
21,0 |
23,0 |
|
Получистовая |
18,0 |
18,5 |
18,5 |
19,5 |
21,0 |
22,0 |
23,0 |
25,0 |
27,0 |
|
|
Чистовая |
22,0 |
22,0 |
22,5 |
23,0 |
24,0 |
25,0 |
26,5 |
29,0 |
30,5 |
|
|
Тонкая |
24,0 |
25,0 |
25,5 |
26,0 |
27,0 |
28,0 |
29,0 |
31,5 |
33,5 |
|
Продолжение таблицы 6
|
Общий допуск элемента поверхности, мм |
Вид окончательной механической обработки |
Общий припуск на сторону, мм, не более, для ряда припуска отливки |
||||||||
|
1 |
2 |
3 |
4 |
5 |
6 |
7 |
8 |
9 |
||
|
Св. 24,00 до 28,00 включ. |
Черновая |
- |
- |
- |
- |
- |
- |
- |
- |
16,5 |
|
Получистовая |
- |
- |
- |
- |
- |
- |
- |
- |
20,5 |
|
|
Чистовая |
- |
- |
- |
- |
- |
- |
- |
- |
23,5 |
|
|
Тонкая |
- |
- |
- |
- |
- |
- |
- |
- |
26,0 |
|
|
Св. 28,00 до 32,00 включ. |
Черновая |
- |
- |
- |
- |
- |
- |
- |
- |
19,0 |
|
Получистовая |
- |
- |
- |
- |
- |
- |
- |
- |
23,5 |
|
|
Чистовая |
- |
- |
- |
- |
- |
- |
- |
- |
26,0 |
|
|
Тонкая |
- |
- |
- |
- |
- |
- |
- |
- |
30,0 |
|
|
Св. 32,00 до 36,00 включ. |
Черновая |
- |
- |
- |
- |
- |
- |
- |
- |
- |
|
Получистовая |
- |
- |
- |
- |
- |
- |
- |
- |
- |
|
|
Чистовая |
- |
- |
- |
- |
- |
- |
- |
- |
- |
|
|
Тонкая |
- |
- |
- |
- |
- |
- |
- |
- |
- |
|
|
Св. 36,00 до 40,00 включ. |
Черновая |
- |
- |
- |
- |
- |
- |
- |
- |
- |
|
Получистовая |
- |
- |
- |
- |
- |
- |
- |
- |
- |
|
|
Чистовая |
- |
- |
- |
- |
- |
- |
- |
- |
- |
|
|
Тонкая |
- |
- |
- |
- |
- |
- |
- |
- |
- |
|
|
Св. 40,00 до 44,00 включ. |
Черновая |
- |
- |
- |
- |
- |
- |
- |
- |
- |
|
Получистовая |
- |
- |
- |
- |
- |
- |
- |
- |
- |
|
|
Чистовая |
- |
- |
- |
- |
- |
- |
- |
- |
- |
|
|
Тонкая |
- |
- |
- |
- |
- |
- |
- |
- |
- |
|
|
Св. 44,00 до 50,00 включ. |
Черновая |
- |
- |
- |
- |
- |
- |
- |
- |
- |
|
Получистовая |
- |
- |
- |
- |
- |
- |
- |
- |
- |
|
|
Чистовая |
- |
- |
- |
- |
- |
- |
- |
- |
- |
|
|
Тонкая |
- |
- |
- |
- |
- |
- |
- |
- |
- |
|
|
Св. 50,00 до 56,00 включ. |
Черновая |
- |
- |
- |
- |
- |
- |
- |
- |
- |
|
Получистовая |
- |
- |
- |
- |
- |
- |
- |
- |
- |
|
|
Чистовая |
- |
- |
- |
- |
- |
- |
- |
- |
- |
|
|
Тонкая |
- |
- |
- |
- |
- |
- |
- |
- |
- |
|
Продолжение таблицы 6
|
Общий допуск элемента поверхности, мм |
Вид окончательной механической обработки |
Общий припуск на сторону, мм, не более, для ряда припуска отливки |
||||||||
|
10 |
11 |
12 |
13 |
14 |
15 |
16 |
17 |
18 |
||
|
Св. 24,00 до 28,00 включ. |
Черновая |
17,0 |
17,5 |
18,0 |
18,5 |
19,5 |
20,5 |
21,0 |
23,5 |
25,0 |
|
Получистовая |
21,0 |
21,0 |
22,0 |
22,5 |
23,5 |
26,0 |
26,0 |
28,0 |
30,0 |
|
|
Чистовая |
24,0 |
24,0 |
25,0 |
25,0 |
26,6 |
28,0 |
29,0 |
30,5 |
33,5 |
|
|
Тонкая |
26,5 |
27,0 |
28,0 |
28,0 |
29,0 |
30,5 |
31,5 |
33,5 |
36,5 |
|
|
Св. 28,00 до 32,00 включ. |
Черновая |
19,0 |
19,5 |
20,0 |
20,5 |
22,0 |
22,5 |
20,5 |
26,0 |
28,0 |
|
Получистовая |
23,5 |
24,0 |
25,0 |
25,0 |
26,5 |
27,0 |
28,0 |
30,5 |
32,5 |
|
|
Чистовая |
26,5 |
27,0 |
28,0 |
28,0 |
29,0 |
30,5 |
31,5 |
33,5 |
36,5 |
|
|
Тонкая |
30,5 |
30,5 |
31,5 |
32,5 |
33,5 |
34,5 |
36,5 |
37,5 |
40,0 |
|
|
Св. 32,00 до 36,00 включ. |
Черновая |
21,0 |
22,0 |
22,5 |
23,0 |
24,0 |
25,0 |
26,0 |
28,0 |
30,0 |
|
Получистовая |
26,5 |
27,0 |
27,0 |
28,0 |
29,0 |
30,0 |
31,5 |
33,6 |
36,5 |
|
|
Чистовая |
30,5 |
30,5 |
31,5 |
31,5 |
33,6 |
34,5 |
36,5 |
37,5 |
40,0 |
|
|
Тонкая |
33,5 |
34,5 |
34,5 |
36,6 |
36,5 |
37,5 |
39,0 |
41,0 |
42,5 |
|
|
Св. 36,00 до 40,00 включ. |
Черновая |
23,5 |
24,0 |
25,0 |
25,0 |
26,0 |
27,0 |
28,0 |
30,0 |
32,5 |
|
Получистовая |
29,0 |
30,0 |
30,0 |
30,5 |
31,5 |
32,6 |
33,5 |
36,5 |
37,5 |
|
|
Чистовая |
32,5 |
33,5 |
33,5 |
34,5 |
35,5 |
36,5 |
37,5 |
40,0 |
42,5 |
|
|
Тонкая |
37,5 |
37,5 |
39,0 |
39,0 |
40,0 |
41,0 |
42,5 |
45,0 |
47,5 |
|
|
Св. 40,00 до 44,00 включ. |
Черновая |
- |
26,0 |
265 |
27,0 |
28,0 |
29,0 |
30,0 |
32,5 |
34,5 |
|
Получистовая |
- |
32,6 |
33,5 |
34,5 |
36,5 |
36,5 |
37,5 |
39,0 |
41,0 |
|
|
Чистовая |
- |
36,5 |
37,5 |
37,5 |
39,0 |
40,0 |
41,0 |
44,0 |
46,0 |
|
|
Тонкая |
- |
39,0 |
40,0 |
40,0 |
41,0 |
42,5 |
44,0 |
46,0 |
47,5 |
|
Продолжение таблицы 6
|
Общий допуск элемента поверхности, мм |
Вид окончательной механической обработки |
Общий припуск на сторону, мм, не более, для ряда припуска отливки |
||||||||
|
1 |
2 |
3 |
4 |
5 |
6 |
7 |
8 |
9 |
||
|
Св. 56,00 до 64,00 включ. |
Черновая |
- |
- |
- |
- |
- |
- |
- |
- |
- |
|
Получистовая |
- |
- |
- |
- |
- |
- |
- |
- |
- |
|
|
Чистовая |
- |
- |
- |
- |
- |
- |
- |
- |
- |
|
|
Тонкая |
- |
- |
- |
- |
- |
- |
- |
- |
- |
|
|
Св. 64,00 до 70,00 включ. |
Черновая |
- |
- |
- |
- |
- |
- |
- |
- |
- |
|
Получистовая |
- |
- |
- |
- |
- |
- |
- |
- |
- |
|
|
Чистовая |
- |
- |
- |
- |
- |
- |
- |
- |
- |
|
|
Тонкая |
- |
- |
- |
- |
- |
- |
- |
- |
- |
|
|
Св. 70,00 до 80,00 включ. |
Черновая |
- |
- |
- |
- |
- |
- |
- |
- |
- |
|
Получистовая |
- |
- |
- |
- |
- |
- |
- |
- |
- |
|
|
Чистовая |
- |
- |
- |
- |
- |
- |
- |
- |
- |
|
|
Тонкая |
- |
- |
- |
- |
- |
- |
- |
- |
- |
|
Окончание таблицы 6
|
Общий допуск элемента поверхности, мм |
Вид окончательной механической обработки |
Общий припуск на сторону, мм, не более, для ряда припуска отливки |
||||||||
|
10 |
11 |
12 |
13 |
14 |
15 |
16 |
17 |
18 |
||
|
Св. 56,00 до 64,00 включ. |
Черновая |
- |
- |
39,0 |
39,0 |
40,0 |
41,0 |
42,5 |
44,0 |
46,0 |
|
Получистовая |
- |
- |
46,0 |
46,0 |
47,5 |
47,5 |
49,0 |
51,5 |
53,0 |
|
|
Чистовая |
- |
- |
50,0 |
50,0 |
51,5 |
53,0 |
53,0 |
56,0 |
58,0 |
|
|
Тонкая |
- |
- |
53,0 |
53,0 |
54,5 |
54,5 |
56,0 |
58,0 |
60,0 |
|
|
Св. 64,00 до 70,00 включ. |
Черновая |
- |
- |
- |
42,5 |
42,5 |
44,0 |
46,0 |
47,5 |
49,0 |
|
Получистовая |
- |
- |
- |
50,0 |
51,5 |
51,5 |
53,0 |
56,0 |
58,0 |
|
|
Чистовая |
- |
- |
- |
56,0 |
56,0 |
58,0 |
56,0 |
61,5 |
63,0 |
|
|
Тонкая |
- |
- |
- |
68,0 |
60,0 |
60,0 |
61,5 |
65,0 |
67,0 |
|
|
Св. 70,00 до 80,00 включ. |
Черновая |
- |
- |
- |
47,5 |
47,5 |
49,0 |
50,0 |
51,5 |
54,5 |
|
Получистовая |
- |
- |
- |
56,0 |
56,0 |
58,0 |
58,0 |
61,5 |
63,0 |
|
|
Чистовая |
- |
- |
- |
61,5 |
63,0 |
63,0 |
65,0 |
67,0 |
69,0 |
|
|
Тонкая |
- |
- |
- |
66,0 |
67,0 |
67,0 |
69,0 |
71,0 |
73,0 |
|
|
Примечание - Для каждого интервала допуска в различных строках приведены суммарные значения общего припуска на все переходы обработки: черновой; черновой и получистовой; черновой, получистовой и чистовой; черновой, получистовой, чистовой и тонкой. |
||||||||||
7.2 Общие припуски следует назначать по полным значениям общих допусков во всех случаях, кроме оговоренных в 7.2.1 и 7.2.2 (рисунок 8 а).
7.2.1 Общие припуски на поверхности вращения и противоположные поверхности, используемые в качестве взаимных баз при их обработке, назначают по половинным значениям общих допусков отливки на соответствующие диаметры или расстояния между противоположными поверхностями отливки (рисунок 8 б, в).
7.2.2 При индивидуальной обработке отливок с установкой их с выверкой обрабатываемой поверхности относительно номинальной поверхности припуски назначают по половинным значениям допуска формы обрабатываемой поверхности при односторонних отклонениях формы поверхности относительно номинальной и полному допуску формы и расположения при двусторонних отклонениях формы обрабатываемой поверхности относительно номинальной поверхности отливки (рисунок 8 г).

а - Односторонняя обработка от базы

б - Обработка отливок типа тел вращения

в - Обработка взаимообрабатываемых поверхностей

г - Обработка поверхности, направление прогиба которой заранее не известно

д - Обработка поверхности, направление прогиба которой заранее известно
Рисунок 8
7.3 Общий допуск при назначении припуска определяют на размеры от обрабатываемой поверхности до базы обработки, при этом допуски размеров отливки, изменяемых обработкой, следует определять по номинальным размерам детали.
7.4 При ненормированных требованиях к точности формы обрабатываемых поверхностей отливки общие припуски устанавливают согласно 7.2 по допускам размеров отливки от обрабатываемой поверхности до базы обработки.
7.5 Значения общего припуска для каждого интервала общих допусков, расположенные в разных строках таблицы 6 и соответствующие черновой, получистовой, чистовой и тонкой обработке, выбирают в зависимости от соотношений между требуемой точностью обработанной поверхности детали и исходной точностью поверхности отливки, приведенных в таблице 7 для погрешностей размеров и в таблице 8 для погрешностей формы и расположения поверхностей детали и отливки; окончательно следует принимать значение припуска, соответствующее более точной обработке.
Таблица 7 - Вид окончательной механической обработки (допуски размеров)
|
Допуск размера отливки |
Соотношение между допусками размера детали и отливки от базы обработки до обрабатываемой поверхности |
Вид окончательной механической обработки |
|
До 0,5 включ. |
Св. 0,4 Св. 0,15 до 0,4 Св. 0,10 до 0,15 Св. 0,10 |
Черновая Получистовая Чистовая Тонкая |
|
Св. 0,5 до 1,0 включ. |
Св. 0,3 Св. 0,1 до 0,3 Св. 0,05 до 0,1 Св. 0,05 |
Черновая Получистовая Чистовая Тонкая |
|
Св. 1,0 до 2,0 включ. |
Св. 0,2 Св. 0,1 до 0,2 Св. 0,05 до 0,1 Св. 0,05 |
Черновая Получистовая Чистовая Тонкая |
|
Св. 2,0 до 5,0 включ. |
Св. 0,15 Св. 0,05 до 0,16 Св. 0,02 до 0,05 Св. 0,05 |
Черновая Получистовая Чистовая Тонкая |
|
Св. 5,0 |
Св. 0,10 Св. 0,05 до 0,10 Св. 0,02 до 0,05 Св. 0,02 |
Черновая Получистовая Чистовая Тонкая |
Таблица 8 - Вид окончательной механической обработки (допуски формы)
|
Допуск размера отливки |
Соотношение между допусками формы обработанной поверхности детали и обрабатываемой поверхности отливки |
Вид окончательной механической обработки |
|
До 0,5 включ. |
Св. 0,4 Св. 0,10 до 0,4 Св. 0,02 до 0,10 До 0,02 |
Черновая Получистовая Чистовая Тонкая |
|
Св. 0,5 до 1,0 включ. |
Св. 0,3 Св. 0,10 до 0,3 Св. 0,02 до 0,10 До 0,02 |
Черновая Получистовая Чистовая Тонкая |
|
Св. 1,0 до 2,0 включ. |
Св. 0,20 Св. 0,05 до 0,20 Св. 0,01 до 0,05 До 0,01 |
Черновая Получистовая Чистовая Тонкая |
|
Св. 2,0 до 5,0 включ. |
Св. 0,10 Св. 0,02 до 0,10 Св. 0,006 до 0,02 До 0,005 |
Черновая Получистовая Чистовая Тонкая |
|
Св. 5,0 |
Св. 0,06 Св. 0,01 до 0,06 Св. 0,002 до 0,01 До 0,002 |
Черновая Получистовая Чистовая Тонкая |
|
Примечания 1 При неуказанных допусках формы обрабатываемой поверхности отливки их суммарное значение принимают равным 25 % допуска размера от базы до обрабатываемой поверхности отливки. 2 При неуказанных допусках формы и расположения обработанной поверхности детали их суммарное значение принимают равным 50 % допуска размера от базы до обработанной поверхности детали. |
||
7.6 В таблице 6 приведены общие припуски для отливок, обрабатываемых при среднем уровне точности обработки.
В зависимости от технического уровня технологии механической обработки следует назначать увеличенные или уменьшенные значения припусков согласно таблице Е.1 (приложение Е).
7.7 Для отливок мелкосерийного и единичного производства допускается назначать увеличенные значения припусков, соответствующие интервалам общих допусков, расположенным в таблице 6 соответственно на 1 и 2 строки ниже интервала действительного допуска.
7.8 Значения припусков, приведенных в таблице 6, являются предельными для установленных норм точности отливки. Допускается, по согласованию потребителя и изготовителя, назначать уменьшенные значения припусков по сравнению с приведенными в таблице 6. При необходимости назначать на отдельные поверхности отливки увеличенные значения припусков следует уточнить соответствующие нормы точности обрабатываемой поверхности: степень точности поверхности, класс точности размера от базы или степень коробления поверхности.
7.9 В отдельных специальных случаях технологического процесса обработки отливок (многостадийной обработки с промежуточной термообработкой или промежуточной сборкой заготовок) допускается назначать увеличенные общие припуски по сравнению с приведенными в таблице 6. Соответствующий регламент устанавливают в стандартах предприятий.
7.10 Допускается в стандартах предприятий для отдельных групп отливок устанавливать упрощенные способы назначения припусков на обработку при условии, что их значения не будут превышать соответствующих значений припусков, установленных настоящим стандартом.
8.1 В технических требованиях чертежа отливки или детали с нанесенными размерами отливки должны быть указаны нормы точности отливки. Их приводят в следующем порядке: класс размерной точности, степень коробления, степень точности поверхностей, класс точности массы и допуск смещения отливки.
Пример условного обозначения точности отливки 8-го класса размерной точности, 5-й степени коробления, 4-й степени точности поверхностей, 7-го класса точности массы с допуском смещения 0,8 мм:
Точность отливки 8-5-4-
Ненормируемые показатели точности отливок заменяют нулями, а обозначение смещения опускают. Например:
Точность отливки 8-0-0-7 ГОСТ Р 53464-2009
В технических требованиях чертежей литой детали допускается указывать сокращенную номенклатуру норм точности отливки, при этом указание классов размерной точности массы отливки является обязательным. Например:
Точность отливки 8-0-0-
8.2 В технических требованиях чертежа отливки или детали с нанесенными размерами отливки должны быть указаны в приведенном ниже порядке значения номинальных масс детали, припусков на обработку, технологических напусков и массы отливки.
Пример обозначения номинальных масс, равных: для детали -
Масса 20,35-3,15-1,35-24,85 ГОСТ Р 53464-2009
Для необрабатываемых отливок или при отсутствии технологических напусков соответствующие величины обозначают «0». Например:
Масса 20,35-0-1,35-20,70 ГОСТ Р 53464-2009
или
Масса 20,35-0-0-20,35 ГОСТ Р 53464-2009
В технических требованиях чертежа литой детали указывают только массу детали.
8.3 Несимметричное расположение поля допуска отливки обозначают путем размещения предельных отклонений непосредственно с размером, при симметричном расположении поля допуска предельные отклонения с размером допускается не указывать.
8.4 При требованиях к точности отдельных размеров отливки, отличающихся от обозначенных общей надписью, следует указывать их предельные отклонения.
8.5 При требованиях к точности формы и расположения отдельных поверхностей отливки, отличающихся от обозначенных общей надписью, допуски формы и расположения этих поверхностей следует указывать в соответствии с ГОСТ 2.308.
8.6 Припуски обозначают в чертежах в соответствии с ГОСТ 3.1125. Припуски на обработку и технологические напуски обозначают на чертежах раздельно.
9.1 Виды (сплошной, выборочный и т.п.) и методы контроля, точностные параметры, проверяемые (сдаточные) размеры и номенклатуру контролируемых допусков и припусков отливок устанавливают в отраслевой научно-технической документации или на чертеже отливки или детали с нанесенными размерами отливки. Контролируемые размеры рекомендуется указывать от баз.
9.2 В чертеже отливки или детали с нанесенными размерами отливки следует контролировать соответствие назначенных допусков нормам точности отливки, припусков на обработку - значениям допусков и норм точности отливки.
9.3 Соответствие отливки заданному классу размерной точности следует определять по сдаточному размеру с классом точности с наибольшим отклонением от заданного для него класса. Классы точности размеров видов 1 и 3 приводят к классу точности размеров вида 2.
9.4 Соответствие поверхности отливки заданной степени точности определяют по высоте неровностности (таблица 3) и шероховатости поверхности (таблица 12, приложение Г), при несовпадении найденных оценок принимают большую из них. Соответствие отливки заданной степени точности поверхностей отливки в целом следует определять по наиболее грубой из поверхностей с пересчетом оценок верхних при заливке поверхностей к боковым.
9.5 Соответствие отливки заданной степени коробления следует определять по элементу отливки с наибольшей степенью коробления.
9.6 Соответствие отливки заданному классу точности массы следует определять по величине действительной массы отливки.
9.7 Допускается в отдельных случаях по согласованию изготовителя и потребителя использование отливок с точностными характеристиками, отклоняющимися от указанных на чертеже. В этом случае действительная точность отливки подлежит определению и указанию в технической документации.
Таблица А.1
|
Технологический процесс литья |
Наибольший габаритный размер отливки, мм |
Тип сплава |
|||
|
Цветные легкие нетермообрабатываемые сплавы |
Нетермообрабатываемые черные и цветные тугоплавкие сплавы и термообрабатываемые цветные легкие сплавы |
Термообрабатываемые чугунные и цветные тугоплавкие сплавы |
Термообрабатываемые стальные сплавы |
||
|
класс размерной точности отливки |
|||||
|
Литье под давлением в металлические формы и по выжигаемым моделям с применением малотерморасширяющихся огнеупорных материалов (плавленого кварца, корунда и т.п.) |
До 100 включ. |
3т-6 |
3-7т |
4-7 |
5т-8 |
|
Св. 100 до 250 включ. |
3-7т |
4-7 |
5т-8 |
5-9т |
|
|
Св. 250 до 630 включ. |
4-7 |
5т-8 |
5-9т |
6-9 |
|
|
Литье по выжигаемым моделям с применением кварцевых огнеупорных материалов |
До 100 включ. |
3-7 |
4-8 |
5т-9т |
5-9 |
|
Св. 100 до 250 включ. |
4-8 |
5т-9т |
5-9 |
6-10 |
|
|
Св. 250 до 630 включ. |
5т-9т |
5-9 |
6-10 |
7т-11т |
|
|
Литье по выплавляемым моделям с применением кварцевых огнеупорных материалов |
До 100 включ. |
4-8 |
5т-9т |
5-10 |
6-10 |
|
Св. 100 до 250 включ. |
5т-9т |
5-9 |
6-10 |
7т-11т |
|
|
Св. 250 до 630 включ. |
5-9 |
6-10 |
7т-11т |
7-11 |
|
|
Литье под низким давлением и в кокиль без песчаных стержней |
До 100 включ. |
5т-9т |
5-9 |
6-10 |
7т-11т |
|
Св. 100 до 250 включ. |
5-9 |
6-10 |
7т-11т |
7-11 |
|
|
Св. 250 до 630 включ. |
6-10 |
7т-11т |
7-11 |
8-12 |
|
|
Св. 630 до 1600 включ. |
7т-11т |
7-11 |
8-12 |
9т-13т |
|
|
Св. 1600 до 4000 включ. |
7-11 |
8-12 |
9т-13т |
9-13 |
|
|
Литье в песчано-глинистые сырые формы из низковлажных (до 2,8 %) высокопрочных (более 16,0 кПа или 1,6 кг/см2) смесей, с высоким и однородным уплотнением до твердости не ниже 90 единиц |
До 100 включ. |
5-10 |
6-11т |
7т-11 |
7-12 |
|
Св. 100 до 250 включ. |
6-11т |
7т-11 |
7-12 |
8-13т |
|
|
Св. 250 до 630 включ. |
7т-11 |
7-12 |
8-13т |
9т-13 |
|
|
Св. 630 до 1600 включ. |
7-12 |
8-13т |
9т-13 |
9-13 |
|
|
Св. 1600 до 4000 включ. |
8-13т |
9т-13 |
9-13 |
10-14 |
|
|
Св. 4000 до 10000 включ. |
9т-13 |
9-13 |
10-14 |
11т-14 |
|
|
Литье по газифицированным моделям в песчаные формы. Литье в формы, отверждаемые в контакте с холодной оснасткой. Литье под низким давлением и в кокиль с песчаными стержнями. Литье в облицованный кокиль. |
До 100 включ. |
5-10 |
6-11т |
7т-11 |
7-12 |
|
Св. 100 до 250 включ. |
6-11т |
7т-11 |
7-12 |
8-13т |
|
|
Св. 250 до 630 включ. |
7т-11 |
7-12 |
8-13т |
9т-13 |
|
|
Св. 630 до 1600 включ. |
7-12 |
8-13т |
9т-13 |
9-13 |
|
|
Св. 1600 до 4000 включ. |
8-13т |
9т-13 |
9-13 |
10-14 |
|
|
Св. 4000 до 10000 включ. |
9т-13 |
9-13 |
10-14 |
11т-14 |
|
|
Литье в песчано-глинистые сырые формы из смесей влажностью от 2,8 % до 3,5 % и прочностью от 120 до 160 кПа (от 1,2 до 1,6 кг/см2) со средним уровнем. Уплотнения до твердости не ниже 80 единиц. Литье центробежное (внутренние поверхности). Литье в формы, отверждаемые в контакте с горячей оснасткой. Литье в вакуумно-пленочные песчаные формы |
До 100 включ. |
6-11т |
7т-11 |
7-12 |
8-13т |
|
Св. 100 до 250 включ. |
7т-11 |
7-12 |
8-13т |
9т-13 |
|
|
Св. 250 до 630 включ. |
7-12 |
8-13т |
9т-13 |
9-13 |
|
|
Св. 630 до 1600 включ. |
8-13т |
9т-13 |
9-13 |
10-14 |
|
|
Св. 1600 до 4000 включ. |
9т-13 |
9-13 |
10-14 |
11т-14 |
|
|
Св 4000 до 10000 включ. |
9-13 |
10-14 |
11т-14 |
11-15 |
|
|
Литье в песчано-глинистые сырые формы из смесей влажностью от 3,5 % до 4,5 % и прочностью от 60 до 120 кПа (от 0,6 до 1,2 кг/см2) с уровнем уплотнения до твердости не ниже 700 единиц |
До 100 включ. |
7т-11 |
7-12 |
8-13т |
9т-13 |
|
Св. 100 до 250 включ. |
7-12 |
8-13т |
9т-13 |
9-13 |
|
|
Св. 250 до 630 включ. |
8-13т |
9т-13 |
9-13 |
10-14 |
|
|
Св. 630 до 1600 включ. |
9т-13 |
9-13 |
10-14 |
11т-14 |
|
|
Св. 1600 до 4000 включ. |
9-13 |
10-14 |
11т-14 |
11-15 |
|
|
Св. 4000 до 10000 включ. |
10-14 |
11т-14 |
11-15 |
12-15 |
|
|
Литье в оболочковые формы из термореактивных смесей. Литье в формы, отверждаемые вне контакта с оснасткой без тепловой сушки. Литье в формы из жидких самотвердеющих смесей. Литье в песчано-глинистые подсушиваемые и сухие формы |
До 100 включ. |
7-12 |
8-13т |
9т-13 |
9-13 |
|
Св. 100 до 250 включ. |
8-13т |
9т-13 |
9-13 |
10-14 |
|
|
Св. 250 до 630 включ. |
9т-13 |
9-13 |
10-14 |
11т-14 |
|
|
Св. 630 до 1600 включ. |
9-13 |
10-14 |
11т-14 |
11-15 |
|
|
Св. 1600 до 4000 включ. |
10-14 |
11т-14 |
11-15 |
12-15 |
|
|
Св. 4000 до 10000 включ. |
11т-14 |
11-15 |
12-15 |
13т-16 |
|
|
Св. 10000 |
11-15 |
12-15 |
13т-16 |
13-16 |
|
|
Примечания 1 В настоящей таблице указаны диапазоны классов размерной точности отливок, обеспечиваемых различными технологическими процессами литья. Меньшие их значения относятся к простым отливкам и условиям массового автоматизированного производства, большие - к сложным отливкам единичного и мелкосерийного производства, средние - к отливкам средней сложности и условиям механизированного серийного производства. 2 В таблицах А.1, Б.1, В.1, Г.1, Д.1, Ж, К.1 к цветным легкоплавким сплавам отнесены сплавы с температурой плавления ниже 700°С (973 К), к цветным тугоплавким - сплавы с температурой плавления выше 700°С (973 К). 3 В таблицах А.1, Б.1, В.1, Г.1, Д.1, Ж, К.1 к легким отнесены сплавы с плотностью до 3,0 г/см3, к тяжелым - сплавы с плотностью св. 3,0 г/см3. |
|||||
Таблица Б.1
|
Отношение наименьшего размера элемента отливки к наибольшему (толщины или высоты к длине элемента отливки) |
Степень коробления элемента отливки |
|||
|
Многократные формы |
Разовые формы |
|||
|
Нетермообрабатываемые отливки |
Термообработанные отливки после правки |
Нетермообрабатываемые отливки |
Термообработанные отливки после правки |
|
|
Св. 0,200 Св. 0,100 до 0,200 Св. 0,050 до 0,100 Св. 0,025 до 0,050 Св. 0,025 |
1-4 2-5 3-6 4-7 5-8 |
2-5 3-6 4-7 5-8 6-9 |
3-6 4-7 5-8 6-9 7-10 |
4-7 5-8 6-9 7-10 8-11 |
|
Примечания 1 Меньшие значения из диапазонов степеней коробления относятся к простым отливкам из легких цветных сплавов; большие значения - к сложным отливкам из черных сплавов. 2 Степень коробления отливки, указываемую на чертеже, следует принимать по ее элементу с наибольшей степенью коробления. |
||||
Таблица В.1
|
Технологический процесс литья |
Наибольший габаритный размер отливки, мм |
Тип сплава |
|||
|
Цветные легкие нетермообрабатываемые сплавы |
Нетермообрабатываемые черные и цветные тугоплавкие сплавы и термообрабатываемые цветные легкие сплавы |
Термообрабатываемые чугунные и цветные тугоплавкие сплавы |
Термообрабатываемые стальные сплавы |
||
|
Степень точности поверхностей |
|||||
|
Литье под давлением в металлические формы |
До 100 включ. |
2-6 |
3-7 |
4-8 |
5-9 |
|
Св. 100 до 250 включ. |
3-7 |
4-8 |
5-9 |
6-10 |
|
|
Св. 250 до 630 включ. |
4-8 |
5-9 |
8-10 |
7-11 |
|
|
Литье в керамические формы, литье по выжигаемым и выплавляемым моделям |
До 100 включ. |
3-8 |
4-9 |
5-10 |
6-11 |
|
Св. 100 до 250 включ. |
4-9 |
5-10 |
6-11 |
7-12 |
|
|
Св. 260 до 630 включ. |
5-10 |
6-11 |
7-12 |
8-13 |
|
|
Литье под низким давлением и в кокиль без песчаных стержней, центробежное литье в металлические формы |
До 100 включ. |
4-9 |
5-10 |
7-11 |
7-12 |
|
Св. 100 до 250 включ. |
5-10 |
6-11 |
7-12 |
8-13 |
|
|
Св. 250 до 630 включ. |
6-11 |
7-12 |
8-13 |
9-14 |
|
|
Литье в оболочковые формы из термореактивных смесей. Литье в облицованный кокиль, литье в вакуумно-пленочные песчаные формы |
До 100 включ. |
6-12 |
7-13 |
8-14 |
9-15 |
|
Св. 100 до 250 включ. |
7-13 |
8-14 |
9-15 |
10-16 |
|
|
Св. 250 до 630 включ. |
8-14 |
9-16 |
10-16 |
11-17 |
|
|
Литье по газифицируемым моделям в песчаные формы. Литье в песчано-глинистые сырые формы из низковлажных (до 2,8 %) высокопрочных (более 160 кПа или 1,6 кг/см2) смесей с высоким и однородным уплотнением до твердости не ниже 90 единиц. Литье в песчаные отвержденные, сухие или подсушенные формы, окрашенные покрытиями на водной основе, нанесенными пульверизацией или окунанием. Литье в кокиль с песчаными стержнями |
До 100 включ. |
7-14 |
8-16 |
9-16 |
10-17 |
|
Св. 100 до 250 включ. |
8-16 |
9-16 |
10-17 |
11-18 |
|
|
Св. 250 до 630 включ. |
9-16 |
10-17 |
11-18 |
12-19 |
|
|
Св. 630 до 1600 включ. |
10-17 |
11-18 |
12-19 |
13-19 |
|
|
Св. 1600 до 4000 включ. |
11-18 |
12-19 |
13-19 |
14-20 |
|
|
Литье в песчано-глинистые сырые формы из смесей влажностью от 2,8 % до 3,5 % и прочностью от 120 до 160 кПа (от 1,2 до 1,6 кгс/см2) со средним уровнем уплотнения до твердости не ниже 80 единиц. Литье в песчаные отвержденные, сухие или подсушенные формы, окрашенные покрытиями на водной основе, нанесенными кистью или самовысыхающими покрытиями, нанесенными пульверизацией или окунанием |
До 100 включ. |
8-16 |
9-16 |
10-17 |
11-18 |
|
Св. 100 до 250 включ. |
9-16 |
10-17 |
11-18 |
12-19 |
|
|
Св. 250 до 630 включ. |
10-17 |
11-18 |
12-19 |
13-19 |
|
|
Св. 630 до 1600 включ. |
11-18 |
12-19 |
13-19 |
14-20 |
|
|
Св. 1600 до 4000 включ. |
12-19 |
13-19 |
14-20 |
15-20 |
|
|
Св. 4000 до 10000 включ. |
13-19 |
14-20 |
16-20 |
16-21 |
|
|
Литье в песчано-глинистые сырые формы из смесей влажностью от 3,5 % до 4,5 % и прочностью от 60 до 120 кПа (от 0,6 до 1,2 кгс/см2) с уровнем уплотнения до твердости не ниже 70 единиц. Литье в песчаные отвержденные сухие или подсушенные формы, окрашенные самовысыхающими или самоотвердеющими покрытиями, нанесенными кистью |
До 100 включ. |
9-16 |
10-17 |
11-18 |
12-19 |
|
Св. 100 до 250 включ. |
10-17 |
10-17 |
11-16 |
12-19 |
|
|
Св. 250 до 630 включ. |
11-18 |
12-19 |
13-19 |
14-20 |
|
|
Св. 630 до 1600 включ. |
12-19 |
10-19 |
14-20 |
15-20 |
|
|
Св. 1600 до 4000 включ. |
13-19 |
14-20 |
15-20 |
16-21 |
|
|
Св. 4000 до 10000 включ. |
14-20 |
15-20 |
16-21 |
17-21 |
|
|
Литье в песчано-глинистые сырые формы из высоковлажных (выше 4,5 %) и низкопрочных (до 60 кПа или 0,6 кгс/см2) смесей с низким уровнем уплотнения до твердости ниже 70 единиц. Литье в песчаные отверждаемые, сухие или подсушенные неокрашенные формы. Литье в формы из жидких самотвердеющих смесей |
До 100 включ. |
10-17 |
11-18 |
12-19 |
13-19 |
|
Св. 100 до 250 включ. |
11-18 |
12-19 |
13-19 |
14-20 |
|
|
Св. 250 до 630 включ. |
12-19 |
13-19 |
14-20 |
15-20 |
|
|
Св. 630 до 1600 включ. |
13-19 |
14-20 |
15-20 |
16-21 |
|
|
Св. 1600 до 4000 включ. |
14-20 |
15-20 |
16-21 |
17-21 |
|
|
Св. 4000 до 10000 включ. |
16-20 |
16-21 |
17-21 |
18-22 |
|
|
Св. 10000 |
16-21 |
17-21 |
18-22 |
19-22 |
|
|
Примечание - В настоящей таблице указаны диапазоны степеней точности поверхности отливок, обеспечиваемых различными технологическими процессами литья. Меньшие из значений относятся к простым отливкам и условиям массового автоматизированного производства, большие - к сложным отливкам единичного и мелкосерийного производства, средние - к отливкам средней сложности и условиям механизированного серийного производства. |
|||||
Соответствие между шероховатостью и степенями точности поверхностей отливок представлено в таблице Г.1.
Таблица Г.1
|
Шероховатость поверхности |
Значение шероховатости для степеней точности поверхности отливки |
||||||||||
|
1 |
2 |
3 |
4 |
5 |
6 |
7 |
8 |
9 |
10 |
11 |
|
|
Среднеарифметическое значение отклонения профиля Ra, мкм, не более |
2,0 |
2,5 |
3,2 |
4,0 |
5,0 |
6,3 |
8,0 |
10,0 |
12,5 |
16,0 |
20,0 |
|
Высота неровностей профиля Rz, мкм, не более |
- |
- |
- |
- |
- |
- |
- |
- |
- |
- |
- |
Окончание таблицы. Г.1
|
Шероховатость поверхности |
Значение шероховатости для степеней точности поверхности отливки |
||||||||||
|
12 |
13 |
14 |
15 |
16 |
17 |
18 |
19 |
20 |
21 |
22 |
|
|
Среднеарифметическое значение отклонения профиля Ra, мкм, не более |
25,0 |
32,0 |
40,0 |
50,0 |
63,0 |
80,0 |
100,0 |
- |
- |
- |
- |
|
Высота неровностей профиля Rz, мкм, не более |
- |
- |
- |
- |
- |
- |
- |
500 |
600 |
800 |
1000 |
Таблица Д.1
|
Технологический процесс литья |
Номинальная масса отливки, кг |
Тип сплава |
|||
|
Цветные легкие нетермообрабатываемые сплавы |
Нетермообрабатываемые черные и цветные тугоплавкие сплавы и термообрабатываемые цветные легкие сплавы |
Термообрабатываемые чугунные и цветные тугоплавкие сплавы |
Термообрабатываемые стальные сплавы |
||
|
Класс точности массы отливки |
|||||
|
Литье под давлением в металлические формы и по выжигаемым моделям с применением малотерморасширяющихся огнеупорных материалов (плавленого кварца, корунда и т. п.) |
До 1,0 включ. |
1-7 |
2-8 |
3т-9т |
3-9 |
|
Св. 1,0 до 10 включ. |
2-8 |
3т-9т |
3-9 |
4-10 |
|
|
Св. 10 до 100 включ. |
3т-9т |
3-9 |
4-10 |
5т-11т |
|
|
Литье по выжигаемым моделям с применением кварцевых огнеупорных материалов |
До 1,0 включ. |
2-9т |
3т-9 |
3-10 |
4-11т |
|
Св. 1,0 до 10 включ. |
3т-9 |
3-10 |
4-11т |
5т-11 |
|
|
Св. 10 до 100 включ. |
3-10 |
4-11т |
5т-11 |
5-12 |
|
|
Литье по выплавляемым моделям с применением кварцевых огнеупорных материалов |
До 1,0 включ. |
3т-9 |
3-10 |
4-11т |
5т-11 |
|
Св. 1,0 до 10 включ. |
3-10 |
4-11т |
5т-11 |
5-12 |
|
|
Св. 10 до 100 включ. |
4-11т |
5т-11 |
5-12 |
6-13т |
|
|
Литье под низким давлением и в кокиль без песчаных стержней |
До 1,0 включ. |
3-10 |
4-11т |
5т-11 |
5-12 |
|
Св. 1,0 до 10 включ. |
4-11т |
5т-11 |
5-12 |
6-13т |
|
|
Св. 10 до 100 включ. |
5т-11 |
5-12 |
6-13т |
7т-13 |
|
|
Св. 100 до 1000 включ. |
8-12 |
6-13т |
7т-13 |
7-14 |
|
|
Св. 1000 до 10000 включ. |
6-13т |
7т-13 |
7-14 |
8-15 |
|
|
Литье в песчано-глинистые сырые формы из низковлажных (до 2,8 %), высокопрочных (более 160 кПа или 1,6 кг/см2) смесей, с высоким и однородным уплотнением до твердости не ниже 90 единиц. Литье по газифицированным моделям в песчаные формы. Литье в формы, отвержденные в контакте с холодной оснасткой. Литье под низким давлением и в кокиль с песчаными стержнями. Литье в облицованный кокиль |
До 1,0 включ. |
4-11 |
5т-12 |
5-13т |
6-13 |
|
Св. 1,0 до 10 включ. |
5т-12 |
5-13т |
6-13 |
7т-14 |
|
|
Св. 10 до 100 включ. |
5-13т |
6-13 |
7т-14 |
7-15 |
|
|
Св. 100 до 1000 включ. |
6-13 |
7т-14 |
7-15 |
8-15 |
|
|
Св. 1000 до 10000 включ. |
7т-14 |
7-16 |
8-16 |
9т-16 |
|
|
» 10000 »100000 » |
7-15 |
8-16 |
9т-16 |
9-16 |
|
|
Литье в песчано-глинистые сырые формы из смесей с влажностью от 2,8 % до 3,5 % и прочностью от 1,20 до 160 кПа (от 1,2-1,6 кг/см2), со средним уровнем уплотнения до твердости не ниже 80 единиц. Литье центробежное (внутренние поверхности). Литье в формы, отверждаемые в контакте с горячей оснасткой. Литье в оболочковые формы. Литье в вакуумно-пленочные песчаные формы |
До 1,0 включ. |
5т-12 |
5-13т |
6-13 |
7т-14 |
|
Св. 1,0 до 10 включ. |
5-13т |
6-13 |
7т-14 |
7-15 |
|
|
Св. 10 до 100 включ. |
6-13 |
7т-14 |
7-16 |
8-15 |
|
|
Св. 100 до 1000 включ. |
7т-14 |
7-16 |
8-16 |
9т-16 |
|
|
Св. 1000 до 10000 включ. |
7-15 |
8-16 |
9т-16 |
9-16 |
|
|
Св. 10000 до 100000 включ. |
8-16 |
9т-16 |
9-16 |
10-16 |
|
|
Литье в песчано-глинистые сырые формы из смесей влажностью от 3,5 % до 4,5 % и прочностью от 60 до 120 кПа (от 0,6 до 1,2 кг/см2) с уровнем уплотнения до твердости не ниже 70 единиц. Литье в оболочковые формы из термореактивных смесей. Литье в формы, отверждаемые вне контакта с оснасткой без тепловой сушки. Литье в песчано-глинистые подсушенные и сухие формы. Литье в формы из жидких самотвердеющих смесей |
До 1,0 включ. |
5-13т |
6-13 |
7т-14 |
7-15 |
|
Св. 1,0 до 10 включ. |
6-13 |
7т-14 |
7-15 |
8-15 |
|
|
Св. 10 до 100 включ. |
7т-14 |
7-16 |
8-15 |
9т-16 |
|
|
Св. 100 до 1000 включ. |
7-15 |
8-15 |
9т-16 |
9-16 |
|
|
Св. 1000 до 10000 включ. |
8-15 |
9т-16 |
9-16 |
10-16 |
|
|
Св. 10000 до 100000 включ. |
9т-16 |
9-16 |
10-16 |
11т-16 |
|
|
Литье в песчано-глинистые сырые формы из высоковлажных (более 4,5 %) низкопрочных (до 60 кПа или 0,6 кг/см2) смесей с низким уровнем уплотнения до твердости не ниже 70 единиц |
До 1,0 включ. |
6-13 |
7т-14 |
7-16 |
8-15 |
|
Св. 1,0 до 10 включ. |
7т-14 |
7-15 |
8-15 |
9т-16 |
|
|
Св. 10 до 100 включ. |
7-15 |
8-15 |
9т-16 |
9-16 |
|
|
Св. 100 до 1000 включ. |
8-16 |
9т-16 |
9-16 |
10-16 |
|
|
Св. 1000 до 10000 включ. |
9т-16 |
9-16 |
10-16 |
11т-16 |
|
|
Св. 10000 до 100000 включ. |
9-16 |
10-16 |
11т-16 |
11-16 |
|
|
Св. 100000 |
10-16 |
11т-16 |
11-16 |
12-16 |
|
|
Литье в песчано-глинистые сырые формы из смесей с влажностью от 3,5 % до 4,5 % и прочностью от 60 до 120 кПа (от 0,6 до 1,2 кг/см2) с уровнем уплотнения до твердости не ниже 70 единиц. Литье в оболочковые формы из термореактивных смесей. Литье в формы, отверждаемые вне контакта с оснасткой без тепловой сушки. Литье в песчано-глинистые подсушенные и сухие формы. Литье в формы из жидких самотвердеющих смесей |
До 1,0 включ. |
5-13т |
6-13 |
7т-14 |
7-15 |
|
Св. 1,0 до 10 включ. |
6-13 |
7т-14 |
7-15 |
8-15 |
|
|
Св. 10 до 100 включ. |
7т-14 |
7-16 |
8-15 |
9т-16 |
|
|
Св. 100 до 1000 включ. |
7-15 |
8-15 |
9т-16 |
9-16 |
|
|
Св. 1000 до 10000 включ. |
8-15 |
9т-16 |
9-16 |
10-16 |
|
|
Св. 10000 до 100000 включ. |
9т-16 |
9-16 |
10-16 |
11т-16 |
|
|
Литье в песчано-глинистые сырые формы из высоковлажных (более 4,5 %) низкопрочных (до 60 кПа или 0,6 кг/см2) смесей с низким уровнем уплотнения до твердости не ниже 70 единиц |
До 1,0 включ. |
6-13 |
7т-14 |
7-16 |
8-15 |
|
Св. 1,0 до 10 включ. |
7т-14 |
7-15 |
8-15 |
9т-16 |
|
|
Св. 10 до 100 включ. |
7-15 |
8-15 |
9т-16 |
9-16 |
|
|
Св. 100 до 1000 включ. |
8-16 |
9т-16 |
9-16 |
10-16 |
|
|
Св. 1000 до 10000 включ. |
9т-16 |
9-16 |
10-16 |
11т-16 |
|
|
Св. 10000 до 100000 включ. |
9-16 |
10-16 |
11т-16 |
11-16 |
|
|
Св. 100000 |
10-16 |
11т-16 |
11-16 |
12-16 |
|
|
Примечание - В настоящей таблице указаны диапазоны классов точности массы отливок, обеспечиваемых различными технологическими процессами литья. Меньшие их значения относятся к простым компактным отливкам и условиям массового автоматизированного производства, большие - к сложным крупногабаритным отливкам единичного и мелкосерийного производства, средние - к отливкам средней сложности и условиям механизированного серийного производства. Для отливок, толщина стенок которых является замыкающим звеном двух размеров (например, гильзы, коллекторы, блоки цилиндров и т.п.) при прочих равных условиях, устанавливаются на один класс грубее. |
|||||
Таблица Е.1
|
Степени точности поверхности |
1-2 |
3-4 |
5-6 |
7-8 |
9-10 |
11-12 |
13-14 |
15 |
16 |
17 |
18 |
19 |
20 |
21 |
22 |
|
Ряды припусков |
1-2 |
1-3 |
1-4 |
2-5 |
3-6 |
4-7 |
5-8 |
6-9 |
7-10 |
8-11 |
9-12 |
10-13 |
11-17 |
12-15 |
13т-16 |
|
Примечания 1 Меньшие значения рядов припусков из диапазонов их значений следует принимать для термообрабатываемых отливок из цветных легкоплавких сплавов, большие значения - для отливок из ковкого чугуна, средние - для отливок из серого и высокопрочного чугуна, термообрабатываемых отливок из стальных и цветных тугоплавких сплавов. 2 Для верхних (при заливке поверхностей) отливок единичного и мелкосерийного производства, изготовляемых в разовых формах, допускается принимать увеличенные на 1-3 единицы значения ряда припуска. |
|||||||||||||||
Уровень точности обработки, достигаемый в зависимости от технического уровня технологии механообработки, приведен в таблице Ж.1.
Таблица Ж.1
|
Характеристика металлообрабатывающего оборудования |
Уровень точности обработки при степени точности станков |
|
|
нормальной |
высокой |
|
|
Автоматизированное оборудование, оснащенное устройствами для стабилизации и управления точностью обработки |
- |
Высокая |
|
Автоматизированное оборудование (агрегатные станки и станки с ЧПУ, автоматические линии из агрегатных станков с ЧПУ и гибких производственных модулей и т.п.) |
Средняя |
Повышенная |
|
Неавтоматизированное оборудование (станки с ручным управлением) |
Пониженная |
Средняя |
|
Примечания 1 К нормальной степени точности станков следует относить станки нормальной точности по ГОСТ 8. К высокой степени точности станков следует относить станки повышенной, высокой, особо высокой точности по ГОСТ 8. 2 Значения припусков, приведенные в таблице 6 настоящего стандарта, следует применять при среднем уровне точности обработки (настоящая таблица). При повышенном или высоком уровне точности обработки следует принимать значения припусков, соответствующие интервалам общих допусков, расположенных в таблице 6 соответственно на 1 или 2 строки выше интервала действительного допуска, при пониженном уровне точности обработки - на 1 строку ниже интервала действительного допуска. |
||
Таблица И.1
В миллиметрах
|
Допуск размера от поверхности до базы |
Допуск формы и расположения поверхности |
Общий допуск элемента отливки, не более |
|
До 0,01 включ. |
До 0,01 включ. |
0,02 |
|
Св. 0,01 до 0,02 включ. |
0,03 |
|
|
Св. 0,01 до 0,02 включ. |
До 0,01 включ. |
0,02 |
|
Св. 0,01 до 0,02 включ. |
0,03 |
|
|
Св. 0,02 до 0,03 включ. |
0,04 |
|
|
Св. 0,03 до 0,04 включ. |
0,05 |
|
|
Св. 0,02 до 0,03 включ. |
До 0,01 включ. |
0,03 |
|
Св. 0,01 до 0,02 включ. |
0,04 |
|
|
Св. 0,02 до 0,03 включ. |
0,05 |
|
|
Св. 0,03 до 0,04 включ. |
0,06 |
|
|
Св. 0,04 до 0,05 включ. |
0,07 |
|
|
Св. 0,05 до 0,06 включ. |
0,08 |
|
|
Св. 0,03 до 0,04 включ. |
До 0,01 включ. |
0,04 |
|
Св. 0,01 до 0,03 включ. |
0,06 |
|
|
Св. 0,03 до 0,04 включ. |
0,06 |
|
|
Св. 0,04 до 0,05 включ. |
0,07 |
|
|
Св. 0,05 до 0,06 включ. |
0,08 |
|
|
Св. 0,06 до 0,08 включ. |
0,11 |
|
|
Св. 0,04 до 0,05 включ. |
До 0,01 включ. |
0,05 |
|
Св. 0,01 до 0,03 включ. |
0,06 |
|
|
Св. 0,03 до 0,04 включ. |
0,07 |
|
|
Св. 0,04 до 0,05 включ. |
0,08 |
|
|
Св. 0,05 до 0,06 включ. |
0,09 |
|
|
Св. 0,06 до 0,08 включ. |
0,11 |
|
|
Св. 0,08 до 0,10 включ. |
0,14 |
|
|
Св. 0,05 до 0,06 включ. |
До 0,02 включ. |
0,06 |
|
Св. 0,02 до 0,03 включ. |
0,07 |
|
|
Св. 0,03 до 0,04 включ. |
0,08 |
|
|
Св. 0,04 до 0,05 включ. |
0,09 |
|
|
Св. 0,05 до 0,06 включ. |
0,10 |
|
|
Св. 0,06 до 0,08 включ. |
0,12 |
|
|
Св. 0,08 до 0,10 включ. |
0,14 |
|
|
Св. 0,10 до 0,12 включ. |
0,16 |
|
|
Св. 0,06 до 0,08 включ. |
До 0,02 включ. |
0,08 |
|
Св. 0,02 до 0,04 включ. |
0,09 |
|
|
Св. 0,04 до 0,05 включ. |
0,10 |
|
|
Св. 0,05 до 0,06 включ. |
0,14 |
|
|
Св. 0,06 до 0,08 включ. |
0,14 |
|
|
Св. 0,08 до 0,10 включ. |
0,16 |
|
|
Св. 0,10 до 0,12 включ. |
0,18 |
|
|
Св. 0,12 до 0,16 включ. |
0,22 |
|
|
Св. 0,08 до 0,10 включ. |
До 0,02 включ. |
0,10 |
|
Св. 0,02 до 0,04 включ. |
0,11 |
|
|
Св. 0,04 до 0,06 включ. |
0,12 |
|
|
Св. 0,06 до 0,08 включ. |
0,14 |
|
|
Св. 0,08 до 0,10 включ. |
0,16 |
|
|
Св. 0,10 до 0,12 включ. |
0,18 |
|
|
Св. 0,12 до 0,16 включ. |
0,22 |
|
|
Св. 0,16 до 0,20 включ. |
0,28 |
|
|
Св. 0,10 до 0,12 включ. |
До 0,02 включ. |
0,12 |
|
Св. 0,02 до 0,06 включ. |
0,14 |
|
|
Св. 0,06 до 0,08 включ. |
0,16 |
|
|
Св. 0,08 до 0,10 включ. |
0,18 |
|
|
Св. 0,10 до 0,12 включ. |
0,20 |
|
|
Св. 0,12 до 0,16 включ. |
0,24 |
|
|
Св. 0,16 до 0,20 включ. |
0,28 |
|
|
Св. 0,20 до 0,24 включ. |
0,30 |
|
|
Св. 0,12 до 0,16 включ. |
До 0,03 включ. |
0,16 |
|
Св. 0,03 до 0,06 включ. |
0,18 |
|
|
Св. 0,06 до 0,10 включ. |
0,20 |
|
|
Св. 0,10 до 0,12 включ. |
0,22 |
|
|
Св. 0,12 до 0,16 включ. |
0,28 |
|
|
Св. 0,16 до 0,20 включ. |
0,32 |
|
|
Св. 0,20 до 0,24 включ. |
0,36 |
|
|
Св. 0,24 до 0,32 включ. |
0,44 |
|
|
Св. 0,16 до 0,20 включ. |
До 0,03 включ. |
0,20 |
|
Св. 0,03 до 0,08 включ. |
0,22 |
|
|
Св. 0,08 до 0,12 включ. |
0,24 |
|
|
Св. 0,12 до 0,16 включ. |
0,28 |
|
|
Св. 0,16 до 0,20 включ. |
0,32 |
|
|
Св. 0,20 до 0,24 включ. |
0,36 |
|
|
Св. 0,24 до 0,32 включ. |
0,44 |
|
|
Св. 0,32 до 0,40 включ. |
0,56 |
|
|
Св. 0,20 до 0,24 включ. |
До 0,06 включ. |
0,24 |
|
Св. 0,06 до 0,12 включ. |
0,28 |
|
|
Св. 0,12 до 0,16 включ. |
0,32 |
|
|
Св. 0,16 до 0,20 включ. |
0,36 |
|
|
Св. 0,20 до 0,24 включ. |
0,40 |
|
|
Св. 0,24 до 0,32 включ. |
0,50 |
|
|
Св. 0,32 до 0,40 включ. |
0,56 |
|
|
Св. 0,40 до 0,48 включ. |
0,64 |
|
|
Св. 0,24 до 0,32 включ. |
До 0,06 включ. |
0,32 |
|
Св. 0,06 до 0,12 включ. |
0,36 |
|
|
Св. 0,12 до 0,20 включ. |
0,40 |
|
|
Св. 0,20 до 0,24 включ. |
0,44 |
|
|
Св. 0,24 до 0,32 включ. |
0,50 |
|
|
Св. 0,32 до 0,40 включ. |
0,56 |
|
|
Св. 0,40 до 0,50 включ. |
0,70 |
|
|
Св. 0,50 до 0,64 включ. |
0,90 |
|
|
Св. 0,32 до 0,40 включ. |
До 0,08 включ. |
0,40 |
|
Св. 0,08 до 0,16 включ. |
0,44 |
|
|
Св. 0,16 до 0,24 включ. |
0,50 |
|
|
Св. 0,24 до 0,32 включ. |
0,56 |
|
|
Св. 0,32 до 0,40 включ. |
0,64 |
|
|
Св. 0,40 до 0,50 включ. |
0,70 |
|
|
Св. 0,50 до 0,64 включ. |
0,90 |
|
|
Св. 0,64 до 0,80 включ. |
1,10 |
|
|
Св. 0,40 до 0,50 включ. |
До 0,12 включ. |
0,50 |
|
Св. 0,12 до 0,24 включ. |
0,56 |
|
|
Св. 0,24 до 0,32 включ. |
0,64 |
|
|
Св. 0,32 до 0,40 включ. |
0,70 |
|
|
Св. 0,40 до 0,50 включ. |
0,80 |
|
|
Св. 0,50 до 0,64 включ. |
0,90 |
|
|
Св. 0,64 до 0,80 включ. |
1,10 |
|
|
Св. 0,80 до 1,00 включ. |
1,40 |
|
|
Св. 0,50 до 0,64 включ. |
До 0,12 включ. |
0,64 |
|
Св. 0,12 до 0,24 включ. |
0,70 |
|
|
Св. 0,24 до 0,40 включ. |
0,80 |
|
|
Св. 0,40 до 0,50 включ. |
0,90 |
|
|
Св. 0,50 до 0,64 включ. |
1,00 |
|
|
Св. 0,64 до 0,80 включ. |
1,20 |
|
|
Св. 0,80 до 1,00 включ. |
1,40 |
|
|
Св. 1,00 до 1,20 включ. |
1,60 |
|
|
Св. 1,20 до 1,28 включ. |
1,80 |
|
|
Св. 0,64 до 0,80 включ. |
До 0,20 включ. |
0,80 |
|
Св. 0,20 до 0,40 включ. |
0,90 |
|
|
Св. 0,40 до 0,50 включ. |
1,00 |
|
|
Св. 0,50 до 0,64 включ. |
1,10 |
|
|
Св. 0,64 до 0,80 включ. |
1,20 |
|
|
Св. 0,80 до 1,00 включ. |
1,40 |
|
|
Св. 1,00 до 1,20 включ. |
1,80 |
|
|
Св. 1,20 до 1,60 включ. |
2,20 |
|
|
Св. 0,80 до 1,00 включ. |
До 0,24 включ. |
1,00 |
|
Св. 0,24 до 0,40 включ. |
1,10 |
|
|
Св. 0,40 до 0,64 включ. |
1,20 |
|
|
Св. 0,64 до 0,80 включ. |
1,40 |
|
|
Св. 0,80 до 1,00 включ. |
1,60 |
|
|
Св. 1,00 до 1,20 включ. |
1,80 |
|
|
Св. 1,20 до 1,60 включ. |
2,20 |
|
|
Св. 1,60 до 2,00 включ. |
2,80 |
|
|
Св. 1,00 до 1,20 включ. |
До 0,32 включ. |
1,20 |
|
Св. 0,32 до 0,64 включ. |
1,40 |
|
|
Св. 0,64 до 0,80 включ. |
1,60 |
|
|
Св. 0,80 до 1,00 включ. |
1,80 |
|
|
Св. 1,00 до 1,20 включ. |
2,00 |
|
|
Св. 1,20 до 1,60 включ. |
2,40 |
|
|
Св. 1,60 до 2,00 включ. |
2,80 |
|
|
Св. 2,00 до 2,40 включ. |
3,20 |
|
|
Св. 1,20 до 1,60 включ. |
До 0,40 включ. |
1,60 |
|
Св. 0,40 до 0,80 включ. |
1,80 |
|
|
Св. 0,80 до 1,00 включ. |
2,00 |
|
|
Св. 1,00 до 1,20 включ. |
2,20 |
|
|
Св. 1,20 до 1,60 включ. |
2,40 |
|
|
Св. 1,60 до 2,00 включ. |
2,80 |
|
|
Св. 2,00 до 2,40 включ. |
3,60 |
|
|
Св. 2,40 до 3,20 включ. |
4,40 |
|
|
Св. 1,60 до 2,00 включ. |
До 0,40 включ. |
2,00 |
|
Св. 0,40 до 0,80 включ. |
2,20 |
|
|
Св. 0,80 до 1,20 включ. |
2,40 |
|
|
Св. 1,20 до 1,60 включ. |
2,80 |
|
|
Св. 1,60 до 2,00 включ. |
3,20 |
|
|
Св. 2,00 до 2,40 включ. |
3,60 |
|
|
Св. 2,40 до 3,20 включ. |
4,40 |
|
|
Св. 3,20 до 4,00 включ. |
5,60 |
|
|
Св. 2,00 до 2,40 включ. |
До 0,64 включ. |
2,40 |
|
Св. 0,64 до 1,20 включ. |
2,80 |
|
|
Св. 1,20 до 1,60 включ. |
3,20 |
|
|
Св. 1,60 до 2,00 включ. |
3,60 |
|
|
Св. 2,00 до 2,40 включ. |
4,00 |
|
|
Св. 2,40 до 3,20 включ. |
4,40 |
|
|
Св. 3,20 до 4,00 включ. |
5,60 |
|
|
Св. 4,00 до 4,80 включ. |
6,40 |
|
|
Св. 2,40 до 3,20 включ. |
До 0,80 включ. |
3,20 |
|
Св. 0,80 до 1,60 включ. |
3,60 |
|
|
Св. 1,60 до 2,00 включ. |
4,00 |
|
|
Св. 2,00 до 2,40 включ. |
4,40 |
|
|
Св. 2,40 до 3,20 включ. |
5,00 |
|
|
Св. 3,20 до 4,00 включ. |
5,60 |
|
|
Св. 4,00 до 5,00 включ. |
7,00 |
|
|
Св. 5,00 до 6,40 включ. |
9,00 |
|
|
Св. 3,20 до 4,00 включ. |
До 1,00 включ. |
4,00 |
|
Св. 1,00 до 1,60 включ. |
4,40 |
|
|
Св. 1,60 до 2,40 включ. |
5,00 |
|
|
Св. 2,40 до 3,20 включ. |
5,60 |
|
|
Св. 3,20 до 4,00 включ. |
6,00 |
|
|
Св. 4,00 до 5,00 включ. |
7,00 |
|
|
Св. 5,00 до 6,40 включ. |
9,00 |
|
|
Св. 6,40 до 8,00 включ. |
11,00 |
|
|
Св. 4,00 до 5,00 включ. |
До 1,20 включ. |
5,00 |
|
Св. 1,20 до 2,40 включ. |
5,60 |
|
|
Св. 2,40 до 3,20 включ. |
6,40 |
|
|
Св. 3,20 до 4,00 включ. |
7,00 |
|
|
Св. 4,00 до 5,00 включ. |
8,00 |
|
|
Св. 5,00 до 6,40 включ. |
9,00 |
|
|
Св. 6,40 до 8,00 включ. |
11,00 |
|
|
Св. 8,00 до 10,00 включ. |
14,00 |
|
|
Св. 5,00 до 6,40 включ. |
До 1,20 включ. |
6,40 |
|
Св. 1,20 до 2,40 включ. |
7,00 |
|
|
Св. 2,40 до 4,00 включ. |
8,00 |
|
|
Св. 4,00 до 5,00 включ. |
9,00 |
|
|
Св. 5,00 до 6,40 включ. |
10,00 |
|
|
Св. 6,40 до 8,00 включ. |
12,00 |
|
|
Св. 8,00 до 10,00 включ. |
14,00 |
|
|
Св. 10,00 до 12,00 включ. |
16,00 |
|
|
Св. 12,00 до 12,80 включ. |
18,00 |
|
|
Св. 6,40 до 8,00 включ. |
До 2,00 включ. |
8,00 |
|
Св. 2,00 до 4,00 включ. |
9,00 |
|
|
Св. 4,00 до 5,00 включ. |
10,00 |
|
|
Св. 5,00 до 6,40 включ. |
11,00 |
|
|
Св. 6,40 до 8,00 включ. |
12,00 |
|
|
Св. 8,00 до 10,00 включ. |
14,00 |
|
|
Св. 10,00 до 12,00 включ. |
18,00 |
|
|
Св. 12,00 до 16,00 включ. |
22,00 |
|
|
Св. 8,00 до 10,00 включ. |
До 2,40 включ. |
10,00 |
|
Св. 2,40 до 4,00 включ. |
11,00 |
|
|
Св. 4,00 до 6,40 включ. |
12,00 |
|
|
Св. 6,40 до 8,00 включ. |
14,00 |
|
|
Св. 8,00 до 10,00 включ. |
16,00 |
|
|
Св. 10,00 до 12,00 включ. |
18,00 |
|
|
Св. 12,00 до 16,00 включ. |
22,00 |
|
|
Св. 16,00 до 20,00 включ. |
28,00 |
|
|
Св. 10,00 до 12,00 включ. |
До 3,20 включ. |
12,00 |
|
Св. 3,20 до 6,40 включ. |
14,00 |
|
|
Св. 6,40 до 8,00 включ. |
16,00 |
|
|
Св. 8,00 до 10,00 включ. |
18,00 |
|
|
Св. 10,00 до 12,00 включ. |
20,00 |
|
|
Св. 12,00 до 16,00 включ. |
24,00 |
|
|
Св. 16,00 до 20,00 включ. |
28,00 |
|
|
Св. 20,00 до 24,00 включ. |
32,00 |
|
|
Св. 12,00 до 16,00 включ. |
До 4,00 включ. |
16,00 |
|
Св. 4,00 до 8,00 включ. |
18,00 |
|
|
Св. 8,00 до 10,00 включ. |
20,00 |
|
|
Св. 10,00 до 12,00 включ. |
22,00 |
|
|
Св. 12,00 до 16,00 включ. |
24,00 |
|
|
Св. 16,00 до 20,00 включ. |
28,00 |
|
|
Св. 20,00 до 24,00 включ. |
36,00 |
|
|
Св. 24,00 до 32,00 включ. |
44,00 |
|
|
Св. 16,00 до 20,00 включ. |
До 5,00 включ. |
20,00 |
|
Св. 5,00 до 8,00 включ. |
22,00 |
|
|
Св. 8,00 до 12,00 включ. |
24,00 |
|
|
Св. 12,00 до 16,00 включ. |
28,00 |
|
|
Св. 16,00 до 20,00 включ. |
32,00 |
|
|
Св. 20,00 до 24,00 включ. |
36,00 |
|
|
Св. 24,00 до 32,00 включ. |
44,00 |
|
|
Св. 32,00 до 40,00 включ. |
56,00 |
|
|
Св. 20,00 до 24,00 включ. |
До 6,40 включ. |
24,00 |
|
Св. 6,40 до 12,00 включ. |
28,00 |
|
|
Св. 12,00 до 16,00 включ. |
32,00 |
|
|
Св. 16,00 до 20,00 включ. |
36,00 |
|
|
Св. 20,00 до 24,00 включ. |
40,00 |
|
|
Св. 24,00 до 32,00 включ. |
44,00 |
|
|
Св. 32,00 до 40,00 включ. |
56,00 |
|
|
Св. 40,00 до 48,00 включ. |
64,00 |
|
|
Св. 24,00 до 32,00 включ. |
До 8,00 включ. |
32,00 |
|
Св. 8,00 до 16,00 включ. |
36,00 |
|
|
Св. 16,00 до 20,00 включ. |
40,00 |
|
|
Св. 20,00 до 24,00 включ. |
44,00 |
|
|
Св. 24,00 до 32,00 включ. |
50,00 |
|
|
Св. 32,00 до 40,00 включ. |
56,00 |
|
|
Св. 40,00 до 50,00 включ. |
70,00 |
|
|
Св. 50,00 до 64,00 включ. |
90,00 |
|
|
Св. 32,00 до 40,00 включ. |
До 10,00 включ. |
40,00 |
|
Св. 10,00 до 16,00 включ. |
44,00 |
|
|
Св. 16,00 до 24,00 включ. |
50,00 |
|
|
Св. 24,00 до 32,00 включ. |
56,00 |
|
|
Св. 32,00 до 40,00 включ. |
64,00 |
|
|
Св. 40,00 до 50,00 включ. |
70,00 |
|
|
Св. 50,00 до 64,00 включ. |
90,00 |
|
|
Св. 64,00 до 80,00 включ. |
110,00 |
|
|
Св. 40,00 до 50,00 включ. |
До 12,00 включ. |
50,00 |
|
Св. 12,00 до 24,00 включ. |
56,00 |
|
|
Св. 24,00 до 32,00 включ. |
64,00 |
|
|
Св. 32,00 до 40,00 включ. |
70,00 |
|
|
Св. 40,00 до 50,00 включ. |
80,00 |
|
|
Св. 50,00 до 64,00 включ. |
90,00 |
|
|
Св. 64,00 до 80,00 включ. |
110,00 |
|
|
Св. 80,00 до 100,00 включ. |
140,00 |
|
|
Св. 50,00 до 64,00 включ. |
До 12,00 включ. |
64,00 |
|
Св. 12,00 до 24,00 включ. |
70,00 |
|
|
Св. 24,00 до 40,00 включ. |
80,00 |
|
|
Св. 40,00 до 50,00 включ. |
90,00 |
|
|
Св. 50,00 до 64,00 включ. |
100,00 |
|
|
Св. 64,00 до 80,00 включ. |
120,00 |
|
|
Св. 80,00 до 100,00 включ. |
140,00 |
|
|
Св. 100,00 до 120,00 включ. |
160,00 |
|
|
Св. 120,00 до 128,00 включ. |
180,00 |
|
|
Св. 64,00 до 80,00 включ. |
До 20,00 включ. |
80,00 |
|
Св. 20,00 до 40,00 включ. |
90,00 |
|
|
Св. 40,00 до 50,00 включ. |
100,00 |
|
|
Св. 50,00 до 64,00 включ. |
110,00 |
|
|
Св. 64,00 до 80,00 включ. |
120,00 |
|
|
Св. 80,00 до 100,00 включ. |
140,00 |
|
|
Св. 100,00 до 120,00 включ. |
180,00 |
|
|
Св. 120,00 до 160,00 включ. |
220,00 |
Ключевые слова: точность отливок, допуски, припуски на механическую обработку