|
ФЕДЕРАЛЬНОЕ АГЕНТСТВО |
||
|
|
НАЦИОНАЛЬНЫЙ |
ГОСТ Р |
МАТЕРИАЛЫ И ПОКРЫТИЯ ПОЛИМЕРНЫЕ ЗАЩИТНЫЕ ДЕЗАКТИВИРУЕМЫЕ
Метод определения коэффициента дезактивации
|
|
Москва |
Цели и принципы стандартизации в Российской Федерации установлены Федеральным законом от 27 декабря 2002 г. № 184-ФЗ «О техническом регулировании», а правила применения национальных стандартов Российской Федерации - ГОСТ Р 1.0-2004 «Стандартизация в Российской Федерации. Основные положения»
Сведения о стандарте
1 РАЗРАБОТАН Обществом с ограниченной ответственностью «Фирма «РАДЕЗ-2»
2 ВНЕСЕН Техническим комитетом по стандартизации ТК 322 «Атомная техника»
3 УТВЕРЖДЕН И ВВЕДЕН В ДЕЙСТВИЕ Приказом Федерального агентства по техническому регулированию и метрологии от 28 июля 2009 г. № 264-ст
4 ВВЕДЕН ВПЕРВЫЕ
Информация об изменениях к настоящему стандарту публикуется в ежегодно издаваемом информационном указателе «Национальные стандарты», а текст изменений и поправок - в ежемесячно издаваемых информационных указателях «Национальные стандарты». В случае пересмотра (замены) или отмены настоящего стандарта соответствующее уведомление будет опубликовано в ежемесячно издаваемом информационном указателе «Национальные стандарты». Соответствующая информация, уведомление и тексты размещаются также в информационной системе общего пользования - на официальном сайте Федерального агентства по техническому регулированию и метрологии в сети Интернет
Содержание
|
5 Порядок подготовки к проведению измерений 6 Порядок проведения измерений 7 Правила обработки результатов измерений Приложение А (обязательное) Держатель образцов
|
НАЦИОНАЛЬНЫЙ СТАНДАРТ РОССИЙСКОЙ ФЕДЕРАЦИИ
МАТЕРИАЛЫ И ПОКРЫТИЯ ПОЛИМЕРНЫЕ ЗАЩИТНЫЕ ДЕЗАКТИВИРУЕМЫЕ
Метод определения коэффициента дезактивации
Decontaminable protective polymeric materials and coatings. Method of the decontamination coefficient determination
Дата введения - 2010-01-01
Настоящий стандарт распространяется на дезактивируемые защитные полимерные покрытия (далее - покрытия) и полимерные конструкционные материалы.
Настоящий стандарт устанавливает метод определения коэффициента дезактивации покрытий и полимерных конструкционных материалов, применяемых в условиях радиоактивного загрязнения альфа-, бета-излучающими нуклидами и обусловленного ими гамма-излучения, основанный на измерении уровней радиоактивного загрязнения образцов до и после дезактивации.
В настоящем стандарте использованы нормативные ссылки на следующие стандарты:
ГОСТ Р ИСО 651-94 Термометры палочные калориметрические
ГОСТ Р 51102-97 Покрытия полимерные защитные дезактивируемые. Общие технические требования
ГОСТ 12.1.004-91 Система стандартов безопасности труда. Пожарная безопасность. Общие требования
ГОСТ 12.3.008-75 Система стандартов безопасности труда. Производство покрытий металлических и неметаллических неорганических. Общие требования безопасности
ГОСТ 12.4.011-89 Система стандартов безопасности труда. Средства защиты работающих. Общие требования и классификация
ГОСТ 83-79 Реактивы. Натрий углекислый. Технические условия
ГОСТ 1770-74 Посуда мерная лабораторная стеклянная. Цилиндры, мензурки, колбы, пробирки. Общие технические условия
ГОСТ 4234-77 Реактивы. Калий хлористый. Технические условия
ГОСТ 4461-77 Реактивы. Кислота азотная. Технические условия
ГОСТ 5556-81 Вата медицинская гигроскопическая. Технические условия
ГОСТ 6507-90 Микрометры. Технические условия
ГОСТ 6709-72 Вода дистиллированная. Технические условия
ГОСТ 10007-80 Фторопласт-4. Технические условия
ГОСТ 12026-76 Бумага фильтровальная лабораторная. Технические условия
ГОСТ 19465-74 Покрытия полимерные защитные для улучшения радиационной обстановки. Термины и определения
ГОСТ 20286-90 Загрязнение радиоактивное и дезактивация. Термины и определения
ГОСТ 21241-89 Пинцеты медицинские. Общие технические требования и методы испытаний
ГОСТ 22180-76 Реактивы. Кислота щавелевая. Технические условия
ГОСТ 24104-2001 Весы лабораторные. Общие технические требования
ГОСТ 25146-82 Материалы радиохимических производств и атомных энергетических установок. Метод определения коэффициента дезактивации
ГОСТ 25336-82 Посуда и оборудование лабораторные стеклянные. Типы, основные параметры и размеры
ГОСТ 26412-85 Материалы защитные радиохимических производств и ядерных энергетических установок. Метод определения изолирующих свойств по отношению к загрязнению бета-радионуклидами
ГОСТ 29169-91 (ИСО 648-77) Посуда лабораторная стеклянная. Пипетки с одной отметкой
Примечание - При пользовании настоящим стандартом целесообразно проверить действия ссылочных стандартов в информационной системе общего пользования - на официальном сайте Федерального агентства по техническому регулированию и метрологии в сети Интернет или по ежегодно издаваемому информационному указателю «Национальные стандарты», который опубликован по состоянию на 1 января текущего года, и по соответствующим ежемесячно издаваемым информационным указателям, опубликованным в текущем году. Если ссылочный стандарт заменен (изменен), то при пользовании настоящим стандартом следует руководствоваться заменяющим (измененным) стандартом. Если ссылочный стандарт отменен без замены, то положение, в котором дана ссылка на него, применяется в части, не затрагивающей эту ссылку.
В настоящем стандарте применены термины по ГОСТ 19465 и ГОСТ 20286.
4.1 Для определения коэффициента дезактивации используют следующее оборудование:
- установку радиометрическую для регистрации бета-излучения - по ГОСТ 26412;
- установку радиометрическую со сцинтилляционным или полупроводниковым детектором для регистрации альфа-излучения.
Установка должна обеспечивать регистрацию альфа-излучения с плотностью потока от 2 до 2×104 альфа-част./(см2×мин), а также стабильности, при которой изменение средней скорости счета импульсов за 6 ч непрерывной работы будет находиться в пределах ±2 %. Проверка стабильности радиометрической установки - по ГОСТ 25146;
- комплект образцовых источников бета-излучения III разряда с радионуклидами стронций-90 + иттрий-90;
- комплект образцовых источников альфа-излучения III разряда с радионуклидом плутоний-239;
- термометр по ГОСТ Р ИСО 651;
- секундомер или секундомер-часы с ценой деления 0,2 с;
- микрометр МКО-25 по ГОСТ 6507;
- весы по ГОСТ 24104 4-го класса точности с погрешностью взвешивания ± 0,01 г;
- рН-метр с пределом допускаемой основной погрешности ± 0,05 %;
- пипетки с одной отметкой по ГОСТ 29169;
- посуду мерную лабораторную стеклянную по ГОСТ 1770;
- стаканы стеклянные лабораторные Н-2 - 800 ТС по ГОСТ 25336;
- банки стеклянные с притертой пробкой вместимостью 0,5 л;
- чашки типа ЧБН (Петри) по ГОСТ 25336;
- мешалку магнитную ММ-3М с частотой вращения магнитного ротора 1400 мин-1 и максимальным количеством перемешиваемой жидкости 1,5 л;
- пенал из органического стекла размерами 260´160´500 мм;
- пинцет медицинский по ГОСТ 21241-89;
- шкаф вытяжной с расчетной скоростью воздуха в открытом проеме 1,5 м/с;
- держатель образцов из фторопласта 4 - в соответствии с приложением А.
4.2 Все средства измерений должны пройти процедуру утверждения типа.
4.3 Для приготовления образцов и проведения их испытаний используют следующие материалы:
- бумагу фильтровальную по ГОСТ 12026;
- вату медицинскую по ГОСТ 5556;
- кислоту азотную, х. ч. по ГОСТ 4461;
- калий хлористый, х. ч. по ГОСТ 4234;
- натрий углекислый, х. ч. по ГОСТ 83;
- воду дистиллированную по ГОСТ 6709;
- препарат СФ-3 по [1];
- кислоту щавелевую, х. ч. по ГОСТ 22180;
- дезактивирующие рецептуры марок ДЕЗ-1, ДЕЗ-3 (концентраты) по [2];
- дезактивирующую водную рецептуру, содержащую 0,50 % (по массе) препарата СФ-3 и 0,50 % (по массе) щавелевой кислоты, или дезактивирующую водную рецептуру, содержащую 0,50 % (по массе) концентрата ДЕЗ-1 и 0,50 % (по массе) щавелевой кислоты, или дезактивирующую водную рецептуру, содержащую 1,00 % (по массе) концентрата ДЕЗ-3. Дезактивирующие водные рецептуры готовят в день проведения испытаний;
- загрязняющие радиоактивные растворы.
4.4 В качестве загрязняющих радиоактивных растворов применяют:
- раствор четырехвалентного азотнокислого плутония-239 в азотной кислоте молярной концентрации 1 моль/л; объемная активность раствора - (3,5 ± 0,5)×106 Бк/л;
- раствор хлорида цезия-137, содержащий 10-3 моль/л хлорида калия, с объемной активностью (2,0 ± 0,2)×107 Бк/л; рН раствора - от 5,5 до 6,0;
- раствор хлорида кобальта-60, содержащий 10-3 моль/л хлорида калия с объемной активностью (2,0 ± 0,2)×107 Бк/л; рН раствора - от 5,5 до 6,0;
- раствор хлорида церия-144 ® празеодима-144, содержащий 10-3 моль/л хлорида калия, с объемной активностью (2,0 ± 0,5)×107 Бк/л; рН раствора от 5,5 до 6,0;
- раствор хлорида стронция-90 ® иттрия-90, содержащий 10-3 моль/л хлорида калия, с объемной активностью (2,0 ± 0,5)×107 Бк/л; рН раствора от 5,5 до 6,0.
5.1 Подготовку радиометрической установки к измерениям необходимо проводить в соответствии с требованиями нормативных документов, утвержденных в установленном порядке.
5.2 Способ отбора образцов
5.2.1 Образцы покрытий представляют собой основания из металла, резины, пластмасс и других конструкционных материалов с нанесенным на них со всех сторон испытуемым покрытием.
5.2.1.1 Образцы покрытий должны иметь форму диска диаметром от (30 ± 0,5) мм до (35 ± 0,5) мм со скругленными кромками и толщину не более 5 мм.
5.2.1.2 Подготовку поверхностей основания образцов следует проводить в соответствии с требованиями нормативных документов на материал для получения покрытия.
5.2.1.3 Покрытия должны соответствовать требованиям 1.2-4.3 таблицы 1 и 1.2-4.2 таблицы 2 ГОСТ Р 51102.
5.2.2 Образцы полимерных конструкционных материалов представляют собой отливки или вырубки размерами по 5.2.1.1.
5.2.3 Толщина образцов покрытий и образцов полимерных конструкционных материалов для каждой серии измерений должна быть постоянной с погрешностью ± 10 мкм.
5.2.4 Число образцов каждого покрытия или полимерного конструкционного материала должно быть не менее шести.
5.2.5 Образцы покрытий представляют на испытание с сопроводительным документом, в котором должны быть указаны следующие данные:
- наименование материала основания;
- наименование, марка и обозначение нормативного документа на материал покрытия;
- дата изготовления образцов;
- условия изготовления (температура окружающей среды, относительная влажность воздуха) и время высыхания;
- толщина покрытия;
- условия (температура окружающей среды, относительная влажность воздуха) и продолжительность хранения образцов до начала испытаний.
5.3 Образцы полимерных конструкционных материалов представляют на испытания с сопроводительным документом, в котором должны быть указаны следующие данные:
- наименование материала;
- марка материала;
- обозначение нормативного документа;
- назначение;
- наименование и адрес предприятия-разработчика;
- наименование и адрес предприятия-изготовителя;
- дата изготовления;
- номер партии;
- штамп ОТК;
- гарантийный срок хранения.
5.4 Образцы покрытий и полимерных конструкционных материалов за 24 ч до начала испытаний с обеих сторон протирают ватными тампонами, смоченными в растворе, содержащем 0,2 моль/л карбоната натрия, ополаскивают в струе дистиллированной воды и сушат фильтровальной бумагой.
Образцы помещают в пенал из органического стекла, накрывают фильтровальной бумагой и переносят в вытяжной шкаф.
6.1 В центр каждого образца покрытия или материала, помещенного в вытяжной шкаф, наносят пипеткой 0,15 см3 загрязняющего радиоактивного раствора. Загрязняющий радиоактивный раствор должен находиться на поверхности образца в виде одной капли.
6.2 Образцы сушат в вытяжном шкафу при температуре (22 ± 2) °С в течение 18-20 ч.
6.3 Измеряют уровень начального радиоактивного загрязнения образцов в соответствии с ГОСТ 25146, одновременно фиксируя фоновый уровень загрязнения, регистрируемый установкой.
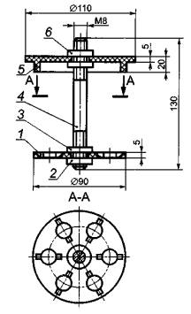
6.4 Образцы покрытий и полимерных конструкционных материалов вставляют в держатель образцов, изготовленный из фторопласта-4 по ГОСТ 10007 в соответствии с рисунком А.1 приложения А.
6.5 Держатель с образцами помещают в стеклянный стакан, в который наливают 0,24 дм3 дезактивирующей водной рецептуры температурой (22 ± 2) °С.
6.6 Дезактивацию образцов проводят путем перемешивания раствора с помощью магнитной мешалки интенсивностью 300 мин-1 в следующем порядке:
- обработка дезактивирующей водной рецептурой - 10 мин;
- обработка дистиллированной водой - 5 мин.
Температура и объем воды - по 6.5.
6.7 Образцы покрытий и полимерных конструкционных материалов после дезактивации промокают фильтровальной бумагой и выдерживают в вытяжном шкафу при температуре (22 ± 2) °С в течение 1 ч.
6.8 Измеряют уровень остаточного радиоактивного загрязнения образцов в соответствии с требованиями ГОСТ 25146, одновременно фиксируя фоновый уровень загрязнения, регистрируемый установкой.
6.9 Цикл загрязнение - дезактивация для покрытий и конструкционных материалов повторяют три раза.
7.1 Коэффициент дезактивации покрытий и полимерных конструкционных материалов определяется отношением уровней радиоактивного загрязнения образцов до и после дезактивации.
7.2 Требования к обработке и оформлению результатов - по ГОСТ 25146.
7.3 При фоновом уровне загрязнения образца после дезактивации за остаточное загрязнение принимают удвоенное значение среднеквадратического отклонения от начального уровня фона, регистрируемого радиометрической установкой.
7.4 Погрешность определения коэффициента дезактивации не должна превышать 30 % при доверительной вероятности Р = 0,95.
При невыполнении этого требования измерение необходимо повторить.
8.1 Работы по определению коэффициента дезактивации покрытий и полимерных конструкционных материалов необходимо проводить в помещениях, предназначенных для работ с открытыми источниками излучения, с соблюдением правил техники безопасности в соответствии с [3] и [4].
8.2 При работе с измерительной аппаратурой должны соблюдаться требования [5] и [6].
8.3 При работе с химическими реагентами необходимо соблюдать требования ГОСТ 12.3.008.
8.4 Требования пожарной безопасности - по ГОСТ 12.1.004.
8.5 Лица, связанные с испытанием образцов, должны быть обеспечены специальной одеждой и средствами индивидуальной защиты в соответствии с требованиями ГОСТ 12.4.011.

1 - кассета; 2,3,6 - специальная гайка; 4 - стержень;
5 – крышка
Рисунок А.1
[1] ТУ 6-01-1156-78 Препарат СФ-3
[2] ТУ 95 2809-2002 Дезактивирующие рецептуры марок ДЕЗ-1, ДЕЗ-2, ДЕЗ-4, ДЕЗ-5 (концентраты)
[3] СП 2.6.1.758-99 Нормы радиационной безопасности (НРБ-99)
[4] СП 2.6.1.799-99 Основные санитарные правила обеспечения радиационной безопасности (ОСПОРБ-99)
[5] Правила эксплуатации электроустановок потребителей, утвержденные начальником Главгосэнергонадзора России. 5-е издание, переработанное и дополненное (с изменениями). - М.: ЗАО «Энергосервис», 1997
[6] РД 153-34.0-03.150-2000 Межотраслевые правила по охране труда (правила безопасности) при эксплуатации электроустановок, утвержденные Министерством энергетики Российской Федерации (приказ от 27 декабря 2000 г. № 163) и Министерством труда и социального развития Российской Федерации (постановление от 5 января 2001 г. № 3) (ПОТ Р М-016-2001)
Ключевые слова: дезактивируемые защитные полимерные покрытия, полимерные конструкционные материалы, коэффициент дезактивации, метод определения