|
ФЕДЕРАЛЬНОЕ АГЕНТСТВО |
||
|
|
НАЦИОНАЛЬНЫЙ |
ГОСТ Р |
Электрическая энергия
Совместимость технических средств электромагнитная
КОНТРОЛЬ КАЧЕСТВА ЭЛЕКТРИЧЕСКОЙ ЭНЕРГИИ В СИСТЕМАХ
ЭЛЕКТРОСНАБЖЕНИЯ ОБЩЕГО НАЗНАЧЕНИЯ
|
|
Москва |
Предисловие
Цели и принципы стандартизации в Российской Федерации установлены Федеральным законом от 27 декабря 2002 г. № 184-ФЗ «О техническом регулировании», а правила применения национальных стандартов Российской Федерации - ГОСТ Р 1.0-2004 «Стандартизация в Российской Федерации. Основные положения»
Сведения о стандарте
1. РАЗРАБОТАН Обществом с ограниченной ответственностью «Научный центр «ЛИНВИТ»
2. ВНЕСЕН Техническим комитетом по стандартизации ТК 30 «Электромагнитная совместимость технических средств»
3. УТВЕРЖДЕН И ВВЕДЕН В ДЕЙСТВИЕ Приказом Федерального агентства по техническому регулированию и метрологии от 25 декабря 2008 г. № 787-ст
4. ВВЕДЕН ВПЕРВЫЕ
Информация об изменениях к настоящему стандарту публикуется в ежегодно издаваемом информационном указателе «Национальные стандарты», а текст изменений и поправок - в ежемесячно издаваемых информационных указателях «Национальные стандарты». В случае пересмотра (замены) или отмены настоящего стандарта соответствующее уведомление будет опубликовано в ежемесячно издаваемом информационном указателе «Национальные стандарты». Соответствующая информация, уведомления и тексты размещаются также в информационной системе общего пользования - на официальном сайте Федерального агентства по техническому регулированию и метрологии в сети Интернет
Содержание
НАЦИОНАЛЬНЫЙ СТАНДАРТ РОССИЙСКОЙ ФЕДЕРАЦИИ
|
Электрическая энергия Совместимость технических средств электромагнитная КОНТРОЛЬ КАЧЕСТВА ЭЛЕКТРИЧЕСКОЙ ЭНЕРГИИ В СИСТЕМАХ ЭЛЕКТРОСНАБЖЕНИЯ ОБЩЕГО НАЗНАЧЕНИЯ Electric energy. Electromagnetic compatibility of technical
equipment. |
Дата введения - 2009-07-01
Настоящий стандарт устанавливает основные положения по организации и проведению контроля качества электрической энергии (КЭ) в соответствии с требованиями ГОСТ 13109 в системах электроснабжения общего назначения однофазного и трехфазного переменного тока частотой 50 Гц и правила оценки соответствия установленным нормам следующих показателей качества электрической энергии (ПКЭ):
- установившееся отклонение напряжения;
- коэффициент искажения синусоидальности кривой напряжения;
- коэффициент п-й гармонической составляющей напряжения;
- коэффициент несимметрии напряжений по обратной последовательности;
- коэффициент несимметрии напряжений по нулевой последовательности;
- отклонение частоты;
- колебания напряжения;
- длительность провала напряжения.
Настоящий стандарт предназначен для применения при организации и проведении следующих видов КЭ:
- периодический контроль КЭ;
- контроль КЭ при определении технических условий (ТУ) для технологического присоединения;
- контроль КЭ при определении условий договора на оказание услуг по передаче электрической энергии;
- контроль КЭ при допуске к эксплуатации энергопринимающих устройств потребителей, ухудшающих КЭ;
- контроль КЭ при рассмотрении претензий к качеству электрической энергии.
Настоящий стандарт применяется также при проведении сертификационных и арбитражных испытаний электрической энергии, инспекционного контроля за сертифицированной электрической энергией, а также при осуществлении государственного надзора за качеством электрической энергии.
В настоящем стандарте использованы нормативные ссылки на следующие стандарты:
ГОСТ Р ИСО/МЭК 17025-2006 Общие требования к компетентности испытательных и калибровочных лабораторий
ГОСТ Р 52002-2003 Электротехника. Термины и определения основных понятий
ГОСТ 12.1.004-91 Система стандартов безопасности труда. Пожарная безопасность. Общие требования
ГОСТ 12.2.007.0-75 Система стандартов безопасности труда. Изделия электротехнические. Общие требования безопасности
ГОСТ 12.2.007.2-75 Система стандартов безопасности труда. Трансформаторы силовые и реакторы электрические. Требования безопасности
ГОСТ 12.2.007.3-75 Система стандартов безопасности труда. Электротехнические устройства на напряжение свыше 1000 В. Требования безопасности
ГОСТ 12.2.007.4-75 Система стандартов безопасности труда. Шкафы комплектных распределительных устройств и комплектных трансформаторных подстанций, камеры сборные одностороннего обслуживания, ячейки герметизированных электрогазовых распределительных устройств
ГОСТ 12.3.019-80 Система стандартов безопасности труда. Испытания и измерения электрические. Общие требования безопасности
ГОСТ 1983-2001 Трансформаторы напряжения. Общие технические условия
ГОСТ 13109-97 Электрическая энергия. Совместимость технических средств электромагнитная. Нормы качества электрической энергии в системах электроснабжения общего назначения
ГОСТ Р 51350-99 (МЭК 10-1-90) Безопасность электрических контрольно-измерительных приборов и лабораторного оборудования. Часть 1. Общие требования
Примечание - При пользовании настоящим стандартом целесообразно проверить действие ссылочных стандартов в информационной системе общего пользования - на официальном сайте Федерального агентства по техническому регулированию и метрологии в сети Интернет или по ежегодно издаваемому информационному указателю «Национальные стандарты», который опубликован по состоянию на 1 января текущего года, и по соответствующим ежемесячно издаваемым информационным указателям, опубликованным в текущем году. Если ссылочный стандарт заменен (изменен), то при пользовании настоящим стандартом следует руководствоваться заменяющим (измененным) стандартом. Если ссылочный стандарт отменен без замены, то положение, в котором дана ссылка на него, применяется в части, не затрагивающей эту ссылку.
В настоящем стандарте применены термины по ГОСТ Р 52002, ГОСТ 13109, а также следующие термины с соответствующими определениями:
3.1. установленные требования: Требования, установленные в технических регламентах, стандартах, договорах, заключаемых субъектами оптового и розничного рынков электроэнергии, а также в иных документах.
3.2. технические условия для технологического присоединения энергопринимающих устройств к электрической сети: Документ, устанавливающий объем технических мероприятий, выполнение которых обеспечит технологическую возможность присоединения энергопринимающих устройств потребителей к электрической сети энергокомпании.
3.3. контроль качества электрической энергии: Проверка соответствия значений показателей качества электрической энергии (ПКЭ) установленным требованиям.
3.4. периодический контроль качества электрической энергии: Контроль КЭ, осуществляемый в целях управления качеством электрической энергии, при котором периодичность поступления информации о ПКЭ и их оценки, определяемая организацией, осуществляющей контроль КЭ, должна соответствовать периодичности, установленной ГОСТ 13109.
3.5. контроль КЭ при определении технических условий для технологического присоединения: Контроль, осуществляемый с целью установления и проверки выполнения требований к техническим условиям на присоединение энергопринимающих устройств потребителей к электрической сети в части КЭ.
3.6. контроль КЭ при определении условий договора на оказание услуг по передаче электрической энергии: Контроль, осуществляемый с целью проверки соответствия значений ПКЭ требованиям, установленным в договоре между сетевой и энергоснабжающей (сбытовой) организацией или между двумя сетевыми организациями для согласованных пунктов контроля.
3.7. контроль КЭ при допуске к эксплуатации энергопринимающих устройств (электроустановок) потребителей, ухудшающих КЭ: Контроль, осуществляемый с целью проверки выполнения требований к допустимому вкладу электроустановок потребителя в ухудшение КЭ в точке присоединения.
3.8. контроль КЭ при рассмотрении претензий к качеству электрической энергии: Контроль, осуществляемый при рассмотрении претензий сетевой организации к потребителю электрической энергии или потребителя к сетевой организации при ухудшении КЭ, с целью проверки соответствия КЭ установленным требованиям для данных пунктов электрической сети и выявления стороны, виновной в ухудшении КЭ.
3.9. внеочередной контроль качества электрической энергии: Контроль, при котором поступление информации о КЭ осуществляется по мере необходимости. К внеочередному контролю относят контроль, осуществляемый в целях определения технических условий для присоединения электроустановок или требований к КЭ в договоре на оказание услуг по передаче электроэнергии, контроль при допуске к эксплуатации электроустановок потребителей, ухудшающих КЭ, контроль при разработке мероприятий по улучшению качества электрической энергии и др.
3.10. непрерывный контроль качества электрической энергии: Контроль КЭ, непрерывно осуществляемый в целях наблюдения, анализа и управления качеством электрической энергии с помощью стационарных средств измерения ПКЭ, работающих автономно, или автоматизированных информационно-измерительных систем.
3.11. распределительная электрическая сеть: Электрическая сеть, присоединенная к центру питания (ЦП), обеспечивающая распределение электрической энергии между потребителями электрической энергии.
3.12. точка общего присоединения, ТОП: Электрически ближайшая к рассматриваемому потребителю электрической энергии точка электрической сети, к которой присоединены или могут быть присоединены другие потребители электрической энергии.
3.13. пункт контроля качества электрической энергии, ПК КЭ: Пункт сети, в котором выполняют измерения ПКЭ при контроле КЭ и испытаниях электрической энергии.
Примечание - В качестве ПК КЭ могут быть использованы ТОП, граница раздела балансовой принадлежности, выводы электропитания ЭП, а также другие точки сети, в том числе выбранные по согласованию между сетевой организацией и потребителем.
3.14. сетевая организация: Энергокомпания, владеющая на праве собственности или ином основании, установленном федеральными законами, объектами электросетевого хозяйства, с использованием которых оказывает услуги по передаче электрической энергии и осуществляет в установленном порядке технологическое присоединение энергопринимающих устройств (электроустановок) юридических и физических лиц к электрическим сетям.
3.15. точка коммерческого контроля качества электрической энергии, ТКЭ: ТОП, граница раздела балансовой принадлежности или другая точка электрической сети, выбранная по согласованию между энергокомпанией и потребителем в качестве точки сети, в которой при наличии претензий какой-либо из сторон договора будет проведена проверка соблюдения установленных требований к КЭ.
3.16. центр питания, ЦП: Распределительное устройство генераторного напряжения электростанции или распределительное устройство вторичного напряжения (6000 В и более) трансформаторной подстанции1) энергокомпании, к которому присоединены сети данного района (региона) по месторасположению обследуемых потребителей.
Примечания
1. ЦП и присоединенная к нему сеть могут принадлежать разным сетевым организациям.
2. Две секции сборных шин одного распределительного устройства, получающие питание от разных трансформаторов, рассматриваются как разные ЦП.
3. При разнородном характере нагрузок на секциях шин трехобмоточного трансформатора (или трансформатора с расщепленной вторичной обмоткой) и необходимости обеспечения на этих секциях разных законов регулирования напряжения эти секции рассматривают как разные ЦП.
3.17. наибольшее (наименьшее) значение показателя качества электрической энергии: Наибольшее (наименьшее) значение из всех измеренных в течение 24 ч значений ПКЭ.
3.18. верхнее (нижнее) значение показателя качества электрической энергии: Значение верхней (нижней) границы диапазона, которому принадлежат 95 % измеренных в течение 24 ч значений контролируемого ПКЭ.
1) Как правило, трансформаторные подстанции 35-110/6-10 кВ.
4.1. Сокращения
В настоящем стандарте приняты следующие сокращения:
ВРУ - вводно-распределительное устройство;
ПК - пункт контроля;
НД - нормативный документ;
ПБВ - переключение без возбуждения;
ПС - подстанция 35-220/6-10 кВ;
РП - распределительная подстанция;
ТН - измерительный трансформатор напряжения;
ТП - трансформаторная подстанция 6-10/0,4 кВ;
РПН - регулирование под нагрузкой;
РЭ - руководство по эксплуатации;
СИ - средство измерений;
ЭП - электроприемник;
ЭЭ - электрическая энергия.
4.2. Обозначения
В настоящем стандарте приняты следующие обозначения:
δUy - установившееся отклонение напряжения, %;
КU - коэффициент искажения синусоидальности кривой напряжения, %;
КU(n) - коэффициент n-й гармонической составляющей напряжения, %;
К2U - коэффициент несимметрии напряжений по обратной последовательности, %;
К0U - коэффициент несимметрии напряжений по нулевой последовательности, %;
Δf - отклонение частоты, Гц;
Δtп - длительность провала напряжения, с;
п - номер гармонической составляющей напряжения (гармоники);
Т - интервал времени измерения, ч;
δUпред.в, δUпред.н - предельно допускаемые верхнее и нижнее значения δUy (границы диапазона, в котором с вероятностью 100 % должно быть поддержано δUy в ПК), %;
δUнорм.в, δUнорм.н - нормально допускаемые верхнее и нижнее значения δUy (границы диапазона, в котором с вероятностью 95 % должно быть поддержано δUy в ПК), %.
5.1. Пункты контроля качества электрической энергии в электрических сетях сетевой организации
5.1.1. Пункты входного контроля качества электрической энергии
В качестве данных ПК выбирают границы раздела балансовой принадлежности двух сетевых организаций или иные пункты, связывающие сети этих организаций и позволяющие выполнять измерения значений ПКЭ. Выбранные ПК указывают в договоре на оказание услуг по передаче электрической энергии.
5.1.2. Пункты контроля качества электрической энергии, передаваемой потребителям
5.1.3. Пункты контроля установившегося отклонения напряжения
Нормы ГОСТ 13109, подраздел 5.2, к допустимым значениям установившегося отклонения напряжения δUy установлены на выводах ЭП. В других точках сети (ТОП, ТКЭ, ТП) нормально допускаемые и предельно допускаемые значения δUy должны быть установлены в договорах на передачу электрической энергии с учетом необходимости выполнения требований ГОСТ 13109 на выводах ЭП (см. приложение А).
При невозможности организации и обеспечения одновременного контроля КЭ (периодического или непрерывного) у всех потребителей, энергопринимающие устройства которых присоединены к данной электрической сети, в качестве ПК выбирают характерные точки в сети в соответствии с 5.1.3.1 - 5.1.3.4.
5.1.3.1. Группируют распределительные линии, отходящие от ЦП, по доминирующему (если это возможно) характеру графиков нагрузки (линии с промышленной нагрузкой, линии с нагрузкой общественных, научных, коммерческих учреждений, жилых зданий и др.).
5.1.3.2. Выбирают в каждой из групп распределительных линий следующие ПК:
- ТКЭ с потребителями, соответствующие точкам сети, потери напряжения от ЦП до которых являются минимальными и максимальными в рассматриваемой группе распределительных линий в режимах наименьших и наибольших нагрузок ЦП;
- ТКЭ с потребителями, графики нагрузок которых резко отличаются от графика нагрузки ЦП;
- шины 0,4 кВ ТП 6 - 35/0,4 кВ, от которых осуществляют электроснабжение бытовых потребителей, потери напряжения от ЦП до ЭП которых являются минимальными и максимальными в рассматриваемой группе распределительных линий в режимах наибольших и наименьших нагрузок ЦП, или ВРУ к этим бытовым потребителям, или выводы ЭП.
5.1.3.3. Если на ПС 35-110/6-10 кВ установлен трансформатор, осуществляющий один и тот же способ регулирования напряжения для нескольких секций шин (трехобмоточный трансформатор, трансформатор с расщепленными обмотками), то ПК выбирают в объединенной сети, присоединенной ко всем секциям (системам) шин вторичного напряжения данного трансформатора, в соответствии с положениями 5.1.3.2.
В качестве ПК в ЦП рекомендуется выбрать секцию (систему) шин, с учетом характера изменения нагрузки которой осуществляют централизованное регулирование напряжения в объединенной сети.
5.1.3.4. При выборе ПК для измерений значений δUy, используют:
- расчеты с учетом прогнозируемого роста нагрузок или измерения потерь напряжения в сетях напряжением 6-35 кВ и 0,4 кВ в режимах наибольших и наименьших нагрузок ЦП;
- сведения о загрузке распределительных трансформаторов в ТП и данные о регулировочных ответвлениях, установленных на этих трансформаторах;
- результаты измерений значений силы тока в распределительных линиях и напряжения на шинах 0,4 кВ ТП и др.
5.1.4. Пункты контроля коэффициента искажения синусоидальности кривой напряжения и коэффициента несимметрии напряжений по обратной последовательности
В качестве ПК для измерений значений КU и К2U выбирают ТОП (ТКЭ) с потребителями, являющимися источниками ухудшения КЭ (далее - искажающие потребители).
Дополнительно рассматривают целесообразность контроля КЭ в ближайших ТОП (ТКЭ), к которым присоединены восприимчивые к помехам энергопринимающие устройства потребителей, а также точки сети с установленными статическими компенсирующими устройствами.
5.1.5. Пункты контроля коэффициента несимметрии напряжений по нулевой последовательности
В качестве ПК для измерений значений К0U выбирают шины 0,4 кВ ТП 6 - 35/0,4 кВ.
В качестве ПК могут быть выбраны шины трехфазного ВРУ жилого здания.
Выбор конкретных ПК осуществляют с учетом результатов измерений токов в линиях 0,4 кВ и напряжений на шинах 0,4 кВ ТП, проводимых сетевой организацией два раза в год в период наибольших и наименьших годовых нагрузок. При этом в первую очередь выбирают точки сети, в которых была зарегистрирована наибольшая несимметрии фазных токов и напряжений.
5.1.6. Пункты контроля отклонения частоты и длительности провала напряжения
В качестве ПК для измерений отклонения частоты Δf и длительности провала напряжения Δfп выбирают любой удобный для контроля пункт сети, в том числе любые ТКЭ.
5.1.7. Пункты контроля колебаний напряжения
В качестве ПК для контроля соответствия колебаний напряжения требованиям ГОСТ 13109 выбирают ТОП искажающих и неискажающих потребителей электроэнергии (шины 6-35 кВ ПС, РП или шины 0,4 кВ ТП).
Рекомендации по выбору ПК, изложенные в данном разделе, используются при проведении периодического контроля и непрерывного контроля с помощью автономных стационарных СИ, сертификационных испытаний электрической энергии и инспекционного контроля за сертифицированной продукцией.
5.2. Пункты контроля качества электрической энергии для проведения контроля при рассмотрении претензий к КЭ
В качестве ПК выбирают ТКЭ с потребителем, заявившим претензию.
При необходимости дополнительно могут быть выбраны другие ПК, результаты измерений в которых позволяют установить обоснованность претензий, предъявляемых к КЭ участвующими в споре сторонами, например ближайшая к рассматриваемому потребителю ТОП, если последняя не является ТКЭ с этим потребителем, точка в системе электроснабжения потребителя, приближенная к источнику ухудшения КЭ, точка сети более высокого класса напряжения, электрически ближайшая к ТОП с рассматриваемым потребителем.
5.3. Пункты контроля качества электрической энергии для проведения внеочередного контроля
В качестве ПК для измерений тех ПКЭ, по которым ЭП потребителя ухудшают КЭ, выбирают ТОП с данным потребителем. Дополнительно в качестве ПК при допуске к эксплуатации ЭП потребителя, ухудшающего КЭ, может быть выбрана точка в системе электроснабжения потребителя, приближенная к этому ЭП.
В других случаях (например, по заявлению потребителя) ПК выбирают по согласованию между сетевой организацией и потребителем.
5.4. Пункты контроля качества электрической энергии в электрических сетях потребителя
5.4.1. Пункты контроля качества закупаемой/передаваемой электрической энергии
В качестве ПК выбирают ТКЭ, если она расположена в сети потребителя, пункт на границе раздела балансовой принадлежности или иной пункт, ближайший к границе раздела, в котором могут быть проведены измерения значений ПКЭ.
5.4.2. Пункты контроля установившегося отклонения напряжения
В качестве ПК для измерений значений δUy (дополнительно к ПК качества закупаемой/передаваемой ЭЭ по 5.4.1) выбирают выводы характерных ЭП потребителя: ближайшего к границе раздела и наиболее удаленного от нее, а также выводы ЭП, характер нагрузки которых резко отличается от графиков нагрузки ЦП в интервалах времени наибольших и наименьших нагрузок, сообщаемых потребителю сетевой организацией.
При выборе характерных ЭП потребителя рекомендуется использовать данные, полученные при расчетах и измерениях в соответствии с 5.1.3.4.
5.4.3. Пункты контроля коэффициента искажения синусоидальности кривой напряжения и коэффициента несимметрии напряжений по обратной последовательности
В качестве ПК для измерений значений КU и К2U (дополнительно к ПК входной ЭЭ согласно 5.4.1) выбирают ТОП, к которым присоединены нелинейные и несимметричные ЭП.
5.4.4. Пункты контроля коэффициента несимметрии напряжений по нулевой последовательности
В качестве ПК для измерений значений К0U выбирают шины 0,4 кВ ТП, к которым присоединены трехфазные нагрузки или одновременно трех- и однофазные нагрузки.
5.4.5. Пункты контроля характеристик колебаний напряжения выбираются согласно 5.1.7.
5.5. Пункты контроля при проведении государственного надзора за КЭ
Органы государственного контроля (надзора) выбирают ПК по своему усмотрению.
6.1. Сетевая организация должна проводить периодический контроль качества передаваемой ЭЭ, если не организован непрерывный контроль КЭ. Потребитель обязан проводить периодический контроль КЭ не реже, чем это установлено в правилах технической эксплуатации электроустановок потребителей [1].
6.2. При проведении периодического контроля КЭ общая продолжительность непрерывных измерений значений ПКЭ в соответствии с ГОСТ 13109 должна быть 7 сут.
Допускается уменьшение общей продолжительности контроля КЭ, если в недельном цикле достоверно определены 1 сут. (несколько суток), результаты измерений значений ПКЭ за которые являются репрезентативными для недельного цикла. При этом продолжительность непрерывных измерений каждого ПКЭ (за исключением длительности провала Δtп) должна быть не менее 24 ч.
Интервал между очередными измерениями значений ПКЭ при периодическом контроле КЭ, устанавливаемый сетевой организацией, должен составлять:
- для δUy - не более половины года в зависимости от сезонного изменения нагрузок в сети ЦП, а при наличии автоматического встречного регулирования напряжения - не более одного года. При незначительной динамике максимальной нагрузки ЦП (не более 10 % за год) и при отсутствии существенных изменений в электрической схеме сети и ее элементах в процессе эксплуатации допускается увеличивать интервал времени между двумя контрольными проверками δUy (но не более двух лет);
- для остальных ПКЭ (за исключением Δf и Δtп) - не более двух лет при отсутствии изменений электрической схемы сети и ее элементов в процессе эксплуатации и незначительных изменениях нагрузки потребителя, ухудшающего КЭ.
Периодический контроль КЭ по отклонению Δf при отсутствии организованного в сетевой организации непрерывного контроля этого ПКЭ проводят не реже двух раз в год в режимах наибольших и наименьших годовых нагрузок. Интервал между контрольными проверками допускается увеличивать, но он должен составлять не более двух лет.
Если ЦП и распределительная сеть принадлежат разным сетевым компаниям, то сроки проведения периодического контроля КЭ в этих организациях согласовывают.
6.4. Продолжительность непрерывного контроля КЭ при разработке ТУ на технологическое присоединение энергопринимающих устройств и определении условий договора на оказание услуг по передаче ЭЭ должна быть не менее 24 ч. Ее устанавливает сетевая организация так, чтобы были включены характерные суточные изменения ПКЭ в недельном цикле.
При допуске в эксплуатацию ЭП потребителей, являющихся источниками ухудшения КЭ в ТОП, контроль ПКЭ следует проводить до и после подключения этих ЭП. Общую продолжительность измерений значений ПКЭ до и после подключения устанавливает сетевая организация с учетом характерных суточных изменений ПКЭ в недельном цикле, но не менее 2 сут.
6.5. При существенных изменениях в электрической схеме сети и ее элементах в процессе эксплуатации сетевой организации и потребителям электроэнергии следует провести не позднее месячного срока внеочередной контроль ПКЭ продолжительностью измерений не менее 7 сут.
6.6. При проведении арбитражных и сертификационных испытаний ЭЭ, а также испытаний при инспекционном контроле сертифицированной ЭЭ продолжительность непрерывных измерений значений ПКЭ должна составлять не менее 7 сут.
Соответствие КЭ установленным требованиям проверяют по результатам контроля за каждые 24 ч в отдельности. При этом общее время перерывов в измерениях ПКЭ 1 сут, включая длительность провалов и перенапряжений, не должно превышать 5 мин.
6.8. Общая продолжительность непрерывных измерений ПКЭ при рассмотрении претензий к КЭ устанавливается соглашением между сетевой организацией и потребителями, но должна быть не менее 1 сут.
7.1. Пределы допускаемых погрешностей измерений значений ПКЭ должны соответствовать ГОСТ 13109, подразделы 7.1 и 7.2, при интервалах усреднения результатов измерений согласно подразделу 8.1.
7.2. При выполнении измерений ПКЭ применяют СИ, реализующие алгоритмы обработки результатов измерений в соответствии с ГОСТ 13109, имеющие сертификат утверждения типа и свидетельство о поверке.
7.3. Средства измерения, используемые в автоматизированных системах непрерывного контроля КЭ, должны обеспечивать непрерывное накопление информации о текущих значениях измеряемых величин, сжатие ее в соответствии с ГОСТ 13109 и передачу на сервер по соответствующим каналам связи, имея высокоскоростные интерфейсы передачи данных (RS-232, RS-485, Ethernet, GSM и т.п.).
7.4. При проведении контроля КЭ в сетях с номинальным напряжением свыше 1000 В применяют измерительные делители напряжения или ТН. При этом мощность нагрузки вторичных цепей измерительных ТН с учетом входных сопротивлений используемых СИ должна находиться согласно ГОСТ 1983 в допустимых пределах от 25 % до 100 % по отношению к номинальной мощности нагрузки, установленной для класса точности данного ТН.
8.1. При определении ПКЭ в трех- и однофазных сетях измеряют фазные напряжения. В трехпроводных сетях с изолированной нейтралью при наличии однофазных заземляемых или трехфазных заземляемых трансформаторов измеряют напряжения между фазой и землей.
8.2. При отсутствии в сетях с изолированной нейтралью однофазных заземляемых или трехфазных заземляемых трансформаторов допускается измерять междуфазные напряжения.
9.1. При проведении контроля КЭ должны быть соблюдены требования безопасности в соответствии с ГОСТ 12.3.019, ГОСТ 12.2.007.0, ГОСТ 12.2.007.2, ГОСТ 12.2.007.3, ГОСТ 12.2.007.4, [1]-[3].
9.2. Помещения, используемые при контроле КЭ, должны соответствовать требованиям пожарной безопасности по ГОСТ 12.1.004.
9.3. СИ, используемые при определении значений ПКЭ, должны соответствовать требованиям безопасности по ГОСТ Р 51350.
10.1. К испытаниям ЭЭ допускают лиц, имеющих квалификацию не ниже 3-й группы (в обоснованных случаях 4-й группы) по электробезопасности. Эти лица должны быть подготовлены в установленном порядке к проведению испытаний ЭЭ с целью контроля КЭ.
10.2. Анализ результатов испытаний и оформление протоколов могут проводить лица со средним специальным или высшим образованием.
11.1. Испытания электрической энергии с целью контроля КЭ проводят в любых режимах работы электрической сети, кроме аварийного режима.
11.2. При проведении испытаний ЭЭ для измерения ПКЭ в ПК обеспечивают выполнение условий эксплуатации СИ.
11.3. Организации, проводящие испытания электрической энергии, должны соответствовать требованиям ГОСТ Р ИСО/МЭК 17025.
12.1. Перед проведением испытаний в электрических сетях напряжением свыше 1000 В следует:
- определить тип измерительного ТН в ПК, номинальные напряжения и схему соединений вторичных обмоток ТН, класс точности, наличие действующего свидетельства о поверке или поверительного клейма, схему соединений нагрузок вторичных обмоток измерительного ТН;
- определить мощность нагрузки и коэффициент мощности вторичных цепей ТН в соответствии с методикой выполнения измерений мощности нагрузки вторичных цепей ТН или параметров вторичных цепей ТН, аттестованной в установленном порядке. Методика определения мощности нагрузки и коэффициента мощности вторичных цепей трансформатора напряжения в условиях эксплуатации приведена в приложении Б. Мощность нагрузки должна соответствовать рекомендованным условиям применения измерительных ТН. В противном случае проводят мероприятия, обеспечивающие их выполнение (догрузка вторичных цепей, использование дополнительных измерительных ТН и др.).
12.2. Перед началом испытаний следует:
- измерить температуру, влажность и давление в ПК, а также напряжение и частоту питания для контроля и обеспечения условий применения СИ в соответствии с РЭ применяемых СИ;
- установить СИ, заземлить их и подготовить к работе в соответствии с РЭ, включая прогрев, корректировку текущего времени и даты, введение необходимых уставок. В качестве соединительных проводов между СИ и сетью следует использовать соединительные кабели, входящие в комплект СИ;
- принять меры для исключения влияния помех на измерительные цепи СИ. Напряжение помехи оценивают следующим образом. Один из входных зажимов кабеля, соответствующий каналу измерений, по которому осуществляют синхронизацию СИ (как правило, каналу измерений напряжения фазы А), подключают к контролируемой цепи, остальные зажимы присоединяют к клемме заземления объекта (ТН или клеммное устройство, к которому подключают СИ). Действующее значение напряжения помехи на заземленных каналах измерений фазного (междуфазного) напряжения не должно превышать 0,1 % номинального значения измеряемого напряжения;
- определить соответствие маркировки фаз измеряемой трехфазной сети правильному чередованию фаз с помощью фазоуказателя или применяемого средства измерения ПКЭ. Следование фаз входных сигналов должно совпадать с маркировкой соответствующих измерительных каналов напряжения прибора;
- убедиться в работоспособности собранной схемы, проконтролировав текущие значения ПКЭ.
13.1. Условия испытаний ЭЭ в ПК контролируют не менее одного раза в сутки.
13.2. ПКЭ измеряют в соответствии с РЭ применяемых СИ и с учетом требований ГОСТ 13109, приложение Б.
13.3. Продолжительность и периодичность испытаний устанавливают в соответствии с разделом 6.
13.4. Перед окончанием испытаний проверяют выполнение требования 6.7 по суммарному перерыву в измерениях ПКЭ и в случае невыполнения этого требования испытания повторяют.
Для оценки соответствия ПКЭ установленным требованиям СИ должны обеспечивать обработку результатов испытаний с учетом требований ГОСТ 13109, раздел 6, с выявлением за каждые 24 ч наибольших значений ПКЭ: КU, КU(n), К2U, К0U и наибольших и наименьших, а также верхних и нижних значений ПКЭ: δUy, Δf.
15.1. Протокол испытаний
15.1.1. Результаты испытаний оформляют протоколом испытаний электрической энергии (далее - протокол).
Рекомендуемая форма протокола приведена в приложении В.
15.1.2. В приложениях к протоколу приводят результаты измерений мощности нагрузки ТН, а также результаты измерений ПКЭ в ПК за каждые 24 ч, описание мер по поддержанию требуемых условий измерений, а также дополнительные сведения, необходимость представления которых определяют организация, выполняющая измерения, и (или) заказчик, например суточные графики изменения ПКЭ в ПК.
15.1.3. Результаты измерений δUy в ПК должны быть представлены в виде:
- наибольшего и наименьшего значений (с учетом знака) δUy отдельно в режимах наибольших и наименьших нагрузок ЦП за каждые 24 ч общего времени непрерывных измерений;
- верхнего и нижнего значений (с учетом знака) δUy отдельно в режимах наибольших и наименьших нагрузок ЦП.
Примечание - Верхнее и нижнее значения δUy являются границами диапазона, к которому относятся 95 % значений, измеренных за 24 ч, охватывающих режимы наибольших и наименьших нагрузок ЦП.
15.1.4. По согласованию между сетевой организацией и потребителем допускается результаты измерений δUy представлять в виде:
- наибольшего и наименьшего значений (с учетом знака) за каждые 24 ч общего времени измерений;
- верхнего и нижнего значений (с учетом знака) за каждые 24 ч общего времени измерений.
15.1.5. Результаты измерений КU, КU(n), К2U, К0U должны быть представлены в виде:
наибольшего значения контролируемого ПКЭ за каждые 24 ч общего времени измерений;
верхнего значения контролируемого ПКЭ за каждые 24 ч общего времени измерений.
Примечание - Верхнее значение контролируемого ПКЭ является границей, ниже которой находятся 95 % измеренных за 24 ч значений.
15.1.6. Результаты измерений Δf должны быть представлены в виде:
- наибольшего и наименьшего значений (с учетом знака) за каждые 24 ч общего времени измерений;
- верхнего и нижнего значений (с учетом знака) за каждые 24 ч общего времени измерений.
15.1.7. Форма представления результатов измерений ПКЭ по 15.1.3 - 15.1.6 является обязательной при всех видах испытаний КЭ в сферах, подлежащих государственному контролю (надзору).
А.1. В соответствии с ГОСТ 13109 нормы КЭ по δUy устанавливают для выводов ЭП, в остальных точках распределительной электрической сети (далее - сеть) значения δUy должны обеспечивать выполнение норм КЭ по ГОСТ 13109 на выводах ЭП.
А.2. В зависимости от ПК, порядок выбора которых установлен в разделе 6, количественные значения норм δUy в общем случае могут быть различными, и их следует устанавливать в договорах энергоснабжения с учетом необходимости выполнения требований ГОСТ 13109.
А.3. В договорах на оказание услуг по передаче электрической энергии допускаемые значения в ТОП (ТКЭ) устанавливают в виде диапазонов, фиксируемых отдельно:
а) для режимов наибольших нагрузок ЦП:
- предельно
допускаемые наибольшее и наименьшее значения δUy;
- нормально допускаемые верхнее и нижнее значения δUy;
б) для режимов наименьших нагрузок ЦП:
- предельно
допускаемые наибольшее и наименьшее значения δUy;
- нормально
допускаемые верхнее и нижнее значения δUy.
А.4. Если в ЦП осуществляют встречное регулирование напряжения, допускается по согласованию с потребителем определять значения δUy без деления на режимы наибольших и наименьших нагрузок.
В этом случае все измеренные в течение каждых суток периода наблюдений значения должны находиться в диапазоне δUпред.в... δUпред.н, а 95 % измеренных значений - в диапазоне δUнорм.в... δUнорм.н, определяемых по формулам:
; (А.1)
; (А.2)
; (А.3)
. (A.4)
А.5. Интервалы времени наибольших и наименьших нагрузок ЦП определяют следующим образом:
- выбирают типовой для данной сети суточный график нагрузки ЦП, к которому присоединена сеть, для зимнего и летнего периодов (см. рисунок А.1);
- на временном отрезке, равном 24 ч, определяют среднее значение мощности суточной нагрузки Sср;
- определяют интервал наибольшей нагрузки t2...t3, в течение которого действительная суточная мощность нагрузки S больше ее среднего значения Scp;
- определяют интервалы наименьшей нагрузки t1...t2 и t3...t4, в течение которых действительная суточная мощность нагрузки S меньше ее среднего значения Sср.

Рисунок А.1 - Пример типового суточного графика нагрузки центра питания
А.6 При определении δUy в качестве ПК могут быть выбраны:
- выводы ЭП;
- ВРУ 220-380 В;
- шины 0,4 кВ ТП;
- шины 6-10 Кв ТП;
- шины 6-10 кВ РП;
- шины 6-10 кВ ПС, являющиеся ЦП;
- шины 35-220 кВ ПС.
Нормально и предельно допускаемые значения δUy в перечисленных ПК определяют по формулам, приведенным в таблице А.1, по результатам расчетов потерь напряжения по всем присоединениям (фидерам) сети к ЦП, пример которой приведен на рисунке А.2.

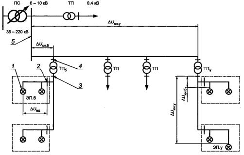
1 - вывод ЭП; 2 - вводно-распределительное устройство (ВРУ); 3 - шины 0,4 кВ ТП; 4 - шины 6-10 кВ ТП; 5 - шины 6-10 кВ ПС; ΔUсн.б (ΔUсн.у)- потери напряжения в сети среднего напряжения от ЦП до ближайшей (наиболее удаленной) ТП; ΔUнн. б (ΔUнн. у) - потери напряжения в сети низкого напряжения от ТП до ближайшего (наиболее удаленного) ЭП; ΔUвд - потери напряжения во внутридомовой сети; ТПб (ТПУ) - ближайшая к ЦП (наиболее удаленная) ТП; ЭП.б (ЭП. у) - ближайший (наиболее удаленный) электроприемник, потери напряжения до которого от ПК наименьшие (наибольшие)
Рисунок А.2 - Схема распределительной электрической сети
Таблица А.1 - Формулы для определения границ диапазона нормально допускаемых значений установившегося отклонения напряжения в ПК
|
ПК, его номер в схеме на рисунке А.2, обозначение установившегося отклонения напряжения в этом ПК |
Границы нормально допускаемых значений установившегося отклонения напряжения в ПК |
|||||
|
Режим наибольшей нагрузкиI |
Режим наименьшей нагрузкиII |
Суточный режим |
||||
|
Верхняя граница |
Нижняя граница |
Верхняя граница |
Нижняя граница |
Верхняя граница |
Нижняя граница |
|
|
Вывод ЭП(1), δUЭП |
δU+ |
δU- |
δU+ |
δU- |
δU+ |
δU- |
|
Ввод в дом (ВРУ), (2), δUвру |
|
|
|
|
|
|
|
Шины 0,4 кВ ТП(3), δU ТП(0,4) |
|
|
|
|
|
|
|
Шины 6- 10кВ ТП 6-10/0,4 кВ,(4), δUТП (6-10) |
|
|
|
|
|
|
|
Шины 6-10 кВ РП, δUPП или шины 6-10 кВ ПС, (5), δUПС |
|
|
|
|
|
|
|
Примечание - Для упрощения обозначений нормально допускаемого значения δUу в ПК нижний индекс (нд) опущен. ΔUЭП.б - потери напряжения на участке сети от ВРУ здания до ближайшего к нему ЭП, %; ΔUВД - потери напряжения во внутридомовой сети, %; ΔUнн.б (ΔUнн.у) - потери напряжения в сети низкого напряжения от ТП до ближайшего (наиболее удаленного) ЭП, %; ΔUсн.б (ΔUсн.у) - потери напряжения в сети среднего напряжения от ЦП до ближайшей (наиболее удаленной) ТП, %; Ет - добавка напряжения на трансформаторе в ТП, соответствующая установленному на нем регулировочному ответвлению, %; I, II - верхние индексы, соответствующие режиму наибольших (наименьших) нагрузок ЦП. |
||||||
А.7. Потери напряжения на участке сети от ЭП до ПК могут быть определены на основе непосредственных измерений напряжений на зажимах ЭП и в ПК или расчетом на основе данных о нагрузках в сети и параметрах элементов сети.
При проведении расчетов могут быть использованы следующие рекомендации.
А.7.1. В режиме наибольших нагрузок определяют следующие потери напряжения:
- во внутридомовой сети - ΔUЭП.б и ΔUвд;
- в сети низкого напряжения, присоединенной к ТП - ΔUнн.б и ΔUнн.у;
- в сети среднего напряжения - ΔUсн.б и ΔUсн.у;
- в трансформаторах ТП - ΔUт.
А.7.2. С достаточной для практических расчетов точностью потери напряжения в элементах сети в режиме наименьших нагрузок ЦП могут быть определены по формулам:
; (А.5)
, (А.6)
где SI, SII - мощности нагрузки элемента сети в режиме наибольших и наименьших нагрузок ЦП соответственно;
ΔUI, ΔUII - потери напряжения на элементе сети в режиме наибольших и наименьших нагрузок ЦП соответственно.
А.7.3 Границы допускаемых значений δUу в ЦП (см. нижнюю строку таблицы А.1) определяют с учетом потерь напряжения в сети и установленных регулировочных ответвлений трансформатора (значений добавки напряжения Ет). При этом совместный режим напряжений в ЦП должен соответствовать требованиям всех потребителей. Значения добавки напряжения Ет, соответствующие выбранным регулировочным ответвлениям трансформатора в ТП, приведены в таблице А.2.
Таблица А.2 - Значения добавки напряжения Ет в зависимости от регулировочных ответвлений трансформатора в ТП
|
Регулировочное ответвление обмотки первичного напряжения |
Значение Ет, % |
||
|
Порядковый номер ответвления |
Обозначение на трансформаторе, % |
точное |
округленное |
|
1 |
+5 |
0,25 |
0 |
|
2 |
+2,5 |
2,7 |
2,5 |
|
3 |
0 |
5,26 |
5 |
|
4 |
-2,5 |
7,96 |
7,5 |
|
5 |
-5 |
10,8 |
10 |
А.7.4. Если в качестве ПК выбраны шины 35-220 кВ ПС, то диапазон нормально допускаемых значений δUу определяют при коэффициентах трансформации, соответствующих двум крайним положениям РПН (ПБВ):
1) для режима наибольших нагрузок ЦП:
; (A.7)
2) для режима наименьших нагрузок ЦП:
, (А.8)
где
,
- верхняя и нижняя
границы нормально допускаемых значений δUу на шинах 6-10 кВ ПС, определенные в соответствии с нижней строкой в
двух последних столбцах таблицы А.1;
Uном.н, Uном. в - номинальные напряжения сетей, присоединенных к шинам ПС 35 - 220/6 - 10 кВ;
Ктр.кр. - коэффициент трансформации трансформатора в ПС при двух крайних положениях РПН (ПБВ);
,
- наибольшие
(наименьшие) потери в трансформаторе ПС в режиме наибольших (наименьших)
нагрузок ЦП при двух крайних положениях РПН (ПБВ).
А.7.5. При определении δUу в точке сети, не указанной в таблице А.1, границы нормально допускаемых значений δUу определяют с учетом потерь напряжения между ПК, указанным в таблице А.1, и выбранной точкой сети.
А.7.6. Предельно допускаемые значения δUу в любом ПК определяют по формулам:
; (А.9)
. (А.10)
При этом значение
не должно превышать
значения отклонения напряжения, соответствующего наибольшему рабочему
напряжению для сети напряжения данного класса.
Б.1. Общие положения
Б.1.1. В трехфазных сетях общего назначения с изолированной нейтралью и напряжением 6-35 кВ однофазные незаземляемые и заземляемые двух- и трехобмоточные и трехфазные двух- и трехобмоточные ТН включают по схемам, представленным на рисунках Б.1-Б.4.
|
А, B, С - фазы первичной обмотки ТН; а, b, с - фазы основной вторичной обмотки ТН Рисунок Б.1 - Схема включения однофазных незаземляемых двухобмоточных трансформаторов в трехфазных сетях с изолированной ней тралью и напряжением 3-35 кВ |
А, B, С - фазы первичной обмотки ТН; а, b, с - фазы основной вторичной обмотки ТН; Рисунок Б.2 - Схема включения однофазных заземляемых и трехфазных заземляемых двухобмоточных трансформаторов в трехфазных сетях с изолированной нейтралью и напряжением 3-35 кВ |
|
А, Б, С - фазы первичной обмотки ТН; а, b, с - фазы основной вторичной обмотки ТН; ад, хд - фазы дополнительной вторичной обмотки ТН Рисунок Б.3 - Схема включения трехфазных трехобмоточных трансформаторов в трехфазных сетях с изолированной нейтралью и напряжением 3-35 кВ |
|
1) Для определения мощности нагрузки измерительного ТН могут быть использованы иные методики, аттестованные в установленном порядке.
А, В, С - фазы первичной обмотки ТН; а, b, с - фазы основной вторичной обмотки ТН; ад, хд - фазы дополнительной вторичной обмотки ТН
Рисунок Б.4 - Схема включения однофазных заземляемых трехобмоточных трансформаторов в трехфазных сетях с изолированной нейтралью и напряжением 3-35 кВ
Б.1.2. Для обеспечения безопасности персонала основные вторичные обмотки ТН заземляют (см. рисунки Б.1 - Б.4). В условиях эксплуатации вместо заземления нулевой точки вторичных обмоток, соединенных в звезду, часто применяют заземление одной из фаз, как правило фазы b.
Б.1.3. Для каждого ТН установлен один или несколько классов точности в зависимости от номинальных мощностей трансформатора в соответствии с ГОСТ 1983.
За номинальные мощности двухобмоточных ТН принимают мощности вторичной обмотки трансформатора, а трехобмоточных ТН - суммарную мощность основной и дополнительной вторичных обмоток. В трехобмоточном трансформаторе дополнительная вторичная обмотка предназначена для питания цепей защитных устройств и контроля изоляции сети.
Для трехфазных ТН за номинальные мощности принимают трехфазные мощности. Классы точности для трехфазных трехобмоточных ТН установлены только для основной вторичной обмотки.
Для однофазных трехобмоточных ТН классы точности установлены для обеих вторичных обмоток.
Б.1.4. В зависимости от конкретного применения ТН и схем включения (см. рисунки Б.1 - Б.4) используют схемы соединения нагрузок ТН для трехпроводной вторичной цепи, представленные на рисунках Б.5 и Б.6.

а, b, с - фазы основной вторичной обмотки ТН; Iа, Ib, Iс - фазные токи; Iаь, Ibс - междуфазные токи; Zab, Zbc- междуфазные нагрузки
Рисунок Б.5 - Схема соединения нагрузок ТН открытым треугольником для трехпроводной вторичной цепи

а, b, с - фазы основной вторичной обмотки ТН; Iа, Ib, Iс - фазные токи; Iab, Ibс, Iса - межфазные токи; Zab, Zbc, Zca - межфазные нагрузки
Рисунок Б.6 - Схема соединения нагрузок ТН треугольником для трехпроводной вторичной цепи
Схема соединения нагрузок ТН для четырехпроводной вторичной цепи представлена на рисунке Б.7.

а, b, с - фазы основной вторичной обмотки ТН; N - нейтраль; Iа, Ib, Iс - фазные токи; Za, Zb, Zc - фазные нагрузки
Рисунок Б.7 - Схема соединения нагрузок ТН для четырехпроводной измерительной цепи
Б.1.5. Значение полной мощности нагрузки ТН должно находиться в интервале допускаемых значений для требуемого класса точности по 6.3.
Б.1.6. Проверку выполнения требований Б.1.5 проводят следующим образом.
При использовании однофазных двухобмоточных ТН (см. рисунки Б.1 и Б.2) определяют полные мощности наиболее и наименее загруженных фаз ТН и сравнивают значения мощностей их нагрузок с номинальными значениями мощности нагрузки для интервала допускаемых значений в заданном классе точности.
При использовании трехфазных двухобмоточных ТН определяют полные мощности наиболее и наименее загруженных фаз и их утроенные значения сравнивают с номинальными значениями мощности нагрузки ТН для интервала допускаемых значений в заданном классе точности.
При использовании трехфазных трехобмоточных ТН (см. рисунок Б.3) утроенные значения полной мощности наиболее и наименее загруженных фаз ТН суммируют со значением полной мощности дополнительной вторичной обмотки и сравнивают с номинальными значениями мощности нагрузки ТН для интервала допускаемых значений в заданном классе точности.
Использование утроенной мощности только наиболее загруженной фазы для определения мощности нагрузки трехфазных ТН приводит к завышенным результатам.
При использовании однофазных трехобмоточных ТН (см. рисунок Б.4) значения полных мощностей наиболее и наименее загруженных ТН суммируют со значением полной мощности дополнительной вторичной обмотки и полученные значения сравнивают с предельными значениями мощности нагрузки для интервала допускаемых значений в заданном классе точности.
Р3 = Ра + Рb + Рс; (Б.1)
Q3 = Qa + Qb + Qc; (Б.2)
; (Б.3)
, (Б.4)
где Р3, Q3 - расчетные активная и реактивная составляющие полной мощности (далее - активная и реактивная мощности), Вт;
S3 - полная мощность нагрузки трехфазного ТН; В·А;
cos φ3 - расчетный коэффициент мощности трехфазного ТН;
Ра, Pb, Pc, Qa, Qb, Qc - измеренные значения активных и реактивных мощностей соответствующих фазных нагрузок ТН, Вт.
Если фактическая нагрузка ТН менее 25 % или более 100 % ее нормированного номинального значения, то для обеспечения заданного класса точности ТН необходимо проведение операции нормализации нагрузки его вторичной измерительной цепи [4].
Б.2. Требования безопасности
При выполнении измерений соблюдают требования безопасности, изложенные в разделе 10.
Б.3. Требования к квалификации операторов
Требования к квалификация операторов - в соответствии с разделом 11.
Б.4. Условия измерений
Условия измерений - в соответствии с разделом 12.
Б.5. Подготовка к проведению измерений
Для проведения измерений мощности нагрузки ТН:
- определяют место, в котором имеется возможность подключения прибора для измерения мощности нагрузки вторичной цепи трансформатора напряжения;
- размещают и заземляют прибор для измерения мощности нагрузки;
- собирают схему измерений мощности нагрузки вторичных цепей ТН, представленную на рисунке Б.9;
- проводят подготовку и проверку режимов работы СИ в соответствии с РЭ.

Рисунок Б.8 - Схема измерений мощности нагрузки вторичных цепей ТН
Б.6. Проведение измерений
Проведение измерений мощности нагрузки ТН включает в себя следующие операции:
- ввод уставки в СИ: коэффициенты трансформации по напряжению и току должны быть равны 1;
- проведение однократных измерений;
- вывод на печатающее устройство результатов измерений полной, активной и реактивной мощностей, напряжения, тока и cos φ в каждой фазе.
Результаты измерений вносят в таблицу, пример которой представлен на рисунке Б.9.
|
Измеряемая величина |
Фаза а |
Фаза b |
Фаза с |
|
Напряжение, В |
|
|
|
|
Ток, А |
|
|
|
|
Полная мощность, В·А |
|
|
|
|
Активная мощность, Вт |
|
|
|
|
Реактивная мощность, В·А |
|
|
|
|
Коэффициент мощности |
|
|
|
Рисунок Б.9 - Результаты измерений
Б.7. Обработка (вычисление) результатов измерений
Обработка (вычисление) результатов измерений мощности нагрузки ТН включает в себя следующие операции:
а) расчет
полной Siк и, при необходимости
(см. Б.1.7),
активной Рiк и реактивной Qiк мощности фазной
нагрузки ТН при номинальном напряжении вторичной обмотки ТН (100
, 100
В) по формулам:
, (Б.5)
, (Б.6)
, (Б.7)
где Si, Рi, qi - измеренные значения полной, активной и реактивной мощностей фазной нагрузки ТН;
Ui - измеренное значение i-го фазного напряжения ТН;
i - обозначение фазы (а, b или с);
б) выбор наиболее и наименее загруженных фаз по значениям полной мощности фазы;
в) сравнение полученных значений полной мощности с предельными значениями мощности нагрузки однофазных ТН в заданном классе точности или утроенных значений полной мощности наиболее и наименее загруженных фаз с предельными значениями нагрузки трехфазных ТН;
г) при невыполнении требований Б.1.5 для трехфазных ТН определение расчетных активной, реактивной, полной мощности нагрузки трехфазного ТН и расчетного коэффициента мощности по формулам (Б.1)-(Б.4); сравнение полученного по формуле (Б.3) значения полной мощности с предельными значениями мощности нагрузки трехфазных ТН в заданном классе точности.
Б.8. Оформление результатов измерений
Б.8.1. Результаты измерений мощности нагрузки ТН при проведении контроля КЭ оформляют в виде приложения к протоколу испытаний электрической энергии, содержащего таблицу с результатами измерений и заключение о соответствии или несоответствии результатов измерений установленным требованиям (см. приложение 2 к протоколу испытаний электрической энергии).
________________________________________________________
наименование организации (ее подразделения), проводившего) испытания
_________________________________________________________
|
__________________________________________ адрес, телефон, факс, E-mail |
________________________________________ наименование и номер аттестата аккредитации |
|
|
___________________________________ организации (ее подразделения) |
_________________________________________ |
|
|
|
УТВЕРЖДАЮ ______________________________ руководитель _______________________________ организации (ее подразделения) |
|
|
|
___________________ подпись |
___________________ инициалы, фамилия |
«___» _____________ 200__ г
|
ПРОТОКОЛ Настоящий протокол испытаний относится только к пункту контроля, указанному в пункте 3, и срокам проведения испытаний, указанным в пункте 4. Частичная или полная перепечатка настоящего протокола испытаний без разрешения исполнительной лаборатории не допускается. _________________________ населенный
пункт 1. Заказчик Наименование организации: ___________________________________________________. Адрес: ____________________________________________________________________. 2. Цель испытаний 3. Идентификационные данные пункта контроля КЭ Место (обозначение) в схеме: _________________________________________________. Адрес: ____________________________________________________________________. Центр питания: _____________________________________________________________. 4. Сроки проведения испытаний с «___» _________________ 200 _ г. по «_____» ______________ 200 _ г. 5. Методика контроля КЭ Испытания проведены в соответствии с ГОСТ Р 53333-2008. Контроль качества электрической энергии в системах электроснабжения общего назначения [перечисляют номера разделов (пунктов)]. 6. Перечень средств измерений (СИ)
Результаты измерений показателей качества электрической энергии приведены в приложении 1 к настоящему протоколу. Результаты измерений мощности нагрузки ТН приведены в приложении 2 к настоящему протоколу. 7. Условия проведения испытаний (за весь период)
8. Заключение Качество электрической энергии установленным требованиям (нормам) по: - установившемуся отклонению напряжения соответствует (не соответствует); - коэффициенту искажения синусоидальности напряжения соответствует (не соответствует); - коэффициенту n-й гармонической составляющей напряжения соответствует (не соответствует); - коэффициенту несимметрии напряжений по обратной последовательности соответствует (не соответствует); - коэффициенту несимметрии напряжений по нулевой последовательности соответствует (не соответствует); - отклонению частоты соответствует (не соответствует); - длительности провала напряжения соответствует (не соответствует). Приложения 1. Результаты измерений мощности нагрузки ТН (приложение Б, рисунок Б.10). 2. Результаты измерений показателей качества электрической энергии за каждые 24 ч.
|
|||||||||||||||||||||||||||||||||||||||||||||||||
Приложение 1
К протоколу испытаний
электрической энергии
от «___» ____________ 200 __ г.
Результаты измерений показателей качества электрической энергии (ПКЭ) представлены в таблицах 1-7.
______________________________
дата и время начала измерений
______________________________
дата и время окончания измерений
Интервал времени наибольших нагрузок: ________________.
Интервал времени наименьших нагрузок: ________________.
Таблица 1 - Результаты измерений установившегося отклонения напряжения в режимах наибольших и наименьших нагрузок
В процентах
|
Режим наибольших нагрузок |
Режим наименьших нагрузок |
||||||||||
|
Обозначение ПКЭ |
Результат измерений |
Нормативное значение |
Т1 |
Т2 |
Обозначение ПКЭ |
Результат измерений |
Нормативное значение |
Т1 |
Т2 |
||
|
Напряжение по прямой последовательности |
|||||||||||
|
|
|
|
- |
|
|
|
|
- |
|
||
|
|
|
|
|
|
|
|
|
||||
|
|
|
|
|
- |
|
|
|
|
- |
||
|
|
|
|
|
|
|
|
|
||||
|
Напряжение фазное А (междуфазное АБ) |
|||||||||||
|
|
|
|
- |
|
|
|
|
- |
|
||
|
|
|
|
|
|
|
|
|
||||
|
|
|
|
|
- |
|
|
|
|
- |
||
|
|
|
|
|
|
|
|
|
||||
|
Напряжение фазное B (междуфазное BС) |
|||||||||||
|
|
|
|
- |
|
|
|
|
- |
|
||
|
|
|
|
|
|
|
|
|
||||
|
|
|
|
|
- |
|
|
|
|
- |
||
|
|
|
|
|
|
|
|
|
||||
|
Напряжение фазное С (междуфазное СA) |
|||||||||||
|
|
|
|
- |
|
|
|
|
- |
|
||
|
|
|
|
|
|
|
|
|
||||
|
|
|
|
|
- |
|
|
|
|
- |
||
|
|
|
|
|
|
|
|
|
||||
|
Погрешность измерений |
|||||||||||
|
Обозначение |
Фактическое значение |
Предел допускаемого значения |
|||||||||
|
ΔδU |
|
|
|||||||||
Таблица 2 - Результаты измерений установившегося отклонения напряжения за 24 ч
В процентах
|
Суточный режим нагрузок |
|||||||||||
|
Обозначение ПКЭ |
Результат измерений |
Нормативное значение |
Т1 |
Т2 |
Обозначение ПКЭ |
Результат измерений |
Нормативное значение |
Т1 |
Т2 |
||
|
Напряжение по прямой последовательности |
Напряжение фазное А (междуфазное АВ) |
||||||||||
|
|
|
|
- |
|
|
|
|
- |
|
||
|
|
|
|
|
|
|
|
|
||||
|
|
|
|
|
- |
|
|
|
|
- |
||
|
|
|
|
|
|
|
|
|
||||
|
Напряжение фазное В (междуфазное ВС) |
Напряжение фазное С (междуфазное СА) |
||||||||||
|
|
|
|
- |
|
|
|
|
- |
|
||
|
|
|
|
|
|
|
|
|
||||
|
|
|
|
|
- |
|
|
|
|
- |
||
|
|
|
|
|
|
|
|
|
||||
|
Погрешность измерений |
|||||||||||
|
Обозначение |
Фактическое значение |
Предел допускаемого значения |
|||||||||
|
ΔδU |
|
|
|||||||||
Таблица 3 - Результаты измерений коэффициента искажения синусоидальности кривой напряжения
В процентах
|
Обозначение ПКЭ |
Фаза А |
Фаза B |
Фаза С |
Нормативное значение |
||||||||
|
Результат измерений |
Т1 |
Т2 |
Результат измерений |
Т1 |
Т2 |
Результат измерений |
Т1 |
Т2 |
||||
|
|
|
- |
|
|
- |
|
|
- |
|
|
||
|
|
|
|
- |
|
|
- |
|
|
- |
|
||
|
Погрешность измерений |
||||||||||||
|
Обозначение |
Фактическое значение |
Предел допускаемого значения |
||||||||||
|
ΔKu |
|
|
||||||||||
Таблица 4 - Результаты измерений коэффициента n-й гармонической составляющей напряжения
В процентах
|
n |
Результат измерений |
Нормативное значение |
||||||||||||||
|
Фаза A |
Фаза B |
Фаза С |
||||||||||||||
|
|
|
Т1 |
Т2 |
|
|
Т1 |
Т2 |
|
|
Т1 |
Т2 |
|
|
|||
|
2 |
|
|
|
|
|
|
|
|
|
|
|
|
|
|
||
|
3 |
|
|
|
|
|
|
|
|
|
|
|
|
|
|
||
|
4 |
|
|
|
|
|
|
|
|
|
|
|
|
|
|
||
|
5 |
|
|
|
|
|
|
|
|
|
|
|
|
|
|
||
|
6 |
|
|
|
|
|
|
|
|
|
|
|
|
|
|
||
|
7 |
|
|
|
|
|
|
|
|
|
|
|
|
|
|
||
|
8 |
|
|
|
|
|
|
|
|
|
|
|
|
|
|
||
|
9 |
|
|
|
|
|
|
|
|
|
|
|
|
|
|
||
|
10 |
|
|
|
|
|
|
|
|
|
|
|
|
|
|
||
|
11 |
|
|
|
|
|
|
|
|
|
|
|
|
|
|
||
|
12 |
|
|
|
|
|
|
|
|
|
|
|
|
|
|
||
|
13 |
|
|
|
|
|
|
|
|
|
|
|
|
|
|
||
|
14 |
|
|
|
|
|
|
|
|
|
|
|
|
|
|
||
|
15 |
|
|
|
|
|
|
|
|
|
|
|
|
|
|
||
|
16 |
|
|
|
|
|
|
|
|
|
|
|
|
|
|
||
|
17 |
|
|
|
|
|
|
|
|
|
|
|
|
|
|
||
|
18 |
|
|
|
|
|
|
|
|
|
|
|
|
|
|
||
|
19 |
|
|
|
|
|
|
|
|
|
|
|
|
|
|
||
|
20 |
|
|
|
|
|
|
|
|
|
|
|
|
|
|
||
|
21 |
|
|
|
|
|
|
|
|
|
|
|
|
|
|
||
|
22 |
|
|
|
|
|
|
|
|
|
|
|
|
|
|
||
|
23 |
|
|
|
|
|
|
|
|
|
|
|
|
|
|
||
|
24 |
|
|
|
|
|
|
|
|
|
|
|
|
|
|
||
|
25 |
|
|
|
|
|
|
|
|
|
|
|
|
|
|
||
|
26 |
|
|
|
|
|
|
|
|
|
|
|
|
|
|
||
|
27 |
|
|
|
|
|
|
|
|
|
|
|
|
|
|
||
|
28 |
|
|
|
|
|
|
|
|
|
|
|
|
|
|
||
|
29 |
|
|
|
|
|
|
|
|
|
|
|
|
|
|
||
|
30 |
|
|
|
|
|
|
|
|
|
|
|
|
|
|
||
|
31 |
|
|
|
|
|
|
|
|
|
|
|
|
|
|
||
|
32 |
|
|
|
|
|
|
|
|
|
|
|
|
|
|
||
|
33 |
|
|
|
|
|
|
|
|
|
|
|
|
|
|
||
|
34 |
|
|
|
|
|
|
|
|
|
|
|
|
|
|
||
|
35 |
|
|
|
|
|
|
|
|
|
|
|
|
|
|
||
|
36 |
|
|
|
|
|
|
|
|
|
|
|
|
|
|
||
|
37 |
|
|
|
|
|
|
|
|
|
|
|
|
|
|
||
|
38 |
|
|
|
|
|
|
|
|
|
|
|
|
|
|
||
|
39 |
|
|
|
|
|
|
|
|
|
|
|
|
|
|
||
|
40 |
|
|
|
|
|
|
|
|
|
|
|
|
|
|
||
|
Погрешность измерений |
||||||||||||||||
|
Обозначение |
Фактическое значение |
Предел допускаемого значения |
||||||||||||||
|
ΔKu(n) |
|
|
||||||||||||||
Таблица 5 - Результаты измерений коэффициента несимметрии напряжений по обратной последовательности
В процентах
|
Обозначение ПКЭ |
Результат измерений |
Нормативное значение |
Т1 |
Т2 |
||
|
|
|
|
|
|
||
|
|
|
|
|
|
||
|
Погрешность измерений |
||||||
|
Обозначение |
Фактическое значение |
Предел допускаемого значения |
||||
|
δK2U |
|
|
||||
Таблица 6 - Результаты измерений коэффициента несимметрии напряжений по нулевой последовательности
В процентах
|
Обозначение ПКЭ |
Результат измерений |
Нормативное значение |
Т1 |
Т2 |
||
|
|
|
|
|
|
||
|
|
|
|
|
|
||
|
Погрешность измерений |
||||||
|
Обозначение |
Фактическое значение |
Предел допускаемого значения |
||||
|
δKou |
|
|
||||
Таблица 7 - Результаты измерений отклонения частоты
В герцах
|
Обозначение ПКЭ |
Результат измерений |
Нормативное значение |
Т1 |
Т2 |
||
|
Δfн |
|
|
- |
|
||
|
Δfв |
|
|
|
|||
|
Δfнм |
|
|
|
- |
||
|
Δfнб |
|
|
|
|||
|
Погрешность измерений |
||||||
|
Обозначение |
Фактическое значение |
Предел допускаемого значения |
||||
|
ΔΔf |
|
|
||||
|
Инженер-испытатель |
____________________________ инициалы, фамилия |
|
Техник-испытатель |
____________________________ инициалы, фамилия |
К протоколу испытаний
электрической энергии
от «___» ____________ 200 __ г.
Определение мощности нагрузки и коэффициента мощности вторичных цепей измерительного трансформатора напряжения
Данные пункта контроля
Наименование ЦП:
Адрес:
Сроки проведения измерений:
Паспортные данные ТН:
Тип _______
Зав. № _______
Год выпуска _______
Дата поверки _______
Класс точности _______
Номинальная полная мощность нагрузки SH для указанного класса точности, ВА _______
Схема соединения обмоток (усл. обозначение) _______
Номинальное напряжение основной вторичной обмотки U2ном, В _______
Номинальное напряжение первичной обмотки U1ном, кВ _______
4. Результаты измерений и обработки (вычислений)
|
Измеряемая величина |
Фаза а |
Фаза b |
Фаза с |
|
Напряжение, В |
|
|
|
|
Ток, А |
|
|
|
|
Активная мощность (Рi), Вт |
|
|
|
|
Реактивная мощность(Qi), В·А |
|
|
|
|
Полная мощность (Si), В·А |
|
|
|
|
Коэффициент мощности |
|
|
|
|
Трехфазная полная мощность (S3), В·А |
|
|
|
|
Допускаемые значения нагрузки (25 %-100 % SH), В·А |
|
|
|
5. Заключение
Значение мощности нагрузки ТН - соответствует (не соответствует) требованиям ГОСТ 1983-2001 для данного класса точности ТН.
|
Инженер-испытатель |
____________________________ инициалы, фамилия |
|
Техник-испытатель |
____________________________ инициалы, фамилия |
|
[1] |
Правила технической эксплуатации электроустановок потребителей (утверждены Минэнерго России № 6 от 13.01.2003) |
|
|
[2] |
Межотраслевые правила по охране труда (правила безопасности) при эксплуатации электроустановок (утверждены приказом Минэнерго России от 27.12.2000 № 163) |
|
|
|
(РД 153-34.0-03.150-00) |
|
|
[3] |
Правила технической эксплуатации электрических станций и сетей Российской Федерации (утверждены Минэнерго России 19.06.2003) |
|
|
[4] |
МИ 3023-2006 |
Государственная система измерений. Нормализация нагрузки вторичных цепей измерительных трансформаторов напряжения |
Ключевые слова: система электроснабжения, качество электрической энергии, показатель качества электрической энергии, пункты контроля качества электрической энергии