ФЕДЕРАЛЬНОЕ ГОСУДАРСТВЕННОЕ
УНИТАРНОЕ ПРЕДПРИЯТИЕ
ВСЕРОССИЙСКИЙ НАУЧНО-ИССЛЕДОВАТЕЛЬСКИЙ
ИНСТИТУТ РАСХОДОМЕТРИИ
(ФГУП ВНИИР)
ГОССТАНДАРТА РОССИИ
|
Утверждаю Директор ФГУП ВНИИР В.П. Иванов __.09.2003 г. |
РЕКОМЕНДАЦИЯ
ГОСУДАРСТВЕННАЯ СИСТЕМА
ОБЕСПЕЧЕНИЯ ЕДИНСТВА ИЗМЕРЕНИЙ.
СИСТЕМЫ ИЗМЕРЕНИЙ КОЛИЧЕСТВА И ПОКАЗАТЕЛЕЙ КАЧЕСТВА НЕФТИ.
МЕТРОЛОГИЧЕСКИЕ И ТЕХНИЧЕСКИЕ ТРЕБОВАНИЯ К ПРОЕКТИРОВАНИЮ
МИ 2825-2003
2003 г.
Содержание
|
|
Закрытым акционерным обществом «Центр метрологического обеспечения» (ЗАО «Центр МО») |
|
|
Открытым акционерным обществом «Инфракрасные микроволновые системы» |
|
РАЗРАБОТАНА |
Межрегиональным открытым акционерным обществом «Нефтеавтоматика» |
|
|
Федеральным государственным унитарным предприятием «Всероссийский научно-исследовательский институт расходометрии» (ФГУП ВНИИР) Госстандарта России |
|
УТВЕРЖДЕНА |
Федеральным государственным унитарным предприятием «Всероссийский научно-исследовательский институт расходометрии» (ФГУП ВНИИР) Госстандарта России 23.09.2003 г. |
|
ЗАРЕГИСТРИРОВАНА |
Федеральным государственным унитарным предприятием «Всероссийский научно - исследовательский институт метрологической службы» (ФГУП ВНИИМС) Госстандарта России 30.09.2003 г. |
|
ВВЕДЕНА ВПЕРВЫЕ |
|
|
Государственная система обеспечения единства измерений. Системы измерений количества и показателей качества нефти. Метрологические и технические требования к проектированию |
МИ 2825-2003 |
Настоящая рекомендация распространяется на процесс проектирования систем измерений количества и показателей качества нефти (СИКН) и предназначается для применения:
предприятиями добычи, транспортировки, переработки и хранения нефти независимо от организационно-правовых форм (заказчик); - проектными организациями (разработчик).
В настоящем документе приведены ссылки на следующие нормативные документы:
• ГОСТ 2.105-95 ЕСКД. Общие требования к текстовым документам;
• ГОСТ 8.510-2002 ГСИ. Государственная поверочная схема для средств измерений объема и массы жидкости;
• ГОСТ Р 8.595-2002 ГСИ. Масса нефти и нефтепродуктов. Общие требования к методикам выполнения измерений;
• ГОСТ Р 8.596-2002 ГСИ. Метрологическое обеспечение измерительных систем. Общие положения;
• ГОСТ 12.1.030-81 Система стандартов безопасности труда. Электробезопасность. Защитное заземление, зануление;
• ГОСТ 2517-85 Нефть и нефтепродукты. Методы отбора проб;
• ГОСТ Р 51858-2002 Нефть. Общие технические условия;
• Правила устройства электроустановок (ПУЭ);
• РД 153-39.4-042-99 Инструкция по определению массы нефти при учетных операциях с применением систем измерений количества и показателей качества нефти;
• СНиП 2.01.07-85 Нагрузки и воздействия
В настоящей рекомендации использованы следующие сокращения:
БИК - блок измерений показателей качества нефти;
БИЛ - блок измерительных линий;
БФ - блок фильтров;
ГНМЦ - государственный научный метрологический центр;
ИЛ - измерительная линия;
ЛВЖ - легковоспламеняющаяся жидкость;
MX - метрологические характеристики;
НД - нормативные документы;
НПВ - нижний предел взрываемости;
ПР - преобразователь расхода;
ПУ - поверочная установка;
СИ - средство измерений;
СИКН - система измерений количества и показателей качества нефти;
СОИ - система сбора и обработки информации;
ТЗ - техническое задание.
4.1 Настоящие требования разработаны в дополнение к требованиям действующих НД, распространяющихся на СИКН.
4.2 Проект СИКН подлежит метрологической экспертизе в специализированном ГНМЦ Госстандарта России или другой аккредитованной специализированной организации. Перечень документов, представляемых на метрологическую экспертизу проекта, приведен в приложении А.
4.3 Погрешность измерений массы товарной нефти должна соответствовать требованиям ГОСТ Р 8.595.
4.4 Погрешность СИ, входящих в состав СИКН, должна соответствовать требованиям РД 153-39.4-042.
4.5 Погрешность измерений массы сырой нефти с применением СИКН должна быть определена НД на методику выполнения измерений, разработанным для конкретных условий.
4.6 Состав и объем технической документации, разрабатываемой и передаваемой заказчику должен быть определен в ТЗ.
5.1 Проектирование СИКН следует осуществлять на основании технического задания.
5.2 ТЗ разрабатывают на основании технических требований к СИКН. Технические требования разрабатывает Заказчик. Типовые формы ТТ и ТЗ приведены в приложениях Б1 и Б2.
5.3 При разработке ТЗ необходимо учесть требования НД по определению массы нефти и методик поверки СИ СИКН.
5.4 ТЗ должно быть согласовано принимающей (или сдающей) нефть стороной и утверждено заказчиком. Срок разработки и утверждения ТЗ определяется условиями договора.
5.5 Если при согласовании ТЗ возникли замечания или разногласия между разработчиком и заказчиком (или другими заинтересованными организациями), то их представляют с техническим обоснованием и составляют протокол разногласий (форма произвольная), который обязаны подписать стороны. Решения по замечаниям и разногласиям принимают разработчик и заказчик до утверждения ТЗ.
5.6 Согласование проекта ТЗ разрешается оформлять отдельным документом (письмом). В этом случае под грифом «Согласовано» делают ссылку на этот документ.
5.7 Разработчик до передачи ТЗ на утверждение организует проведение его метрологической экспертизы в соответствии с ГОСТ Р 8.596.
6.1 ОПРЕДЕЛЕНИЕ СОСТАВА СИКН
6.1.1 Состав СИКН определяют на стадии разработки ТЗ. В общем случае СИКН состоит из технологической части и системы сбора и обработки информации.
6.1.2 Основной состав технологической части:
- БИЛ;
- БИК;
- пробозаборное устройство.
В состав технологической части могут входить также:
- БФ;
- ПУ;
- узел регулирования давления;
- узел регулирования расхода через ПУ;
- узел подключения передвижной ПУ;
- технологические и дренажные трубопроводы.
6.1.3 Пробозаборное устройство рекомендуется устанавливать с лубрикатором для обеспечения возможности извлечения пробозаборного устройства без остановки работы СИКН.
6.1.4 Узел регулирования давления предусматривают на выходе СИКН в случае, если возможно снижение давления ниже значения, определенного по п. 6.4 настоящей рекомендации.
6.1.5 Узел регулирования расхода через ПУ предусматривают при подключении ПУ на выходе измерительных линий.
6.1.6 Допускается использование одной стационарной ПУ для нескольких СИКН, расположенных на одной площадке.
6.2 ВЫБОР ОБОРУДОВАНИЯ, СРЕДСТВ ИЗМЕРЕНИЙ И МАТЕРИАЛОВ
6.2.1 Необходимые расчеты и выбор технологического оборудования, СИ и материалов осуществляет разработчик с учетом технических требований заказчика и действующих НД.
6.2.2 Технические характеристики выбранного оборудования, а также технические и метрологические характеристики СИ должны обеспечивать необходимую точность измерений при заданных технологических режимах работы СИКН и характеристиках нефти.
6.2.3 Необходимость оснащения запорной и регулирующей арматуры электроприводами определяют в ТЗ в зависимости от объема автоматизации учетных операций, операций поверки и контроля MX ПР.
Запорную арматуру с условным диаметром более 150 мм рекомендуется оснащать электроприводами.
6.2.4 Запорная арматура, протечки которой могут оказать влияние на достоверность учетных операций, результаты поверки и контроля MX ПР, результаты поверки ПУ по ПУ 1-го разряда, должна быть с гарантированным перекрытием потока и устройством контроля протечек (местным или дистанционным). Количество и место установки вышеупомянутой арматуры определяют технологической схемой СИКН.
6.2.5 Трубы для технологических и дренажных трубопроводов следует выбирать с учетом категорий и условий эксплуатации трубопроводов согласно действующей отраслевой НД.
6.2.6 Качество и технические характеристики материалов и готовых изделий должны быть подтверждены в документации заводов-изготовителей.
6.2.7 Применяемые в проекте СИ должны быть внесены в Госреестр СИ, допущенных к применению в Российской Федерации.
6.3 ВЫБОР ТЕХНОЛОГИЧЕСКОЙ СХЕМЫ СИКН
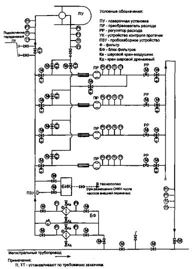
6.3.1 При проектировании СИКН рекомендуется использовать технологические схемы, приведенные в приложении В.
6.3.2 Состав СИКН и выбранная технологическая схема должны обеспечивать выполнение следующих основных функций:
- измерения массы нефти;
- отбор объединенной пробы в соответствии с ГОСТ 2517;
- поверку ПР на месте эксплуатации без нарушения режима работы нефтепровода;
- контроль MX СИ.
6.3.3 Технологическая схема СИКН должна обеспечивать:
- равномерное распределение потоков по ИЛ;
- регулирование расхода по ИЛ и через ПУ при проведении поверки и контроля MX СИ;
- контроль герметичности запорной арматуры, влияющей на результаты измерений и поверок;
- отбор проб нефти в БИК;
- дренаж оборудования, технологических трубопроводов и последующее их заполнение без остатков воздуха;
- контроль герметичности запорной арматуры дренажных трубопроводов;
- возможность очистки входного коллектора;
- возможность промывки или пропарки дренажных трубопроводов;
- возможность подключения системы промывки ПУ (при наличии стационарной ПУ);
- установку технологического оборудования и измерительных преобразователей в соответствии с требованиями эксплуатационной документации;
- демонтаж измерительных преобразователей и технологического оборудования без нарушения непрерывности процесса измерений.
6.3.4 Диаметры коллекторов, диаметры и количество измерительных линий, диаметры и длины трубопроводов технологических обвязок следует выбирать с учетом допустимых гидравлических потерь при максимальной производительности СИКН. Гидравлические потери должны быть не более:
- 0,2 МПа в режиме измерений;
- 0,4 МПа в режиме поверки (с учетом поверки ПУ по ПУ 1-го разряда). При гидравлических расчетах рекомендуется пользоваться справочником Идельчик И.Е. Справочник по гидравлическим сопротивлениям. Машиностроение, 1992.
6.4 Избыточное давление в трубопроводе при всех режимах работы должно быть достаточным для компенсации потерь давления на СИКН и обеспечения давления на выходе СИКН и поверочной установки.
Значение минимального избыточного давления следует определять по формуле
Р = 2,06 Рн + 2 DР,
где Р - минимальное избыточное давление в выходном коллекторе СИКН, МПа;
Рн - абсолютное давление насыщенных паров при максимальной температуре нефти на СИКН, МПа;
DР - перепад давления в ПР.
6.5 Для СИКН, расположенных на приеме в резервуарный парк, давление на выходе из СИКН, определяемое расчетным путем, должно обеспечивать прием нефти в резервуары с учетом гидравлических потерь. При размещении СИКН между подпорной и основной насосной должно быть обеспечено требуемое давление на приеме основной насосной при всех режимах работы.
6.6 Отбор нефти в БИК может быть осуществлен как с входного, так и с выходного коллектора БИЛ. Отбор с входного коллектора осуществляют в случае выделения фильтров в отдельный блок.
6.7 БИК может быть выполнен по насосной или безнасосной схеме. Безнасосная схема может быть применена в случае возможности возврата нефти в технологический трубопровод с меньшим давлением.
7.1 БЛОК ИЗМЕРИТЕЛЬНЫХ ЛИНИЙ
7.1.1 Типовой состав БИЛ:
- входной и выходной коллекторы;
- коллектор к ПУ;
- ИЛ (рабочие, резервные и контрольно-резервная);
- дренажная система.
7.1.2 Диаметры входного и выходного коллекторов необходимо рассчитывать на максимальный расход нефти через СИКН с учетом допускаемой скорости потока (не более 7 м/с для магистральных нефтепроводов, не более 4 м/с для промысловых нефтепроводов).
7.1.3 На выходном коллекторе устанавливают манометр и преобразователь давления. На выходном коллекторе СИКН с преобразователями массового расхода, а также по требованию заказчика устанавливают термокарман для термометра и преобразователь температуры.
7.1.4 Диаметр коллектора к ПУ рассчитывают на максимальный поверочный расход с учетом допустимой скорости потока (не более 7 м/с для магистральных нефтепроводов, не более 4 м/с для промысловых нефтепроводов).
7.1.5 При наличии стационарной ПУ допускается контрольную ИЛ не предусматривать. При включении контрольной ИЛ в состав БИЛ рекомендуется использовать ее в качестве резервной.
7.1.6 Типовой состав ИЛ с преобразователем объемного расхода:
- задвижка или шаровой кран на входе ИЛ;
- фильтр тонкой очистки с быстросъемной крышкой, дренажным и воздушным кранами (если не предусмотрен отдельный БФ);
- преобразователь объемного расхода в комплекте со струевыпрямителем или прямыми участками до и после ПР;
- задвижка или шаровой кран с гарантированным перекрытием потока и контролем протечек на выходе ИЛ;
- задвижка или шаровой кран с гарантированным перекрытием потока и контролем протечек на выходе к ПУ;
- при необходимости регулятор расхода на выходе ИЛ;
- преобразователь температуры и термометр за нормированным участком после ПР;
- манометр и преобразователь давления за нормированным участком после ПР;
- шаровой кран для дренажа за нормированным участком после ПР (в случае конструктивной необходимости);
- шаровой кран-воздушник на входе ИЛ (при отсутствии фильтра на ИЛ).
В случае подключения ПУ до БИЛ запорную арматуру с гарантированным перекрытием потока и контролем протечек предусматривают на входе ИЛ, на входе в коллектор к ПУ, а также на входе контрольной ИЛ.
7.1.7 Проектом должна быть предусмотрена поставка ПР с прямыми участками трубопроводов до и после ПР в комплекте завода-изготовителя. Допускается изготавливать прямые участки на заводе-изготовителе БИЛ в соответствии с требованиями изготовителя ПР.
7.1.8 Типовой состав ИЛ с преобразователем массового расхода:
- запорная арматура на входе ИЛ;
- фильтр тонкой очистки с быстросъемной крышкой, дренажным и воздушным кранами (если не предусмотрен отдельный БФ);
- преобразователь массового расхода;
- запорная арматура с гарантированным перекрытием потока и контролем протечек на выходах ИЛ в коллектор и к ПУ;
- регулятор расхода на выходе ИЛ;
- шаровой кран для дренажа;
- шаровой кран-воздушник в самой высокой точке ИЛ;
- преобразователь давления.
7.1.9 Тип применяемых ПР выбирают учетом значения рабочего расхода и параметров и показателей качества нефти (вязкость, содержание массовой доли воды, механические примеси).
7.1.10 Число ИЛ с преобразователями объемного расхода (турбинные, ультразвуковые и др.) рекомендуется выбирать не менее трех (две рабочие и одна резервная).
7.1.11 Число ИЛ с преобразователями массового расхода допускается выбирать не менее двух (рабочая и резервно-контрольная).
7.1.12 Число резервных ИЛ должно быть не менее 30 % от числа рабочих ИЛ.
7.1.13 Типоразмер ПР следует выбирать исходя из минимального и максимального значений расхода через БИЛ. При работе БИЛ по одной ИЛ с минимальным расходом загрузка ПР должна быть в пределах его пропускной способности согласно паспортным данным.
7.1.14 Число ИЛ рассчитывают исходя из максимально возможного расхода нефти через трубопровод. Пример расчета числа ИЛ СИКН приведен в приложении Г.
7.1.15 При выборе типоразмера ПР необходимо учитывать следующие обстоятельства: чем меньше диаметр ПР, тем больше срок его службы, меньше затраты на обслуживание и ремонт, меньше габариты, масса и стоимость ПУ. Рекомендуется выбирать ПР диаметром не более 400 мм, а общее число ИЛ - не более десяти.
7.1.16 Дренажную систему БИЛ следует проектировать закрытой.
7.1.17 Необходимо предусматривать систему контроля герметичности дренажной арматуры.
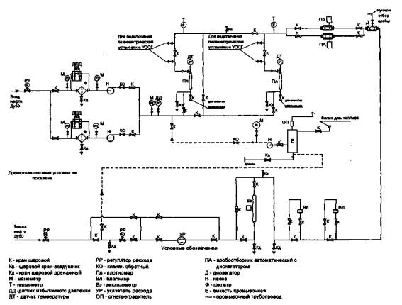
7.2 БЛОК ИЗМЕРЕНИЙ ПОКАЗАТЕЛЕЙ КАЧЕСТВА НЕФТИ
7.2.1 При проектировании БИК рекомендуется использовать технологические схемы, приведенные в приложении Д.
7.2.2 Нефть в БИК отбирают через пробозаборное устройство в соответствии с ГОСТ 2517.
7.2.3 Значение расхода нефти через пробозаборное устройство должно соответствовать требованиям ГОСТ 2517. Расход нефти через поточные преобразователи (плотности, вязкости, влагосодержания) должен соответствовать требованиям эксплуатационной документации на преобразователи.
7.2.4 Расчет, подтверждающий обеспечение требуемого значения расхода через БИК, приводят в проектной документации. Методика расчета приведена в приложении Е.
7.2.5 БИК изготавливают в заводских условиях и размещают в отапливаемом помещении. Допускается размещение БИК в общем помещении с БИЛ. Инженерные системы помещения должны обеспечивать заданные в ТЗ условия работы БИК и безопасность его эксплуатации.
7.2.6 В БИК должны быть установлены:
- поточные преобразователи плотности (рабочий и резервный) с параллельно-последовательной схемой подключения;
- поточные преобразователи влагосодержания (рабочий и резервный) с параллельно-последовательной схемой подключения;
- при необходимости поточные преобразователи вязкости (рабочий и резервный) с параллельно-последовательной схемой подключения (допускается не включать преобразователи вязкости в состав БИК в случае применения ПР, на погрешность которых не влияет изменение вязкости);
- преобразователь температуры и термокарман для термометра;
- преобразователь давления и манометр;
- автоматические пробоотборники в соответствии с ГОСТ 2517, обеспечивающие отбор проб по заданной программе, с герметичными контейнерами вместимостью не менее трех литров (рабочий и резервный);
- устройство для ручного отбора точечных проб в соответствии с ГОСТ 2517;
- циркуляционные насосы (рабочий и резервный), обеспечивающие требуемый расход нефти через БИК (в случае насосной схемы);
- расходомер (ПР);
- при необходимости регулятор расхода нефти через БИК;
- при необходимости система промывки поточных преобразователей;
- при необходимости фильтры (рабочий и резервный).
В состав БИК могут включаться дополнительные СИ показателей качества нефти (анализаторы содержания соли, серы).
При измерении массы нефти прямым динамическим методом допускается не включать поточный плотномер в состав БИК, при этом следует предусмотреть место подключения преобразователя плотности для проведения поверки и контроля MX преобразователей массового расхода.
7.2.7 Инженерные системы помещения БИК должны обеспечивать:
- искусственное освещение с освещенностью не менее 100 люкс;
- автоматическое регулирование температуры в помещении в заданных пределах;
- естественную вытяжную вентиляцию из верхней зоны по полному объему помещения;
- механическую вытяжную вентиляцию из нижней зоны периодического действия с восьмикратным воздухообменом в час по полному объему помещения, включаемую автоматически (при достижении загазованности в объеме 20 % от НПВ) и вручную с кнопочного поста, размещенного снаружи у входа в помещение;
- автоматическое отключение всех электропотребителей (кроме вентилятора) при достижении загазованности в объеме 40 % от НПВ для магистральных и 50 % для промысловых нефтепроводов;
- контроль загазованности и пожара с соответствующей световой и звуковой сигнализацией снаружи у входа в помещение и на сигнальном табло в операторной.
7.2.8 В БИК предусматривают:
- узел для подсоединения пикнометрической установки на ветви преобразователя плотности;
- место для выполнения измерений плотности нефти ареометром.
7.2.9 Термокарманы преобразователей температуры и термометров должны обеспечивать глубину погружения в рабочую среду не менее 2/3 Ду трубопровода. Расположение термокарманов должно достоверность измерений.
7.2.10 Дренажная система должна быть закрытой. В верхних точках технологической обвязки предусматривают шаровые краны-воздушники.
7.2.11 В технологической обвязке поточных преобразователей и оборудования БИК следует применять полнопроходные шаровые краны.
7.3 БЛОК ФИЛЬТРОВ
7.3.1 БФ должен состоять не менее чем из двух фильтров (рабочий и резервный).
7.3.2 Количество и диаметр фильтров рассчитывают из условия обеспечения максимальной производительности СИКН при общем перепаде давления на БФ не более 0,05 МПа.
7.3.3 Рекомендуется применять фильтры с быстросъемными крышками, фильтрующими элементами из нержавеющей стали.
7.3.4 Фильтрующий элемент следует выбирать исходя из условия обеспечения необходимой степени фильтрации с учетом показателей качества нефти.
7.3.5 Фильтр оснащают дренажным краном, краном-воздушником, преобразователем перепада давления и манометрами или показывающими дифманометрами с пределами допускаемой относительной погрешности не более ± 1,0 %.
7.3.6 Дренажная система БФ должна быть закрытой.
7.4 ПОВЕРОЧНАЯ УСТАНОВКА
7.4.1 ПУ выбирают, исходя из следующих условий:
пропускная способность ПУ должна соответствовать полному диапазону расхода ПР;
максимальное рабочее давление ПУ должно соответствовать максимальному рабочему давлению СИКН;
пределы допускаемой относительной погрешности ПУ должны соответствовать требованиям ГОСТ 8.510;
обеспечение возможности проведения поверки ПР на месте эксплуатации без нарушения режимов перекачки нефти.
7.4.2 На входе и выходе ПУ должны быть установлены:
- преобразователь температуры и термокарман для стеклянного термометра;
- манометр и преобразователь давления.
7.4.3 Необходимо предусматривать возможность поверки стационарной ПУ с помощью передвижной ПУ или эталонных весов и мерников.
7.4.4 Трубопроводы подключения ПУ к БИЛ должны проектироваться с наименьшим числом поворотов.
7.4.5 При опорожнении ПУ участки трубопроводов, ограниченные запорной арматурой, должны опорожняться полностью.
7.4.6 Стационарную ПУ размещают в здании или предусматривают теплоизоляцию калиброванного участка.
7.4.7 Конструкция ПУ должна обеспечивать возможность автоматизированного управления процессом поверки.
7.4.8 ПУ должна иметь закрытую дренажную систему с герметичной запорной арматурой.
7.5 СИСТЕМА СБОРА И ОБРАБОТКИ ИНФОРМАЦИИ
7.5.1 Система сбора и обработки информации обеспечивает автоматизированное выполнение функций сбора, обработки, отображения, регистрации информации по учету нефти и управление режимами работы СИКН.
7.5.2 При проектировании СОИ должно быть обеспечено «горячее» резервирование.
7.5.3 Число входов СОИ должно быть определено при разработке ТЗ с учетом резерва (не менее одного входа каждого типа из используемых).
7.5.4 СОИ должна обеспечивать выполнение функций:
а) обработка сигналов, поступающих от первичных измерительных преобразователей;
б) преобразование значений параметров входных сигналов в значения величин и их отображение;
в) автоматизация операций поверки и контроля MX ПР с формированием протоколов;
г) отображение и регистрация измерительной и технологической информации:
- просмотр в реальном масштабе времени режимов работы ИЛ и измерительных преобразователей, пределов измеряемых величин, пределов разности показаний преобразователей;
- просмотр констант и коэффициентов СИ;
- автоматическое построение, отображение и печать графиков измеряемых величин (трендов);
- оповещение персонала о нарушениях технологического режима и аварийных ситуациях (вывод сообщения на экран, подача звукового сигнала, вывод на печать);
- регистрация событий в журнале событий;
д) автоматизированное управление и технологический контроль за работой оборудования:
- установку режимов работы ИЛ и измерительных преобразователей БИК;
- управление задвижками;
- управление пробоотборниками;
- переключение комплектов оборудования;
е) формирование основных отчетных документов:
- отчетов (сменного, суточного, месячного);
- паспорта качества нефти;
- акта приема-сдачи;
- суточного оперативного журнала регистрации показаний СИ СИКН;
ж) архивирование данных;
з) печать отчетных документов, журналов событий, протоколов поверки и контроля;
и) привилегированный доступ при помощи паролей по уровням управления и работы с программой;
к) прием данных от систем противопожарной автоматики, контроля загазованности;
л) прием и отображение в реальном времени данных СИ, не входящих в состав СИКН (индикаторов фазового состояния, преобразователей давления, уровнемеров);
м) создание мнемосхем;
н) создание и редактирование шаблонов отчетных документов; о) защита СОИ от несанкционированного доступа;
п) вывод информации в локальную сеть принимающей (сдающей) стороны по согласованным протоколам обмена.
7.5.5 СОИ должна обеспечивать отображение и вывод на печать отчетных данных с числом значащих цифр после запятой, указанным в таблице 7.1.
Таблица 7.1
|
Параметр (характеристика) |
Единица величины |
Число цифр после запятой |
|
Температура |
°С |
1 |
|
Давление |
МПа |
2 |
|
Плотность |
кг/м3 |
1 |
|
Массовая доля воды |
% |
2 |
|
Вязкость |
сСт |
1 |
|
Положение арматуры |
% |
0 |
|
Масса |
т |
0 |
|
Объем |
м3 |
0 |
7.5.6 Цвет индикации, применяемый для отображения на мнемосхеме состояния СИ и оборудования, должен соответствовать:
зеленый - «рабочее состояние, объект включен», «открыто» (для запорной арматуры);
желтый - «закрыто» (для запорной арматуры); красный - «объект отключен»;
красный мигающий - «аварийное состояние объекта»;
коричневый - «объект в ремонте»;
серый - «неопределенное состояние объекта»;
синий - «снятое СИ».
7.5.7 При проектировании СОИ следует предусмотреть технические средства для хранения архивов в течение указанных сроков:
- протоколы событий, тренды - 1 мес;
- данные оперативной информации за 2 часа, отчеты за смену, сутки - 3 мес;
- месячные отчеты - 1 год;
- паспорта качества, акты приема-сдачи - 3 мес.
7.5.8 Для исключения несанкционированного доступа к СОИ предусматривают установку клейм и пломб в соответствии с требованиями НД.
7.6 ТРЕБОВАНИЯ К ЭЛЕКТРОПИТАНИЮ И ЭЛЕКТРИЧЕСКИМ ПРОВОДАМ
7.6.1 Электропитание составных частей СИКН следует осуществлять напряжением:
380 В / 50 Гц - силового оборудования;
220 В / 50 Гц - оборудования СОИ.
7.6.2 СОИ оснащают устройством гарантированного питания, обеспечивающим непрерывную работу в течение двух часов при нарушении электроснабжения сети.
7.6.3 Выбор марок кабелей, способа прокладки следует осуществлять в зависимости от требований изготовителей оборудования и условий эксплуатации.
7.6.4 Число резервных жил необходимо предусматривать в размере не менее 10 % от числа рабочих жил.
7.6.5 Измерительные цепи от преобразователей расхода и плотности необходимо прокладывать отдельными кабелями.
7.6.6 Экраны контрольных кабелей подключают к контуру заземления только со стороны вторичных приборов.
7.6.7 Измерительные цепи и цепи питания должны быть выполнены в отдельных кабелях.
7.6.8 При совместной прокладке контрольных и силовых кабелей расстояние между ними должно быть:
- 250 мм при напряжении 220 В;
- 600 мм при напряжении 380 В.
8.1 СОИ должна быть расположена в отапливаемом помещении, БИК - в помещении с регулированием температуры. БИЛ и ПУ рекомендуется располагать в помещении или укрытии.
8.2 Технологическое оборудование и первичные преобразователи СИКН должны соответствовать условиям эксплуатации на открытом воздухе и закрытых отапливаемых помещениях, где возможно образование паров ЛВЖ (классы взрывоопасной и пожароопасной зоны по ПУЭ В1г и В1а).
8.3 Все поставляемое оборудование, СИ, входящие в состав СИКН, должны иметь действующие сертификаты соответствия и утверждения типа СИ Госстандарта России, сертификаты Госгортехнадзора, документы на методики поверки, эксплуатационную документацию. Эксплуатационная документация а быть выполнена на русском языке.
8.4 Защитное заземление должно соответствовать требованиям ГОСТ 12.1.030.
8.5 В проектной документации должны быть приведены требования по обеспечению молниезащиты оборудования СИКН.
8.6 Уклон дренажной системы должен быть не менее 0,002. При необходимости следует предусмотреть раздельную дренажную систему для учтенной и неучтенной нефти.
8.7 Для заполнения нефтью оборудования, технологических трубопроводов, БИК и ПУ следует предусмотреть в верхних точках шаровые краны-воздушники.
8.8 Для облегчения ревизии оборудования Ду 100 и более на площадках БИЛ и ПУ должны быть предусмотрены грузоподъемные механизмы.
8.9 На ИЛ должны быть предусмотрены компенсаторы для демонтажа и установки ПР.
8.10 Для обеспечения доступа к оборудованию и СИ следует предусмотреть переходы и площадки.
8.11 Термометры должны быть защищены гильзами, видимая часть шкалы должна соответствовать рабочему диапазону температуры.
9.1 Оборудование и СИ, применяемые в проекте, должны обеспечивать срок службы СИКН в целом не менее 8 лет.
9.2 Допускается применение оборудования и СИ со сроком службы менее 8 лет с заменой их в процессе эксплуатации.
1. ТЗ, утвержденное и согласованное в установленном порядке.
2. Технологическая схема СИКН.
3. Функциональная схема автоматизации.
4. Пояснительная записка.
5. Эксплуатационные документы, на которые приведены ссылки в пояснительной записке.
6. Дополнительные материалы и информация по согласованию с организацией, проводящей метрологическую экспертизу.
Титульный лист по ГОСТ 2.105
1 Наименование, место расположения и назначение СИКН
2 Характеристика рабочей среды
2.1 Рабочая среда: сырая/товарная нефть по ГОСТ Р 51858 (указывают).
2.2 Физико-химические показатели нефти (указывают в таблице 1):
Таблица 1
|
Наименование показателя |
Значение показателя |
|
1 Вязкость кинематическая, мм2/с (сСт) |
от ... до ... (...) |
|
2 Плотность, кг/м3: |
|
|
при минимальной в течение года температуре нефти; |
от ... до ... |
|
при максимальной в течение года температуре нефти |
от ... до ... |
|
3 Температура, °С |
от ... до ... |
|
4 Давление насыщенных паров при максимальной температуре нефти, кПа (мм.рт.ст.), не более |
...(...) |
|
5 Массовая доля воды, %, не более |
|
|
6 Концентрация хлористых солей, мг/дм3 |
от ... до ... |
|
7 Массовая доля механических примесей, % |
от ... до ... |
|
8 Содержание парафина, %, не более |
... |
|
9 Массовая доля сероводорода, млн.-1 (ррm), не более |
.../ не нормируется |
|
10 Массовая доля серы, %, не более |
... |
|
11 Массовая доля метил- и этил-меркаптанов в сумме, млн.-1 (ррm), не более |
... |
|
12 Содержание свободного газа |
не допускается |
3 Основные технические характеристики СИКН
Указывают значения основных характеристик СИКН в таблице 2.
Основные характеристики СИКН
Таблица 2
|
Наименование характеристики |
Значение характеристики |
|
1 Расход нефти через СИКН, м3/ч (т/ч) |
от ... до ... |
|
2 Давление нефти, МПа: |
|
|
- рабочее |
от ... до ... |
|
- минимальное допускаемое |
... |
|
- максимальное допускаемое |
... |
|
3 Суммарные потери давления на СИКН при максимальном расходе и максимальной вязкости, МПа: |
|
|
- в рабочем режиме |
... |
|
- в режиме поверки |
... |
|
4 Режим работы СИКН |
непрерывный/периодический |
|
5 Режим управления запорной арматурой |
неавтоматизированный/автоматизированный |
|
6 Режим работы ПУ |
неавтоматизированный/автоматизированный |
|
7 Способ поверки ПУ |
по передвижной ПУ/ по стационарной установке с образцовыми весами и мерниками/по мобильной установке с образцовым мерником |
|
8 Электропитание |
трехфазное 380 В / 50 Гц; 220 В / 50 Гц |
4 Состав СИКН
Указывают:
4.1 Состав технологической части:
- БИЛ;
- БИК;
- пробозаборное устройство;
- узел подключения передвижной ПУ;
- технологические и дренажные трубопроводы.
Указывают наличие следующих составных частей:
- БФ;
- стационарная ПУ;
- узел регулирования давления;
- узел регулирования расхода через ПУ.
4.1.1 Требования к БИЛ
Указывают:
- тип ПР (объемного, массового расхода);
- диаметр входного и выходного коллекторов;
- диаметр и число рабочих измерительных ИЛ;
- наличие контрольной ИЛ;
- число резервных ИЛ.
4.1.2 Требования к БИК
Указывают:
- варианты построения технологической обвязки (последовательный или параллельный);
- вариант схемы (насосная или безнасосная);
- требуемый состав БИК;
- требования к системе промывки.
4.1.3 Требования к пробозаборному устройству
Указывают:
- тип пробозаборного устройства;
- место установки пробозаборного устройства (на входном или выходном коллекторе);
- наличие лубрикатора.
4.1.4 Требования к узлу подключения передвижной ПУ
Указывают:
- тип передвижной ПУ;
- высоту подключения;
- расстояние между подключаемыми патрубками.
4.1.5 Требования к стационарной ПУ
Указывают тип ПУ.
4.2 Требования к СОИ
Указывают требования к СОИ. Указывают о необходимости «горячего» резервирования.
5 Требования по размещению
Указывают вариант размещения составных частей: на открытой площадке, в здании.
В случае размещения составных частей СИКН в здании указывают требования к зданию.
6 Условия эксплуатации
6.1 Климатическая характеристика района строительства Указывают в соответствии со СНиП 2.01.07 следующие характеристики:
- снеговую нагрузку, кПа (кгс/см );
- ветровую нагрузку, кПа (кгс/см2);
- расчетную температуру наружного воздуха (от минус ... °С до плюс ... °С, нижнее значение принимают равным температуре наиболее холодной пятидневки).
6.2 Характеристика условий эксплуатации составных частей СИКН
Указывают:
- температуру воздуха в закрытом отапливаемом помещении для технологических блоков (от минус ... °С до плюс ... °С);
- температуру окружающего воздуха в операторной (от минус ... °С до плюс ... °С);
- температуру воздуха в БИК при размещении в блок-боксе (от минус ... °С до плюс...°С).
7 Дополнительные требования
Указывают дополнительные требования заказчика, которые необходимо учесть при проектировании.
8 Сведения о проектных организациях
Указывают:
8.1 Наименование генеральной проектной организации.
8.2 Наименование субподрядной проектной организации-разработчика СИКН.
9 Сроки строительства
Титульный лист по ГОСТ 2.105
СОДЕРЖАНИЕ
Настоящее техническое задание (ТЗ) определяет требования к назначению, составу, техническим и эксплуатационным характеристикам и разрабатываемой проектной документации на систему .... (СИКН) приемо - сдаточного пункта [наименование и место размещения ПСП].
Основание для проектирования
Например: на основе стратегических и тактических решений по капитальному строительству системы измерения количества и показателей качества нефти (далее СИКН) №___ , рассмотренных и принятых на рабочем совещании специалистов «___________» и «_________»).
СОКРАЩЕНИЯ
В настоящем ТЗ использованы следующие сокращения:
СИКН - Система измерений количества и показателей качества нефти.
БФ - Блок фильтров.
БИЛ - Блок измерительных линий
БИК - Блок измерений показателей качества нефти
СОИ - Система сбора и обработки информации
ПУ - Поверочная установка.
СИ - Средства измерения
ЛВС - Локальная вычислительная сеть
[другие применяемые сокращения]
1 НАЗНАЧЕНИЕ СИКН
Проектируемая СИКН предназначена для автоматизированного [указывается вид учетной операции: оперативный или коммерческий] учета нефти [при необходимости указывается месторождение], поступающей с [предприятие - поставщик] и подлежащей сдаче [предприятие - получатель]
2 ХАРАКТЕРИСТИКА РАБОЧЕЙ СРЕДЫ
В разделе указывают вид среды и приводят физико-химические показатели рабочей среды в соответствии с НД.
Например:
2.1 Рабочая среда: [сырая/товарная] нефть по ГОСТ Р 51858-2002.
2.2 Физико-химические показатели нефти приведены в таблице 1:
Таблица 1
|
Наименование показателя |
Значение показателя |
|
1 Вязкость кинематическая, мм2/с (сСт) |
от ... до ... (...) |
|
2 Плотность, кг/м3: |
|
|
при минимальной в течение года температуре нефти; |
от ... до ... |
|
при максимальной в течение года температуре нефти |
от ... до ... |
|
3 Температура, °С |
от ... до ... |
|
4 Давление насыщенных паров при максимальной температуре нефти, кПа (мм.рт.ст.), не более |
...(...) |
|
5 Массовая доля воды, %, не более |
|
|
6 Концентрация хлористых солей, мг/дм3 |
от ... до ... |
|
7 Массовая доля механических примесей, % |
от ... до ... |
|
8 Содержание парафина, %, не более |
... |
|
9 Массовая доля сероводорода, млн.-1 (ррm), не более |
.../ не нормируется |
|
10 Массовая доля серы, %, не более |
... |
|
11 Массовая доля метил- и этил-меркаптанов в сумме, млн.-1 (ррm), не более |
... |
|
12 Содержание свободного газа |
не допускается |
3 ОСНОВНЫЕ ТЕХНИЧЕСКИЕ ХАРАКТЕРИСТИКИ СИКН
В разделе указывают основные параметры режима работы СИКН, а также ее составных частей.
Например:
Основные технические характеристики СИКН приведены в таблице 2.
Таблица 2
|
Наименование характеристики |
Значение характеристики |
|
1 Расход нефти через СИКН, м3/ч (т/ч) |
от ... до ... |
|
2 Давление нефти, МПа: |
|
|
- рабочее |
от ... до ... |
|
- минимальное допускаемое |
... |
|
- максимальное допускаемое |
... |
|
3 Суммарные потери давления на СИКН при максимальном расходе и максимальной вязкости, МПа: |
|
|
- в рабочем режиме |
... |
|
- в режиме поверки |
... |
|
4 Режим работы СИКН |
непрерывный/периодический |
|
5 Режим управления запорной арматурой |
неавтоматизированный/автоматизированный |
|
6 Режим работы ПУ |
неавтоматизированный/автоматизированный |
|
7 Способ поверки ПУ |
по передвижной ПУ/ по стационарной установке с образцовыми весами и мерниками/по мобильной установке с образцовым мерником |
|
8 Электропитание |
трехфазное 380 В / 50 Гц; 220 В / 50 Гц |
4. ТЕХНИЧЕСКИЕ ТРЕБОВАНИЯ
4.1 ТРЕБОВАНИЯ К ФУНКЦИОНАЛЬНЫМ ВОЗМОЖНОСТЯМ СИКН
В подразделе указывают требования к функциям СИКН и ее составных частей.
Например:
4.1.1 Вводимые, измеряемые и расчетные параметры в СИКН должны быть представлены в единицах величин (указывают).
Например:
- масса т;
- расход т/ч; (м3/ч);
- плотность кг/м ;
- давление МПа;
- температура °С.
(указывают другие параметры)
4.1.2 СИКН должна обеспечивать (указывают).
Например:
- измерение массы учтенной нефти за установленные (назначенные) интервалы времени;
- измерение плотности нефти;
- определение значения плотности нефти, приведенной к стандартным условиям, за установленные интервалы времени;
- определение массовой доли воды в нефти;
- определение значения массовой доли воды в нефти за установленные интервалы времени;
- измерение температуры нефти в ИЛ;
- измерение давления нефти в ИЛ;
(указывают другие функции).
4.1.3 Измерение в автоматическом режиме (указывают).
4.1.4 Автоматизированное управление (указывают).
Например:
- включение, выключение ИЛ;
- поддержание заданного расхода через ИЛ;
- управление запорной арматурой с сигнализацией их положения;
(указывают другие функции).
4.1.5 Автоматический отбор объединенной пробы, как пропорционально количеству перекачиваемой за смену нефти, так и пропорционально времени.
4.1.6 Ручной отбор точечной пробы.
4.1.7 Автоматизированное выполнение поверки и контроля MX ПР по ПУ без нарушения функции учета нефти. Формирование и печать протоколов поверки и контроля.
4.1.8 Ручной (автоматизированный) контроль герметичности запорной арматуры, участвующей в схемах поверки и контроле MX.
4.1.9 Автоматический контроль, индикацию и сигнализацию предельных значений параметров (указывают).
Например:
- расхода нефти по каждой измерительной линии более 2,5 % от поверенного диапазона;
- температуры нефти в ИЛ, БИК, ПУ;
- перепада давления на фильтрах;
- давления на ИЛ, БИК, ПУ, на входном и выходном коллекторах;
- плотности нефти и разности показаний плотномеров;
- наличия свободного газа;
(указывают другие параметры).
4.1.10 Индикацию значений измеряемых величин на экране монитора (указывают).
Например:
- массы, объема, расхода по каждой измерительной линии;
- плотности и массовой доли воды в нефти;
- температуры и давления по каждой линии, в БИК, ПУ;
(указывают другие величины).
4.1.11 Регистрацию результатов измерений, их хранение и передачу на системы верхнего уровня (указывают способ передачи).
Объем передаваемой информации Заказчик согласовывает с Исполнителем на этапе проектирования.
4.1.12 Формирование в автоматическом режиме отчетов (указать каких). Формирование по запросу текущих отчетов (указывают каких).
Отображение и печать отчетов.
4.1.13 Учет и формирование журнала событий системы (указывают).
Например: переключения, аварийные сигналы, сообщения об ошибках и отказах системы и ее элементов.
Указывают другие требования по функционированию СИКН, которые необходимо учесть при проектировании.
4.2 ТРЕБОВАНИЯ К СОСТАВУ СИКН
В подразделе приводят требования к составу СИКН и ее составных частей. При необходимости приводят структурную схему СИКН.
Например:
4.2.1 Состав технологической части:
- БИЛ;
- БИК;
- пробозаборное устройство;
- узел подключения передвижной ПУ;
- технологические и дренажные трубопроводы.
Указать наличие следующих составных частей:
- БФ;
- стационарная ПУ;
- узел регулирования давления;
- узел регулирования расхода через ПУ.
4.2.1.1 Требования к БИЛ.
Например:
- тип ПР (объемного, массового расхода);
- диаметр входного и выходного коллекторов
- диаметр и число рабочих измерительных линий;
- наличие контрольной линии;
- число резервных линий.
4.2.1.2 Требования к БИК.
Например:
- варианты построения технологической обвязки (последовательный или параллельный);
- вариант схемы (насосная или безнасосная);
- требуемый состав БИК;
- требования к системе промывки.
4.2.1.3 Требования к пробозаборному устройству.
Например:
- тип пробозаборного устройства;
- место установки пробозаборного устройства (на входном или выходном коллекторе);
- наличие лубрикатора.
4.2.1.4 Требования к узлу подключения передвижной ПУ.
Например:
- тип передвижной ПУ;
- высота подключения;
- расстояние между подключаемыми патрубками.
4.2.1.5 Требования к стационарной ПУ.
4.2.1.6 Требования к СОИ.
Указывают требования к СОИ. Указывают «горячее» резервирование. При необходимости может быть приведена структурная схема СИКН.
4.3 ТРЕБОВАНИЯ К МЕТРОЛОГИЧЕСКИМ ХАРАКТЕРИСТИКАМ
В подразделе «Требования к метрологическим характеристикам» указывают метод измерения массы нефти и пределы доверительной относительной погрешности измерений массы продукта в соответствии с НД.
4.4 УСЛОВИЯ ЭКСПЛУАТАЦИИ И ТРЕБОВАНИЯ ПО РАЗМЕЩЕНИЮ СОСТАВНЫХ ЧАСТЕЙ СИКН
В подразделе приводят требования к условиям эксплуатации и размещению составных частей.
Например:
4.4.1 Указывают вариант размещения составных частей: на открытой площадке, в здании.
4.4.2 Характеристика условий эксплуатации составных частей СИКН.
Указывают:
- температуру воздуха в закрытом отапливаемом помещении для технологических блоков (от минус ... °С до плюс ... °С);
- температуру окружающего воздуха в операторной (от минус ... °С до плюс ... °С).
- температуру воздуха в БИК при размещении в блок-боксе (от минус ... °С до плюс...°С).
4.4.3 В случае размещения составных частей СИКН в здании указывают требования к зданию.
Взрывопожарная и пожарная опасность зданий, помещений и наружных установок СИКН.
Например:
Таблица 3
|
Наименование сооружений |
План размещения |
Категория взрывопожарной и пожарной опасности помещений зданий и наружных установок |
Классификация зон внутри и вне помещений для выбора и установки электрооборудования (ПУЭ) |
Примечание |
|
|
Класс взрывоопасной или пожарной зоны |
Категория и группа взрывопожароопасных смесей |
||||
|
БИЛ |
Помещение |
А |
В-1а |
II АТЗ |
|
|
БИК |
Помещение |
А |
В-1а |
II АТЗ |
|
|
Блок фильтров |
На открытой площадке |
Ан |
В-1г |
II АТЗ |
|
|
Поверочная установка |
Помещение |
А |
В-1а |
II АТЗ |
|
|
СОИ |
Помещение |
Д |
|
|
|
4.5 ТРЕБОВАНИЯ К НАДЕЖНОСТИ
В подразделе приводят требования к надежности.
4.6 ТРЕБОВАНИЯ К ЗАЩИТЕ ОТ ВНЕШНИХ ВОЗДЕЙСТВИЙ
Например:
4.6.1 Указывают вид климатического исполнения оборудования.
4.6.2 По устойчивости к механическим воздействиям оборудование СИКН должно соответствовать группе - (указывают).
4.6.3 Электрооборудование, устанавливаемое в помещении с технологическим оборудованием, должно иметь конструктивное исполнение, позволяющее его эксплуатацию во взрывоопасных зонах класса - (указывают).
4.6.4 Все измерительные цепи от преобразователей до вторичной аппаратуры должны прокладываться экранированными кабелями.
(указывают другие требования)
4.7 ТРЕБОВАНИЯ К ЭЛЕКТРОСНАБЖЕНИЮ
Например:
4.7.1 Электроснабжение оборудования технологической части - (указывают).
4.7.2 Электроснабжение вторичной аппаратуры - (указывают).
4.7.3 СОИ СИКН должна быть обеспечена устройством гарантированного питания, обеспечивающим непрерывную работу оборудования системы при нарушении электроснабжения в сети в течение - (указывают) часов.
(указывают другие требования)
4.8 ТРЕБОВАНИЯ К БЕЗОПАСНОСТИ
4.9 ЭРГОНОМИЧЕСКИЕ ТРЕБОВАНИЯ
4.10 ТРЕБОВАНИЯ К МАРКИРОВКЕ И УПАКОВКЕ
4.11 ТРЕБОВАНИЯ К ТРАНСПОРТИРОВАНИЮ И ХРАНЕНИЮ
5 ТРЕБОВАНИЯ К ДОКУМЕНТАЦИИ
В разделе приводят требования к составу и объему разрабатываемой документации.
6 ТРЕБОВАНИЯ К ОРГАНИЗАЦИИ РАЗРАБОТКИ И ПРИЕМКИ
В разделе устанавливают этапы разработки, объемы работ, порядок выполнения и приемки работ.
По усмотрению разработчика ТЗ допускается вводить новые, исключать отдельные разделы или объединять их с другими.

Рисунок В.1

Рисунок В.2

Рисунок В.3
Максимальный расход через трубопровод: 2500 м3/ч.
Минимальный расход через трубопровод: 800 м3/ч.
Максимальная пропускная способность ПР Ду200: 1100 м3/ч.
Число рабочих линий: 2500/(0,8´1100) » 3.
Число резервных линий: 0,3´3 » 1.
Общее число измерительных линий: 4.

Рисунок Д.1 - Схема БИК для СИКН с массомерами

Рисунок Д.2

Рисунок Д.3
Расчет расхода нефти через пробозаборное устройство выполняют в соответствии с требованием ГОСТ 2517, устанавливающим требование равенства скорости жидкости на входе в пробозаборное устройство и линейной скорости жидкости в трубопроводе в месте отбора проб в том же направлении (условие изокинетичности пробоотбора).
Значение расхода на входе в пробозаборное устройство и в трубопроводе БИК рассчитывают по формуле
(Е.1)
где Q - расход на входе в пробозаборное устройство, м / ч;
Qmp - расход в трубопроводе в месте отбора проб, м3/ ч;
Fy - площадь входного поперечного сечения пробозаборного устройства, мм2;
Fmp - площадь поперечного сечения трубопровода, мм2.
Фактическое значение Q согласно п. 2.13.1.3 ГОСТ 2517 может отличаться от рассчитанного по формуле (Е.1) в два раза в большую или меньшую сторону.