|
ФЕДЕРАЛЬНОЕ АГЕНТСТВО |
||
|
|
НАЦИОНАЛЬНЫЙ СТАНДАРТ российской ФЕДЕРАЦИИ |
ГОСТ Р 52949- 2008 |
ФИТИНГИ-ПЕРЕХОДНИКИ ИЗ МЕДИ
И МЕДНЫХ СПЛАВОВ ДЛЯ СОЕДИНЕНИЯ
ТРУБОПРОВОДОВ
Технические условия
|
|
Москва Стандартинформ 2008 |
Предисловие
Цели и принципы стандартизации в Российской Федерации установлены Федеральным законом от 27 декабря
Сведения о стандарте
1 РАЗРАБОТАН Техническим комитетом по стандартизации ТК 106 «Цветметпрокат», Научно-исследовательским, проектным и конструкторским институтом сплавов и обработки цветных металлов «Открытое акционерное общество «Институт Цветметобработка»
2 ВНЕСЕН Техническим комитетом по стандартизации ТК 106 «Цветметпрокат»
3
УТВЕРЖДЕН И ВВЕДЕН В ДЕЙСТВИЕ Приказом Федерального агентства по техническому
регулированию и метрологии от 14 августа
4 Настоящий стандарт разработан с учетом основных нормативных положений регионального стандарта ЕН 1254-4:1998 «Медь и медные сплавы. Фитинги. Часть 4. Фитинги, присоединяемые комбинацией капиллярной пайки твердым или мягким припоем или обжатия с другими типами соединений (EN 1254-4:1998 «Copper and copper alloys - Plumbing fittings - Part 4: Fittings combining other end connections with capillary or compression ends», NEQ)
5 ВВЕДЕН ВПЕРВЫЕ
Информация об изменениях к настоящему стандарту публикуется в ежегодно издаваемом информационном указателе «Национальные стандарты», а текст изменений и поправок - в ежемесячно издаваемых информационных указателях «Национальные стандарты». В случае пересмотра (замены) или отмены настоящего стандарта соответствующее уведомление будет опубликовано в ежемесячно издаваемом информационном указателе «Национальные стандарты». Соответствующая информация, уведомление и тексты размещаются также в информационной системе общего пользования - на официальном сайте Федерального агентства по техническому регулированию и метрологии в сети Интернет
Содержание
НАЦИОНАЛЬНЫЙ СТАНДАРТ РОССИЙСКОЙ ФЕДЕРАЦИИ
|
ФИТИНГИ-ПЕРЕХОДНИКИ ИЗ МЕДИ И МЕДНЫХ СПЛАВОВ Технические условия Fittings-adapters from copper and copper
alloys for connecting the pipelines. |
Дата введения - 2009-07-01
Настоящий стандарт распространяется на фитинги-переходники из меди и медных сплавов с разными концами: для пайки или прессования с одной стороны и резьбовыми - с другой, предназначенные для соединения медных труб, изготовленных по ГОСТ Р 52318, и устанавливает требования к фитингам-переходникам, используемым в системах: питьевого водоснабжения, холодного и горячего водоснабжения, водяного (парового) отопления, нагревательных и охлаждающих, канализации, водоочистных сооружений и газоснабжения.
Стандарт устанавливает резьбовые соединения концов фитингов, типы и размеры резьбы.
В настоящем стандарте использованы нормативные ссылки на следующие стандарты:
ГОСТ Р 52318-2005 Трубы медные круглого сечения для воды и газа. Технические условия
ГОСТ Р 52922-2008 Фитинги из меди и медных сплавов для соединения медных труб способом капиллярной пайки. Технические условия
ГОСТ Р 52948-2008 Фитинги из меди и медных сплавов для соединения медных труб способом прессования. Технические условия
ГОСТ 2533-88 Калибры для трубной цилиндрической резьбы. Допуски
ГОСТ 6211-81 Основные нормы взаимозаменяемости. Резьба трубная коническая
ГОСТ 6357-81 Основные нормы взаимозаменяемости. Резьба трубная цилиндрическая
ГОСТ 7157-79 Калибры для трубной конической резьбы. Типы. Основные размеры и допуски
ГОСТ 24939-81 Калибры для цилиндрических резьб. Виды
Примечание - При пользовании настоящим стандартом целесообразно проверить действие ссылочных стандартов в информационной системе общего пользования - на официальном сайте Федерального агентства по техническому регулированию и метрологии в сети Интернет или по ежегодно издаваемому информационному указателю «Национальные стандарты», который опубликован по состоянию на 1 января текущего года, и по соответствующим ежемесячно издаваемым информационным указателям, опубликованным в текущем году. Если ссылочный стандарт заменен (изменен), то при пользовании настоящим стандартом следует руководствоваться заменяющим (измененным) стандартом. Если ссылочный стандарт отменен без замены, то положение, в котором дана ссылка на него, применяется в части, не затрагивающей эту ссылку.
В настоящем стандарте применены следующие термины с соответствующими определениями:
3.1 фитинг: Устройство в трубопроводной системе, предназначенное для соединения труб между собой или с другими компонентами этой системы.
3.2 резьбовое соединение: Соединение, которое обеспечивает разъединение системы без нарушения других секций трубы.
Резьбовое соединение может быть: сфера в конус, конус в конус или конус в радиус или в плоскую поверхность с уплотнителем.
Составные части резьбового соединения должны быть только от одного конкретного производителя.
4.1 Материалы, технические требования, методы контроля и испытаний, правила приемки, маркировка, упаковка, транспортирование и хранение должны соответствовать требованиям для фитингов-переходников:
- с концом для капиллярной пайки по ГОСТ Р 52922;
- с концом для прессования по ГОСТ Р 52948.
4.2 Резьбовое соединение при сборке должно выдерживать максимальное эксплуатационное давление для соответствующего конца трубы. При разъединении и повторном присоединении резьбовое соединение должно выдерживать максимальное эксплуатационное давление.
5.3 При монтаже трубопровода должны быть применены внутреннее и наружное цилиндрические и наружное коническое резьбовые соединения.
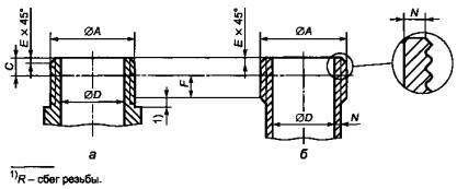
4.4 Внутреннее цилиндрическое резьбовое соединение приведено на рисунках 1 и 2.

Рисунок 1 - Внутреннее цилиндрическое резьбовое соединение с резьбой по ГОСТ 6357
Размеры внутренней цилиндрической резьбы должны соответствовать указанным в таблицах 1 и 2.
Таблица 1 - Размеры внутренней цилиндрической резьбы по ГОСТ 6357
В миллиметрах
|
Обозначение резьбы А |
Длина внутреннего участка фитинга под резьбу В, не менее |
Диаметр прессованного фитинга или прутка из латуни D, не менее |
Диаметр литого фитинга из латуни D, не менее |
Фаска Е1), не более |
Диаметр торца фитинга F, не менее |
Длина резьбы G, не менее |
|
Rp1/8 |
7,4 |
11,6 |
11,8 |
0,9 |
14,3 |
4,5 |
|
Rp1/4 |
11,0 |
15,2 |
15,4 |
1,3 |
18,2 |
7,0 |
|
Rp3/8 |
11,4 |
19,1 |
19,1 |
1,3 |
22,0 |
7,0 |
|
Rp1/2 |
15,0 |
23,8 |
23,8 |
1,8 |
26,7 |
9,0 |
|
Rp3/4 |
16,3 |
29,3 |
29,7 |
1,8 |
33,5 |
10,0 |
|
Rp1 |
19,1 |
36,3 |
36,9 |
2,3 |
40,9 |
11,5 |
|
Rp11/4 |
21,4 |
45,6 |
46,2 |
2,3 |
49,0 |
13,5 |
|
Rp11/2 |
21,4 |
51,4 |
52,0 |
2,3 |
56,6 |
13,5 |
|
Rp2 |
25,7 |
63,7 |
64,3 |
2,3 |
69,4 |
17,0 |
|
Rp21/2 |
30,2 |
80,4 |
80,8 |
2,3 |
86,2 |
18,5 |
|
Rp3 |
33,3 |
93,5 |
94,0 |
2,3 |
98,0 |
21,0 |
|
Rp4 |
39,3 |
120,0 |
121,0 |
2,3 |
120,0 |
26,0 |
|
1) По согласованию изготовителя с потребителем допускается взамен фаски Е снятие первого витка резьбы. |
||||||

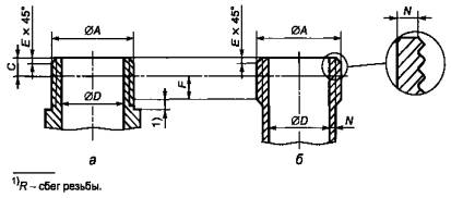
Рисунок 2 - Внутреннее цилиндрическое резьбовое соединение с резьбой по ГОСТ 6357
Таблица 2 - Размеры внутренней цилиндрической резьбы по ГОСТ 6357
В миллиметрах
|
Обозначение резьбы А |
Длина внутреннего участка фитинга под резьбу В, не менее |
Диаметр
деформируемого фитинга из меди и медных сплавов |
Диаметр литого фитинга из меди и медных сплавов D |
Фаска Е1), не более |
Диаметр торца
фитинга F2), |
Длина резьбы G, не менее |
|
G1/8 |
5,6 |
11,6 |
11,8 |
0,9 |
14,3 |
4,5 |
|
G1/4 |
8,0 |
15,2 |
15,4 |
1,3 |
18,2 |
7,0 |
|
G3/8 |
8,5 |
19,1 |
19,1 |
1,3 |
22,0 |
7,0 |
|
G1/2 |
10,5 |
23,8 |
23,8 |
1,8 |
26,7 |
9,0 |
|
G3/4 |
12,0 |
29,3 |
29,7 |
1,8 |
33,5 |
10,0 |
|
G1 |
13,5 |
36,3 |
36,9 |
2,3 |
40,9 |
11,5 |
|
G11/4 |
15,5 |
45,6 |
46,2 |
2,3 |
49,0 |
13,5 |
|
G11/2 |
15,5 |
51,4 |
52,0 |
2,3 |
56,6 |
13,5 |
|
G2 |
19,0 |
63,7 |
64,3 |
2,3 |
69,4 |
17,0 |
|
G21/2 |
20,0 |
80,4 |
80,8 |
2,3 |
86,2 |
18,5 |
|
G3 |
21,0 |
93,5 |
94,0 |
2,3 |
98,0 |
20,0 |
|
G4 |
23,0 |
120,0 |
121,0 |
2,3 |
120,0 |
22,0 |
|
1) По согласованию изготовителя с потребителем допускается взамен фаски Е снятие первого витка резьбы 2) При уплотнении торец X должен быть обработан резанием. Примечания 1 На фитинги без подрезки по согласованию изготовителя с потребителем наносят обозначение и маркировку: - для класса 1 - размер В (рисунок 2б); - для класса 2 - размер G (рисунок 2а). 2 Не допускается использовать внутреннюю цилиндрическую резьбу в сочетании с наружной конической резьбой. |
||||||
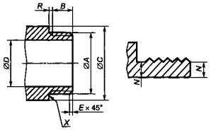
4.5 Наружное коническое резьбовое соединение приведено на рисунках 3 и 4.

Рисунок 3 - Наружное коническое резьбовое соединение с резьбой по ГОСТ 6211
Размеры наружной конической резьбы должны соответствовать указанным в таблицах 3 и 4.
Таблица 3 - Размеры наружной конической резьбы по ГОСТ 6211
В миллиметрах
|
Обозначение резьбы А |
Длина резьбы
от основной плоскости до сбега резьбы F, |
Длина резьбы от торца до основной плоскости С |
Диаметр фитинга D, не менее |
Фаска Е, не более |
|
|
не более |
не менее |
||||
|
R1/8 |
2,5 |
4,9 |
3,1 |
4 |
0,9 |
|
R1/4 |
3,7 |
7,3 |
4,7 |
6 |
1,3 |
|
R3/8 |
3,7 |
7,7 |
5,1 |
9 |
1,3 |
|
R1/2 |
5,0 |
10,0 |
6,4 |
10 |
1,8 |
|
R3/4 |
5,0 |
11,3 |
7,7 |
18 |
1,8 |
|
R1 |
6,4 |
12,7 |
8,1 |
23 |
2,3 |
|
R11/4 |
6,4 |
15,0 |
10,4 |
29 |
2,3 |
|
R11/2 |
6,4 |
15,0 |
10,4 |
36 |
2,3 |
|
R2 |
7,5 |
18,2 |
13,6 |
47 |
2,3 |
|
R21/2 |
9,2 |
21,0 |
14,0 |
55 |
2,3 |
|
R3 |
9,2 |
24,1 |
17,1 |
59 |
2,3 |
|
R4 |
10,4 |
28,9 |
21,9 |
75 |
2,3 |

Рисунок 4 - Наружное модифицированное коническое резьбовое соединение Rk по ГОСТ 6211
Таблица 4 - Размеры наружной модифицированной конической резьбы Rk по ГОСТ 6211
В миллиметрах
|
Обозначение |
Длина резьбы
от |
Длина резьбы
от торца до |
Диаметр
фитинга |
Фаска Е, не более |
|
|
не более |
не менее |
||||
|
Rk1/8 |
1,5 |
4,5 |
2,6 |
4 |
0,6 |
|
Rk1/4 |
2,3 |
6,6 |
4,0 |
6 |
0,9 |
|
Rk3/8 |
2,3 |
6,6 |
4,0 |
9 |
0,9 |
|
Rk1/2 |
3,2 |
8,5 |
4,0 |
10 |
1,2 |
|
Rk3/4 |
3,2 |
9,5 |
5,3 |
18 |
1,2 |
|
Rk1 |
4,0 |
10,5 |
5,4 |
23 |
1,5 |
|
Rk11/4 |
4,0 |
12,0 |
6,9 |
29 |
1,5 |
|
Rk11/2 |
4,0 |
12,6 |
8,0 |
36 |
1,5 |
|
Rk2 |
5,2 |
13,6 |
9,0 |
47 |
1,5 |
|
Rk21/2 |
5,8 |
16,3 |
9,3 |
55 |
1,5 |
|
Rk3 |
5,8 |
17,0 |
11,0 |
59 |
1,5 |
|
Rk4 |
6,9 |
21,0 |
14,7 |
76 |
1,5 |
4.6 Наружное цилиндрическое резьбовое соединение приведено на рисунке 5.

Рисунок 5 - Наружное цилиндрическое резьбовое соединение по ГОСТ 6357
Размеры наружной цилиндрической резьбы должны соответствовать указанным в таблице 5.
Таблица 5 - Размеры наружной цилиндрической резьбы по ГОСТ 6357
В миллиметрах
|
Обозначение резьбы А |
Длина резьбы В1) |
Диаметр торца
фитинга |
Диаметр фитинга D |
Фаска Е, |
Сбег резьбы R |
||
|
не более |
не менее |
не более |
не менее |
||||
|
G1/8B |
6,5 |
4,5 |
11,6 |
4 |
0,9 |
0,9 |
1,8 |
|
G1/4B |
7,5 |
6,0 |
15,2 |
6 |
1,3 |
1,3 |
2,6 |
|
G3/8B |
9,0 |
7,0 |
19,1 |
9 |
1,3 |
1,3 |
2,6 |
|
G1/2B |
8,5 |
7,0 |
23,8 |
10 |
1,8 |
1,8 |
3,6 |
|
G3/4B |
10,0 |
8,5 |
29,3 |
18 |
1,8 |
1,8 |
3,6 |
|
G1В |
11,0 |
9,5 |
36,3 |
23 |
2,3 |
2,3 |
4,6 |
|
G11/4B |
12,5 |
11,0 |
45,6 |
29 |
2,3 |
2,3 |
4,6 |
|
G11/2B |
14,0 |
12,5 |
51,4 |
36 |
2,3 |
2,3 |
4,6 |
|
G2B |
15,5 |
14,0 |
63,7 |
47 |
2,3 |
2,3 |
4,6 |
|
G21/2В |
17,5 |
15,5 |
80,4 |
55 |
2,3 |
2,3 |
4,6 |
|
G3B |
19,5 |
17,5 |
93,7 |
60 |
2,3 |
2,3 |
4,6 |
|
G4B |
21,5 |
19,5 |
119,6 |
75 |
2,3 |
2,3 |
4,6 |
|
1) Допускается для специальных целей увеличение максимальной длины В. 2) При уплотнении торец X должен быть обработан резанием с минимальным размером С поперек торца. |
|||||||
4.7 Предельное отклонение по диаметру фитингов с резьбовыми концами проверяют при помощи калибров по ГОСТ 2533, ГОСТ 7157 и ГОСТ 24939.
4.8 Момент вращения при уплотнении требуется прикладывать к гайке и на прямой участок трубы.
4.9 Минимальная толщина стенки у резьбовой части фитинга должна соответствовать указанной в таблице 6.
Таблица 6 - Минимальная толщина стенки фитинга
В миллиметрах
|
Обозначение резьбы |
Минимальная толщина стенки фитинга N из меди и медных сплавов |
|
|
деформируемых |
литых |
|
|
1/8 |
1,0 |
1,0 |
|
1/4 |
1,0 |
1,0 |
|
3/8 |
1,1 |
1,1 |
|
1/2 |
1,2 |
1,2 |
|
3/4 |
1,4 |
1,5 |
|
1 |
1,5 |
1,8 |
|
11/4 |
1,6 |
1,8 |
|
11/2 |
1,8 |
2,0 |
|
2 |
1,9 |
2,3 |
|
21/2 |
2,0 |
2,4 |
|
3 |
2,3 |
2,6 |
|
4 |
2,8 |
2,9 |
4.10 Минимальное поперечное сечение для фитингов с разными концами не распространяется на другие выходные отверстия.
4.11 Минимальный наружный диаметр торца на фитингах, имеющих уплотняющую фаску, должен соответствовать размеру С, указанному в таблице 5.
4.12 Свободные фланцы и крепеж на фитингах фланцевого типа может быть из черного металла, если другой не указан.
Примечание - Требования к защите от коррозии фланцев и крепежа из черных металлов указывает потребитель.
Ключевые слова: фитинги-переходники, медь, медные сплавы, резьбовое соединение, диаметр