|
ФЕДЕРАЛЬНОЕ АГЕНТСТВО |
||
|
|
НАЦИОНАЛЬНЫЙ |
ГОСТ Р |
КОНТЕЙНЕРЫ ГРУЗОВЫЕ СЕРИИ 1
Перегрузка и крепление
ISO 3874:1997
Series 1 freight containers - Handling and securing
(IDT)
|
|
Москва |
Цели и принципы стандартизации в Российской Федерации установлены Федеральным законом от 27 декабря 2002 г. № 184-ФЗ «О техническом регулировании», а правила применения национальных стандартов Российской Федерации - ГОСТ Р 1.0-2004 «Стандартизация в Российской Федерации. Основные положения»
Сведения о стандарте
1 ПОДГОТОВЛЕН Закрытым акционерным обществом «Промтрансниипроект» (ЗАО «Промтрансниипроект») и Закрытым акционерным обществом «Центральный научно-исследовательский и проектно-конструкторский институт морского флота» (ЗАО «ЦНИИМФ») на основе собственного аутентичного перевода стандарта, указанного в пункте 4
2 ВНЕСЕН Техническим комитетом по стандартизации ТК 246 «Контейнеры»
3 УТВЕРЖДЕН И ВВЕДЕН В ДЕЙСТВИЕ Приказом Федерального агентства по техническому регулированию и метрологии от 1 июля 2008 г. № 132-ст
4 Настоящий стандарт идентичен международному стандарту ИСО 3874:1997 «Контейнеры грузовые серии 1. Перегрузка и крепление» (ISO 3874:1997 «Series 1 freight containers - Handling and securing»).
При применении настоящего стандарта рекомендуется использовать вместо ссылочных международных стандартов соответствующие им национальные стандарты Российской Федерации, сведения о которых приведены в дополнительном приложении Е
5 ВЗАМЕН ГОСТ Р ИСО 3874-2002
Информация об изменениях к настоящему стандарту публикуется в ежегодно издаваемом информационном указателе «Национальные стандарты», а текст изменений и поправок в ежемесячно издаваемых информационных указателях «Национальные стандарты». В случае пересмотра (замены) или отмены настоящего стандарта соответствующее уведомление будет опубликовано в ежемесячно издаваемом информационном указателе «Национальные стандарты». Соответствующая информация, уведомления и тексты размещаются также в информационной системе общего пользования на официальном сайте Федерального агентства по техническому регулированию и метрологии в сети Интернет
СОДЕРЖАНИЕ
НАЦИОНАЛЬНЫЙ СТАНДАРТ РОССИЙСКОЙ ФЕДЕРАЦИИ
|
КОНТЕЙНЕРЫ ГРУЗОВЫЕ СЕРИИ 1 Перегрузка и крепление Series 1 freight containers. Handing and securing |
Дата введения - 2009-01-01
Настоящий стандарт устанавливает методы перегрузки и крепления грузовых контейнеров серии 1, изготовленных и испытанных в соответствии с требованиями последних изданий ИСО 1496-1 - ИСО 1496-5 (далее - контейнеры), на транспортных средствах и определяет основные принципы обеспечения безопасной эксплуатации контейнеров на наземном и водном транспорте всех видов, а также при штабелировании на складе.
Примечание - Грузовые контейнеры, изготовленные с учетом технических требований ИСО 1496 предыдущих изданий, могут не соответствовать данным требованиям.
Методы перегрузки и крепления установлены как для загруженных, так и для порожних контейнеров.
Способы подъема загруженных и порожних контейнеров различных типов приведены в разделе 6.
В настоящем стандарте использованы нормативные ссылки на следующие стандарты:
ИСО 668:1995 Контейнеры грузовые серии 1. Классификация, размеры и масса
ИСО 830:1999 Контейнеры грузовые. Термины и определения
ИСО 1161:1984 Контейнеры грузовые серии 1. Фитинги угловые. Технические условия
ИСО 1496-1:1990 Контейнеры грузовые серии 1. Технические требования и методы испытаний. Часть 1. Контейнеры общего назначения
ИСО 1496-2:1988 Контейнеры грузовые серии 1. Технические требования и методы испытаний. Часть 2. Термические контейнеры
ИСО 1496-3:1995 Контейнеры грузовые серии 1. Технические требования и методы испытаний. Часть 3. Контейнеры-цистерны для жидкостей, газов и сыпучих грузов под давлением
ИСО 1496-4:1991 Контейнеры грузовые серии 1. Технические требования и методы испытаний. Часть 4. Контейнеры для сыпучих грузов без давления
ИСО 1496-5:1991 Контейнеры грузовые серии 1. Технические требования и методы испытаний. Часть 5. Контейнеры-платформы и на базе платформы
ИСО 6346:1995 Контейнеры грузовые. Кодирование, идентификация и маркировка
В настоящем стандарте применены термины по ИСО 830, а также следующие термины с соответствующими определениями:
3.1 порожний контейнер: Контейнер без груза.
3.2 загруженный контейнер: Контейнер с грузом.
3.3 эксцентриситет центра тяжести: Продольное и/или поперечное горизонтальное расстояние между положением центра тяжести контейнера (порожнего или загруженного, с фитингами и приспособлениями или без них) и геометрическим центром диагоналей между четырьмя нижними угловыми фитингами.
3.4 подвижный центр тяжести: Центр тяжести контейнера с жидкими, насыпными и подвешенными грузами или аналогичными грузами, способными перемещаться под динамическим воздействием.
3.5 устройство крепления: Устройство, используемое для крепления контейнеров.
Примечание - Устройство крепления контейнеров находится в прямом контакте с угловыми или промежуточными фитингами контейнера или между транспортным средством и угловыми или промежуточными фитингами контейнера.
4.1 Общие положения
Следует учитывать условия, при которых возникают нагрузки на контейнеры или устройства перегрузки и крепления контейнеров. Необходимо учитывать износ контейнеров или устройств, ослабление или чрезмерное натяжение устройств, неустойчивость груза в контейнере, смещение центра тяжести груза, а также неблагоприятные условия окружающей среды, такие как сильный ветер, воздействие волн, лед и т.д.
Примечание - Неустойчивость груза - это общее понятие, включающее в себя смещение картонных коробок, смещение и усадку навалочных грузов и жидкостей, находящихся в контейнере, и т.д.
4.1.1 Следует учитывать требования всех национальных и международных нормативных документов, касающихся обеспечения безопасной перегрузки и крепления контейнеров на транспорте, а также при штабелировании на складе.
4.1.2 Контейнеры и любое оборудование, используемое при работе с ними, следует содержать в рабочем состоянии.
4.1.3 Двери, крышки, тенты, съемные или складные части и любое съемное оборудование должны быть закреплены надлежащим образом.
4.1.4 Персонал, занятый перегрузкой и креплением контейнеров, должен пройти инструктаж, прежде всего по охране труда.
4.1.5 До проведения операций с контейнером следует проверить, пуст контейнер или загружен; если это не установлено, с контейнером необходимо обращаться как с загруженным.
4.1.6 При сильном ветре и других неблагоприятных условиях окружающей среды, которые могут оказать существенное воздействие на перегрузочное оборудование, должны быть приняты меры предосторожности.
4.2 Загрузка и разгрузка
4.2.1 Загрузку, разгрузку и, при необходимости, крепление груза в контейнере следует проводить в соответствии с рекомендациями так, чтобы груз не создавал нагрузок, превышающих те, на которые рассчитан контейнер, а также в соответствии с требованиями 4.2.2 - 4.2.4.
4.2.2 Оборудование, используемое при загрузке и разгрузке контейнера, не должно создавать нагрузок, превышающих те, на которые он рассчитан.
4.2.3 Общая масса всех грузовых единиц, загруженных в контейнер, включая подстилочный и сепарационный материалы, крепежное и другое оборудование, не должна превышать максимально допустимой массы, т.е. разницы между максимальными допустимыми массами загруженного и порожнего контейнера.
4.2.4 Груз должен быть распределен внутри контейнера таким образом, чтобы центр тяжести загруженного контейнера был расположен как можно ближе к середине груза и как можно ниже, чтобы избежать:
- чрезмерного поперечного наклона;
- чрезмерной нагрузки в конструкции контейнера или перегрузочного оборудования;
- превышения нагрузки на ось транспортного средства;
- снижения поперечной устойчивости транспортного средства;
- непредусмотренной концентрации нагрузки.
Положение центра тяжести по длине загруженного контейнера зависит от распределения груза внутри него. Например, если 60 % массы груза размещено на 50 % длины / контейнера, измеренной от одного из его торцов (рисунок 1), то отклонение центра тяжести от середины контейнера составит 5 %.

Рисунок 1 - Распределение нагрузки
4.3 Укладка и крепление груза
Груз должен быть размещен и закреплен таким образом, чтобы предотвратить повреждения, которые могут произойти в результате динамических воздействий, возникающих при перегрузке и транспортировании контейнера.
5.1 Перегрузка контейнеров допустимыми способами подъема
5.1.1 Следует убедиться, что используемое оборудование соответствует по грузоподъемности массе брутто контейнера и надежно присоединено к контейнеру, а контейнер свободен для перемещения.
5.1.2 В случае подъема за один фитинг особое внимание следует обращать на опасность опрокидывания контейнера вследствие смещения центра тяжести.
5.1.3 Особое внимание уделяют подъему контейнеров со смещенным или подвижным центром тяжести, таких как: контейнер-цистерна, контейнер для объемных грузов, контейнер с вкладным мешком для наливных грузов, контейнер с подвешенным грузом, изотермический контейнер с холодильной установкой (встроенной или навесной).
5.2 Перегрузка иными способами подъема
5.2.1 Контейнеры могут быть перегружены иными способами подъема, помимо указанных в разделе 6, но только при тщательной оценке перегрузочного оборудования, посредством которого контейнер будет перегружен, и способов, устанавливаемых нормативными документами.
6.1 Общие положения
6.1.1 Способы подъема, рассматриваемые в 6.2 - 6.10, представлены в таблице 1.
Таблица 1 - Перечень допустимых способов подъема
|
Пункт настоящего стандарта |
Способ |
Контейнеры типов А, В, С и D |
Контейнеры типа Е1) с расстоянием 40 футов между промежуточными фитингами |
Контейнеры типа Е1) с расстоянием 45 футов между угловыми фитингами |
|
6.2 |
Спредером за верхние фитинги |
|
|
|
|
6.3 |
Стропами за верхние фитинги |
|
|
|
|
6.4 |
Стропами за нижние фитинги |
|
|
|
|
6.5 |
За боковые фитинги: способ 1 |
|
|
|
|
6.6 |
За боковые фитинги: способ 2 |
|
|
|
|
6.7 |
За боковые угловые фитинги: способ 3 |
|
Не допускается для контейнеров типа Е (45 футов) |
Не допускается для контейнеров типа Е (45 футов) |
|
6.8 |
За торцевые угловые фитинги: способ 1 |
|
Не допускается для контейнеров типа Е (45 футов) |
Не допускается для контейнеров типа Е (45 футов) |
|
6.9 |
За торцевые угловые фитинги: способ 2 |
|
Не допускается для контейнеров типа Е (45 футов) |
Не допускается для контейнеров типа Е (45 футов) |
|
6.10 |
Вилочным захватом |
|
Не допускается для контейнеров типа Е (45 футов) |
Не допускается для контейнеров типа Е (45 футов) |
|
1) Общий вид контейнеров типа Е с угловыми промежуточными фитингами представлен на рисунке 2 |
||||

Рисунок 2 - Общий вид контейнера типа Е с угловыми и промежуточными фитингами
6.1.2 Условные обозначения «разрешено» и «не допускается», используемые в таблицах 3 - 5 и 7 - 12, относятся к допустимым способам подъема контейнеров различных типов и учитывают нагрузки на контейнеры, их грузоподъемность и условия безопасности выполнения операций.
Примечание - Возможны исключения, когда сочетание типов, размеров, грузоподъемности и условий применения контейнеров не могут быть учтены (таблицы 3 - 5 и 7 - 12). Специалистами должен быть проведен тщательный анализ безопасности выполнения работ. В таблице 2 приведены размеры контейнеров в соответствии с их обозначениями, указанными в таблицах 3 - 12.
Таблица 2 - Размеры и обозначения контейнеров (таблицы 3 - 12)
|
Номинальная длина |
Габаритная высота, мм |
||||
|
метры |
футы |
менее 2438 (8 футов) |
2438 (8 футов) |
2591 (81/2 футов) |
2896 (91/2 футов) |
|
13,716 |
45 |
- |
- |
1ЕЕ |
1ЕЕЕ |
|
12 |
40 |
1АХ |
1А |
1АА |
1ААА |
|
9 |
30 |
1ВХ |
1В |
1ВВ |
1ВВВ |
|
6 |
20 |
1СХ |
1С |
1СС |
- |
|
3 |
10 |
1DX |
1D |
- |
- |
|
Примечание - Все контейнеры имеют номинальную ширину 2438 мм (8 футов). |
|||||
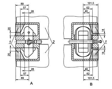
6.2 Подъем спредером за верхние фитинги (рисунок 3)

Рисунок 3 - Подъем контейнеров спредером за верхние фитинги
6.2.1 Контейнер поднимают с помощью спредера с захватом за отверстия четырех верхних фитингов, при этом силы подъема должны быть направлены вертикально вверх.
6.2.2 Подъемные приспособления должны быть установлены и закреплены надлежащим образом. Захватные устройства должны быть закреплены только в угловые или промежуточные фитинги.
6.2.3 Применяемость спредеров при подъеме за верхние фитинги представлена в таблице 3.
Таблица 3 Применяемость спредеров при подъеме за верхние фитинги
Условные обозначения:
- разрешено;
- не допускается (не применяются)
|
Порожний контейнер |
Тип контейнера |
Код по ИСО 6346 |
Загруженный контейнер |
|||||||||||||||||||||||||||||
|
1ЕЕЕ |
1ЕЕ |
1ААА |
1АА |
1А |
1АХ |
1ВВВ |
1ВВ |
1В |
1ВХ |
1СС |
1С |
1СХ |
1D |
1DX |
1ЕЕЕ |
1ЕЕ |
1ААА |
1АА |
2А |
1АХ |
1ВВВ |
1ВВ |
1В |
1ВХ |
1СС |
1С |
1СХ |
1D |
1DX |
|||
|
|
|
|
|
|
|
|
|
|
|
|
|
|
|
|
Универсальный |
GP, VH |
|
|
|
|
|
|
|
|
|
|
|
|
|
|
|
|
|
|
|
|
|
|
|
|
|
|
|
|
|
|
|
|
С открытым верхом |
UT |
|
|
|
|
|
|
|
|
|
|
|
|
|
|
|
|
|
|
|
|
|
|
|
|
|
|
|
|
|
|
|
|
Для насыпных грузов: без пневморазгрузки |
BU |
|
|
|
|
|
|
|
|
|
|
|
|
|
|
|
|
|
|
|
|
|
|
|
|
|
|
|
|
|
|
|
|
Изотермический |
RE, RT, RS |
|
|
|
|
|
|
|
|
|
|
|
|
|
|
|
|
|
|
|
|
|
|
|
|
|
|
|
|
|
|
|
|
Цистерна для жидкостей и газов |
TN, TD,TG |
|
|
|
|
|
|
|
|
|
|
|
|
|
|
|
|
|
|
|
|
|
|
|
|
|
|
|
|
|
|
|
|
Для насыпных грузов: без пневморазгрузки/с хопперной пневморазгрузкой |
BK |
|
|
|
|
|
|
|
|
|
|
|
|
|
|
|
|
|
|
|
|
|
|
|
|
|
|
|
|
|
|
|
|
Платформа |
PL |
|
|
|
|
|
1) |
|
|
|
1) |
|
|
1) |
|
1) |
|
|
|
|
|
|
|
|
|
|
|
|
|
|
|
|
|
Платформы с неполной верхней конструкцией |
Полные и закрепленные торцевые стенки |
PF |
|
|
|
|
|
|
|
|
|
|
|
|
|
|
|
|
|
|
|
|
|
|
|
|
|
|
|
|
|
|
|
Закрепленные свободно стоящие стойки |
PF |
|
|
|
|
|
|
|
|
|
|
|
|
|
|
|
|
|
|
|
|
|
|
|
|
|
|
|
|
|
|
|
|
Полные и складные торцевые стенки, установленные вертикально |
PC |
|
|
|
|
|
|
|
|
|
|
|
|
|
|
|
|
|
|
|
|
|
|
|
|
|
|
|
|
|
|
|
|
Складные свободно стоящие стойки, установленные вертикально |
PC |
|
|
|
|
|
|
|
|
|
|
|
|
|
|
|
|
|
|
|
|
|
|
|
|
|
|
|
|
|
|
|
|
Полные и складные торцевые стенки в сложенном виде |
PC |
|
|
|
|
|
|
|
|
|
|
|
|
|
|
|
|
|
|
|
|
|
|
|
|
|
|
|
|
|
|
|
|
Складные свободно стоящие стойки в сложенном виде |
PC |
|
|
|
|
|
|
|
|
|
|
|
|
|
|
|
|
|
|
|
|
|
|
|
|
|
|
|
|
|
|
|
|
На платформе с полной верхней конструкцией и открывающимися боковыми стенками |
PS |
|
|
|
|
|
|
|
|
|
|
|
|
|
|
|
|
|
1) Подъем за верхние фитинги возможен только при наличии горизонтально-распорных вставок. |
||||||||||||||||||||||||||||||||
6.2.4 Складные контейнеры-платформы (кодов типа PL и PC по ИСО 6346) порожние и в сложенном виде можно перегружать в скрепленных пакетах (стопах). Общая масса пакета (стопы) не должна превышать максимально допустимую массу брутто в соответствии с ИСО 668.
6.2.5 Разрешен подъем вертикально скрепленных контейнеров (не имеющих специальных конструкций, предназначенных для подъема, как указано в 6.2.4) с применением стопоров с поворотными головками и других замковых устройств, если вертикальная нагрузка на каждый фитинг не превышает 75 кН1), а применяемые стопоры с поворотными головками и другие замковые устройства сертифицированы для такого случая. Стопоры с поворотными головками и другие замковые устройства подвергают периодическому освидетельствованию 2).
1) 75 кН - максимальная нагрузка для комбинации стопор-угловой фитинг. Данное значение включает в себя произвольно выбранную ветровую нагрузку 26 кН (соответствующую скорости ветра 100 км/ч), не зависящую от размера контейнеров. Остаток может быть эквивалентен двум контейнерам 1 AAA с комбинированной тарой 22 кН и максимально полезной нагрузкой 27 кН. Предусмотрен также верхний предел для трех вертикально скрепленных контейнеров.
2) Процедурой сертификации предусмотрено использование материала не менее чем с четырехкратным запасом прочности.
6.3 Подъем стропами за верхние фитинги (рисунок 4)


α - угол наклона стропов по таблице 6
Рисунок 4 - Подъем стропами за верхние фитинги контейнера
6.3.1 Контейнер поднимают за четыре верхних угловых или промежуточных фитинга с нагрузками, приложенными наклонно к вертикали.
6.3.2 Подъемные устройства должны быть закреплены надлежащим образом. Крюки следует вставлять изнутри в наружном направлении.

Рисунок 5 - Приложение подъемных сил (контейнеры 1D и 1DX)
6.3.3 Применяемость стропов для подъема за верхние фитинги представлена в таблице 4.
Таблица 4 - Применяемость стропов для подъема за верхние фитинги
Условные обозначения:
- разрешено,
- не допускается (не применяются)
|
Порожний контейнер |
Тип контейнера |
Код по ИСО 8346 |
Загруженный контейнер |
|||||||||||||||||||||||||||||
|
1ЕЕЕ |
1ЕЕ |
1ААА |
1АА |
1А |
1АХ |
1ВВВ |
1ВВ |
1В |
1ВХ |
1СС |
1С |
1СХ |
1D |
1DX |
1ЕЕЕ |
1ЕЕ |
1ААА |
1АА |
1А |
1АХ |
1ВВВ |
1ВВ |
1В |
1ВХ |
1СС |
1С |
1СХ |
1D |
1DX |
|||
|
|
|
|
|
|
|
|
|
|
|
|
|
|
|
|
Универсальный |
GP, VH |
|
|
|
|
|
|
|
|
|
|
|
|
|
2) |
|
|
|
|
|
|
|
|
|
|
|
|
|
|
|
|
|
|
С открытым верхом |
UT |
|
|
|
|
|
|
|
|
|
|
|
|
|
2) |
2) |
|
|
|
|
|
|
|
|
|
|
|
|
|
|
|
|
|
Для насыпных грузов: без пневморазгрузки |
BU |
|
|
|
|
|
|
|
|
|
|
|
|
|
2) |
2) |
|
|
1) |
1) |
1) |
1) |
1) |
|
1) |
1) |
1) |
|
1) |
1) |
|
1) |
|
Изотермический |
RE, RT, RS |
|
|
|
|
|
|
|
|
|
|
|
|
|
2) |
|
|
|
|
|
|
|
|
|
|
|
|
|
|
|
|
|
|
Цистерна для жидкостей и газов |
TN, TD, TG |
|
|
|
|
|
|
|
|
|
|
|
|
|
2) |
2) |
|
|
|
|
|
|
|
|
|
|
|
|
|
|
|
|
|
Для насыпных грузов: без пневморазгрузки/с хопперной пневморазгрузкой |
BK |
|
|
|
|
|
|
|
|
|
|
|
|
|
2) |
2) |
|
|
|
|
|
|
|
|
|
|
|
|
|
|
|
|
|
Платформа |
PL |
|
|
|
|
|
|
|
|
|
|
|
|
|
|
|
|
|
|
|
|
|
|
|
|
|
|
|
|
|
|
|
|
Платформы с неполной верхней конструкцией |
Полные и закрепленные торцевые стенки |
PF |
|
|
|
|
|
|
|
|
|
|
|
|
|
|
|
|
|
|
|
|
|
|
|
|
|
|
|
|
|
|
|
Закрепленные свободно стоящие стойки |
PF |
|
|
|
|
|
|
|
|
|
|
|
|
|
|
|
|
|
|
|
|
|
|
|
|
|
|
|
|
|
|
|
|
Полные и складные торцевые стенки, установленные вертикально |
PC |
|
|
|
|
|
|
|
|
|
|
|
|
|
|
|
|
|
|
|
|
|
|
|
|
|
|
|
|
|
|
|
|
Складные свободно стоящие стойки, установленные вертикально |
PC |
|
|
|
|
|
|
|
|
|
|
|
|
|
|
|
|
|
|
|
|
|
|
|
|
|
|
|
|
|
|
|
|
Полные и складные торцевые стенки в сложенном виде |
PC |
|
|
|
|
|
|
|
|
|
|
|
|
|
|
|
|
|
|
|
|
|
|
|
|
|
|
|
|
|
|
|
|
Складные свободно стоящие стойки в сложенном виде |
PC |
|
|
|
|
|
|
|
|
|
|
|
|
|
|
|
|
|
|
|
|
|
|
|
|
|
|
|
|
|
|
|
|
На платформе с полной верхней конструкцией и открывающимися боковыми стенками |
PS |
|
|
|
|
|
|
|
|
|
|
|
|
|
|
|
|
|
1) Отклонение центра тяжести допустимо. 2) Для контейнеров 1D и 1DX подъемные силы должны быть приложены под углом к горизонтали не менее 60° (рисунок 5). Примечание - Центр тяжести может быть подвижным, например. у контейнеров с жидкими, насыпными или подвешенными грузами. |
||||||||||||||||||||||||||||||||
6.3.4 Складные контейнеры-платформы (кодов типа PL и PC по ИСО 6346) порожние и в сложенном виде можно перегружать в скрепленных пакетах (стопах). Общая масса пакета (стопы) не должна превышать максимально допустимую массу брутто в соответствии с ИСО 668.
6.4 Подъем стропами за нижние фитинги (рисунок 6)
6.4.1 Контейнеры поднимают сходящимися по бокам стропами за четыре нижних угловых или промежуточных фитинга. Захваты стропов должны быть закреплены только за угловые или промежуточные фитинги, при этом линия натяжения стропа должна отстоять от внешней поверхности фитингов не более чем на 38 мм (рисунок 7).
6.4.2 Подъемные устройства должны быть закреплены надлежащим образом.

а) Контейнеры типов А, В, С, D

b), с) Контейнеры типа Е
α - угол наклона стропов по таблице 6
Рисунок 6 - Подъем стропами за нижние фитинги

Рисунок 7 - Крепление стропа к нижнему фитингу
6.4.3 Применяемость стропов для подъема за нижние фитинги представлена в таблице 5.
Таблица 5 - Применяемость стропов для подъема за нижние фитинги
Условные обозначения:
- разрешено;
- не допускается (не
применяются)
|
Порожний контейнер |
Тип контейнера |
Код по ИСО 6346 |
Загруженный контейнер |
|||||||||||||||||||||||||||||
|
1ЕЕЕ |
1ЕЕ |
1ААА |
1АА |
1А |
1АХ |
1ВВВ |
1ВВ |
1В |
1ВХ |
1СС |
1С |
1СХ |
1D |
1DX |
1ЕЕЕ |
1ЕЕ |
1ААА |
1АА |
1А |
1АХ |
1ВВВ |
1ВВ |
1В |
1ВХ |
1СС |
1С |
1СХ |
1D |
1DX |
|||
|
|
|
|
|
|
|
|
|
|
|
|
|
|
|
|
Универсальный |
GP.VH |
|
|
|
|
|
|
|
|
|
|
|
|
|
|
|
|
|
|
|
|
|
|
|
|
|
|
|
|
|
|
|
|
С открытым верхом |
UT |
|
|
|
|
|
|
|
|
|
|
|
|
|
|
|
|
|
|
|
|
|
|
|
|
|
|
|
|
|
|
|
|
Для насыпных грузов: без пневморазгрузки |
BU |
2) |
2) |
2) |
2) |
2) |
2) |
2) |
2) |
2) |
2) |
2) |
2) |
2) |
2) |
2) |
|
|
1) |
1) |
1) |
1) |
1) |
|
1) |
1) |
1) |
|
1) |
1) |
|
1) |
|
Изотермический |
RE, RT, RS |
1) 2) |
1) 2) |
1) 2) |
1) 2) |
1) 2) |
|
1) 2) |
1) 2) |
1) 2) |
|
1) 2) |
1) 2) |
|
1) 2) |
|
|
|
|
|
|
|
|
|
|
|
|
|
|
|
|
|
|
Цистерна для жидкостей и газов |
TN, TD.TG |
|
|
|
|
|
|
|
|
|
|
|
|
|
|
|
|
|
|
|
|
|
|
|
|
|
|
|
|
|
|
|
|
Для насыпных грузов: без пневморазгрузки/с хопперной пневморазгрузкой |
BK |
|
|
|
|
|
|
|
|
|
|
|
|
|
|
|
|
|
|
|
|
|
|
|
|
|
|
|
|
|
|
|
|
Платформа |
PL |
|
|
|
|
|
|
|
|
|
|
|
|
|
|
|
|
|
|
|
|
|
|
|
|
|
|
|
|
|
|
|
|
Платформы с неполной верхней конструкцией |
Полные и закрепленные торцевые стенки |
PF |
|
|
|
|
|
|
|
|
|
|
|
|
|
|
|
|
|
|
|
|
|
|
|
|
|
|
|
|
|
|
|
Закрепленные свободно стоящие стойки |
PF |
|
|
|
|
|
|
|
|
|
|
|
|
|
|
|
|
|
|
|
|
|
|
|
|
|
|
|
|
|
|
|
|
Полные и складные торцевые стенки, установленные вертикально |
PC |
|
|
|
|
|
|
|
|
|
|
|
|
|
|
|
|
|
|
|
|
|
|
|
|
|
|
|
|
|
|
|
|
Складные свободно стоящие стойки, установленные вертикально |
PC |
|
|
|
|
|
|
|
|
|
|
|
|
|
|
|
|
|
|
|
|
|
|
|
|
|
|
|
|
|
|
|
|
Полные и складные торцевые стенки в сложенном виде |
PC |
|
|
|
|
|
|
|
|
|
|
|
|
|
|
|
|
|
|
|
|
|
|
|
|
|
|
|
|
|
|
|
|
Складные свободно стоящие стойки в сложенном виде |
PC |
|
|
|
|
|
|
|
|
|
|
|
|
|
|
|
|
|
|
|
|
|
|
|
|
|
|
|
|
|
|
|
|
На платформе с полной верхней конструкцией и открывающимися боковыми стенками |
PS |
|
|
|
|
|
|
|
|
|
|
|
|
|
|
|
|
|
1) Отклонение центра тяжести допустимо. 2) Центр тяжести может быть подвижным, например, у контейнеров с жидкими, насыпными или подвешенными грузами. |
||||||||||||||||||||||||||||||||
6.4.4 Складные контейнеры-платформы (кодов типа PL и PC по ИСО 6346) порожние и в сложенном виде можно перегружать в скрепленных пакетах (стопах). Полная масса стопы не должна превышать максимально допустимую массу загруженного контейнера.
6.4.5 Значение угла подъема а, показанного на рисунках 4, 5, 6, для загруженных контейнеров не должно быть меньше значений, приведенных в таблице 6.
Таблица 6 - Углы наклона стропов при подъеме загруженных контейнеров
|
Обозначение типов контейнеров |
Угол подъема α, min |
|
1ЕЕЕ; 1ЕЕ |
30° |
|
1ААА; 1АА; 1А; 1АХ |
30° |
|
1ВВВ; 1ВВ; 1В; 1ВХ |
37° |
|
1СС; 1С; 1СХ |
45° |
|
1D, DX |
60° |
6.5 Подъем за боковые фитинги: способ 1 (рисунок 8)
6.5.1 Контейнер поднимают с помощью боковой подъемной рамы, сконструированной таким образом, чтобы поднимать контейнер за два нижних угловых или промежуточных фитинга с одной стороны и удерживать его за два верхних угловых или промежуточных фитинга с этой же стороны.

а) Контейнеры типов А, В, С, D

b), с) Контейнеры типа Е
Рисунок 8 - Подъем за боковые фитинги (способ 1)
6.5.2 Подъемные и удерживающие устройства должны быть закреплены надлежащим образом.
6.5.3 Применяемость подъема за боковые угловые или промежуточные фитинги (способ 1) представлена в таблице 7.
Таблица 7 - Применяемость подъема за боковые фитинги: способ 1
Условные обозначения:
- разрешено;
- не допускается (не применяются)
|
Порожний контейнер |
Тип контейнера |
Код по ИСО 6346 |
Загруженный контейнер |
|||||||||||||||||||||||||||||
|
1ЕЕЕ |
1ЕЕ |
1ААА |
1АА |
1А |
1АХ |
1ВВВ |
1ВВ |
1В |
1ВХ |
1СС |
1С |
1СХ |
1D |
1DX |
1ЕЕЕ |
1ЕЕ |
1ААА |
1АА |
1А |
1АХ |
1ВВВ |
1ВВ |
1В |
1ВХ |
1СС |
1С |
1СХ |
1D |
1DX |
|||
|
|
|
|
|
|
|
|
|
|
|
|
|
|
|
|
Универсальный |
GP, VH |
|
|
|
|
|
|
|
|
|
|
|
|
|
|
|
|
|
|
|
|
|
|
|
|
|
|
|
|
|
|
|
|
С открытым верхом |
UT |
|
|
|
|
|
|
|
|
|
|
|
|
|
|
|
|
|
|
|
|
|
|
|
|
|
|
|
|
|
|
|
|
Для насыпных грузов: без пневморазгрузки |
BU |
|
|
|
|
|
|
|
|
|
|
2) |
2) |
2) |
2) |
2) |
|
|
1) |
1) |
1) |
1) |
1) |
|
1) |
1) |
1) |
|
1) |
1) |
|
1) |
|
Изотермический |
RE, RT, RS |
|
|
|
|
|
|
|
|
|
|
2) |
2) |
|
2) |
|
|
|
|
|
|
|
|
|
|
|
|
|
|
|
|
|
|
Цистерна для жидкостей и газов |
TN, TD, TG |
|
|
|
|
|
|
|
|
|
|
2) |
2) |
2) |
2) |
2) |
|
|
|
|
|
|
|
|
|
|
|
|
|
|
|
|
|
Для насыпных грузов: без пневморазгрузки/с хопперной пневморазгрузкой |
BK |
|
|
|
|
|
|
|
|
|
|
2) |
2) |
2) |
2) |
2) |
|
|
|
|
|
|
|
|
|
|
|
|
|
|
|
|
|
Платформа |
PL |
|
|
|
|
|
|
|
|
|
|
|
|
|
|
|
|
|
|
|
|
|
|
|
|
|
|
|
|
|
|
|
|
Платформы с неполной верхней конструкцией |
Полные и закрепленные торцевые стенки |
PF |
|
|
|
|
|
|
|
|
|
|
|
|
|
|
|
|
|
|
|
|
|
|
|
|
|
|
|
|
|
|
|
Закрепленные свободно стоящие стойки |
PF |
|
|
|
|
|
|
|
|
|
|
|
|
|
|
|
|
|
|
|
|
|
|
|
|
|
|
|
|
|
|
|
|
Полные и складные торцевые стенки, установленные вертикально |
PC |
|
|
|
|
|
|
|
|
|
|
|
|
|
|
|
|
|
|
|
|
|
|
|
|
|
|
|
|
|
|
|
|
Складные свободно стоящие стойки, установленные вертикально |
PC |
|
|
|
|
|
|
|
|
|
|
|
|
|
|
|
|
|
|
|
|
|
|
|
|
|
|
|
|
|
|
|
|
Полные и складные торцевые стенки в сложенном виде |
PC |
|
|
|
|
|
|
|
|
|
|
|
|
|
|
|
|
|
|
- |
|
|
|
|
|
|
|
|
|
|
|
|
|
Складные свободно стоящие стойки в сложенном виде |
PC |
|
|
|
|
|
|
|
|
|
|
|
|
|
|
|
|
|
|
|
|
|
|
|
|
|
. |
|
|
|
|
|
|
На платформе с полной верхней конструкцией и открывающимися боковыми стенками |
PS |
|
|
|
|
|
|
|
|
|
|
|
|
|
|
|
|
|
1) Отклонение центра тяжести допустимо. 2)Центр тяжести может быть подвижным, например, у контейнеров с жидкими, насыпными или подвешенными грузами. |
||||||||||||||||||||||||||||||||
6.6 Подъем за боковые фитинги: способ 2 (рисунок 9)

а) Контейнеры типов А, В, С, D

Рисунок 9 - Подъем за боковые фитинги (способ 2)
6.6.1 Контейнер поднимают с помощью боковой подъемной рамы, сконструированной таким образом, чтобы поднимать контейнер за два верхних угловых или промежуточных фитинга с одной стороны и воспринимать силы на нижние угловые или промежуточные фитинги с той же стороны или на подходящие площадки угловых стоек выше этих угловых фитингов (рисунок 10).

Примечание - Размер а показывает, что две опорные площадки должны быть подобными или равными по высоте.
Рисунок 10 - Расположение нижних угловых фитингов и опорных участков угловых стоек
6.6.2 Подъемные устройства должны быть закреплены надлежащим образом.
6.6.3 Применяемость подъема за боковые фитинги (способ 2) представлена в таблице 8.
Таблица 8 - Применяемость подъема за боковые фитинги: способ 2
Условные обозначения:
- разрешено;
- не допускается (не применяются)
|
Порожний контейнер |
Тип контейнера |
Код по ИСО 6346 |
Загруженный контейнер |
|||||||||||||||||||||||||||||
|
1ЕЕЕ |
1ЕЕ |
1ААА |
1АА |
1А |
1АХ |
1ВВВ |
1ВВ |
1В |
1ВХ |
1СС |
1С |
1СХ |
1D |
1DX |
1ЕЕЕ |
1ЕЕ |
1ААА |
1АА |
1А |
1АХ |
1ВВВ |
1ВВ |
1В |
1ВХ |
1СС |
1С |
1СХ |
1D |
1DX |
|||
|
|
|
|
|
|
|
|
|
|
|
|
|
|
|
|
Универсальный |
GP.VH |
|
|
|
|
|
|
|
|
|
|
|
|
|
|
|
|
|
|
|
|
|
|
|
|
|
|
|
|
|
|
|
|
С открытым верхом |
UT |
|
|
|
|
|
|
|
|
|
|
|
|
|
|
|
|
|
|
|
|
|
|
|
|
|
|
|
|
|
|
|
|
Для насыпных грузов: без пневморазгрузки |
BU |
|
|
|
|
|
|
|
|
|
|
2) |
2) |
2) |
2) |
2) |
|
|
1) |
1) |
1) |
1) |
1) |
|
1) |
1) |
1) |
|
1) |
1) |
|
1) |
|
Изотермический |
RE, RT, RS |
|
|
|
|
|
|
|
|
|
|
2) |
2) |
|
2) |
|
|
|
|
|
|
|
|
|
|
|
|
|
|
|
|
|
|
Цистерна для жидкостей и газов |
TN, TD, TG |
|
|
|
|
|
|
|
|
|
|
2) |
2) |
2) |
2) |
2) |
|
|
|
|
|
|
|
|
|
|
|
|
|
|
|
|
|
Для насыпных грузов: без пневморазгрузки/с хопперной пневморазгрузкой |
BK |
|
|
|
|
|
|
|
|
|
|
2) |
2) |
2) |
2) |
2) |
|
|
|
|
|
|
|
|
|
|
|
|
|
|
|
|
|
Платформа |
PL |
|
|
|
|
|
|
|
|
|
|
|
|
|
|
|
|
|
|
|
|
|
|
|
|
|
|
|
|
|
|
|
|
Платформы с неполной верхней конструкцией |
Полные и закрепленные торцевые стенки |
PF |
|
|
|
|
|
|
|
|
|
|
|
|
|
|
|
|
|
|
|
|
|
|
|
|
|
|
|
|
|
|
|
Закрепленные свободно стоящие стойки |
PF |
|
|
|
|
|
|
|
|
|
|
|
|
|
|
|
|
|
|
|
|
|
|
|
|
|
|
|
|
|
|
|
|
Полные и складные торцевые стенки, установленные вертикально |
PC |
|
|
|
|
|
|
|
|
|
|
|
|
|
|
|
|
|
|
|
|
|
|
|
|
|
|
|
|
|
|
|
|
Складные свободно стоящие стойки, установленные вертикально |
PC |
|
|
|
|
|
|
|
|
|
|
|
|
|
|
|
|
|
|
|
|
|
|
|
|
|
|
|
|
|
|
|
|
Полные и складные торцевые стенки в сложенном виде |
PC |
|
|
|
|
|
|
|
|
|
|
|
|
|
|
|
|
|
|
|
|
|
|
|
|
|
|
|
|
|
|
|
|
Складные свободно стоящие стойки в сложенном виде |
PC |
|
|
|
|
|
|
|
|
|
|
|
|
|
|
|
|
|
|
|
|
|
|
|
|
|
|
|
|
|
|
|
|
На платформе с полной верхней конструкцией и открывающимися боковыми стенками |
PS |
|
|
|
|
|
|
|
|
|
|
|
|
|
|
|
|
|
1) Отклонение центра тяжести допустимо. 2) Центр тяжести может быть подвижным, например, у контейнеров с жидкими, насыпными или подвешенными грузами. Примечание - В случае применения способа 2 следует принять меры предосторожности, позволяющие избежать повреждения контейнеров в условиях динамических нагрузок или при чрезмерных отклонениях центра тяжести. |
||||||||||||||||||||||||||||||||
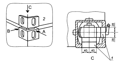
6.7 Подъем за боковые угловые фитинги: способ 3 (рисунок 11)
6.7.1 Контейнер поднимают с помощью боковой подъемной рамы, сконструированной таким образом, чтобы поднимать контейнер за два верхних угловых фитинга с одной стороны и воспринимать нагрузки от нижней боковой балки стой же стороны через опорную площадку достаточных размеров, расположенную так, чтобы предотвратить деформацию и повреждение контейнера.

Рисунок 11 - Подъем за боковые угловые фитинги (способ 3)
Примечания
1 Ни при каких обстоятельствах опорная площадка не должна соприкасаться с боковыми стенками контейнера.
2 Ни при каких обстоятельствах подъемные силы не должны быть приложены к нижней грани боковой днищевой продольной балки.
3 Подъем за боковые фитинги (способ 3) не допускается для контейнеров типов 1ЕЕЕ и 1ЕЕ.
6.7.2 Подъемные устройства должны быть закреплены надлежащим образом.
6.7.3 Применяемость подъема за боковые угловые фитинги (способ 3) представлена в таблице 9.
Таблица 9 - Применяемость подъема за боковые угловые фитинги: способ 3
Условные обозначения:
- разрешено;
- не допускается (не применяются)
|
Порожний контейнер |
Тип контейнера |
Код по ИСО 6346 |
Загруженный контейнер |
|||||||||||||||||||||||||||||
|
1ЕЕЕ |
1ЕЕ |
1ААА |
1АА |
1А |
1АХ |
1ВВВ |
1ВВ |
1В |
1ВХ |
1СС |
1С |
1СХ |
1D |
1DX |
1ЕЕЕ |
1ЕЕ |
1ААА |
1АА |
1А |
1АХ |
1ВВВ |
1ВВ |
1В |
1ВХ |
1СС |
1С |
1СХ |
1D |
1DX |
|||
|
|
|
|
|
|
|
|
|
|
|
|
|
|
|
|
Универсальный |
GP.VH |
|
|
|
|
|
|
|
|
|
|
|
|
|
|
|
|
|
|
|
|
|
|
|
|
|
|
|
|
|
|
|
|
С открытым верхом |
UT |
|
|
|
|
|
|
|
|
|
|
|
|
|
|
|
|
|
|
|
|
|
|
|
|
|
|
|
|
|
|
|
|
Для насыпных грузов: без пневморазгрузки |
BU |
|
|
|
|
|
|
|
|
|
|
|
|
|
|
|
|
|
|
|
1) |
1) |
1) |
|
1) |
1) |
1) |
|
1) |
1) |
|
1) |
|
Изотермический |
RE, RT, RS |
|
|
|
|
|
|
|
|
|
|
|
|
|
|
|
|
|
|
|
|
|
|
|
|
|
|
|
|
|
|
|
|
Цистерна для жидкостей и газов |
TN, TD, TG |
|
|
|
|
|
|
|
|
|
|
|
|
|
|
|
|
|
|
|
|
|
|
|
|
|
|
|
|
|
|
|
|
Для насыпных грузов: без пневморазгрузки/с хопперной пневморазгрузкой |
BK |
|
|
|
|
|
|
|
|
|
|
|
|
|
|
|
|
|
|
|
|
|
|
|
|
|
|
|
|
|
|
|
|
Платформа |
PL |
|
|
|
|
|
|
|
|
|
|
|
|
|
|
|
|
|
|
|
|
|
|
|
|
|
|
|
|
|
|
|
|
Платформы с неполной верхней конструкцией |
Полные и закрепленные торцевые стенки |
PF |
|
|
|
|
|
|
|
|
|
|
|
|
|
|
|
|
|
|
|
|
|
|
|
|
|
|
|
|
|
|
|
Закрепленные свободно стоящие стойки |
PF |
|
|
|
|
|
|
|
|
|
|
|
|
|
|
|
|
|
|
|
|
|
|
|
|
|
|
|
|
|
|
|
|
Полные и складные торцевые стенки, установленные вертикально |
PC |
|
|
|
|
|
|
|
|
|
|
|
|
|
|
|
|
|
|
|
|
|
|
|
|
|
|
|
|
|
|
|
|
Складные свободно стоящие стойки, установленные вертикально |
PC |
|
|
|
|
|
|
|
|
|
|
|
|
|
|
|
|
|
|
|
|
|
|
|
|
|
|
|
|
|
|
|
|
Полные и складные торцевые стенки в сложенном виде |
PC |
|
|
|
|
|
|
|
|
|
|
|
|
|
|
|
|
|
|
|
|
|
|
|
|
|
|
|
|
|
|
|
|
Складные свободно стоящие стойки в сложенном виде |
PC |
|
|
|
|
|
|
|
|
|
|
|
|
|
|
|
|
|
|
|
|
|
|
|
|
|
|
|
|
|
|
|
|
На платформе с полной верхней конструкцией и открывающимися боковыми стенками |
PS |
|
|
|
|
|
|
|
|
|
|
|
|
|
|
|
|
|
1) Отклонение центра тяжести допустимо. Подъем за боковые угловые фитинги (способ 3) не допускается для контейнеров типов 1ЕЕЕ и 1ЕЕ Примечание - использование контейнеров не упомянуто в ИСО и при таком способе эксплуатации может вызвать повреждения контейнеров из-за излишних напряжений. |
||||||||||||||||||||||||||||||||
6.8 Подъем за торцевые угловые фитинги: способ 1 (рисунок 12)

Рисунок 12 - Подъем за торцевые угловые фитинги (способ 1)
6.8.1 Контейнер поднимают за торцевую раму (рисунок 12), сконструированную таким образом, чтобы поднимать контейнер за два нижних угловых фитинга с одного торца и удерживать его за два верхних угловых фитинга с того же торца.
Примечание - Подъем за торцевые фитинги не допускается для контейнеров типов 1ЕЕЕ и 1ЕЕ.
6.8.2 Подъемные и удерживающие устройства должны быть закреплены надлежащим образом.
6.8.3 Применяемость подъема за торцевые угловые фитинги (способ 1) представлена в таблице 10.
Таблица 10 - Применяемость подъема за торцевые угловые фитинги: способ 1
Условные обозначения:
- разрешено;
- не допускается (не применяются)
|
Порожний контейнер |
Тип контейнера |
Код по ИСО 6346 |
Загруженный контейнер |
|||||||||||||||||||||||||||||
|
1ЕЕЕ |
1ЕЕ |
1ААА |
1АА |
1А |
1АХ |
1ВВВ |
1ВВ |
1В |
1ВХ |
1СС |
1С |
1СХ |
1D |
1DX |
1ЕЕЕ |
1ЕЕ |
1ААА |
1АА |
1А |
1АХ |
1ВВВ |
1ВВ |
1В |
1ВХ |
1СС |
1С |
1СХ |
1D |
1DX |
|||
|
|
|
|
|
|
|
|
|
|
|
|
|
|
|
|
Универсальный |
GP.VH |
|
|
|
|
|
|
|
|
|
|
|
|
|
|
|
|
|
|
|
|
|
|
|
|
|
|
|
|
|
|
|
|
С открытым верхом |
UT |
|
|
|
|
|
|
|
|
|
|
|
|
|
|
|
|
|
|
|
|
|
|
|
|
|
|
|
|
|
|
|
|
Для насыпных грузов: без пневморазгрузки |
BU |
|
|
|
|
|
|
|
|
|
|
|
|
|
|
|
|
|
|
|
|
|
|
|
|
|
|
|
|
|
|
|
|
Изотермический |
RE, RT, RS |
|
|
|
|
|
|
|
|
|
|
|
|
|
|
|
|
|
|
|
|
|
|
|
|
|
|
|
|
|
|
|
|
Цистерна для жидкостей и газов |
TN, TD, TG |
|
|
|
|
|
|
|
|
|
|
|
|
|
|
|
|
|
|
|
|
|
|
|
|
|
|
|
|
|
|
|
|
Для насыпных грузов: без пневморазгрузки/с хопперной пневморазгрузкой |
BK |
|
|
|
|
|
|
|
|
|
|
|
|
|
|
|
|
|
|
|
|
|
|
|
|
|
|
|
|
|
|
|
|
Платформа |
PL |
|
|
|
|
|
|
|
|
|
|
|
|
|
|
|
|
|
|
|
|
|
|
|
|
|
|
|
|
|
|
|
|
Платформы с неполной верхней конструкцией |
Полные и закрепленные торцевые стенки |
PF |
|
|
|
|
|
|
|
|
|
|
|
|
|
|
|
|
|
|
|
|
|
|
|
|
|
|
|
|
|
|
|
Закрепленные свободно стоящие стойки |
PF |
|
|
|
|
|
|
|
|
|
|
|
|
|
|
|
|
|
|
|
|
|
|
|
|
|
|
|
|
|
|
|
|
Полные и складные торцевые стенки, установленные вертикально |
PC |
|
|
|
|
|
|
|
|
|
|
|
|
|
|
|
|
|
|
|
|
|
|
|
|
|
|
|
|
|
|
|
|
Складные свободно стоящие стойки, установленные вертикально |
PC |
|
|
|
|
|
|
|
|
|
|
|
|
|
|
|
|
|
|
|
|
|
|
|
|
|
|
|
|
|
|
|
|
Полные и складные торцевые стенки в сложенном виде |
PC |
|
|
|
|
|
|
|
|
|
|
|
|
|
|
|
|
|
|
|
|
|
|
|
|
|
|
|
|
|
|
|
|
Складные свободно стоящие стойки в сложенном виде |
PC |
|
|
|
|
|
|
|
|
|
|
|
|
|
|
|
|
|
|
|
|
|
|
|
|
|
|
|
|
|
|
|
|
На платформе с полной верхней конструкцией и открывающимися боковыми стенками |
PS |
|
|
|
|
|
|
|
|
|
|
|
|
|
|
|
|
|
Подъем за торцевые фитинги (способ 1) не допускается для контейнеров типов 1ЕЕЕ и 1ЕЕ. Примечание - В случае применения способа 1 следует принять меры предосторожности, чтобы избежать повреждения контейнеров в результате динамических нагрузок или при чрезмерных отклонениях центра тяжести. |
||||||||||||||||||||||||||||||||
6.9 Подъем за торцевые угловые фитинги: способ 2 (рисунок 13)
6.9.1 Контейнер поднимают за торцевую раму (рисунок 13), сконструированную таким образом, чтобы поднимать контейнер за два верхних угловых фитинга с одного торца и воспринимать силы реакции от нижних угловых фитингов с того же торца или на опорных участках угловых стоек выше этих угловых фитингов (рисунок 14).
Примечание - Подъем за торцевые фитинги (способ 2) не допускается для контейнеров типов 1ЕЕЕ и 1ЕЕ.

Рисунок 13 - Подъем за торцевые угловые фитинги (способ 2)

Примечание - Размер а показывает, что две опорные площадки должны быть подобными или равными по высоте.
Рисунок 14 - Расположение нижних угловых фитингов и опорных участков угловых стоек
6.9.2 Подъемные устройства должны быть закреплены надлежащим образом.
6.9.3 Применяемость подъема за торцевые угловые фитинги (способ 2) представлена в таблице 11.
Таблица 11 – Применяемость подъема за торцевые угловые фитинги: способ 2
Условные обозначения:
- разрешено;
- не допускается (не применяются)
|
Порожний контейнер |
Тип контейнера |
Код по ИСО 6346 |
Загруженный контейнер |
|||||||||||||||||||||||||||||
|
1ЕЕЕ |
1ЕЕ |
1ААА |
1АА |
1А |
1АХ |
1ВВВ |
1ВВ |
1В |
1ВХ |
1СС |
1С |
1СХ |
1D |
1DX |
1ЕЕЕ |
1ЕЕ |
1ААА |
1АА |
1А |
1АХ |
1ВВВ |
1ВВ |
1В |
1ВХ |
1СС |
1С |
1СХ |
1D |
1DX |
|||
|
|
|
|
|
|
|
|
|
|
|
|
|
|
|
|
Универсальный |
GP, VH |
|
|
|
|
|
|
|
|
|
|
|
|
|
|
|
|
|
|
|
|
|
|
|
|
|
|
|
|
|
|
|
|
С открытым верхом |
UT |
|
|
|
|
|
|
|
|
|
|
|
|
|
|
|
|
|
|
|
|
|
|
|
|
|
|
|
|
|
|
|
|
Для насыпных грузов: без пневморазгрузки |
BU |
|
|
|
|
|
|
|
|
|
|
|
|
|
|
|
|
|
|
|
|
|
|
|
|
|
|
|
|
|
|
|
|
Изотермический |
RE, RT, RS |
|
|
|
|
|
|
|
|
|
|
|
|
|
|
|
|
|
|
|
|
|
|
|
|
|
|
|
|
|
|
|
|
Цистерна для жидкостей и газов |
TN, TD, TG |
|
|
|
|
|
|
|
|
|
|
|
|
|
|
|
|
|
|
|
|
|
|
|
|
|
|
|
|
|
|
|
|
Для насыпных грузов: без пневморазгрузки/с хопперной пневморазгрузкой |
BK |
|
|
|
|
|
|
|
|
|
|
|
|
|
|
|
|
|
|
|
|
|
|
|
|
|
|
|
|
|
|
|
|
Платформа |
PL |
|
|
|
|
|
|
|
|
|
|
|
|
|
|
|
|
|
|
|
|
|
|
|
|
|
|
|
|
|
|
|
|
Платформы с неполной верхней конструкцией |
Полные и закрепленные торцевые стенки |
PF |
|
|
|
|
|
|
|
|
|
|
|
|
|
|
|
|
|
|
|
|
|
|
|
|
|
|
|
|
|
|
|
Закрепленные свободно стоящие стойки |
PF |
|
|
|
|
|
|
|
|
|
|
|
|
|
|
|
|
|
|
|
|
|
|
|
|
|
|
|
|
|
|
|
|
Полные и складные торцевые стенки, установленные вертикально |
PC |
|
|
|
|
|
|
|
|
|
|
|
|
|
|
|
|
|
|
|
|
|
|
|
|
|
|
|
|
|
|
|
|
Складные свободно стоящие стойки, установленные вертикально |
PC |
|
|
|
|
|
|
|
|
|
|
|
|
|
|
|
|
|
|
|
|
|
|
|
|
|
|
|
|
|
|
|
|
Полные и складные торцевые стенки в сложенном виде |
PC |
|
|
|
|
|
|
|
|
|
|
|
|
|
|
|
|
|
|
|
|
|
|
|
|
|
|
|
|
|
|
|
|
Складные свободно стоящие стойки в сложенном виде |
PC |
|
|
|
|
|
|
|
|
|
|
|
|
|
|
|
|
|
|
|
|
|
|
|
|
|
|
|
|
|
|
|
|
На платформе с полной верхней конструкцией и открывающимися боковыми стенками |
PS |
|
|
|
|
|
|
|
|
|
|
|
|
|
|
|
|
|
Подъем за торцевые угловые фитинги (способ 2) не допускается для контейнеров типов 1ЕЕЕ и 1ЕЕ. Примечание - При использовании данного метода следует обратить внимание на то, чтобы не допустить деформации и повреждения контейнера в результате динамических воздействий. |
||||||||||||||||||||||||||||||||
6.10 Подъем вилочным захватом (рисунок 15)

Рисунок 15 - Подъем вилочным захватом
6.10.1 Контейнеры поднимают с помощью вилочного захвата, если они оснащены проемами для вилочных захватов, как показано в ИСО 1496-1.
Примечания
1 - Ни при каких обстоятельствах не допускается поднимать контейнеры вилочным захватом под основание независимо от того, оснащены они проемами для вилочного захвата или нет.
2 - Подъемы вилочным захватом не допускаются для контейнеров типов 1ЕЕЕ и 1ЕЕ.
6.10.2 Вилочный захват должен, по возможности, иметь длину, равную ширине контейнера, но ни при каких условиях не должен входить в проемы менее чем на 1825 мм.
Контейнеры типов 1СС, 1С и 1СХ могут быть оборудованы второй (внутренней) парой проемов под вилочный захват, эти проемы следует использовать только для операций с порожними контейнерами.
6.10.3 Применяемость подъема вилочным захватом представлена в таблице 12.
Таблица 12 - Применяемость подъема вилочным захватом
Условные обозначения:
- разрешено;
- не допускается (не применяются)
|
Порожний контейнер |
Тип контейнера |
Код по ИСО 6346 |
Загруженный контейнер |
|||||||||||||||||||||||||||||
|
1ЕЕЕ |
1ЕЕ |
1ААА |
1АА |
1А |
1АХ |
1ВВВ |
1ВВ |
1В |
1ВХ |
1СС |
1С |
1СХ |
1D |
1DX |
1ЕЕЕ |
1ЕЕ |
1ААА |
1АА |
1А |
1АХ |
1ВВВ |
1ВВ |
1В |
1ВХ |
1СС |
1С |
1СХ |
1D |
1DX |
|||
|
|
|
|
|
|
|
|
|
|
|
|
|
|
|
|
Универсальный |
GP, VH |
|
|
|
|
|
|
|
|
|
|
|
|
|
|
|
|
|
|
|
|
|
|
|
|
|
|
|
|
|
|
|
|
С открытым верхом |
UT |
|
|
|
|
|
|
|
|
|
|
|
|
|
|
|
|
|
|
|
|
|
|
|
|
|
|
|
|
|
|
|
|
Для насыпных грузов: без пневморазгрузки |
BU |
|
|
|
|
|
|
|
|
|
|
2) |
2) |
2) |
2) |
2) |
|
|
|
|
|
|
|
|
|
|
|
|
1) |
1) |
|
1) |
|
Изотермический |
RE, RT, RS |
|
|
|
|
|
|
|
|
|
|
2) |
2) |
|
2) |
|
|
|
|
|
|
|
|
|
|
|
|
|
|
|
|
|
|
Цистерна для жидкостей и газов |
TN, TD, TG |
|
|
|
|
|
|
|
|
|
|
|
|
|
|
|
|
|
|
|
|
|
|
|
|
|
|
|
|
|
|
|
|
Для насыпных грузов: без пневморазгрузки/с хопперной пневморазгрузкой |
BK |
|
|
|
|
|
|
|
|
|
|
|
|
|
|
|
|
|
|
|
|
|
|
|
|
|
|
|
|
|
|
|
|
Платформа |
PL |
|
|
|
|
|
|
|
|
|
|
|
|
|
|
|
|
|
|
|
|
|
|
|
|
|
|
|
|
|
|
|
|
Платформы с неполной верхней конструкцией |
Полные и закрепленные торцевые стенки |
PF |
|
|
|
|
|
|
|
|
|
|
|
|
|
|
|
|
|
|
|
|
|
|
|
|
|
|
|
|
|
|
|
Закрепленные свободно стоящие стойки |
PF |
|
|
|
|
|
|
|
|
|
|
|
|
|
|
|
|
|
|
|
|
|
|
|
|
|
|
|
|
|
|
|
|
Полные и складные торцевые стенки, установленные вертикально |
PC |
|
|
|
|
|
|
|
|
|
|
|
|
|
|
|
|
|
|
|
|
|
|
|
|
|
|
|
|
|
|
|
|
Складные свободно стоящие стойки, установленные вертикально |
PC |
|
|
|
|
|
|
|
|
|
|
|
|
|
|
|
|
|
|
|
|
|
|
|
|
|
|
|
|
|
|
|
|
Полные и складные торцевые стенки в сложенном виде |
PC |
|
|
|
|
|
|
|
|
|
|
|
|
|
|
|
|
|
|
|
|
|
|
|
|
|
|
|
|
|
|
|
|
Складные свободно стоящие стойки в сложенном виде |
PC |
|
|
|
|
|
|
|
|
|
|
|
|
|
|
|
|
|
|
|
|
|
|
|
|
|
|
|
|
|
|
|
|
На платформе с полной верхней конструкцией и открывающимися боковыми стенками |
PS |
|
|
|
|
|
|
|
|
|
|
|
|
|
|
|
|
|
1> Отклонение центра тяжести допустимо. 2) Центр тяжести может быть подвижным, например у контейнеров с жидкими, насыпными или подвешенными грузами. |
||||||||||||||||||||||||||||||||
7.1 Контейнеры следует опускать осторожно во избежание повреждений. Запрещается толкать контейнеры или перемещать их волоком по любой поверхности.
7.2 На земле должна быть подготовлена твердая плоская площадка с устройством для отвода воды, свободная от выступающих предметов. Контейнеры на площадке должны опираться только на четыре нижних угловых фитинга, кроме контейнеров типов 1ЕЕЕ и 1 ЕЕ.
7.3 На транспортных средствах контейнеры должны опираться только на угловые фитинги или только на промежуточные опорные площадки в основании конструкции контейнера.
8.1 При штабелировании контейнеров должен быть обеспечен контакт между верхними и нижними фитингами.
8.2 Особое внимание должно быть уделено ветровым нагрузкам, которые могут привести к соскальзыванию и опрокидыванию контейнеров; наиболее подвержены воздействию ветра крупногабаритные и порожние контейнеры. Ветровая нагрузка для блока контейнеров должна быть меньше, чем для одиночного штабеля.
Ветровая нагрузка может быть уменьшена:
- ограничением высоты штабеля;
- блочной укладкой штабелей;
- креплением контейнеров к опорной площадке;
- укладкой загруженных контейнеров в верхнем ярусе блока;
- использованием штабелирующих конусов или найтовов, особенно в наружных рядах.
Контейнеры следует штабелировать так, чтобы их продольные оси совпадали с преобладающим направлением ветра. В случае штормового предупреждения контейнеры, находящиеся в углах блока, должны быть закреплены. Такие меры необходимо применять при скоростях ветра свыше 15 м/с (29 узлов или 7 баллов по шкале Бофорта).
Размещение в блоке одинаковых контейнеров с большим числом контейнеров в ряду осуществляют в последовательности, показанной на рисунке 16.

Рисунок 16 - Схема размещения контейнеров в блоке при направлении ветра, указанном стрелкой
9.1.1 Для того чтобы предотвратить какие-либо перемещения контейнеров при транспортировании на судне или другом транспортном средстве, которые могут привести к травмированию персонала или повреждению контейнеров, последние должны быть закреплены надлежащим образом, за исключением случаев, упомянутых в 9.3.2.
9.1.2 Нижние фитинги должны удерживать контейнер от горизонтальных перемещений, так как основная прочность контейнера зависит от его нижней рамы.
9.1.3 Способы крепления контейнеров на судне или к другому транспортному средству должны обеспечивать сохранение их прочности.
9.1.4 Правильное расположение всех средств крепления должно быть проверено перед установкой или перед снятием контейнеров с судна или другого транспортного средства.
9.1.5 Правильное применение средств крепления следует проверять до начала и во время транспортирования.
9.2 Крепление контейнеров на борту судна
9.2.1 Силы, воздействующие на контейнеры на борту судна
На борту судна в море контейнеры подвержены воздействию сил, возникающих от качки судна, ветра и ударов волн (рисунок 17).
|
а) Вращательное (угловое перемещение) |
b) Линейное перемещение |
|
|
|
|
|
|
|
|
|
Рисунок 17 - Примеры перемещения судна при волнении моря
9.2.2 Положение контейнеров под воздействием сил
9.2.2.1 Перекос
Перекос представляет собой деформацию торцевых или боковых рам контейнера в результате приложения к нему поперечных статических и динамических сил.
Основные силы, вызывающие перекос в штабеле контейнеров, возникают при бортовой качке и оказывают наибольшее воздействие на нижние контейнеры штабеля; дополнительно возникает нагрузка под воздействием ветра.
Если действующие поперечные нагрузки при перекосе выше допустимых для контейнеров данных видов, следует использовать поддерживающие устройства; как правило, такая необходимость возникает только при поперечном перекосе.
9.2.2.2 Опрокидывание
Опрокидывание - это положение контейнера или штабеля, в котором они поворачиваются вокруг нижней кромки под действием поперечных сил, возникающих от качки или ветра. Для предотвращения опрокидывания используют вертикальные элементы крепления.
9.2.2.3 Скольжение
Скольжение представляет собой горизонтальное перемещение контейнера относительно его опорной поверхности (рисунок 18). Скольжения можно избежать с помощью фитингов, хотя при наличии в фитингах начальных зазоров могут произойти небольшие перемещения.
9.2.2.4 Разрушение
Разрушение - это просадка угловой стойки в результате чрезмерной сжимающей нагрузки; сила, передаваемая средствами крепления (например, диагональным найтовом), может увеличить сжимающую нагрузку (рисунок 19).
|
|
|
|
1 - опрокидывающая сила; 2 - сила перекоса; 3 – сила скольжения; 4 - качка Рисунок 18 - Перекос, опрокидывание и скольжение |
1 - сила сжатия; 2 - разрушение; 3 – найтов Рисунок 19 - Сжатие и разрушение угловой стойки |
9.2.2.5 Повреждение конструкции
Повреждение конструкции представляет собой поломку или постоянную деформацию конструктивных элементов контейнера под действием силы сжатия, которая возникает в результате неправильного использования средств крепления или незакрепленности груза внутри контейнера.
9.2.3 Конструкция судов, размещение и крепление контейнеров
9.2.3.1 Суда для перевозки контейнеров должны быть оборудованы специальными конструкциями, а также стационарными и съемными фитингами, предназначенными для размещения контейнеров ниже или выше палубы (9.2.1, 9.2.2).
9.2.3.2 Ячеистый контейнеровоз должен быть оборудован вертикальными направляющими для размещения и удержания контейнеров в вертикальных штабелях ниже, а иногда выше палубы. Пример палубных направляющих, образующих ячейки, показан на рисунке 20.

Примечания
1 Ячейка представляет собой пространство, занимаемое контейнером и ограниченное вертикальными направляющими.
2 Укладка 20-футовых контейнеров в 40-футовые ячеистые направляющие может вызвать повреждения из-за значительных смещений контейнеров.
Рисунок 20 - Пример палубных направляющих, образующих ячейки
9.2.3.3 Устройства крепления контейнеров на палубе предназначены для обеспечения:
- достаточной прочности закрепления всех контейнеров, загруженных допустимой массой брутто, без нарушения целостности контейнеров;
- определенной прочности и затем подбора и распределения массы контейнеров в штабеле, создающих нагрузки, соответствующие допустимой прочности контейнеров и средств крепления.
9.2.3.4 Способы крепления контейнеров в трюмах контейнеровозов, не оборудованных ячейками, аналогичны способам, используемым при размещении контейнеров на палубе в соответствии с 9.2.3.3.
9.2.4 Типы оборудования для крепления
9.2.4.1 Общие положения
На рисунке 21 приведены примеры конструкций судов-контейнеровозов.

Рисунок 21 - Примеры конструкций судов-контейнеровозов
Если направляющие для установки контейнеров в ячейки не предусмотрены, то используют основное оборудование различных типов:
- распорки или винтовые упоры;
- палубные гнезда (рисунки 22 и 23);
- штанги и натяжные приспособления, например талрепы (рисунки 22 и 23);
- тросовые или цепные найтовы с натяжными приспособлениями, например талрепами (рисунки 22 и 23);
- замки с поворотной головкой и штифтовые замки (рисунки 22 и 23).
Часто используют комбинации этих устройств.
9.2.4.2 Упоры
Упоры - это съемные устройства, устанавливаемые в трюмах судна. На соответствующих высотах в шпангоутах могут быть выполнены прорези для крепления яруса контейнеров и создания опорной плоскости для следующего яруса.
9.2.4.3 Контейнерные штанги
Контейнерные штанги изготовляют из стального прутка и используют как для удержания контейнеров от опрокидывания, так и для противодействия силам, вызывающим перекос (рисунки 22 и 23).
Контейнерные штанги используют в сочетании с подходящей комбинацией штабелирующих конусов, которые фиксируют положение контейнеров при установке и препятствуют их скольжению. Поскольку упругость штанг низка, следует применять правильное натяжение, чтобы избежать чрезмерного перетягивания штанг, опасного повреждениями конструкции контейнеров, фитингов или соединительных узлов на судне или другом транспортном средстве (рисунки 22 и 23).
9.2.4.4 Цепи и тросы
Цепные и тросовые найтовы используют аналогично прутковым штангам, но только для штабелей небольших масс или при одноярусном размещении контейнеров из-за их относительно малых допустимых рабочих нагрузок.
9.2.4.5 Контейнерные стопоры с поворотными головками (твистлоки)
Стопоры фиксируют положение и крепят контейнеры друг к другу внутри штабеля или к транспортному модулю через угловые или промежуточные фитинги.

Рисунок 22 - Пример типового оборудования для крепления контейнеров
Важно, чтобы даже в условиях плохой видимости можно было определить по внешнему виду стопора, закрыт он или нет. Поэтому все стопоры, используемые на борту судна, должны закрываться вращением рукоятки в одном и том же направлении.
9.2.4.6 Универсальные конусы со стопорением
Универсальные конусы со стопорением фиксируют положение и крепят контейнеры к палубе или друг к другу, препятствуя их скольжению и опрокидыванию, но не препятствуют силам перекоса. Их следует применять при числе ярусов более одного, когда подбор и укладка контейнеров гарантируют, что сила перекоса на нижнем контейнере не будет превышена. Универсальные конусы могут быть использованы в комбинации с другими системами крепления - прутковыми штангами или тросовыми найтовами (рисунки 22 и 23).
9.2.4.7 Штабелирующие конусы
Одинарные или двойные штабелирующие конусы используют, чтобы гарантировать заданное положение контейнеров при установке и чтобы удерживать контейнеры от скольжения по опорной плоскости (рисунки 22 и 23).
9.2.4.8 Винтовые стяжки
Винтовые стяжки сконструированы так, чтобы удерживать соседние контейнеры верхнего яруса за верхние угловые фитинги (рисунки 22 и 23).
9.2.4.9 Устройства натяжения
Используют следующие устройства натяжения:
- талрепы;
- гидравлические или пневматические;
- рычажные;
- цепные с рычагом и переставным крюком.
Талрепы обычно необходимы для создания усилия, достаточного для полной компенсации сил перекоса (рисунки 22 и 23).
|
|
|
|
а - Стопоры контейнерные с поворотной головкой |
с - Крюки угловые контейнерные |
|
|
|
|
b - Найтовы |
d - «Слоновая нога» и гнезда |
|
|
|
|
е - Направляющие ограничители |
л - Стяжки винтовые |
|
|
|
|
f - Стационарные точки крепления |
i - Уголковая направляющая стойка в ячеистой конструкции |
Рисунок 23 - Примеры типовых устройств для крепления контейнеров, лист 1
|
|
|
|
g - Натяжные устройства |
j - Винтовой упор |
|
|
|
|
k - Штабелирующие фитинги |
l - Крепление стопорным пальцем |
Рисунок 23, лист 2
9.3 Крепление контейнеров на автомобильном и железнодорожном транспорте
9.3.1 Общие положения
При автомобильных и железнодорожных перевозках контейнеры подвержены воздействию сил и вибраций, возникающих от торможения, маневров, движения на повороте, ускорения, неровностей дорожного покрытия и ветра.
Способы крепления контейнеров должны учитывать факторы и требования, перечисленные в 9.1.
При перевозке на автомобильном и железнодорожном транспорте контейнер не должен выступать по длине за продольный габарит транспортного средства.
9.3.2 Перевозка на терминальных трейлерах
Под такими перевозками подразумевают перевозки контейнера на терминальных трейлерах при малой скорости и на короткие расстояния внутри обозначенных площадок.
Для таких перевозок устройства крепления не требуются, но контейнер должен быть правильно установлен на трейлер так, чтобы исключить возможность его горизонтального перемещения; главным образом, этого достигают с помощью направляющих уголковых упоров или подобных им устройств (рисунок 24).

Рисунок 24 - Пример уголковой направляющей с горизонтальным упором
9.3.3 Перевозки автомобильным транспортом
Для обеспечения безопасности при перевозке автомобильным транспортом контейнер должен опираться на платформу автомобиля всеми четырьмя нижними угловыми фитингами или опорными площадками на основании контейнера (рисунок 25).
Обычно используемый способ крепления контейнеров на автомобильном транспорте - контейнерные стопоры с поворотной головкой (рисунок 26), которые могут быть фиксированными или выдвижными, а в некоторых случаях регулируемыми по высоте. Альтернативным способом является использование штабелирующих универсальных стопорных конусов (рисунок 27) или уголковых направляющих ограничителей (рисунок 28), устанавливающих контейнеры в заданное положение и противостоящих действию горизонтальных сил, со стопорными пальцами, пропущенными через стенки или концевые отверстия, чтобы противостоять вертикальным силам, направленным вверх.
Требования безопасности:
- устройства крепления должны быть хорошо видимыми;
- все промежуточные устройства крепления должны быть сложены или сняты;
- перед началом движения транспортного средства крепление контейнера должно быть проверено;
- перед снятием контейнера все стопорные устройства должны быть разомкнуты.

Рисунок 25 - Тягач с полуприцепом, оборудованным контейнерными стопорами с поворотной головкой
|
|
|
|
а) Рукоятка в положении «закрыто» |
b) Рукоятка в положении «открыто» |
Рисунок 26 - Стопоры с поворотной головкой на несущей платформе
9.3.4 Железнодорожные перевозки
Для обеспечения безопасности перевозок по железной дороге контейнеры должны опираться на железнодорожную платформу только всеми четырьмя нижними угловыми фитингами или только опорными площадками в основании конструкции контейнера. Контейнеры должны быть прикреплены к железнодорожной платформе всеми четырьмя нижними угловыми фитингами посредством универсальных конусов, препятствующих скольжению и опрокидыванию под действием продольных и поперечных сил, либо стопорами с поворотной головкой, либо другими средствами, соответствующими требованиям 9.1.
Пример крепления, применяемого для транспортирования по железной дороге, показан на рисунке 29.

а) Общий вид типовой железнодорожной платформы с контейнером
Рисунок 29 - Пример установки и крепления контейнера на железнодорожной платформе, лист 1

b) Детали откидного стопорного устройства
Рисунок 29, лист 2
Для обеспечения безопасности:
- устройства крепления должны быть хорошо видимыми;
- все промежуточные крепежные приспособления должны быть втянуты или удалены;
- до начала движения транспортного средства крепление контейнера должно быть проверено;
- перед снятием контейнера все стопорные устройства должны быть разомкнуты.
9.3.5 Железнодорожная платформа для двухъярусной перевозки контейнеров
Для обеспечения безопасности на железной дороге при двухъярусной перевозке контейнеров контейнеры верхнего и нижнего ярусов должны быть установлены на все четыре нижних угловых фитинга. Нижний контейнер крепится к железнодорожной платформе через нижние угловые фитинги с помощью поворотных замков или другими способами, соответствующими требованиям 9.1. Во избежание смещения во время движения контейнеры должны быть надежно закреплены на платформе. Пример крепления контейнеров на платформе для двухъярусной перевозки по железной дороге показан на рисунке 30.
Для обеспечения безопасности:
- устройства крепления должны быть хорошо видимыми;
- до начала движения транспортного средства крепление контейнеров должно быть проверено на надежность;
- перед снятием контейнеров все запорные устройства должны быть разомкнуты.

а) Общий вид типовой железнодорожной платформы с контейнерами, установленными в два яруса
Рисунок 30 - Пример двухъярусной установки и крепления контейнеров на железнодорожной платформе, лист 1

b) Элемент крепления фитинга
Рисунок 30, лист 2
А.1 Общие положения
Контейнерные стопоры с поворотными головками (твистлоки) фиксируют положение контейнеров, и их крепят:
- либо друг к другу внутри штабеля (тогда они действуют через угловые фитинги),
- либо к транспортным средствам (тогда они действуют через нижние угловые фитинги и гнезда крепления на транспортных средствах).
Стопоры с поворотными головками также используют для соединения при подъеме контейнеров.
А.2 Термины и определения
В настоящем приложении применены следующие термины, характеризующие стопоры (твистлоки), с соответствующими определениями:
А.2.1 выступ: Часть стопора, которая входит в верхние или нижние отверстия углового фитинга и удерживает соединенные контейнеры от горизонтальных перемещений.
А.2.2 проушина: Отверстие в верхнем конусе стопора, предназначенное для определения правильной ориентации стопора.
А.2.3 хвостовик рукоятки: Загнутая вверх часть рукоятки, предназначенная для идентификации правильной ориентации стопора в штабеле контейнеров.
А.2.4 фиксированное основание: Жесткая часть выступа, допускающая ручное закрытие нижней части стопора.
А.2.5 взводящее устройство: Устройство, управляемое вручную, приводящее стопор в рабочее состояние.
А.2.6 промежуточная пластина: Горизонтальная часть стопора, которая воспринимает вертикальную силу сжатия между контейнерами в штабеле.
А.2.7 односторонний стопор: Стопор с верхней поворотной головкой и фиксированным основанием, выполненный со стандартной ориентацией.
Примечание - Данный стопор может быть использован только в одном из двух случаев:
- в верхнем угловом фитинге контейнера (основанием вниз), на который будет установлен другой контейнер, или
- в нижнем угловом фитинге контейнера (основанием вверх), который будет установлен сверху на другой контейнер.
А.2.8 сдвоенный стопор: Стопор, имеющий и верхний, и нижний конусы, снабженные фиксирующими поворотными головками.
А.2.9 двусторонний стопор: Стопор, который в одном положении может быть предварительно застопорен или в верхнем, или в нижнем угловом фитинге.
А.2.10 одиночное стопорение: Стопорение, выполняемое либо в верхнем, либо в нижнем конусе.
А.2.11 двойное стопорение: Стопорение, выполняемое в верхнем и нижнем конусах.
А.3 Типы и описание стопоров
А.3.1 Ручные стопоры
А.3.1.1 Ручной двухпозиционный стопор с фиксированным основанием и одной поворотной головкой
Ручной стопор с фиксированным основанием состоит из следующих частей:
- верхнего конуса с проушиной, который может быть повернут по отношению к фиксированному основанию;
- промежуточной пластины с выступами и фиксированным основанием;
- рукоятки с отгибом вверх, присоединенной к валу и двигающейся в горизонтальной плоскости с двумя конечными положениями: в одном - конус полностью закрыт, в другом - полностью открыт (рисунок А.1).

Рисунок А.1 - Ручной двухпозиционный стопор с фиксированным основанием и одной поворотной головкой
А.3.1.2 Ручной трехпозиционный стопор с двумя поворотными головками
Ручной трехпозиционный стопор с двумя поворотными головками состоит из следующих частей:
a) верхнего конуса с проушиной и нижнего конуса, жестко соединенных между собой валом;
b) промежуточной пластины с выступами;
c) рукоятки с отгибом вверх, присоединенной к валу и двигающейся в горизонтальной плоскости с тремя конечными положениями (рисунок А.2):
- первая позиция: нижний конус полностью открыт, чтобы вставить стопор в верхний угловой фитинг,
- вторая позиция: верхний конус полностью открыт, а нижний закрыт, чтобы закрепить стопор в верхнем угловом фитинге и вставить стопор в нижний угловой фитинг следующего контейнера;
- третья позиция: и верхний, и нижний конусы полностью закрыты.

Рисунок А.2 - Ручной трехпозиционный стопор с двумя поворотными головками
А.3.2 Полуавтоматический стопор
Полуавтоматический стопор может быть как односторонним, так и двусторонним. Он состоит из следующих частей:
- верхнего конуса с проушиной и нижнего конуса, жестко соединенных механизмом;
- промежуточной пластины с выступами;
- внутреннего механизма, автоматически закрывающего конусы либо когда контейнер встает на стопор (рисунок А.3), либо когда нижний конус входит в верхний угловой фитинг контейнера (рисунок А.4);
- устройства для открывания стопора.

Рисунок А.3 - Полуавтоматический стопор, установленный в нижний угловой фитинг

Рисунок А.4 - Полуавтоматический стопор, установленный в верхний угловой фитинг
А.4 Функциональные требования к стопорам
А.4.1 Общие требования
Верхний и нижний конусы должны удерживать соединенные контейнеры от вертикальных перемещений.
Выступ должен удерживать соединенные контейнеры от горизонтальных перемещений.
Проушина в верхнем конусе должна идентифицировать верхний конус и облегчать обращение со стопором.
Отгиб рукоятки на ручном стопоре должен указывать правильную ориентацию стопора в штабеле контейнеров.
А.4.2 Ручные стопоры
Ручной стопор должен быть ориентирован так, чтобы конус с проушиной был направлен вверх.
Рукоятки всегда должны работать в горизонтальной плоскости, и их отгибы должны быть направлены вверх.
Направление стопорения рукоятки - по часовой стрелке (вид сверху), что является гарантией безопасного стопорения.
Все ручные стопоры (твистлоки), включая трехпозиционные, должны иметь безотказный запирающий механизм, гарантирующий невыпадение стопора из углового фитинга во время погрузки, разгрузки и транспортирования контейнеров.
А.4.3 Полуавтоматические стопоры
Полуавтоматический стопор должен быть ориентирован так, чтобы конус с проушиной был направлен вверх.
Полуавтоматический стопор должен быть оборудован средствами, указывающими на закрытие обоих конусов.
У полуавтоматических стопоров, оборудованных рукояткой, работающей в горизонтальной плоскости, рукоятка должна иметь на конце отгиб, направленный вверх, а на закрытие конусов должна указывать рукоятка, находящаяся в крайнем левом положении.
У полуавтоматических стопоров с пружинным приводом на закрытие конусов указывает полное втягивание провода.
У полуавтоматических стопоров с другими вводящими устройствами на закрытие конусов указывает индикатор, соответствующий требованиям, изложенным выше.
Полуавтоматический стопор должен иметь надежный стопорный механизм, предотвращающий случайное выпадение стопора из углового фитинга во время установки и снятия контейнеров.
А.5 Размеры
А.5.1 Верхний и нижний конусы
Верхний и нижний конусы должны быть спроектированы так, чтобы в полностью закрытом положении площадь, воспринимающая нагрузку, составляла не менее 800 мм2. Верхний и нижний конусы не должны выдаваться в полость углового фитинга, показанную на рисунке А.5, которая применяется для другого оборудования, используемого при установке найтовов.


1 - ограниченная часть; 2 - торец контейнера
Рисунок А.5 - Ограниченная часть полости углового фитинга
А.5.2 Промежуточная пластина
Толщина промежуточной пластины должна быть 300-5 мм (рисунок А.6).
Площадь промежуточной пластины, воспринимающая нагрузку (контактная площадь поверхности фланца), должна быть не менее 4500 мм2. Стопор должен быть спроектирован так, чтобы площадь передачи максимальной нагрузки была расположена ближе к стенкам угловых фитингов.
А.5.3 Рукоятка
Длина рукоятки должна быть не более 160 мм.
Длина отгиба рукоятки должна быть (25 ± 2) мм (рисунок А.7).
|
|
|
|
Рисунок А.6 - Промежуточная пластина |
Рисунок А.7 - Длина рукоятки |
А.5.4 Выступы
Для того чтобы входить в отверстия углового фитинга по ИСО 1161, размеры выступа должны соответствовать размерам, показанным на рисунке А.8.

Рисунок А.8 - Размеры выступов
А.5.5 Расстояние между верхним и нижним конусами
Расстояние между верхним и нижним конусами равно фактической толщине промежуточной пластины плюс дважды по (33 ±1) мм (рисунок А.9).

1 - промежуточная пластина; t - толщина промежуточной пластины
Рисунок А.9 - Расстояние между верхним и нижним конусами
А.6 Материал и конструктивное исполнение
Рабочие характеристики и надежность стопоров зависят от их конструкции и свойств материала, из которого они изготовлены. Подвижные части должны быть спроектированы так, чтобы они выдерживали напряжения в условиях коррозии и загрязнения. В конструкции, в целях безопасности, важно наличие различных шаговых положений рукоятки.
А.7 Требования к прочности
А.7.1 Прочность при растяжении
Стопоры должны выдерживать силу растяжения 150 кН без остаточной деформации. Для проверки соответствия требованиям прочности при растяжении стопоры испытывают по А.8.1. Сила должна действовать между конусами или между верхним конусом и фиксированным основанием.
Стопоры, используемые для подъема, должны выдерживать силу растяжения не менее 178 кН без остаточной деформации или других отклонений, которые привели бы их в негодность.
Сила растяжения должна быть приложена с помощью двух угловых фитингов или двух эквивалентных устройств по ИСО 1161.
А.7.2 Прочность при сжатии
А.7.2.1 Прочность промежуточной пластины при сжатии
Промежуточная пластина стопора (твистлока) должна выдерживать силу сжатия, равную 850 кН, без остаточной деформации или других отклонений, которые привели бы ее в негодность. Чтобы проверить соответствие требованиям прочности при сжатии, стопор испытывают по А.8.2.1. Испытание не должно повлиять на работоспособность стопора. Сила сжатия должна быть приложена в испытательной машине двумя стальными пластинами с отверстиями, эквивалентными отверстиям в угловых фитингах по ИСО 1161.
А.7.2.2 Прочность конусов при сжатии
Поворотные головки стопоров должны выдерживать силу сжатия 150 кН без остаточной деформации или других отклонений, которые привели бы их в негодность. Испытание не должно влиять на работоспособность стопора.
Силу сжатия прилагают к верхнему или нижнему конусу в испытательной машине посредством одной сплошной стальной пластины и одной стальной пластины с отверстием, эквивалентным отверстиям в угловых фитингах по ИСО 1161. Чтобы проверить соответствие пределу прочности, конус стопора испытывают по А.8.2.2. Испытание не должно влиять на работоспособность стопора.
А.7.3 Прочность на срез
Выступы стопора должны выдерживать перерезывающую силу 300 кН в продольном и поперечном направлениях без остаточной деформации или других отклонений, которые привели бы стопор в негодность.
Сила должна быть приложена в испытательной машине двумя стальными пластинами с отверстиями, эквивалентными отверстиям в угловых фитингах по ИСО 1161.
Чтобы проверить соответствие требованиям к прочности на срез, выступ стопора испытывают по А.8.3.
А.8 Методы испытаний
При проведении испытания на растяжение сила растяжения должна быть приложена к стопору в разрывной испытательной машине двумя захватами, размеры которых эквивалентны размерам угловых фитингов (рисунок А.10).
Испытательную силу прилагают в течение 5 мин.

F - испытательная сила
Рисунок А.10 - Испытание стопора (твистлока) на растяжение
А.8.2 Испытание на сжатие
А.8.2.1 Прочность промежуточной пластины при сжатии
При проведении испытания на сжатие промежуточная пластина должна быть сжата в испытательной машине двумя стальными пластинами с отверстиями, эквивалентными отверстиям в угловых фитингах по ИСО 1161 (рисунок А.11).
Испытательную силу прилагают в течение 5 мин.

F - испытательная сила
Рисунок А.11 - Испытание промежуточной пластины стопора на сжатие
А.8.2.2 Прочность конусов при сжатии
При проведении испытания на сжатие верхний или нижний конус должен быть сжат в испытательной машине сплошной стальной пластиной и стальной пластиной с отверстием, эквивалентным отверстиям в угловых фитингах по ИСО 1161 (рисунок А.12).
Испытательную силу прилагают в течение 5 мин.

F - испытательная сила
Рисунок А. 12 - Испытание конуса стопора на сжатие
А.8.3 Испытание на прочность при срезе
Для испытания на прочность при срезе стопор в закрытой позиции помещают в испытательную установку с отверстиями, эквивалентными отверстиям в угловых фитингах по ИСО 1161 (рисунок А.13). Стопор испытывают как в продольном, так и в поперечном направлениях. Испытательную силу прилагают в течение 5 мин.

F - испытательная сила
Рисунок А.13 - Испытание стопора на срез
В.1 Общие положения
Контейнерные стопоры с ригельными фиксаторами (лэтчлоки) фиксируют положение контейнеров, и их крепят:
- друг к другу внутри штабеля (тогда они действуют через угловые фитинги);
- к транспортным средствам (тогда они действуют через угловые фитинги и гнезда крепления на транспортных средствах).
Контейнерные стопоры с ригельными фиксаторами также можно использовать для соединения и подъема контейнеров.
В.2 Термины и определения
В настоящем приложении применены следующие термины с соответствующими определениями:
В.2.1 стопор: Устройство, соединяющее контейнеры друг с другом внутри штабеля или с транспортными средствами и закрепляющее контейнеры выступами ригелей, входящими в угловые фитинги контейнера или гнезда крепления (рисунок В.1).

Рисунок В.1 - Полуавтоматический стопор с нижним фиксирующим конусом
В.2.2 полуавтоматический стопор: Стопор, в котором верхний конус и/или нижний конус с ригелями взводится механизмом и автоматически запирается.
В.2.3 верхний конус: Верхняя часть стопора со стопорным устройством или без него, всегда входящая в нижний угловой фитинг.
В.2.4 нижний конус: Нижняя часть стопора со стопорным устройством или без него, всегда входящая в верхний угловой фитинг или гнездо крепления.
В.2.5 ригель: Запирающая деталь стопора, выдвигающаяся из конуса горизонтально или по круговой траектории.
В.2.6 рукоятка: Устройство, соединенное со стопором, взводящее механизм и, следовательно, ригель.
В.2.7 выступ: Часть стопора, входящая в верхние или нижние отверстия угловых фитингов и удерживающая соединенные контейнеры от горизонтальных перемещений.
В.2.8 проушина: Отверстие в верхнем конусе стопора.
В.2.9 фиксированное основание: Жесткая часть стопора, допускающая предварительное ручное стопорение в угловом фитинге контейнера.
В.2.10 промежуточная пластина: Часть стопора, воспринимающая усилие сжатия между контейнерами в штабеле.
В.2.11 односторонний стопор: Стопор асимметричной конструкции с одним ригельным конусом, соответствующий стандартной ориентации.
Примечание - Односторонний стопор может быть использован только в одном из двух случаев:
- в верхнем угловом фитинге контейнера, на который будет установлен другой контейнер, или
- в нижнем угловом фитинге контейнера, который будет установлен на вершину другого контейнера.
В.2.12 сдвоенный стопор: Стопор, имеющий и верхний, и нижний ригельные конусы.
В.2.13 двусторонний стопор: Стопор, который в одном положении может быть предварительно застопорен или в верхнем угловом фитинге, или в нижнем угловом фитинге, или в гнезде крепления.
В.2.14 одиночное стопорение: Стопорение, выполняемое либо в верхнем, либо в нижнем конусе.
В.2.15 двойное стопорение: Стопорение, выполняемое и в верхнем, и в нижнем конусах.
В.3 Типы и описание полуавтоматических стопоров
Полуавтоматический стопор может быть как односторонним, так и двусторонним.
Односторонний стопор состоит из следующих частей:
- верхнего конуса с проушиной и нижнего конуса с ригельными фиксаторами, соединенными с механизмом;
- промежуточной пластины с выступами;
- внутреннего механизма, автоматически запирающего ригель, когда нижний конус входит в верхний угловой фитинг (рисунок В.2).

Рисунок В.2 - Полуавтоматический стопор, установленный в нижний угловой фитинг
Двусторонний стопор состоит из следующих частей:
- жестко соединенных верхнего конуса с проушиной и нижнего конуса, каждый из которых оснащен ригелем, соединенным с внутренним механизмом;
- промежуточной пластины с выступами;
- внутреннего механизма, автоматически выдвигающего ригели:
1) когда контейнер устанавливают на стопор, закрепленный в верхнем угловом фитинге (рисунок В.3),
2) когда стопор, закрепленный в нижнем угловом фитинге контейнера, входит в верхний угловой фитинг.

Рисунок В.3 - Полуавтоматический двусторонний стопор, установленный в верхний угловой фитинг
В.4 Функциональные требования к стопорам
В.4.1 Общие требования
Верхний и нижний конусы должны удерживать соединенные контейнеры от вертикальных перемещений.
Выступ должен удерживать соединенные контейнеры от горизонтальных перемещений.
Проушина в верхнем конусе должна идентифицировать верхний конус и облегчать обращение со стопором.
Рукоятка должна осуществлять движение ригельных фиксаторов и тем самым закрытие и открытие стопора.
Надежный стопорный механизм должен предотвращать случайное выпадение стопора из углового фитинга во время погрузки, разгрузки и транспортирования контейнеров.
В.4.2 Полуавтоматические стопоры
Полуавтоматический стопор должен быть ориентирован так, чтобы конус с проушиной был направлен вверх.
Полуавтоматический стопор должен быть оборудован средствами четкого указания закрытия обоих конусов.
У полуавтоматических стопоров, оборудованных рукояткой, работающей в вертикальной плоскости, на закрытие конусов указывает горизонтальное положение рукоятки.
У полуавтоматических стопоров, оборудованных рукояткой, работающей в горизонтальной плоскости, рукоятка должна иметь на конце отгиб, направленный вверх, а на закрытие конусов указывает рукоятка, находящаяся в крайнем левом положении.
В.5 Размеры
В.5.1 Верхний и нижний конусы
Верхний и нижний конусы или соответствующий ригель должны быть спроектированы так, чтобы в полностью закрытом положении площадь, воспринимающая нагрузку, составляла не менее 800 мм2 в совокупности при стопорении за обе стороны отверстия углового фитинга либо не менее 600 мм2 при стопорении за одну сторону отверстия углового фитинга.
Если предусмотрена возможность использования стопоров для подъема контейнеров, то площадь, воспринимающая нагрузку, должна быть не менее 800 мм2 в совокупности при стопорении за одну или обе стороны отверстия углового фитинга.
Верхний и нижний конусы не должны выдаваться в полость углового фитинга, показанную на рисунке В.4, которая применяется для другого крепежного оборудования, используемого при установке найтовов.
В.5.2 Промежуточная пластина
Толщина промежуточной пластины должна быть равной 300-5 мм.
Площадь промежуточной пластины, воспринимающая силу сжатия (контактная площадь поверхности фланца), должна быть не менее 4500 мм2. Стопор должен быть спроектирован таким образом, чтобы площадь передачи максимальной нагрузки была расположена ближе к стенкам угловых фитингов.
В.5.3 Рукоятка
Длина вращающейся части рукоятки, работающей в вертикальной плоскости, от осевой линии стопора до внутренней части отгиба рукоятки и длина отгиба от оси вращения рукоятки до ее конца должны соответствовать указанным на рисунке В.5.

1 - ограниченная часть; 2 - торец контейнера
Рисунок В.4 - Ограниченная часть полости углового фитинга, лист 1

1 - ограниченная часть; 2 - торец контейнера
Рисунок В.4, лист 2

Рисунок В.5 - Длина рукоятки, работающей в вертикальной плоскости
Длина рукоятки, работающей в горизонтальной плоскости, должна соответствовать указанной на рисунке В.6.

Рисунок В.6 - Длина рукоятки, работающей в горизонтальной плоскости
В.5.4 Выступы
Выступы стопора должны входить в отверстия верхнего и нижнего угловых фитингов по ИСО 1161 и иметь размеры, указанные на рисунке В.7.

Рисунок В.7 - Размеры выступов
В.5.5 Расстояние между верхними и нижними ригельными фиксаторами
Расстояние между верхними и нижними ригельными фиксаторами должно соответствовать указанному на рисунке В.8.

Рисунок В.8 - Расстояние между верхними и нижними ригельными фиксаторами
В.6 Материал и конструктивное исполнение
Рабочие характеристики и надежность стопоров зависят от их конструкции и свойств материала, из которого они изготовлены. Пружины, при наличии, удерживающие рукоятку в заданном положении, должны быть спроектированы таким образом, чтобы они выдерживали напряжения в условиях коррозии и загрязнения. В целях безопасности также необходимо наличие трех различных шаговых положений рукоятки.
В.7 Требования к прочности
В.7.1 Прочность при растяжении
Стопор должен выдерживать силу растяжения 150 кН без остаточной деформации или других отклонений, которые привели бы его в негодность. Чтобы проверить соответствие стопоров требованиям прочности, их испытывают по В.8.1. Сила должна действовать между стопорными конусами или между верхним стопорным конусом и фиксированным основанием.
Стопоры, используемые для подъема, должны выдерживать силу растяжения не менее 178 кН без остаточной деформации или других отклонений, которые привели бы их в негодность.
Силу растяжения прилагают посредством двух угловых фитингов или двух аналогичных устройств по ИСО 1161.
В.7.2 Прочность при сжатии
В.7.2.1 Прочность промежуточной пластины при сжатии
Промежуточная пластина стопора должна выдерживать силу сжатия, равную 850 кН, без остаточной деформации или других отклонений, которые привели бы ее в негодность. Для проверки соответствия пластины требованиям прочности при сжатии стопоры испытывают по В.8.2.1. Испытание не должно повлиять на работоспособность стопора. Силу сжатия прилагают в испытательной машине двумя стальными пластинами с отверстиями, эквивалентными отверстиям в угловых фитингах по ИСО 1161.
В.7.2.2 Прочность конусов при сжатии
Конусы стопоров должны выдерживать силу сжатия 150 кН без остаточной деформации или других отклонений, которые привели бы их в негодность. Испытание не должно повлиять на работоспособность стопора.
Сила сжатия должна быть приложена к верхнему конусу или к нижнему конусу в испытательной машине с помощью одной сплошной стальной пластины и одной стальной пластины с отверстием, эквивалентным отверстиям в угловых фитингах по ИСО 1161. Соответствие требованиям прочности конусов стопора на сжатие проверяют испытанием по В.8.2.2. Испытание не должно повлиять на работоспособность стопора.
В.7.3 Прочность на срез
Выступ стопора должен выдерживать перерезывающую силу 300 кН в продольном и поперечном направлениях без остаточной деформации или других отклонений, которые привели бы его в негодность.
Сила должна быть приложена в испытательной машине двумя стальными пластинами, отверстия которых эквивалентны отверстиям в угловых фитингах по ИСО 1161.
Соответствие требованиям прочности стопора на срез проверяют испытанием по В.8.3.
В.8 Методы испытаний
Сила при испытании на растяжение должна быть приложена к стопору в разрывной испытательной машине двумя захватами, размеры которых эквивалентны размерам угловых фитингов по ИСО 1161 (рисунок В.9).
Испытательную силу прилагают в течение 5 мин.

F - испытательная сила
Рисунок В.9 - Испытание стопора на растяжение
В.8.2 Испытание на сжатие
В.8.2.1 Прочность промежуточной пластины при сжатии
При проведении испытания на сжатие промежуточная пластина должна быть сжата в испытательной машине двумя стальными пластинами с отверстиями, эквивалентными отверстиям в угловых фитингах по ИСО 1161 (рисунок В.10).
Испытательную силу прилагают в течение 5 мин.

F - испытательная сила
Рисунок В. 10 - Испытание промежуточной пластины стопора на сжатие
В.8.2.2 Прочность конусов при сжатии
При проведении испытания на сжатие верхний или нижний конус должен быть сжат в испытательной машине сплошной стальной пластиной и стальной пластиной с отверстием, эквивалентным отверстиям в угловых фитингах по ИСО 1161 (рисунок В.11).
Испытательную силу прилагают в течение 5 мин.

F - испытательная сила
Рисунок В.11 - Испытание конуса стопора на сжатие
В.8.3 Испытание на прочность при срезе
Для испытания на прочность при срезе стопор в закрытом положении помещают в испытательную установку с отверстиями, эквивалентными отверстиям в угловых фитингах по ИСО 1161 (рисунок В.12).
Стопор испытывают как в продольном, так и в поперечном направлениях.
Испытательную силу прилагают в течение 5 мин.

F - испытательная сила
Рисунок В. 12 - Испытание стопора на срез
С.1 Общие положения
Штабелирующие конусы (направляющие устройства) определяют положение контейнеров и закрепляют их горизонтально по отношению либо друг к другу внутри штабеля, либо к транспортному средству. Они должны действовать через угловые фитинги контейнеров или через гнезда на транспортном средстве. Штабелирующие конусы всегда используют совместно с найтовами и другими устройствами крепления.
С.2 Термины и определения
В настоящем приложении применены следующие термины с соответствующими определениями:
С.2.1 конус: Часть штабелирующего конуса, которая входит в верхнее или нижнее отверстие углового фитинга контейнера или гнездо крепления и удерживает соединенные контейнеры от горизонтальных перемещений.
С.2.2 промежуточная пластина: Часть штабелирующего конуса, которая воспринимает силу сжатия между ярусами контейнеров в штабеле.
С.2.3 одиночный штабелирующий конус: Штабелирующий конус, имеющий один верхний и один нижний конусы.
С.2.4 двойной штабелирующий конус: Штабелирующий конус, имеющий два верхних и два нижних конуса.
Примечание - Двойные штабелирующие конусы могут быть поперечного или продольного типа.
С.3 Типы и описание штабелирующих конусов
С.3.1 Одинарный штабелирующий конус
Одинарный штабелирующий конус состоит из двух противоположных друг другу конусов, жестко присоединенных к промежуточной пластине (рисунок С.1).

1 - конус; 2 - промежуточная пластина
Рисунок С.1 - Одинарный штабелирующий конус
С.3.2 Двойной штабелирующий конус
Двойной штабелирующий конус состоит из двух пар противоположных друг другу конусов, жестко присоединенных к концам промежуточной пластины. Они предназначены для соединения и крепления контейнеров друг к другу по горизонтали и бывают поперечного или продольного типа. Поперечные конусы закрепляют контейнеры боковыми стенками параллельно друг другу. Продольные конусы закрепляют контейнеры торцами параллельно друг другу (рисунок С.2).

1 - конус; 2 - промежуточная пластина
Рисунок С.2 - Двойной штабелирующий конус
С.4 Функциональные требования к штабелирующим конусам и размеры
С.4.1 Общие требования
Верхний и нижний конусы должны удерживать соединенные контейнеры от горизонтальных перемещений.
Промежуточная пластина должна крепить контейнеры друг к другу. Двойные конусы можно использовать только в том случае, когда верхние угловые фитинги ярусов контейнеров находятся на одном уровне.
С.4.2 Верхние и нижние конусы
Верхние и нижние конусы должны быть спроектированы так, чтобы они не вдавались в полость углового фитинга, применяемую для другого оборудования, используемого при установке найтовов (рисунок С.3).


1 - ограниченная часть; 2 - торец контейнера
Рисунок С.3 - Ограниченная часть полости углового фитинга
С.4.3 Промежуточная пластина
Толщина промежуточной пластины должна быть не менее 12 мм. В частности, в штабеле контейнеров все промежуточные пластины одного межъярусного уровня должны иметь одинаковую толщину.
Площадь промежуточной пластины, воспринимающая нагрузку сжатия (контактная площадь поверхности фланца), должна быть не менее 4500 мм2. Промежуточная пластина должна быть спроектирована так, чтобы площадь передачи максимальной нагрузки была расположена ближе к стенкам угловых фитингов.
С.4.4 Конусы
Конусы должны входить в верхнее и нижнее отверстия угловых фитингов по ИСО 1161 и иметь размеры, указанные на рисунке С.4.

Рисунок С.4 - Размеры штабелирующего конуса

Рисунок С.5 - Расстояние между конусами на двойном продольном штабелирующем конусе
С.4.5 Расстояние между конусами
Межосевое расстояние между конусами на двойном поперечном штабелирующем конусе должно соответствовать установленным промежуткам между контейнерами на судне, где он должен быть использован. На отдельном судне расстояние между конусами должно быть одинаковым и соответствовать промежутку, выбранному для этого судна.
Расстояние между конусами на двойном продольном штабелирующем конусе должно быть равным (280 ±5) мм, как показано на рисунке С.5.
С.5 Материал и конструктивное исполнение
Рабочие характеристики и надежность штабелирующих конусов зависят от их конструкции и свойств материала, из которого они изготовлены. Штабелирующие конусы должны быть спроектированы так, чтобы они выдерживали напряжения в условиях коррозии или загрязнения.
С.6 Требования к прочности
С.6.1 Прочность промежуточной пластины при сжатии
Промежуточная пластина одинарного и двойного штабелирующих конусов должна выдерживать силу вертикального сжатия 850 кН без остаточной деформации или других отклонений, которые привели бы ее в негодность.
Соответствие штабелирующих конусов требованиям к пределу прочности при сжатии проверяют испытанием по С.7.1. Сила сжатия должна быть приложена в испытательной машине двумя стальными пластинами с отверстиями, эквивалентными отверстиям в угловых фитингах по ИСО 1161.
С.6.2 Прочность конусов при сжатии
Конусы одинарного и двойного штабелирующих конусов должны выдерживать силу сжатия 150 кН без остаточной деформации или других отклонений, которые привели бы их в негодность.
Сила сжатия должна было приложена к конусу в испытательной машине с помощью одной сплошной стальной пластины и одной стальной пластины с отверстием, эквивалентным отверстиям в угловых фитингах по ИСО 1161.
Соответствие штабелирующих конусов требованиям к пределу прочности на сжатие проверяют испытанием по С.7.2.
С.6.3 Прочность на срез
Штабелирующий конус должен выдерживать перерезывающую силу 300 кН в продольном и поперечном направлениях без остаточной деформации или других отклонений, которые привели бы его в негодность.
Сила должна быть приложена в испытательной машине двумя стальными пластинами с отверстиями, эквивалентными отверстиям в угловых фитингах по ИСО 1161. Соответствие штабелирующих конусов требованиям прочности на срез проверяют испытанием по С.7.3.
С.6.4 Прочность промежуточной пластины при растяжении и сжатии
Промежуточная пластина двойного штабелирующего конуса, взаимодействующего с фитингом, должна выдерживать силу горизонтального растяжения и сжатия, равную 300 кН, без какой-либо постоянно действующей деформации или других отклонений от нормы, которые привели бы ее в негодность. Для проверки соответствия требованиям к пределу прочности при сжатии и растяжении фитинг, взаимодействующий со штабелирующим конусом, испытывают в соответствии с С.7.4. Сила должна действовать между конусами, как показано на рисунке С.9.
Сила должна быть приложена с помощью устройства, в продольном или поперечном направлении, в зависимости от типа испытания четырех угловых фитингов, по ИСО 1161.
С.7 Методы испытаний
С.7.1 Испытание промежуточной пластины на сжатие
При проведении испытания на сжатие промежуточная пластина должна быть сжата в испытательной машине двумя стальными пластинами с отверстиями, эквивалентными отверстиям в угловых фитингах по ИСО 1161 (рисунок С.6).
Испытательную силу прилагают в течение 5 мин.

F - испытательная сила
Рисунок С.6 - Испытание промежуточной пластины на сжатие
С.7.2 Испытание конусов на сжатие
При проведении испытания на сжатие верхний или нижний конус должен быть сжат в испытательной машине сплошной стальной пластиной и стальной пластиной с отверстиями, эквивалентными отверстиям в угловых фитингах по ИСО 1161 (рисунок С.7).
Испытательную силу прилагают в течение 5 мин.

F - испытательная сила
Рисунок С.7 - Испытание конусов на сжатие
С.7.3 Испытание конусов на срез
Для испытания на прочность при срезе штабелирующий конус помещают в испытательную установку с отверстиями, эквивалентными отверстиям в угловых фитингах по ИСО 1161 (рисунок С.8).
Штабелирующий конус испытывают как в продольном, так и в поперечном направлениях.
Испытательную силу прилагают в течение 5 мин.

F - испытательная сила
Рисунок С.8 - Испытание конусов на срез
С.7.4 Испытание на растяжение и сжатие
Сила должна быть приложена к двойному штабелирующему конусу в разрывной испытательной машине четырьмя фитингами, размеры которых эквивалентны размерам угловых фитингов по ИСО 1161 (рисунок С.9).
Испытательную силу прилагают в течение 5 мин.

F - испытательная сила
Рисунок С.9 - Испытание на растяжение и сжатие
D.1 Общие положения
Контейнерные штанги и устройства натяжения крепят ярусы контейнеров внутри штабеля к транспортному средству. Они действуют через фитинги контейнеров в сторону транспортного средства. Их используют совместно с другими устройствами крепления, такими как штабелирующие конусы и стопоры.
D.2 Термины и определения
В настоящем приложении применены следующие термины с соответствующими определениями:
D.2.1 контейнерная штанга: Штанга, верхней частью устанавливаемая в угловой фитинг или соединительную часть (крюк), в свою очередь вставляемую в угловой фитинг, а нижней частью - в устройство натяжения (талреп) (рисунки D.1 - D.5).
D.2.2 закладной контейнерный крюк: Устройство крепления, которое входит в угловой фитинг и к которому может быть присоединена контейнерная штанга (рисунки D.1 и D.5).
D.2.3 оголовок контейнерной штанги: Верхняя часть контейнерной штанги, вставляемая в угловой фитинг (рисунок D.3).
D.2.4 шарнирный оголовок контейнерной штанги: Сочлененная часть контейнерной штанги, вставляемая в угловой фитинг (рисунок D.4).
D.2.5 устройство натяжения: Устройство, один конец которого вставляют в нижнюю часть контейнерной штанги, а другой конец крепят на транспортном средстве (в обухе) (рисунок D.1).
D.3 Функциональные требования и размеры
D.3.1 Контейнерная штанга
Конструкция контейнерной штанги должна обеспечивать:
- непосредственное присоединение к угловому фитингу контейнера или к устройству, вставляемому в угловой фитинг (закладному крюку);
- присоединение к устройству натяжения;
- установку совместно с устройством натяжения между угловыми фитингами и транспортным средством. Контейнерная штанга должна быть соответствующей длины (рисунки D.3, D.4).

1 - закладной крюк; 2 - контейнер; 3 - верхний угловой фитинг; 4 - нижний угловой фитинг; 5 - контейнерная штанга; 6 - устройство натяжения (талреп); 7 - судовая конструкция
Рисунок D.1 - Система крепления контейнерными штангами

Рисунок D.2 - Контейнерная штанга

Рисунок D.3 - Контейнерная штанга с оголовком

Рисунок D.4 – Контейнерная штанга с шарнирным оголовком

Рисунок D.5 - Закладной контейнерный крюк
D.3.2 Закладной контейнерный крюк
Конструкция закладного контейнерного крюка должна обеспечивать его присоединение к угловому фитингу контейнера и к контейнерной штанге (рисунок D.5).
D.3.3 Устройство натяжения
Конструкция устройства натяжения должна обеспечивать его присоединение одним концом к нижней части контейнерной штанги и другим концом - к транспортному средству. Устройство натяжения должно быть достаточной длины, чтобы совместно с контейнерной штангой его можно было устанавливать между угловыми фитингами и транспортным средством. Оно должно быть оборудовано устройствами, которые стопорят устройство натяжения, т.е. контргайками (рисунок D.6). Устройство натяжения не должно быть ослаблено или чрезмерно натянуто.
Примечание - Чрезмерное натяжение этих устройств может повредить контейнеры.

Рисунок D.6 - Типовой пример устройства натяжения (талреп с контргайками)
D.3.4 Оголовок контейнерной штанги или закладной крюк
Оголовок контейнерной штанги или закладной крюк должен быть спроектирован таким образом, чтобы он не вдавался в часть пространства углового фитинга, определенную на рисунке D.7, которая требуется для другого оборудования, используемого при установке найтовов.
D.3.5 Нижний конец контейнерной штанги
Нижний конец контейнерной штанги должен быть спроектирован таким образом, чтобы он подходил к устройству натяжения.
D.3.6 Другие части контейнерной штанги и устройства натяжения
Другие части контейнерной штанги и устройства натяжения должны быть спроектированы таким образом, чтобы они подходили друг к другу или к транспортному средству.
D.4 Материал и конструктивное исполнение
Рабочие характеристики и надежность контейнерных штанг зависят от конструкции и свойств материала, из которого они изготовлены. Контейнерные штанги должны быть спроектированы таким образом, чтобы они выдерживали напряжения в условиях коррозии или загрязнения.
D.5 Прочность контейнерной штанги
Контейнерная штанга должна выдерживать силу растяжения 270 кН без остаточной деформации или других отклонений, которые привели бы ее в негодность. Соответствие штанг требованиям предела прочности проверяют их испытанием по D.7.1. Сила должна действовать между угловым фитингом и соединением, подобным тому, которым оборудовано устройство натяжения. Если штанга спроектирована для соединения с угловым фитингом с помощью закладного крюка, этот крюк должен быть включен в испытание на растяжение.
D.6 Прочность устройства натяжения
Устройство натяжения должно выдерживать силу растяжения 270 кН без остаточной деформации или других отклонений, которые привели бы его в негодность.
Соответствие устройства натяжения требованиям к пределу прочности проверяют испытанием по D.7.2. Сила должна действовать между соединительными устройствами.


1 - ограниченная часть; 2 - торец контейнера
Рисунок D.7 - Ограниченная часть полости углового фитинга
D.7 Методы испытаний
D.7.1 Испытание контейнерной штанги на растяжение
Штанга должна быть подвержена воздействию силы растяжения 270 кН в течение 5 мин без появления остаточной деформации или других отклонений, которые привели бы ее в негодность. После 5 мин указанного воздействия измеряют удлинение, и силу увеличивают до тех пор, пока не произойдет разрыв. Разрывная сила должна быть зафиксирована (рисунок D.8).

F - испытательная сила
Рисунок D.8 - Испытание контейнерной штанги на растяжение
D.7.2 Испытание устройства натяжения на растяжение
Создаваемую силу растяжения плавно увеличивают до 270 кН и удерживают в течение 5 мин. Сила должна быть приложена через подходящие фитинги. Разрывная сила должна быть зафиксирована (рисунок D.9).

F - испытательная сила
Рисунок D.9 - Испытание устройства натяжения на растяжение
|
Обозначение ссылочного международного стандарта |
Обозначение и наименование соответствующего национального стандарта |
|
ИСО 668:1995 |
1) |
|
ИСО 830:1999 |
ГОСТ Р 52202-2004 (ИСО 830 - 99) Контейнеры грузовые. Термины и определения |
|
ИСО 1161:1984 |
ГОСТ Р 51891-2008 (ИСО 1161:1984) Контейнеры грузовые серии 1. Фитинги. Технические условия |
|
ИСО 1496=1:1990 |
ГОСТ Р 51876-2008 (ИСО 1496-1:1990) Контейнеры грузовые серии 1. Технические требования и методы испытаний. Часть 1. Контейнеры общего назначения |
|
ИСО 1496-2:1988 |
ГОСТ Р 50697-94 (ИСО 1496-2 - 88) Контейнеры грузовые серии 1. Технические требования и методы испытаний. Часть 2. Контейнеры изотермические |
|
ИСО 1496-3:1995 |
ГОСТ 31314.3–2006 (ИСО 1496-3:1995) Контейнеры грузовые серии 1. Технические требования и методы испытаний. Часть 3. Контейнеры-цистерны для жидкостей, газов и сыпучих грузов под давлением |
|
ИСО 1496-4:1991 |
1) |
|
ИСО 1496-5:1991 |
1) |
|
ИСО 6346:1995 |
ГОСТ Р 52524-2005 (ИСО 6346:1995) Контейнеры грузовые. Кодирование, идентификация и маркировка |
|
1) Соответствующий национальный стандарт отсутствует. До его утверждения рекомендуется использовать перевод на русский язык данного международного стандарта. Перевод данного международного стандарта находится в Федеральном информационном фонде технических регламентов и стандартов. |
|
Ключевые слова: контейнеры грузовые, перегрузка, крепление, устройство крепления контейнеров, основные требования, укладка груза, торцевая стенка, вилочный захват, штабелирование, стопоры, требование безопасности, конус, одиночный промежуточный конус, двойной штабелирующий конус, штанга контейнерная