|
ФЕДЕРАЛЬНОЕ АГЕНТСТВО |
||
|
|
национальный |
гост
р |
КОРОТКИЕ ЗАМЫКАНИЯ
В ЭЛЕКТРОУСТАНОВКАХ
Методы расчета в электроустановках
переменного тока напряжением свыше 1 кВ
|
|
Москва |
Предисловие
Цели и принципы стандартизации в Российской Федерации установлены Федеральным законом от 27 декабря
Сведения о стандарте
1. РАЗРАБОТАН Филиалом ОАО «НТЦ электроэнергетики» - ВНИИЭ, Московским энергетическим институтом (Техническим университетом) (МЭИ (ТУ))
2. ВНЕСЕН Техническим комитетом по стандартизации ТК 437 «Токи короткого замыкания»
3.
УТВЕРЖДЕН И ВВЕДЕН В ДЕЙСТВИЕ Приказом Федерального агентства по техническому регулированию и метрологии от 12 июля
4. ВВЕДЕН ВПЕРВЫЕ
Информация об изменениях к настоящему стандарту публикуется ежегодно в издаваемом информационном указателе «Национальные стандарты», а текст изменений и поправок - в ежемесячно издаваемых информационных указателях «Национальные стандарты». В случае пересмотра (замены) или отмены настоящего стандарта соответствующее уведомление будет опубликовано в ежемесячно издаваемом информационном указателе «Национальные стандарты». Соответствующая информация, уведомление и тексты размещаются также в информационной системе общего пользования - на официальном сайте Федерального агентства по техническому регулированию и метрологии в сети Интернет
Содержание
НАЦИОНАЛЬНЫЙ СТАНДАРТ РОССИЙСКОЙ ФЕДЕРАЦИИ
|
КОРОТКИЕ ЗАМЫКАНИЯ В
ЭЛЕКТРОУСТАНОВКАХ Short-circuits in electrical installations. |
Дата введения - 2008-07-01
Настоящий стандарт распространяется на трехфазные электроустановки напряжением свыше 1 кВ промышленной частоты и устанавливает методы расчета токов симметричных и несимметричных коротких замыканий (КЗ) в начальный и произвольный моменты времени.
Стандарт не распространяется на электроустановки напряжением 750 кВ и выше.
Стандарт не регламентирует методы расчета токов:
- при сложных несимметриях в электроустановках (за исключением двойного замыкания), при повторных коротких замыканиях и при коротких замыканиях в электроустановках с нелинейными элементами;
- короткого замыкания с учетом динамики электрических машин при электромеханических переходных процессах;
- при коротких замыканиях внутри электрических машин, трансформаторов и автотрансформаторов;
- непромышленных частот, возникающих при коротких замыканиях в линиях электропередачи напряжением 220 кВ и выше.
В настоящем стандарте использованы нормативные ссылки на следующие стандарты:
ГОСТ 533-2000 (МЭК 34-3-88) Машины электрические вращающиеся. Турбогенераторы. Общие технические условия
ГОСТ 609-84 Машины электрические вращающиеся. Компенсаторы синхронные. Общие технические условия
ГОСТ 5616-89 Генераторы и генераторы-двигатели электрические гидротурбинные. Общие технические условия
Примечание - При пользовании настоящим стандартом целесообразно проверить действие ссылочных стандартов в информационной системе общего пользования - на официальном сайте Федерального агентства по техническому регулированию и метрологии в сети Интернет или по ежегодно издаваемому информационному указателю «Национальные стандарты», который опубликован по состоянию на 1 января текущего года, и по соответствующим ежемесячно издаваемым информационным указателям, опубликованным в текущем году. Если ссылочный стандарт заменен (изменен), то при пользовании настоящим стандартом следует руководствоваться заменяющим (измененным) стандартом. Если ссылочный стандарт отменен без замены, то положение, в котором дана ссылка на него, применяется в части, не затрагивающей эту ссылку.
В настоящем стандарте применены следующие термины с соответствующими определениями:
3.1. короткое замыкание в электроустановке: Всякое случайное или преднамеренное, не предусмотренное нормальным режимом работы, электрическое соединение различных точек (фаз) электроустановки между собой или с землей, при котором токи в ветвях электроустановки, примыкающих к месту его возникновения, резко возрастают, превышая наибольший допустимый ток продолжительного режима.
3.2
|
короткое замыкание на землю в электроустановке: Короткое замыкание в электроустановке, обусловленное соединением с землей какого-либо ее токоведущего элемента. [ГОСТ 26522-85, статья 2] |
3.3
|
однофазное короткое замыкание на землю: Короткое замыкание на землю в трехфазной электроэнергетической системе с глухо или эффективно заземленными нейтралями силовых элементов, при котором с землей соединяется только одна фаза. [ГОСТ 26522-85, статья 4] |
3.4
|
двухфазное короткое замыкание: Короткое замыкание между двумя фазами в трехфазной электроэнергетической системе. [ГОСТ 26522-85, статья 5] |
3.5
|
двухфазное короткое замыкание на землю: Короткое замыкание на землю в трехфазной электроэнергетической системе с глухо или эффективно заземленными нейтралями силовых элементов, при котором с землей соединяются две фазы. [ГОСТ 26522-85, статья 6] |
3.6. двойное короткое замыкание на землю в электроустановке: Короткое замыкание на землю двух разных фаз в трехфазной электроэнергетической системе в разных, но электрически связанных между собой точках.
3.7
|
трехфазное короткое замыкание: Короткое замыкание между тремя фазами в трехфазной электроэнергетической системе. [ГОСТ 26522-85, статья 9] |
3.8
|
повторное короткое замыкание: Короткое замыкание в электроустановке при автоматическом повторном включении коммутационного электрического аппарата поврежденной цепи. [ГОСТ 26522-85, статья 15] |
3.9
|
симметричное короткое замыкание: Короткое замыкание в электроустановке, при котором все ее фазы находятся в одинаковых условиях. [ГОСТ 26522-85, статья 19] |
3.10
|
несимметричное короткое замыкание: Короткое замыкание в электроустановке, при котором одна из ее фаз находится в условиях, отличных от условий других фаз. [ГОСТ 26522-85, статья 20] |
3.11
|
удаленное короткое замыкание: Короткое замыкание в электроустановке, при котором амплитуды периодической составляющей тока данного источника энергии в начальный и произвольный моменты времени практически одинаковы. [ГОСТ 26522-85, статья 21] |
3.12
|
близкое короткое замыкание: Короткое замыкание в электроустановке, при котором амплитуды периодической составляющей тока данного источника энергии в начальный и произвольный моменты времени существенно отличаются. [ГОСТ 26522-85, статья 22] |
3.13
|
ток короткого замыкания в электроустановке: Ток, возникающий при коротком замыкании в электроустановке. [ГОСТ 26522-85, статья 33] |
3.14
|
апериодическая составляющая тока короткого замыкания в электроустановке: Свободная составляющая тока короткого замыкания в электроустановке, изменяющаяся во времени без перемены знака. [ГОСТ 26522-85, статья 37] |
3.15
|
периодическая составляющая тока короткого замыкания рабочей частоты в электроустановке: Составляющая тока короткого замыкания в электроустановке, изменяющаяся по периодическому закону с рабочей частотой. [ГОСТ 26522-85, статья 38] |
3.16. ударный ток короткого замыкания: Наибольшее мгновенное значение тока короткого замыкания в одной из фаз трехфазной электрической цепи, которое имеет место, когда короткое замыкание происходит в момент прохождения напряжения этой фазы через нулевое значение, а до возникновения короткого замыкания ток в цепи носит емкостной характер или отсутствует.
3.17.
|
ударный коэффициент тока короткого замыкания (ударный коэффициент): Отношение ударного тока короткого замыкания к амплитуде периодической составляющей тока короткого замыкания рабочей частоты в начальный момент времени. [ГОСТ 26522-85, статья 47] |
3.18.
|
ток короткого замыкания прямой последовательности: Один из токов симметричной трехфазной системы токов короткого замыкания прямого следования фаз. Примечание - Аналогично определяют напряжение прямой последовательности при коротком замыкании. [ГОСТ 26522-85, статья 55] |
3.19.
|
ток короткого замыкания обратной последовательности: Один из токов симметричной трехфазной системы токов короткого замыкания обратного следования фаз. Примечание - Аналогично определяют напряжение обратной последовательности при коротком замыкании. [ГОСТ 26522-85, статья 56] |
3.20.
|
ток короткого замыкания нулевой последовательности: Один из токов симметричной неуравновешенной трехфазной системы токов короткого замыкания нулевого следования фаз. Примечание - Аналогично определяют напряжение нулевой последовательности при коротком замыкании. [ГОСТ 26522-85, статья 57] |
3.21
|
мощность короткого замыкания: Условная величина, равная увеличенному в V3 раз произведению тока трехфазного короткого замыкания на номинальное напряжение соответствующей электрической сети. [ГОСТ 26522-85, статья 68] |
3.22
|
постоянная времени апериодической составляющей тока короткого замыкания в электроустановке: Электромагнитная постоянная времени, характеризующая скорость затухания апериодической составляющей тока короткого замыкания. [ГОСТ 26522-85, статья 80] |
4.1. Исходные положения
4.1.1. Настоящий стандарт устанавливает методы расчета токов короткого замыкания, необходимые для: выбора и проверки электрооборудования по условиям короткого замыкания, выбора уставок и оценки возможного действия релейной защиты и автоматики, определения влияния токов нулевой последовательности линий электропередачи на линии связи, выбора заземляющих устройств.
4.1.2. Стандарт рассматривает методы расчета токов при КЗ, виды которых показаны на рисунке 1.

а - трехфазное КЗ - К(3); б - двухфазное КЗ - К(2); в - двухфазное КЗ на землю - К(1,1); г - однофазное КЗ на землю - К(1); д - двойное КЗ на землю - К(1-1)
Рисунок 1 - Виды коротких замыканий
4.1.3. Величины, подлежащие определению, допустимая погрешность расчета токов КЗ и применяемый при этом метод расчета зависят от целей, указанных в 4.1.1.
Для выбора и проверки электрооборудования допускаются упрощенные методы расчета токов КЗ, если их погрешность не превышает 5 % - 10 %. При этом определяют:
- начальное действующее значение периодической составляющей тока КЗ и значение этой составляющей в произвольный момент времени, вплоть до расчетного времени размыкания поврежденной цепи;
- начальное значение апериодической составляющей тока КЗ и значение этой составляющей в произвольный момент времени, вплоть до расчетного времени размыкания поврежденной цепи;
- ударный ток КЗ.
Для выбора параметров настройки релейной защиты и автоматики определяют максимальное и минимальное расчетные значения периодической и апериодической составляющих тока КЗ в начальный и произвольный моменты времени как в месте КЗ, так и в отдельных ветвях расчетной схемы.
4.1.4. Расчеты токов в отдельных ветвях расчетной схемы в произвольный момент времени требуют учета электромеханических переходных процессов и их следует проводить с применением средств вычислительной техники.
4.1.5. При расчетах токов КЗ следует в общем случае учитывать все элементы электроэнергетической системы. Допускается эквивалентировать удаленную от места КЗ часть электроэнергетической системы.
4.1.6. При расчете минимального значения тока КЗ для произвольного момента времени рекомендуется учитывать сопротивление электрической дуги в месте КЗ, а также увеличение активного сопротивления проводников вследствие их нагрева током КЗ (эффект теплового спада тока КЗ).
4.1.7. Расчет действующего значения периодической составляющей тока КЗ допускается проводить, не учитывая активные сопротивления элементов электроэнергетической системы, если результирующее эквивалентное активное сопротивление относительно точки КЗ не превышает 30 % результирующего эквивалентного индуктивного сопротивления (при этом погрешность расчетов не превышает 5 %). Указанное условие может не выполняться, когда расчетная схема содержит кабельные линии 6-10 кВ и воздушные линии электропередачи 35-150 кВ с проводами небольшого сечения.
4.1.8. При расчетах токов КЗ допускается:
- не учитывать сдвиг по фазе электродвижущих сил (ЭДС) и изменение частоты вращения роторов синхронных генераторов и компенсаторов в процессе КЗ (за исключением случая, изложенного в 4.1.4) при продолжительности КЗ, не превышающей 0,5 с, а электродвигателей - при продолжительности КЗ, не превышающей 0,2 с;
- принимать полную симметрию по фазам всех элементов электроэнергетической системы (за исключением несимметрии в месте КЗ);
- не учитывать ток намагничивания трансформаторов и автотрансформаторов;
- не вводить в расчетную схему источники энергии, которые связаны с частью электроэнергетической системы, где находится расчетная точка КЗ, с помощью электропередачи или вставки постоянного тока;
- приближенно учитывать затухание апериодической составляющей тока КЗ, если исходная расчетная схема имеет несколько независимых контуров (6.5);
- не учитывать насыщение магнитных систем электрических машин;
- принимать сопротивление постоянному току различных элементов расчетной схемы равным их активному сопротивлению;
- учитывать приближенно, с помощью эквивалентных параметров, электроприемники, сосредоточенные в отдельных узлах электроэнергетической системы (раздел 12);
-
не учитывать поперечную емкость воздушных линий электропередачи напряжением 110-220 кВ
при их длине не более
- пренебрегать высшими гармоническими составляющими токов при расчетах несимметричных КЗ.
4.1.9. Для расчета несимметричных КЗ рекомендуется предпочтительно использовать метод симметричных составляющих, принимая полную симметрию по фазам всех элементов электроэнергетической системы (4.1.8).
4.1.10. Токи КЗ в зависимости от сложности исходной расчетной схемы и цели расчета следует определять путем аналитических расчетов или с использованием электронных вычислительных машин (ЭВМ).
4.2. Состав необходимых для расчетов токов короткого замыкания параметров элементов расчетной схемы
4.2.1. Состав параметров конкретных элементов расчетной схемы и данных о значениях режимных параметров до КЗ, который в общем случае необходим для расчетов токов КЗ, указан ниже.
4.2.1.1. Синхронные генераторы (ГОСТ 533, ГОСТ 5616), синхронные компенсаторы (ГОСТ 609) и синхронные электродвигатели:
- полная номинальная мощность Sном, MB∙А, или номинальная активная мощность Рном, МВт, и номинальный коэффициент мощности cos φном;
- номинальное напряжение Uном, кВ;
-
сверхпереходное индуктивное сопротивление по продольной оси
1);
1) Знак «*» расположенный под обозначением (х) означает, что данная величина выражена в относительных единицах (здесь и далее).
-
сверхпереходное индуктивное сопротивление по поперечной оси
;
-
переходное индуктивное сопротивление по продольной оси
;
-
синхронное индуктивное сопротивление по продольной оси
;
- отношение короткого замыкания Кс;
-
синхронное индуктивное сопротивление по поперечной оси
;
-
индуктивное сопротивление обратной последовательности
;
-
индуктивное сопротивление рассеяния обмотки статора
;
-
индуктивное сопротивление обмотки возбуждения
;
-
индуктивное сопротивление продольного демпферного контура
;
-
индуктивное сопротивление поперечного демпферного контура
;
- активное сопротивление обмотки возбуждения (при нормированной рабочей температуре) Rf, Ом;
- активные сопротивления продольного и поперечного демпферных контуров (при нормированной рабочей температуре) R1d и R1q, Ом;
-
переходные постоянные времени по продольной оси при разомкнутой и замкнутой накоротко
обмотках статора
и
,
с;
-
сверхпереходные постоянные времени по продольной оси при разомкнутой и замкнутой накоротко обмотках статора
и
, с;
-
сверхпереходные постоянные времени по поперечной оси при разомкнутой и замкнутой накоротко обмотках статора
и
, с;
-
постоянные времени затухания апериодической составляющей тока статора при трехфазном и
однофазном КЗ на выводах машины
и
, с;
- ток возбуждения при работе машины с номинальной нагрузкой If ном, А;
- предельный ток возбуждения машины Ifn, А;
- ток возбуждения при работе машины в режиме холостого хода с номинальным напряжением Ifх, A;
- коэффициент полезного действия (для синхронных электродвигателей) η, %;
- напряжение, ток статора и коэффициент мощности в момент, предшествующий КЗ: U(0), I(0) и cos φ(0).
4.2.1.2. Асинхронные электродвигатели:
- номинальная мощность Рном, МВт;
- номинальное напряжение Uном, кВ;
- номинальный коэффициент мощности cos φном;
- номинальное скольжение sном;
- кратность пускового тока по отношению к номинальному току Kn;
- кратность максимального момента по отношению к номинальному моменту bном;
- сопротивление статора постоянному току (при рабочей температуре) R, Ом;
- коэффициент полезного действия η, %;
- напряжение, ток и коэффициент мощности в момент, предшествующий КЗ: U(0), I(0) и cos φ(0).
4.2.1.3. Силовые трансформаторы и автотрансформаторы:
- номинальная мощность Sном, MB∙А;
- номинальные напряжения обмоток, кВ, и фактические коэффициенты трансформации;
- напряжения короткого замыкания между обмотками для среднего (основного) и крайних положений устройства для регулирования напряжения;
- диапазон регулирования напряжения на сторонах обмоток высшего и среднего напряжений трансформатора (автотрансформатора);
- потери короткого замыкания в обмотках, кВт.
4.2.1.4. Токоограничивающие реакторы:
- номинальное напряжение (Uном, кВ;
- номинальный ток Iном, А;
- номинальное индуктивное сопротивление хр, Ом, или индуктивность L, мГн;
- номинальный коэффициент связи Ксв (только для сдвоенных реакторов);
- потери мощности при номинальном токе ΔР, кВт.
4.2.1.5. Воздушные и кабельные линии электропередачи:
- номинальное напряжение (Uном, кВ;
- погонное индуктивное сопротивление прямой последовательности x1, Ом/км;
- погонное индуктивное сопротивление нулевой последовательности х0, Ом/км;
- погонное взаимное индуктивное сопротивление нулевой последовательности хм0, (при наличии нескольких воздушных линий на одной трассе), Ом/км;
- погонные активные сопротивления прямой и нулевой последовательностей R1 и R0, Ом/км;
- длина линии l, км;
- погонная емкость С, Ф/км.
Примечание - Справочные данные о параметрах воздушных и кабельных линий электропередачи допустимо использовать лишь при приближенных расчетах токов КЗ. При выполнении расчетов с целью выбора уставок и проверки возможного действия релейной защиты и автоматики погонные параметры следует рассчитывать:
- для воздушных линий - исходя из геометрии расположения проводов на опорах и марки проводов грозозащитных тросов;
- для кабельных линий - исходя из типа (марки) кабеля и способа его прокладки.
4.2.1.6. Шунтирующие реакторы:
- номинальное напряжение Uном, кВ;
- номинальная мощность Sном, кВ∙А.
4.2.2. При расчетах токов КЗ все источники электроэнергии, для которых расчетное короткое замыкание является удаленным (8.3), и прилегающая электрическая сеть могут быть эквивалентированы относительно точки КЗ (при радиальной схеме) или какого-либо промежуточного узла сети (при сложной исходной схеме) и представлены в виде одного источника энергии, имеющего неизменную по амплитуде ЭДС Ес, и эквивалентного сопротивления хс (далее такой источник называется системой).
В случаях, когда для конкретного узла сети известно значение тока трехфазного КЗ от системы
,кА, или мощности трехфазного КЗ
, MB∙А, эквивалентное индуктивное сопротивление системы хс, Ом, может быть определено по формуле
(1)
|
где Uср.ном |
- среднее номинальное напряжение сети, кВ, соответствующей ступени напряжения (4.3.2), в узле которой известно значение |
При этом ЭДС системы следует принимать равной среднему номинальному напряжению сети соответствующей ступени напряжения.
4.3. Определение параметров элементов эквивалентных схем замещения
4.3.1. Параметры элементов эквивалентных схем замещения могут быть определены:
- в именованных единицах с приведением значений параметров расчетных схем к выбранной основной (базисной) ступени напряжения сети и с учетом фактических коэффициентов трансформации силовых трансформаторов и автотрансформаторов (приложение А);
- в относительных единицах с приведением значений параметров расчетных схем к выбранным базисным условиям и с учетом фактических коэффициентов трансформации всех силовых трансформаторов и автотрансформаторов (приложение Б);
- в именованных единицах без приведения значений параметров расчетных схем к одной ступени напряжения сети и с учетом фактических коэффициентов трансформации силовых трансформаторов и автотрансформаторов.
4.3.2. При отсутствии данных о фактических коэффициентах трансформации силовых трансформаторов и автотрансформаторов допускается использовать приближенный способ их учета. Он состоит в замене фактических коэффициентов трансформации трансформаторов и автотрансформаторов отношением средних номинальных напряжений сетей соответствующих ступеней напряжения. При этом рекомендуется использовать следующую шкалу средних номинальных напряжений сетей: 3,15; 6,3; 10,5; 13,8; 15,75; 18; 20; 24; 27; 37; 115; 154; 230; 340; 515 кВ.
Формулы для определения параметров элементов эквивалентных схем замещения в именованных и относительных единицах с приведением их значений к основной ступени напряжения, используя приближенный способ учета коэффициентов трансформации силовых трансформаторов и автотрансформаторов, приведены в приложении В.
4.4. Выбор метода расчета токов короткого замыкания
4.4.1. Расчет токов КЗ в малоконтурных расчетных схемах рекомендуется проводить аналитическим способом с использованием общепринятых методов преобразований схем.
4.4.2. Расчет токов КЗ в многоконтурных расчетных схемах рекомендуется проводить методом узловых напряжений или методом контурных токов с использованием ЭВМ.
При использовании метода узловых напряжений необходимо решить матричное уравнение
, (2)
|
где |
- столбцовая матрица узловых токов; |
|
|
- квадратная матрица собственных и взаимных узловых проводимостей; |
|
|
- столбцовая матрица узловых напряжений. |
При использовании метода контурных токов необходимо решить матричное уравнение
Ек = Zк Iк, (3)
|
где Ек |
- столбцовая матрица ЭДС; |
|
Zк |
- квадратная матрица собственных и взаимных сопротивлений независимых контуров; |
|
Iк |
- столбцовая матрица контурных токов. |
5.1. При расчете максимального начального действующего значения периодической составляющей тока трехфазного КЗ должны быть учтены все синхронные генераторы и компенсаторы, а также синхронные и асинхронные электродвигатели мощностью 100 кВт и более, если эти электродвигатели не отделены от точки КЗ токоограничивающими реакторами или силовыми трансформаторами. В автономных системах при расчетах токов КЗ следует учитывать и электродвигатели мощностью менее 100 кВт, если их доля в суммарном токе КЗ составляет не менее 5 %.
5.2. Синхронные и асинхронные машины в схему замещения должны быть введены сверхпереходными сопротивлениями и сверхпереходными ЭДС. Последние следует принимать численно равными значениям этих ЭДС в момент, предшествующий КЗ.
Для синхронных генераторов и электродвигателей, которые до КЗ работали с перевозбуждением, сверхпереходную ЭДС (фазное значение)
, кВ, следует определять по формуле
, (4)
|
где Uф(0) |
- фазное напряжение на выводах машины в момент, предшествующий КЗ, кВ; |
|
I(0) |
- ток статора в момент, предшествующий КЗ, кА; |
|
φ(0) |
- угол сдвига фаз напряжения и тока в момент, предшествующий КЗ, рад. |
Для синхронных генераторов и электродвигателей, работавших до КЗ с недовозбуждением, сверхпереходную ЭДС следует определять по формуле
. (5)
Для синхронных компенсаторов, работавших до КЗ с перевозбуждением, следует определять по формуле
, (6)
а работавших с недовозбуждением, по формуле
. (7)
Для асинхронных электродвигателей сверхпереходную ЭДС следует определять по формуле
, (8)
причем сверхпереходное индуктивное сопротивление
, Ом, допускается определять по формуле
, (9)
|
где Кп |
- кратность пускового тока электродвигателя по отношению к его номинальному току; |
|
Uном |
- номинальное напряжение электродвигателя, кВ; |
|
cos φном |
- номинальный коэффициент мощности электродвигателя; |
|
η |
- КПД электродвигателя, %; |
|
Рном |
- номинальная мощность электродвигателя, МВт. |
5.3. При расчете токов КЗ в относительных единицах с приведением значений параметров расчетной схемы к выбранным базисным условиям для определения сверхпереходной ЭДС электрических машин следует использовать формулы, приведенные в приложении Г.
5.4.
При использовании для расчета токов КЗ аналитического способа схему замещения, полученную в соответствии с 5.1-5.3, необходимо преобразовать и определить результирующую эквивалентную эдс
(или
) и результирующее эквивалентное сопротивление хэк (или
) относительно
точки КЗ. Начальное действующее значение периодической составляющей тока в месте КЗ (7п0), кА, равно
(10)
где Iб - базисный ток той ступени напряжения сети, где находится точка КЗ, кА.
5.5. Методика учета комплексной нагрузки при расчете начального значения периодической составляющей тока КЗ изложена в разделе 12.
5.6. При приближенных расчетах начальное действующее значение периодической составляющей тока в месте КЗ допускается определять по методу эквивалентного генератора, приняв ЭДС всех источников электроэнергии равными нулю и используя формулу
(11)
или
, (12)
|
где U(0) |
- напряжение (линейное) в месте КЗ в момент, предшествующий КЗ, кВ; |
|
хэк |
- результирующее эквивалентное сопротивление расчетной схемы относительно точки КЗ, Ом; |
|
с |
- коэффициент, значение которого рекомендуется принимать равным: с = 1,1 - при определении максимального значения тока КЗ; с = 1,0 - при определении минимального значения тока КЗ; |
|
Uном |
- номинальное напряжение (линейное) сети, в которой произошло короткое замыкание, кВ; |
|
|
-эквивалентное сопротивление расчетной схемы относительно точки КЗ в относительных единицах при выбранных базисных условиях. |
6.1. Начальное значение апериодической составляющей тока трехфазного короткого замыкания следует определять как модуль от разности мгновенных значений полного тока в момент, предшествующий КЗ, и периодической составляющей тока в начальный момент КЗ.
6.2. Наибольшее начальное значение апериодической составляющей тока КЗ в общем случае следует считать равным амплитуде периодической составляющей тока в начальный момент КЗ
. (13)
Это выражение справедливо при условиях:
- сеть имеет высокую добротность, вследствие чего активным сопротивлением можно пренебречь (4.1.7);
- цепь, в которой находится расчетная точка КЗ, до момента короткого замыкания не была нагружена.
В случае невыполнения указанных условий наибольшее начальное значение апериодической составляющей тока КЗ следует определять в соответствии с 6.1.
6.3. В простых радиальных схемах апериодическую составляющую тока КЗ в произвольный момент времени iat следует определять по формуле
(14)
|
где Tа |
- постоянная времени затухания апериодической составляющей тока короткого замыкания, с, равная |
(15)
|
где хэк и Rэк |
- эквивалентные индуктивное и активное сопротивления цепи КЗ, Ом; |
|
ωсинх |
- синхронная угловая частота напряжения сети, рад/с. |
При определении значений хэк и Rэк синхронные генераторы и компенсаторы, синхронные и асинхронные электродвигатели в схеме замещения должны быть представлены индуктивным сопротивлением обратной последовательности (для асинхронных электродвигателей х2 =
) и сопротивлением
постоянному току обмотки статора при нормированной рабочей температуре этой обмотки.
При отсутствии данных о сопротивлении постоянному току обмотки статора асинхронных электродвигателей это сопротивление RАД, Ом, допускается определять по формуле
, (16)
|
где sном |
- номинальное скольжение электродвигателя, %; |
|
η |
- коэффициент полезного действия, %. |
Примечание - Апериодическую составляющую тока КЗ от синхронного генератора в произвольный момент времени iаt, кА, в случае необходимости учета тока генератора в момент, предшествующий КЗ, следует определять по формуле
, (17)
|
где Та |
- постоянная времени затухания апериодической составляющей тока КЗ от генератора, с; |
|
I(0) |
- действующее значение тока генератора в момент, предшествующий КЗ, кА; |
|
ψ |
- угол сдвига фаз сверхпереходной ЭДС и тока генератора в момент, предшествующий КЗ, рад. |
6.4. В сложных разветвленных схемах, содержащих только индуктивные и активные сопротивления, апериодическая составляющая тока КЗ представляет собой сумму экспонент, число которых равно числу независимых контуров, поэтому достаточно точно значение этой составляющей в произвольный момент времени можно получить лишь путем решения системы дифференциальных уравнений контурных токов или узловых напряжений, составленных с учетом как индуктивных, так и активных сопротивлений всех элементов схем (синхронные и асинхронные машины должны быть учтены сопротивлениями обратной последовательности и активным сопротивлением обмотки статора). Для определения наибольшего значения апериодической составляющей тока КЗ начальные условия для ветви электрической цепи, в которой находится расчетная точка КЗ, следует принимать нулевыми.
6.5. При приближенных расчетах апериодической составляющей тока КЗ допускается принимать, что в любой сложной схеме эта составляющая затухает по экспоненциальному закону с эквивалентной постоянной времени Та эк, с, определяемой по одной из приведенных ниже формул (первая из них дает наибольшую погрешность, последняя - наименьшую):
, (18)
, (19)
, (20)
|
где xэк(R = 0) и Rэк(x = 0) |
- эквивалентные индуктивное и активное сопротивления относительно точки КЗ, определяемые из схем замещения, в которых все элементы исходной расчетной схемы учтены соответственно только индуктивными и только активными сопротивлениями; |
|
Zэк |
- комплексное эквивалентное сопротивление схемы замещения относительно расчетной точки КЗ, определяемое при частоте 50 Гц; |
|
Im Zэки ReZэк |
- соответственно мнимая и действительная составляющие этого сопротивления; |
|
Zэк(20) |
-комплексное результирующее эквивалентное сопротивление схемы замещения относительно расчетной точки КЗ, определяемое при частоте 20 Гц; |
|
Im Zэк(20) и Re Zэк(20) |
- соответственно мнимая и действительная составляющие этого сопротивления. |
Примечание - При определении эквивалентной постоянной времени Tа.зк по формулам 18 и 19 для синхронных и асинхронных машин следует учитывать индуктивное сопротивление обратной последовательности и активное сопротивление обмотки статора.
6.6. В тех случаях, когда расчетная схема относительно точки КЗ делится на радиальные независимые друг от друга ветви, при приближенных расчетах суммарную апериодическую составляющую тока в месте КЗ в произвольный момент времени в килоамперах следует определять как сумму апериодических составляющих токов отдельных ветвей
, (21)
|
где т |
- число независимых ветвей схемы; |
|
iа0i |
- начальное значение апериодической составляющей тока КЗ в i-й ветви, кА; |
|
Tаi |
- постоянная времени затухания апериодической составляющей тока в i-й ветви, с. |
Для облегчения расчетов по определению iat в приложении Д даны кривые зависимости iаt/iа0 от времени при различных значениях Tа, а в приложении Е приведены значениях x/R и Tа для характерных ветвей электроэнергетических систем.
7.1. При расчете ударного тока короткого замыкания допускается принимать, что от начального момента КЗ до момента, когда ток оказывается ударным, амплитуда периодической составляющей тока КЗ остается неизменной, равной амплитуде этой составляющей в начальный момент КЗ. Исключение составляют случаи, когда расчетная точка КЗ находится вблизи асинхронных электродвигателей.
7.2. В случае, когда исходная расчетная схема является радиальной, ударный ток КЗ iуд, кА, следует определять по формуле
, (22)
где χ - ударный коэффициент тока КЗ.
Ударный коэффициент тока КЗ % рекомендуется определять по одной из формул:
, (23)
, (24)
|
где Та |
- постоянная времени затухания апериодической составляющей тока КЗ (6,3), с; |
|
φк |
- угол сдвига по фазе между периодической составляющей тока КЗ и напряжением, рад, который определяют по формуле |
. (25)
При отношении xэк/Rэк > 5 ударный коэффициент тока КЗ χ с допустимо определять по формуле
. (26)
7.3. В тех случаях, когда исходная расчетная схема является многоконтурной, высокая точность определения ударного тока КЗ может быть получена только путем решения соответствующей системы дифференциальных уравнений, составленных для мгновенных значений токов в узлах и падений напряжения в контурах схемы замещения, учитывающей как индуктивные, так и активные сопротивления всех элементов исходной расчетной схемы.
7.4. При приближенных расчетах ударного тока КЗ в многоконтурной схеме следует, исходя из допущения об экспоненциальном характере затухания апериодической составляющей тока КЗ в схеме с любым числом независимых контуров (6.5), предварительно определить эквивалентную постоянную времени затухания этой составляющей Та.эк, а затем найти ударный коэффициент тока КЗ χэк по формуле
(27)
или
(28)
и определить ударный ток КЗ
. (29)
При xэк/Rэк > 5 ударный коэффициент тока КЗ допустимо определять по формуле
. (30)
7.5. В тех случаях, когда расчетная точка КЗ делит исходную расчетную схему на радиальные независимые друг от друга ветви, при приближенных расчетах ударный ток КЗ допустимо определять как сумму ударных токов от отдельных ветвей, т.е.
, (31)
|
где χi |
- ударный коэффициент тока КЗ i-й ветви; |
|
in0i |
- начальное действующее значение периодической составляющей тока КЗ в i-й ветви, кА. |
7.6. При определении ударного тока КЗ и момента его возникновения на линиях с установками продольной компенсации необходимо учитывать не только периодическую составляющую тока КЗ, имеющую синхронную частоту, и апериодическую составляющую, но и свободную периодическую составляющую тока, имеющую подсинхронную частоту.
(32)
(33)
и
, (34)
|
где Eq(0) |
- синхронная ЭДС машины по поперечной оси к моменту КЗ; |
|
|
- переходная и сверхпереходная ЭДС машины по поперечной оси к моменту КЗ; |
|
Eqn |
- предельное значение синхронной ЭДС машины по поперечной оси; |
|
|
- сверхпереходная ЭДС машины по продольной оси к моменту КЗ; |
|
хвш |
- внешнее сопротивление; |
|
|
- постоянные времени затухания переходной и сверхпереходной составляющих тока КЗ по продольной оси, с, с учетом внешнего сопротивления хвш; эти постоянные времени при КЗ за внешним сопротивлением определяют по формулам: |
=
+
(35)
и
, (36)
где
, (37)
; (38)
; (39)
; (40)
; (41)
; (42)
; (43)
Постоянную времени затухания сверхпереходной составляющей тока КЗ по поперечной оси
, с, определяют по формуле
(44)
8.3. В приближенных расчетах для определения действующего значения периодической составляющей тока КЗ в произвольный момент времени от турбогенераторов с различными системами возбуждения и от синхронных компенсаторов при радиальной расчетной схеме следует применять метод типовых кривых. Он основан на использовании кривых изменения во времени отношения действующих значений этой составляющей в произвольный момент времени int и в начальный момент КЗ in0, т.е.
при разных удаленностях точки КЗ (рисунки 2-5).
|
|
|
|
Рисунок 2 - Типовые кривые изменения относительного значения периодической составляющей тока КЗ от турбогенераторов с тиристорной независимой системой возбуждения |
Рисунок 3 - Типовые кривые изменения относительного значения периодической составляющей тока КЗ от турбогенераторов с тиристорной системой само возбуждения |
|
|
|
|
Рисунок 4 - Типовые кривые изменения относительного значения периодической составляющей тока КЗ от турбогенераторов с диодной независимой (высокочастотной) системой возбуждения |
Рисунок 5 - Типовые кривые изменения относительного значения периодической составляющей тока КЗ от турбогенераторов с диодной бесщеточной системой возбуждения |
Удаленность точки КЗ от синхронной машины характеризуется отношением действующего значения периодической составляющей тока этой машины в начальный момент КЗ к номинальному току машины
, (45)
|
где In0 и |
- начальное действующее значение периодической составляющей тока машины при КЗ, выраженное соответственно в килоамперах и в относительных единицах при выбранных базисных условиях; |
|
Iном |
- номинальный ток синхронной машины; |
|
Sб |
- произвольно выбранная базисная мощность, MB∙A; |
|
Sном |
- номинальная (полная) мощность синхронной машины, MB∙A; |
|
Uном |
- номинальное напряжение синхронной машины, кВ; |
|
Uб |
- базисное напряжение той ступени напряжения сети, на которой находится синхронная машина, кВ. |
В тех случаях, когда расчетная точка КЗ отделена от синхронной машины трансформаторами, для
определения значения
допустимо использовать формулу
(46)
8.3.1. Кривые рисунка 2 следует использовать для расчета действующего значения периодической составляющей тока КЗ от турбогенераторов, имеющих тиристорную независимую систему возбуждения, а также от синхронных компенсаторов; кривые рисунка 3 - от турбогенераторов, имеющих тиристорную систему самовозбуждения; кривые рисунка 4 - от турбогенераторов с диодной независимой (высокочастотной) системой возбуждения; кривые рисунка 5 - от турбогенераторов с диодной бесщеточной системой возбуждения.
Все кривые построены для синхронных генераторов (компенсаторов), у которых кратность предельного напряжения возбуждения по отношению к номинальному напряжению возбуждения не превышает двух. Для гидрогенераторов, имеющих повышенные кратности предельного напряжения возбуждения по отношению к номинальному напряжению возбуждения (больше двух), кривые рисунка 2 допускается использовать только при небольшой удаленности точки КЗ, когда
> 3. При большей удаленности точки КЗ периодическую составляющую тока КЗ следует принимать неизменной по амплитуде.
8.3.2. Если отношение действующего значения периодической составляющей тока синхронной машины в начальный момент КЗ к ее номинальному току менее двух, то короткое замыкание следует считать удаленным и периодическую составляющую тока КЗ принимать неизменной по амплитуде.
8.3.3. Расчет действующего значения периодической составляющей тока КЗ от синхронного генератора (компенсатора) или нескольких однотипных синхронных генераторов (компенсаторов), находящихся в одинаковых условиях по отношению к точке КЗ, следует вести в следующем порядке:
-
составить схему замещения для определения начального действующего значения периодической составляющей тока КЗ от синхронной машины (или группы машин) и найти относительный ток
(при наличии группы машин в расчетную формулу для определения
необходимо вместо Iном и Sном подставить соответственно сумму номинальных токов машин и суммарную мощность машин);
-
исходя из системы возбуждения синхронной машины (группы машин), выбрать типовые кривые и
по кривой γt = f(t), соответствующей найденному значению
, для заданного момента времени найти
отношение токов
; (47)
- определить искомое действующее значение периодической составляющей тока КЗ от синхронной машины (или группы машин) в момент времени t Int, кА
Int = γt
Iб (48)
где Iб - базисный ток той ступени напряжения сети, на которой находится точка КЗ.
9.1. Периодическую составляющую тока КЗ от асинхронных электродвигателей в произвольный момент времени следует рассчитывать путем решения соответствующей системы дифференциальных уравнений переходных процессов с использованием ЭВМ.
9.2. В приближенных расчетах для определения действующего значения периодической составляющей тока КЗ в произвольный момент времени от асинхронных электродвигателей при радиальной схеме следует использовать типовые кривые, приведенные на рисунке 6. Действующие значения периодической составляющей тока КЗ в разные моменты времени Int АД отнесены к начальному действующему значению этой составляющей In0АД

Рисунок 6 - Типовые кривые изменения относительного значения периодической составляющей тока КЗ от асинхронных электродвигателей
(49)
Удаленность точки КЗ от асинхронного электродвигателя характеризуется отношением действующего значения периодической составляющей тока этого электродвигателя в начальный момент КЗ к его номинальному току, т.е.
(50)
Порядок расчета действующего значения периодической составляющей тока КЗ от асинхронного электродвигателя в произвольный момент времени аналогичен изложенному в 8.3.3. Значение периодической составляющей тока в момент времени t IntАД, кА» равно
IntАД = γtАД![]()
= γtАД
Iб (51)
10.1. Действующее значение периодической составляющей тока КЗ от синхронных электродвигателей в произвольный момент времени следует рассчитывать в соответствии с 8.1. В простых радиальных сетях его можно определить в соответствии с 8.2.
10.2. В
приближенных расчетах действующего значения периодической составляющей тока КЗ
от синхронных электродвигателей в произвольный момент времени в радиальной сети
допускается использовать типовые кривые, приведенные на рисунке 7, где
и
В последней формуле
- номинальный ток синхронного электродвигателя.

Рисунок 7 - Типовые кривые изменения относительного значения периодической составляющей тока КЗ от синхронных электродвигателей
Порядок расчета действующего значения периодической
составляющей тока КЗ от синхронного электродвигателя в произвольный момент времени с использованием метода типовых кривых аналогичен изложенному в 8.3.3.
Значение периодической
составляющей тока в момент времени t
, кА, равно
= γtСД![]()
= γtСД
Iб. (52)
11.1. Расчет токов несимметричных коротких замыканий рекомендуется вести с использованием метода симметричных составляющих. При этом предварительно необходимо составить схемы замещения прямой, обратной и нулевой последовательностей.
11.1.1. Схема замещения прямой последовательности должна учитывать с помощью соответствующих параметров все элементы исходной расчетной схемы электроустановки. Синхронные генераторы, синхронные компенсаторы и подлежащие учету синхронные и асинхронные электродвигатели при расчете начального действующего значения тока несимметричного КЗ следует вводить в схему замещения прямой последовательности сверхпереходными ЭДС и сверхпереходными сопротивлениями.
Трехобмоточные трансформаторы, автотрансформаторы, трансформаторы с расщепленной обмоткой низшего напряжения, а также сдвоенные реакторы должны быть представлены своими схемами замещения. Эти схемы, а также расчетные выражения для определения их параметров приведены в приложении Ж. В приложении И приведены схемы замещения по продольной оси шестифазного неявнополюсного синхронного генератора, трехфазные обмотки которого сдвинуты друг относительно друга на 30 эл. град.
11.1.2. Схема замещения обратной последовательности также должна учитывать все элементы исходной расчетной схемы. При этом ЭДС обратной последовательности синхронных и асинхронных машин, а также комплексных нагрузок следует принимать равными нулю. Сопротивление обратной последовательности асинхронных машин допустимо принимать равным сверхпереходному сопротивлению, а комплексных нагрузок - в соответствии с 12.4.
Сопротивления обратной последовательности трансформаторов, реакторов, воздушных и кабельных линий следует принимать равными сопротивлениям прямой последовательности.
11.1.3. При составлении схемы замещения нулевой последовательности предварительно следует выявить возможные пути циркуляции токов нулевой последовательности на каждой ступени напряжения сети, начиная отточки КЗ. При этом необходимо руководствоваться следующим:
- когда обмотка какого-либо трансформатора, обращенная в сторону точки КЗ, соединена в треугольник или в звезду с незаземленной нейтралью, то как сам трансформатор, так и следующие за ним (по направлению от точки КЗ) элементы не должны вводиться в схему замещения нулевой последовательности;
- когда обмотка трансформатора, обращенная в сторону точки КЗ, соединена в звезду с заземленной нейтралью, а другая обмотка (другие обмотки) соединена (соединены) в треугольник, причем точка КЗ и обмотка трансформатора, имеющая заземленную нейтраль, находятся на одной ступени напряжения сети, то в схему замещения нулевой последовательности должны быть введены только элементы, включенные между точкой КЗ и трансформатором, и сам трансформатор;
- когда обмотка трансформатора, обращенная в сторону точки КЗ, соединена в звезду с заземленной нейтралью, а другая обмотка (другие обмотки) соединена (соединены) в треугольник, причем точка КЗ и обмотка трансформатора, имеющая заземленную нейтраль, находятся на разных ступенях напряжения сети, то этот трансформатор и все включенные между ним и точкой КЗ элементы вводятся в схему замещения нулевой последовательности только в том случае, когда рассматриваемый трансформатор и точка КЗ связаны между собой трансформаторами, обмотки которых соединены по схеме Y0/Y0, и все их нейтрали заземлены;
- когда нейтраль какого-либо трансформатора, входящего в схему замещения нулевой последовательности, заземлена через реактор, то этот реактор должен быть также введен в схему замещения нулевой последовательности, причем его сопротивление должно быть утроено;
-
сопротивление нулевой последовательности воздушной линии электропередачи не равно
сопротивлению прямой последовательности, причем его значение зависит от наличия или отсутствия
заземленных грозозащитных тросов и параллельно включенной другой цепи. В случаях отсутствия соответствующих данных о сопротивлениях нулевой последовательности воздушных линий при приближенных расчетах несимметричных КЗ допустимо принимать следующие отношения индуктивных
сопротивлений нулевой и прямой последовательностей:
одноцепных линий без заземленных грозозащитных тросов х0/х1 = 3,5;
одноцепных линий со стальными тросами, заземленными на каждой опоре, х0/х1 = 3;
одноцепных линий с заземленными тросами, выполненными из хорошо проводящих материалов, х0/х1 = 2;
двухцепных линий без заземленных тросов x0/x1 = 5,5;
двухцепных линий с заземленными тросами х0/х1 = 3;
- в тех случаях, когда несколько воздушных линий электропередачи одного или разных напряжений проложены по одной трассе, в схеме замещения нулевой последовательности необходимо учитывать взаимоиндукцию между этими линиями, используя с этой целью схемы замещения и выражения для определения их параметров, приведенные в приложении К.
11.2. При известных ЭДС всех учитываемых источников энергии ток прямой последовательности особой фазы в месте любого несимметричного короткого замыкания следует определять по формуле
, (53)
|
где (n) |
- вид несимметричного КЗ: 1 - однофазное; 2 - двухфазное; 1,1 - однофазное на землю; |
|
Еэк |
- эквивалентная ЭДС учитываемых источников энергии; |
|
x1эк |
- эквивалентное индуктивное сопротивление прямой последовательности относительно точки несимметричного КЗ; |
|
Δx(n) |
- дополнительное индуктивное сопротивление, которое определяется видом несимметричного КЗ и параметрами схем замещения обратной и нулевой (если рассматривается однофазное или двухфазное КЗ на землю) последовательностей; значения дополнительного сопротивления для несимметричных КЗ разных видов приведены в таблице 1, где х2эк и х0эк - эквивалентные индуктивные сопротивления обратной и нулевой последовательностей относительно точки несимметричного КЗ. |
Таблица 1 - Значения Δx(n) и m(n)для различных КЗ
|
Вид КЗ |
Значение Δx(n) |
Значение коэффициента m(n) |
|
Двухфазное |
х2эк |
|
|
Однофазное |
х2эк + х0эк |
3 |
|
Двухфазное КЗ на землю |
|
|
11.3. Модуль полного (суммарного) тока поврежденной фазы в месте несимметричного КЗ связан с модулем соответствующего тока прямой последовательности соотношением
, (54)
|
где m(n) |
- коэффициент, значения которого для двухфазного и однофазного КЗ и формула для его определения при двухфазном КЗ на землю приведены в таблице 1. |
11.4. При расчетах тока прямой последовательности в начальный момент несимметричного КЗ эквивалентную ЭДС Еэк и эквивалентное индуктивное сопротивление прямой последовательности х1эк следует определять из схемы, аналогичной схеме замещения для определения начального значения периодической составляющей тока трехфазного КЗ (раздел 5 и 11.1.1).
11.5. В том случае, когда исходная расчетная схема содержит один или несколько одинаково удаленных от точки КЗ синхронных машин, ток прямой последовательности в произвольный момент времени при любом несимметричном КЗ можно определить с использованием формул, приведенных в 8.2. При этом внешнее сопротивление должно быть увеличено на Δх(n) (таблица 1).
11.6. Приближенные расчеты токов несимметричных КЗ от синхронных генераторов или компенсаторов в произвольный момент времени следует вести с использованием типовых кривых, приведенных на рисунках 2-5. При этом под удаленностью точки КЗ от синхронной машины следует понимать отношение тока прямой последовательности машины в начальный момент КЗ к ее номинальному току, т.е., которое определяют по формуле
, (55)
|
где I1п0 и |
- начальное значение тока прямой последовательности синхронной машины при несимметричном КЗ соответственно в килоамперах и в относительных единицах при выбранных базисных условиях. |
Исходя из полученного значения
выбирают соответствующую типовую кривую и по ней для
заданного момента времени определяют коэффициент
γt. Затем находят искомое значение периодической составляющей тока несимметричного КЗ:
(56)
|
где m(n) |
- коэффициент, зависящий от вида несимметричного КЗ (таблица 1); |
|
Iб |
- базисный ток той ступени напряжения сети, на которой находится точка КЗ. |
11.7. Чтобы определить действующее значение тока в какой-либо ветви расчетной схемы при несимметричном КЗ, следует предварительно найти симметричные составляющие тока особой фазы в месте КЗ, имея в виду, что токи обратной и нулевой последовательностей этой фазы в месте несимметричного КЗ связаны с током прямой последовательности соотношениями:
при двухфазном КЗ
; (57)
при однофазном КЗ
; (58)
при двухфазном КЗ на землю
(59)
и
. (60)
Затем, используя схемы замещения прямой, обратной и нулевой последовательностей, определить токи разных последовательностей в заданной ветви и сложить их геометрически, учитывая при этом группы соединения обмоток трансформаторов, включенных между ступенями напряжения сетей, на которых находятся расчетная точка КЗ и заданная ветвь электрической цепи.
11.8. Чтобы определить напряжение в произвольном узле расчетной схемы при несимметричном КЗ, необходимо предварительно найти напряжения прямой, обратной и нулевой последовательностей особой фазы в месте КЗ
; (61)
; (62)
(63)
и падения напряжения прямой, обратной и нулевой последовательностей в элементах, расположенных между точкой КЗ и рассматриваемым узлом. Затем следует геометрически сложить симметричные составляющие напряжений в месте КЗ и падения напряжения соответствующих последовательностей, учитывая при этом группы соединения обмоток трансформаторов, включенных между ступенями напряжения сетей, на которых находятся расчетная точка КЗ и рассматриваемый узел электрической цепи.
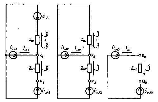
11.9. При двойных коротких замыканиях на землю в точках К (замкнута фаза В) и М (замкнута фаза С) - рисунок 1 д - схемы замещения прямой, обратной и нулевой последовательностей при любой конфигурации исходной расчетной схемы могут быть приведены к элементарным схемам в виде эквивалентных трехлучевых звезд с ЭДС в тех ветвях схемы прямой последовательности, которые содержат точки замыканий К и М (рисунок 8).
Ниже рассмотрен случай, когда на той ступени напряжения сети, где произошло двойное замыкание на землю, отсутствуют глухо заземленные нейтрали. При этом в схеме замещения нулевой последовательности Zн0 = ∞ и Zк0 + Zм0 = Zкм0. Последнее представляет собой результирующее сопротивление нулевой последовательности части цепи между точками замыкания К и М. Ток прямой последовательности неповрежденной фазы (т.е. фазы А) в ветви с сопротивлением Zк1 определяют по формуле
(64)
где а - комплексное число, модуль которого равен единице, а аргумент равен 120°, т.е.
.

Рисунок 8 - Схемы замещения прямой, обратной и нулевой последовательностей при двойном коротком замыкании на землю;
Остальные симметричные составляющие токов в точках замыкания К и М связаны с током
следующими простыми соотношениями:
; (65)
; (66)
; (67)
(68)
(69)
Токи поврежденных фаз в местах замыканий
. (70)
В тех случаях, когда исходная расчетная схема является радиальной и содержит один источник энергии (или несколько источников, но они могут быть заменены одним эквивалентным), эквивалентные схемы замещения прямой, обратной и нулевой последовательностей имеют простой вид (рисунок 9), т.к. Zк1 = Zк2 = 0 и ЕкА = ЕмА = 0. При этом выражение для тока прямой последовательности неповрежденной фазы А в точке К имеет вид
(71)
|
где Zкмl = Zм1 и Zкм2 = Zм2 |
- соответственно сопротивления прямой и обратной последовательностей между точками замыкания К и М. |
В случаях, когда при указанной исходной расчетной схеме можно пренебречь активными сопротивлениями входящих в нее элементов (4.1.7), модуль тока прямой последовательности в месте замыкания определяют по формуле
(72)
и модуль периодической составляющей тока в месте замыкания
(73)

Рисунок 9 - Схемы замещения прямой, обратной и нулевой последовательностей при двойном коротком замыкании на землю и одном источнике энергии
12.1. При расчетах токов КЗ следует учитывать влияние каждой комплексной нагрузки, если ток в месте КЗ от этой нагрузки составляет не менее 5 % тока в месте КЗ, определенного без учета нагрузки.
12.2. В общем случае ток КЗ от комплексной нагрузки следует определять как геометрическую сумму токов от отдельных ее элементов.
12.3. В приближенных расчетах начального действующего тока трехфазного КЗ допускается эквивалентирование комплексной нагрузки с представлением ее в виде эквивалентной сверхпереходной ЭДС и эквивалентного сопротивления (таблица 2).
12.4. При расчете несимметричных КЗ следует учитывать соответствующие параметры прямой, обратной и нулевой последовательностей комплексных нагрузок. Рекомендуемые значения сопротивлений прямой и обратной последовательностей элементов комплексных нагрузок приведены в таблице 2.
Таблица 2 - Параметры комплексных нагрузок
|
Потребители комплексной нагрузки |
Эквивалентная |
Сопротивление, отн. ед. |
|
|
прямой |
обратной |
||
|
Синхронные электродвигатели высоковольтные |
1,074 |
0,04 + j0,15 |
0,04 + j 0,15 |
|
Асинхронные электродвигатели высоковольтные |
0,93 |
0,01 + j 0,17 |
0,01 + j70,17 |
|
Асинхронные электродвигатели низковольтные |
0,9 |
0,07 + j0,18 |
0,07 + j 0,18 |
|
Газоразрядные источники света |
0 |
0,85 + j0,53 |
0,382+ j 0,24 |
|
Преобразователи |
0 |
0,9+ j0,45 |
1,66+ j0,81 |
|
Электротермические установки |
0 |
1,0 + j0,49 |
0,4 + j 0,2 |
12.5. При наличии в электрических сетях статических управляемых или неуправляемых компенсаторов в зависимости от схемы исполнения их следует вводить в расчетную схему замещения соответствующими емкостными или индуктивными сопротивлениями.
При определении параметров элементов эквивалентной схемы замещения в именованных единицах с приведением значений параметров расчетной схемы к выбранной основной ступени напряжения сети и с учетом фактических коэффициентов трансформации силовых трансформаторов и автотрансформаторов необходимо ЭДС источников электроэнергии и сопротивления всех элементов привести к основной ступени напряжения, используя соотношения:
; (А-1)
, (A.2)
|
где Е и Z |
- действительные значения ЭДС источника электроэнергии, кВ, и сопротивления, Ом, какого-либо элемента; |
|
n1, n2,..., nm |
- коэффициенты трансформации трансформаторов или автотрансформаторов, включенных каскадно между ступенью напряжения сети, где заданы Е и Z, и основной ступенью напряжения сети. |
Если ЭДС и сопротивления выражены в относительных единицах при номинальных условиях (т.е. номинальном напряжении Uном и номинальной мощности Sном), то значения соответствующих ЭДС и сопротивлений в именованных единицах, приведенные к основной ступени напряжения сети, следует определять по формулам:
; (A.3)
, (А.4)
|
где Е(ном) и
|
-значения ЭДС и сопротивления в относительных единицах при номинальных условиях. |
Примечание - Коэффициент трансформации каждого трансформатора (автотрансформатора) должен быть определен в направлении от основной ступени напряжения сети, т.е. как отношение напряжения холостого хода обмотки, обращенной в сторону основной ступени напряжения сети, к напряжению холостого хода другой обмотки.
При определении параметров элементов эквивалентной схемы замещения в относительных единицах с приведением параметров расчетной схемы к выбранным базисным условиям и с учетом фактических коэффициентов трансформации трансформаторов и автотрансформаторов необходимо:
- задаться базисной мощностью в мегавольтамперах и для одной из ступеней напряжения сети, принимаемой за основную, выбрать базисное напряжение Uб.осн, кВ;
- найти базисные напряжения в киловольтах других ступеней напряжения сети, используя для этой цели формулу
, (Б.1)
|
где n1, n2,..., nm |
- коэффициенты трансформации трансформаторов и автотрансформаторов, включенных каскадно между основной и N-й ступенями напряжения; |
- определить относительные значения ЭДС источников электроэнергии и сопротивлений всех элементов при выбранных базисных условиях, используя формулы:
(Б.2)
(Б.3)
(Б.4)
(Б.5)
(Б.6)
|
где Uб и Iб |
- соответственно базисное напряжение, кВ, и базисный ток, кА, той ступени напряжения сети, на которой находится элемент, подлежащий приведению; |
|
sном, Uном, Iном |
- соответственно номинальная мощность, MB∙А, номинальное напряжение, кВ, и номинальный ток, кА, этого элемента; |
|
Е, |
- ЭДС источника электроэнергии соответственно в именованных единицах, кВ, и относительных единицах при номинальных условиях. |
Формулу (Б.4) следует использовать в тех случаях, когда сопротивление какого-либо элемента задано в именованных единицах (воздушные и кабельные линии, реакторы), формулу (Б.5) - когда сопротивление задано в относительных единицах при номинальном напряжении и номинальном токе (некоторые реакторы, находящиеся в эксплуатации), формулу (Б.6) - когда сопротивление задано в относительных единицах при номинальной мощности и номинальном напряжении.
При определении параметров элементов эквивалентной схемы замещения в именованных единицах с приведением значений параметров расчетной схемы к выбранной основной ступени напряжения сети и приближенном учете коэффициентов трансформации силовых трансформаторов и автотрансформаторов следует применять формулы:
; (В.1)
, (В.2)
|
где Ucp.осн |
- среднее номинальное напряжение сети той ступени напряжения, которая принята за основную, кВ; |
|
Uср.N |
- среднее номинальное напряжение сети той ступени напряжения, на которой находится элемент, параметры которого подлежат приведению, кВ. |
Если ЭДС источников электроэнергии или сопротивления каких-либо элементов заданы в относительных единицах при номинальных условиях, то их приведенные значения в киловольтах и омах следует находить по формулам:
; (B.3)
. (В.4)
При определении параметров элементов схемы замещения в относительных единицах с приведением значений параметров схемы к выбранным базисным условиям, используя при этом приближенный способ учета коэффициентов трансформации силовых трансформаторов и автотрансформаторов, базисное напряжение любой ступени напряжения сети следует принимать равным среднему номинальному напряжению этой ступени. В этом случае относительные значения ЭДС и сопротивлений при выбранных базисных условиях следует определять по формулам:
; (B.5)
; (B.6)
; (B.7)
; (В.8)
. (В.9)
Для синхронных генераторов и электродвигателей, которые до КЗ работали с перевозбуждением, сверхпереходную ЭДС следует определять по формуле
(Г.1)
|
где |
- соответственно напряжение на выводах машины и ток статора в предшествующем режиме, выраженные в относительных единицах при номинальных условиях; |
|
|
- сверхпереходное сопротивление машины в относительных единицах при номинальных условиях. |
При их работе с недовозбуждением
. (Г.2)
Для синхронных компенсаторов, работавших до КЗ с перевозбуждением,
(Г.3)
а работавших с недовозбуждением -
(Г.4)
Для асинхронных электродвигателей
(Г.5)

Рисунок Д. 1 - Кривые зависимости отношения апериодической составляющей тока КЗ в произвольный момент времени к ее начальному значению от времени при разных Та
Таблица Е.1
|
Наименование ветви или место КЗ |
x/R |
χ |
Та,с |
|
Ветвь генератор - трансформатор |
30-50 |
1,9-1,95 |
0,1-0,2 |
|
Ветвь асинхронного двигателя |
6,3 |
1,6 |
0,02 |
|
КЗ за линейным реактором на электростанции |
30 |
1,9 |
0,1 |
|
КЗ за линейным реактором на подстанции |
18-20 |
1,85 |
0,06 |
|
КЗ за кабельной линией 6 - 10 кВ |
3 |
1,4 |
0,01 |
|
КЗ за трансформатором мощностью 1000 кВ∙А |
6,3 |
1,6 |
0,02 |
|
КЗ на присоединении распределительного устройства повышенного напряжения подстанции |
15 |
1,8 |
0,05 |
|
КЗ на присоединении вторичного напряжения подстанции |
20 |
1,85 |
0,06 |
|
КЗ на шинах собственных нужд электростанций за трансформаторами 16 - 80 MB∙A |
20-30 |
1,85-1,9 |
0,06-0,1 |
Таблица Ж.1
|
Наименование |
Исходная схема |
Схема замещения |
Расчетные выражения |
|
Трехобмоточный трансформатор |
|
|
ХВ = 0,5(Х В-Н + ХВ-С - ХС-Н); XС = 0,5(Х В-С + ХС-Н - Х В-Н ХН = 0,5(Х В-Н + ХС-Н - ХВ-С |
|
Автотрансформатор |
|
|
ХВ = 0,5(ХВ-Н + Х В-С - ХС-Н); XС = 0,5(ХВ-С + ХС-Н - ХВ-Н ХН = 0,5(Х В-Н + ХС-Н - ХВ-С |
|
Двухобмоточный трансформатор с обмоткой низшего напряжения, расщепленной на две ветви |
|
|
ХВ = Х В-Н - 0,25ХН1-Н2 ХН1 = ХН2 = 0,5ХН1-Н2 |
|
Двухобмоточный трансформатор с обмоткой низшего напряжения, расщепленной на n ветвей |
|
|
ХВ = ХВ-Н - ХН1 = ХН2 = … ХНп = 0,5ХН1-Нn |
|
Автотрансформатор с обмоткой низшего напряжения, расщепленной на две ветви |
|
|
ХВ = 0,5(Х В-Н + ХВ-С - ХС-Н); XС = 0,5(Х В-С + ХС-Н - Х В-Н ХН1 = ХН2 = 0,5ХН1-Н2
|
|
Автотрансформатор с обмоткой низшего напряжения, расщепленной на n ветвей |
|
|
ХВ = 0,5(Х В-Н + ХВ-С - ХС-Н); XС = 0,5(Х В-С + ХС-Н - Х В-Н; ХН1 = ХН2 = … ХНп = 0,5ХН1-Нn;
|
|
Сдвоенный реактор |
|
|
X1 = -KсвХр; Х2 = Х3 = (1 + Kсв)Хр |

а - общий случай (хσ1 ≠ хσ2); б - хσ1 = хσ2; в - хσ2 = ∞ (вторая трехфазная система разомкнута)
Рисунок И.1 - Схема замещения для первой трехфазной системы

а - общий случай (хσ2 ≠ хσ1); б - хσ2 = хσ1; в - хσ1 = ∞ (первая трехфазная система разомкнута)
Рисунок И.2 - Схема замещения для второй трехфазной системы
В схемах замещения приняты следующие обозначения:
хσ1 и хσ2 - индуктивные сопротивления рассеяния фазы первой и второй трехфазных систем;
хσ11 = хσ22 - сопротивления взаимоиндукции между фазами одной трехфазной системы по путям рассеяния в пазах и лобовой части обмотки;
хσ12 = хσ21 - сопротивления взаимоиндукции между фазами различных трехфазных систем по путям рассеяния;
хad - индуктивное сопротивление реакции якоря шестифазной системы;
хσf - индуктивное сопротивление рассеяния обмотки возбуждения;
хσ1d - индуктивное сопротивление рассеяния продольного демпферного контура.
Таблица К.1 - Схемы замещения нулевой последовательности с учетом взаимоиндукции линий
|
Исходная схема |
Схема замещения |
Выражения для элементов схемы замещения |
|
|
|
|
|
|
|
|
|
|
|
|
|
|
|
|
|
|
|
|
|
|
|
|
|
|
|
|
|
|
|
|
|
|
|
где
|
|
|
|
|
|
|
a = x1 - x12; b = x2 - x12; c = x3 - x13; d = x12 - x13; e = x13 при х13 = х23 |
|
|
|
a = x1 - x12; b = x2 - x12; c = x3 - x13; d = x12 при х12 = х23 |
|
|
|
|
|
Таблица Л.1
|
Номинальное |
Количество |
Погонное |
Погонное индуктивное сопротивление, Ом/км, воздушной линии напряжением, кВ |
|||||
|
|
|
|
35 |
110 |
150 |
220 |
330 |
500 |
|
70/11 |
1 |
0,428 |
0,432 |
0,444 |
0,46 |
- |
- |
- |
|
95/16 |
1 |
0,306 |
0,421 |
0,434 |
0,45 |
- |
- |
- |
|
120/19 |
1 |
0,249 |
0,417 |
0,427 |
0,441 |
- |
- |
- |
|
150/24 |
1 |
0,198 |
0,406 |
0,420 |
0,434 |
- |
- |
- |
|
185/29 |
1 |
0,162 |
- |
0,413 |
0,429 |
- |
- |
- |
|
240/32 |
1 |
0,120 |
- - |
0,405 - |
0,420 - |
0,435 - |
- 0,331 |
- - |
|
300/39 |
1 |
0,098 |
- - |
- - |
- - |
- 0,429 |
- 0,328 |
- - |
|
300/66 |
3 |
0,034 |
- |
- |
- |
- |
- |
0,31 |
|
330/48 |
3 |
0,029 |
- |
- |
- |
- |
- |
0,308 |
|
Примечание - Среднегеометрические расстояния
между фазами при напряжениях 220, 330 и 500 кВ приняты равными соответственно
8, 11 и |
||||||||
Ключевые слова: короткое замыкание, периодическая составляющая, апериодическая составляющая, ударный ток, симметричные составляющие, постоянная времени, методы расчета, схемы замещения