|
ФЕДЕРАЛЬНОЕ АГЕНТСТВО |
||
|
|
НАЦИОНАЛЬНЫЙ |
ГОСТ Р |
Технические средства организации
дорожного движения
МЕТОДЫ ИСПЫТАНИЙ ДОРОЖНЫХ
ОГРАЖДЕНИЙ
|
|
Москва |
Предисловие
Цели и принципы стандартизации в Российской Федерации установлены Федеральным законом
от 27 декабря
Сведения о стандарте
1. ПОДГОТОВЛЕН Федеральным государственным унитарным предприятием «РОСДОРНИИ» Российского дорожного агентства Министерства транспорта Российской Федерации (ФГУП «РОСДОРНИИ») совместно с Научно-исследовательским центром по испытанию и доводке автомототехники (ФГУП НИЦИАМТ), Научно-исследовательским центром проблем Государственной инспекции безопасности дорожного движения (НИЦ БДД МВД России) и Открытым акционерным обществом «Дорожный научно-исследовательский институт СоюздорНИИ» (ОАО «СоюздорНИИ»)
2. ВНЕСЕН Техническим комитетом по стандартизации ТК 278 «Безопасность дорожного движения»
3. УТВЕРЖДЕН И ВВЕДЕН В ДЕЙСТВИЕ Приказом Федерального агентства по
техническому регулированию и метрологии от 18 апреля
4. ВВЕДЕН ВПЕРВЫЕ
5. В настоящем стандарте учтены основные нормативные положения следующих международных стандартов:
ЕН 1317-1:1998 «Дорожные удерживающие системы. Часть 1. Терминология и общие требования к методам испытаний» (EN 1317-1:1998 «Road restraint systems - Part 1: Terminology and general criteria for test methods», NEQ).
EH 1317-2:1998 «Дорожные удерживающие системы. Часть 2. Классы исполнений, критерии приемки испытаний на удар и методы испытаний защитных ограждений (EN 1317-1:1998 «Road restraint systems - Part 2: Performance classes, impact test acceptance criteria and test methods for safety barriers», NEQ).
Информация об изменениях к настоящему стандарту публикуется в ежегодно издаваемом информационном указателе «Национальные стандарты», а текст изменений и поправок - в ежемесячно издаваемых информационных указателях «Национальные стандарты». В случае пересмотра (замены) или отмены настоящего стандарта соответствующее уведомление будет опубликовано в ежемесячно издаваемом информационном указателе «Национальные стандарты». Соответствующая информация, уведомление и тексты размещаются также в информационной системе общего пользования - на официальном сайте Федерального агентства по техническому регулированию и метрологии в сети Интернет
Содержание
ГОСТ Р 52721-2007
|
НАЦИОНАЛЬНЫЙ СТАНДАРТ РОССИЙСКОЙ ФЕДЕРАЦИИ |
|
Технические средства организации дорожного движения МЕТОДЫ ИСПЫТАНИЙ ДОРОЖНЫХ ОГРАЖДЕНИЙ Traffic control devices. Test methods for roadside barriers |
Дата введения - 2008-01-01
Настоящий стандарт устанавливает требования к различным методам испытаний конструкций дорожных ограждений, предназначенных для установки на автомобильных дорогах общего пользования, улицах и дорогах городов и других населенных пунктов в соответствии с ГОСТ Р 52289.
Предметом стандартизации являются методы испытания дорожных удерживающих ограждений для автомобилей и критерии приемки конструкций по результатам испытаний. Результаты испытаний дают возможность устанавливать потребительские характеристики конструкций (энергоемкость, динамический прогиб), которыми следует пользоваться при выборе конструкций для конкретных дорожных условий.
ГОСТ Р 52289-2004 Технические средства организации дорожного движения. Правила применения дорожных знаков, разметки, светофоров, дорожных ограждений и направляющих устройств
ГОСТ Р 52606-2006 Технические средства организации дорожного движения. Классификация дорожных ограждений
ГОСТ Р 52607-2006 Технические средства организации дорожного движения. Ограждения дорожные удерживающие боковые для автомобилей. Общие технические требования
ГОСТ 5781-82 Сталь горячекатаная для армирования железобетонных конструкций. Технические условия
ГОСТ 26633-91 Бетоны тяжелые и мелкозернистые. Технические условия
Примечание - При пользовании настоящим стандартом целесообразно проверить действие ссылочных стандартов в информационной системе общего пользования - на официальном сайте Федерального агентства по техническому регулированию и метрологии в сети Интернет или по ежегодно издаваемому информационному указателю «Национальные стандарты», который опубликован по состоянию на 1 января текущего года, и по соответствующим ежемесячно издаваемым информационным указателям, опубликованным в текущем году. Если ссылочный стандарт заменен (изменен), то при пользовании настоящим стандартом следует руководствоваться заменяющим (измененным) стандартом. Если ссылочный стандарт отменен без замены, то положение, в котором дана ссылка на него, применяется в части, не затрагивающей эту ссылку.
3.1. В настоящем стандарте применены следующие термины с соответствующими определениями:
3.1.1. стендовые испытания: Испытания на специальном стенде, позволяющем прикладывать к испытуемому изделию (элементу или фрагменту ограждения) статическую или ударную нагрузку.
3.1.2. натурные испытания: Испытания конструкции ограждения, установленного на испытательной площадке с имитацией его расположения в реальных дорожных условиях, при которых силовое воздействие на ограждение осуществляется реальным автомобилем, разгоняемым для удара в ограждение с требуемой энергией взаимодействия.
3.1.3. испытательная площадка: Комплекс инженерных сооружений и оборудования, предназначенных для натурных испытаний.
3.1.4. выбег автомобиля: Процесс неуправляемого движения транспортного средства после прекращения контакта с ограждением.
3.1.5. высота ограждения: Расстояние в вертикальной плоскости от наиболее высокой точки ограждения до уровня обочины или разделительной полосы на дороге, покрытия на мостовом сооружении, измеренное у края ограждения со стороны проезжей части.
3.1.6. индекс тяжести травм: Показатель, характеризующий воздействие инерционных перегрузок на пассажиров транспортных средств, равный значению корня квадратного из суммы квадратов отношений средних фактических и допустимых значений инерционных перегрузок, действующих в течение 50 мс по направлениям главных осей транспортного средства при его взаимодействии с ограждением.
3.1.7. перегрузка инерционная: Отношение измеренного вблизи центра масс транспортного средства среднего ускорения (замедления), действующего в течение 50 мс при его наезде на ограждение, к ускорению свободного падения.
3.1.8. прогиб ограждения: Динамический прогиб ограждения по ГОСТ Р 52289.
3.1.9.
рабочая ширина ограждения: Максимальное динамическое боковое смещение кузова автомобиля, находящегося в нем груза или фрагмента ограждения (в зависимости от места установки ограждения) относительно лицевой поверхности балки недеформированного ограждения (рисунок В.256).
[ГОСТ Р 52289-2004, статья 8.1.3]
3.1.10. угол наезда на ограждение: Угол между проекциями на плоскость дороги продольных осей транспортного средства и недеформированного ограждения в начале его контакта с ограждением.
3.1.11. удерживающая способность (энергоемкость) ограждения: Способность ограждения удерживать транспортные средства на дороге и мостовом сооружении, предотвращая их опрокидывание или переезд через ограждение. Показателем удерживающей способности является кинетическая энергия транспортного средства, определяемая с учетом его массы, угла наезда и поперечной составляющей скорости движения.
3.1.12. уровни удерживающей способности: Диапазоны значений кинетической энергии, по которым выбирают конструкции ограждений для применения в тех или иных дорожных условиях.
3.2. В настоящем стандарте применены следующие условные обозначения и сокращения:
Е - удерживающая способность (энергоемкость) ограждения, фрагмента ограждения или элемента, кДж;
Р - сила нагружения при стендовых статических испытаниях, кН;
Н- высота маятника, м;
h - высота ограждения, м;
v- скорость движения испытательного автомобиля;
Q - масса испытательного автомобиля;
у - прогиб ограждения, фрагмента ограждения или стойки, м;
В - класс прочности бетона на сжатие;
W - водонепроницаемость бетона;
F - морозостойкость бетона;
ТУ - технические условия на изделие (ограждение);
ТЗ - техническое задание на испытание;
КД - конструкторская документация.
4.1.1. Стендовым статическим испытаниям подвергают элементы конструкций ограждений с целью определения их динамического прогиба и прочности. К таким элементам относят балки и стойки барьерных ограждений, короткие фрагменты барьерных ограждений, отдельные блоки парапетных ограждений, узлы или фрагменты фронтальных ограждений.
Испытуемые элементы крепят к жесткому основанию или в случае испытания стоек и фрагментов ограждений дорожной группы размещают на грунтовой площадке, имитирующей земляное полотно дороги.
4.1.2. Стойки или фрагмент барьерного ограждения нагружают плоской жесткой (недеформируемой) плитой. При этом на стойках должны быть смонтированы амортизаторы (консоли, распорки, консоли - амортизаторы), предусмотренные проектом конструкции ограждения. При испытании парапетного ограждения между плитой и бетоном должна быть эластичная прокладка (например, из резины), исключающая точечную передачу силы.
4.1.3. Техническое состояние стоек или фрагментов должно соответствовать КД предприятия-изготовителя и ТЗ заказчика.
4.2.1. Основные параметры стенда для статических испытаний стоек:
|
- высота приложения нагрузки от уровня нижней плоскости стойки или грунта, мм |
300...1500 |
|
- нагрузка на стойку или фрагмент, кН, не менее |
50 |
|
- расстояние между плитой и стойкой, мм, не менее |
100 |
|
- скорость нагружения стойки (скорость движения плиты), мм/мин |
1-80 |
|
- ход нагружающего устройства (плиты), мм, не менее |
500 |
|
- приостановка нагружения и сохранение нагрузки в течение, с, не менее |
30 |
4.2.2. Стенд должен обеспечивать плавность статического нагружения без ударов, толчков и пульсаций, действующих на образец и силоизмерительную систему, а также плавность разгрузки.
4.2.3. Вероятность безотказной работы должна быть не ниже 0,9 в течение 500 ч работы стенда. Срок службы стенда - не менее 10 лет.
4.2.4. При испытании измеряют силу и деформации после контакта плиты и стойки, записывают диаграмму испытаний. При отсутствии автоматической записи диаграммы ее строят по результатам испытания на основании измерения:
- деформации с точностью
- силы с точностью 1,0 кН.
Интервалы между измерениями не должны превышать усилия 10 кН или
4.3.1. Статические испытания элемента завершаются при достижении одного из нижеперечисленных случаев:
- разрушении (разрыве) испытуемой детали барьерного ограждения (стойки, балки, амортизатора и др. деталей);
- разрушении (сколе) части блока парапетного ограждения;
- наклоне стойки барьерного ограждения сверх допустимого значения, приведенного на рисунке 1.

Рисунок 1 - Предельные деформации стоек барьерных ограждений
Статические испытания фрагмента ограждения завершаются при достижении одного из вышеуказанных случаев одним из элементов испытуемой конструкции или при непредусмотренном разъединении элементов фрагмента.
4.3.2. Результатом испытания элемента барьерного ограждения является поглощаемая энергия (удерживающая способность), определяемая как:
- энергоемкость, кДж, элемента барьерного ограждения, подсчитанная по площади диаграммы деформации (рисунок 2);
- предельное усилие, кН, достигнутое при испытании элемента (блока) парапетного ограждения.
Установленные характеристики являются расчетными для испытанных элементов и учитываются при дальнейшей разработке КД.

Рисунок 2 - Определение энергоемкости элемента барьерного ограждения при статических стендовых испытаниях
5.1.1. Испытательная площадка включает в себя участок с жестким основанием для испытания элементов и фрагментов ограждений мостовой группы, участок с грунтовым основанием для испытания элементов и фрагментов ограждений дорожной группы и маятниковый стенд.
5.1.2. Испытательная площадка должна быть огорожена щитами для защиты
операторов. Щиты должны иметь высоту, вдвое превышающую высоту испытуемой
конструкции, и располагаться от нее на расстоянии не менее
На участке испытательной площадки с жестким основанием должны быть предусмотрены съемные опорные пластины для размещения стоек с различным их закреплением.
5.2.1. Испытания на удар с использованием маятника проводят с целью уточнения полученных ранее характеристик или определения новых характеристик ограждения, в котором изменены некоторые размеры или сечения по сравнению с ранее испытанными конструкциями. В частности, ударным стендовым испытаниям подвергают конструкции барьерных ограждений, в которых изменены:
- шаг стоек не более 1-2 м;
- прочностные характеристики применяемых материалов (бетона, стали);
- узлы крепления элементов между собой;
- толщина (площадь сечения) элементов на 50 %-100 %.
При больших изменениях размеров требуются натурные испытания.
5.2.2. На площадку устанавливают элементы или фрагменты ограждения, прошедшие стендовые статические испытания, а также элементы или фрагменты ограждений, прошедших ранее натурные испытания.
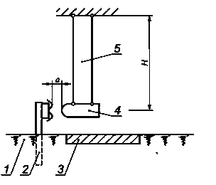
Элемент или фрагмент ограждения должен быть расположен так, чтобы
расстояние от него до ударной части бойка было не менее
а ≤ 50 + 0,01 Н,
где Н- высота маятника.

1 - грунтовое основание; 2 - стойка дорожного ограждения; 3 - жесткое основание; 4 - боек; 5 - подвеска; Н - высота маятника
Рисунок 3 - Схема площадки для стендовых ударных испытаний
5.2.3. Нагрузка элемента (фрагмента) на стенде маятникового типа с
бойком имеет вид плоской или закругленной плиты или вид цилиндра. Радиус
закругления ударной части должен быть не менее
Маятник может иметь жесткую или гибкую подвеску, шарнирно соединенную с
бойком и верхней неподвижной плоскостью (см. рисунок 4). Длина подвески - не
менее

а - жесткая подвеска; б - гибкая одиночная подвеска; в - гибкая сдвоенная подвеска
5.2.4. Стенд динамической нагрузки должен обеспечивать скорость приложения ударной нагрузки в интервале 1-5 м/с и энергию удара от 10 до 100 кДж.
Кинетическая энергия ударной части установки динамической нагрузки в момент возникновения контакта со стойками должна быть не менее работы деформации (энергоемкости) испытуемого элемента (фрагмента), полученной на стенде статической нагрузки. Процесс испытания записывают на видеокамеру, установленную в плоскости фрагмента ограждения или его элемента (перпендикулярно к направлению удара).
5.3.1. Фрагмент (элемент) ограждения выдержал испытания, если маятник в процессе удара не пересек плоскость, в которой установлен испытуемый объект. В случае отрыва стоек или других элементов испытания повторяют с иным закреплением.
5.3.2. На основании испытания элементов (фрагментов) барьерных ограждений определяют два показателя испытуемой конструкции:
- достигнутую энергоемкость Е, кДж;
- максимальную деформацию (прогиб) у, м.
При испытании парапетных ограждений определяют разрушающее усилие Р, кН.
Полученные показатели являются основанием для определения потребительских характеристик разрабатываемой конструкции ограждения.
Цель испытаний состоит в определении фактических показателей удерживающей способности и соответствующих ей динамического поперечного прогиба (далее прогиба), рабочей ширины ограждения, а также в определении фактических показателей безопасности этого ограждения для людей, находящихся в удерживаемом автомобиле, безопасности автомобиля и других участников дорожного движения.
Испытание осуществляют путем наезда на ограждение автомобилей (грузового, легкового, автобуса) определенной массы с необходимой скоростью под острым углом к оси ограждения. Режимы испытаний (см. таблицу 1) назначают в зависимости от уровня удерживающей способности ограждения, требуемого по условиям применения ограждения в соответствии с КД или ТУ на изделие. Вначале проводят испытания наездом легкового автомобиля. Испытания наездом автобуса используют при проверке ограждения, предназначенного для применения в городских условиях, а автопоездом – для применения на автомобильных дорогах в случаях, когда интенсивность движения автомобилей с разрешенной максимальной массой не менее 30 т составляет не менее 1000 авт./сут.
Испытания проводят на специальном полигоне, испытательные сооружения и оборудование которого, а также имеющаяся на нем измерительная и регистрирующая аппаратура позволяют проводить испытания ограждений в режимах, представленных в таблице 1.
Ограждение каждой марки должно быть испытано, как минимум, одним наездом легкового автомобиля и одним наездом автобуса или грузового автомобиля.
Таблица 1 - Режимы испытания ограждений
|
Удерживающая способность |
Масса автомобиля Q, т / скорость наезда v, км/ч |
||||
|
Уровень по ГОСТ Р 52289 |
Энергоемкость, кДж |
Легковой |
Грузовой (двух-, трехосный) |
Автобус |
Автопоезд (четырех-, пятиосный) |
|
У1 |
130 |
1,0/80 |
12/50 |
- |
- |
|
У2 |
190 |
1,0/90 |
12/60 |
12/60 |
- |
|
УЗ |
250 |
1,0/90 |
16/60 |
12/65 |
- |
|
У4 |
300 |
1,0/90 |
16/65 |
15/70 |
- |
|
У5 |
350 |
1,2/90 |
18/65 |
15/75 |
- |
|
У6 |
400 |
1,2/90 |
18/70 |
20/70 |
- |
|
У7 |
450 |
1,2/100 |
18/75 |
20/75 |
- |
|
У8 |
500 |
1,5/100 |
22/70 |
- |
35/55 |
|
У9 |
550 |
1,5/100 |
22/75 |
- |
35/60 |
|
У10 |
600 |
1,5/100 |
22/80 |
- |
35/65 |
|
Примечания. 1. Угол наезда автомобиля - 20°. 2. Допускается отклонение скорости движения в пределах 5 % от указанной в таблице при сохранении энергии удара для каждого режима. |
|||||
6.2.1. Испытательная площадка должна позволять устанавливать ограждения различных типов, относящихся к группам: мостовые ограждения и дорожные ограждения.
Ограждения дорожной группы устанавливают на грунтовую площадку,
оформленную в соответствии с требованиями, предъявляемыми к земельному полотну
(обочине) автомобильных дорог. Соответствие требованиям по качеству грунта,
включая влажность и коэффициент его уплотнения, проверяют перед каждой серией
испытаний. Длина грунтового участка не должна быть меньше
В качестве грунта для оформления площадки используют гравелистые пески (ненабухающие и непучинистые), отвечающие требованиям СНиП к материалам для отсыпки рабочего слоя земляного полотна (в том числе обочин). Коэффициент уплотнения грунта - 0,98 - 1,02.
Мостовые ограждения устанавливают на горизонтальной железобетонной плите (I = 0 - 1 ‰),имеющей закладные детали для крепления стоек ограждения.
6.2.2. Специальная железобетонная плита для монтажа ограждений должна
быть выполнена из тяжелого бетона по ГОСТ 26633,
класс прочности на сжатие В 35, с водонепроницаемостью W6,
морозостойкостью F200; максимальная крупность щебня
При этом за пределами точки удара в ограждение длина плиты должна быть
не менее
6.2.3. Вблизи каждого конца смонтированного ограждения должна быть площадка для установки видеокамеры. Сзади смонтированного ограждения должна быть площадка для установки консольного автомобильного лифта для обеспечения видеосъемки процесса соударения автомобиля с ограждением сверху.
6.2.4. Полоса для разгона автомобилей должна быть прямолинейной и иметь
твердое ровное покрытие шириной не менее
Системы разгона и наведения автомобиля должны обеспечивать прямолинейное движение автомобиля до его столкновения с ограждением.
За
Длина рабочего участка ограждения, установленного для испытаний, должна
быть не менее
6.2.5. Порядок испытания (последовательность) должен быть следующим:
- перед испытанием проводят фотографирование испытуемого дорожного ограждения и испытательного транспортного средства;
- испытательный автомобиль устанавливают на разгонной полосе, проводят проверку сцепных устройств испытательного автомобиля с тягачом;
- осуществляют разгон автомобиля (автобуса) тягачом до заданной скорости столкновения в соответствии с выбранным режимом испытаний;
- сброс тянущего троса с автомобиля осуществляется не менее чем за
- столкновения испытательного автомобиля с ограждением регистрируют вдоль линии ограждения и сверху с помощью кино- или видеосъемки;
- после испытания проводят фотографирование испытанного ограждения и испытательного автомобиля.
6.3.1. Испытуемое ограждение должно соответствовать требованиям ГОСТ Р 52607 и КД. Протяженность ограждений, поставляемых для испытания, должна быть достаточной для выполнения всей программы испытаний с учетом количества заменяемых элементов после каждого наезда.
6.3.2. Ограждение перед испытанием должно быть установлено таким образом, чтобы точка контакта испытательного автомобиля с ограждением находилась на расстоянии не менее 1/3 общей длины ограждения, считая от его начала (рисунок 5).

1 - полоса для испытаний ограждений мостовой группы; 2 - полоса для испытаний ограждений дорожной группы; 3 - ось направляющего монорельса для разгона испытательного автомобиля; 4 - установленное ограждение дорожной группы; L - длина ограждения
Рисунок 5 - Схема испытательной площадки
6.4.1. Транспортное средство для испытания выбирают из числа автомобилей, находящихся в эксплуатации. При выборе и подготовке, в том числе загрузке и распределении балласта в салоне или кузове автомобиля, должны быть соблюдены требования, приведенные в таблице 2.
6.4.2. Балласт на транспортном средстве должен быть закреплен таким образом, чтобы не было его смещения при ударе автомобиля об ограждение. Перед испытанием должны быть также приведены в нормальное состояние элементы кузова, рамы и системы подрессоривания автомобиля.
Расположение балласта испытательного автомобиля (автобуса) должно состоять в размещении части балласта, соответствующей массе сидящих пассажиров, на сиденьях в салоне и остальной части балласта на полу салона или грузовой платформе - равномерно по его длине.
6.4.3. Общее состояние транспортного средства должно удовлетворять требованиям, предъявляемым инструкцией по его эксплуатации. Не следует проводить модернизацию транспортного средства, которая могла бы влиять на его основные характеристики.
Транспортное средство должно быть чистым, иметь все основные агрегаты. Перед началом испытаний с него должна быть удалена вся грязь и влага, которые могут вызвать возникновение пыли при ударе.
6.4.4. Для проведения анализа результатов испытаний на транспортное средство наносят маркировочные метки и порядковый номер испытания. У легкового автомобиля номера наносят на капот и передние двери, у автобуса - на переднюю и обе боковые панели кузова; у грузового автомобиля - на обе двери кабины.
Таблица 2 - Параметры испытательных транспортных средств
|
Общая масса автомобиля Q, кг |
легковой |
грузовой |
автобус |
автопоезд |
|||||||
|
1000±50 |
1200±75 |
1500±100 |
12000±400 |
16000±500 |
18000±600 |
22000±750 |
12000±400 |
15000±500 |
20000±750 |
35000±1000 |
|
|
Количество осей |
2 |
2 |
2 |
2 |
2÷3 |
3 |
3 |
2 |
2 |
3 |
4÷5 |
|
Масса, передаваемая на переднюю ось, % от Q |
50±10 |
50±10 |
50±10 |
30±5 |
(30÷25)±5 |
25±4 |
20±3 |
40±6 |
35±5 |
25±3 |
(15÷12) ±1 |
|
Колесная база (минимальное расстояние между крайними осями), м |
- |
- |
- |
4,0 |
4,0 |
5,0 |
5,0 |
4,5 |
5,0 |
6,0 |
10÷11 |
|
Высота центра массы груза над землей, м, ±10 % |
0,5 |
0,6 |
0,6 |
1,5 |
1,6 |
1,8 |
2,0 |
1,0 |
1,2 |
1,2 |
2,2 |
|
Расстояние от центра масс автомобиля до передней оси, м, ±10 % |
- |
- |
- |
3,5 |
3,5 |
4,0 |
4,0 |
2,5 |
3,5 |
4,0 |
7; 8 |
6.5.1. Параметры, регистрируемые при испытании
А. До начала испытаний:
регистрируют массу и расположение центра массы транспортного средства, включая добавленный груз в соответствии с ИСО 10392 [1];
- определяют распределение масс по осям;
- фотографируют внутреннюю и внешнюю части транспортного средства;
- фотографируют положение и конструкцию ограждения.
При необходимости указывают моменты инерции транспортного средства в трех плоскостях.
Б. Во время испытаний фиксируют:
- скорость транспортного средства перед столкновением с ограждением;
- углы наезда и выбега транспортного средства;
- линейные ускорения и угловые скорости;
- динамические отклонения и смещение системы защитных ограждений с округлением до второго знака, а также
- процесс соударения снимают на высокоскоростные кинокамеры и/или высокоскоростные видеокамеры, установленные таким образом, чтобы была произведена полная запись реакции транспортного средства и поведения ограждения, включая деформации и динамические прогибы.
Скорость испытательного автомобиля перед столкновением с ограждением следует измерять на
расстоянии не более
Измерение фактического угла наезда автомобиля на ограждение проводят по результатам обработки кино-, видеосъемки.
Регистрацию параметров перегрузок, действующих на испытательный автомобиль в процессе взаимодействия с ограждением, осуществляют с использованием датчиков ускорений, устанавливаемых на полу кузова автомобиля (автобуса) в зоне расположения центра масс. Погрешность измерений перегрузок не должна превышать 3 %.
Оценку безопасности выбега в пределах допускаемой полосы осуществляют путем обработки кино- или видеосъемки, выполненной сверху и навстречу движению испытательного автомобиля.
Определение деформации ограждения осуществляют путем обработки кино- или видеоматериалов и измерения деформации ограждения после испытаний. Определяют динамический прогиб ограждения, рабочую ширину и остаточную деформацию испытанного ограждения.
Высокоскоростные камеры должны работать с минимальной частотой - 200 кадров/с. Их положение должно быть адаптировано к испытаниям ограждения.
Для видеосъемки участков, представляющих особый интерес, могут быть использованы дополнительные камеры:
а) одну камеру, работающую с нормальной скоростью, располагают в правом углу траектории движения транспортного средства;
б) одну или две высокоскоростные камеры располагают сверху таким образом, чтобы они могли
фиксировать движение транспортного средства как минимум за
в) одна высокоскоростная камера снимает вдоль защитного ограждения из точки сзади удара для того, чтобы записать вращение транспортного средства, вертикальный подъем, последовательность повреждений во время удара автомобиля в ограждение;
г) одна высокоскоростная камера снимает вдоль ограждения с противоположного от камеры конца.
В. После испытаний фиксируют:
- повреждения и деформации испытательного транспортного средства, включая деформацию кабины;
- повреждения испытанного ограждения.
Осуществляют фотографирование транспортного средства и ограждения.
6.5.2. Оборудование транспортного средства
Минимальное оборудование транспортного средства для записи линейных ускорений и угловых скоростей включает в себя набор из трех линейных преобразователей:
ускорения и угловых скоростей, взаимно перпендикулярных, выровненных по осям транспортного средства (продольной, поперечной и вертикальной), плюс один преобразователь угловой скорости для записи скорости отклонения.
Три акселерометра и датчик отклонения скорости помещают в один блок и располагают как можно ближе к центру тяжести транспортного средства. Преобразователи ускорения и угловой скорости и соответствующие записывающие устройства должны соответствовать требованиям ИСО 6487 [2], класс частот - CFC 60.
Для распечатки графических результатов используют CFC 60.
6.5.3. Измерительные устройства и регистрирующая аппаратура
Измерительные устройства должны обеспечивать получение данных о скорости наезда автомобиля на ограждение и ускорениях в центре масс автомобиля по его трем главным осям в процессе взаимодействия автомобиля с ограждением, а также о скорости и значении угла выбега автомобиля в момент прекращения его контакта с ограждением.
Для
измерения скорости наезда следует использовать стационарное устройство,
находящееся рядом с полосой разгона и обеспечивающее измерение скорости
автомобиля в момент его нахождения на расстоянии не более
6.6.1. Обработка результатов испытания предполагает определение показателей, приведенных в 7.5.1 и регистрируемых в процессе испытания. Регистрацию осуществляют с помощью измерительного комплекса, размещенного в автомобиле сопровождения.
Автомобиль сопровождения движется вслед за испытательным транспортным средством на безопасном расстоянии и связан с приборами испытательного автомобиля кабелем.
6.6.2.
Скорость в момент контакта ограждения и автомобиля принимают равной средней
скорости на участке
Фактическую энергию соударения Е, кДж, вычисляют по формуле:
|
|
(1) |
|
где Q |
- масса автомобиля, т; |
|
v |
- скорость движения автомобиля перед соударением, м/с; |
|
а |
- угол наезда, ...°. |
6.6.4. Ускорения в центре масс в трех направлениях определяют по спектру ускорений и выражают в единицах д (что является фактически инерционными перегрузками). Рассматривают участки в зоне самых высоких перегрузок. Определяют средние перегрузки на этих участках продолжительностью 50 мс, отфильтрованные по частоте 180 Гц (см. рисунок 6).
Обобщенным показателем инерционной перегрузки в центре масс автомобиля является показатель индекса безопасности И (индекс тяжести травм):
|
|
(2) |
|
где Nx, NY, Nz |
-средние значения инерционных перегрузок на рассматриваемом участке вдоль продольной, поперечной и вертикальной осей автомобиля (соответственно), проходящих через центр масс. |

Рисунок 6 - Пример диаграммы ускорений (перегрузок) в центре масс по осям X (а), У(б) и Z(в)
6.6.5. Результатом измерения деформации кабины является коэффициент сохранности внутренних размеров после удара. При испытании боковых ограждений измеряют расстояние между стенами кабины в поперечном направлении на уровне деформированного участка:
- для легкового автомобиля - в плоскости центра масс;
- для грузового автомобиля - в плоскости водителя;
- для автобуса - в плоскости водителя и в плоскости последних рядов сидений, если удар произошел со стороны водителя;
- в плоскости передних и задних рядов, если удар произошел со стороны, противоположной водителю (справа при левостороннем расположении руля).
Коэффициент сохранности внутренних размеров кабины равен отношению измеренных расстояний до и после удара.
При испытании фронтальных ограждений дополнительно измеряют:
- в легковом автомобиле - расстояние между нижним краем правого окна и верхним краем левого окна и наоборот;
- расстояние между панелью приборов и верхом заднего сидения в плоскости сидений, приближенных к ограждению;
- в грузовом автомобиле - расстояние между панелью прибора и сиденьем водителя;
- в автобусе - расстояние между панелью прибора и защитной стенкой за водителем.
6.6.6. Для
определения динамического прогиба ограждения, а также скорости движения
автомобиля в процессе его взаимодействия с ограждением на поверхность
испытательной площадки на всю длину рабочего участка ограждения должна быть
нанесена координатная сетка с квадратными ячейками, имеющими размер стороны
6.7.1. По результатам испытания составляют протокол и отчет.
Протокол испытания должен содержать следующие разделы:
1. Данные испытательного центра:
- название и адрес,
- номера телефона и факса;
2. Данные заказчика:
- заказчик,
- адрес,
- номера телефона и факса;
3. Объект:
- марка объекта,
- чертежи объекта, представленные заказчиком,
- дата испытания;
4. Режим испытания:
- испытательный автомобиль (тип, марка),
- режим испытания:
скорость наезда, км/ч,
полная масса испытательного автомобиля, распределение ее по осям,
положение центра масс испытательного автомобиля;
5. Характеристика объекта, установленного на полигоне:
- длина начального, рабочего и конечного участков объекта,
- положение рабочего участка относительно оси полосы разгона,
- фотографии объекта;
6. Результаты испытания:
- дата;
- погодные условия при испытании;
- скорость наезда, км/ч;
-угол наезда, ...°;
- выбег автомобиля в пределах площадки (да/нет);
- поведение автомобиля:
опрокинулся через ограждение (да/нет),
опрокинулся перед ограждением (да/нет),
схема траектории движения автомобиля,
прогиб ограждения (динамический), м,
прогиб ограждения остаточный, м,
рабочая ширина ограждения (динамическая), м,
длина пути взаимодействия автомобиля и ограждения, м,
место возникновения контакта автомобиля и ограждения,
разрушение и отделение элементов ограждения (да/нет),
деформации элементов ограждения,
характер работы начального и конечного участков,
фотографии объекта после испытания,
графики перегрузок в центре масс автомобиля,
обобщенный индекс тяжести травм,
фотографии автомобиля;
7. Утверждение протокола:
дата и подписи.
6.7.2. Отчет по результатам испытания должен содержать следующие разделы:
Анализ результатов по критериям приемки.
Фотографическая часть отчета (подробные фотографии ограждения и автомобиля до наезда, в процессе взаимодействия).
Выводы и рекомендации (рекомендуемые условия применения испытанного ограждения).
6.8.1.1. Натурные испытания считаются состоявшимися, если:
- испытуемый автомобиль не изменил своей траектории в процессе разгона (не сошел с разгонной полосы);
- скорость наезда находится в пределах допуска ± 5 % по отношению к расчетному значению, указанному в таблице 1;
- автомобиль, вступивший в контакт с ограждением, не опрокинулся перед ограждением и через ограждение, а также не переехал ограждение;
- автомобиль не получил серьезных повреждений (отрыв осей, отрыв кузова, разрыв стоек кузова легкового автомобиля, падение двигателя) или не произошло его возгорания;
- выбег автомобиля после взаимодействия с ограждением соответствует нормативным ограничениям, установленным исходя из условий обеспечения безопасности других участников движения по дороге.
Безопасным
считается выбег, при котором испытуемый автомобиль после взаимодействия с
ограждением движется в пределах полосы шириной /Сна длине коридора В (см.
рисунок 7). Длину коридора принимают равной 10м или
|
|
(3) |
|
где С |
- габаритная ширина испытуемого автомобиля; |
|
L |
- габаритная длина испытуемого автомобиля. |
Рассматривают траекторию движения переднего колеса со стороны ограждения.
Если одно из указанных условий не соблюдено, составляют только протокол, в котором указывают наиболее вероятную причину недопустимого отклонения и делают вывод о необходимости повторных испытаний.

7 - траектория наезда; 2 - ограждение; 3 - траектория выбега, удовлетворяющая требованиям безопасности; 4 - траектория выбега, не удовлетворяющая требованиям безопасности
Рисунок 7 - Границы коридора выбега автомобиля после столкновения с ограждением
6.8.1.2. Приемку испытанных ограждений осуществляют по четырем критериям:
- безопасности пассажиров;
- безопасности транспортного средства;
- надежности работы ограждения;
- безопасности пешеходов.
Удовлетворение требованиям по этим критериям означает возможность применения испытанного ограждения в строительной практике с зафиксированными при испытании потребительскими характеристиками ограждения:
- энергоемкость Е, кДж;
- динамический прогиб, м;
- рабочая ширина, м.
Оценку безопасности людей (пассажиров и водителя), находящихся в автомобиле при наезде на ограждение, проводят по обобщенному показателю инерционной перегрузки в центре масс автомобиля И [(формула (2)]. Безопасность считается обеспеченной, если экспериментальные значения показателя не превышают допустимых [И], равных:
- 1,0 - для легкового автомобиля;
- 1,1 -для автобуса и грузового автомобиля при условиях, требующих использования ограждений с уровнем удерживающей способности до У7 включительно;
- 1,3 - для грузового автомобиля или автопоезда при условиях, требующих использования ограждений с уровнем удерживающей способности не менее У8.
В отдельных случаях по требованию заказчика дорожных ограждений оценку безопасности пассажиров в легковом автомобиле и автобусе проводят дополнительно по скорости отклонения манекена, м/с:
- 40 - для легкового автомобиля;
- 30 - для автобуса.
Безопасность транспортного средства оценивают по деформации салона (кабины) через коэффициенты сохранности внутренних размеров. Средний коэффициент, полученный по результатам измерений, должен быть не менее 0,9, а наименьший коэффициент - не менее 0,8.
Конструкцию ограждения после испытаний признают надежной, если удовлетворены следующие требования:
- при наезде испытуемого автомобиля на ограждение барьерного или комбинированного типов не произошел разрыв направляющей балки;
- при наезде испытуемого автомобиля на ограждение парапетного или бордюрного типов не произошло разрушения конструкции ограждения. Допускается появление трещин или других повреждений железобетонных конструкций, которые существенно не влияют на надежность работы ограждения и устранение которых не требует их замены;
- при наезде легкового автомобиля на ограждение мостовой группы не произошел отрыв балки (балок) от консолей-амортизаторов или балок, консолей-амортизаторов от стоек;
- при наезде грузового автомобиля в ограждении дорожной группы не произошло выдергивания стоек из земляного полотна;
- при наезде автопоезда на ограждение мостовой группы не должно быть:
- разрушения конструкции дорожной одежды в зоне расположения закладных деталей, к которым крепятся стойки,
- повреждения плиты в месте анкеровки ограждений, разрывов анкеров закладных деталей.
Безопасность пешеходов оценивают по прогибу ограждения на стадии проектирования. При этом сопоставляют прогиб, зафиксированный на стадии испытания, с допустимым прогибом для тех или иных условий применения ограждений. Для того чтобы выполнить подобное сопоставление, в протоколе испытания указывают зафиксированное значение У при достигнутой энергии удара Е. В отчете по результатам испытания следует приводить диаграмму прогибов - график изменения прогиба при различных значениях Е, полученный на основании анализа результатов испытания (см. рисунок 8). Диаграмму прогибов используют и для определения возможности применения ограждений перед препятствиями, когда ограничительным условием является рабочая ширина.

1 - результат, зафиксированный после наезда легкового автомобиля; 2 - результат, зафиксированный после наезда грузового автомобиля (автобуса); 3 - результат, определенный теоретически по смещению центра масс автомобиля (с использованием вертикальной киносъемки)
Рисунок 8 - Диаграмма прогибов ограждения
Если одно или несколько ограничений по различным критериям (см. 6.8.2 - 6.8.4) не выдержаны в процессе испытаний, в отчете по результатам испытания указывают сниженное значение потребительских параметров. При этом комиссия, подписавшая протокол, имеет право занизить выходной показатель по энергоемкости не более чем на 15 %. Если требуется большее снижение, то делают вывод о необходимости корректировки конструкции ограждения и повторных испытаниях.
При наличии запасов в показателе индекса безопасности (Иф< 1,0) в отчете по результатам испытания, а именно в разделе «Выводы и рекомендации», рекомендуемый для практического применения показатель удерживающей способности допускается увеличивать по сравнению с достигнутым при испытании на значение:
|
|
(4) |
где коэффициент k определяют по графику (см. рисунок 9) в зависимости от фактической достигнутой энергии удара Е (кДж).

Рисунок 9
|
[1] ИСО 10392 |
Транспорт дорожный с двумя осями. Определение центра тяжести |
|
[2] ИСО 6487 |
Транспорт дорожный. Методы измерения при ударных испытаниях. Контрольно-измерительные приборы |
Ключевые слова: ограждения дорожные, испытания стендовые, испытания натурные, критерии приемки