|
|
РОССЕРБМОСТ |
|
РОЧ |
АРМИРОВАННЫЕ РЕЗИНОВЫЕ ОПОРНЫЕ ЧАСТИ |
Содержание
|
2. Форма, размеры и типы опорных частей 4. Допускаемые нагрузки, перемещения, деформации |
Армированные резиновые опорные части
Современные армированные резиновые опорные части производят из твердой синтетической резины, путем вулканизации натурального или синтетического каучука.
Резина общее название, а термин "неопрен" - название продукта предприятия Дю Понт, которое впервые произвело его около 1930-го года.
Этот материал оказался очень устойчивым против старения под влиянием атмосферных воздействий. Он огнестойкий, вязкий, и устойчивый к коррозии.
Нормированная резина толщины T деформируется под вертикальной нагрузкой, так что уменьшается толщина на величину ∆T с одновременными боковыми выпуклостями.
Резины армируются высококачественными стальными листами, соединяющимися в процессе термической вулканизации со слоями резины, полностью их охватывающими, и таким образом защищающими от коррозии. Опорные части могут действовать больше 60 и до 100 лет в зависимости от качества и не требуют никакого обслуживания.
Металлические листы препятствуют суммарной выпуклости опорной части по высоте T, так что деформация сводится на боковые выпуклости промежуточных слоев t.
Опорные части допускается применять при температуре от -40ºС до +40ºС, для умеренного климата и от -55ºС до +40ºС для северных районов.
При нормальной температуре (+10°С) и эксплуатационном напряжении средний модуль сдвига G = 1,0 N/мм2.
Армированные резиновые опорные части изготавливаются прямоугольные или круглые в основе. Их производят согласно стандартным размерам, данным в таблице. По специальному заказу опорные части можно произвести и в нестандартных размерах, причем толщина слоев резины и стальных листов соответствует толщине ближайшей по поверхности меньшей опорной части стандартного размера.
Производятся следующие виды опорных частей:
- подвижные во всех направлениях:
- незаанкеренные РОЧ
- заанкеренные РОЧ1
РОЧ2
РОЧ3
- подвижные в одном направлении:
- подвижные в направлении пролета РОЧа
- подвижные в направлении пролета РОЧб
- неподвижные во всех направлениях РОЧф
Резиновые опорные части обеспечивают:
- передачу вертикальных усилий
- передачу горизонтальных усилий
- одновременное перемещение в двух направлениях
- одновременное вращение относительно трех разных осей
Их используют в мостостроении, высотном строительстве и в промышленных сооружениях.
Простая установка и дешевое обслуживание дает большую экономию при применении резиновых опорных частей.
Их производят согласно:
- требованиям к качеству в соответствии с ИСО стандартами
- собственным исследованиям
Опорные части, в зависимости от их размеров, могут переносить нагрузку до 12000 кn.
Максимальное центровое сжатие определяется:
![]()
Причем:
σдоп = допускаемое давление
(в таблицах дано: Nдоп = σдоп×A)
Nmax = максимальное вертикальное усилие
A = контактная поверхность резины
|
Размеры контактной поверхности резины: a×b, D |
Допускаемое давление σдоп |
|
мм |
N/мм2 |
|
до 150×200 до Æ 200 |
10,0 |
|
до 250×400 до Æ 350 |
12,5 |
|
до 250×400 до Æ 900 |
15,0 |
Минимальное напряжение давления, для незаанкеренной опорной части при котором горизонтальное усилие принимается за счет трения по поверхности.
![]()
|
Размеры контактной поверхности резины: а×b, D |
Минимальное допускаемое
давление, |
|
мм |
N/мм2 |
|
до 300×400 до Æ 350 |
≥3,0 |
|
св. 350×450 св. Æ 400 |
≥5,0 |
В случае если
опорные части должны быть
заанкеренными, в противном случае может произойти скольжение конструкции вдоль
опорной части.
Опорные части РОЧ, РОЧ1, РОЧ2 и РОЧ3 могут примять максимальное горизонтально усилие:
Hдоп = G×A×tgγ
В случае Hдоп < Н применяется опорная часть большего размера или опорная часть типа РОЧф, РОЧа или РОЧб.
Опорные части могут принимать перемещения параллельные со своей плоскостью максимально до 180 мм, что обеспечивает выполнение функции опорной части.
Деформации при сдвиге, параллельным плоскости опорной части:
- от горизонтального перемещения
![]()
при этом: u - горизонтальное перемещение
Т = ∑ti - толщина резины в опорных частях типа РОЧ1, РОЧ2, РОЧ3
Т = ∑ti + 2×2,5 - толщина резины в опорных частях типа РОЧ, РОЧф, РОЧа, PОЧб
- от сдвига при примятии горизонтального усилия
![]()
при этом:
H - горизонтальное усилие
А - контактная поверхность
G - модуль сдвига
Суммарная деформация от сдвига в одном направлении:
![]()
Суммарная деформация от сдвига во всех направлениях:
![]()
- в
направлении пролета
- в направлении перпендикулярном направления
пролета
|
Толщина резины T |
Допускаемые деформации от сдвига tgγдоп |
|
мм |
- |
|
до а/5 до D/5 |
0,7 |
|
а/3,33 D/3,33 |
0,6 |
|
а/5 < Т <а/3,33 D/5 < T < D/3,33 |
Линейная интерполяция 0,6 < tgγдоп < 0,7 |
Сжатие опорной части - уменьшение высоты опорной части под нагрузкой на величину ∆T. Первоначальное оседание опорной части приблизительно 1,0 мм. Под действием допускаемой нагрузки сжимание достигает приблизительно 2% от толщины резины T. Поскольку связь напряжения и сжатия не линейна, то рост сжатия уменьшается с приращением нагрузок, поэтому влияние сжатия при максимальных нагрузках относительно мало.
Каждое горизонтальное перемещение, т.е. перемещение параллельное плоскости опорной части вызывает возвратную силу:
![]()
Для всех строительных конструкций, на которые эти возвратные силы имеют влияние, следует выполнить отдельную проверку для низких температур.
Углы поворота при вращении опорной части не должны превышать значения приведенные в таблицах.
При поворотах относительно обеих осей следует для каждой стороны выполнить отдельную проверку.
Векторная сумма углов поворота не должна превышать значения, приведенные в таблицах.
При повороте опорной части, следует учитывать следующие вычисленные реактивные моменты, в случае их неблагоприятного действия:
- Для прямоугольных опорных частей:
![]()
- Для круглых опорных частей:
![]()
При этом:
a - сторона перпендикулярная к оси поворота
b - сторона, параллельная оси поворота
D - диаметр круглой опорной части
t - толщина резины слоя
α - угол поворота эластомерного слоя
G - модуль сдвига при температуре в +10°C, G = 1,0 N/мм2
По всем строительным конструкциям, на которые эти реактивные моменты оказывают влияние, следует выполнить отдельный расчет для низких температур, если при низких температурах могут наступить дополнительные повороты опорной части.
Стальные элементы опорных частей, не покрытые резиной, или находящиеся вне бетона, защищаются от коррозии обычным способом – двойным слоем замазки на цинковой основе.
В случае надобности можно провести и другою антикоррозионную защиту.
Во время монтажа опорных частей необходимо придерживаться инструкций производителя .
Опорные части следует размещать таким образом, чтобы были возможны контроль и замена без технических трудностей. Надо предусмотреть возможность захвата конструкции соответствующими гидравлическими домкратами.
Поверхности строительных элементов около опорных частей должны быть взаимно ровные и параллельные. В связи с этим, обычно между опорной частью и нижней конструкцией предусматривается слой для выровнения (например цементный раствор толщиной до 5 см).
Контактные поверхности опорной части и конструкции должны быть горизонтальные или расположенные под углом к равнодействующей постоянной нагрузки, таким образом чтобы под влиянием постоянных нагрузок не наступили деформации сдвига.
Элементы на соприкасающихся поверхностях с опорными частями следует конструировать и изготовлять так, чтобы они могли выдержать предусмотренные нагрузки без больших местных деформаций.
При повреждении контактных поверхностей под или над опорной части, их следует подтрамбовать заливкой. Со стороны, где выполняется заливка, ставятся клинья и стальная плита, после затвердения материала заливки клинья следует удалить.
Сварка листов анкеруемых опорных частей недопустима.
Воспрещается размещать две или больше опорных частей в одной и той же точке опоры, в главном направлении перенятия нагрузки.
Опорные части разных размеров нельзя размешать рядом, из-за различных жесткостей.
Употребление резиновых опорных частей вместе с другими видами опорных частей позволительно, только в случае употребления опорных частей одного вида в одной и той же точке опоры.
Соответствующими мерами защиты следует обеспечить несоприкосновение опорных частей с маслами, растворителями и т.п.
Если требуется, чтобы опорная часть при установке имела определенный эксцентрицитет (отрегулированная опорная часть), то регулировку всегда должен выполнить изготовитель опорных частей. Регулировка выполняется так, чтобы опорная часть не могла быть сдвинута до начала работы и была надежна при транспортировке. Производитель опорных частей поставляет для таких опорных частей вспомогательные конструкции.
Если опорные части поставляются в деталях и их сборка требует дополнительные приспособления, то сборку на стройке должны осуществить или специалисты изготовителя опорных части или обученные им специалисты.
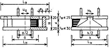
Определение параметров опорных частей выполняется на основании следующей схемы:


|
РОЧ (тип) |
a×b×H . . . Nd |
a×b, ÆD |
- контактные поверхности резины |
|
РОЧ (тип) |
Æ D×d . . . Nd |
H, d |
- высота опорной части |
|
РОЧ (тип) |
a×b×d . . . Nd |
Nd |
- несущая способность опорной части допускаемая нагрузка |
Например:
|
РОЧф |
600×700×250 . . . |
6300 kN |
|
РОЧа |
Æ 300×93 . . . . . |
883 kN |
|
РОЧф |
250×400×74 . . . . |
1250 kN |
РАССТАНОВКА АНКЕРОВ ПРИ РОЧ

ПРЯМОУГОЛЬНЫЕ

КРУГЛЫЕ
ОСНОВА МОСТА С КОНВЕНЦИЕЙ ОБОЗНАЧЕНИЯ ОПОРНЫХ ЧаСТЕЙ


ТИПЫ РЕЗИНОВЫХ ОПОРНЫХ ЧАСТЕЙ
|
ТИП (ОБОЗНАЧЕНИЕ) |
РИСУНОК |
ОПИСАНИЕ И ПРИМЕНЕНИЕ |
|
РОЧ (НЕЗААНКЕРЕННОЕ) |
|
-ГОРИЗОНТАЛЬНАЯ СИЛА ПЕРЕДАЕТСЯ ТРЕНИЕМ МЕЖДУ ОПОРНОЙ ЧАСТЬЮ И КОНСТРУКЦИЕЙ -ПРИМЕНЯЕТСЯ ПРИ СБОРНЫХ КОНСТРУКЦИЯХ |
|
РОЧ1 (ЗААНКЕРЕННОЕ) |
|
-ГОРИЗОНТАЛЬНАЯ СИЛА ПЕРЕДАЕТСЯ ЧЕРЕЗ АНКЕРЫ НА КОНСТРУКЦИЮ -ПРИМЕНЯЕТСЯ ПРИ УКЛАДЫВАНИИ БЕТОНА НА МЕСТЕ |
|
РОЧ2 (ЗААНКЕРЕННОЕ) |
|
|
|
РОЧ3 (ЗААНКЕРЕННОЕ) |
|
-ГОРИЗОНТАЛЬНАЯ СИЛА ПЕРЕДАЕТСЯ РИФЛЕНЫМ ЛИСТОМ НА КОНСТРУКЦИЮ -ПРИМЕНЯТСЯ ПРИ СБОРНЫХ КОНСТРУКЦИЯХ |
|
РОЧа ПРОДОЛЬНОЕ ПОДВИЖНОЕ |
|
-ПОДВИЖНОЕ В НАПРА-ВЛЕНИИ ПРОЛЕТА Т.Е. ОСИ МОСТА |
|
РОЧб ПОПЕРЕЧНОЕ ПОДВИЖНОЕ |
|
-ПОДВИЖНОЕ В НАПРАВЛЕНИИ ПЕРПЕНДИКУЛЯРНОМ ОСИ МОСТА |
|
РОЧф НЕПОДВИЖНОЕ В ОБЕИХ НАПРАВЛЕНИЯХ |
|
-НЕПОДВИЖНОЕ В ОБЕИХ НАПРАВЛЕНИЯХ |
РОЧ СО СТАЛЬНОЙ КОНСТРУКЦИЕЙ ДЛЯ НАПРАВЛЕНИЯ ДВИЖЕНИЯ
|
Тип опорной части |
Неподвижная опорная часть РОЧф |
Подвижная в направлении пролета РОЧа |
Подвижная перпендикулярно к оси пролета РОЧб |
Суммарная часть опорной части |
||||||||||||||
|
Размеры резины по основанию |
Суммарная толщина резины |
Допускаемая нагрузка |
Допускаемое горизонтальное усилие |
Размеры опорной части по основанию |
Допускаемое горизонтальное усиление |
Допускаемое перемещение |
Размер опорной части по основанию |
Допускаемое горизонтальное усилие |
Допускаемое перемещение |
Размер опорной части по основанию |
||||||||
|
a×b |
d |
N |
Ha |
Hb |
B |
Lb |
lH |
Hb |
uа(±) |
В |
lb |
lh |
Нa |
uб(±) |
В |
lb |
lh |
Н |
|
мм |
kN |
kN |
мм |
kN |
мм |
мм |
kN |
мм |
мм |
мм |
||||||||
|
100×100 |
14 |
100 |
45 |
25 |
110 |
230 |
200 |
45 |
7 |
110 |
180 |
200 |
45 |
10 |
110 |
220 |
210 |
54 |
|
21 |
40 |
21 |
44 |
11 |
200 |
200 |
44 |
61 |
||||||||||
|
28 |
32 |
17 |
36 |
14 |
210 |
210 |
36 |
68 |
||||||||||
|
35 |
27 |
14 |
30 |
16 |
220 |
220 |
30 |
75 |
||||||||||
|
42 |
23 |
12 |
26 |
18 |
230 |
220 |
26 |
82 |
||||||||||
|
100×150 |
14 |
150 |
45 |
25 |
110 |
265 |
235 |
45 |
7 |
160 |
180 |
200 |
45 |
10 |
110 |
260 |
250 |
54 |
|
21 |
40 |
21 |
44 |
11 |
200 |
200 |
44 |
61 |
||||||||||
|
28 |
32 |
17 |
36 |
14 |
210 |
210 |
36 |
68 |
||||||||||
|
35 |
27 |
14 |
30 |
16 |
220 |
220 |
30 |
75 |
||||||||||
|
42 |
23 |
12 |
26 |
18 |
230 |
220 |
26 |
82 |
||||||||||
|
150×200 |
21 |
300 |
143 |
76 |
160 |
330 |
300 |
159 |
11 |
210 |
240 |
250 |
159 |
10 |
160 |
310 |
300 |
61 |
|
28 |
121 |
64 |
134 |
14 |
260 |
260 |
134 |
68 |
||||||||||
|
35 |
105 |
56 |
116 |
18 |
270 |
270 |
116 |
75 |
||||||||||
|
42 |
92 |
49 |
102 |
21 |
290 |
270 |
102 |
82 |
||||||||||
|
49 |
83 |
44 |
92 |
23 |
300 |
280 |
92 |
89 |
||||||||||
|
56 |
75 |
40 |
83 |
25 |
300 |
280 |
83 |
96 |
||||||||||
|
63 |
68 |
36 |
76 |
27 |
310 |
290 |
76 |
103 |
||||||||||
|
200×250 |
30 |
625 |
148 |
77 |
210 |
370 |
350 |
162 |
15 |
260 |
310 |
310 |
162 |
10 |
210 |
350 |
340 |
70 |
|
41 |
120 |
62 |
133 |
20 |
330 |
320 |
133 |
81 |
||||||||||
|
52 |
101 |
52 |
112 |
26 |
360 |
330 |
112 |
92 |
||||||||||
|
63 |
87 |
45 |
97 |
30 |
370 |
340 |
97 |
103 |
||||||||||
|
74 |
76 |
40 |
85 |
34 |
390 |
350 |
85 |
114 |
||||||||||
|
85 |
68 |
35 |
76 |
36 |
400 |
360 |
76 |
125 |
||||||||||
|
200×300 |
30 |
750 |
145 |
75 |
210 |
420 |
400 |
162 |
15 |
310 |
310 |
310 |
162 |
10 |
210 |
400 |
390 |
70 |
|
41 |
120 |
60 |
133 |
20 |
330 |
320 |
133 |
81 |
||||||||||
|
52 |
101 |
52 |
112 |
26 |
350 |
330 |
112 |
92 |
||||||||||
|
63 |
87 |
45 |
97 |
30 |
370 |
340 |
97 |
103 |
||||||||||
|
74 |
76 |
40 |
85 |
34 |
390 |
350 |
85 |
114 |
||||||||||
|
85 |
68 |
35 |
76 |
36 |
400 |
360 |
76 |
125 |
||||||||||
|
200×400 |
30 |
1000 |
145 |
75 |
210 |
520 |
500 |
162 |
15 |
410 |
310 |
310 |
162 |
10 |
210 |
500 |
490 |
70 |
|
41 |
120 |
60 |
133 |
20 |
330 |
320 |
133 |
81 |
||||||||||
|
52 |
101 |
52 |
112 |
26 |
350 |
330 |
112 |
92 |
||||||||||
|
63 |
87 |
45 |
97 |
30 |
370 |
340 |
97 |
103 |
||||||||||
|
74 |
76 |
40 |
85 |
34 |
390 |
350 |
85 |
114 |
||||||||||
|
85 |
68 |
35 |
76 |
36 |
400 |
360 |
76 |
125 |
||||||||||
|
250×400 |
41 |
1250 |
150 |
75 |
260 |
520 |
500 |
162 |
20 |
410 |
380 |
370 |
162 |
10 |
260 |
500 |
430 |
81 |
|
52 |
120 |
65 |
143 |
26 |
400 |
380 |
143 |
92 |
||||||||||
|
63 |
110 |
55 |
123 |
32 |
420 |
390 |
123 |
103 |
||||||||||
|
74 |
93 |
48 |
109 |
37 |
450 |
410 |
109 |
114 |
||||||||||
|
85 |
87 |
43 |
97 |
40 |
460 |
410 |
97 |
125 |
||||||||||
|
96 |
73 |
38 |
87 |
43 |
480 |
420 |
87 |
136 |
||||||||||
|
300×400 |
41 |
1800 |
347 |
181 |
310 |
540 |
520 |
384 |
20 |
410 |
460 |
440 |
384 |
10 |
310 |
520 |
510 |
101 |
|
52 |
299 |
156 |
331 |
26 |
580 |
460 |
331 |
112 |
||||||||||
|
63 |
262 |
137 |
291 |
32 |
500 |
470 |
291 |
123 |
||||||||||
|
74 |
234 |
122 |
259 |
37 |
520 |
480 |
259 |
134 |
||||||||||
|
35 |
211 |
110 |
234 |
43 |
540 |
490 |
234 |
145 |
||||||||||
|
96 |
192 |
100 |
213 |
46 |
560 |
5J0 |
213 |
156 |
||||||||||
|
107 |
176 |
92 |
195 |
50 |
570 |
500 |
195 |
167 |
||||||||||
|
118 |
163 |
35 |
181 |
52 |
580 |
510 |
181 |
178 |
||||||||||
|
350×450 |
54 |
2360 |
361 |
177 |
360 |
610 |
570 |
401 |
27 |
460 |
550 |
530 |
401 |
10 |
360 |
570 |
560 |
114 |
|
69 |
305 |
150 |
338 |
34 |
580 |
540 |
338 |
129 |
||||||||||
|
64 |
264 |
109 |
293 |
42 |
610 |
560 |
293 |
144 |
||||||||||
|
99 |
233 |
104 |
258 |
50 |
640 |
570 |
253 |
159 |
||||||||||
|
114 |
208 |
102 |
231 |
55 |
660 |
580 |
230 |
174 |
||||||||||
|
129 |
188 |
92 |
208 |
59 |
680 |
590 |
208 |
189 |
||||||||||
|
144 |
171 |
44 |
190 |
63 |
690 |
600 |
190 |
204 |
||||||||||
|
400×500 |
54 |
3000 |
413 |
203 |
410 |
680 |
640 |
458 |
27 |
510 |
600 |
580 |
458 |
10 |
410 |
640 |
630 |
114 |
|
69 |
349 |
171 |
387 |
34 |
630 |
590 |
387 |
129 |
||||||||||
|
84 |
302 |
108 |
335 |
42 |
660 |
610 |
335 |
144 |
||||||||||
|
99 |
266 |
80 |
295 |
50 |
690 |
620 |
295 |
159 |
||||||||||
|
114 |
238 |
107 |
264 |
57 |
720 |
640 |
265 |
174 |
||||||||||
|
129 |
215 |
105 |
238 |
62 |
740 |
650 |
288 |
189 |
||||||||||
|
144 |
196 |
96 |
217 |
67 |
760 |
660 |
217 |
204 |
||||||||||
|
159 |
180 |
88 |
200 |
70 |
770 |
660 |
200 |
219 |
||||||||||
|
450×600 |
54 |
4050 |
535 |
260 |
460 |
780 |
740 |
539 |
27 |
610 |
650 |
630 |
539 |
10 |
460 |
740 |
730 |
124 |
|
69 |
535 |
260 |
539 |
34 |
680 |
640 |
539 |
139 |
||||||||||
|
84 |
535 |
260 |
539 |
42 |
710 |
660 |
539 |
154 |
||||||||||
|
99 |
512 |
251 |
539 |
50 |
740 |
670 |
539 |
169 |
||||||||||
|
114 |
460 |
226 |
510 |
57 |
770 |
690 |
510 |
184 |
||||||||||
|
129 |
417 |
205 |
462 |
65 |
800 |
700 |
462 |
199 |
||||||||||
|
144 |
381 |
187 |
423 |
70 |
820 |
710 |
423 |
214 |
||||||||||
|
159 |
352 |
172 |
390 |
74 |
840 |
720 |
390 |
229 |
||||||||||
|
174 |
326 |
160 |
362 |
78 |
860 |
730 |
362 |
244 |
||||||||||
|
500×600 |
54 |
4500 |
754 |
370 |
510 |
800 |
740 |
755 |
27 |
610 |
700 |
680 |
755 |
10 |
510 |
740 |
730 |
134 |
|
69 |
703 |
345 |
755 |
34 |
730 |
690 |
755 |
149 |
||||||||||
|
84 |
616 |
302 |
683 |
42 |
760 |
710 |
683 |
164 |
||||||||||
|
99 |
548 |
269 |
608 |
50 |
790 |
720 |
608 |
179 |
||||||||||
|
114 |
494 |
242 |
548 |
57 |
820 |
740 |
548 |
194 |
||||||||||
|
129 |
449 |
221 |
498 |
65 |
850 |
750 |
498 |
209 |
||||||||||
|
144 |
412 |
202 |
457 |
72 |
880 |
770 |
457 |
224 |
||||||||||
|
159 |
381 |
187 |
422 |
77 |
900 |
780 |
422 |
239 |
||||||||||
|
174 |
354 |
173 |
392 |
82 |
920 |
790 |
392 |
254 |
||||||||||
|
189 |
330 |
162 |
366 |
85 |
940 |
800 |
366 |
269 |
||||||||||
|
204 |
310 |
152 |
343 |
90 |
950 |
800 |
343 |
284 |
||||||||||
|
600×700 |
70 |
6300 |
753 |
369 |
610 |
900 |
840 |
755 |
35 |
710 |
830 |
790 |
755 |
10 |
610 |
840 |
830 |
150 |
|
90 |
705 |
346 |
755 |
46 |
870 |
810 |
755 |
170 |
||||||||||
|
110 |
609 |
299 |
675 |
56 |
920 |
840 |
675 |
190 |
||||||||||
|
130 |
536 |
263 |
595 |
67 |
960 |
860 |
595 |
210 |
||||||||||
|
150 |
479 |
235 |
531 |
77 |
1000 |
890 |
531 |
230 |
||||||||||
|
170 |
433 |
212 |
480 |
88 |
1040 |
900 |
480 |
250 |
||||||||||
|
190 |
395 |
194 |
438 |
93 |
1070 |
910 |
438 |
270 |
||||||||||
|
210 |
363 |
178 |
402 |
100 |
1090 |
920 |
402 |
290 |
||||||||||
|
230 |
336 |
165 |
372 |
105 |
1130 |
930 |
372 |
310 |
||||||||||
|
700×800 |
70 |
8400 |
940 |
451 |
610 |
900 |
840 |
944 |
35 |
810 |
950 |
910 |
944 |
10 |
710 |
960 |
950 |
150 |
|
90 |
705 |
346 |
912 |
46 |
1000 |
930 |
912 |
170 |
||||||||||
|
110 |
711 |
349 |
788 |
56 |
1040 |
960 |
788 |
190 |
||||||||||
|
130 |
626 |
307 |
694 |
66 |
1080 |
980 |
694 |
210 |
||||||||||
|
150 |
559 |
274 |
620 |
77 |
1120 |
1000 |
620 |
230 |
||||||||||
|
170 |
505 |
248 |
560 |
88 |
1160 |
1020 |
560 |
250 |
||||||||||
|
190 |
460 |
226 |
511 |
98 |
1210 |
1040 |
511 |
270 |
||||||||||
|
210 |
423 |
208 |
469 |
105 |
1230 |
1050 |
469 |
290 |
||||||||||
|
230 |
392 |
192 |
434 |
112 |
1260 |
1070 |
434 |
310 |
||||||||||
|
250 |
364 |
179 |
404 |
118 |
1280 |
1080 |
404 |
330 |
||||||||||
|
270 |
341 |
167 |
378 |
123 |
1310 |
1090 |
378 |
350 |
||||||||||
|
800×800 |
79 |
9600 |
943 |
462 |
810 |
990 |
950 |
944 |
41 |
810 |
1080 |
1030 |
944 |
10 |
810 |
960 |
950 |
159 |
|
102 |
848 |
416 |
940 |
54 |
1130 |
1050 |
940 |
182 |
||||||||||
|
125 |
728 |
357 |
807 |
67 |
1180 |
1080 |
807 |
205 |
||||||||||
|
148 |
638 |
313 |
707 |
79 |
1230 |
1100 |
707 |
228 |
||||||||||
|
171 |
567 |
278 |
629 |
92 |
1280 |
1130 |
629 |
251 |
||||||||||
|
194 |
511 |
251 |
566 |
104 |
1330 |
1150 |
566 |
274 |
||||||||||
|
217 |
465 |
228 |
515 |
115 |
1380 |
1170 |
515 |
297 |
||||||||||
|
240 |
426 |
209 |
472 |
124 |
1410 |
1190 |
472 |
320 |
||||||||||
|
263 |
393 |
193 |
436 |
131 |
1440 |
1210 |
436 |
343 |
||||||||||
|
286 |
365 |
179 |
405 |
138 |
1470 |
1220 |
405 |
366 |
||||||||||
|
309 |
341 |
167 |
378 |
144 |
1480 |
1230 |
378 |
389 |
||||||||||
|
900×900 |
79 |
12150 |
938 |
459 |
910 |
1100 |
1060 |
944 |
41 |
910 |
1180 |
1130 |
944 |
10 |
910 |
1050 |
1040 |
159 |
|
102 |
938 |
460 |
944 |
54 |
1230 |
1150 |
944 |
182 |
||||||||||
|
125 |
811 |
398 |
899 |
67 |
1280 |
1180 |
899 |
205 |
||||||||||
|
148 |
710 |
349 |
788 |
79 |
1330 |
1200 |
788 |
220 |
||||||||||
|
171 |
632 |
310 |
701 |
92 |
1380 |
1230 |
701 |
251 |
||||||||||
|
194 |
569 |
279 |
631 |
104 |
1430 |
1250 |
631 |
274 |
||||||||||
|
217 |
518 |
254 |
574 |
117 |
1480 |
1280 |
574 |
297 |
||||||||||
|
240 |
475 |
233 |
526 |
128 |
1530 |
1300 |
526 |
320 |
||||||||||
|
263 |
438 |
215 |
486 |
137 |
1560 |
1320 |
486 |
343 |
||||||||||
|
286 |
407 |
200 |
451 |
145 |
1590 |
1330 |
451 |
366 |
||||||||||
|
309 |
380 |
186 |
421 |
152 |
1620 |
1350 |
421 |
389 |
||||||||||
|
332 |
356 |
175 |
395 |
158 |
1650 |
1380 |
395 |
412 |
||||||||||
ОСНОВНЫЕ ДАННЫЕ О РОЧ
|
Размеры опорных частей по основанию |
Высота опорной части |
Толщина резины |
Число слоев резины |
Толщина слоя резины |
Толщина стальных листов |
Допускаемая вертикальная нагрузка |
Допускаемое перемещение |
Допускаемый угол поворота |
||||||||
|
РОЧ |
РОЧ 1 |
РОЧ 2 |
РОЧ 3 |
РОЧ |
РОЧ 1 РОЧ 2 РОЧ 3 |
РОЧ |
РОЧ 1 РОЧ 2 РОЧ 3 |
1 |
2 |
3 |
4 |
|||||
|
|
|
|
|
|||||||||||||
|
a×b, D |
d |
T |
n |
t |
s |
N |
u (±) |
nα |
nα |
nα |
nα |
|||||
|
мм |
мм |
мм |
/ |
мм |
мм |
кN |
мм |
‰ |
||||||||
|
100×100 100×150 100×200 |
14 |
|
|
|
10 |
|
1 |
5 |
2 |
100 150 200 |
7.0 |
|
4.0 |
3.0 |
5.0 |
|
|
21 |
42 |
42 |
32 |
15 |
10 |
2 |
10.5 |
7.0 |
8.0 |
6.0 |
10.0 |
|
||||
|
28 |
49 |
49 |
39 |
20 |
15 |
3 |
14.0 |
10.5 |
12.0 |
9.0 |
15.0 |
|
||||
|
35 |
56 |
56 |
46 |
25 |
20 |
4 |
16.3 |
14.0 |
16.0 |
12.0 |
20.0 |
|
||||
|
42 |
63 |
63 |
53 |
30 |
25 |
5 |
18.0 |
16.3 |
20.0 |
15.0 |
25.0 |
|
||||
|
|
70 |
70 |
60 |
|
30 |
6 |
|
18.0 |
24.0 |
18.0 |
30.0 |
|
||||
|
150×200 |
14 |
|
|
|
10 |
|
1 |
5 |
2 |
300 |
7.0 |
|
3.0 |
3.0 |
4.0 |
|
|
21 |
42 |
42 |
32 |
15 |
10 |
2 |
10.5 |
7.0 |
6.0 |
6.0 |
8.0 |
|
||||
|
28 |
49 |
49 |
39 |
20 |
15 |
3 |
14.0 |
10.5 |
9.0 |
9.0 |
13.0 |
|
||||
|
35 |
56 |
56 |
46 |
25 |
20 |
4 |
17.5 |
14.0 |
12.0 |
12.0 |
17.0 |
|
||||
|
42 |
63 |
63 |
53 |
30 |
25 |
5 |
21.0 |
17.5 |
15.0 |
15.0 |
21.0 |
|
||||
|
49 |
70 |
70 |
60 |
35 |
30 |
6 |
23.3 |
21.0 |
18.0 |
18.0 |
25.0 |
|
||||
|
56 |
77 |
77 |
67 |
40 |
35 |
7 |
26.3 |
23.3 |
21.0 |
21.0 |
29.0 |
|
||||
|
63 |
84 |
84 |
74 |
45 |
40 |
8 |
27.0 |
26.3 |
24.0 |
24.0 |
33.0 |
|
||||
|
|
91 |
91 |
81 |
|
45 |
9 |
|
27.0 |
27.0 |
27.0 |
37.0 |
|
||||
|
200×250 200×300 200×400 Æ200 |
19 |
|
|
|
13 |
|
1 |
8 |
3 |
625 750 1000 314 |
9.1 |
|
3.0 |
3.0 |
4.0 |
4.0 |
|
30 |
49 |
49 |
39 |
21 |
16 |
2 |
14.7 |
11.2 |
6.0 |
5.0 |
8.0 |
8.0 |
||||
|
41 |
60 |
60 |
50 |
29 |
24 |
3 |
20.3 |
16.8 |
9.0 |
8.0 |
12.0 |
12.0 |
||||
|
52 |
71 |
71 |
61 |
37 |
32 |
4 |
25.9 |
22.4 |
12.0 |
10.0 |
16.0 |
16.0 |
||||
|
63 |
82 |
82 |
72 |
45 |
40 |
5 |
27.0 |
28.0 |
15.0 |
13.0 |
20.0 |
20.0 |
||||
|
74 |
93 |
93 |
83 |
53 |
48 |
6 |
33.7 |
31.7 |
18.0 |
15.0 |
24.0 |
24.0 |
||||
|
85 |
104 |
104 |
94 |
61 |
56 |
7 |
36.3 |
34.7 |
21.0 |
18.0 |
28.0 |
28.0 |
||||
|
250×400 Æ250 |
19 |
|
|
|
13 |
|
1 |
8 |
3 |
1250 613 |
9.1 |
|
2.5 |
1.2 |
2.6 |
4.0 |
|
30 |
|
|
39 |
21 |
16 |
2 |
14.7 |
11.2 |
5.0 |
2.4 |
5.2 |
8.0 |
||||
|
41 |
60 |
60 |
50 |
29 |
24 |
3 |
20.3 |
16.8 |
7.5 |
3.6 |
7.8 |
12.0 |
||||
|
52 |
71 |
71 |
61 |
37 |
32 |
4 |
25.9 |
22.4 |
10.0 |
4.8 |
10.4 |
16.0 |
||||
|
63 |
82 |
82 |
72 |
45 |
40 |
5 |
27.0 |
28.0 |
12.5 |
6.0 |
13.0 |
20.0 |
||||
|
74 |
93 |
93 |
83 |
53 |
48 |
6 |
33.7 |
33.6 |
15.0 |
7.2 |
15.6 |
24.0 |
||||
|
85 |
104 |
104 |
94 |
61 |
56 |
7 |
36.3 |
34.7 |
17.5 |
8.4 |
18.2 |
28.0 |
||||
|
96 |
115 |
115 |
105 |
69 |
64 |
8 |
43.1 |
41.2 |
20.0 |
9.6 |
20.8 |
32.0 |
||||
|
|
126 |
126 |
116 |
|
72 |
9 |
|
44.1 |
22.5 |
10.8 |
23.4 |
36.0 |
||||
|
300×400 Æ300 |
19 |
|
|
|
13 |
|
1 |
8 |
3 |
1800 883 |
9.1 |
|
2.0 |
1.2 |
2.2 |
3.0 |
|
30 |
49 |
49 |
39 |
21 |
16 |
2 |
14.7 |
11.2 |
4.0 |
2.4 |
4.4 |
6.0 |
||||
|
41 |
60 |
60 |
50 |
29 |
24 |
3 |
20.3 |
16.8 |
6.0 |
3.6 |
6.6 |
9.0 |
||||
|
52 |
71 |
71 |
61 |
37 |
32 |
4 |
25.9 |
22.4 |
8.0 |
4.8 |
8.8 |
12.0 |
||||
|
63 |
82 |
82 |
72 |
45 |
40 |
5 |
27.0 |
28.0 |
10.0 |
6.0 |
11.0 |
15.0 |
||||
|
74 |
93 |
93 |
83 |
53 |
48 |
6 |
33.7 |
33.6 |
12.0 |
7.2 |
13.2 |
18.0 |
||||
|
85 |
104 |
104 |
94 |
61 |
56 |
7 |
36.3 |
34.7 |
14.0 |
8.4 |
15.4 |
21.0 |
||||
|
96 |
115 |
115 |
105 |
69 |
64 |
8 |
43.1 |
41.2 |
16.0 |
9.6 |
17.6 |
24.0 |
||||
|
107 |
126 |
126 |
116 |
77 |
72 |
9 |
49.5 |
44.1 |
18.0 |
10.8 |
19.8 |
27.0 |
||||
|
118 |
137 |
137 |
127 |
85 |
80 |
10 |
52.4 |
50.6 |
20.0 |
12.0 |
22.0 |
30.0 |
||||
|
|
148 |
148 |
138 |
|
88 |
11 |
|
53.4 |
|
13.2 |
24.2 |
33.0 |
||||
|
Æ450 |
24 |
|
|
|
16 |
|
1 |
11 |
4 |
1202 |
11.2 |
|
|
|
|
4.0 |
|
39 |
56 |
56 |
46 |
27 |
22 |
2 |
18.9 |
15.4 |
|
|
|
8.0 |
||||
|
54 |
71 |
71 |
61 |
38 |
33 |
3 |
26.6 |
23.1 |
|
|
|
12.0 |
||||
|
69 |
85 |
85 |
76 |
49 |
44 |
4 |
34.3 |
30.8 |
|
|
|
16.0 |
||||
|
84 |
101 |
101 |
91 |
60 |
55 |
5 |
42.0 |
38.5 |
|
|
|
20.0 |
||||
|
99 |
116 |
116 |
106 |
71 |
66 |
6 |
49.7 |
46.2 |
|
|
|
24.0 |
||||
|
114 |
131 |
131 |
121 |
82 |
77 |
7 |
54.6 |
52.4 |
|
|
|
28.0 |
||||
|
129 |
146 |
146 |
136 |
93 |
88 |
8 |
59.0 |
57.1 |
|
|
|
32.0 |
||||
|
144 |
161 |
161 |
151 |
104 |
99 |
9 |
62.7 |
61.1 |
|
|
|
36.0 |
||||
|
350×450 |
24 |
|
|
|
16 |
|
1 |
11 |
4 |
2360 |
11.2 |
|
2.5 |
2.0 |
3.0 |
|
|
39 |
66 |
66 |
46 |
27 |
22 |
2 |
18.9 |
15.4 |
5.0 |
4.0 |
6.0 |
|
||||
|
54 |
81 |
81 |
61 |
38 |
33 |
3 |
26.6 |
23.1 |
7.5 |
6.0 |
9.5 |
|
||||
|
69 |
96 |
96 |
76 |
49 |
44 |
4 |
34.3 |
30.8 |
10.0 |
8.0 |
12.5 |
|
||||
|
84 |
111 |
111 |
91 |
60 |
55 |
5 |
42.0 |
38.5 |
12.5 |
10.0 |
15.5 |
|
||||
|
99 |
126 |
126 |
106 |
71 |
66 |
6 |
49.7 |
46.2 |
15.0 |
12.0 |
19.0 |
|
||||
|
114 |
141 |
141 |
121 |
82 |
77 |
7 |
54.6 |
52.4 |
17.5 |
14.0 |
22.0 |
|
||||
|
129 |
156 |
156 |
136 |
93 |
88 |
8 |
59.0 |
57.1 |
20.0 |
16.0 |
25.0 |
|
||||
|
144 |
171 |
171 |
151 |
104 |
99 |
9 |
62.7 |
61.1 |
22.5 |
18.0 |
28.0 |
|
||||
|
400×500 Æ400 |
24 |
|
|
|
16 |
|
1 |
11 |
4 |
3000 1885 |
11.2 |
|
2.0 |
1.5 |
2.5 |
3.0 |
|
39 |
66 |
66 |
46 |
27 |
22 |
2 |
18.9 |
15.4 |
4.0 |
3.0 |
5.0 |
6.0 |
||||
|
54 |
81 |
81 |
61 |
38 |
33 |
3 |
26.6 |
23.1 |
6.0 |
4.5 |
7.5 |
9.0 |
||||
|
69 |
96 |
96 |
76 |
49 |
44 |
4 |
34.3 |
30.8 |
8.0 |
6.0 |
10.0 |
12.0 |
||||
|
84 |
111 |
111 |
91 |
60 |
55 |
5 |
42.0 |
38.5 |
10.0 |
7.5 |
12.5 |
15.0 |
||||
|
99 |
126 |
126 |
106 |
71 |
66 |
6 |
49.7 |
46.2 |
12.0 |
9.0 |
15.0 |
18.0 |
||||
|
114 |
141 |
141 |
121 |
82 |
77 |
7 |
57.4 |
53.9 |
14.0 |
10.5 |
17.5 |
21.0 |
||||
|
129 |
156 |
156 |
136 |
93 |
88 |
8 |
62.0 |
59.8 |
16.0 |
12.0 |
20.0 |
24.0 |
||||
|
144 |
171 |
171 |
151 |
104 |
99 |
9 |
66.6 |
64.6 |
18.0 |
13.5 |
22.5 |
27.0 |
||||
|
159 |
186 |
186 |
166 |
115 |
110 |
10 |
70.4 |
68.8 |
20.0 |
15.0 |
25.0 |
30.0 |
||||
|
|
201 |
201 |
181 |
|
121 |
11 |
|
72.3 |
22.0 |
17.5 |
|
33.0 |
||||
|
450×600 Æ450 |
24 |
|
|
|
16 |
|
1 |
11 |
4 |
4050 2385 |
11.2 |
|
2.0 |
1.2 |
2.5 |
3.0 |
|
39 |
66 |
66 |
46 |
27 |
22 |
2 |
18.9 |
15.4 |
4.0 |
2.4 |
5.0 |
6.0 |
||||
|
54 |
81 |
81 |
61 |
38 |
33 |
3 |
26.6 |
23.1 |
6.0 |
3.6 |
7.5 |
9.0 |
||||
|
69 |
96 |
96 |
76 |
49 |
44 |
4 |
34.3 |
30.8 |
8.0 |
4.8 |
10.0 |
12.0 |
||||
|
84 |
111 |
111 |
91 |
60 |
55 |
5 |
42.0 |
38.5 |
10.0 |
6.0 |
12.5 |
15.0 |
||||
|
99 |
126 |
126 |
106 |
71 |
66 |
6 |
49.7 |
46.2 |
12.0 |
7.2 |
15.0 |
18.0 |
||||
|
114 |
141 |
141 |
121 |
82 |
77 |
7 |
57.4 |
53.9 |
14.0 |
8.4 |
17.5 |
21.0 |
||||
|
129 |
156 |
156 |
136 |
93 |
88 |
8 |
65.1 |
61.6 |
16.0 |
9.6 |
20.0 |
24.0 |
||||
|
144 |
171 |
171 |
151 |
104 |
99 |
9 |
69.6 |
67.3 |
18.0 |
10.8 |
22.5 |
27.0 |
||||
|
159 |
186 |
186 |
166 |
115 |
110 |
10 |
74.1 |
72.1 |
20.0 |
12.0 |
25.0 |
30.0 |
||||
|
174 |
201 |
201 |
181 |
126 |
121 |
11 |
78.1 |
76.4 |
22.0 |
13.2 |
27.5 |
33.0 |
||||
|
|
216 |
216 |
196 |
|
132 |
12 |
|
80.1 |
|
14.4 |
|
36.0 |
||||
|
500×600 Æ500 Æ500 |
24 |
|
|
|
16 |
|
1 |
11 |
4 |
4500 2945 3562 |
11.2 |
|
2.0 |
1.2 |
2.5 |
2.0 |
|
39 |
66 |
66 |
46 |
27 |
22 |
2 |
18.9 |
15.4 |
4.0 |
2.4 |
5.0 |
4.0 |
||||
|
54 |
81 |
81 |
61 |
38 |
33 |
3 |
26.6 |
23.1 |
6.0 |
3.6 |
7.5 |
6.0 |
||||
|
69 |
96 |
96 |
76 |
49 |
44 |
4 |
34.3 |
30.8 |
8.0 |
4.8 |
10.0 |
8.0 |
||||
|
84 |
111 |
111 |
91 |
60 |
55 |
5 |
42.0 |
38.5 |
10.0 |
6.0 |
12.5 |
10.0 |
||||
|
99 |
126 |
126 |
106 |
71 |
66 |
6 |
49.7 |
46.2 |
12.0 |
7.2 |
15.0 |
12.0 |
||||
|
114 |
141 |
141 |
121 |
82 |
77 |
7 |
57.4 |
53.9 |
14.0 |
8.4 |
17.5 |
14.0 |
||||
|
129 |
156 |
156 |
136 |
93 |
88 |
8 |
65.1 |
61.6 |
16.0 |
9.6 |
20.0 |
16.0 |
||||
|
144 |
171 |
171 |
151 |
104 |
99 |
9 |
72.8 |
69.3 |
18.0 |
10.8 |
22.5 |
18.0 |
||||
|
159 |
186 |
186 |
166 |
115 |
110 |
10 |
77.0 |
74.8 |
20.0 |
12.0 |
25.0 |
20.0 |
||||
|
174 |
201 |
201 |
181 |
126 |
121 |
11 |
81.6 |
79.6 |
22.0 |
13.2 |
27.5 |
22.0 |
||||
|
189 |
216 |
216 |
196 |
137 |
132 |
12 |
85.0 |
83.6 |
24.0 |
14.4 |
30.0 |
24.0 |
||||
|
204 |
231 |
231 |
211 |
148 |
143 |
13 |
89.4 |
87.8 |
26.0 |
15.6 |
32.5 |
26.0 |
||||
|
600×700 Æ600 Æ650 |
30 |
|
|
|
20 |
|
1 |
15 |
5 |
6300 4240 4977 |
14.0 |
|
2.0 |
1.5 |
2.5 |
2.0 |
|
50 |
75 |
75 |
55 |
35 |
30 |
2 |
24.5 |
21.0 |
4.0 |
3.0 |
5.0 |
4.0 |
||||
|
70 |
95 |
95 |
75 |
50 |
45 |
3 |
35.0 |
31.5 |
6.0 |
4.5 |
7.5 |
6.0 |
||||
|
90 |
115 |
115 |
95 |
65 |
60 |
4 |
45.5 |
42.0 |
8.0 |
6.0 |
10.0 |
8.0 |
||||
|
110 |
135 |
135 |
115 |
80 |
75 |
5 |
56.0 |
52.5 |
10.0 |
7.5 |
12.5 |
10.0 |
||||
|
130 |
155 |
155 |
135 |
95 |
90 |
6 |
66.5 |
63.0 |
12.0 |
9.0 |
15.0 |
12.0 |
||||
|
150 |
175 |
175 |
155 |
110 |
105 |
7 |
77.0 |
73.5 |
14.0 |
10.5 |
17.5 |
14.0 |
||||
|
170 |
195 |
195 |
175 |
125 |
120 |
8 |
87.5 |
84.0 |
16.0 |
12.0 |
20.0 |
16.0 |
||||
|
190 |
215 |
215 |
195 |
140 |
135 |
9 |
93.3 |
91.1 |
18.0 |
13.5 |
22.5 |
18.0 |
||||
|
210 |
235 |
235 |
215 |
155 |
150 |
10 |
99.5 |
97.5 |
20.0 |
15.0 |
25.0 |
20.0 |
||||
|
230 |
255 |
255 |
235 |
170 |
165 |
11 |
104.8 |
103.1 |
22.0 |
16.5 |
27.5 |
22.0 |
||||
|
|
275 |
275 |
255 |
|
180 |
12 |
|
108.0 |
24.0 |
18.0 |
30.0 |
24.0 |
||||
|
700×800 Æ700 Æ750 |
30 |
|
|
|
20 |
|
1 |
15 |
5 |
8400 5770 6625 |
14.0 |
|
2.0 |
1.2 |
2.5 |
2.0 |
|
50 |
75 |
75 |
55 |
35 |
30 |
2 |
24.5 |
21.0 |
4.0 |
2.4 |
5.0 |
4.0 |
||||
|
70 |
95 |
95 |
75 |
50 |
45 |
3 |
35.0 |
31.5 |
6.0 |
3.6 |
7.5 |
6.0 |
||||
|
90 |
115 |
115 |
95 |
65 |
60 |
4 |
45.5 |
42.0 |
8.0 |
4.8 |
10.0 |
8.0 |
||||
|
110 |
135 |
135 |
115 |
80 |
75 |
5 |
56.0 |
52.5 |
10.0 |
6.0 |
12.5 |
10.0 |
||||
|
130 |
155 |
155 |
135 |
95 |
90 |
6 |
66.0 |
63.0 |
12.0 |
7.2 |
15.0 |
12.0 |
||||
|
150 |
175 |
175 |
155 |
110 |
105 |
7 |
77.0 |
73.5 |
14.0 |
8.4 |
17.5 |
14.0 |
||||
|
170 |
195 |
195 |
175 |
125 |
120 |
8 |
87.5 |
84.0 |
16.0 |
9.6 |
20.0 |
16.0 |
||||
|
190 |
215 |
215 |
195 |
140 |
135 |
9 |
98.0 |
94.5 |
18.0 |
10.8 |
22.5 |
18.0 |
||||
|
210 |
235 |
235 |
215 |
155 |
150 |
10 |
105.2 |
102.9 |
20.0 |
12.0 |
25.0 |
20.0 |
||||
|
230 |
255 |
255 |
235 |
170 |
165 |
11 |
111.7 |
109.6 |
22.0 |
13.2 |
27.5 |
22.0 |
||||
|
250 |
275 |
275 |
255 |
185 |
180 |
12 |
117.6 |
115.7 |
24.0 |
14.4 |
30.0 |
24.0 |
||||
|
270 |
295 |
295 |
275 |
200 |
195 |
13 |
122.9 |
121.2 |
26.0 |
15.6 |
32.5 |
26.0 |
||||
|
|
315 |
315 |
295 |
|
210 |
14 |
|
126.0 |
28.0 |
16.8 |
35.0 |
28.0 |
||||
|
800×800 Æ800 |
33 |
|
|
|
23 |
|
1 |
18 |
5 |
9600 7536 |
16.1 |
|
2.0 |
2.0 |
2.5 |
2.0 |
|
56 |
81 |
81 |
61 |
41 |
36 |
2 |
28.7 |
25.2 |
4.0 |
4.0 |
5.0 |
4.0 |
||||
|
79 |
104 |
104 |
84 |
59 |
54 |
3 |
41.3 |
37.8 |
6.0 |
6.0 |
7.5 |
6.0 |
||||
|
102 |
127 |
127 |
107 |
77 |
72 |
4 |
53.9 |
50.4 |
8.0 |
8.0 |
10.0 |
8.0 |
||||
|
125 |
150 |
150 |
130 |
95 |
90 |
5 |
66.5 |
63.0 |
10.0 |
10.0 |
10.5 |
10.0 |
||||
|
148 |
173 |
173 |
153 |
113 |
108 |
6 |
79.1 |
75.6 |
12.0 |
12.0 |
15.0 |
12.0 |
||||
|
171 |
196 |
196 |
176 |
131 |
126 |
7 |
91.7 |
88.2 |
14.0 |
14.0 |
17.5 |
14.0 |
||||
|
194 |
219 |
219 |
199 |
149 |
144 |
8 |
104.3 |
100.8 |
16.0 |
16.0 |
20.0 |
16.0 |
||||
|
217 |
242 |
242 |
222 |
167 |
162 |
9 |
116.9 |
113.4 |
18.0 |
18.0 |
22.5 |
18.0 |
||||
|
240 |
265 |
265 |
245 |
185 |
180 |
10 |
129.5 |
126 |
20.0 |
20.0 |
25.0 |
20.0 |
||||
|
263 |
288 |
288 |
268 |
203 |
198 |
11 |
142.1 |
138.6 |
22.0 |
22.0 |
27.5 |
22.0 |
||||
|
286 |
311 |
311 |
291 |
221 |
216 |
12 |
154.7 |
151.2 |
24.0 |
24.0 |
30.0 |
24.0 |
||||
|
309 |
334 |
334 |
314 |
239 |
234 |
13 |
167.3 |
163.8 |
26.0 |
26.0 |
32.5 |
26.0 |
||||
|
900×900 Æ900 Æ850 |
33 |
|
|
|
23 |
|
1 |
18 |
5 |
12150 8538 8507 |
16.1 |
|
1.5 |
1.5 |
2.0 |
2.0 |
|
56 |
81 |
81 |
61 |
41 |
36 |
2 |
28.7 |
25.2 |
3.0 |
3.0 |
3.7 |
3.0 |
||||
|
79 |
104 |
104 |
84 |
59 |
54 |
3 |
41.3 |
37.8 |
4.5 |
4.5 |
5.5 |
5.0 |
||||
|
102 |
127 |
127 |
107 |
77 |
72 |
4 |
53.9 |
50.4 |
6.0 |
6.0 |
7.5 |
6.0 |
||||
|
125 |
150 |
150 |
130 |
95 |
90 |
5 |
66.5 |
63.0 |
7.5 |
7.5 |
9.5 |
8.0 |
||||
|
148 |
173 |
173 |
153 |
113 |
108 |
6 |
79.1 |
75.6 |
9.0 |
9.0 |
11.0 |
9.0 |
||||
|
171 |
196 |
196 |
176 |
131 |
126 |
7 |
91.7 |
88.2 |
10.5 |
10.5 |
13.0 |
11.0 |
||||
|
194 |
219 |
219 |
199 |
149 |
144 |
8 |
104.3 |
100.8 |
12.0 |
12.0 |
15.0 |
12.0 |
||||
|
217 |
242 |
242 |
222 |
167 |
162 |
9 |
116.9 |
113.4 |
13.5 |
13.5 |
17.0 |
14.0 |
||||
|
240 |
265 |
265 |
245 |
185 |
180 |
10 |
129.5 |
126 |
15.0 |
15.0 |
18.7 |
15.0 |
||||
|
263 |
288 |
288 |
268 |
203 |
198 |
11 |
142.1 |
138.6 |
16.5 |
16.5 |
20.5 |
17.0 |
||||
|
286 |
311 |
311 |
291 |
221 |
216 |
12 |
154.7 |
151.2 |
18.0 |
18.0 |
22.5 |
18.0 |
||||
|
309 |
334 |
334 |
314 |
239 |
234 |
13 |
167.3 |
163.8 |
19.5 |
26.0 |
24.5 |
20.0 |
||||
|
332 |
357 |
357 |
337 |
257 |
252 |
14 |
179.9 |
176.4 |
21.0 |
21.0 |
26.2 |
21.0 |
||||
|
|
380 |
380 |
360 |
|
270 |
15 |
|
|
22.5 |
22.5 |
28.1 |
23.0 |
||||