
ГОСУДАРСТВЕННЫЙ СТАНДАРТ СОЮЗА ССР
ШАЙБЫ КЛАССА ТОЧНОСТИ С К ВЫСОКОПРОЧНЫМ БОЛТАМ
Конструкция и размеры
ГОСТ 22355-77
ГОСУДАРСТВЕННЫЙ КОМИТЕТ СССР ПО СТАНДАРТАМ
Москва
ГОСУДАРСТВЕННЫЙ СТАНДАРТ СОЮЗА ССР
ШАЙБЫ КЛАССА ТОЧНОСТИ С ГОСТ
К ВЫСОКОПРОЧНЫМ БОЛТАМ 22355-77*
Конструкция и размеры
Product grade C washes for hight strength bolts.
Construction and dimensions
Постановлением Государственного комитета стандартов Совета Министров СССР от 7 февраля 1977 г. № 309 срок введения установлен
с 01.01.79
Несоблюдение стандарта преследуется по закону
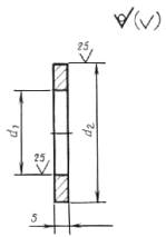
1. Конструкция и размеры шайб должны соответствовать указанным на чертеже и в таблице.

мм
|
Номинальный диаметр резьбы болта |
d1 |
d2 |
s |
|
16 |
18 |
37 |
|
|
(18) |
20 |
39 |
4 |
|
20 |
22 |
44 |
|
|
(22) |
24 |
50 |
5; 6* |
|
24 |
26 |
56 |
|
|
(27) |
30 |
66 |
|
|
30 |
33 |
66 |
6 |
|
36 |
39 |
78 |
|
|
42 |
45 |
90 |
8 |
|
48 |
52 |
100 |
|
---------------
* Толщина шайб, применяемых в мостостроении.
Примечание. Размеры, заключенные в скобки, применять не рекомендуется.
Пример условного обозначения шайбы для болта диаметром резьбы 20 мм:
Шайба 20 ГОСТ 22355-77
(Измененная редакция, Изм. № 1).
2. Технические требования - по ГОСТ 22356-77
2а. Предельные отклонения размеров и допуски формы и расположения поверхностей - по ГОСТ 18123-82.
2б. Шероховатость и допускаемые дефекты поверхности шайб - по ГОСТ 18123-82.
2а, 2б. (Введены дополнительно, Изм. № 1).
3. Теоретическая масса шайб приведена в справочном приложении.
ПРИЛОЖЕНИЕ
Справочное
Теоретическая масса шайб
|
Номинальный диаметр резьбы болта, мм |
Теоретическая масса 1000 шт. шайб, кг» |
Номинальный диаметр резьбы болта, мм |
Теоретическая масса 1000 шт. шайб, кг» |
|
16 |
25,8 |
(27) |
127,8 |
|
(18) |
27,6 |
30 |
120,7 |
|
20 |
35,8 |
36 |
168,7 |
|
(22) |
59,3 |
42 |
299,5 |
|
24 |
75,8 |
48 |
359,7 |
(Измененная редакция, Изм. № 1).