МИНИСТЕРСТВО СВЯЗИ СССР
ГЛАВНОЕ УПРАВЛЕНИЕ КОСМИЧЕСКОЙ И РАДИОСВЯЗИ
главсвязьстрой
ССКТБ
|
Согласовано: Секретарь ЦК профсоюза |
Утверждаю: Первый заместитель министра
|
|
Н. П. Петрушин «14» ноября 1977 г. |
В. А. Шамшин «6» декабря 1977 г. |
ИНСТРУКЦИЯ
ПО СТРОИТЕЛЬСТВУ СТАНЦИЙ
РАДИОТРАНСЛЯЦИОННЫХ УЗЛОВ
![]()
МОСКВА «СВЯЗЬ» 1978
Определяются порядок, организация, технология строительства станций радиотрансляционных узлов и приемки их в эксплуатацию.
Предназначена для работников организаций и ведомств, осуществляющих строительство и приемку в эксплуатацию станций радиотрансляционных узлов.
ПРЕДИСЛОВИЕ
Настоящая Инструкция определяет порядок, организацию и технологию строительства станций радиотрансляционных узлов, а также приемку их в эксплуатацию. Положения данной Инструкции являются обязательными для всех организаций Министерства связи СССР и других ведомств, осуществляющих строительство и приемку в эксплуатацию станций радиотрансляционных узлов.
Инструкция по строительству станций радиотрансляционных узлов разработана Специализированным конструкторско-технологическим бюро строительной техники связи (ССКТБ) Министерства связи СССР по заказу и при участии ГКРУ Министерства связи СССР.
Все замечания и предложения по настоящей инструкции следует направлять в Главное управление космической и радиосвязи Министерства связи СССР (Москва, К-375, ул. Горького, 7).
1.1. Строительство станций радиотрансляционных узлов осуществляется в соответствии с проектами, разработка которых производится специализированными проектными организациями или проектными и проектно-конструкторскими группами ПТУС.
1.2. Производитель работ, которому поручено выполнение работ, должен детально ознакомиться с проектной документацией.
1.3. На основании проекта производятся:
приспособление помещений, выделенных для размещения станции РТУ, если эти работы не предусмотрены проектом строительства здания;
комплектация строительства оборудованием и материалами;
формирование монтажной бригады;
заказ необходимых для строительства нетиповых конструкций;
подготовка помещения для хранения материалов, оборудования и размещения личного состава бригады;
обеспечение стройки транспортными средствами.
1.4. До начала монтажа на место строительства должны быть доставлены все оборудование и материалы, потребные для монтажа.
1.5. Для хранения оборудования должно быть выделено сухое отапливаемое помещение. Для хранения кабельных изделий, монтажных материалов и металлических конструкций может быть использовано сухое неотапливаемое помещение.
1.6. Монтажная бригада должна быть обеспечена необходимыми инструментами и измерительными приборами. Перед началом монтажа производитель работ должен принять от заказчика помещения под монтаж оборудования, а также подсобные помещения для хранения оборудования и материалов. Приемка под монтаж помещений производится в присутствии представителя организации, осуществляющей строительство или приспособление помещений. В необходимых случаях к приемке привлекаются представители эксплуатации и других заинтересованных организаций (пожарной охраны, технической инспекции советов профсоюзов и т.д.).
1.7. К моменту сдачи помещений радиоузлов и отдельных киосков ОУС и БС под монтаж должны быть закончены все строительные работы, в том числе:
окончательная отделка полов и потолков;
окраска стен - 1 раз (окончательная окраска стен производится после завершения монтажных работ);
пробивка отверстий и борозд;
устройство скрытой электропроводки;
устройство фундаментов;
устройство гнезд и шпилек для крепления аппаратуры, воздушных желобов;
устройство подпольных и напольных желобов;
водопровод, канализация, отопление, вентиляция должны исправно действовать;
устройство ввода электроэнергии от внешней сети;
распределительная силовая и осветительная электросети (в том числе аварийное освещение), а также линия на пониженное напряжение 36 В для включения переносных светильников и электропаяльников.
Штепсельные розетки сети напряжением 36 В по конструктивному выполнению должны отличаться от розеток сети напряжением 220 В. Освещенность помещений должна соответствовать нормам, определяемым Инструкцией по проектированию искусственного освещения предприятия связи, утвержденной приказом министра связи № 172 от 6.04.1977 г. Вся схема электросети должна быть проверена и опробована. Производителю работ должна быть выдана исполнительная схема силовой и осветительной электросетей;
двери помещений должны иметь исправные замки с разными ключами;
окна всех помещений должны быть застеклены цельными листами стекла, промазаны и снабжены запорами;
во всех помещениях должны быть установлены противопожарные средства в составе и количестве, согласованными с органами пожарной охраны;
отопительные батареи и трубы к ним, расположенные рядом с местом предполагаемой установки аппаратуры, должны быть ограждены изолирующими деревянными решетками.
1.8. Приемка помещений происходит в следующем порядке:
производится внешний осмотр помещений, в ходе которого проверяется соответствие элементов помещения требованиям проекта и технических условий, в том числе соответствие габаритов помещений рабочим чертежам, расположение и размеры проемов, подпольных каналов, колонн и т.п. (если станция радиотрансляционного узла оборудуется в существующем помещении, должно быть заключение специализированной организации о прочности перекрытия, допускающего установку тяжеловесного оборудования);
проверяются действие водопровода, канализации, отопления, освещения и вентиляции, электроосвещения (рабочего и аварийного) и силовой сети, температурно-влажностный режим, обеспеченность средствами противопожарной безопасности;
составляется ведомость дефектов и недоделок (если они имеются) с указанием сроков их устранения (см. приложение 1, форму 2);
после устранения дефектов и недоделок приемка помещений под монтаж оформляется актом (см. приложение 1, форму 1). Акт составляется в четырех экземплярах: один вручается представителю заказчика, второй - представителю эксплуатации, третий - остается у представителя строительно-монтажной организации, четвертый - высылается в СМУ (ПМК).
1.9. После приемки помещений под монтаж ответственность за их сохранность на период монтажа оборудования радиоузлов несет производитель работ, осуществляющий монтаж РТУ.
1.10. Эксплуатацию помещений во время монтажа осуществляет заказчик (ПТУС, ЭТУС, РУС, колхоз, совхоз и т.д.).
2.1. Заказчик обязан поставить оборудование РТУ узлов на приобъектный склад и сдать его под монтаж подрядной организации. Тяжеловесное оборудование (масса в упаковке - свыше 80 кг) передается под монтаж заказчиком подрядчику непосредственно в зоне установки и монтажа оборудования.
При согласии подрядчика заказчик вправе передать ему реализацию фондов на материалы и оборудование.
2.2. Приемка оборудования под монтаж производится ответственным представителем подрядчика от ответственного представителя заказчика.
2.3. В ходе приемки производится внешний осмотр оборудования, проверяются состав его по ведомости, прилагаемой к проекту, и комплектность по технической документации, поставляемой заводом-изготовителем.
Некомплектное оборудование под монтаж не принимается.
2.4. Распаковка ящиков с оборудованием, приборами и монтажными материалами, прибывших на объект, производится способами, исключающими повреждения их содержимого, с соблюдением правил техники безопасности.
2.5. В случае обнаружения при распаковке оборудования некомплектности, наличия неисправных деталей и приборов, а также их непригодности к использованию заказчик и представитель подрядной организации составляют акт. Заказчик обязан принять необходимые меры к устранению выявленных дефектов.
При выявлении вины завода-поставщика в некомплектности или дефектах оборудования составляется рекламационный акт в трех экземплярах с указанием причин обнаруженных дефектов (низкое качество упаковки, транспортировка, хранение, брак завода и т.п.) и номеров сопроводительных документов. Один экземпляр высылается заводу-поставщику или снабжающей организации для принятия мер по замене или доукомплектованию аппаратуры (материалов). При необходимости вызывается представитель снабжающей организации или завода-поставщика.
2.6. Освобожденная от тары и мягкой упаковки аппаратура с внешней стороны протирается сухой чистой ветошью, а проникшая внутрь блоков и шкафов пыль удаляется пылесосом и мягкими волосяными (капроновыми) щетками.
2.7. Производятся тщательный осмотр и проверка облицовки, органов управления и монтажа оборудования. Переносная аппаратура переменного тока до 0,5 кВт, не требующая сборки и стационарной технологической проводки (приемники, магнитофоны, измерительные приборы, усилители), проверяется путем включения в электрическую сеть.
2.8. После осмотра и проверки аппаратура приборы и детали при необходимости длительного хранения должны быть обернуты мягким упаковочным материалом (пергамином, бумагой) и храниться в таком состоянии до установки на место монтажа.
2.9. По окончании приемки оборудования под монтаж должен быть составлен двусторонний акт между представителями заказчика и подрядчика в трех экземплярах (приложение 2), один из которых передается заказчику, второй - остается у производителя работ, а третий - высылается подрядной организации.
2.10. Проверка кабельных изделий производится путем внешнего осмотра и электрических измерений целостности и исправности жил и их изоляции. Оболочка кабеля не должна иметь вмятин, надрезов, надломов и других дефектов.
2.11. Кабели в бухтах, на барабанах или в кусках при приемке должны быть проверены на целостность жил и сопротивление изоляции.
Проверка на целостность жил производится звонком или головным телефоном с источником питания или омметром, проверка сопротивления изоляции - кабельным прибором типа ПКП-3, ПКП-4 или мегомметрами типа М-1101М, МЕГ-9 или иными приборами аналогичного назначения.
При пользовании мегомметрами требуется соблюдать правила техники безопасности.
Сопротивление изоляции кабелей и проводов, применяемых при строительстве станций РТ узлов, должно соответствовать нормам ГОСТ, ОСТ и ТУ.
3.1. Размещение и установка оборудования производятся в соответствии с планом установки оборудования по проекту.
3.2. Установка оборудования РТ узлов должна производиться с учетом следующих условий:
оборудование одностороннего обслуживания устанавливается, как правило, на стенах, у стен или в нишах. Силовые вводные и токораспределительные щиты и комплекты устройств жезловой блокировки, щитки выходной коммутации; блоки защиты высоковольтных фидеров с оперативными органами управления и индикаторами устанавливаются на стене на высоте 1,2-1,4 м от пола.
Комплекты устройств жезловой блокировки устанавливаются так, чтобы была обеспечена возможность визуального контроля положения ножей разъединителей устройств блокировки;
щитки, не связанные с оперативной коммутацией или наблюдениями (антенные, грозозащиты линий, осветительные и подобные), устанавливаются на высоте 2,3-2,5 м от пола. Площадь пола размером 0,8×0,8 м, примыкающая к стене, на которой установлен щиток, предназначается для установки стремянки. Установка оборудования, различных шкафов и какого-либо инвентаря на этой площади пола не допускается (рис. 1);
Рис. 1. Примеры размещения настенных блоков:
а) щиты типов СЩ-2, ВЩ-2 и т.п.; б) щиты и блоки серии ОЩ, ОП и т.п.; в) щиты и блоки серии 9400, ОУЩВ и подобные, устанавливаемые в нишах; г) щитки осветительные, антенные, коробки распределительные, телевизионные и т.п.
щитки учета потребления энергии, а также ящики защиты и подключения нагрузки, используемые в качестве вводных устройств силовых вводов, устанавливаются рядом. Блоки, используемые в качестве вводных, устанавливаются рядом или над токораспределительным щитом;
мощные усилительные блоки типов УПВ-15, УПВ-5, УПВ-1,25 и подобные, а также аппаратура типа ТУПВ, конструктивно оформленная в виде шкафов, устанавливаются от стен или других конструкций на расстоянии не менее 0,8 м;
расстояние между шкафами типов УПВ-1,25, ТУПВ и другими блоками должно быть не менее 0,1-0,15 м;
шкафы усилителей типа УПВ-5 (ТУ-5) при общеобменной вентиляции помещения аппаратной устанавливаются на расстоянии не менее 0,5 м друг от друга;
при устройстве местного отвода тепла шкафы усилителей типов ТУ-5-3, ТУ-5-4 могут быть установлены вплотную друг к другу (рис. 2);
стойки СВК устанавливаются в один ряд на общем деревянном или на бетонном постаменте на расстоянии 0,8 м от стены;
шкафы усилителей типа УПВ-15 устанавливаются на расстоянии не менее 0,8 м друг от друга;
блоки аварийного переключения устанавливаются под вводными щитами или устройствами (рис. 3);
щиты пристенной конструкции (типов СЩ-4, ЩОБ-59, блоки аварийного переключения серий ПУ8254) устанавливаются на полу вплотную к стене;
Рис. 2. Схемы размещения шкафов усилителей мощностью 5 кВт:
1 - шкафы мощных усилителей; 2 - вытяжной воздуховод в венткамеру; 3 - постамент; 4 - приточный воздуховод к приточной шахте; 5 - кабельный желоб
Рис. 3. Установка вводных щитов и блоков аварийного переключения:
1 - блок аварийного переключения; 2 - вводные щиты; 3 - вводные устройства; 4 - встроенный распределительный щит
щитки переходных устройств устанавливаются на стене на высоте 0,6-0,8 м от пола или на боковой стороне стола с аппаратурой, под крышкой;
вводное и токораспределительное оборудование силовых вводов по возможности следует размещать вблизи главного входа в аппаратную;
настольная аппаратура: пульты, приемники, усилители малой мощности, блоки управления и тому подобное оборудование - устанавливается на столах. Указанная аппаратура может быть размещена на полках, стеллажах или на стойках специальной конструкции при условии, что эти конструкции обеспечивают соблюдение правил по технике безопасности и удобство эксплуатации, экономически целесообразны и отвечают требованиям технической эстетики;
размещение стола дежурного на станциях с ручным управлением должно обеспечивать дежурному обзор лицевых панелей аппаратуры;
столы, на которые вводятся жестко закрепленные кабели или трубы, укрепляются к полу угольниками;
выключатели электрического освещения, магнитные пускатели и кнопки управления вентиляторами устанавливаются на стенах на высоте 1,3-1,5 м от пола, а штепсельные розетки рабочего и аварийного освещения, сети настольных ламп - на высоте 0,6-0,8 м от пола;
ящики с понижающими напряжение трансформаторами устанавливаются на высоте 2,3-2,5 м от пола;
варианты размещения аппаратуры на трансформаторных подстанциях в зависимости от типа стоек приведены на рис. 4 - 6.
Рис. 4. Пример размещения оборудования трехпрограммной ТП с устройством УКФЛ-1 и оборудованием выходов в трубах, прокладываемых по стене над стойками СТП-СТР:
1 - щиток с двумя розетками; 2 - труба для МФ; 3 - труба для РФ; 4 - Шина заземления; 5 - деревянный постамент 1020×410×40 мм; 6 - слой асбеста 3 мм и сталь тонколистовая толщиной 0,5-1 мм
3.3. Оборудование в шкафах или на стойках устанавливается непосредственно на пол, если перекрытия позволяют устройство подпольных кабельных каналов в толще пола. Если конструкция пола не позволяет устройства подпольных кабельных каналов, то шкафы (стойки) устанавливаются на деревянных или бетонных постаментах толщиной 40-50 мм, внутри которых оборудуются желоба для прокладки кабелей и проводов, а при необходимости и воздуховоды вентиляционных устройств (рис. 7а, б).

Рис. 5. Пример размещения оборудования в однопрограммной ТП с устройством УКФЛ-1 или без него, с оборудованием выходов в трубах, прокладываемых по линии центра стоек или горизонтально над стойками СТП-СТР
3.4. Деревянные постаменты изготовляются из сухой, выдержанной древесины II-III сорта. Рама деревянного постамента изготовляется из брусьев сечением 100×100 мм (80×100 мм). Для настила на постаменте используются доски толщиной 20-25 мм. Настил собирается в шпунт или в четверть. Боковые лицевые стороны обшиваются досками толщиной 20-25 мм. Внешние углы бетонных постаментов защищаются укрепляемой на анкерах угловой сталью 40×40×5.
3.5. На деревянных полах или постаментах шкафы, не имеющие металлического днища, устанавливаются на стальной лист толщиной 0,3-1 мм с прокладкой из листового асбеста толщиной 3-5 мм.
3.6. Деревянные постаменты к деревянному полу крепятся шурупами с шестигранной головкой (глухарями) 10×80 мм, к бетонному полу - анкерными болтами М 10×140 мм (рис. 7в).
3.7. Бетонные постаменты сооружаются в основном во вновь строящихся или капитально переоборудуемых зданиях, в которых намечено разместить РТ узлы.
3.8. Щиты и настенные блоки массой более 20 кг, а также шкафы, стойки, щиты пристенные крепятся на бетонных, кирпичных и подобных основаниях анкерными болтами м 10×140, а оборудование массой от 7 до 20 кг - анкерными болтами М 8×100.
Рис. 6. Пример размещения оборудования в трехпрограммной ТП с устройством АКТП
На деревянных основаниях оборудование крепится в зависимости от массы шурупами с шестигранной головкой (глухарями) размерами 10×80 и 6×80 мм.
3.9. Для крепления оборудования к стенам могут применяться кронштейны (распорки).
3.10. Малогабаритное оборудование массой до 7 кг (щитки, распределительные коробки и др.) крепятся на бетонных и кирпичных основаниях с помощью шурупов на дюбелях или спиралях, а на деревянных основаниях с помощью шурупов.
Способы крепления оборудования на различных основаниях показаны на рис. 8-10.
3.11. На деревянных перегородках устанавливаются настенные щиты и блоки массой не более 20 кг. Масса пристенных щитов не ограничивается. Кронштейны настенного оборудования, распорки стоек и каркасы пристенных щитов к щитовой перегородке укрепляются болтами М 10×L (L по месту) с прокладкой полосовой стали сечением 50×4 (рис. 11).
3.12. Верхняя часть стоек крепится к стене или к соседнему ряду оборудования распорками, изготовляемыми из угловой стали 30×30×4.
Одиночно устанавливаемые стойки или две рядом стоящие стойки укрепляются двумя распорками. Смежные угольники каркасов стоек вверху скрепляются болтом М 6×25 (рис. 12). Если основание стойки приварено с внешней стороны угольников каркаса и не позволяет установить стойки вплотную, между каркасами стоек прокладываются шайбы толщиной, равной ширине зазора.
Рис. 7. Устройство деревянных постаментов:
а) общий вид, б) рама и желоба, в) крепление шкафа к постаменту и брусьев к полу;
1, 6 - брусья; 2 - настил; 3 - облицовка (пластик, линолеум, релин); 4 - желоб; 5 - крышка желоба; 7 - фасад постамента; 8 - площадка для установки шкафа; 9 - анкерный болт; 10 - вывод кабелей; 11 - глухарь
Рис. 8. Крепление оборудования на различных основаниях:
а) шкафа на бетонном основании, б) шкафа на деревянном основании, в) стойки;
1 - анкерный болт; 2 - крепежный угольник шкафа; 3 - основание шкафа; 4 - бетонный пол; 5 - глухарь; 6 - стальной лист; 7 - асбестоцементная прокладка; 8 - деревянный пол

Рис. 9. Анкерное крепление крон штейнов и распорок
1 - кронштейн (распорка) - сталь 30×30×4 или 40×40×5; 2 - шпилька-анкер; 3 - щиток
Рис. 10. Способы крепления аппаратуры на стене:
а) крепление шкафа в нише; б) крепление на стене кронштейна для установки щитков полок, стеллажей; в) крепление мелких щитков и блоков; г) крепление настенного шкафа;
1 - кабельный канал; 2 - шкаф; 3 - анкерный болт; 4 - анкерный болт или винт на дюбеле в бетонном основании, глухарь или шуруп - на деревянном; 5 - винт на дюбеле или на спирали на бетонном основании или шуруп на деревянном основании; 6 - кронштейн щита; 7 - глухарь на деревянном основании или анкерный болт на бетонном
Рис. 11. Крепление оборудования на щитовых перегородках
1 - полоса стальная 50×4×L (L по месту); 2 - болт М 10×L (L по месту)
3.13. Ряд, состоящий из трёх и более стоек, скрепляется прогоном из угловой стали размером 30×30×4. Крепление ряда стоек к стене или к соседнему ряду оборудования осуществляется распорками, устанавливаемыми из расчета трех распорок на четыре стойки. Три стойки укрепляются тремя распорками - две по краям ряда и одна - посередине. К соединительному угольнику (прогону) стойки укрепляются болтами в двух точках (по краям стойки). Болт, крепящий распорку, используется также и для крепления стойки к прогону.
Рис. 12. Варианты креплений распорок к стойкам
1 - распорка; 2 - болт М 8×40; 3 - корпус стойки; 4 - соединительный угольник (прогон Ст 30×30×4)
3.14. Лицевые стороны всех стоек устанавливаются в ряду строго в одной вертикальной плоскости. При разнотипной конструкции лицевых панелей выравнивание стоек производится по нижним и верхним линиям каркасов.
3.15. При установке в ряду стоек с разнотипными лицевыми панелями и шкафов аппаратура выравнивается по лицевым сторонам шкафов и основаниям каркасов стоек с учетом конструкции их нижнего крепления. Величина прохода с тыльной стороны ряда определяется минимально допустимым расстоянием 0,8 м для наибольшего по глубине блока (рис. 13).
Рис. 13. План установки напольного оборудования в ряд:
1 - кабельный желоб; 2 - шкаф; 3 - постамент; 4 - стойка
3.16. Аппаратура настольной конструкции (радиоприемники, магнитофоны, пульты управления и др.) устанавливается на столах и полках без крепления к ним.
3.17. Столы с аппаратурой устанавливаются преимущественно на расстоянии 0,1-0,2 м от стены. На станциях с ручным управлением и приемом программ на всеволновый приемник стол с приемниками, являющийся рабочим местом дежурного, устанавливается в точке наилучшего обзора оборудования.
3.18. При наличии на станции РТУ студии и настольной аппаратуры управления студийным каналом (пульт типа ПМУ, усилитель типа УМ-2 и подобные) стол с этой аппаратурой устанавливается по возможности с учетом зрительной связи с диктором студии через студийное окно.
3.19. В студии (дикторской кабине) аппаратура управления (пульт студии), усилитель, магнитофоны и микрофоны устанавливаются на столах без крепления.
3.20. Для соединения кабелей, проложенных в кабельных каналах с настольной аппаратурой с помощью гибких соединений, используются щитки переходных устройств. Щитки должны изготавливаться двух типов: с микрофонным разъемом (для студии) и без него (для аппаратной).
3.21. При установке стола с аппаратурой у стены щиток переходных устройств устанавливается на стене рядом со столом с учетом свободного к нему подхода. При этом на кирпичных, бетонных и из подобного материала стенах щиток укрепляется анкерными шпильками размером М 8×150 (рис. 14a).
Рис. 14. Установка и крепление щитков переходных устройств
а) на кирпичной стене; б) на деревянной стене; в) на столе;
1 - шпилька анкерная М 8×150 мм; 2 - скоба из полосовой стали 20×2 мм; 3 - кабельные каналы (трубы)
На деревянной стене щиток укрепляется шурупами с помощью скоб из полосовой стали размером 20×2 мм (рис. 14б) На кирпичных и подобных стенах щиток, может быть укреплен также с помощью скоб шурупами на дюбелях или на спиралях.
3.22. При установке стола в отдалении от стены щиток переходных устройств устанавливается на боковой или задней панелях стола (рис. 14в). Щиток укрепляется к панели стола шурупами.
3.23. При соединениях конструкций винтами под головки их и под гайки прокладываются шайбы.
Затяжка болтов или шурупов при укреплении шкафов и стоек к основанию производится равномерно по периметру аппаратуры. Вертикальное положение корпуса оборудования по отвесу должно достигаться соответствующим выравниванием основания постамента.
3.24. Для устройства отверстий и гнезд в кирпичных, бетонных и других основаниях под крепежные детали применяются электросверлилки типов ИЭ-1003, ИЭ-1012, ИЭ-1005 со сверлами, армированными твердосплавными пластинками. При отсутствии электросверлилок применяются шлямбуры.
3.25. Закрепление крепежных деталей и оборудования может производиться также с помощью дюбелей-винтов или дюбелей-гвоздей, вбиваемых в кирпичные или бетонные основания с помощью строительно-монтажных пистолетов типа ПЦ-52.
При отсутствии строительно-монтажного пистолета забивка дюбелей может производиться с помощью оправки ОД-6.
3.26. При производстве строительно-монтажных работ на высоте до 4,5 и рекомендуется пользоваться лестницей-стремянкой типа Л-380 и лестницей с площадкой типа Л-312.
4.1. Прокладка кабелей и проводов осуществляется в подпольных или напольных желобах, трубах металлических, пластмассовых или из других материалов. Трубы прокладываются открыто - по стенам и перекрытиям - или скрыто - в их толще.
4.2. Подпольные желоба могут быть открытого типа со съемными крышками и закрытого - с протяжными коробками. Напольные желоба устраиваются, как правило, со съемными крышками. Варианты конструкций желобов в зависимости от типов перекрытий приведены на рис. 15.
4.3. Внутренние поверхности желобов, протяжных коробок и крышек к ним, изготовленных из дерева, обиваются кровельной сталью толщиной 0,3-0,5 мм по слою асбеста толщиной не менее 3 мм.
4.4. Размеры желобов в зависимости от числа и сечения кабелей и проводов, а для протяжных коробок в зависимости от количества и диаметров вводимых труб определяется проектом.
4.5. Рекомендуется ширина желобов: на ЦУС, ОУС, УС с усилительным оборудованием общей мощностью 10 кВт и более, прокладываемых вдоль рядов аппаратуры, 250 мм; прокладываемых к отдельным шкафам, стойкам и подходы к настенным блокам, а также вдоль рядов аппаратуры на станциях мощностью до 5 кВт 150 мм. Глубина напольных и подпольных желобов - не менее 60 мм.
4.6. Наружные поверхности крышек желобов, протяжных коробок и постаментов станций покрываются теми же отделочными материалами, что и полы.
4.7. В аппаратных дистанционно управляемых станций, расположенных в отдельных помещениях или совместно с необслуживаемым оборудованием электросвязи, бетонные постаменты облицовываются керамической плиткой, а деревянные - обшиваются кровельной сталью по асбесту. Крышки желобов и протяжных коробок должны быть, как правило, металлические.
4.8. При устройстве напольных желобов шкафы и стойки устанавливаются на постаменты, внутри которых оборудуются кабельные желоба.
4.9. Кабельные трубопроводы используются для прокладки кабелей между блоками оборудования, размещаемыми на полу и на стенах, а также к щиткам, розеткам, выключателям, светильникам и т.д.
4.10. Трубопроводы прокладываются в слое засыпки, шлакобетонном заполнителе и в пустотах перекрытий, в толще стен, в слое штукатурки и открыто по стенам и строительным конструкциям.
4.11. На участках между оконечными пунктами до точек поворота или разветвления трубы, как правило, должны прокладываться прямолинейно.
4.12. Для устройства кабельных трубопроводов применяются стальные тонкостенные электросварные трубы, полиэтиленовые и поливинилхлоридные, полутвердые резиновые, асбестоцементные и др., а также металлорукава.
4.13. Горизонтальная прокладка труб в перекрытиях, на стенах и в толще их производится с небольшим уклоном (для стекания конденсата).
Рис. 15. Эскизы желобов:
а, б) в бетонном полу с деревянной или металлической крышкой; в) ввод желоба под шкаф; г) скоба для открывания крышки желоба; д) напольный деревянный желоб;
1 - железобетонная плита перекрытий; 2 - слой тощего бетона; 3 - обрамление желоба (из угловой стали); 4 - якорь; 5 - крышка желоба; 6 - скоба; 7 - углубление в крышке желоба для съемного крючка; 8 - стенки желоба; 9 - дно желоба; 10 - обшивка кровельной сталью по асбесту; 11 - полость желоба; 12 - граница днища шкафа аппаратуры
4.14. Внутренние поверхности труб, используемых для устройства кабельных каналов, должны быть гладкими, без заусенец.
4.15. Трубопроводы из металлических труб соединяются с защитным заземлением станции стальной проволокой диаметром 5 мм с помощью сварки.
4.16. Между протяжными коробками допускается устройство не более одного изгиба труб под углом не более 90°.
4.17. Радиусы изгиба труб, предназначенных для прокладки кабелей, не должны быть меньше 15-кратного наружного диаметра изгибаемых труб, а для проводов - не менее шестикратного наружного диаметра.
4.18. Подпольные протяжные коробки устанавливаются в толще перекрытий.
4.19. Ввод кабелей в напольное оборудование из подпольных желобов производится через отводы желобов (рис. 16). Из трубопроводов вводы выполняются через протяжные коробки (рис. 17).
4.20. Для протяжки и разветвления кабелей в трубопроводах, устраиваемых в толще стен, применяются стальные ответвительные коробки. Отверстия в стенках коробки для ввода труб выполняются при монтаже в зависимости от диаметра вводимых труб. Для этой цели рекомендуется использовать приспособления типа ПРПО.
Pиc. 16. Вводный канал из подпольного желоба:
1 - место установки оборудования; 2 - отвод желоба; 3 - желоб
Рис. 17. Вводные каналы из подпольных трубопроводов:
1 - канал ввода кабелей к оборудованию; 2 - перемычка; 3 - место для установки оборудования; 4 - крышка коробки; 5 - трубы; 6 - протяжная коробка
4.21. Трубы к настенному и встраиваемому в стены оборудованию прокладываются в штробах или в слое штукатурки с последующей заделкой цементным или алебастровым раствором или открыто по стенам (рис. 18). При открытой прокладке трубы укрепляются к стенам скобами. На длинных участках отрытой прокладки труб наибольшее допустимое расстояние между точками крепления составляет:
для труб с наружным диаметром до 20 мм 2,5 м;
для труб с наружным диаметром более 20 и до 30 мм 3 м;
для труб с наружным диаметром более 30 мм 3,5 м.
4.22. Для прокладки кабелей к щитку переходных устройств, установленному на столе, по боковой или задней панели стола прокладывается не менее двух металлических труб, одна из которых - для кабелей переменного тока 220 В, остальные - для слаботочных. Трубы вводятся в подпольную коробку.
Рис. 18 Способы ввода труб к настенному оборудованию:
а) скрытый кабельный канал; б) полускрытый кабельный канал; в) оконцевание трубы;
1 - труба; 2 - подпольный желоб; 3 - устанавливаемое оборудование; 4 - закладная коробка; 5 - напольный желоб
Рис. 19. Способы ввода кабельной канализации в шкаф распределительных устройств:
а) встроенный в стену шкаф; б) протяжная коробка и ниша для установки щита;
1 - трубы; 2 - шкаф; 3 - подпольный желоб; 4 - ниша; 5 - подпольная коробка
4.23. В типовых зданиях городских и районных узлов связи с плоскими железобетонными кровлями без чердаков вводы линий и антенн устраиваются у средней несущей кирпичной стены. В этом случае ввод кабелей от наружных сооружений РТУ, размещаемых на крыше, целесообразно осуществлять в одном стояке, состоящем из двух - четырех труб вводимых в специальный шкаф распределительных устройств (рис. 19). В шкафу распределительных устройств устанавливаются вводные щитки (антенные, распределительные), телефонные коробки и прочие устройства. Через шкаф выводятся на станционные стойки кабели распределительных фидеров.
4.24. При открытой прокладке стальных водогазопроводных и тонкостенных электросварных труб используются стальные ответвительные коробки и протяжные ящики. Типы коробок и ящиков выбираются в зависимости от места их установки, количества, диаметра и типа стальных труб.
4.25. Соединение стальных труб производится манжетами из кровельной стали, а в сырых местах - муфтами с резьбой и уплотнением паклей на сурике.
4.26. Кабельные каналы из изоляционных полутвердых резиновых и пластмассовых трубок устраиваются в толще кирпичных, бетонных стен и перекрытий или в слое штукатурки. Прокладка полутвердых трубок в слое штукатурки допускается только в сухих отапливаемых помещениях.
4.27. В полутвердых трубках, заложенных в толще кирпичных или бетонных стен, перекрытий или в слое штукатурки, допускается прокладка кабелей или проводов с напряжением не более 250 В.
4.28. При необходимости наращивания полутвердых трубок соединение их производится с помощью муфты из такой же трубки большего диаметра. Концы соединяемых трубок обрезаются под углом 90° к осевой линии, наружные поверхности покрываются тонким слоем расплавленного битума и вводятся в муфту до соприкосновения. Концы муфты и примыкающие к ней части трубок покрываются расплавленным битумом, обматываются лентой и еще раз покрываются слоем расплавленного битума (рис. 20).
Рис. 20. Сращивание полутвердых резиновых трубок:
1 - битум; 2 - муфта; 3 - лента изоляционная
4.29. По деревянным перегородкам или перекрытиям скрытая проводка выполняется в сплошных (без соединений) полутвердых трубках, прокладываемых в слое штукатурки толщиной не менее 10 мм, по асбестовой прокладке - толщиной не менее 3 мм.
4.30. Полутвердые трубки оконцовываются протяжными коробками или вводятся в корпуса оборудования. Не введенные в коробки или в корпуса оборудования трубки оконцовываются изолирующими втулками и воронками.
4.31. Во избежание повреждения изоляции проводов и кабелей концы стальных труб заделываются полиэтиленовыми или стальными втулками.
4.32. Во избежание попадания строительного мусора концы труб временно закрываются заглушками.
4.33. Пример расположения кабельной канализации в аппаратных станциях РТУ приведен на рис. 21.
Рис. 21. Вариант кабельной канализации станции РТУ с указанием мест установки оборудования
1, 2 - напольные шкафы типов УПВ-1, 25 и УВК; 3 - стол с приемниками; 4 - блок типа А-600; 5 - приемник; 6 - переходные щитки; 7 - разветвительная коробка; 8 - антенный щиток типа АЩ; 9 - вводные силовые ящики; 10 - счетчики электроэнергии; 11 - щит переключения силовых вводов; 12 - токораспределительный щит; 13 - понижающий трансформатор типа ЯТП-0,25; 14 - розетки сети напряжением 36 В; 15 - вентилятор
5.1. Прокладка кабелей и проводов на станциях РТУ и подключение их к оборудованию должны выполняться в соответствии с кабельной схемой и монтажной таблицей проекта.
5.2. Между отдельными элементами оборудования станций РТ узлов должны прокладываться только целые отрезки кабелей и проводов, без наращиваний.
5.3. Металлические части конструкций, предназначенных для прокладки кабелей (коробов, желобов, кабельростов, скоб и т.п.), должны быть защищены от коррозии соответствующей покраской.
5.4. В местах пересечений температурных и осадочных швов здания провода и кабели должны иметь запас в виде петель.
5.5. Микрофонные цепи длиной до 30 м должны прокладываться парными кабелями, имеющими один изолированный экран.
5.6. Микрофонные цепи длиной более 30 м, а также проходящие совместно с сильноточными цепями или цепями выходов оконечных усилителей при любой длине должны прокладываться парными кабелями, имеющими два изолированных экрана.
5.7. Низкочастотные цепи с уровнем - 20÷0 дБ должны прокладываться кабелями с одним изолированным экраном. Цепи с уровнем выше 0 дБ могут прокладываться неэкранированными кабелями, но в этом случае провода каждой пары должны быть перевиты между собой с шагом 8-10 см.
5.8. Контрольные и измерительные цепи и соединительные линии, служащие для дистанционного управления и контроля ОУС, ТП, БС, УС, могут прокладываться однопарными и многопарными кабелями и проводами в неметаллических оболочках.
5.9. Цепи выходов оконечных усилителей независимо от выходного напряжения и мощности, электропитания, выводов линий, цепи автоматики, включая питающиеся непосредственно от сети переменного тока, могут прокладываться одножильными изолированными проводами и многожильными проводами и кабелями в металлических и неметаллических оболочках.
5.10. Марки кабелей и проводов должны применяться в соответствии с проектом.
5.11. Основные характеристики кабелей, предназначенных для цепей с низким уровнем сигнала, приведены в табл. 1, для цепей высокого напряжения и сильноточных цепей - в табл. 2; для устройства выводов антенн УКВ диапазона - в табл. 3.
Таблица 1
|
Число жил |
Диаметр жил, мм |
Активное сопротивление 1 км жилы, Ом |
Диаметр (размер) кабеля, мм |
Вес 1 км кабеля, мм |
Допустимый радиус изгиба, мм |
|
|
РВШЭ-1 |
2 |
0,5 |
95 |
5,5 |
33 |
60 |
|
РВШЭ-5 |
10 |
0,5 |
95 |
9,0 |
75 |
90 |
|
РВШЭД |
2 |
1,2 |
16,5 |
14 |
120 |
140 |
|
ПРШЭД |
2 |
сечение 0,5 мм2 |
37 |
9,0 |
79 |
50 |
|
КММ-2 |
2 |
сечение 0,5 мм2 |
37 |
5 |
31 |
40 |
|
ПРППМ 2×0,8 |
2 |
0,8 |
37,6 |
3,8×7,6 |
25 |
80 |
|
ГРП 2×0,5 |
2 |
0,5 |
95 |
2,3×6,6 |
10,5 |
- |
|
ТРП 5×2×0,5 |
10 |
0,8 |
95 |
8,3 |
69 |
90 |
|
ТПП 10×2×0,5 |
20 |
0,8 |
95 |
10,1 |
106 |
120 |
5.12. На ОУС, УС, БС сетей трехпрограммного вещания емкость кабеля вывода линий должна быть скомпенсирована соответствующим уменьшением емкости контурных конденсаторов в УПП (устройство подключения передатчиков).
Таблица 2
|
Число жил |
Диаметр жилы, мм Сечение жилы, мм2 |
Активное сопротивление 1 км жилы, Ом |
Диаметр (размер) кабеля, мм |
Масса 1 км кабеля, кг |
Минимально допустимый радиус изгиба, мм |
|
|
ПРППМ 2×1,2 |
2 |
1,2/1 |
16,4 |
4,2×8,4 |
34 |
50/100 |
|
МРМ 2×1,2 |
2 |
1,2/1 |
16,4 |
9,4×15,8 |
134 |
100/200 |
|
ВРГ 1×1 |
1 |
1,13/1 |
18,4 |
7,0 |
64 |
60 |
|
ВРГ 1×1,5 |
1 |
1,37/1,5 |
12,3 |
7,4 |
72 |
70 |
|
ВРГ 1×2,5 |
1 |
1,76/2,5 |
7,36 |
7,8 |
86 |
70 |
|
BPГ 1×4 |
1 |
2,24/4 |
4,6 |
8,2 |
106 |
75 |
|
ВРГ 2×1 |
2 |
1,13/1 |
18,4 |
7,1×10 |
104 |
90 |
|
ВРГ 2×1,5 |
2 |
1,37/1,5 |
12,3 |
7,4×11 |
119 |
100 |
|
ВРГ 2×2,5 |
2 |
1,76/2,5 |
7,36 |
8,12 |
147 |
110 |
|
ВРГ 2×4 |
2 |
2,24/4 |
4,6 |
8×12,5 |
187 |
110 |
|
ВРГ 2×6 |
2 |
2,73/6 |
3,1 |
9×13,5 |
233 |
120 |
|
ВРГ 3×1,5 |
3 |
1,37/1,5 |
12,3 |
11,3 |
176 |
100 |
|
ВРГ 3×2,5 |
3 |
1,76/2,5 |
7,36 |
12,2 |
223 |
110 |
|
ВРГ 3×4 |
3 |
2,24/4 |
4,6 |
13,1 |
287 |
120 |
|
ВРГ 3×6 |
3 |
2,73/6 |
3,1 |
14,1 |
350 |
130 |
|
ВРГ 3×10 |
3 |
3,99/10 |
1,84 |
19,7 |
592 |
180 |
|
ВРГ 3×2,5+1×1,5 |
4 |
1,76/2,5 |
7,36 |
13,2 |
260 |
120 |
|
1,37/1,5 |
12,3 |
|
|
|
||
|
ВРГ 3×4+1×2,5 |
4 |
2,24/4 |
4,6 |
|
|
|
|
2,76/2,5 |
7,36 |
14,1 |
334 |
130 |
||
|
ВРГ 3×6+1×4 |
4 |
2,73/6 |
3,1 |
|
|
|
|
2,24/4 |
4,6 |
15,3 |
427 |
140 |
||
|
ВРГ 3×10+1×6 |
4 |
3,99/10 |
1,84 |
|
|
|
|
2,73/6 |
3,1 |
21,5 |
595 |
190 |
||
|
ВРГ 3×25+1×10 |
4 |
6,33/25 |
0,74 |
|
|
|
|
3,99/10 |
1,84 |
29,0 |
1417 |
300 |
||
|
КСПП 1×4×1,2 |
4 |
1,2/1 |
16,4 |
11,0 |
140 |
120 |
|
КВРГ 4×1,5 |
4 |
1,37/1,5 |
12,3 |
12,1 |
210 |
110 |
|
КВРГ 10×1,5 |
10 |
1,37/1,5 |
12,3 |
18,0 |
426 |
150 |
|
КВРГ 14×1,5 |
14 |
1,37/1,5 |
12,3 |
19,7 |
538 |
180 |
|
КВРГ 19×1,5 |
19 |
1,37/1,5 |
12,3 |
21,4 |
691 |
190 |
|
КВРГ 4×2,5 |
4 |
1,76/2,5 |
7,36 |
13,1 |
267 |
120 |
|
КВРГ 10×2,5 |
10 |
1,76/2,5 |
7,36 |
19,5 |
553 |
180 |
|
КВРГ 14×2,5 |
14 |
1,76/2,5 |
7,36 |
25,1 |
708 |
190 |
|
КВРГ 19×2,5 |
19 |
1,76/2,5 |
7,36 |
23,3 |
919 |
220 |
Примечание: Готовятся к выпуску кабели МРППб2×1,45 и ПРППб2×1,45 с жилами из биметалла (алюминий-медь). Электрические данные их аналогичны электрическим данным кабелей соответственно - МРМ и ПРППМ.
Таблица 3
|
Диаметр, мм |
Масса 1 м кабеля, кг |
Допустимый радиус изгиба, мм |
||
|
жилы |
кабеля с оболочкой |
|||
|
РК-75-4-15 |
0,72 |
7,3 |
0,078 |
70,0 |
|
РК-75-7-15 |
1,13 |
9,5 |
0,132 |
100,0 |
|
РК-75-9-12 |
1,35 |
12,0 |
0,205 |
120,0 |
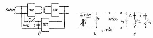
Уменьшение влияния кабельного ввода на ТП осуществляется компенсацией емкости кабеля Св одним из следующих способов:
при электрической емкости кабельного ввода не более 3000 пФ - включением последовательной индуктивности L перед обходным устройством (рис. 22а);
Рис. 22 Схемы включения индуктивности для уменьшения влияния кабельного ввода на ТП:
а) схема включения индуктивности последовательно; б) схема включения индуктивности параллельно; в) схема включения сложного контура
при электрической емкости кабельного ввода не более 2000 пФ - включением параллельной индуктивности L (рис. 22б);
при электрической емкости ввода кабеля от 4000 до 8000 пФ - включением сложного контура параллельно кабелю (рис. 22в).
При этом если емкость ввода кабеля не соответствует одной из величин, приведенных в табл. 4-6, то устанавливается контур, рассчитанный на ближайшую большую величину Св, а параллельно контуру включается конденсатор, емкость которого дополняет емкость кабеля до принятой по таблице величины. Например: Св = 7000 пФ, устанавливается контур, рассчитанный на 8000 пФ, и параллельно ему включается конденсатор емкостью 8000-7000 = 1000 пФ.
Таблица 4
|
Основные данные катушки |
|||
|
Индуктивность (сердечник СБ-5) L, мГн |
Число витков |
Марка провода |
|
|
1000 |
3,1 |
264 |
ПЭЛ-0,4 |
|
2000 |
1,55 |
187 |
ПЭЛ-0,5 |
|
3000 |
1,0 |
150 |
ПЭЛ-0,6 |
Примечание. В качестве индуктивности может быть использован регулятор размера строк типа НИО - 475.000.
Таблица 5
|
Св, пФ |
Основные данные катушки |
||
|
Индуктивность (сердечник СБ-5) L, мГн |
Число витков |
Марка провода |
|
|
1000 |
3,1 |
264 |
ПЭЛ-0,4 |
|
2000 |
1,55 |
187 |
ПЭЛ-0,5 |
Примечание. В качестве индуктивности может быть использован регулятор размера строк типа НИО-475.000.
Таблица 6
|
Обозначение |
Наименование и тип |
Величина L и С |
Основные данные катушки |
||
|
число витков |
марка провода |
||||
|
4000 |
L1 |
Индуктивность на СБ-5 |
3,65 мГн |
296 |
ПЭВ-0,29 |
|
L2 |
То же |
0,73 мГн |
133 |
ПЭВ-0,29 |
|
|
C1 |
Конденсатор КСО-13 |
695 пФ |
|
|
|
|
C2 |
То же |
2400 пФ |
|
|
|
|
6000 |
L1 |
Индуктивность на СБ-5 |
2,44 мГн |
242 |
ПЭВ-0,29 |
|
L2 |
То же |
0,48 мГн |
108 |
ПЭВ-0,29 |
|
|
C1 |
Конденсатор КСО-3 |
1000 пФ |
|
|
|
|
C2 |
То же |
36000 пФ |
|
|
|
|
8000 |
L1 |
Индуктивность на СБ-5 |
1,83 мГн |
210 |
ПЭВ-0,29 |
|
L2 |
То же |
0,39 мГн |
93 |
ПЭВ-0,29 |
|
|
C1 |
Конденсатор КСО-3 |
1300 мФ |
|
|
|
|
C2 |
То же |
48000 пФ |
|
|
|
Примечания: 1. L1 и C1 настраиваются на f = 100 кГц. 2. L2 и C2 настраиваются последовательно на f = 38 кГц. 3. Конденсаторы КСО-13 - на рабочее напряжение 2500 В.
5.13. Размотка кабелей и проводов должна производиться вращением бухты провода, расположенной на тамбуре, или вращением барабана, поднятого на кабельные домкраты (козлы).
5.14. Размотка провода или кабеля с барабана на бухты тягой за провод или кабель, а также путем перекатки барабана или сбрасывания петель провода с бухты запрещается.
5.15. К отмеренным и отрезанным длинам кабелей и проводов привязывают: временные бирки с обозначением номера по кабельной таблице.
5.16. Прокладку проводов и кабелей по стенам и потолкам здания необходимо выполнять так, чтобы трассы прокладки были параллельны архитектурным линиям помещения (карнизам, откосам, проемам, наличникам окон, дверей и т.п.).
5.17. Трассы прокладки кабелей и проводов по стенам зданий определяются рабочими чертежами.
Отметки поворотов трасс наносят мелом или углем. Оси трасс провешивают по точкам отметки поворота, а при большой длине пролета и по промежуточным отметкам - с помощью отбойного шнура, натертого мелом, углем (синькой) На трассе размечают места крепления кабеля или провода.
5.18. Расстояния между точками крепления кабелей и проводов при открытой прокладке внутри помещения составляют, на участках горизонтальной прокладки кабелей (проводов) через 350 мм, а на участках вертикальной прокладки кабелей (проводов) - через 500 мм,
при изменении направления оси трассы (прокладка кабеля на углах) - через 100 мм от вершины угла в обе стороны.
5.19. При открытой прокладке цепей низкой частоты высокого уровня (выходы оконечных усилителей, выводы линий) провода марки ПР, ПРГ, АПР и им подобные рекомендуется собирать в общий пакет, увязывая его поливинилхлоридной перфорированной лентой типа К226 с кнопками К227 (рис. 23а, б) или с помощью полосок К404, К405 с пряжками типа К407 (рис. 24а-в) или полосок-пряжек типа К395 - К398 (рис. 24г). С этой же целью рекомендуется применять полоски-пряжки зубчатые типа У650 - У653 (рис. 24д). При отсутствии указанных лент и полосок пакет перевязывается крученым провощенным шпагатом или капроновыми нитками.
Рис. 23. Закрепление проводов с помощью поливинилхлоридной ленты К226 и кнопок К227
а) поливинилхлоридная лента К226 и кнопка К227; б) способы закрепления кабелей (проводов)
Рис. 24. Стальные и пластмассовые полоски с пряжками и способы их применения:
а) полоска стальная типа К404, К405; б) пряжка стальная К407; в) крепление кабелей с помощью полоски и пряжки; г) полоска-пряжка типа К395 - К398; д) полоска-пряжка зубчатая пластмассовая типа У650 - У653;
1 - пряжка; 2 - полоска стальная; 3 - прокладка; 4 - кабели
5.20. Кабели и провода, а также пакеты их, прокладываемые открыто по стенам, должны закрепляться пластинчатыми скрепами из тонколистовой стали (рис. 25) или полосками с пряжками типа К404-К405, закрепляемыми шурупами на дюбелях или вмазываемыми непосредственно в гнезда, и фасонными скрепами (скобами);
Рис. 25. Закрепление пластинчатых скреп в стене
Рис. 26. Крепление кабелей фигурными скрепами с шурупами на спиралях
5.21. К кирпичным, бетонным, шлакобетонным стенам скрепы (скобы) крепятся одним из следующих способов:
шурупами на проволочных спиралях, вмазываемых на строительном гипсе (алебастре) в заготовленные в стене гнезда (рис. 26) шурупами на пластмассовых дюбелях, устанавливаемых в заготовленных гнездах;
шурупами, ввинчиваемыми в гнезда, заполненные пластикатовыми трубочками или спирально свернутыми обрезками пластиката (рис. 27);
гвоздевыми дюбелями, забиваемыми в стену с помощью строительно-монтажного пистолета типа ПЦ-52 или ручной оправки типа ОД-6.
Рис. 27. Крепление ввинчиванием шурупов в гнезда, заполненные пластикатом
5.22. Кабели с наружным диаметром до 15 мм при открытой прокладке по кирпичным стенам допускается крепить полосками из тонколистовой стали, вмазываемыми при помощи строительного гипса (алебастра) в заготовленные гнезда глубиной 35 мм или закрепляемыми гвоздевыми дюбелями с помощью оправки ОД-6 (рис. 28).
5.23. На деревянных стенах скобы крепятся шурупами.
Рис. 28. Крепление стальных полосок с помощью гвоздевых дюбелей и оправки ОД-6:
1 - стальная полоска; 2 - оправка ОД-6; 3 - дюбель-гвоздь
5.24. Крепление плоских проводов высокого напряжения к деревянным неоштукатуренным поверхностям здания (стена, потолок или другой конструкции) запрещается.
Допускается прокладка этих проводов по сгораемым поверхностям здания при подкладке под провод вдоль трассы листового асбеста толщиной не менее 3 мм. Слой асбеста должен выступать с каждой стороны провода не менее чем на 5 мм.
5.25. Открыто проложенные провода и кабели на высоте до 2,3 м должны быть защищены от механических повреждений.
Для защиты применяются желоба из листовой стали и, в виде исключения, некондиционные стальные трубы или угловая сталь.
5.26. Проходы изолированных проводов через стены должны выполняться в неразрезных полутвердых трубках оконцованными внутри помещений изолирующими втулками, а при выходе наружу - изолирующими воронками (рис. 29). Проход через наружную стену должен иметь наклон в сторону наружной поверхности стены.
5.27. Проходы кабелей через кирпичные или бетонные стены должны быть выполнены в стальных или других трубах, заделанных в стены. Допускается в одной трубе прокладывать несколько кабелей.
5.28. Пересечение кабелями междуэтажных перекрытий должно производиться в каналах или трубах, заделка в них кабеля «наглухо» не допускается.
Каналы или трубы должны быть такими, чтобы кабель мог быть свободно заменен без вскрытия «тела» междуэтажного перекрытия. Внутренний диаметр канала должен быть не менее 1,5-кратного наружного диаметра кабеля.
5.29. Бронированные кабели, прокладываемые внутри зданий, не должны иметь внешних защитных покровов из горючих волокнистых материалов.
При наличии химических паров, действующих разрушительно на металлические оболочки и крепежные конструкции, последние должны быть защищены слоем защитного лака (табл. 7). В аккумуляторных помещениях металлические оболочки кабелей и крепежные конструкции в зависимости от типа электролита аккумуляторов покрываются противощелочным или противокислотным лаком.
Рис. 29. Проходы проводов через стены:
а) проход через внутреннюю стену; б) ввод через деревянную стену;
1 - втулка; 2 - трубка резиновая; 3 - воронка
5.30. Расстояние между кабелями (проводами) радиофикации и стальными трубопроводами при параллельной прокладке их должно быть не менее 0,1 м. При меньших расстояниях кабели должны быть защищены от механических повреждений на всем участке сближения с трубопроводами.
Таблица 7
|
Определение лака |
Назначение лака |
Технические показания лака |
|
|
Кузбасский лак |
Черный каменно-угольный воздушной сушки |
Для наружной окраски стальных труб, прокладываемых на открытом воздухе, а также металлических конструкций |
Высыхание при 18 - 20 °С не более 6 ч., полное высыхание не более 24 ч |
|
№ 35 |
Черный асфальто-битумный, воздушной сушки |
Для окраски внутренней поверхности стальных труб |
Высыхание при 18 - 20 °С не более 2 ч., полное высыхание 24 ч |
|
№ 411 |
Лак масляный, кислотоупорный |
Для предохранения покрываемых поверхностей от воздействия кислот и паров |
Полное высыхание через 48 ч |
5.31. При параллельном прохождении с горячими трубопроводами кабели и провода радиофикации должны быть защищены от воздействия высокой температуры.
5.32. Прокладка кабелей напряжением до 1000 В по неоштукатуренным деревянным поверхностям или из других сгораемых материалов производится на кронштейнах так, чтобы расстояние между поверхностью стены и кабелем было не менее 50 мм.
5.33. Провода и кабели микрофонных цепей, цепей сигнализации, выходов приемников, промежуточных усилителей, входов оконечных усилителей, цепей обратной связи в желобах могут прокладываться без дополнительной механической и электрической защиты.
5.34. В желобах провода и кабели с цепями выходов оконечных усилителей и выводных линий, выполняемые проводами марки ПР, АПР, ПРВПМ и им подобными, прокладываются без дополнительной защиты, если номинальное напряжение на выходе оконечного усилителя в 2 раза и более меньше допустимого рабочего напряжения применяемых проводов.
5.35. При прокладке в желобах проводов и кабелей с цепями выходов усилителей и выводов линий, изоляция которых выполнена на рабочее напряжение менее двойного номинального напряжения на выходе усилителя, должны заключаться в полутвердые резиновые, поливинилхлоридные или полиэтиленовые трубки.
5.36. Провода и кабели с сигналами низкого уровня, прокладываемые в желобе, должны увязываться в пакеты капроновыми нитками, льняным шпагатом или лентами и полосками, указанными в п. 5.19.
В пакеты объединяются провода, несущие одинаковый уровень сигнала.
5.37. Кабели микрофонных цепей должны увязываться в отдельный пакет.
5.38. Кабели и провода низкой частоты с уровнем более 0 дБ (0,775 В) могут быть объединены в общем пакете с проводами и кабелями цепей сигнализации.
5.39. Провода, изоляция которых рассчитана на рабочее напряжение до 500 В, используемые для цепей электропитания при прокладке их в закрытых желобах, должны заключаться в изоляционные полутвердые резиновые, поливинилхлоридные и полиэтиленовые трубки и увязываться в отдельный пакет.
Кабели (провода) с поливинилхлоридной и полиэтиленовой оболочкой в закрытых и воздушных желобах прокладываются без дополнительной изоляции и защиты.
5.40. Провода и кабели выходов оконечных усилителей должны увязываться в отдельный пакет.
5.41. Параллельная прокладка в общем желобе кабелей и проводов микрофонных и выходных цепей не рекомендуется.
5.42. Во избежание взаимного влияния между цепями звуковой частоты разного уровня провода и кабели с низким уровнем звуковой частоты прокладываются с одной стороны желоба, а с высоким уровнем звуковой частоты и цепей электропитания - с другой стороны желоба (рис. 30).
Рис. 30. Расположение кабелей и проводов в желобе:
1 - сталь листовая; 2 - шина заземления; 3 - микрофонные цепи; 4 - соединительные линии; 5 - цепи управления; 6 - цепи низкой частоты и обратной связи; 7 - цепи сигнализации; 8 - силовые цепи
5.43. В подпольных и напольных желобах кабели и провода не закрепляются. В пристенных желобах провода и кабели крепятся к вертикальной стенке желоба.
5.44. На станциях РТ узлов в каналах скрытых проводок прокладываются провода и кабели всех марок (кроме бронированных) с соблюдением условий, указанных в разделе «Общие требования» настоящей главы.
5.45. Для затягивания кабелей и проводов в каналы в последние предварительно заводится стальная лента с шариком на одном конце и петлей на другом, при отсутствии стальной ленты используется стальная проволока диаметром 1-2 мм.
5.46. Концы кабелей или проводов закрепляются в петле стальной ленты или стальной проволоки и затягиваются при помощи их в канал.
5.47. Для уменьшения трения в канал в необходимых случаях вдувают тальк.
5.48. Сращивание проводов и кабелей осуществляется в смотровых коробках или протяжных ящиках.
5.49. В слое штукатурки могут прокладываться: кабели и провода с поливинилхлоридной или полиэтиленовой изоляцией без дополнительной изоляционной защиты, провода марки ПР, АПР и им подобные в полутвердых, резиновых, полиэтиленовых или поливинилхлоридных трубках.
5.50. Как правило, прокладка проводов в слое штукатурки производится прямолинейно, параллельно линиям пересечения стен с потолком, спуски - вертикально.
5.51. Для прокладки проводов в слое штукатурки вырезается борозда (штроба). Глубина борозды должна быть такой, чтобы поверх проложенного провода или изоляционной трубки толщина слоя штукатурки была не менее 1 см.
5.52. Проложенные в борозде провода или трубки закрепляются на поворотах и на прямолинейных участках трассы через 50-60 см раствором алебастра или цементного раствора, после чего борозда заштукатуривается.
5.53. Скрытая прокладка проводов с поливинилхлоридной или полиэтиленовой изоляцией по перекрытиям должна производиться одним из следующих способов:
под слоем штукатурки потолка (перекрытия выполнены из несгораемых плит);
в зазорах между сборными железобетонными плитами с последующей заделкой их цементным или алебастровым раствором;
в бороздах, специально оставляемых в железобетонных крупноразмерных плитах с последующей заделкой борозд цементным или алебастровым раствором.
5.54. Провода, проложенные в слое штукатурки, выводятся на наружную поверхность стен через воронку.
5.55. Проложенные кабели и провода могут подключаться непосредственно к гребенкам и зажимам аппаратуры, неподвижно закрепленной в месте ее установки.
5.56. Концы проводов, подключаемых к щиткам, аппаратам, гребенкам, розеткам и т.п., должны иметь запас по длине, достаточный для повторного присоединения в случае обрыва конца жилы. Провода цепей высокой частоты при монтаже не должны иметь петель.
5.57. Для питания переносной и передвижной аппаратуры, устанавливаемой на столах или полках без закрепления (приемники, пульты и т.п. аппаратура, которая по условиям эксплуатации может переставляться) следует применять гибкие провода. Все провода, подключаемые к указанной аппаратуре, должны быть в общем жгуте и подключаться к стационарно проложенным проводам и кабелям через переходные гребенки, розетки и другие устройства.
5.58. При установке стола с аппаратурой вплотную к стене или при размещении настольной аппаратуры на полках (аппаратура установлена стационарно и в процессе эксплуатации не переставляется) стационарный монтаж должен заканчиваться на переходных гребенках, розетках, плинтах, укрепляемых на стене (см. рис. 14а, б).
5.59. При установке стола с аппаратурой не вплотную к стене стационарный монтаж должен заканчиваться на переходных устройствах (гребенках, розетках, плинтах), укрепляемых на обвязке стола (см. рис. 14в).
Рис. 31. Ввод кабелей в шкаф из подпольного желоба:
а) основной желоб проложен вдоль стены; б) основной желоб проложен вдоль линии задней стороны ряда шкафов;
1 - желоб подпольный; 2 - кабель; 3 - постамент; 4 - шкаф ТУ-5-3
5.60. Для подключения к аппаратуре кабели и провода из желоба вводятся внутрь шкафа и разделяются на группы, перевязанные в жгуты, в каждом из которых объединяются провода и кабели, подключаемые к одной гребенке (рис. 31).
5.61. Многожильный кабель для подключения к гребенкам разделывается и расшивается в последовательности, приведенной на рис. 32.
5.62. При подключении к одной гребенке нескольких кабелей оболочки их удаляются на расстояние 2-5 см от начала расшивки. Затем все проводники разделанных кабелей перевязываются в общий жгут, расшиваются для подключения к перьям гребенки, перевязываются нитками и обматываются поливинилхлоридной лентой так, чтобы под нее попали и оболочки кабелей на длину 3-5 см.
5.63. Для подключения к перьям гребенок концы проводов освобождаются от изоляции на 2-3 см и на них надеваются трубки поливинилхлоридные или из лакоткани длиной 1,5-2 см. Если перо гребенки не имеет отверстия, освобожденная от изоляции медная жила провода обвивается вокруг шейки пера 1-2 раза, а при наличии отверстия пропускается в него и обматывается вокруг пера 1 раз (рис. 33).
Рис. 32. Последовательность расшивки многожильного кабеля
Рис. 33. Заделка проводов на пере гребенки:
а) перо без отверстия; б) перо с отверстием;
1 - перо; 2 - скрутка (пропаять); 3 - трубка; 4 - провод
Место соединения медной жилы провода с пером надежно пропаивается припоем ПОССу 40-2 или ПОССу-60. Перед пайкой надетые на изоляцию трубки должны быть сдвинуты от пера так, чтобы к ним не прикасался паяльник. По окончании пайки изоляционные трубки надвигаются на место спайки провода с пером.
5.64. Расшивка кабелей на гребенках различных типов, применяемых при монтаже аппаратуры на станциях РТ узлов, показана на рис. 34.
Рис. 34. Расшивка кабелей, и проводов на гребенках:
а) на однорядной гребенке; б) на многорядной гребенке;
1 - провод в изоляционной трубке; 2 - жгут проводов; 3 - скоба; 4 - винт; 5 - лакоткань; 6 - шильдик; 7 - перо; 8 - гребенка
5.65. Одножильные медные и алюминиевые провода сечением до 2,5 мм2 присоединяются к винтовым клеммам приборов или деталей схемы станции РТ узла без наконечников. Концы одножильных проводов должны быть заделаны в виде кольца, а концы многожильных, кроме того, пропаяны или опрессованы.
Последовательность разделки концов проводов приведена на рис. 35.
Необходимо следить за тем, чтобы каждый конец провода, заделанный кольцом, был установлен под винт разделки по часовой стрелке.
5.66. Одножильные алюминиевые или медные провода сечением более 6 мм2 и многожильные сечением более 2,5 мм2 при подключении под винтовой зажим должны быть оконцованы наконечниками.
5.67. Одножильные алюминиевые провода и алюминиевые наконечники перед подключением их к винтовым клеммам должны быть покрыты слоем вазелина.
Рис. 35. Последовательность разделки концов проводов:
а) жилы однопроволочные; б) жилы многопроволочные; в) заделка провода на кабельный наконечник;
1 - трубка изоляционная; 2 - жила многопроволочная (скручивается); 3 - заделанные концы жилы (облуживаются); 4 - жилы; 5 - наконечник; 6 - конец провода, припаянный к наконечнику
6.1. На станциях РТ узлов должны быть оборудованы антенны ДВ, СВ и KB диапазонов в количестве, соответствующем количеству установленных всеволновых радиоприемников. На станциях РТ узлов, расположенных в зонах уверенного приема УКВ ЧМ вещательных радиостанций (с напряженностью электромагнитного поля 100 мкВ/м и более), кроме того, должна быть оборудована антенна УКВ диапазона.
6.2. Как правило, на станциях РТ узлов должны применяться Г-образные антенны, антенны «наклонный луч» и Т-образные антенны, а для приема УКВ радиостанций - антенны «волновой канал».
6.3. Ввод Г-образной антенны в помещение аппаратной может выполняться: воздушным - через стену здания (рис. 36а) - и кабельным - через крышу здания (рис. 36б).
Рис. 36. Электрические схемы вводов Г-образных антенн:
а) с воздушным вводом; б) с кабельным вводом;
1 - горизонтальная часть антенны; 2 - вертикальная часть антенны (снижение); 3 - ввод; 4 - коаксиальный кабель; 5 - приемник; 6 - антенный щиток; 7 - коробка каскадной защиты; 8 - крыша здания
Устройство воздушных вводов рекомендуется при размещении аппаратных РТ узлов в одно- и двухэтажных зданиях при отсутствии вблизи промышленных помех.
Кабельный ввод рекомендуется при размещении аппаратных РТ узлов в многоэтажных зданиях, а также при наличии вблизи источников промышленных помех.
6.4. При необходимости снижения уровня промышленных помех у кабельного ввода Г-образной антенны устраивается противовес, состоящий из трех таких же проводов, как и сама антенна. Провода противовеса подвешиваются в горизонтальной плоскости параллельно горизонтальной части антенны на расстоянии примерно 1 м от крыши. Противовес подключается к экранной оболочке кабеля ввода антенны.
Г-образная антенна с противовесом подключается к приемнику через симметрирующий трансформатор (рис. 37).
6.5. Антенна «наклонный луч», в отличие от Г-образной антенны, не имеет горизонтальной части. Вертикальная ее часть состоит из наклонно или вертикально подвешенного провода.
Рис. 37. Электрическая схема Г-образной антенны с противовесом:
1 - коробка каскадной защиты; 2 - вертикальная часть антенны (снижение); 3 - горизонтальная часть антенны; 4 - противовес; 5 - крыша; 6 - ввод; 7 - коаксиальный кабель; 8 - трансформатор на диапазон 200-2000 м; 9 - трансформатор на диапазон 15-75 м; 10 - приемник
6.6. Ввод антенны «наклонный луч» также может выполняться воздушным и кабельным.
6.7. В районах вечной мерзлоты рекомендуется применять Т-образную антенну с радиальным заземлением (рис. 38а).
6.8. Для приема радиостанций при высоком уровне промышленных помех рекомендуется применение Т-образной антенны с экранированным снижением и противовесом, которая подключается к приемнику через специальный трансформатор (рис. 38б).
6.9. Горизонтальные и вертикальные части Г-образных, Т-образных антенн и вертикальная часть антенн «наклонный луч» выполняются из бронзового антенного провода диаметром 2,9 мм или из биметаллического провода диаметром 3 мм.
6.10. Длина горизонтальной части Г- и Т-образной антенн должна быть 25-40 м.
6.11. Высота подвески антенн должна быть не менее 3,5 м над крышей или 9 м над землей.
6.12. Кабельные вводы антенн выполняются из коаксиального кабеля.
6.13. При устройстве воздушного ввода провод снижения крепится к изолятору кронштейна, укрепленного на стене здания (рис. 39).
Расстояние провода снижения от кромки крыши должно быть не менее 300 мм.
Через стену провод воздушного ввода прокладывается в изоляционной трубке с применением воронки и втулки.
6.14. Провода снижения кабельных вводов крепятся к устанавливаемой на крыше стойке, в качестве которой может использоваться стойка для подвески проводов линий радиотрансляционных сетей типа РС1. При этом вместо штырей на траверсе должны быть с помощью проволок укреплены орешковые изоляторы.
6.15. На вводах антенн должны быть установлены разрядники Р-350 и ИР-0,3, смонтированные в антенных щитках (см. рис. 36-38) Антенные щитки устанавливаются на стенах внутри помещений аппаратных на расстоянии до 30 см от потолка (при кабельном вводе через потолок) и до 5 см от вводного отверстия в стене (при воздушном вводе через стену). К антенным щиткам подводится провод заземления.
Рис. 38. Электрическая схема Т-образной антенны:
а) с радиальным заземлением и кабельным послом; б) с противовесом и кабельным вводом;
1 - антенный щиток; 2 - коробка каскадной защиты; 3 - горизонтальная часть антенны; 4 - заземление (медная проволока 2 мм, 12 лучей уложены в земле на глубину 200-300 мм); 5 - вертикальная часть антенны; 6 - коаксиальный кабель, проложенный в помещении аппаратной; 7 - противовес; 8 - крыша; 9 - всеволновый трансформатор; 10 - экран; 11 - приемник
6.16. Для защиты кабелей вводов антенн на вводных стойках должны быть установлены разрядники ИР-0,3. Для этой цели может использоваться типовая коробка каскадной защиты ККЗ с вмонтированными в нее разрядниками.
6.17. Для приема УКВ радиостанций на станциях РТ узлов должны устанавливаться, как правило, типовые четырехэлементные антенны ТВК-4/2,3. К антенным щиткам подводится провод заземления.
6.18. Кабель снижения подключается к антенне ТВК-4/2,3 с помощью симметрирующе-согласующего трансформатора или симметрирующе-согласующего перехода в виде колена из кабеля РК-75-4-15 длиной 1390 мм.
6.19. Подключение УКВ антенны одновременно к двум приемникам производится через развязывающие сопротивления (рис. 40).
6.20. Г- и Т-образные антенны, антенны «наклонный луч» и «волновой канал» должны устанавливаться на крышах зданий, как правило, на типовых антенных опорах МТЛ-5/ I-II, применяемых для антенн коллективного приема телевидения (рис. 41).
6.21. Антенна «волновой канал» устанавливается на опоре МТЛ-5/ I-II на отметке II, а Г-образные, Т-образные антенны и антенны «наклонный луч» крепятся к отметке I этой опоры. Металлические опоры МТЛ-5/ I-II заземляются.
6.22. В случаях, когда мачты на крышах зданий установлены быть не могут, они устанавливаются на земле.
Для установки на земле могут применяться деревянные мачты высотой 10 или 16 м, металлические высотой 12 м.
Рис. 39. Устройство воздушного ввода антенны:
1 - снижение антенны; 2 - изолятор; 3 - кронштейн; 4 - глухарь; 5 - воронка; 6 - трубка изоляционная резиновая; 7 - втулка
Рис. 40. Схема подключения УКВ антенны к двум приемникам:
1 - антенна; 2 - экран; 3 - приемник
Рис. 41. Антенная опора типа МТЛ-5/ I-II
1 - башмак; 2 - вертикальные отметки антенны
Высота мачт определяется в зависимости от высоты подвеса антенны и места их установки. Металлические мачты заземляются.
6.23. Мачты следует располагать так, чтобы горизонтальная часть антенн не была параллельна находящимся вблизи линиям связи, электропередачи и линиям радиотрансляционных сетей.
6.24. Расстояние между мачтами антенны должно превышать длину полотна антенны не менее чем на 2 м.
Рис. 42 Узлы крепления антенны:
а) средняя цепочка изоляторов Т-образной антенны; б) цепочка изоляторов снижения Г-образной антенны и антенны «наклонный луч»; в) цепочка изоляторов для крепления Г- и Т-образных антенн;
1 - горизонтальная часть Т-образной антенны; 2 - снижение Т-образной антенны; 3 - крюк с гайкой М-10; 4 - зажим; 5 - изолятор орешковый; 6 - Г образная антенна (горизонтальная часть); 7 - снижение Г-образной антенны; 8 - антенна «наклонный луч»; 9 - блок; 10 - канат диаметром 2,9 мм; 11 - антенна; 12 - хомут; 13 - мачта
6.25. Концы горизонтальной части антенн крепятся к мачтам через цепочку из двух-трех орешковых изоляторов (рис. 42) при помощи троса диаметром 2,6 мм, пропущенного через блок.
6.26. Трос после подъема антенны укрепляется на деревянной мачте за крюки, ввернутые в основание мачты, а на металлической мачте - за скобу, приваренную к телу мачты. Крюки или скоба должны крепиться на расстоянии 1,2 м от поверхности земли или крыши.
6.27. Для приема радиовещательных станций в диапазоне 200-2000 м при большом уровне помех возможно применение специальных направленных антенн.
6.28. На станциях РТ узлов оборудуется одно защитное заземление, которое может быть использовано как рабочее.
6.29. Величина сопротивления заземления должна соответствовать нормам действующего ГОСТ на «Заземления для стационарных установок проводной связи, радиотрансляционных узлов и систем коллективного приема телевидения».
6.30. В случае размещения оборудования станций РТ узлов совместно с оборудованием электросвязи используется защитное заземление, предусмотренное для средств электросвязи. При этом сопротивление общего заземления должно одновременно соответствовать нормам на сопротивление защитного заземления станции и подстанций РТ узлов и нормам на сопротивление заземлений установок электросвязи.
6.31. К защитному заземлению станции или подстанций РТ узла должны быть присоединены металлические части оборудования, экраны проводов и кабелей, разрядники, наружные устройства станции или подстанции РТ узла (когда это удобно территориально), нулевой провод (при питании станции РТ узла от сети с заземленной нейтралью и нулевым проводом).
6.32. Устройство заземлений должно производиться в соответствии с действующими строительными нормами и правилами СНиП III-33-76. Правила производства и приемки работ. Электротехнические устройства.
При этом следует особое внимание обратить на перечисленные в пп. 6.33 - 6.39 требования.
6.33. Каждый заземляемый элемент должен быть присоединен к заземлителю или к заземляющей магистрали при помощи отдельного ответвления. Последовательное включение в заземляющий проводник нескольких заземляемых элементов запрещается; в качестве заземляющих проводников должна, как правило, применяться сталь. Использование голых алюминиевых проводников в земле в качестве заземлителей или заземляющих проводников запрещается.
6.34. В качестве заземляющих проводников (шин) внутри помещений могут применяться стальные неизолированные провода, диаметр которых должен быть не менее 5 мм (на РТ узлах мощностью до 5 кВт включительно) или стальные полосы сечением 40×4 мм (на РТ узлах мощностью свыше 5 кВт).
Заземляющие проводники в помещениях должны быть доступны для осмотра.
6.35. Шины заземления в аппаратных прокладываются, как правило, в желобах, оборудуемых для кабелей межстоечного монтажа. В сухих помещениях допускается прокладка заземляющих проводников непосредственно по стенам. При этом шины должны прокладываться горизонтально или вертикально Проводники прямоугольного сечения должны прокладываться по отношению к поверхности основания «на плоскость», а не «на ребро». На прямолинейных участках проводники не должны иметь заметных на глаз изгибов и неровностей. Расстояния между опорами для крепления заземляющих проводников на прямых участках должны быть в пределах 600-1000 мм.
Прокладка шин заземления через стены внутри здания должна выполняться в открытых проемах, в трубах или иных жестких обрамлениях.
6.36. Соединение шин заземления должно выполняться посредством сварки внахлест. Длина сварного шва должна быть равна двойной ширине при прямоугольном сечении шины или шести диаметрам при круглом сечении. Как исключение соединение может быть выполнено при помощи заклепок или болтов (только в помещениях) с предварительным обслуживанием соприкасающихся поверхностей. Не допускается соединять шины в проходах через стены.
6.37. Присоединение заземляющих проводников к заземляемым конструкциям должно быть выполнено сваркой, а присоединение к корпусам оборудования - сваркой или надежными болтовыми соединениями.
Заземление оборудования, подвергающегося частому демонтажу или установленного на движущих частях, должно выполняться с помощью гибких проводников (провод ПРГ или ПАБ).
Присоединение заземляющих проводников к металлическим оболочкам кабелей и проводов следует выполнять пайкой. При этом должно быть выполнено механическое крепление припаиваемого проводника при помощи скрутки, хомутом и т.п. Контактные поверхности на заземляемом оборудовании в местах присоединения заземляющих проводников должны быть зачищены до металлического блеска и покрыты тонким слоем вазелина.
6.38. Открыто проложенные в помещениях голые заземляющие проводники должны быть окрашены в черный цвет.
Допускается окраска проводников в иные цвета в соответствии с оформлением помещения, но при этом они должны иметь в местах присоединений и ответвлений не менее чем две полосы черного цвета на расстоянии 150 мм друг от друга.
Расположенные в земле заземлители и заземляющие проводники окрашивать запрещается. Сварочные швы после приемки должны быть со всех сторон покрыты битумом.
6.39. Сопротивление заземляющего устройства должно измеряться непосредственно после его устройства. Для предварительных расчетов величины сопротивления заземляющего устройства необходимо знать величину удельного сопротивления грунта. Для определения удельного сопротивления грунта, а также сопротивления заземляющего устройства наиболее удобными приборами являются приборы типов МС-08 и ИКС-1. При удельном сопротивлении грунта свыше 1000 Ом∙м целесообразно пользоваться только прибором типа ИКС-1. Результаты измерения сопротивления заземлений должны быть занесены в протокол, который прикладывается к исполнительной документации.
6.40. При сдаче в эксплуатацию станции РТ узла монтажная организация должна представить в составе исполнительной документации на монтаж всей станции:
исполнительные чертежи и схему заземляющего устройства;
акты на скрытые работы по прокладке элементов заземления;
протоколы измерения сопротивления заземления.
6.41. Вывод со станции или подстанции на стоечные радиотрансляционные линии осуществляется через выводные станционные стойки, устанавливаемые на крыше здания станции или подстанции РТ узла. По чердаку до станционной стойки кабели должны быть проложены в стальных заземленных трубах. В необходимых случаях (по условиям устройства линий) выводные станционные стойки могут устанавливаться на крышах соседних зданий.
6.42. Вывод со станции или подстанции на столбовые радиотрансляционные линии осуществляется через выводные кабельные столбовые опоры, устанавливаемые вблизи здания станции РТ узла. При одноэтажном здании станции или подстанции вывод на столбовые радиотрансляционные линии может осуществляться через выводные станционные стойки, устанавливаемые на крыше здания.
6.43. Для радиотрансляционных линий I и II классов (с рабочим напряжением до 360 или свыше 360 В) должны быть установлены отдельные выводные опоры (как стоечные, так и столбовые).
В исключительных случаях по согласованию с главным инженером предприятия, которое будет эксплуатировать строящийся радиоузел, допускается установка на ТП совмещенной стойки для линий I и II классов, при этом резервирующий фидер должен располагаться на отдельной стойке.
6.44. Вывод со станции или подстанции узла подземных радиотрансляционных линий осуществляется непосредственно из аппаратной станции или подстанции узла.
6.45. Устройство выводных станционных стоек, выводных столбовых опор, прокладка кабелей до выводных столбовых опор и выводов со станции подземных радиотрансляционных линий должны производиться в соответствии с «Правилами строительства и ремонта воздушных линий связи и радиотрансляционных сетей» Ч. III (M.: Связь, 1975).
6.46. Вывод радиотрансляционных линий от установленных в аппаратной устройств выходной коммутации до выводных опор осуществляется, как правило, кабелями ПРППМ 1×2 и МРМ 1×2.
Кабели ПРППМ 1×2 применяются для выводов радиотрансляционных линий II класса (с рабочим напряжением до 360 В), а кабели МРМ 1×2 - для выводов радиотрансляционных линий I класса (с рабочим напряжением свыше 360 В). На РТ узлах многопрограммного вещания для выводов линий II класса должен применяться кабель МРМ 1×2.
На однопрограммных РТ узлах для вывода линий II класса на стойку, установленную на крыше здания станции РТ узла, может применяться многожильный кабель типа КВПГ или аналогичный ему.
6.47. Выбор конструкции выводных опор и емкости выводных кабелей (или количества однопарных кабелей) к этим опорам должен производиться с учетом перспективы развития, т.е. возможного подключения к станции или подстанции дополнительных линий. При выборе емкости выводных кабелей (или количества однопарных кабелей), кроме того, для эксплуатационного резерва должны быть предусмотрены две жилы на каждую выводную опору (как стоечную, так и столбовую).
6.48. Используемые для выводов линий кабели ПРППМ 1×2 и МРМ 1×2 связываются капроновыми или иными нитками в жгуты отдельно для линий I и II классов.
6.49. В помещениях станций или подстанций РТ узлов выводные кабели прикладываются в подпольных и напольных желобах и по стенам.
6.50. В зданиях из помещений станций и подстанций РТ узлов к выводным опорам кабели прокладываются, как правило, по лестничным клеткам параллельно сетям общего назначения (осветительным, телефонным, радиотрансляционным и телевизионным) на расстоянии от них не менее 0,2 м как скрытым, так и открытым способами.
6.51. Кабели выводов линий II класса при открытой прокладке вне помещений станций или подстанций РТ узлов должны по всей длине защищаться от механических повреждений деревянным или металлическим желобом, трубой.
6.52. Кабели выводов линий I класса могут быть проложены:
открыто с защитой металлическим желобом или в металлической трубе по всей длине;
в каналах скрытых проводок, выполненных из металлических, пластмассовых асбестоцементных и подобных труб.
6.53. Вертикальные каналы скрытых проводок линий (стояки) должны иметь проходные коробки с закрывающимися дверцами, устанавливаемые через один-два этажа. Кабели или пакеты кабелей, прокладываемые в вертикальных каналах, должны крепиться к стенкам каждой проходной коробки.
6.54. Проходы кабеля или пакета кабелей через степы и перекрытия зданий выполняются в пластмассовых, асбестоцементных или стальных трубах. Внутренний диаметр труб должен быть в 1,5 раза больше диаметра кабеля или пакета кабелей.
6.55. Кабель или пакет кабелей в чердачном помещении прокладывается по стропильным балкам или доскам сечением 100×20 мм, прикрепленным к стропильным балкам. На всем протяжении кабель или жгут закрывается деревянным желобом, изготовленным из досок, или металлическим из листовой кровельной стали толщиной 0,8-1,0 мм.
6.56. Оборудование станции и подстанций РТ узлов со стороны выходящих от него радиотрансляционных линий, кабели их выводов и выводные опоры должны быть защищены от грозовых разрядов. Защита производится в соответствии с «Правилами строительства и ремонта воздушных линий связи и радиотрансляционных сетей». Ч IV (М.: Связь, 1971).
6.57. Для защиты кабелей выводов линий II класса на выводных стоечных и столбовых опорах могут устанавливаться кабельные ящики необходимой емкости. При малом числе линейных проводов на выводных опорах могут устанавливаться коробки каскадной защиты.
6.58. Для защиты кабелей выводов линий I класса должны применяться специальные коробки, в которых искровые разрядники устанавливаются на изоляторах с пробивной прочностью не менее 3 кВ.
6.59. Разрядники кабельных ящиков и коробок, устанавливаемых на выводных опорах, выводные стойки и молниеотводы столбовых выводных (кабельных) опор подключаются к общему заземлению станции или подстанции РТ узла. Для соединения выходных опор с заземлением станции или подстанции применяется стальной провод диаметром 4 мм.
7.1. При выполнении работ по строительству станций радиоузлов должны выполняться правила техники безопасности, регламентированные СНиП III-A.11-70 и ведомственными Правилами техники безопасности, в том числе изложенные ниже основные требования к безопасному выполнению работ (являющиеся извлечением из ведомственных Правил техники безопасности).
7.2. К монтажным работам допускаются лица, обученные безопасным методам труда, имеющие соответствующие удостоверения, прошедшие вводный инструктаж и инструктаж на рабочем месте.
7.3. Рабочие места и проходы в помещениях, где производится монтаж, не должны быть загромождены материалами, оборудованием и должны регулярно очищаться от мусора.
7.4. При работах, связанных с прокладкой кабелей по стенам зданий, нужно пользоваться только исправными лестницами и стремянками.
7.5. Раздвижные лестницы-стремянки должны иметь надежное заторное устройство, исключающее возможность самопроизвольного раздвижения при работе на них.
7.6. Если необходимо установить лестницу против входных дверей, то у последних необходимо поставить рабочего, охраняющего лестницу от толчков.
7.7. Запрещается пользоваться вместо лестниц столами, стульями, ящиками и т.п.
7.8. Общая длина (высота) приставной лестницы должна обеспечивать рабочему возможность производить работу, стоя на ступени, находящейся на расстоянии не менее 1 м от верхнего конца лестницы. Длина лестницы во всех случаях не должна превышать 5 м.
7.9. Работа электроинструментами (на высоте более 2,5 м) и пневматическими инструментами разрешается только с подмостей или лестниц-стремянок, имеющих верхние площадки, огражденные перилами.
7.10. При штроблении и пробивке отверстий следует пользоваться предохранительными очками с небьющимися стеклами и рукавицами.
7.11. Если пробиваются или сверлятся сквозные отверстия в стенах и перекрытиях, а по другую сторону пробиваемого отверстия могут находиться или проходить люди, то специально выделенный рабочий должен предупреждать людей об опасности.
7.12. При штроблении и пробивке стен необходимо строго следить за тем, чтобы не повредить инструментом скрытой проводки и не подвергнуться тем самым опасности поражения электрическим током.
7.13. Переносный электроинструмент должен быть на напряжение:
а) не выше 220 В в помещениях без повышенной опасности (в которых отсутствуют условия, создающие повышенную или особую опасность);
б) не выше 36 В вне помещений и в помещениях с повышенной опасностью, особо опасных (имеющих токопроводящие полы, особую сырость, химически активную среду, температуру, длительно превышающую + 30 °С, с возможностью одновременного прикосновения человека к заземленным металлоконструкциям, с одной стороны, и к металлическим корпусам электрооборудования, - с другой).
7.14. При применении электроинструмента на напряжение 220 В обязательно использование диэлектрических перчаток.
7.15. Корпуса электроинструментов, работающих при напряжении свыше 36 В независимо от частоты тока, должны быть заземлены.
7.16. Применение переносных электрических ламп и электропаяльников в помещениях с повышенной опасностью допускается напряжением не свыше 36 В.
7.17. Проверка на отсутствие замыканий на корпус, отсутствие обрыва заземляющей жилы (провода), состояние изоляции проводов электроинструмента и переносных электроламп, а также проверка изоляции понижающих трансформаторов и преобразованной частоты должна производиться не реже 1 раза в месяц работником с квалификацией по электробезопасности не ниже III группы.
7.18. Перед началом работы электроинструменты, трансформаторы, переносные лампы и преобразователи частоты должны быть проверены лицом, ведающим выдачей инструмента, путем тщательного осмотра; обращают внимание на отсутствие изломов жил, оголенных токоведущих частей и на соответствие инструмента условиям работы. Неисправный инструмент выдавать для работы запрещается.
7.19. Лицам, пользующимся электроинструментом, запрещается: разбирать и производить ремонт его, держаться за провод или касаться вращающейся и режущей частей инструмента.
7.20. Во время перерыва в работе электроинструмент должен отключаться от электросети.
7.21. Отсутствие напряжения на токоведущих частях должно проверяться вольтметром или индикатором напряжения. Проверять напряжение, касаясь руками токоведущих частей, или пользоваться в качестве индикатора напряжений головным телефоном запрещается.
8.1. При выполнении монтажных работ на объекте необходимо строго соблюдать правила пожарной безопасности в соответствии с действующими инструкциями.
8.2. Производитель работ несет полную ответственность за выполнение противопожарных мероприятий на объекте, где ведутся монтажные работы.
8.3. Весь персонал, занятый на монтажных работах, должен быть проинструктирован производителем работ относительно мест нахождения их во время пожара и правил пользования противопожарным инвентарем и оборудованием.
8.4. Все производственные помещения по согласованию с пожарной охраной должны быть снабжены необходимым противопожарным инвентарем, который должен содержаться в полной исправности и находиться на противопожарном щите, окрашенном в красный цвет, с надписью «Противопожарный пункт».
8.5. Коридоры, проходы, основные и запасные выходы, тамбуры и лестничные клетки должны содержаться в исправном состоянии, ничем не загромождаться, а в ночное время - освещаться. Устраивать на лестничных клетках кладовые, мастерские воспрещается.
8.6. Категорически воспрещается курить в технических помещениях, в которых производятся монтажные работы; об этом на видных местах должны быть вывешены надписи. Курить разрешается только в специально отведенных комнатах или местах.
8.7. Спецодежда должна храниться на специальных местах; оставлять ее на рабочем месте нельзя.
8.8. Воспрещается хранение огнеопасных жидкостей, необходимых для монтажных работ (бензин, керосин, лаки) в помещениях, где производится монтаж, в количестве более 1 л. Хранить эти вещества необходимо в металлических плотно закрывающихся бидонах, которые должны устанавливаться в металлических ящиках, запирающихся на замок.
8.9. При монтаже оборудования РТ узлов нельзя:
подвешивать электрические провода на гвоздях без роликов и изоляторов;
применять для временной осветительной сети телефонные провода;
применять абажуры, непосредственно прилегающие к электролампам;
устанавливать выключатели и штепсельные розетки без подрозетников;
подключать добавочные потребители электроэнергии, надевая на ножи рубильника или на контакты одной вилки несколько параллельно подключенных проводов;
применять некалиброванные предохранительные вставки (жучки).
9.1. После выполнения всех строительно-монтажных работ должны быть произведены проверка и настройка смонтированного оборудования.
9.2. Проверка выполненных работ до сдачи станции РТУ в эксплуатацию производится техническим персоналом строительно-монтажной организации.
При этом проверяются: внешнее состояние оборудования, правильность его установки, качество прокладки и монтажа кабелей и проводов, качество построенных наружных сооружений (антенно-мачтовых, заземлений, станционных опор и т.п.).
Выполненные работы должны соответствовать требованиям проекта, технических условий и настоящей Инструкции.
9.3. Измерения и настройка оборудования станции или подстанции РТ узла до сдачи ее в эксплуатацию производятся строительно-монтажной организацией, осуществляющей строительство или реконструкцию станции или подстанции, либо на условиях договора производственной лабораторией соответствующего эксплуатационного предприятия.
9.4. Объем и методы измерений и оформление их результатов производятся в соответствии с «Инструкцией по электрическим измерениям на радиотрансляционных узлах» (М.: Связь, 1968).
9.5. Производится поочередное включение в электрическую сеть оборудования станции РТУ. При этом прибором на панелях оборудования или переносными приборами определяют соответствие фактического режима работы режиму, предусмотренному паспортом данного оборудования. Производится проверка блокировки усилителей с оформлением протокола проверки.
9.6. После проверки режимов работы отдельных блоков и всего оборудования станцию подвергают 24-часовому прогону. При этом на вход усилительного тракта включают вещательную передачу, нагружая оконечные усилители на номинальное сопротивление.
10.1. Приемка построенной или реконструированной станции или подстанции РТ узла в эксплуатацию производится после выполнения всех работ, предусмотренных проектом на строительство или реконструкцию этой станции, проверки выполненных работ, производства настройки и электрических измерений оборудования.
10.2. Если проектом и планом предусматривается одновременное строительство или реконструкция радиотрансляционных линий, подключаемых к данной станции или подстанции, и линий подачи программ и управления этой станции или подстанции, то приемка ее в эксплуатацию должна производиться одновременно со сдачей в эксплуатацию линейных сооружений.
10.3. Приемка в эксплуатацию станции или подстанции РТ узла производится приемочной комиссией, назначенной приказом начальника организации или предприятия, утвердившего проект на строительство или реконструкцию данной станции или подстанции или по их поручению - нижестоящим предприятием. Этим же приказом определяются сроки и порядок работы приемочной комиссии, согласованные с подрядчиком. Приказ о назначении комиссии должен быть отдан в срок не позднее 5 дней со дня получения письменного извещения подрядчика о готовности станции РТ узла к приемке в эксплуатацию.
10.4. Приемочная комиссия назначается в составе представителей, заказчика (председатель комиссии), подрядчика, эксплуатационной организации, профсоюзной организации заказчика, технического инспектора профсоюза работников связи, пожарного надзора и других заинтересованных организаций.
10.5. Приемочной комиссии строительно-монтажная организация предъявляет:
исполнительную документацию - рабочие чертежи с внесенными согласованными с заказчиком и проектной организацией изменениями, произведенными в процессе строительства или реконструкции РТ узла - в одном экземпляре;
заводскую техническую документацию на все установленное оборудование;
ведомость установленного оборудования;
документы, на основании которых были допущены отступления от проекта;
акты на скрытые работы;
протоколы электрических измерений и испытаний, в том числе:
акт механической и электрической регулировки приборов автоматики;
протоколы измерений сопротивления изоляции и оборудования, кабелей, проводов;
протоколы измерений качественных показателей усилительной аппаратуры;
протокол измерения сопротивления заземления;
протоколы проверки блокировки усилителей.
10.6. Приемочная комиссия осуществляет:
проверку предъявленной ей документации;
проверку соответствия выполненных работ проекту и настоящей Инструкции;
проверку качества монтажных работ и исправности оборудования, кабелей и проводов;
контрольные измерения оборудования и трактов узла (объем измерений определяется комиссией);
испытания и проверку работы всего оборудования.
10.7. Опробование станции или подстанции РТ узла на реальную нагрузку производится заказчиком с участием подрядной организации, а также технического персонала эксплуатационного предприятия.
10.8. Приемочная комиссия дает оценку выполненным строительно-монтажным работам и принимает решение о возможности приемки построенных или реконструированных сооружений в эксплуатацию.
10.9. Оценка выполненных строительно-монтажных работ устанавливается:
«отлично» при отсутствии дефектов, недоделок и наличии показателен, превосходящих требования проекта и нормативных документов;
«хорошо» при соответствии выполненных работ требованиям проекта и нормативных документов, при наличии мелких недоделок или дефектов, устраненных в ходе работы комиссии или в установленные ею сроки;
«удовлетворительно» при наличии незначительных отклонений от требований проекта и нормативных документов, устранение которых по экономическим или другим соображениям нецелесообразно.
При этом допущенные отклонения не должны препятствовать нормальной эксплуатации построенных или реконструированных сооружений, а также не должны ухудшать санитарно-гигиенические условия и безопасность труда работающих.
10.10. Приемка в эксплуатацию станции или подстанции должна быть закончена в срок, установленный приказом о назначении приемочной комиссии.
10.11. Приемка построенной или реконструированной станции или подстанции РТ узла приемочной комиссией оформляется актом (см. приложение 3).
К первому экземпляру акта приемки прилагается исполнительная документация, предъявленная приемочной комиссии строительно-монтажной организацией. Заводская техническая документация на установленное оборудование, рабочие чертежи с внесенными в процессе монтажа изменениями, а также протоколы измерений и испытаний, выполненных строительно-монтажной организацией оставляются комиссией на станции РТ узла для эксплуатационного предприятия.
10.12. Акт приемки в эксплуатацию станции или подстанции РТ узла утверждается организацией, утвердившей проект на строительство или реконструкцию данной станции или подстанции.
10.13. Акты приемки в эксплуатацию станций или подстанций РТ узлов должны рассматриваться и утверждаться не позднее чем в месячный срок после их представления.
10.14. Датой ввода в эксплуатацию станции или подстанции РТ узла считается дата подписания акта комиссией о приемке данной станции или подстанции в эксплуатацию.
|
АКТ приемки технических помещений под монтаж «___»_________197__г. Наименование объекта____________________________________________________ Комиссия в составе: представителя заказчика_________________________________ ________________________________________________________________________ (должность Ф.И.О.1) Здесь и далее Ф.И.О. - фамилия, имя, отчество производителя работ______________________________________________________ ________________________________________________________________________ (наименование строительно-монтажной организации, Ф.И.О.) представителя эксплуатации________________________________________________ (должность, Ф.И.О.) в соответствии с договором на монтаж объекта произвела проверку готовности технических помещений объекта и приемку их под монтаж. В ходе проверки установлено: |
||||
|
Наименование помещений |
Состояние готовности помещений |
|||
|
|
|
|||
|
|
||||
|
Наименование системы |
Состояние готовности |
Наименование системы |
Состояние готовности |
|
|
Отопление |
|
Силовой ввод |
|
|
|
Вентиляция |
|
Водопровод |
|
|
|
Освещение |
|
Канализация |
|
|
|
Заключение Комиссия считает возможным: 1. Технические помещения: а)… б)… принять под монтаж. 2. Подсобные помещения________________________________________________ ______________________________________________________________________ принять к использованию на период монтажа Недоделки, не препятствующие выполнению монтажных работ, указаны в ведомости недоделок и подлежат устранению в указанные сроки. Подписи членов комиссии________________________________________________ Помещение сдал Помещение принял _______________ _________________ (должность, Ф.И.О.) (должность, Ф.И.О.) |
||||
|
ВЕДОМОСТЬ недоделок по помещениям________________________________________________ _______________________________________________________________________ (наименование объекта) |
||
|
Наименование недоделок |
Срок устранения |
Отметка об устранении |
|
|
|
|
|
Представитель монтажной организации_____________________________________ (должность, Ф.И.О.) Представитель заказчика__________________________________________________ (должность, Ф.И.О.) Представитель строительной организации___________________________________ (должность, Ф.И.О.) |
||
|
АКТ приемки оборудования под монтаж на объекте____________________________ _______________________________________________________________________ (наименование объекта) «__»_______197 __г. _______________________________________________________________________ (наименование населенного пункта) Комиссия в составе: ответственного представителя заказчика _______________________________________________________________________ (наименование организации, должность, Ф.И.О.) ответственного представителя подрядной организации _______________________________________________________________________ (наименование организации, должность, Ф.И.О.) и представителей других организаций______________________________________ _______________________________________________________________________ произвела проверку состояния и комплектности оборудования_________________ _______________________________________________________________________ (наименование оборудования) для приемки под монтаж. В ходе проверки установлено: |
|||||
|
№ пп |
Наименование оборудования |
Единица измерения |
Количество |
Замеченные неисправности и дефекты оборудования |
|
|
по проекту |
в наличии |
||||
|
|
|
|
|
|
|
|
Выводы комиссии: Оборудование___________________________________________________________ (наименование оборудования) подлежащее монтажу на объекте___________________________________________ (наименование объекта) принимается под монтаж_________________________________________________ (полное наименование строительно-монтажной организации) Акт составлен в трех экземплярах. Подписи членов комиссии________________________________________________ Оборудование под монтаж Оборудование под монтаж сдал принял ______________________________ _____________________ (должность, Ф.И.О.) (должность, Ф.И.О.) |
|||||
|
«Утверждаю» _____________________ (должность) _____________________ (подпись) «__»_________197__г. АКТ приемки в эксплуатацию законченной строительством (реконструкцией) станции радиотрансляционного узла __________________________________________________________________________________________ (наименование станции и ее адрес) ____числа_______месяца 19___ г. приемочная комиссия в составе. Председателя___________________________________________________________ (должность, Ф.И.О.) членов комиссии________________________________________________________ (должность, Ф.И.О.) действующая на основании приказа от «___»_________ №_____________________________________________________________________ (указать приказ) составила настоящий акт о приемке в эксплуатацию станции радиотрансляционного узла министерства связи, колхоза, совхоза (ненужное зачеркнуть) в населенном пункте _______________________________________________________________________ _______________________________мощностью____________________________Вт. 1. Работы по строительству (реконструкции) станции выполнены в период с «__» по «__»_______19___ г. по проекту. ________________________________________________________________________ (наименование проектной организации) Подрядчик______________________________________________________________ (наименование строительно-монтажной организации) Работами руководил______________________________________________________ (должность, Ф.И.О.) 2. Комиссии подрядчиком предъявлена следующая документация: _______________________________________________________________________ _______________________________________________________________________ _______________________________________________________________________ _______________________________________________________________________ 3. К приемке в эксплуатацию предъявлена станция радиотрансляционного узла в составе: _______________________________________________________________________ _______________________________________________________________________ _______________________________________________________________________ _______________________________________________________________________ 4. В ходе приемки станции комиссией были произведены осмотр, проверки, испытания и электрические измерения оборудования. Выводы приемочной комиссии: Работы по строительству станции радиотрансляционного узла выполнены в ________________________________________________________________________ (наименование РТУ) соответствии с проектом, Инструкцией по строительству станций радиотрансляционных узлов, действующими техническими условиями, отвечают требованиям действующих правил техники безопасности и принимаются в эксплуатацию. _______________________________________________________________________ (наименование эксплуатационной организации) с оценкой________________________________________________________________ Председатель приемочной комиссии_________________________________________ Члены приемочной комиссии_______________________________________________ Станцию сдал: Станцию принял: Представитель подрядной Представитель заказчика организации __________________________ ______________________ (должность, Ф.И.О.) (должность, Ф.И.О.) |
Список литературы
1. Правила строительства и ремонта воздушных линий связи и радиотрансляционных сетей. Ч. I. Строительство и ремонт воздушных линий связи и радиотрансляционных сетей. М.: Связь, 1975.
2. Правила строительства и ремонта воздушных линий связи и радиотрансляционных сетей. Ч. III. Строительство и ремонт стоечных и подземных линий и оборудование домовой распределительной радиотрансляционной и сельской телефонных сетей. М.: Связь, 1975.
3. Правила приемки в эксплуатацию законченных строительством предприятий и сооружений связи, радиовещания и телевидения, объявленные приказом министра связи СССР № 422 от 4 июля 1960 г. Министерство связи СССР. М.: Связь, 1966.
4. Техника безопасности в строительстве (СНиП III-A.11-70). М.: Стройиздат, 1971.
5. Правила техники безопасности при устройстве и обслуживании станций радиотрансляционных узлов. М.: Связь, 1976.
6. Правила техники безопасности при работах на воздушных линиях связи и радиофикации. М.: Связь, 1972.
7. Правила техники безопасности при работах на кабельных линиях связи и радиофикации. М.: Связь, 1969.
8. Справочник строителя кабельных сооружений связи. М.: Связь, 1977.
9. Руководство по электрическим измерениям линий городских телефонных сетей. М.: Связь, 1976.
10. Правила устройства электроустановок (ПУЭ-76). М.: Атомиздат, 1976.
11. Правила устройства электроустановок. М.: Энергия, 1965.
12. Устинов П. М. Проектирование сельских сетей проводного вещания. М.: Связь, 1977.
СОДЕРЖАНИЕ