УТВЕРЖДАЮ
Зам. генерального директора
По производству ТРГ
ЗАО «НОВОМЕТ Пермь»
__________О.Ю. Исаев
«_____» ________ 2003 г
ИНСТРУКЦИЯ № 2.11.
по монтажу плетеной сальниковой набивки из терморасширенного графита (ТРГ) для плунжерных насосов, работающей при давлениях до 40 МПа.
Содержание
1.1. Настоящая инструкция распространяется на плетеные графитовые набивки НГ-100 (НГ-Л) и НГ-101 (НГ-Л-Ф), предназначенные для герметизации сальниковых узлов плунжерных насосов.
1.2. Для увеличения ресурса сальникового уплотнения плунжерного насоса к использованию рекомендуются сальниковые комплекты с замыкающими (крайними) кольцами из углеродной набивки НУ-201 (УНФ) и комбинированной граффито - углеродной набивки НГУ-К1-121 (НГ-Л-УФ).
1.3. Рекомендуемое количество колец из набивки в пакете 6 - 8 штук в зависимости от давления рабочей среды и режима работы арматуры.
Во время установки необходимо раздельно обжимать каждое кольцо грундбуксой с использованием разрезной удлинительной втулки, либо устанавливать кольца, предварительно обжатые в прессформе соответствующего размера.
1.4. Для изготовления колец заданного диаметра из плетеной набивки предпочтительна намотка необходимого количества витков на подготовленный заранее деревянный цилиндр диаметром, равный диаметру штока, закрепление концов скотчем и разрезание набивки под углом 45° одним резом.
Метод отрезания предварительно вычисленной длины кольца по формуле L = π×(d + S) (где d - диаметр штока, S - сечение набивки) дает ошибку на 2-8 мм в зависимости от диаметра штока. Стыки колец при этом получаются некачественными, поэтому необходимо учитывать поправочный коэффициент k = 1,07.
Формула для вычисления длины заготовки (Рис. 1): L = 1,07×p×(d + S)

Рис. 1
2.1. К работе по набивке сальниковых уплотнений допускаются работники, изучившие инструкцию по монтажу.
3.1. Очистить сальниковую камеру от грязи и старой набивки, убедиться в отсутствии изгиба и несоосности плунжера, а также следов коррозии.
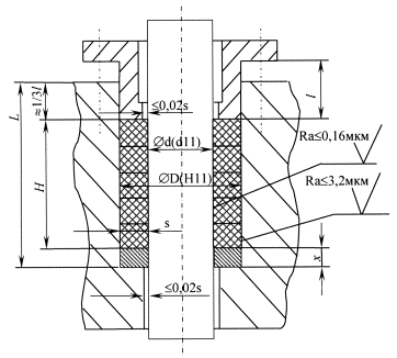
3.2. Зазор между плунжером и грундбуксой, плунжером и корпусом, а также шероховатость поверхности штока не должна превышать показателей указанных на Рис. 2.
ВНИМАНИЕ: Не допускается применения корродированного (поврежденного) плунжера.

Рис. 2
3.3. Поверхности грундбуксы, подсальникового кольца или дна сальниковой камеры не должны иметь скошенных торцов, сколов и фасок. Острые кромки притупить, но не закруглять.
4.1. Определить усилие затяжки сальника Q (кг):
Q = 2Ppa6×Fc
где Рраб - давление рабочей среды, кг/см2;
Fc - площадь сальника, см2.
Примечание: при Рраб < 100 кг/см2, Рраб принимается равным 100 кг/см2.
ВНИМАНИЕ: при затяжке перекос грундбуксы не допускается.
4.2. Каждое кольцо при установке в сальниковую камеру обжать усилием Q грундбуксой с использованием разрезной удлинительной втулки, либо устанавливать кольца, предварительно обжатые в соответствующей прессформе.
4.3. Непосредственно весь комплект обжать усилием Q.
4.4. Сделать 5-6 циклов «верх-низ» перемещений плунжера для распределения усилия затяжки по высоте сальникового пакета.
4.5. Вновь обжать сальниковый пакет усилием Q.
4.6. Повторить п.п. 4.4 и 4.5 до прекращения ослабления затяжки болтов после п.п. 4.4.
4.7. Допускается вместо замера усилия обжатия сальника контроль вести по изменению высоты. После установки каждого кольца необходимо обжимать пакет разрезной удлинительной втулкой на величину 20÷30 % от первоначальной высоты пакета Н0 = N*S, где N - количество установленных в данный момент колец, S - начальный размер сечения набивки.
4.8. Окончательное обжатие сальникового уплотнения рекомендуется производить после заполнения насоса средой и приработке узла в течение 10-15 мин. Рекомендуется подтяжка грундбуксы на 1/4 оборота гайки через каждые несколько минут. Подтяжку производить до обеспечения желаемой протечки или ее полного устранения.
4.8. Окончательное обжатие всего пакета не должно превышать 40÷45 % от полной первоначальной высоты Н0, Протечка, неустранимая такой затяжкой, свидетельствует о неисправности сальникового узла или неправильности монтажа. В этом случае необходимо остановить насос и повторить установку новой набивки.