ПРАВИТЕЛЬСТВО МОСКВЫ
МОСКОМАРХИТЕКТУРА
РЕКОМЕНДАЦИИ
по проектированию и
применению
для строительства и реконструкции
зданий в г. Москве
ФАСАДНОЙ
СИСТЕМЫ
С ВЕНТИЛИРУЕМЫМ
ВОЗДУШНЫМ ЗАЗОРОМ
«SPIDI»
2005
Предисловие
1. Разработаны: Центральным научно-исследовательским и проектным институтом жилых и общественных зданий (ЦНИИЭП жилища).
Авторский коллектив:
д.т.н. Николаев С.В. - руководитель работы
д.т.н. Граник Ю.Г. - научно-техническое руководство
инж. Ставровский Г.А. - общая редакция
к.т.н. Граник М.Ю. - конструкция системы
д.т.н. Зырянов B.C. - прочностные расчеты
инж. Кашулина Ю.Л. - участие в прочностных расчетах
к.т.н. Беляев B.C. - теплотехнические расчеты
Консультанты:
Генеральный директор - конструкция системы и
ООО «Кемопласт», организационно-технические
к.х.н. Волков А.В. решения
Технический директор,
к.т.н. Цыганов Ю.В.
2. Подготовлены к утверждению и изданию Управлением перспективного проектирования, нормативов и координации проектно-изыскательских работ Москомархитектуры
3. Утверждены приказом Москомархитектуры от 29.03.2005 г. № 41
СОДЕРЖАНИЕ
1.1. Рекомендации являются методическим и справочным пособием для разработки проектов наружной отделки и утепления зданий и сооружений с применением навесных фасадных систем с вентилируемым воздушным зазором «SPIDI».
1.2. В навесных фасадных системах «SPIDI» для наружной отделки применяют керамические и керамогранитные плиты («SPIDI-T-ПК-ВХ-ВХ») и металлические кассеты («SPIDI-T-KX-BX-BX»), позволяющие создавать выразительные архитектурные решения фасадов здания.
На рис. 1.1 - 1.3 приведены фотографии зданий с отделкой и утеплением фасадными системами «SPIDI».
1.3. Разработчиком и поставщиком фасадных систем «SPIDI» является ООО «Кемопласт»*).
*) адрес и телефоны предприятия см. на стр. 70.
1.4. На фасадные системы «SPIDI» выданы Технические свидетельства Госстроя России:
- на систему «SPIDI-T-ПК-ВХ-ВХ» - № ТС-07-07-54-03/2, зарегистрированное 03.03.04 г.,
- на систему «SPIDI-T-KX-BX-BX» - № ТС-07-1013-54-04, зарегистрированное 03.09.04 г.,
1.5. Рекомендации содержат следующие данные: назначение и область применения систем, конструктивные решения систем, состав исходных данных для проектирования, методики расчетов всех расчетных параметров систем, способы производства работ, правила эксплуатации систем и их технико-экономические показатели.
2.1. Системы «SPIDI» предназначены для фасадной отделки и теплоизоляции наружных стен в соответствии с требованиями СНиП II-3-79* (изд. 98 г.), СНиП 23-02-2003 и МГСН 2.01-99.
2.2. Систему допускается применять для строящихся и реконструируемых зданий в г. Москве с несущими конструкциями наружных стен из кирпича, бетона и других материалов плотностью более 600 кг/м3.
Допускаемую этажность зданий в соответствии с требованиями пожарной безопасности устанавливают в зависимости от степени огнестойкости и классов конструкционной и функциональной пожарной опасности системы. Допускается применение фасадной системы «SPIDI» на жилых зданиях высотой до 75 м.

Рис 1.1. Административное здание с облицовкой композитными кассетами, г. Москва.

Рис 1.2. Жилое здание с облицовкой алюминиевыми кассетами, г. Москва
Рис 1.3. Общественное здание с облицовкой керамогранитом, г. Казань
3.1. Система «SPIDI» являются многослойными конструкциями, которые крепятся с внешней стороны несущих конструкций наружной стены (основания) и состоят из несущего каркаса, слоя негорючего минераловатного утеплителя, укрытого, в случае необходимости, пленкой «TYVEK»*) и облицовочного слоя (экрана). Между слоями утеплителя и облицовки устраивается вентилируемый воздушный зазор с помощью которого влага, накапливающаяся в утеплителе, может эффективно удаляться (рис. 3.1 - 3.2).
*) пленка на чертежах условно не показана.
3.2. Возможно применение систем SPIDI только для фасадной отделки зданий. В этом случае слой утеплителя отсутствует.
3.3. Несущие каркасы всех систем «SPIDI» включают кронштейны и вертикальные несущие профили.
3.3.1. Наиболее нагруженными элементами каркаса являются кронштейны, которые крепятся к основанию анкерными дюбелями через паронитовую прокладку, снижающую теплопередачу.
Кронштейны изготавливаются в форме уголка с полками разной длины. На короткой полке уголка предусмотрены отверстия под анкерный дюбель для крепления кронштейна к основанию, на другой - для крепления вертикального профиля. Отверстия выполнены овальной и круглой формы. Отверстия овальной формы позволяют вертикальному профилю перемещаться вследствие температурных деформаций.
Кронштейны отличаются длиной консольной части, что позволяет применять слой утеплителя разной толщины, зависящей от коэффициента теплопроводности применяемых минераловатных плит, а также материала и толщины наружных стен. В системе приняты кронштейны SPIDI®max с длиной консольной части 85; 110; 135; 160; 185; 210; 240; 270 и 300 мм и кронштейны SPIDI® с длинами консольной части 40, 60, 80, 100, 120, 140, 160, 180, 200, 220, 240, 260, 280 и 300 мм (рис. 3.3).
Узел крепления кронштейна «SPIDI» к несущей стене показан на рис. 3.6.
3.3.2. Для изготовления кронштейнов применяют следующие материалы: листы из алюминиевых сплавов AlMg 2,5 G 21 или листы из углеродистой стали с алюмоцинковым покрытием Galvalume Band EN 10215-S250 GД + AZ 185-A-C.
3.3.3. В системе «SPIDI» применяют вертикальные профили из алюминиевых сплавов с толщиной стенок не менее 2 мм, и стальные с толщиной стенок 1,5 мм, за исключением стального Т-образного профиля «двойного контура» с толщиной стенки 0,7 мм (рис. 3.4).
Узлы крепления вертикального профиля в кронштейнах SPIDI приведены на рисунках 3.6, 3.8.
3.3.4. Для изготовления несущих профилей применяют следующие материалы: алюминиевые сплавы AlMg 2 G 21, сталь с алюмоцинковым покрытием Galvalume Band EN 10215-S250 GD + AZ 185-A-C, сталь коррозионно-стойкая 12Х18Н9Т, 12Х18Н10Т или сталь тонколистовая оцинкованная 08ПС группа ХП, ПК.
3.4. В системе SPIDI применяют негорючий минераловатный утеплитель различной плотностью, в том числе VENTI BAТTS, PAROC, NOBASIL и др. Толщина слоя утеплителя определяется теплотехническим расчетом, методика которого приводится в разделе 7 настоящих рекомендаций.
Основные типоразмеры минераловатных плит 600´1000 и 600´1200 мм.
Плиты утеплителя кренят непосредственно к основанию тарельчатыми дюбелями со стальными или стеклопластиковыми распорными элементами не менее 8 штук на 1 м2.
3.4.1. В случае применения плит утеплителя без кашированной внешней поверхности их следует покрывать влаговетрозащитной паропроницаемой пленкой типа «TYVEK».
3.5. В системе «SРIDI-Т-ПК-ВХ-ВХ» для устройства экрана применяют следующие облицовочные материалы:
- плиты керамические KerAion, выпускаемые фирмой «DEUTSCHE» STEINZEUG GREMER & BRENER AG» (Германия);
- плиты из керамического гранита MIRAGE, выпускаемые фирмой MIRAGE Granito Ceramico S.p.A (Италия);
- плиты из керамического гранита MARAZZI, выпускаемые фирмой MARAZZI GRUPPO CERAMICHE S.p.A (Италия).
Для крепления облицовочных плит используют кляммеры из коррозионно-стойкой стали (рис. 3.4), устанавливаемые на вертикальных элементах каркаса.
3.6. В системе «SPIDI-T-KX-BX-BX» для наружной отделки применяют листовые металлические материалы, в том числе в виде двух типов кассет с видимым и скрытым креплением последних к вертикальным профилям (рис. 3.5). Кассеты изготавливаются из листовой углеродистой стали или из листов алюминиевых сплавов с защитно-декоративным покрытием.
3.7. Контакт стальных и алюминиевых деталей следует исключить за счет прокладки между ними полимерных шайб или посадки отдельных деталей на свежую краску.
3.8. Изделия и материалы, разрешенные для применения в системе «SРIDI», и требования, которым они должны отвечать, приводятся в «Технической оценке» - приложениям к Техническим свидетельствам Госстроя РФ (п. 1.4) на каждую систему.
3.9. Конструктивное решение системы SPIDI поясняется следующими рисунками:
- общий вид фасада, защищенного утеплителем, приведен на рис. 3.1 - 3.2;
- узлы крепления утеплителя и облицовочных плит на внутреннем и наружном углах здания - на рис. 3.7, 3.9, 3.10;
- примыкание к оконному проему - на рис. 3.11 - 3.15;
- узлы примыкания к парапету и карнизу на рис. 3.16 - 3.17;
- узлы примыкания к цоколю на рис. 3.18 - 3.21.
1. Существующая стена.
2. Кронштейн SPIDI max.
3. Шайба SPIDI.
4. Анкерный дюбель.
5. Т-образный вертикальный профиль.
6. Тарельчатый дюбель для крепления утеплителя.
7. Паронитовая прокладка.
8. Минераловатный утеплитель.
9. Плиты облицовочные.
10. Кляммер.
11. Воздушная прослойка.
12. Заклепка.
Рис. 3.1. Фасадная система «SPIDI» с облицовкой плитами из керамогранита.
1. Существующая стена.
2. Кронштейн SPIDI max.
3. Шайба SPIDI.
4. Анкерный дюбель.
5. Т-образный вертикальный профиль.
6. Тарельчатый дюбель для крепления утеплителя.
7. Паронитовая прокладка.
8. Минераловатный утеплитель.
9. Кассеты.
10. Самонарезающий винт.
11. Воздушная прослойка.
Рис. 3.2. Фасадная система «SPIDI» с облицовкой кассетами («закрытый» стык).
Кронштейн SPIDI® max.
Кронштейн SPIDI®.


Шайба SPIDI®

Рис. 3.3. Кронштейны SPIDI® max, SPIDI® и шайба SPIDI®.
а) из стали
б) из алюминия

Рис. 3.4. Несущие вертикальные профили (поперечное сечение) и кляммеры.
Кассета с «открытым» стыком рядовая
Кассета с «закрытым» стыком рядовая

Размеры А и В назначаются проектом.
Рис. 3.5. Кассеты рядовые.
1. Существующая стена.
2. Кронштейн SPIDI max.
3. Шайба SPIDI.
4. Анкерный дюбель.
5. Т-образный вертикальный профиль.
6. Тарельчатый дюбель для крепления утеплителя.
7. Паронитовая прокладка.
8. Минераловатный утеплитель.
9. Плиты облицовочные.
10. Кляммер.
11. Воздушная прослойка.
12. Самонарезающий винт.
13. Заклепка.
Рис. 3.6. Вертикальный разрез системы с облицовкой керамогранитными плитами.
1. Существующая стена.
2. Кронштейн SPIDI max.
3. Шайба SPIDI.
4. Анкерный дюбель.
5. L-образный вертикальный профиль.
6. Т-образный вертикальный профиль.
7. Тарельчатый дюбель для крепления утеплителя.
8. Паронитовая прокладка.
9. Минераловатный утеплитель.
10. Плиты облицовочные.
11. Кляммер.
12. Воздушная прослойка.
13. Угловая пластина.
14. Самонарезающий винт.
15. Заклепка
Рис. 3.7. Горизонтальный разрез системы по наружному углу с облицовкой керамогранитными плитами.
1. Существующая стена.
2. Кронштейн SPIDI max.
3. Шайба SPIDI.
4. Анкерный дюбель.
5. Т-образный вертикальный профиль.
6. Тарельчатый дюбель для крепления утеплителя.
7. Паронитовая прокладка.
8. Минераловатный утеплитель.
9. Кассета рядовая.
10. Компенсирующий зазор.
11. Воздушная прослойка.
12. Самонарезающий винт.
Рис. 3.8. Вертикальный разрез системы с облицовкой кассетами
а - открытый стык; б - закрытый стык.
1. Существующая стена
2. Кронштейн SPIDI max.
3. Шайба SPIDI.
4. Анкерный дюбель.
5. L-образный вертикальный профиль.
6. Т-образный вертикальный профиль.
7. Тарельчатый дюбель для крепления утеплителя.
8. Паронитовая прокладка.
9. Минераловатный утеплитель.
10. Кассета рядовая.
11. Нащельник угловой.
12. Воздушная прослойка.
13. Угловая пластина.
14. Самонарезающий винт.
Рис. 3.9. Горизонтальный разрез системы по наружному углу с облицовкой кассетами.
1. Существующая стена.
2. Кронштейн SPIDI max.
3. Шайба SPIDI.
4. Анкерный дюбель.
5. L-образный вертикальный профиль.
6. Тарельчатый дюбель для крепления утеплителя.
7. Паронитовая прокладка.
8. Минераловатный утеплитель.
9. Кассета рядовая.
10. Нащельник угловой.
11. Воздушная прослойка.
12. Самонарезающий винт
Рис. 3.10. Горизонтальный разрез системы по внутреннему углу с облицовкой кассетами.
1. Существующая стена.
2. Кронштейн SPIDI max.
3. Шайба SPIDI.
4. Анкерный дюбель.
5. Т-образный вертикальный профиль.
6. Элемент обрамления.
7. Паронитовая прокладка.
8. Минераловатный утеплитель.
9. Плиты облицовочные.
10. Кляммер.
11. Воздушная прослойка.
12. Самонарезающий винт.
13. Заклепка.
14. Пенный утеплитель.
15. Пароизоляционная лента.
16. Полоса стальная оцинкованная d = 0,55 мм с шагом 600 мм.
Рис. 3.11. Вертикальный разрез примыкания системы к верхней части оконного проема с облицовкой керамогранитными плитами.

1. Существующая стена.
2. Кронштейн SPIDI max.
3. Шайба SPIDI.
4. Анкерный дюбель.
5. Т-образный вертикальный профиль.
6. Оконный слив.
7. Паронитовая прокладка.
8. Минераловатный утеплитель.
9. Плиты облицовочные.
10. Кляммер.
11. Воздушная прослойка.
12. Самонарезающий винт.
13. Заклепка.
14. Пенный утеплитель.
15. Пароизоляционная лента.
16. Водоизоляционная паропроницаемая лента.
Рис. 3.12. Вертикальный разрез примыкания системы к нижней части оконного проема с облицовкой керамогранитными плитами.

1. Существующая стена.
2. Кронштейн SPIDI max.
3. Шайба SPIDI.
4. Анкерный дюбель.
5. Т-образный вертикальный профиль.
6. Элемент обрамления.
7. Паронитовая прокладка.
8. Минераловатный утеплитель.
9. Кассета рядовая.
10. Отверстие d = 10 мм.
11. Воздушная прослойка.
12. Самонарезающий винт.
13. Заклепка.
14. Пенный утеплитель.
15. Пароизоляционная лента.
16. Полоса стальная оцинкованная d = 0,55 мм с шагом 600 мм.
Рис. 3.13. Вертикальный разрез примыкания системы к верхней части оконного проема с облицовкой кассетами.

1. Существующая стена.
2. Кронштейн SPIDI max.
3. Шайба SPIDI.
4. Анкерный дюбель.
5. Т-образный вертикальный профиль.
6. Оконный слив.
7. Паронитовая прокладка.
8. Минераловатный утеплитель.
9. Кассета рядовая.
10. Элемент обрамления.
11. Воздушная прослойка.
12. Самонарезающий винт.
13. Заклепка
14. Пенный утеплитель.
15. Пароизоляционная лента.
16. Водоизоляционная паропроницаемая лента.
Рис. 3.14. Вертикальный разрез примыкания системы к нижней части оконного проема с облицовкой кассетами.
1. Существующая стена.
2. Кронштейн SPIDI max.
3. Шайба SPIDI.
4. Анкерный дюбель.
5. L-образный вертикальный профиль.
6. Тарельчатый дюбель для крепления утеплителя.
7. Паронитовая прокладка.
8. Минераловатный утеплитель.
9. Кассета рядовая.
10. Элемент обрамления.
11. Воздушная прослойка.
12. Самонарезающий винт.
13. Заклепка.
14. Пенный утеплитель.
15. Пароизоляционная лента.
16. Полоса стальная оцинкованная d = 0,55 мм.
Рис. 3.15. Горизонтальный разрез системы по оконному откосу с облицовкой кассетами.
1. Существующая стена.
2. Кронштейн SPIDI max.
3. Шайба SPIDI.
4. Анкерный дюбель.
5. Т-образный вертикальный профиль.
6. Тарельчатый дюбель для крепления утеплителя.
7. Паронитовая прокладка.
8. Минераловатный утеплитель.
9. Плиты облицовочные.
10. Кляммер.
11. Воздушная прослойка.
12. Самонарезающий винт.
13. Заклепка.
14. Карниз здания.
15. Водоизоляционная паропроницаемая лента.
Рис. 3.16. Вертикальный разрез примыкания системы к карнизу с облицовкой керамогранитными плитами.
1. Существующая стена.
2. Кронштейн SPIDI max.
3. Шайба SPIDI.
4. Анкерный дюбель.
5. Т-образный вертикальный профиль.
6. Тарельчатый дюбель для крепления утеплителя.
7. Паронитовая прокладка.
8. Минераловатный утеплитель.
9. Плиты облицовочные.
10. Кляммер.
11. Воздушная прослойка.
12. Самонарезающий винт.
13. Заклепка.
14. Элемент парапета.
15. Элемент крепления парапета.
16. Водоизоляционная паропроницаемая лента.
Рис. 3.17. Вертикальный разрез примыкания системы к парапету с облицовкой керамогранитными плитами.
1. Существующая стена.
2. Кронштейн SPIDI max.
3. Шайба SPIDI.
4. Анкерный дюбель.
5. Т-образный вертикальный профиль.
6. Тарельчатый дюбель для крепления утеплителя.
7. Паронитовая прокладка.
8. Минераловатный утеплитель.
9. Плиты облицовочные.
10. Кляммер.
11. Воздушная прослойка.
12. Самонарезающий винт.
13. Заклепка.
14. Элемент крепления цоколя.
15. Перфорированный нащельник.
16. Водоизоляционная паропроницаемая лента.
Рис. 3.18. Вертикальный разрез примыкания системы у цоколя с облицовкой керамогранитными плитами (вариант 1).

1. Существующая стена.
2. Кронштейн SPIDI max.
3. Шайба SPIDI.
4. Анкерный дюбель.
5. Т-образный вертикальный профиль.
6. Слив.
7. Паронитовая прокладка.
8. Минераловатный утеплитель.
9. Плиты облицовочные.
10. Кляммер.
11. Воздушная прослойка.
12. Самонарезающий винт.
13. Заклепка.
14. Элемент крепления цоколя.
15. Водоизоляционная паропроницаемая лента.
Рис. 3.19. Вертикальный разрез примыкания системы у цоколя с облицовкой керамогранитными плитами (вариант 2).

1. Существующая стена.
2. Кронштейн SPIDI max.
3. Шайба SPIDI.
4. Анкерный дюбель.
5. Т-образный вертикальный профиль.
6. Слив.
7. Паронитовая прокладка.
8. Минераловатный утеплитель.
9. Кассета рядовая.
10. Водоизоляционная паропроницаемая лента.
11. Воздушная прослойка.
12. Самонарезающий винт.
13. Заклепка.
14. Элемент крепления цоколя.
Рис. 3.20. Вертикальный разрез примыкания системы у цоколя с облицовкой кассетами (вариант 2).
1. Существующая стена.
2. Кронштейн SPIDI max.
3. Шайба SPIDI.
4. Анкерный дюбель.
5. Т-образный вертикальный профиль.
6. Тарельчатый дюбель для крепления утеплителя.
7. Паронитовая прокладка.
8. Минераловатный утеплитель.
9. Кассета рядовая.
10. Водоизоляционная паропроницаемая лента.
11. Воздушная прослойка.
12. Самонарезающий винт.
13. Облицовка цоколя.
Рис. 3.21. Вертикальный разрез примыкания системы у цоколя с облицовкой кассетами (вариант 3).
4.1. Проектно-сметная документация на систему для конкретного объекта разрабатывается на основе задания на проектирование, подготовленного в соответствии с существующим в г. Москве порядком и утвержденного заказчиком. Задание на проектирование обязательно должно содержать требование о соответствии системы СНиП II-3-79* (изд. 98 г.), СНиП 23-02-2003 и МГСН 2.01-99.
4.2. Задание на проектирование должно включать следующие исходные данные:
- архитектурные чертежи фасадов здания, включающие данные о фактуре и цвете облицовочных материалов, чертежи архитектурных деталей (карнизов, обрамления проемов и т.п.) и другие необходимые данные, если это не входит в состав работ по данному заданию;
- строительные чертежи наружных стен от фундаментов до парапетов, включая узлы, поясняющие решение и размеры всех конструкций;
- данные от разработчиков фундаментов о величине допустимой дополнительной нагрузки на стены здания или заключение компетентной организации о несущей способности фундаментов здания;
- план участка, где расположено здание.
Для реконструируемых зданий задание на проектирование дополнительно должно содержать акт обследования наружных стен здания, где указывается состояние поверхности фасадов, результаты испытаний на усилия, с которым принятые дюбели можно вырвать из стены и геодезическую съемку поверхностей фасадов с данными о величине отклонений их отдельных участков от вертикальной плоскости.
4.3. В составе задания на проектирование должна быть Техническая оценка Госстроя России (приложение к Техническому свидетельству) на эту фасадную систему.
5.1. К основным параметрам системы следует отнести:
- тип и размер облицовочных материалов и способ их крепления к несущему каркасу;
- характеристику принятых плит утеплителя: марку, размеры, плотность, теплопроводность, наличие или отсутствие защитного слоя; величину воздушного зазора;
- схему размещения на фасаде здания кронштейнов и вертикальных профилей со всеми необходимыми размерами, в том числе, расстояние от основания до экрана;
- марку дюбелей для крепления кронштейнов несущего каркаса к основанию;
- марку дюбелей для крепления плит утеплителя к основанию.
5.2. Тип и размер облицовочных плит, их цвет и фактуру поверхности определяет главный архитектор проекта, если эти данные не приведены в задании на проектирование системы.
5.3. Выбор плит утеплителя выполняется на основании теплотехнических расчетов, методика которых приводится ниже. Там же (в разделе «Теплотехнические расчеты») приводится методика определения величины воздушного зазора.
В случае применения плит утеплителя с кашированной поверхностью можно обойтись без гидроветрозащитной мембраны.
5.4. Схема размещения на фасаде здания элементов несущего каркаса разрабатывается, исходя из следующих данных:
- размеров по ширине облицовочных плит, вертикальный шов между которыми должен располагаться в центре вертикального профиля;
- геометрии фасада здания, размещении на фасаде проемов, балконов, карнизов и других отступающих (выступающих) от плоскости фасада элементов для минимизации применения облицовочных плит с нестандартными размерами;
- результатов прочностных расчетов системы, благодаря которым, в том числе, уточняется шаг по горизонтали и по вертикали установки кронштейнов;
- расстояния от основания до экрана, принятого на основании теплотехнических расчетов, при этом следует учитывать величину фактических отклонений фасада от проектного положения.
5.5. Марку дюбелей для крепления кронштейнов и утеплителя выбирают с учетом результатов прочностных расчетов системы, материала основания, паспортных данных рассматриваемых дюбелей и результатов испытаний принятых дюбелей на выдергивание.
6.1. Методические предпосылки
Прочностные расчеты включают проверку прочности и деформаций металлических профилей, анкерных болтов и стержней, стыковых соединений профилей между собой, их креплений к основным несущим конструкциям здания.
Нагрузки от собственной массы облицовочных плит и утеплителя принимаются по техническим условиям или паспортным данным предприятий-изготовителей. Временные нагрузки от ветра принимаются по [4], в данном случае для I ветрового района г. Москвы. Кроме того, учитываются дополнительные коэффициенты к ветровым нагрузкам в соответствии с письмом ЦНИИСКа № 1-945 от 14.11.2001 г. Нагрузку от собственной массы профилей в случаях, когда она относительно мала, возможно, не учитывать.
Усилия: изгибающие моменты, поперечные и продольные силы; прогибы определяются с использованием основных положений сопротивления материалов и строительной механики. Коэффициенты надежности по нагрузкам gf, а также единый коэффициент надежности по ответственности gn = 0,95, принимаются по [4].
Физико-механические характеристики материалов профилей, их соединений и крепежных элементов следует принимать по [5, 6].
Подробно методика расчета проиллюстрирована в приводимом ниже примере (п. 6.4). В примере исходные параметры даны для конкретных материалов и конструкций (п. 6.2). В то же время приведенная методика, где все расчетные формулы даются как в буквенном, так и в числовом выражениях со ссылками на нормативные источники, может быть использована и для других вариантов и сочетаний материалов и конструктивных решений.
В примере приняты условные обозначения: Мв - момент от вертикальной нагрузки; Мг - то же, от горизонтальной; Кспр - табличные коэффициенты по [24].
Индексы «е» (edge) и «с» (centre) - соответственно для угловых и средних зон фасада.
6.2. Характеристики материалов
Расчетные сопротивления несущих профилей, изготовленных из оцинкованной стали, согласно [6] (МПа): на растяжение, сжатие и изгиб Rу = 230; на сдвиг Rs = 133; на смятие Rlp = 175; модуль упругости Е = 210000. Коэффициент условий работы gс = 1.
Расчетные сопротивления стальных болтов и саморезов по [6] (МПа): на растяжение Rвt = 170; на срез Rвs = 150; на смятие Rвp = 235. Коэффициент условий работы на срез и смятие gв = 0,8.
Предел прочности при изгибе керамогранитных плит Rи =35 МПа.
Утеплитель - минераловатные плиты плотностью gут = 80 кг/м3. Прочность на сжатие утеплителя при 10 % деформации Rут = 0,02 МПа.
6.3. Расчетные схемы
Направления координатных осей приняты:
ось X - горизонтальная в плоскости стены;
ось Y - горизонтальная по нормали к стене;
ось Z - вертикальная в плоскости стены.
Расчетная схема облицовочной плиты - шарнирно опертая по углам на вертикальные направляющие пластина (рис. 6.1).
Расчетная схема вертикальных направляющих профилей - многопролетная неразрезная балка, жестко защемленная на средней опоре и подвижно защемленная на крайних опорах-кронштейнах с консолями у концов (рис. 6.2). К направляющим прикладывается вертикальная нагрузка от веса облицовочных плит с эксцентриситетом относительно центра тяжести еу и горизонтальная ветровая нагрузка.
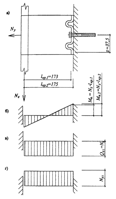
Расчетная схема кронштейнов - консоль с вылетом lкр (рис. 6.3), диктуемым толщиной слоя утеплителя и воздушного зазора. На кронштейны через вертикальные направляющие передаются вертикальные и горизонтальные нагрузки.
Расчетная схема крепления кронштейнов к стене (рис. 6.3) принята с учетом восприятия как изгибающего момента от вертикальной нагрузки, так и горизонтальной ветровой нагрузки.
Расчетная схема распорных стержней для крепления утеплителя - консоль с вылетом lут = dут.
Соединение вертикальных направляющих профилей с кронштейнами, крепление кронштейнов к стене рассчитываются на действие усилий среза, растяжения, изгиба и вырыва от совместного действия вертикальной и ветровой нагрузок.
Рис. 6.1. Расчетная схема облицовочной плиты
а - размеры и опирание плиты; б - расчетная схема на ветровую нагрузку.
Рис. 6.2. Расчетная схема вертикальной направляющей
а - на вертикальные нагрузки; б - на горизонтальные нагрузки.
Рис. 6.3. Расчетная схема опорного кронштейна
а - схема приложения усилий; б, в, г - эпюры M, Q и N
6.4.1. Исходные данные
В данном примере принят вариант с облицовочными плитами из керамогранита толщиной d = 10 мм, g = 2500 кг/м3.
Толщина стенок вертикальных направляющих d = 0,7 мм, кронштейнов - 2 мм.
Шаги кронштейнов и, соответственно, направляющих по оси «X» lх = 0,6 м; по оси «Z», что соответствует пролетам направляющих, lz = 1,2 м; направляющие у концов имеют консоли lz, к = 0,3 м.
Крепление облицовочных плит к направляющим производится с помощью стальных кляммеров; крепление направляющих к кронштейнам - стальными саморезами Æ 4,8 мм; крепление кронштейна к стене - одним стальным болтом Æ 8 мм с дюбелем.
Утеплитель - минераловатные плиты - по п. 6.2, крепится к стене независимо от облицовки, стальными распорными стержнями Æ 5 мм с шляпками Æ 80 мм. Толщина утеплителя dyт = 150 мм.
Вертикальные
нагрузки (Па): от веса облицовочных плит: нормативная
= 2500 ×
0,01 ×
101 = 250; расчетная qz
= yf
= 1,2 ×
250 = 300; от веса утеплителя - расчетная qут = gf ×
gут
×
d
= 1,3 ×
80 ×
150 ×
10-3 × 101 = 15; нагрузкой от
собственного веса профилей пренебрегается.
Горизонтальные
ветровые нагрузки приняты для высоты Н = 80 м; нормативное значение ветрового
давления для I
ветрового района W0
= 0,23 кПа; коэффициент «К» для зданий высотой 80 м, тип местности «В», по
табл. 6 [4]
К = 1,45; аэродинамический коэффициент принимается для угловых зон фасада
(отсос) Се =
; для средних зон при положительном давлении ветра Сс
= 0,8; коэффициенты, учитывающие пульсационную составляющую ветровой нагрузки:
для угловых зон gр = 1,3; для средних
зон, вычисленный по формуле (8) [4] gp = 1,5; коэффициент gm = 1,2 увеличения
средней величины ветрового давления при расчете узлов крепления (gр
и gm - по рекомендации
ЦНИИСК, как дополнение к [4]).
Горизонтальные ветровые нагрузки (Па):
в угловых зонах:
нормативная
= W0 ×
К ×
С ×
gр
= 230 ×
1,45 ×
2 ×
1,3 = 867;
расчетная qy = 1,4 × 867 = 1214;
в средних зонах:
= 230 ×
1,45 ×
0,8 ×
1,5 =400; qy
= 1,4 ×
400 = 560.
6.4.3. Расчет облицовочной плиты
Геометрические характеристики
Для плиты шириной bz = 0,6 м; d = 10 мм: W = 10000 мм3; J = 50000 мм4; lx = 0,6 м.
Проверка прочности
Вертикальные и горизонтальные нагрузки на облицовочные плиты соответствуют указанным в п. 6.4.2. Так как проверка прочности плит в их плоскости не требуется, то используются лишь горизонтальные ветровые нагрузки.
Для
шарнирно опертой балочной плиты по известной формуле для угловых зон Мг
= qуbz
/Кспр = 1214 ×
0,6 ×
0,62/8 = 54,6 Нм.
Условие прочности на изгиб Мг × gn = 54,6 × 0,95 = 51,9 Нм < a × Rи × W = 1 × 35 × 10000 × 10-3 =350 Нм; прочность на изгиб обеспечивается.
6.4.4. Расчет вертикальной направляющей
Геометрические характеристики
Для полного поперечного сечения: d = 0,7 мм; А = 118 мм2; Jx = 25045 мм4; Wx = 764 мм3; Sx = 1437 мм3; t = 2d = 1,4 мм;
то же ослабленного отверстиями для саморезов: An = 111 мм2; Jxn = 23908 мм4; Wхв = 729 мм3; Sxn = 1330 мм3; tn = l,4 мм.
Определение усилий
Вертикальная расчетная нагрузка от веса плит на 1 м направляющей, прикладываемая с эксцентриситетом относительно центра тяжести профиля еу = 18 м: рz = qz × lx = 300 × 0,6 = 180 Н/м.
Нагрузкой от собственного веса направляющей пренебрегается.
Горизонтальные нагрузки от ветрового давления на 1 м профиля (Н/м):
в
угловых зонах: нормативная
=
×
lx = 867 ×
0,6 = 520;
расчетная руе = qуе × lх = 1214 × 0,6 = 728;
в
средних зонах: нормативная
= 400 ×
0,6 = 240;
расчетная рус = 560 × 0,6 = 336.
Для дальнейших расчетов принимаются горизонтальные ветровые нагрузки только в угловых зонах фасада. Индексы «е» и «с» далее опускаются.
Изгибающие моменты в расчетном сечении на опоре (Н × м):
- от вертикальной расчетной нагрузки Мв = kcпp × pz × lz × еу = 0,5 × 180 × 1,2 × 0,018 = 1,94;
- от горизонтальной ветровой нагрузки:
нормативной
= kспр
×
×
= 0,1 ×
520 ×
1,22 = 75;
расчетной
Мг = kспр
×
py
×
= 0,1 ×
728 ×
1,22 = 105.
Продольное усилие Nz = pz (lz + lkz) = 180 × (1,2 + 0,3) = 270 Н.
Максимальная поперечная сила Qy = ру × lz/2 = 728 × 1,2/2 = 437 Н.
Проверка прочности на растяжение с изгибом
По формуле (50) [6] для сечений над средними опорами
для угловых зон
![]()
прочность на растяжение с изгибом обеспечивается.
В средних зонах прочность обеспечивается с большим запасом.
Проверка прочности на сдвиг
По
формуле (29) [6]
для угловых зон
![]()
прочность на сдвиг обеспечивается.
Проверка прочности крепления направляющей к кронштейну
Крепление производится двумя (ns = 2) стальными саморезами d = 4,8 мм и d0 = 3,7; расчетной площадью сечения 1 самореза = 10,7 мм2, с расчетными сопротивлениями по п. 6.2.
Усилия, действующие на соединение:
от вертикальной расчетной нагрузки Qz,2 = Nz= 270 Н;
от горизонтальной расчетной нагрузки Ny.2 = gm × qy × lх × lz = 1,2 × 1214 × 0,6 × 1,2 = 1049 Н.
По формуле (127) [6] на срез: tz = Qz,2 / (A × ns) = 270 / (10,7 × 2) = 12,6 МПа;
ty = Ny / (А × ns) = 1049 / (10,7 × 2) = 49 МПа;
результирующее
прочность саморезов
на срез обеспечивается.
По формуле (128) [6] на смятие профиля:
tz = Qz,2 / (n × d × t) = 270 / (2 × 3,7 × 1,4) = 26,1 МПа;
tу = Nyc / (n × d × t) = 1049 / (2 × 3,7 × 1,4) = 101,3 МПа;
результирующее
;
прочность на смятие обеспечивается.
Проверка жесткости
Проверяется
прогиб в направлении оси «у», т.е. по нормали к стене, от действия нормативной
ветровой нагрузки
= 520 Н/м, с
изгибающим моментом на средних опорах
= 75 Нм.
Для неразрезной многопролетной балки согласно [24]
![]()
![]()
f/l = 0,01 / 1200 = 1 / 120000, что меньше предельно допустимой величины [f/l] = 1 / 200, жесткость профиля достаточна.
6.4.5. Расчет опорного кронштейна К2
Геометрические характеристики
Для вертикального поперечного сечения: d = 2 мм; А = 242 мм2; Wx = 2709 мм3; Jx = 117856 мм4; Sx = 2735 мм3; tx = d = 2 мм.
Усилия
От вертикальной расчетной нагрузки Nz = pz × lz = 180 × 1,2 = 216 Н; от горизонтальной нагрузки Ny = py × lz = 728 × 1,2 = 874 Н. Плечо (вылет) до расчетного сечения lкр.1 = 173 мм. Изгибающий момент от вертикальной нагрузки Мв = Nz × lкр.1 = 216 × 173 × 10-3 = 37,4 Нм.
Проверка прочности на растяжение с изгибом
По формуле (50) [6]
для угловых зон
![]()
прочность на растяжение с изгибом обеспечивается.
Проверка прочности на сдвиг
По формуле (29) [6] от вертикальной нагрузки Qz = Nz
![]()
прочность на сдвиг обеспечивается.
Прочность болтового соединения кронштейна
Крепление кронштейна к стене производится одним стальным болтом Æ 8 мм с расчетным диаметром на растяжение d0 = 6,4 мм и расчетной площадью сечения: на растяжение Авn = 32,1 мм2; на срез и смятие А = 50,3 мм2.
Плечо (вылет) до стены lкр.2 = 175 мм; плечо внутренней пары сил в плоскости стены Z = 37,5 мм.
Изгибающий момент от вертикальной нагрузки: Мв2 =Nz × lкр.2 = 216 × 175 × 10-3 = 37,8 Нм;
Продольная сила Ny2 = gm × Ny = 1,2 × 874 = 1049 Н;
поперечная сила Qz2 = Nz= 216 Н.
Растягивающее усилие в болте: от продольной силы Ny2 = 1049 Н;
от момента Nв2 = Мв2 / Z = 37,8 × 103/37,5 = 1008 Н;
суммарное Nв = Ny2 + Nв2 = 1049 + 1008 = 2057 Н.
По формуле (129) [6] на растяжение: Nв × gn = 2057 × 0,95 = 1954 Н < Rвt × Aвn = 170 × 32,1 = 5457 Н;
По формуле (127) [6] на срез: Qz2 × gn = 216 × 0,95 = 205 Н < Rвs × gв × А × ns = =150 × 0,8 × 50,3 × 1 = 6036 Н; прочность болтов на растяжение и срез обеспечивается.
По формуле (128) [6] на смятие стенки кронштейна под болтом: Qz2 × gn = 216 × 0,95 = 205 Н < Rlp × d × t = 175 × 8 × 1,2 = 1680 Н; прочность кронштейна на смятие под болтом обеспечивается.
Крепление болтов к стене
Вырывающее усилие на болт в угловых зонах равно Nв = 2057 Н. Под это усилие следует подбирать конструкцию дюбелей и болтов с учетом материала основания по каталогам фирм-изготовителей, в частности, швейцарской фирмы «Mungo».
6.4.6. Расчет крепления утеплителя
На 1 м2 стены приходится » 8 распорных стержней: на 1 стержень с расчетной площадью сечения А = 19,6 мм2 приходится Ayт.1 » 0,125 м2.
Поперечная сила, приходящаяся на 1 стержень от веса утеплителя, Qz = gyт × dyт × Аyт.1 = 80 × 0,15 × 101 × 0,125= 15 Н.
По формуле (127) [6]: Qz × уn = 15 × 0,95 = 14,3 Н < 150 × 0,8 × 19,6 = 2352 Н; прочность стержней на срез обеспечивается.
При диаметре шляпки dш = 80 мм утеплитель может воспринять усилие сжатия не более [N] = Ryт × Аш = 0,02 ×p × 802/4 = 100,5 Н.
Контроль за ограничением этого усилия осуществляется по величине деформации обжатия утеплителя под шляпкой, которая при dут = 150 мм не должна превышать D = 0,1 × 150 = 15 мм.
В настоящем разделе приводятся принципы теплотехнического проектирования систем наружных стен с вентилируемыми воздушными прослойками между экраном и теплоизоляционным слоем, приводятся рекомендации по различным техническим параметрам для системы «SPIDI».
Принципы теплотехнического проектирования включают методы теплотехнических расчетов, расчеты воздухообмена и влагообмена в воздушных прослойках.
Методика теплотехнических расчетов базируется на требованиях МГСН 2.01-99 [13], СНиП II-3-79* (изд. 98 г.) [7], СНиП 23-02-2003 [8].
Эти
требования (п. 5.1
а, б [8])
заключаются в обеспечении соответствия приведенного сопротивления теплопередаче
, наружных ограждений (средне взвешенное
на этаж) требуемому (
) значению приведенного сопротивления теплопередаче (табл. 16
СНиП II-3-79* (изд. 98
г.), табл. 4 СНиП 23-02-2003).
Методика расчета воздухо и влагообмена в наружных стенах основывается на требовании СНиП II-3-79* (изд. 98 г.) и СНиП 23-02-2003 по недопустимости накопления влаги в стенах за годовой период эксплуатации, а также накопления влаги в воздушных зазорах (прослойках) между экранами и утеплителем.
7.2. Основные, используемые в тексте, понятия
Воздушная прослойка между утеплителем и экраном, вентилируемая наружным воздухом; швы (зазоры), - приточные (воздухозаборные) и вытяжные (воздуховыводящие). Путями прохождения наружного воздуха могут являться в основном горизонтальные стыковые швы элементов экрана, поскольку вертикальные, как правило, закрыты.
Условное сопротивление паропроницанию - приведенное, учитывающее сопротивление паропроницанию материалов экрана с учетом швов между облицовочными панелями.
При проектировании зданий с вентилируемыми фасадами следует учитывать уже принятые параметры системы:
- минимальный размер швов для притока воздуха рекомендуется 4 - 6 мм (при размерах плит экрана 600´600 мм) для Москвы;
- общая толщина воздушной прослойки принимается 60 мм для Москвы;
- площадь отверстий в швах для вытяжки воздуха не должна быть менее сечения отверстий щели для притока.
7.4. Правила теплотехнического проектирования наружных ограждений с вентилируемым фасадом
Теплотехническое проектирование наружных стен, где применяются фасадные системы с вентилируемым воздушным зазором, выполняется в два этапа.
Причем второй этап применяется, если после первого этапа не выявится надежность рассматриваемой конструкции в теплотехническом отношении.
Первый этап
Назначается конструктивное решение стены, в т.ч. параметры экранов, приточных и выводных щелей с учетом раздела 7.3.
Выполняется теплотехнический расчет наружной стены с экраном, при котором определяется необходимая толщина теплоизоляции.
Выполняется расчет влажностного режима стены по методике СНиП II-3-79* (изд. 98 г.) [7], СНиП 23-02-2003 [8] с учетом коэффициента паропроницаемости по глади экрана.
Если по результатам расчетов влажностный режим стены удовлетворяет требованиям норм строительной теплотехники [7], [8], то на этом теплотехническое проектирование заканчивается.
Если по результатам расчетов влажностный режим экранированных стен не удовлетворяет требованиям, то подбирается такой размер швов и экрана, чтобы с ними конструкция стены удовлетворяла действующим нормативным требованиям [7], [8].
Если расчет влажностного режима наружного ограждения с вентилируемым фасадом показал невыполнение требований [7], [8], а другой материал стены и экрана подобрать нельзя, то переходят ко второму этапу теплотехнического проектирования.
1) Определяется условное сопротивление паропроницанию экрана с учетом швов по методике раздела 7.6.6.
2) С учетом этого показателя проводят расчет влажностного режима по методике [7], [8].
4) С учетом результатов расчета по пп. 2, 3 анализируются результаты, при необходимости корректируются материалы и их толщины в конструкции с целью исключения влагонакопления в годовом цикле. Если проведенных упомянутых расчетов для определения применимости конструкции не достаточно, то расчет продолжается в следующей последовательности.
4.1) С учетом этажности здания и района строительства определяется скорость движения воздуха в прослойке за экраном и расход воздуха.
4.2) Определяется температура на выходе из воздушной прослойки.
4.3) Определяется действительная упругость водяного пара на выходе из прослойки еу по формуле (16). Проверяется условие еу < Ен, где Ен - максимальная упругость водяного пара на выходе из прослойки.
7.5. Краткая характеристика объекта и нормативные требования
Для расчета принято жилое здание, расположенное в г. Москве.
Рассматриваются два варианта наружной стены: с внутренним слоем из монолитного железобетона у0 = 2500 кг/м3, толщиной 0,18 м (lБ = 2,04 Вт/м°С) и из кирпича, толщиной 0,51 м (lБ = 0,64 Вт/м°С). Утеплитель в виде плит базальтовой минваты, покрытый паропроницаемой влаговетрозащитной пленкой «TAYVEK», укреплен на внутреннем слое с его наружной стороны тарельчатыми дюбелями. С этой же стороны к внутреннему слою через паронитовую прокладку анкерными дюбелями прикреплены стальные кронштейны, а к ним саморезами крепят алюминиевые или стальные вертикальные профили, на которые посредством кляммеров из нержавеющей стали навешивают керамогранитные плитки, являющиеся облицовочным слоем фасада. Длина кронштейнов и соответственно расстояние от внутреннего слоя стены до облицовочного таково, что между облицовочным слоем и слоем утеплителя есть воздушный зазор расчетной толщины. Для облицовочного слоя применяют керамогранитные плиты размером 600´600´10 мм, плотностью 1600 кг/м3. Воздушный зазор в фасадных системах в нижней части (у цоколя) имеет отверстия для притока воздуха, а в верхней части - аналогичные вытяжные отверстия. Кроме того, обмен воздуха может происходить благодаря зазорам в горизонтальных швах величиной 4 ¸ 6 мм между смежными плитками.
Требования к теплотехническим характеристикам конструкций и к сопротивлению теплопередаче конструкций содержатся в СНиП II-3-79* (изд. 98 г.) [7], СНиП 23-02-2003 [8], МГСН 2.01-99 [13] и СП 23-101-2004 [25].
На основе [7], [8] и [13] составлена таблица 1 исходных расчетных данных, где представлены требуемые сопротивления теплопередаче наружных стен жилых зданий.
Таблица 1.
Значения нормативных требований к наружным ограждениям жилых зданий
|
Название нормативного документа |
Требуемое сопротивление теплопередаче наружных стен |
ГСОП |
Город |
|
|
1 |
2 |
3 |
4 |
5 |
|
1. |
СНиП 23.01-99 [9], |
|
|
|
|
|
СНиП II-3-79* (изд. 98 г.) [7] |
3,13 |
4943 |
Москва |
Дальнейшие расчеты выполняются в соответствии с разделом 7.1 настоящих рекомендаций.
7.6. Методика теплотехнического расчета наружных стен с вентилируемой воздушной прослойкой
7.6.1. Общие требования
Расчет наружных стен с экраном и вентилируемой воздушной прослойкой основан на расчете теплотехнических характеристик стен и расчета влажностного режима.
Теплотехнический расчет наружных стен с вентилируемой прослойкой в соответствии с настоящим разделом включает в себя:
- подбор толщины теплоизоляционного слоя;
- определение влажностного режима всей стены;
- определение параметров воздухообмена в прослойке;
- определение тепловлажностного режима прослойки.
7.6.2. Определение толщины теплоизоляционного слоя
В основу конструктивных решений наружных стен при определении приведенных сопротивлений теплопередаче предварительно принимаются толщины утеплителя, рассчитанные по формуле:
(1)
где:
(или)
- требуемое
приведенное сопротивление теплопередаче стен, м2 ×
°С/Вт;
r - коэффициент теплотехнической однородности по табл. 2; 3 для определения предварительной толщины утеплителя в зависимости от материала, толщины и физических характеристик стены.
Значения «r», данные в табл. 2, 3, посчитанные для фрагмента стены размером 3´3 м с оконным проёмом 1,5´1,5 м и являются предварительными.
Таблица 2.
Значения r кирпичных утепленных снаружи стен
|
Коэффициент r при l, Вт/м °С |
||||
|
стены (без дополнительного утепления) |
утеплителя |
0,04 |
0,05 |
0,08 |
|
0,38 |
0,1 |
0,705 |
0,726 |
0,73 |
|
0,15 |
0,693 |
0,713 |
0,73 |
|
|
0,2 |
0,68 |
0,7 |
0,715 |
|
|
0,51 |
0,1 |
0,694 |
0,714 |
0,73 |
|
0,15 |
0,682 |
0,702 |
0,72 |
|
|
0,2 |
0,667 |
0,687 |
0,702 |
|
|
0,64 |
0,1 |
0,685 |
0,7 |
0,715 |
|
0,15 |
0,675 |
0,69 |
0,705 |
|
|
0,2 |
0,665 |
0,68 |
0,695 |
|
Примечания:
1. Для получения значений «r» с учетом глухих участков и торцовых стен приведенные в таблице значения умножаются на n = 1,05. Коэффициент «n» может быть уточнен.
2. Коэффициент «r» посчитан для фрагментов с проемностью 25 %. При проёмности, отличающейся от табл. 2, 3 (см. ниже), на каждые 10 % коэффициент «r» соответственно изменяется на 4 % для кирпичных стен.
Таблица 3.
Значения r бетонных утепленных снаружи стен
|
Коэффициент r при l, Вт/м °С |
||||
|
панели (без дополнительного утепления) |
утеплителя |
0,04 |
0,05 |
0,08 |
|
0,3 |
0,05 |
0,9 |
0,92 |
0,95 |
|
0,1 |
0,84 |
0,87 |
0,88 |
|
|
0,15 |
0,81 |
0,84 |
0,85 |
|
|
0,35 |
0,05 |
0,87 |
0,9 |
0,93 |
|
0,1 |
0,8 |
0,83 |
0,86 |
|
|
0,15 |
0,78 |
0,81 |
0,83 |
|
|
0,4 |
0,05 |
0,82 |
0,87 |
0,9 |
|
0,1 |
0,77 |
0,8 |
0,83 |
|
|
0,15 |
0,75 |
0,78 |
0,8 |
|
|
0,2 |
0,74 |
0,765 |
0,785 |
|
Примечания:
1. Проёмность 25 % с учетом коэффициента n = 1,05 (см. формулу (3) ниже). При проёмности, отличающейся от данных табл. 3, на каждые 10 % коэффициент «r» соответственно изменяется на 2 %.
2. Значения «r» в табл. 2, 3 даны для учета ориентировочной толщины утеплителя в расчете влажностного режима стены.
При рабочем проектировании указанные значения «r» должны уточняться с учетом конкретного типа кронштейнов.
Средневзвешенное значение приведенного сопротивления теплопередаче слоистых наружных стен определяется (на секцию) по формуле:
(2)
где:
-
сумма площадей фрагментов наружных стен (k - количество фрагментов стен), м2;
Fi,
- соответственно площадь
и приведенное сопротивление теплопередаче i-го фрагмента стен, м2 ×
°С/Вт;
*)
, то же, что
и
, то же, что ![]()
Если
>
по СНиП II-3-79* (изд. 98 г.) [7], СНиП 23-02-2003 [8],
конструкция стены удовлетворяет требованиям теплотехнических норм. Если
<
, то следует либо увеличить толщину утепляющего слоя, либо
рассмотреть возможность включения в проект энергосберегающих мероприятий.
Для расчета средневзвешенного значения многослойных наружных стен при наличии в стенах глухих (без проемов) участков может быть также использована формула:
R0г
ср
(3)
где:
n = 1,05 - коэффициент, учитывающий наличие глухих участков в торцовых стенах. При выполнении проектов этот коэффициент «n» в каждом случае имеет свое значение, соответствующее особенностям данных конструктивных и объемно-планировочных решений.
7.6.3. Определение влажностного режима наружных стен
Влажностный режим наружных стен может определяться двумя методами. По СНиП 23-02-2003, СНиП II-3-79* (изд. 98 г.) и исходя из баланса влаги.
Определение влажностного режима наружных стен по балансу влаги производится в следующей последовательности:
1. Определяются исходные данные для расчета;
2. Определяются сопротивления паропроницанию слоев конструкции наружной стены, параметры внутреннего и наружного воздуха;
3. Определяется приток (DР1) и отток (DР2) влаги (пара) к рассматриваемому сечению по формулам:
(4)
где
ев, ен - упругость водяного пара внутреннего и наружного воздуха;
еt
и
- то же, в рассматриваемом
сечении;
(5)
Ro п.вн.сл - сопротивление паропроницанию от внутренней поверхности до границы зоны возможной конденсации;
- сумма
сопротивлений паропроницанию слоев до рассматриваемого сечения;
Rоп - сопротивления паропроницанию всей стены.
По указанным формулам определяется упругость водяного пара ei в характерных сечениях конструкции в годовом цикле.
Если ei окажется больше максимальной упругости водяного пара Е, то в данном сечении может образовываться конденсат.
7.6.4. Определение параметров воздухообмена в прослойке
Движение воздуха в прослойке осуществляется за счет гравитационного (теплового) и ветрового напора. В общем виде скорость движения воздуха в прослойках Vпр может определяться по следующим формулам:
где:
кн, кз - аэродинамические коэффициенты принимаются по СНиП 2.01.07-85 [4];
Vн - скорость движения наружного воздуха;
к - коэффициент учета изменения скорости потока по высоте по СНиП 2.01.07-85;
Н - разности высот от входа воздуха в прослойку до ее выхода из нее;
tcp, tн - средняя температура воздуха в прослойке и температура наружного воздуха;
- сумма
коэффициентов местных сопротивлений (определяется сложением аэродинамических
сопротивлений).
Другим вариантом определения Vпр служит формула:
gн, gпр - плотности (кг/м3) наружного воздуха и в прослойке.
При расположении воздушной прослойки на одной стороне стены здания, формула (6) примет вид:
(8)
Формула (7) примет вид:
(9)
gпр - плотность воздуха в прослойке принимается по формуле (14) [8].
Из полученных по указанным формулам скорость движения воздуха корректируется с учетом потерь давления на трение по известным из курса «Вентиляция» методам.
Суммарный расход воздуха в прослойке определяется по формуле:
где: dпр - толщина воздушной прослойки, м; шириной 1 м.
7.6.5. Определение параметров тепловлажностного режима прослойки
Температура входящего в прослойку воздуха t0 определяется по формуле:
(11)
где tв, tн - расчетные температуры в помещении и наружного воздуха;
m - коэффициент.
Остальные обозначения даны в [21].
Допускается определять температуру воздуха, входящего в прослойку по формуле
где n = 0,97.
Температура воздуха по высоте прослойки определяется по формуле:
(13)
где
кв и кн - коэффициенты теплопередачи внутреннего и наружного слоя стены до середины прослойки;
hy - расстояние по высоте между отверстиями (щелями, швами), служащими для поступления и вытяжки воздуха;
С - удельная теплоемкость воздуха.
При определении термического сопротивления прослойки Rпр следует пользоваться формулами:
(14)
где aвп = 5,5 + 5,7 Vпр + aл, (15)
где aл - коэффициент лучистого теплообмена;
Св - переводной коэффициент, равный в системе СИ - 3,6, а в технической - 1.
Упругость водяного пара на выходе из прослойки определяется по формуле:
Полученная по данной формуле величина упругости водяного пара на выходе из прослойки еу должна быть меньше максимальной упругости водяного пара Еу.
Если еу > Еу, то необходимо изменить размеры воздушной прослойки.
В формуле (16) Мв и Мн равны соответственно:
![]()
(17)
где:
Rвп и Rпн - сумма сопротивлений паропроницанию от внутренней поверхности до воздушной прослойки и от воздушной прослойки до наружной поверхности;
ев и ен - действительная упругость водяного пара с внутренней стороны стены и снаружи;
е0 - упругость водяного пара воздуха, входящего в прослойку;
(18)
n - переводной коэффициент, равный в системе СИ - 17,7, а в технической - 1.
Расчет приведенного сопротивления паропроницанию экранов с учетом швов-зазоров производится в следующей последовательности:
1) Определяется условное сопротивление паропроницанию в стыковых швах по формуле:
где в - переводной коэффициент,
hш = 6,5 и 0,1.
Приводятся два расчета с значением hш = 6,5 и 0,1. По первому варианту при hш = 6,5 рассчитывается минимально допустимая величина стыковых швов и приточных щелей, по второму при hш = 0,1 оптимальная величина стыковых швов и приточных щелей.
-
местные сопротивления проходу воздуха;
dэ - толщина экрана, м.
2) Определяется сопротивление паропроницанию плит экрана по его глади по формуле:
(20)
где: mэ - коэффициент паропроницаемости экрана.
3)
Определяется приведенное условное сопротивление паропроницанию экрана с учетом
стыковых швов
по формуле:
где:
-
суммарная расчетная площадь экрана (как правило принимается 1 м2);
Fгл - площадь экрана без швов, м2;
-
площадь швов, через которые поступает воздух. Как правило, площадь выходных
швов в верхней части экрана не учитывается;
Rп и
- см. выше.
7.7. Пример теплотехнического расчета наружных стен с вентилируемой воздушной прослойкой
7.7.1. Исходные данные
Для расчета принято многоэтажное жилое здание, расположенное в г. Москве, наружные стены которого облицованы фасадной системой с вентилируемым воздушным зазором «SPIDI».
Наружные стены двух вариантов: с внутренним слоем из монолитного железобетона g0 = 2500 кг/м3, толщиной 0,18 м (lБ = 2,04 Вт/м°С) и кирпичной кладки, толщиной 0,51 м (lБ = 0,64 Вт/м°С).
7.7.2. Расчет толщины теплоизоляции
Толщина теплоизоляции из минваты типа «Фасад-Баттс» для кирпичной (рис. 7.1) стены для г. Москвы равна:
![]()
*) В запас теплозащиты не приводится термическое сопротивление штукатурки.
где:
3,13 -требуемое сопротивление теплопередаче стен для г. Москвы;
0,726 - коэффициент теплотехнической однородности, см. табл. 2 (при проемности 25 %);
0,12 - термическое сопротивление вентилируемой воздушной прослойки.
![]()
где aвп - коэффициент теплообмена по формуле (21);
aвп = 5,5 + 5,7 Vпp + aл = 5,5 + 5,7 × 0,1 + 0,66 = 6,8 Ккал/м2 × ч × °С (7,8 Вт/м2 × °С);

где 4,25; 2,1; 4,9 - коэффициенты излучения, Ккал/м2 × ч × °К4;
0,61 - температурный коэффициент;
0,045 - коэффициент теплопроводности минваты для условий эксплуатации «Б» в соответствии с сертификатами, Вт/м × °С.
1 - штукатурный раствор;
2 - кирпичная кладка;
3 - минеральная вата;
4 - панель экрана;
5 - воздушная прослойка;
6 - зона возможной конденсации.
Рис. 7.1. Схема наружной стены для расчета влажностного режима.
Сопротивление теплопередаче по глади наружной стены при толщине утеплителя из минваты 0,15 м:
![]()
Приведенное сопротивление теплопередаче:
=
4,43 ×
0,726 = 3,22 м2 × °С/Вт.
Толщина слоя теплоизоляции для бетонной стены для г. Москвы:
![]()
где r = 0,83 в соответствии с табл. 3 (при проемности 25 %).
Сопротивление теплопередаче по глади наружной стены условное:
![]()
Приведенное сопротивление теплопередаче:
=
3,9 ×
0,83 = 3,24 м2 ×
°С/Вт.
Толщина утеплителя может быть скорректирована в соответствии с номенклатурой выпускаемых изделий, что не повлияет на правомочность полученных расчетов и выводов.
7.7.3. Расчет влажностного режима бетонных стен
Выполняется расчет влажностного режима бетонных наружных стен с экраном по СНиП II-3-79* (изд. 98 г.), СНиП 23-02-2003 по глади (без учета стыковых швов) для г. Москвы.
Влажностный
режим наружных стен характеризуется процессами влагонакопления, зависящими от
ряда внешних факторов и физических характеристик, от сопротивления
паропроницанию конструкции. Расчетное сопротивление паропроницанию Rп, м2 ×
ч ×
Па/мг (до плоскости возможной конденсации) должно быть не менее большего из
требуемых сопротивлений паропроницанию
, из условия недопустимости накопления влаги за год
эксплуатации и
из условия
ограничения влаги в конструкции за период с отрицательными среднемесячными
температурами.
Расчет ведется с учетом того, что зона возможной конденсации располагается на внешней границе утеплителя.
Расчетное сопротивление паропроницанию наружной стены до зоны возможной конденсации Rп, м2 × ч × Па/мг:
![]()
(Rп = 49 м2 × ч × мм рт. ст./г)
Расчетное сопротивление паропроницанию части ограждающей конструкции, Rпн, м2 × ч × Па/мг, расположенной между наружной поверхностью и плоскостью возможной конденсации равно:
![]()
Требуемое сопротивление паропроницанию Rп, из условия недопустимости накопления влаги за год эксплуатации:
![]()
Требуемое сопротивление паропроницанию из условия ограничения влаги в наружной стеновой панели за период с отрицательными температурами наружного воздуха:
![]()
![]()
Влажностный режим по глухой части экрана для г. Москвы близок к требованиям норм строительной теплотехники при расчете по СНиП II-3-79* (изд. 98 г.), СНиП 23-02-2003 для бетонной стены.
Следующим этапом расчета является учет стыковых швов-зазоров в соответствии со специально разработанной методикой влажностного расчета для вентилируемых фасадов [22] для панелей экранов 0,6´0,6 м при выполнении их из керамогранита толщиной 10 мм. При hm = 6,5 параметры стыковых швов между экранами определяются как минимально допустимые, а при hm = 0,1 как оптимальные; поэтому необходимо выполнить два расчета при обоих значениях hm.
Условное сопротивление паропроницанию зазоров в горизонтальных стыковых соединениях экранов по формуле (19):
при hm = 6,5
![]()
где: 0,01 м - толщина экрана.
при hm = 0,1
![]()
Следующим этапом расчетов является учет воздухозаборных швов и отверстий приведенной площадью 0,0147 м2 на м2 экрана.
Сопротивление паропроницанию условное, приведенное:
формула (21)
при hm = 6,5

где: 0,0147 м2 - приведенная площадь приточных швов и отверстий.
при hm = 0,1

Расчетное сопротивление паропроницанию части ограждающей конструкции Rпн, расположенной между наружной поверхностью и плоскостью возможной конденсации: Rпн = 0,052 м2 × ч × Па/мг (0,39 м2 × ч × мм рт. ст./г) и 0,92 (6,9).
Требуемое сопротивление паропроницанию Rп, из условия недопустимости накопления влаги за год эксплуатации:
Рассчитываем худший, с точки зрения влажностного режима, вариант
при hm = 0,1
![]()
Требуемое сопротивление паропроницанию из условия ограничения влаги в наружной стене за период с отрицательными температурами наружного воздуха:
при hm = 0,1
![]()
![]()
Поскольку
и
< Rп = 6,53 м2 ×
ч ×
Па/мг, влажностный режим в зоне швов системы «SPIDI» для г. Москвы удовлетворяет требованиям
норм строительной теплотехники для бетонной стены.
7.7.4. Определение скорости движения воздуха и упругости водяного пара на выходе из прослойки
Определяется скорость движения воздуха в прослойке при температуре наружного воздуха минус 28 °С.
Температура входящего в прослойку воздуха по формуле (12):
tx = 20 - 0,97 × (20 + 28) = - 26,6 °С.
Определяем расход воздуха в прослойке по формуле (10): при толщине прослойки 0,06 м в соответствии с МГСН 2.01.99 [13]:
Расход воздуха в прослойке составит W = 3600 × 0,085 × 1,405 × 0,06 = 26 кг/м × ч,
где
![]()
V = 0,092 - 0,092 × 0,07 = 0,085 м/с.
где 0,07 - коэффициент учитывающий трение [22].
Упругость водяного пара на выходе из воздушной прослойки еу, бетонной стены при начальной упругости е0 = 0,34 мм рт. ст. (в технической системе) по формуле (16).
Расчет делаем для более сложного, с точки зрения влагообмена, случая:
при hm = 0,1

где:
![]()
![]()
еу меньше максимальной упругости водяного пара Е, равной 0,39, следовательно, принятые параметры конструкции удовлетворительные.
Далее выполнен расчет влажностного режима наружной кирпичной стены с экраном.
В табл. 4 показано влагонакопление в годовом цикле стены, с экраном, имеющим коэффициент паропроницаемости по глади m = 0,008 мг/м × ч × Па.
Как видно из табл. 4 при мало влагопроницаемом экране в годовом цикле во всех месяцах упругость водяного пара е больше максимальной упругости водяного пара Е и, следовательно, происходит постоянное влагонакопление в прослойке у экрана, в отдалении от горизонтальных швов при отсутствии движения воздуха в прослойке.
При учете горизонтальных швов расчет влажностного режима кирпичной стены, утепленной снаружи минеральной ватой, показывает следующее.
Расчетное сопротивление паропроницанию стены до зоны возможной конденсации:
![]()
Расчетное сопротивление паропроницанию части наружной стены, расположенной между наружной поверхностью ее и плоскостью возможной конденсации при учете горизонтальных швов равно:
Таблица 4.
Распределение влажности в кирпичной стене толщиной d = 0,51 м, с утеплением минватой с экраном, имеющим по глади m = 0,008 мг/м × ч × Па (0,001 г/м ч мм рт. ст.)
|
Индексы |
МЕСЯЦЫ |
||||||||||||
|
I |
II |
III |
IV |
V |
VI |
VII |
VIII |
IX |
X |
XI |
XII |
||
|
°С |
tн |
-10,2 |
-9,6 |
-4,7 |
4 |
11,6 |
15,8 |
18,1 |
16,2 |
10,6 |
4,2 |
-2,2 |
-7,6 |
|
°С |
tв |
20 |
20 |
20 |
20 |
11,6 |
15,8 |
18,1 |
16,2 |
10,6 |
20 |
20 |
20 |
|
°С |
Dt |
30,2 |
29,6 |
24,7 |
16 |
0 |
0 |
0 |
0 |
0 |
15,8 |
22,2 |
27,6 |
|
°С |
tп |
-9,9 |
-9,3 |
-4,4 |
4,2 |
|
|
|
|
|
4,4 |
-2,0 |
-7,3 |
|
|
|
|
|
|
|
|
|
|
|
|
|
|
|
|
|
|
|
|
|
|
|
|
|
|
|
|
|
|
|
мм рт. ст. |
Еt |
1,96 |
2,07 |
3,17 |
6,19 |
10,24 |
13,46 |
15,58 |
13,81 |
9,59 |
6,27 |
3,88 |
2,47 |
|
|
|
|
|
|
|
|
|
|
|
|
|
|
|
|
|
|
|
|
|
|
|
|
|
|
|
|
|
|
|
мм рт. ст |
ен |
1,604 |
1,62 |
2,41 |
4,026 |
5,939 |
7,941 |
9,615 |
9,391 |
7,001 |
4,828 |
3,132 |
2,0485 |
|
мм рт. ст |
|
9,647 |
9,647 |
9,647 |
9,647 |
5,939 |
7,941 |
9,615 |
9,391 |
7,001 |
9,647 |
9,647 |
9,647 |
|
мм рт. ст |
Dе |
8,043 |
8,027 |
7,237 |
5,671 |
- |
- |
- |
- |
- |
4,819 |
6,545 |
7,598 |
|
мм рт. ст |
еt |
4,54 |
4,56 |
5,06 |
6,06 |
|
|
|
|
|
6,59 |
5,53 |
4,83 |
|
|
|
|
|
|
|
|
|
|
|
|
|
|
|
|
|
|
|
|
|
|
|
|
|
|
|
|
|
|
|
|
|
|
|
|
|
|
|
|
|
|
|
|
|
|
Часы |
|
744 |
672 |
744 |
720 |
744 |
720 |
744 |
744 |
720 |
744 |
720 |
744 |
|
ч/м2 |
Qвн. сл. |
1311,8 |
1167,9 |
1105,4 |
570,7 |
-836,4 |
|
|
|
|
576,3 |
952,4 |
1224,8 |
|
ч/м2 |
Qнар. сл. |
105,4 |
120,3 |
225 |
619,9 |
1450,8 |
|
|
|
|
426,9 |
214,3 |
124,8 |
|
ч/м2 |
DQ |
1206,5 |
1047,6 |
880,4 |
-49,0 |
-2287,2 |
|
|
|
|
149,4 |
738,2 |
1100,0 |
|
ч/м2 |
|
3194,0 |
4241,7 |
5122,9 |
5073,1 |
2285,8 |
|
|
|
|
149,4 |
887,6 |
1987,6 |
|
|
|
|
|
|
Конденсат |
|
|
|
|
|
|
|
|
|
|
|
|
|
|
|
|
|
|
|
|
|
|
|
при hm = 6,5
![]()
при hm = 0,1
![]()
Требуемое сопротивление паропроницанию, Rп1, м2 × ч × Па/мг из условия недопустимости накопления влаги за год эксплуатации:
при hm = 6,5
![]()
при hm = 0,1
![]()
Требуемое
сопротивление паропроницанию из условия ограничения влаги в стене за период с
отрицательными температурами воздуха
:
при hm = 6,5
![]()
![]()
при hm = 0,1
![]()
.
Поскольку
> Rп параметры (размеры)
стыковых швов (высоту) рекомендуется принять для кирпичных стен не менее 6 мм.
Далее приводим расчет с учетом выноса влаги из прослойки движущимся воздухом.
Упругость водяного пара на выходе из воздушной прослойки кирпичной стены:
расчет ведется для худшего, с точки зрения влагообмена, случая;
при hm = 0,1

где:
Мн = 0,145
(см. выше); Мв + Мн = 0,179
![]()
еу меньше максимальной упругости водяного пара Еу, равной 0,39, следовательно, принятые параметры конструкции удовлетворительные.
В связи с тем, что минимальный размер горизонтальных швов между элементами экрана (плитами керамогранита) может составлять 4 мм, ниже дополнительно выполнен расчет влагообмена в воздушной прослойке с учетом указанного размера швов.
Расчет выполняется для худшего варианта с точки зрения влажностного режима, т.е. кирпичной стены.
Упругость водяного пара на выходе из прослойки еу (при h = 0,1, см. стр. 60, 62 выше):
![]()
где
= 0,996
Rп = 29,3 (см. выше); ![]()
Rпн = 9,l (см. выше); ![]()
где

где 0,012 - приведенная площадь стыковых швов и приточных отверстий.
Мв + Мн = 0,034 + 0,138 = 0,177; ев × Мв + ен × Мн = 9,64 × 0,034 + 0,29 × 0,138 = 0,36.
Таким образом, еу меньше максимальной упругости водяного пара, следовательно, влажностный режим в прослойке удовлетворителен и при размере горизонтальных швов 4 мм при наличии движения воздуха в прослойке не менее 26 кг/м.ч.
7.8. Заключение
7.8.1. На основании выполненных теплотехнических расчетов наружных стен фасадной системы «SPIDI», определены:
7.8.2. Теплозащитные качества системы, см. п. 7.8.2.1.
7.8.2.1. Требуемая толщина теплоизоляционных базальтовых минераловатных плит типа «Венти-Баттс» составляет при железобетонной несущей стене 0,16 м; при кирпичной стене 0,15 м. Приведенное сопротивление теплопередаче наружных стен при указанной толщине утеплителя составит: 3,24 ¸ 3,26 м2 × °С/Вт. (При проёмности 25 %).
7.8.2.2. Влажностный режим системы при указанных в п. 7.8.3 параметрах конструкции, см. п.п. 7.8.2.2.1 - 7.8.2.2.3.
7.8.2.2.1. При отсутствии движения воздуха в прослойке по глади экранов в отдалении от горизонтальных швов-зазоров влажностный режим стен может быть неудовлетворительный.
7.8.2.2.2. В районе швов-зазоров влажностный режим удовлетворителен:
7.8.2.2.3. При наличии движения воздуха в количестве 26 кг/м × ч при указанных в п. 7.8.3 параметрах влажностный режим системы удовлетворителен.
7.8.3. Параметры системы, при которых обеспечиваются указанные выводы в п. 7.8.2, следующие:
- высота (ширина) горизонтального шва между экранами составляет 4 ¸ 6 мм.
- размеры экранов должны составлять не более 600´600 мм.
- толщина воздушной прослойки между утеплителем и экраном составляет 0,06 м.
- толщина (ширина) воздухозаборной щели внизу стены составляет 0,06 м, толщина (ширина) воздухо-выводящей щели вверху стены должна быть не меньше воздухозаборной.
8.1. Рабочий проект или рабочая документация системы наружных ограждений фасадов с вентилируемым воздушным зазором включает следующие разделы: общую пояснительную записку, архитектурную часть, конструкторскую часть, конструкторскую часть по решению архитектурных деталей, специальные части (водосток, антенны, рекламу и т.п.) и сметы.
8.2. В общей пояснительной записке приводятся следующие данные:
- архитектурная концепция решения фасадов здания и отдельных архитектурных элементов;
- данные о конструктивном решении системы и ее элементов;
- данные о решении специальных устройств на фасаде, если они имеются;
- данные об эффективности энергосбережения принятых технических решений, результаты теплотехнических расчетов;
- экологическая характеристика системы;
- основные технико-экономические показатели системы.
8.3. Архитектурная часть включает чертежи фасадов здания, отдельных архитектурных элементов и узлов. На чертежах приводится цветовое решение фасада и его отдельных элементов.
8.4. Конструкторская часть включает чертежи всех конструктивных элементов системы, с узлами и деталями, а также полную спецификацию всех применяемых материалов и изделий.
8.5. Специальная часть включает чертежи фасадов с привязкой мест размещения специальных устройств, узлы и детали конструкций крепления этих устройств на фасаде, а также спецификацию оборудования, материалов и изделий, предусмотренных проектом.
8.6. Сметы на устройство системы составляются на основе действующих нормативов, единичных расценок, фактической стоимости оборудования и материалов, а также утвержденных заказчиком калькуляций на отдельные виды работ и элементы конструкций.
Стоимость системы для конкретных зданий зависит от многих факторов, в том числе, от размеров здания, архитектурного решения фасадов, оборудования и оснастки, применяемых для монтажа системы, а также от структуры подрядной организации и её коммерческой политики. В связи с этим конкретная стоимость системы, может колебаться в значительных пределах. Поэтому считаем, что здесь наиболее целесообразно привести прямые затраты, т.е. стоимость отдельных элементов системы и ее монтажа (стоимость монтажа без учета стоимости лесов, люлек и других средств) для рядового участка фасада.
Поэлементная стоимость (прямые затраты в $ US) 1 м2 системы для рядового участка фасада с различными облицовочными материалами (на 2004 г.):
С облицовкой керамогранитными плитами и несущим Т-образным профилем из спаренных оцинкованных стальных уголков:
- стоимость деталей каркаса - 18
- стоимость утеплителя толщиной 150 мм - 15
- стоимость облицовочного материала - 30
- стоимость монтажа - 30
Итого - 93
С облицовкой металлическими кассетами и несущим Т-образным профилем из спаренных оцинкованных стальных уголков:
- стоимость деталей каркаса - 13
- стоимость утеплителя толщиной 150 мм - 15
- стоимость облицовочного материала - 25
- стоимость монтажа - 30
Итого - 83
Данные о стоимости элементов системы представлены ее разработчиком ООО «Кемопласт».
10.1. Для выполнения работ по монтажу системы здание разбивается на захватки и определяется порядок и последовательность перемещения монтажников с одной захватки на другую.
10.2. Величина захваток и их количество в каждом случае определяются с учетом многих факторов, в том числе размеров фасадов здания, величины бригады монтажников, оснащения строительной организации оборудованием и оснасткой, условиями комплектации строительства материалами, изделиями и др. Захваткой может быть вся высота фасада, а можно фасад по высоте разделить на несколько захваток, учитывая наличие промежуточных карнизов, поясков и другие факторы. Также в горизонтальном направлении захваткой может быть весь фасад, только одна секция или может быть принят какой-либо другой способ деления фасада на захватки. Разбивка фасадов здания на захватки и выбор средств для работы монтажников на высоте (подмости, люльки, подъемные платформы и т.п.) выполняется в проекте организации строительства или в технологических картах.
10.3. При монтаже системы на реконструируемых зданиях работы начинаются с очистки фасада от несвязанных с основанием элементов, таких как отслоившиеся штукатурка, краска и т.п. Кроме того, фасад надо освободить (демонтировать) от специальных устройств: водостоков, различных кронштейнов, антенн, вывесок и др..
10.4. Монтаж системы начинается с разметки фасада и установки маяков, по которой будут устанавливаться и крепиться к основанию кронштейны и вертикальные профили. Разметка выполняется с помощью геодезических приборов, уровня, отвеса, рулетки и мерных реек. Установка и крепление кронштейнов, вертикальных профилей в пределах захватки может производиться снизу вверх и наоборот в зависимости от решений, принятых в ПОС. Горизонтальное расстояние между вертикальными осями задается шириной облицовочного материала. Вертикальное расстояние между кронштейнами задается на основе статического расчета, разработанного для конкретного объекта.
10.5. После разметки фасада в нем сверлятся отверстия под дюбели для крепления кронштейнов к основанию посредством анкерных болтов. Для снижения теплопередачи в месте примыкания кронштейна к основанию между ними на анкерный болт устанавливается паронитовая прокладка.
В случаях, когда основанием является кирпичная кладка, нельзя устанавливать дюбели в швы кладки, при этом, расстояние от центра дюбеля до ложкового шва должно быть не менее 25 мм, а от тычкового - 60 мм. Минимальное расстояние от края конструкции до дюбеля оговаривается специальными рекомендациями фирмы-изготовителя дюбелей. Для проверки правильности подбора анкерного дюбеля необходимо произвести его испытание на вырыв.
Категорически запрещается сверлить отверстия для дюбелей в пустотелых кирпичах или блоках с помощью перфоратора.
В системе допускается применять только сертифицированные крепежные элементы.
10.6. К началу монтажа плит утеплителя захватка, на которой производятся работы, должна быть укрыта от попадания влаги на стену и плиты утеплителя.
Исключением могут быть случаи, когда монтажники не покидают рабочие места до тех пор, пока все смонтированные плиты не закроют, предусмотренной проектом, ветровлагозащитной пленкой.
10.7. До начала монтажа теплоизоляционных плит необходимо установить цокольный перфорированный вентиляционный профиль. Плиты утеплителя должны устанавливаться плотно друг к другу так, чтобы в швах не было пустот. В случае если укладывается больше одного слоя утеплителя - швы плит выполняются в разбежку, чтобы между плитами не было сквозных щелей. Если избежать пустот не удается, они должны быть тщательно заделаны тем же материалом. Вся стена (за исключением проемов) непрерывно по всей поверхности должна быть покрыта утеплителем, установленной проектом толщины. Крепление плит утеплителя к основанию производится пластмассовыми дюбелями тарельчатого типа с распорными стержнями. В случае применения ветровлагозащитной пленки, установленные плиты утеплителя сначала крепятся к основанию только двумя дюбелями каждая плита и только после укрытия нескольких рядов пленкой устанавливаются остальные, предусмотренные проектом, дюбели. Полотнища пленки устанавливаются с перехлестом 100 мм.
10.8. В крепежный «зажим» кронштейна вставляются несущие вертикальные Т-образные или L-образные профили. Они являются базой для устройства отделочного слоя фасада в пределах проектных допусков. Поэтому установка каждого профиля, его положение в вертикальной плоскости проверяется соответствующими приборами: теодолитом, отвесом и др. Крепление профиля в кронштейне производится при помощи 2-х самонарезающих винтов. Для образования неподвижных (фиксированных) опорных точек саморезы устанавливаются в круглые отверстия, для подвижных точек - по середине в овальные отверстия. Число фиксированных и подвижных точек определяется статическим расчетом. Оптимально длина вертикальных профилей соответствует высоте одного этажа. В месте стыковки вертикальных профилей по вертикали оставляют температурный зазор 8 - 10 мм.
10.9. Монтаж облицовочных плит или кассет преимущественно производится снизу вверх и начинается с края всегда по всему ряду. Облицовочные плиты устанавливаются при помощи кляммеров, которые крепятся к вертикальным несущим профилям посредством заклепок. Кассеты непосредственно фиксируются к несущим профилям саморезами. Одновременно производится облицовка оконных проемов и других элементов фасада. Установка плит, горизонтальных отливов, вертикальных и угловых шовных планок осуществляется в соответствии с проектной документацией. Во время монтажа отделочных материалов следует следить за тем, чтобы воздушный зазор позади них был чист и без каких-либо посторонних включений.
10.10. В процессе монтажа элементов системы должен выполняться пооперационный контроль качества работ и составляться акты на скрытые работы. Это должно выполняться в соответствии с действующей в подрядной организации «Системой управления контролем качества продукции», где указано, какие параметры и технологические процессы контролируются и лица, ответственные за выполнение этой работы. В составе комиссии, подписывающей акты на скрытые работы, должны быть лица (представители проектной организации), выполняющие авторский надзор.
10.11. Работы по монтажу системы могут выполнять организации, специалисты которых прошли обучение и имеют лицензию на право выполнения указанных работ от ООО «Кемопласт».
10.12. Все работы должны выполняться под контролем лица, ответственного за безопасное производство работ и в соответствии с требованиями СНиП 12-03-99 «Безопасность труда в строительстве. Общие требования» и СНиП III-4-80 «Техника безопасности в строительстве».
11.1. Для сохранения теплофизических показателей вентилируемого фасада необходимо контролировать состояние утепляющего слоя, воздушного зазора и облицовочного покрытия.
11.2. В процессе строительства и эксплуатации здания не допускается крепить непосредственно к облицовочным материалам любые детали и устройства.
11.3. Не следует допускать возможность попадания воды с крыши здания на облицовочные материалы, для чего надо содержать желоба на крыше и водостоки в рабочем состоянии.
11.4. Уход за облицовкой фасада, заключающийся в ее регулярной очистке и периодическом восстановлении, продлит срок службы облицовки.
11.5. Наружную обшивку вентилируемого фасада необходимо регулярно промывать моющими средствами.
При этом следует исключить попадание грязной воды на ветровлагозащитную пленку, которой покрыт утеплитель.
11.6. Во избежание механического повреждения вентилируемого фасада необходимо принять меры для исключения размещения автомобилей у его цокольных частей.
В случае механического повреждения вентилируемого фасада необходимо обращаться к монтажной организации для устранения дефекта.
Адрес ООО «Кемопласт»: 123627, г. Москва, Пятницкое шоссе, 9,
тел. (095) 972-51-40, факс 363-25-17
|
Жилые здания. |
|
|
2. МГСН 3.01-01 |
Жилые здания. |
|
Здания жилые многоквартирные. |
|
|
Нагрузки и воздействия. |
|
|
Алюминиевые конструкции. |
|
|
Стальные конструкции. |
|
|
7. СНиП II-3-79* (изд. 98 г.)1) |
Строительная теплотехника. |
|
Тепловая защита зданий. |
|
|
Строительная климатология. |
|
|
10. СНиП 2.01.01-82 |
Строительная климатология и геофизика. |
|
11. СНиП 2.03.11-85 |
Защита строительных конструкций от коррозии. |
|
12. СНиП 21-01-97 |
Пожарная безопасность зданий и сооружений. |
|
Нормативы по теплозащите и тепловодоэлектроснабжению. |
|
|
14. ГОСТ 17177-94 |
Материалы и изделия строительные теплоизоляционные. Методы испытаний. |
|
15. ГОСТ 22233-93 |
Профили прессованные из алюминиевых сплавов для ограждающих конструкций. Общие технические условия |
|
16. ГОСТ 26805-86 |
Заклепка трубчатая для односторонней клепки тонколистовых строительных металлоконструкций. Технические условия. |
|
17. ГОСТ 27180-86 |
Керамические плитки. Методы испытаний. |
|
18. ГОСТ 30971-2002 |
Швы монтажные узлов примыканий оконных блоков к стеновым проемам. Общие технические условия. |
|
19. ГОСТ 7025-78 |
Материалы стеновые и облицовочные. Методы определения водопоглощения и морозостойкости. |
|
20. ГОСТ 481-80 |
Паронитовые листы. |
|
23. Заключение и протокол сертификационных испытаний НИИСФ № 51 от 22.06.2000 г. М. |
|
|
24. Справочник проектировщика. Расчетно-теоретический. Книга 1. М.: Стройиздат, 1972 г. |
|
|
Проектирование тепловой защиты зданий. |
|
1) - действует до вступления в силу соответствующего технического регламента.
2) - носит рекомендательный характер до регистрации Минюстом России.