|
|
Открытое акционерное общество Проектно-конструкторский и технологический ОАО ПКТИпромстрой |
|
УТВЕРЖДАЮ
Генеральный директор, к.т.н.
____________ С.Ю. Едличка
«29» МАРТА 2004 г.
ТЕХНОЛОГИЧЕСКАЯ
КАРТА
НА СРЕЗКУ ГРУНТА РАСТИТЕЛЬНОГО СЛОЯ
БУЛЬДОЗЕРАМИ
70-04 ТК
Главный инженер
___________ А.В. Колобов
Начальник отдела
___________ Б.И. Бычковский
2004
Настоящая технологическая карта является обязательным организационно-технологическим документом, регламентирующим правила производства работ по срезке грунта растительного слоя бульдозерами.
В карте приведены указания по организации и технологии работ по срезке грунта растительного слоя рациональными средствами механизации, приведены данные по контролю качества и приемке работ, требования безопасности и охраны труда, экологической и пожарной безопасности при производстве земляных работ.
Технологическая карта предназначена для производителей работ, мастеров и бригадиров организаций, производящих земляные работы, а также работников технического надзора заказчика и инженерно-технических работников строительных и проектно-технологических организаций.
В разработке технологической карты участвовали сотрудники ОАО ПКТИпромстрой:
- Михальчук И.Л. - разработка технологической карты, компьютерная обработка и графика;
- Черных В.В. - общее технологическое сопровождение;
- Холопов В.Н. - проверка технологической карты;
- Бычковский Б.И. - разработка технологической карты, техническое руководство, корректура и нормоконтроль;
- Колобов А.В. - общее техническое руководство разработкой технологических карт;
- к.т.н. Едличка С.Ю. - общее руководство разработкой технологической документации.
СОДЕРЖАНИЕ
1.1 Технологическая карта предназначена для использования линейным производственным и инженерно-техническим персоналом строительных организаций при срезке грунта растительного слоя I - II группы застраиваемых площадей бульдозерами.
1.2 В состав работ, рассматриваемых технологической картой, входят:
а) при длительном хранении грунта в отвале:
- срезка грунта растительного слоя бульдозером;
- перемещение грунта на расстояние до 50 м в отвал;
б) при использовании грунта для хозяйственных нужд:
- срезка грунта растительного слоя бульдозером;
- перемещение грунта на расстояние до 50 м в отвал;
- погрузка грунта в автосамосвалы из отвала и транспортировка в места рекультивации земель.
1.3 Привязка технологической карты к конкретным объектам и местным условиям строительства заключается в уточнении схемы организации строительного процесса, объемов работ, средств механизации и потребности в материально-технических ресурсах, калькуляции и календарного плана производства работ.
1.4 Форма использования карты предусматривает обращение её в сфере информационных технологий с включением в базу данных по технологии и организации строительного производства автоматизированного рабочего места технолога строительного производства (АРМ ТСП), подрядчика и заказчика.
2.1 Растительный грунт, подлежащий снятию с застраиваемых площадей, должен срезаться, перемещаться в специально выделенные места и складироваться.
2.2 До начала производства работ по срезке грунта растительного слоя должны быть выполнены следующие работы:
- вынесены оси и обозначены границы площадки (трассы) производства работ;
- указаны места отсыпки отвалов растительного грунта;
- произведена рабочая разбивка площадки с закреплением разбивочных знаков;
- ознакомлены с технологией и организацией работ и обучены безопасным методам труда рабочие и ИТР.
2.3 Технологической картой предусматривается следующая последовательность работ:
- срезка грунта растительного слоя I, II группы и перемещение в отвал бульдозерами, технические характеристики которых представлены в таблице 1, по одному из перечисленных способов: челночным или траншейным;
- складирование грунта при длительном хранении или последующая погрузка срезанного грунта растительного слоя экскаваторами, оборудованными обратной лопатой, открытым способом в автотранспортные средства с перемещением в места рекультивации земель. Технические характеристики экскаваторов, используемых для погрузки грунта, представлены в таблице 2.
2.4 При работе с растительным грунтом не следует смешивать его с нижележащим нерастительным грунтом, а также загрязнять его отходами, строительным мусором и т.п.
2.5 При срезке грунта растительного слоя челночным способом согласно рисунку 1 заполнение отвала грунтом, его перемещение производится при движении бульдозера вперед, а холостой ход - при движении бульдозера задним ходом по той же прямой.
Срезка грунта растительного слоя бульдозером на площадке ведется от середины участка в обе стороны, образуя двухстороннее размещение отвалов.
Площадь участка строительства разбивают на две захватки. Сначала бульдозер срезает грунт растительного слоя на одной захватке и транспортирует его в ближайший отвал, путь перемещения грунта выбирается по кратчайшему расстоянию, поверхность пути перемещения следует предварительно выровнять бульдозером.
По окончании работ на первой захватке бульдозер разворачивается и ведет работы на второй захватке.
2.6 Разновидностью челночной схемы разработки грунта растительного слоя является траншейная схема, представленная на рисунке 2. При траншейной схеме участок для срезки растительного слоя грунта разделяется на ряд параллельных проходов (полос). Разработка каждой полосы проходки начинается на ближайшем к месту укладки грунта участке (полосе). Между рядами проходок оставляются перемычки (ребра) нетронутого грунта шириной 0,7 м.
После разработки грунта растительного слоя в двух первых рядах проходок перемычки (ребра) нетронутого грунта необходимо убирать бульдозером в отвал.
Полный цикл работы бульдозера состоит из операций:
- опускание отвала и установка его в требуемое положение;
- зарезание и заполнение отвала грунтом;
- перемещение грунта растительного слоя к месту укладки;
- разгрузка (укладка) грунта растительного слоя в отвал;
- возвращение бульдозера в забой.
2.7 Повышение производительности бульдозеров, используемых при разработке грунта растительного слоя, может быть достигнута за счёт совмещения операций:
- подъёма отвала с разгрузкой и разравниванием грунта;
- опускания отвала с переключением передачи трактора и началом движения бульдозера задним ходом.
2.8 Зарезание грунта растительного слоя производится на прямых участках по клиновой схеме. Клиновая схема зарезания грунта с применением переменного (по высоте) заглубления отвала обеспечивает наиболее полное заполнение его грунтом и использование тяговых возможностей трактора. Для обеспечения зарезания грунта и его набора режущая кромка ножа отвала бульдозера всегда должна быть острой.
При срезке грунта растительного слоя нож отвала бульдозера устанавливается под углом до 60° к горизонтальной поверхности.
2.9 При отсутствии в проекте указаний по толщине срезаемого слоя растительный грунт, используемый для озеленения территорий, в зависимости от климатических подрайонов должен заготавливаться путем снятия верхнего покрова земли на глубину:
7 - 20 см - при подзолистых почвах в климатических подрайонах со среднемесячными температурами января минус 28 °С и ниже, июля - ±0 °С и выше, суровой длительной зимой с высотой снежного покрова до 1,2 м и вечномерзлыми грунтами. Вечномерзлый грунт следует заготавливать летом по мере его оттаивания и перемещать в отвалы к дорогам для последующей вывозки;
Таблица 1 - Технические характеристики бульдозеров
|
Марка бульдозера |
||||||||||||||
|
ДЗ-42 |
ДЗ-42Г ДЗ-42Г-1 |
ДЗ-128 |
ДЗ-186 |
ДЗ-130 |
ДЗ-101 ДЗ-101А |
ДЗ-104 |
ДЗ-109 ДЗ-109Б |
|||||||
|
1 |
2 |
3 |
4 |
5 |
6 |
7 |
8 |
9 |
||||||
|
Тип базового трактора |
ДТ-75 |
ДТ-75М |
Р-С2 |
ДТ-75НР-С2 |
Т-90П |
Т-4АП2-С1 |
Т-4АП2-С1 |
Т-130.1Г-1 Т-130МГ-1 |
||||||
|
Мощность двигателя, кВт |
66 |
66 |
66 |
70 |
90 |
96 |
96 |
118 |
||||||
|
Тяговый класс |
3 |
3 |
3 |
3 |
4 |
4 |
4 |
10 |
||||||
|
Скорость движения, км/ч: вперед: |
|
|
|
|
|
|
|
|
||||||
|
- наибольшая |
9,5 |
9,5 |
9,5 |
8,54 |
6,69 |
9,1 |
9,1 |
10,5 |
||||||
|
- наименьшая |
5,3 |
5,3 |
5,3 |
3,26 |
3,17 |
2,4 |
2,4 |
3,2 |
||||||
|
назад: |
|
|
|
|
|
|
|
|
||||||
|
- наибольшая |
8,3 |
8,3 |
8,3 |
8,07 |
8,3 |
6,1 |
6,1 |
6,1 |
||||||
|
- наименьшая |
3,94 |
3,94 |
3,94 |
3,83 |
3,94 |
3,6 |
3,6 |
4,4 |
||||||
|
Тип отвала |
прямой, неповоротный в плане |
прямой, поворотный в плане |
||||||||||||
|
Размеры отвала - ширина (без уширителей), мм |
2560 |
2520 |
2560 |
2520 |
2520 |
2860 |
3280 |
4120 |
||||||
|
- высота (без козырька), мм |
804 |
800 |
950 |
960 |
950 |
1050 |
990 |
1140 |
||||||
|
- высота с козырьком, мм |
- |
- |
- |
- |
1135 |
- |
- |
- |
||||||
|
Наибольший подъем отвала над опорной поверхностью, мм |
600 |
830 |
760 |
830 |
760 |
860 |
700 |
935 |
||||||
|
Наибольшее заглубление ниже опорной поверхности, мм |
300 |
410 |
300 |
360 |
300 |
435 |
300 |
535 |
||||||
|
Поперечный перекос отвала, град. |
- |
- |
12 |
- |
12 |
12 |
±6 |
±6 |
||||||
|
Угол резания отвала, град. |
55 |
55 |
55 |
55 |
55 |
55 |
55 |
55 |
||||||
|
Угол поворота отвала в горизонтальной плоскости, град. |
- |
- |
- |
- |
- |
- |
±30 |
±30 |
||||||
|
Скорость подъема-опускания отвала, м/с |
0,25 |
0,25 |
0,25 |
0,25 |
0,25 |
0,25 |
0,25 |
0,25 |
||||||
|
Масса, кг: |
|
|
|
|
|
|
|
|
||||||
|
- рабочего оборудования |
- |
- |
1070 |
900 |
1206 |
1424 |
1800 |
2193 |
||||||
|
- общая |
7000 |
7085 |
7280 |
7100 |
7846 |
9900 |
10800 |
16443 |
||||||
|
Размеры, мм: |
|
|
|
|
|
|
|
|
||||||
|
- длина |
4650 |
4980 |
4825 |
- |
4826 |
5029 |
4900 |
5800 |
||||||
|
- ширина |
2560 |
2520 |
2560 |
2530 |
2530 |
2860 |
3250 |
4120 |
||||||
|
- высота |
2300 |
2650 |
2550 |
- |
2923 |
2565 |
2565 |
3300 |
||||||
|
Производительность на грунтах II группы и дальности транспортировки 50 м, м3/ч |
50 |
50 |
50 |
55 |
60 |
65 |
60 |
95 |
||||||
|
Изготовитель |
Украина |
Россия |
Украина |
Россия |
АО «Калкаманский завод дорожных машин», Россия |
АО «Челябинский завод дорожных машин» |
||||||||
|
Выпуск |
Прекращен |
Ведется |
Прекращен |
Ведется |
Ведется |
Прекращен |
Прекращен |
|||||||
Таблица 2 - Технические характеристики экскаваторов, оснащенных ковшом обратная лопата
|
Марка |
|||||||
|
ЭО-2621 В-3 |
ЭО-2626 |
ЭО-2627 |
ЭО-3311 Г |
ЭО-3323А-10 |
ЭО-4321В |
ЭО-4121А |
|
|
1 |
2 |
3 |
4 |
5 |
6 |
7 |
8 |
|
Мощность, кВт: |
|
|
|
|
|
|
|
|
- двигателя |
44 |
55 |
55 |
37 |
59,6 |
73,6 |
73,6 |
|
- насосов |
- |
42,8 |
42,8 |
- |
- |
- |
53 |
|
Рабочее давление в гидросистеме, МПа: |
|
|
|
|
|
|
|
|
- экскавационного оборудования |
14 |
14 |
14 |
|
28 |
25 |
18 |
|
- погрузочного оборудования |
14 |
20 |
14 |
|
- |
- |
- |
|
Скорость движения наибольшая, км/ч |
19 |
33,4 |
33,4 |
15,0 |
19,4 |
20 |
70 |
|
Колея колес, мм: |
|
|
|
|
|
|
|
|
- передних |
1460 |
1600 |
1600 |
|
2100 |
2200 |
- |
|
- задних |
1600 |
1750 |
1750 |
|
- |
2200 |
|
|
Преодолеваемый уклон твердого сухого пути, град; |
15 |
20 |
18 |
- |
- |
22 |
27 |
|
Вместимость ковша, м3: |
|
|
|
|
|
|
|
|
- геометрическая |
0,25 |
0,25. |
0,25 |
0,4 |
0,25 ¸ 0,63 |
0,63 ¸ 1,25 |
0,63 |
|
- «с шапкой» |
0,28 |
0,28 |
0,28 |
- |
0,3 ¸ 0,81 |
0,72 ¸ 1,47 |
0,72 |
|
Ширина ковша (Вк), м |
1,2 |
1,2 |
1,2 |
|
0,5 ¸ 1,0 |
|
|
|
Наибольшие: |
|
|
|
|
|
|
|
|
- радиус копания на уровне стояния (Rк), м |
5,3 |
5,3 |
5,3 |
- |
7,93 ¸ 9,33 |
7,5 ¸ 9,2 |
6,83 ¸ 7,34 |
|
- глубина копания (Нк), м |
4,15 |
4,15 |
4,15 |
4,0 |
4,95 ¸ 6,33 |
4,3 ¸ 6,0 |
2,1 ¸3,25 |
|
- высота выгрузки в транспортное средство (Нв), м |
3,5 |
3,2 |
3,2 |
- |
6,16 ¸ 7,37 |
5,3 |
4,48 |
|
- усилие копания, кН |
35 |
35 |
35 |
- |
- |
143 |
91,3 |
|
- радиус выгрузки (Rв), м |
3,25 |
3,25 |
3,25 |
- |
6,69-8,1 |
5,4 ¸ 6,9 |
- |
|
Длительность рабочего цикла, с |
16 |
16 |
16 |
15 |
- |
19 ¸ 22 |
20 |
|
Наибольший угол поворота стрелы в плане, град. |
150 |
150 |
180 |
- |
|
|
|
|
Размеры экскаватора в транспортном положении, мм: |
|
|
|
|
|
|
|
|
- длина |
7000 |
8000 |
8570 |
|
8000 |
10000 |
9400 |
|
- ширина |
2500 |
2500 |
2250 |
|
2500 |
2480 |
2750 |
|
- высота |
3800 |
3800 |
3800 |
|
3800 |
4000 |
4200 |
|
Масса (эксплуатационная), т |
6,1 |
7,4 |
7,9 |
11,7 |
13,9 |
19,5 |
20 |
|
Максимальная (теоретическая) производительность, м3/ч |
|
|
|
96 |
100 |
92 ¸ 150 |
125 |
До 25 см - при буроземных и сероземных почвах в климатических подрайонах со среднемесячными температурами января минус 15 °С и выше и июля +25 °С и выше, с жарким солнечным летом, коротким зимним периодом и просадочными грунтами;
7 - 20 см - при подзолистых почвах и 60 - 80 см - при каштановых и черноземных почвах остальных климатических подрайонов.
1 - ось котлована; 2 - бульдозер; 3 - рабочий ход бульдозера; 4 - холостой ход бульдозера; 5 - место складирования грунта.
Рисунок 1 - Схема производства работ при срезке грунта растительного слоя челночным способом.
2.10 В случае обнаружения не указанных в проекте коммуникаций, подземных сооружений или обозначающих их знаков срезка грунта растительного слоя должна быть приостановлена, на место работы вызваны представители заказчика и организаций, эксплуатирующих обнаруженные коммуникации, и приняты меры по предохранению обнаруженных подземных устройств от повреждения. При невозможности установления эксплуатирующих организаций следует вызвать представителей местной администрации.
1, 2, 3, 4, 5, 6, 7 - траншеи; 8 - перемычки (ребро) шириной 0,7 м; 9 - участки проходов; 10 - место складирования грунта растительного слоя; 11 - ось котлована; 12 - направление разработки грунта растительного слоя.
Рисунок 2 - Схема производства работ при срезке грунта растительного слоя траншейным способом.
2.11 Транспортирование грунта растительного слоя на подъём более 10° (1:5,6) должно производиться только в исключительных случаях, так как производительность бульдозера при этом значительно снижается.
2.12 Разгрузка грунта растительного слоя в насыпи производится резким поднятием отвала в конце транспортировки на расстоянии от 1,0 до 1,5 м при движении бульдозера вперед и последующим разравниванием отсыпаемого грунта тыльной стороной отвала при заднем ходе бульдозера. Перемещение грунта растительного слоя при коротких расстояниях или на подъём производится на первой передаче трактора, а при более значительных расстояниях - на второй передаче.
Разгрузку грунта растительного слоя следует производить на скорости той передачи, на которой выполняется перемещение грунта бульдозером.
2.13 Обратный (холостой) ход бульдозера следует выполнять при повышенных скоростях.
2.14 Перемещенный в отвал грунт растительного слоя следует предохранять от размыва и выветривания путем устройства обваливания, уплотнения, укрытия.
2.15 Погрузка грунта растительного слоя из отвала производится экскаваторами, оборудованными обратной лопатой соответствующей емкости ковша. Размещение и перемещение разработанного грунта растительного слоя, места складирования и вывоза грунта (почвы) определяются в соответствии с действующим порядком в г. Москве, утвержденным постановлением Правительства Москвы от 06.04.1999 г. № 259 и другими нормативными документами.
2.16. Разрабатывая грунт растительного слоя из отвала обратной лопатой, машинист экскаватора обязан стремиться полностью использовать конструктивные возможности машины и мощность двигателя в данных конкретных условиях.
Ковш из грунта растительного слоя в отвале выводится немедленно после достаточного его наполнения. Во время поворота платформы экскаватора к месту загрузки ковш поднимается на разгрузочную высоту, а опорожнение его производится в момент, когда он находится над точкой, намеченной для разгрузки грунта в автосамосвал.
Платформа экскаватора при разработке грунта поворачивается на угол не более 90° для его разгрузки в автосамосвал.
2.17 Срезка грунта растительного слоя должна осуществляться с соблюдением действующих строительных норм и правил, безопасности и охраны труда и рабочей документации при авторском надзоре проектной организации и техническом надзоре заказчика.
3.1. Требуемое качество работ по срезке грунта растительного слоя обеспечивается строительной организацией путем осуществления комплекса технических, экономических и организационных мер эффективного контроля на всех стадиях строительного процесса подготовки основания для разработки грунта.
3.2 Контроль качества работ должен осуществляться специальными службами строительных организаций.
3.3 Производственный контроль качества работ по срезке грунта растительного слоя должен включать:
- входной контроль рабочей документации;
- операционный контроль отдельных строительных процессов или производственных операций;
- приемочный контроль выполненных работ.
3.4 Входной контроль - контроль правильности разбивочных работ, а также поступившей технической документации, в т.ч. проектов производства работ. Контроль осуществляется регистрационным методом, а при необходимости - измерительным методом. При входном контроле рабочей документации производится проверка ее комплектности и достаточности содержащейся в ней технической информации для производства работ.
3.5 Должностное лицо, ответственное за производство земляных работ, обязано во время их производства постоянно находиться на строительной площадке.
3.6 Операционный контроль осуществляется в ходе выполнения строительных процессов и производственных операций и обеспечивает своевременное выявление дефектов и принятие мер по их устранению и предупреждению. Осуществляется измерительным методом или техническим осмотром. Результаты операционного контроля фиксируются в Общем журнале работ или журналах производства работ, журналах геодезического контроля и других документах, предусмотренных действующей в данной организации системой управления качеством.
При операционном контроле проверяют: соблюдение технологии выполнения работ, их соответствие СНиП (соответствие типа машин принятым в проекте или технологической схеме производства работ, влажность и толщину срезаемого растительного слоя грунта, полноту снятия плодородного слоя и др.).
Исполнителем операционного контроля является производственный персонал (рабочие, бригадиры, мастера). Этот вид контроля рассматривается как контроль качества труда.
Контролируемые операции, состав, способы и время контроля представлены в таблице 3.
Таблица 3 - Контроль качества выполнения операций
|
Контроль качества выполнения операций |
|||||
|
производителем работ |
мастером |
Состав |
Способы |
Время |
Привлекаемые службы |
|
|
Подготовительные работы |
Качество очистки территории |
Визуально |
До начала работ |
|
|
|
Механизированная срезка грунта |
Срезка растительного слоя |
Визуально |
В процессе работы |
|
3.7 Приемочный контроль - контроль, выполняемый по завершении работ по срезке грунта растительного слоя или его этапов с участием заказчика. Приемочный контроль заключается в выборочной проверке соответствия параметров срезанного грунта растительного слоя нормативным и проектным и оценке качества выполненных работ.
3.8 При работах по срезке грунта растительного слоя следует организовать тщательный и систематический контроль за:
- влажностью срезаемого грунта;
- толщиной срезаемого слоя грунта;
- числом прохода бульдозеров по грунту;
- скоростью перемещения бульдозеров.
3.9 Качество работ по срезке грунта растительного слоя обеспечивают рабочие, бригадиры, мастера и производители работ. Основная обязанность бригадира, мастера и производителя работ - обеспечение высокого качества работ в соответствии с проектом производства работ, рабочими чертежами, СНиП и технологическими условиями на производство и приемку работ.
3.10 Сдача-приемка работ оформляется актами освидетельствования скрытых работ, проверки качества и освидетельствования, которые должны содержать перечень технической документации, на основании которой были выполнены работы, данные о проверке правильности выполнения работ по срезке грунта растительного слоя, топографических, геологических и гидрогеологических условиях, в т.ч. об уровне грунтовых вод, наличии карстовых и оползневых явлений, а также перечень недоделок с указанием сроков их устранения.
Сдача-приемка работ оформляется актом, который должен содержать перечень технической документации, на основании которой были выполнены работы, данные о проверке правильности выполнения работ по срезке растительного слоя грунта, а также перечень недоделок с указанием сроков их устранения.
3.11 По результатам приемочного контроля принимается документированное решение о пригодности подготовленной площадки к выполнению последующих работ.
3.12 Оценка «хорошо» дается за работы, выполненные в полном соответствии с проектом, нормативными документами и стандартами. Оценка «удовлетворительно» - за работы, выполненные с малозначительными отклонениями от технической документации.
4.1 Участки производства работ в населенных пунктах или на территории организации во избежание доступа посторонних лиц должны быть ограждены. Технические условия по устройству инвентарных ограждений установлены ГОСТ 25407-78.
4.2 Запрещается разрабатывать грунт растительного слоя и перемещать его при движении на подъём или под уклон с углом наклона более указанного в паспорте применяемой машины.
4.3 При остановке бульдозера на длительный период необходимо заглушить двигатель, опустить отвал на землю и затормозить бульдозер.
4.4 Во время работы двигателя категорически запрещается находиться в пространстве между трактором и рамой бульдозера.
4.5 Запрещается во время работы бульдозера нахождение людей в радиусе 10 м от работающего бульдозера.
4.6 При срезке грунта растительного слоя запрещается:
- работать на неисправных машинах;
- на ходу смазывать машину, устранять неисправности, регулировать машину, входить в машину и выходить из нее;
- оставлять машину при работающем двигателе;
- находиться на машинах или в непосредственной близости к ним посторонним лицам.
4.7 При срезке грунта растительного слоя необходимо выполнять следующие требования:
- в ночное время машина должна иметь габаритные световые сигналы и фары для освещения пути движения;
- при одновременной работе двух бульдозеров друг за другом расстояние между ними должно составлять не менее 10 м;
- при перерывах в работе машина должна быть заторможена.
4.8 Извлеченный из выемки грунт растительного слоя необходимо размещать на расстоянии не менее 0,5 м от бровки этой выемки.
4.9 При производстве работ по срезке грунта растительного слоя должны быть приняты меры, предотвращающие опрокидывание машин или самопроизвольное перемещение их под действием ветра или при наличии уклона местности. Не разрешается пользоваться открытым огнем для разогрева узлов машины, а также работать на машинах при течи в топливных и масляных системах.
4.10 При приближении к линиям подземных коммуникаций работы по срезке грунта растительного слоя должны производиться под наблюдением производителя работ или мастера, а в охранной зоне кабелей, находящихся под напряжением, или действующего газопровода, кроме того, под наблюдением работников электро- или газового хозяйства при наличии наряд-допуска.
4.11 При обнаружении не предусмотренных планом коммуникаций, подземных сооружений, взрывоопасных материалов и боеприпасов земляные работы в этих местах следует прекратить, на место работы вызвать представителей заказчика и организаций, эксплуатирующих обнаруженные коммуникации, и принять меры по предохранению обнаруженных подземных устройств от повреждения. Работы возобновляются после выявления характера обнаруженных сооружений или предметов и получения соответствующего разрешения. В случае обнаружения боеприпасов к работе можно приступить только после их удаления саперами.
4.12 Разработка грунта растительного слоя в непосредственной близости от линий действующих подземных коммуникаций допускается только при помощи ручных землекопных лопат, без использования ударных инструментов.
4.13 Погрузка грунта растительного слоя на автосамосвалы должна производиться со стороны заднего или бокового борта.
4.14 После окончания работы машинист должен поставить машину на место, отведенное для ее стоянки, выключить двигатель, перекрыть подачу топлива, в зимнее время слить воду из системы охлаждения во избежание ее замерзания, очистить машину от грязи и масла, подтянуть болтовые соединения, смазать трущиеся части. Кроме того, машинист должен убрать пусковые приспособления, тем самым, исключив всякую возможность запуска машины посторонними лицами. На время стоянки машина должна быть заторможена, а рычаги управления поставлены в нейтральное положение. При передаче смены необходимо сообщить сменщику о состоянии машины и всех обнаруженных неисправностях.
4.15 Пожарную безопасность на строительной площадке, участках работ и рабочих местах следует обеспечить в соответствии с требованиями ППБ 01-03 «Правила пожарной безопасности в Российской Федерации».
4.16 Электробезопасностъ на строительной площадке, участках работ и рабочих местах должна обеспечиваться в соответствии с требованиями СНиП 12-03-2001.
4.17 Освещение строительной площадки, участков работ, рабочих мест, проездов и проходов к ним в темное время суток должно отвечать требованиям ГОСТ 12.1.046-85. Освещенность должна быть равномерной, без слепящего действия осветительных приспособлений на работающих. Строительное производство в неосвещенных местах не допускается. Проект временного освещения разрабатывается подрядчиком либо специализированной организацией по заказу подрядчика.
4.18 Перед началом производства работ по срезке грунта растительного слоя на участках с возможным патогенным заражением почвы (свалка, скотомогильники и т.п.) необходимо получить разрешение органов Государственного санитарного надзора.
4.19 На территории строящихся и реконструируемых объектов не допускается непредусмотренное проектной документацией сведение древесно-кустарниковой растительности и засыпка грунтом корневых шеек и стволов растущих деревьев и кустарника. Сохраняемые деревья должны быть ограждены.
4.20 В зоне производства работ грунт растительного слоя должен предварительно сниматься и складироваться в специально отведенных местах с последующим использованием для рекультивации земель. Выпуск воды со стройплощадки непосредственно на склоны без надлежащей защиты от размыва грунта не допускается.
4.21 Запрещается применение оборудования, машин и механизмов, являющихся источником выделения вредных веществ в атмосферный воздух, почву и водоемы и повышенных уровней шума и вибрации.
4.22 В сложившихся условиях производства работ в г. Москве необходимо осуществлять мероприятия и работы по охране окружающей природной среды согласно «Правилам производства земляных и строительных работ, прокладки и переустройства инженерных коммуникаций в г. Москве» (постановление Правительства Москвы № 603 от 08.08.2000 г.) с соблюдением требований безопасности работ согласно СНиП 12-03-2001 и СНиП 12-04-2002.
5.1 Потребность в машинах, инструменте, инвентаре для срезки растительного слоя грунта определяется с учетом специфики выполняемых работ, назначения и технических характеристик в соответствии с таблицей 4.
Таблица 4 - Ведомость потребности в машинах, инструменте, инвентаре
|
Наименование |
Тип, марка, ГОСТ |
Техническая характеристика |
Назначение |
Кол. на звено (бригаду), шт. |
|
|
1 |
2 |
3 |
4 |
5 |
6 |
|
1 |
Бульдозер |
Подбирается по таблице 1 |
Срезка грунта растительного слоя |
1 |
|
|
2 |
Экскаватор |
Подбирается по таблице 2 |
Погрузка грунта растительного слоя |
1 |
|
|
3 |
Автосамосвал |
КАМАЗ-55111 |
|
Вывоз грунта растительного слоя |
По расчету |
|
4 |
Теодолит |
ОТ-02 |
|
Для измерительных работ |
1 |
|
5 |
Нивелир с рейкой |
НВ-1 |
|
1 |
|
|
6 |
Рулетка измерительная |
|
Для линейных измерений |
2 |
|
|
7 |
Стальная лента |
Тип ИР-749 |
Длина 25 м |
Для линейных измерений |
1 |
|
8 |
Каска строительная |
|
Для защиты головы |
2 |
|
|
9 |
Рукавицы |
|
Для защиты рук |
2 |
|
|
10 |
Комплект знаков по технике безопасности |
|
Для обеспечения техники безопасности |
1 |
|
|
11 |
Спецодежда |
|
Для индивидуальных средств защиты |
2 |
|
5.2 Потребность в эксплутационных материалах для применяемых машин и механизмов определяется по паспортам этих машин и механизмов.
6.1 Технико-экономические показатели в технологической карте определены для случая разработки грунта растительного слоя I, II группы бульдозерами с перемещением грунта в отвал.
6.2 Экономически эффективная дальность перемещения грунта бульдозерами 3 и 4 тягового класса не превышает 50 м, а использование бульдозеров более тяжелого тягового класса экономически не целесообразна.
Нормами предусмотрена срезка грунта растительного слоя при отсутствии корней кустарника за один - два прохода по одному следу на глубину до 15 см; при наличии корней кустарника и деревьев - за два - три прохода по одному следу на общую глубину до 25 см.
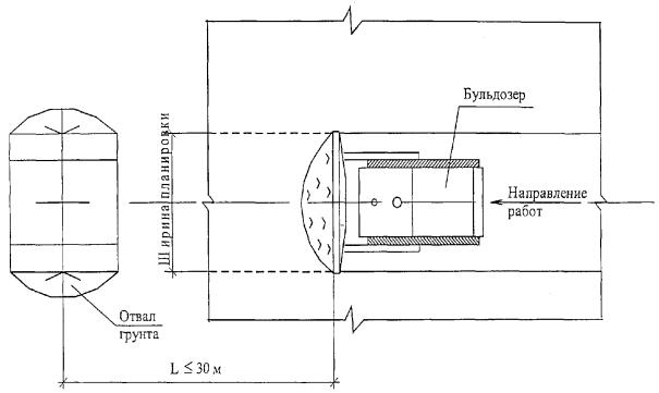
6.3 При планировке поверхности бульдозером предусматривается перемещение грунта на расстояние до 30 м. Планировка ведется полосами, равными ширине отвала бульдозера, при рабочем ходе в одном направлении, как показано на рисунке 3.
Рисунок 3 - Схема производства работ по срезке грунта растительного слоя бульдозером
6.4 Погрузка срезанного грунта растительного слоя производится гидравлическими экскаваторами, оборудованными ковшом обратная лопата. Вывоз грунта растительного слоя определяется в соответствии с действующим порядком в г. Москве, утвержденным постановлением Правительства Москвы от 06.04.1999 г. № 259 и другими нормативными документами. Вывоз грунта растительного слоя и места его складирования в других регионах решаются руководством строительной организации и местными административными органами.
6.5 Состав звеньев (бригад) по профессиям и распределение работ между ними приводится в таблице 5.
Таблица 5 - Состав звена по профессиям
|
Состав звена по профессиям |
Квалификация |
Количество человек в смену |
Перечень выполняемых работ |
|
|
1 |
Машинист бульдозера |
6 разр. |
1 |
Срезка грунта растительного слоя |
|
2 |
Машинист экскаватора |
6 разр. |
1 |
Погрузка грунта растительного слоя |
6.6 Затраты труда и машинного времени на срезку грунта растительного слоя подсчитаны по «Единым нормам и расценкам на строительные, монтажные и ремонтно-строительные работы», введенным в действие в 1987 г., и представлены в таблицах 6 и 7.
6.7 В технологической карте рассмотрена работа бульдозеров в грунтах природной влажности. При работе бульдозеров в переувлажненных грунтах, в которых буксуют или вязнут гусеницы тракторов, срезку грунта следует нормировать с дополнительными коэффициентами.
6.8 Продолжительность работ срезки грунта растительного слоя по обоим вариантам представлена в таблицах 8 и 9.
Таблица 6 - Калькуляция затрат труда и машинного времени на срезку грунта растительного слоя с перемещением в отвал
Измеритель конечной продукции - 1000 м2
|
Обоснование (ЕНиР и др. нормы) |
Наименование технологических процессов |
Ед. изм. |
Объем работ |
Норма времени |
Затраты труда |
||||
|
рабочих, чел.-ч. |
машиниста, чел.-ч., (работа машин, маш.-ч.) |
рабочих, чел.-ч. |
машиниста, чел.-ч., (работа машин, маш.-ч.) |
||||||
|
1 |
Е2-1-5 № 3а |
Срезка грунта растительного слоя бульдозером на базе трактора Т-130 |
I гр. |
1000 м2 |
1,0 |
- |
0,66 (0,66) |
- |
0,66 (0,66) |
|
2 |
Е2-1-5 № 3б |
II гр. |
- |
1,4 (1,4) |
- |
1,4 (1,4) |
|||
|
3 |
Е2-1-22 № 5а + 5г |
Перемещение грунта растительного слоя бульдозером на базе трактора Т-130 до 20 м в отвал |
I гр. |
100 м3 |
1,56 |
- |
до 10 м - 0,35 (0,35) следующие 10 м - 0,3 (0,3) |
- |
1,01 (1,01) |
|
4 |
Е2-1-22 № 5б + 5д |
II гр. |
- |
до 10 м - 0,41 (0,41) следующие 10 м - 0,33 (0,33) |
- |
1,15 (1,15) |
|||
|
ИТОГО: |
1,67 (1,67) 2,55 (2,55) |
||||||||
Таблица 7 - Калькуляция затрат труда и машинного времени на срезку грунта растительного слоя и последующим вывозом
Измеритель конечной продукции - 1000 м2
|
Обоснование (ЕНиР и др. нормы) |
Наименование технологических процессов |
Ед. изм. |
Объем работ |
Норма времени |
Затраты труда |
||||
|
рабочих, чел. -ч. |
машиниста, чел.-ч., (работа машин, маш.-ч.) |
рабочих, чел.-ч. |
машиниста, чел.-ч., (работа машин, маш.-ч.) |
||||||
|
1 |
Е2-1-5 № 3а |
Срезка грунта растительного слоя бульдозером на базе трактора Т-130 |
I гр. |
1000 м2 |
1,0 |
- |
0,66 (0,66) |
- |
0,66 (0,66) |
|
2 |
Е2-1-5 № 3б |
II гр. |
- |
1,4 (1,4) |
- |
1,4 (1,4) |
|||
|
3 |
Е2-1-22 № 5а + 5г |
Перемещение грунта растительного слоя бульдозером на базе трактора Т-130 до 20 м в отвал |
I гр. |
100 м3 |
1,56 |
- |
до 10 м - 0,35 (0,35) следующие 10 м - 0,3 (0,3) |
- |
1,01 (1,01) |
|
4 |
Е2-1-22 № 5б + 5д |
II гр. |
- |
до 10 м - 0,41 (0,41) следующие 10 м - 0,33 (0,33) |
- |
1,15 (1,15) |
|||
|
5 |
Е2-1-9 № 3а |
Погрузка срезанного слоя грунта экскаватором, оборудованным ковшом обратная лопата в автосамосвал. Вместимость ковша 0,65 м3 |
I гр. |
100 м3 |
1,56 |
- |
1,6 (1,6) |
- |
2,49 (2,49) |
|
6 |
Е2-1-9 № 3б |
II гр. |
- |
2 (2) |
- |
3,12 (3,12) |
|||
|
ИТОГО: |
4,16 (4,16) 5,67 (5,67) |
||||||||
Таблица 8 - Календарный план производства работ по срезке грунта растительного слоя с перемещением в отвал
Измеритель конечной продукции - 1000 м2

Таблица 9 - Календарный план производства работ по срезке грунта растительного слоя и последующим вывозом
Измеритель конечной продукции - 1000 м2

1 СНиП 2.02.01-93* Основания зданий и сооружений.
2 СНиП 3.01.01-85* Организация строительного производства.
3 СНиП 3.02.01-87 Земляные сооружения, основания и фундаменты.
4 СНиП 12-03-2001 Безопасность труда в строительстве. Часть 1. Общие требования.
5 СНиП 12-04-2002 Безопасность труда в строительстве. Часть 2. Строительное производство.
6 СНиП III-10-75 Благоустройство территорий.
7 ГОСТ 12.1.046-85 ССБТ. Строительство. Нормы освещения строительных площадок.
8 ГОСТ 12.4.010-75* ССБТ. Средства индивидуальной защиты. Рукавицы специальные. Технические условия.
9 ГОСТ Р 12.4.026-2001 ССБТ. Цвета сигнальные, знаки безопасности и разметка сигнальная. Назначение и правила применения. Общие технические требования и характеристики. Методы испытаний.
10 ГОСТ 12.4.087-84 ССБТ. Строительство. Каски строительные. Технические условия.
11 ГОСТ 23407-78 Ограждения инвентарные строительных площадок и участков производства строительно-монтажных работ. Технические условия.
12 ГОСТ 25100-95 Грунты. Классификация.
13 ППБ 01-03 Правила пожарной безопасности в Российской Федерации.
14 ЕНиР. Единые нормы и расценки на строительные, монтажные и ремонтно-строительные работы. Сборник Е2. Земляные работы. Выпуск 1. Механизированные и ручные земляные работы.
15 Регламент подготовки, организации и производства строительных (земляных) работ в стесненных условиях городской застройки. М., 2000.
16 ТР 94.01-99 Технический регламент операционного контроля качества строительно-монтажных и специальных работ при возведении зданий и сооружений. Производство земляных работ.
17 Правила производства земляных и строительных работ, прокладки и переустройства инженерных сетей и коммуникаций в г. Москве. М., 2000.