ГОСУДАРСТВЕННАЯ КОМИССИЯ ПО РАДИОЧАСТОТАМ
ПРИ МИНИСТЕРСТВЕ СВЯЗИ РОССИЙСКОЙ ФЕДЕРАЦИИ
(ГКРЧ России)

НОРМЫ 8-95 С ИЗМЕНЕНИЕМ №1

РАДИОПОМЕХИ ИНДУСТРИАЛЬНЫЕ. ЭЛЕКТРОУСТРОЙСТВА,
ЭКСПЛУАТИРУЕМЫЕ ВНЕ ЖИЛЫХ ДОМОВ. ПРЕДПРИЯТИЯ НА
ВЫДЕЛЕННЫХ ТЕРРИТОРИЯХ ИЛИ В ОТДЕЛЬНЫХ ЗДАНИЯХ.
ДОПУСТИМЫЕ ЗНАЧЕНИЯ. МЕТОДЫ ИСПЫТАНИЙ.

Москва, 1997

СОДЕРЖАНИЕ

1. Область применения. 1

2. Нормативные ссылки. 2

3. Определения. 2

4. Общие положения. 2

5. Нормы.. 3

6. Методы испытаний. 4

ВЫПИСКА

из решения Государственной комиссии по радиочастотам при Министерстве связи Российской Федерации от 9 октября 1995 года

Государственная комиссия по радиочастотам при Министерстве связи Российской Федерации РЕШАЕТ:

1. Утвердить и ввести в действие на всей территории Российской Федерации с 1 января 1996 года «Нормы. Радиопомехи индустриальные. Электроустройства, эксплуатируемые вне жилых домов. Предприятия на выделенных территориях или в отдельных зданиях. Допускаемые величины и методы испытаний» (Нормы 8-95) в качестве обязательных для министерств, ведомств, предприятий, юридических и физических лиц. Указанные нормы распространяются также на оборудование, ввозимое по импорту.

2. Считать утратившими силу с 1 января 1996 года «Общесоюзные нормы допускаемых индустриальных радиопомех. Электроустройства, эксплуатируемые вне жилых домов и не связанные с их электрическими сетями. Предприятия (объекты) на выделенных территориях или в отдельных зданиях. Допускаемые величины и методы испытаний» (Нормы 8-72).

ВЫПИСКА

из решения Государственной комиссии по радиочастотам при Министерстве связи Российской Федерации от 30 декабря 1996 года.

Государственная комиссия по радиочастотам при Министерстве связи Российской Федерации РЕШАЕТ:

Утвердить и ввести в действие с 1 октября 1997 года Изменение № 1 Норм 8-95 «Радиопомехи индустриальные. Электроустройства, эксплуатируемые вне жилых домов. Предприятия на выделенных территориях или в отдельных зданиях. Допустимые значения. Методы испытаний».

1. Область применения

Настоящие нормы распространяются на:

оборудование промышленного, энергетического, строительно-дорожного, торгового, коммунального, медицинского и т.п. назначения (далее в тексте - оборудование) с напряжением питания не выше 1000 В, эксплуатируемое вне жилых домов и не связанное с их электрическими сетями;

предприятия различного назначения, расположенные на выделенных территориях или в отдельных зданиях (далее в тексте - объекты): заводы, фабрики, АТС, медицинские учреждения, универсамы, ремонтные предприятия и т.п.

Нормы устанавливают допустимые значения и методы измерений индустриальных радиопомех в полосе частот 0,15 - 1000 МГц. Оборудование, изготовленное и сданное в эксплуатацию до 1 января 1996 г. нормируется в полосе частот 0,15 - 300 МГц.

Нормы не распространяются на световые приборы по ГОСТ 21177; технические средства аппаратуры проводной связи по Нормам 9; оборудование информационной техники по ГОСТ 29216; промышленные, научные, медицинские и бытовые высокочастотные установки по ГОСТ 23450.

Нормы на средние значения напряжения индустриальных радиопомех распространяются на оборудование и объекты, технические задания на которые утверждены после 01.10.97.

2. Нормативные ссылки

В настоящих нормах использованы ссылки на следующие нормативные документы:

ГОСТ 11001 Приборы для измерения индустриальных радиопомех. Технические требования и методы испытаний

ГОСТ 14777 Радиопомехи индустриальные. Термины и определения

ГОСТ 15150 Машины, приборы и другие технические изделия. Исполнения для различных климатических районов

ГОСТ 16842 Радиопомехи индустриальные. Методы испытаний источников индустриальных радиопомех

ГОСТ 21177 Радиопомехи индустриальные от светильников с люминесцентными лампами. Нормы и методы испытаний

ГОСТ 22012 Радиопомехи индустриальные от линий электропередач и электрических подстанций. Нормы и методы измерений

ГОСТ 23450 Радиопомехи индустриальные от промышленных, научных, медицинских и бытовых высокочастотных установок. Нормы и методы измерений

ГОСТ 29037 Совместимость технических средств электромагнитная. Сертификационные испытания. Общие положения

ГОСТ 29216 Совместимость технических средств электромагнитная. Радиопомехи индустриальные от оборудования информационной техники. Нормы и методы испытаний

ГОСТ Р 50033 Совместимость технических средств электромагнитная. Радиопомехи индустриальные от устройств, содержащих источники кратковременных радиопомех. Нормы и методы испытаний

ГОСТ Р 50414 Совместимость технических средств электромагнитная. Оборудование для испытаний. Камеры экранированные. Классы, основные параметры, технические требования и методы испытаний

Нормы 9-93 Радиопомехи индустриальные. Аппаратура проводной связи. Нормы и методы испытаний

3. Определения

Термины, применяемые в настоящих нормах, и их определения приведены в ГОСТ 14777.

4. Общие положения

Если комплекс испытуемого оборудования состоит из устройств, которые могут продаваться и эксплуатироваться отдельно, то требованиям настоящих норм должно соответствовать каждое отдельное устройство.

5. Нормы

5.1. Несимметричное напряжение индустриальных радиопомех на зажимах для подключения оборудования к сети электропитания (далее в тексте - на сетевых зажимах) не должно превышать значений, приведенных в табл. 1.

Таблица 1

Полоса частот, МГц

Напряжение индустриальных радиопомех, дБмкВ

квазипиковое значение

среднее значение

От 0,15 до 0,5

79

66

От 0,5 до 30 вкл.

73

60

5.2. Несимметричное напряжение индустриальных радиопомех в низковольтных электрических сетях, выходящих за границу объекта, не должно превышать значений, приведенных в табл. 2.

В полосе частот от 0,15 до 0,5 МГц на линиях заходящих в жилые дома допускаемые значения напряжения индустриальных радиопомех Uc в децибелах относительно 1 мкВ вычисляют по формулам:

                         (1)

где f - частота измерений, МГц.

Таблица 2

Полоса частот, МГц

Напряжение индустриальных радиопомех Uс, дБмкВ

на линиях, не заходящих в жилые дома

на линиях, заходящих в жилые дома

квазипиковые значения

средние значения

квазипиковые значения

средние значения

От 0,15 до 0,5

79

66

От 66 до 56

От 56 до 46

От 0,5 до 5 вкл.

73

60

56

46

Св. 5 до 30 вкл.

73

60

60

50

5.3. Общее несимметричное напряжение индустриальных радиопомех на проводах воздушных линий связи, трансляции и других симметричных линий, выходящих за границу объекта, не должно превышать значений, приведенных в табл. 3.

В полосе частот от 0,15 до 0,5 МГц допускаемые значения напряжения индустриальных радиопомех Uл в децибелах относительно 1 мкВ вычисляют по формулам:

                            (2)

где f - частота измерений, МГц.

Таблица 3

Полоса частот, МГц

Напряжение индустриальных радиопомех Uл, дБмкВ

на линиях, не заходящих в жилые дома

на линиях, заходящих в жилые дома

квазипиковые значения

средние значения

квазипиковые значения

средние значения

От 0,15 до 0,5 вкл.

От 97 до 87

От 84 до 74

От 84 до 74

От 74 до 64

Св. 0,5 до 30 вкл.

87

74

74

64

5.4. Квазипиковое значение напряженности поля индустриальных радиопомех на расстоянии 10 м от корпуса передвижного (переносного) оборудования или от границы объекта не должно превышать значений, приведенных в табл. 4.

Таблица 4

Полоса частот, МГц

Напряженность поля радиопомех, дБмкВ/м

От 30 до 230 вкл.

40

Св. 230 до 1000 вкл.

47

5.5. Несимметричное напряжение кратковременных радиопомех, превышающие значения, указанные в пп. 5.1 и 5.2, регламентируется ГОСТ Р 50033.

5.6. Требования, приведенные в п. 5.1 для стационарного оборудования, в п. 5.2 для низковольтных электрических сетей, выходящих за границу объекта, в п. 5.3 для проводов воздушных линий связи, трансляции и других симметричных линий, выходящих за границу объекта, а также в п. 5.4 для объектов, выполняются по требованию «заказчика» или Главного управления Государственного надзора за связью в Российской Федерации при наличии жалоб на помехи теле- и радиоприему.

6. Методы испытаний

6.1. Общие положения

6.1.1. Испытания на соответствие требованиям на радиопомехи проводят в соответствии с положениями ГОСТ 16842, ГОСТ 29037 и настоящих норм.

6.1.2. Испытания на соответствие нормам радиопомех проводят:

- серийно выпускаемого оборудования - при периодических, типовых и сертификационных испытаниях;

- разрабатываемого и модернизируемого оборудования - при приемочных испытаниях;

- импортируемого оборудования - при сертификационных испытаниях;

- объектов - перед их вводом и в процессе эксплуатации.

6.1.3. Если уровень индустриальных радиопомех при различных режимах работы оборудования изменяется, то измерения проводят в том режиме, при котором уровень индустриальных радиопомех максимальный.

Если в условиях испытаний какой-либо режим работы установить невозможно, то отклонение от этого режима указывают в протоколе испытаний.

Напряжение индустриальных радиопомех от электростанций, агрегатов и других источников и преобразователей электрической энергии допускается измерять в режиме холостого хода, если предварительно установлено, что напряжение индустриальных радиопомех при наличии нагрузки не возрастает. При токах нагрузки, превышающих 25 А, допускается измерять при токе, равном 25 А.

6.1.4. Для обеспечения заданных режимов работы к соответствующим зажимам испытуемого оборудования подключают электрические нагрузки, внешние устройства или их эквиваленты.

6.1.5. При испытаниях к оборудованию подключают только те вспомогательные устройства и контрольно-измерительные приборы, которые необходимы для установления заданного режима работы.

6.1.6. Не допускается измерять на открытой измерительной площадке при дожде, снегопаде, гололеде или наличии влаги на испытуемом оборудовании, кроме случаев, указанных в нормативных документах на оборудование.

6.1.7. Значение напряжения (напряженности поля) посторонних радиопомех на каждой частоте измерений должно быть ниже нормируемого значения не менее чем на 6 дБ.

Допускается проводить измерения при более высоком уровне посторонних радиопомех, если суммарное значение индустриальных радиопомех, создаваемых испытуемым оборудованием и посторонних радиопомех, не превышает нормы.

6.2. Аппаратура и оборудование

6.2.1. Измеритель радиопомех - по ГОСТ 11001.

6.2.2. V-образный эквивалент сети - по ГОСТ 11001, тип 4.

6.2.3. Пробник напряжения - по ГОСТ 11001, тип 2.

6.2.4. Переключатель фаз, имеющий следующие технические характеристики:

число коммутируемых каналов измерений                                                        4

модуль полного сопротивления нагрузки каналов, в которых не

проводится измерение,                                                                                                               50 ± 5 Ом

переходное затухание между каналом, в котором проводится

измерение, и другими каналами переключателя, не менее                                                                                                               20 дБ

6.2.5. Измерительные антенны - по ГОСТ 11001.

6.2.6. Т-образный пробник напряжения - используется Т-образный эквивалент сети по Нормам 9-93, включенный в режиме пробника напряжения.

6.2.7. Металлические листы для измерения напряжения радиопомех по ГОСТ 16842.

6.2.8. Набор металлических листов для измерения напряженности поля радиопомех общей площадью, обеспечивающей размещение испытуемого оборудования и измерительной аппаратуры в соответствии с п. 6.6.

Допускается использовать перфорированные металлические листы или сетку с размерами перфораций или ячеек не более (0,02´0,02) м.

6.2.9. Силовые электрические нагрузки на соответствующий ток - cos j > 0,8.

6.2.10. Изоляционные подставки толщиной 0,04 м и поворотная платформа для размещения испытуемого оборудования и измерительной аппаратуры.

6.3. Подготовка к измерениям напряжения индустриальных радиопомех от оборудования

6.3.1. Напряжение индустриальных радиопомех, создаваемых оборудованием, измеряют в экранированной камере, соответствующей требованиям ГОСТ Р 50414. Эффективность экранирования и фильтрации сети электропитания камеры должны обеспечивать выполнение требований п. 6.1.7. Размеры камеры должны быть такими, чтобы расстояние от испытуемого оборудования или устройства (включая внешние устройства и вспомогательное оборудование), расположенного в соответствии с требованиями настоящих норм, до ближайших металлических предметов и токопроводящих поверхностей было не менее 0,8 м.

Допускается проводить измерения в неэкранированных помещениях или на открытых измерительных площадках при выполнении требований п. 6.1.7 и соблюдении расстояния не менее 0,8 м до ближайших металлических предметов и токопроводящих поверхностей.

6.3.2. Индустриальные радиопомехи измеряют с использованием эквивалента сети или пробников напряжения.

Эквиваленты сети применяют, когда испытуемое оборудование потребляет или генерирует токи не более 25 А при постоянном напряжении до 220 В или переменном фазном напряжении 220 В частоты 50 Гц.

В других случаях используют пробники напряжения.

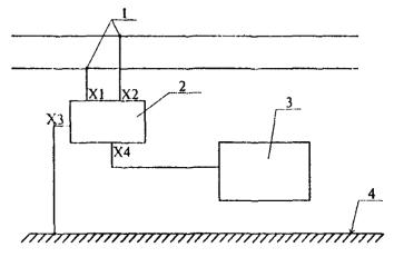
6.3.3. Расположение аппаратуры и оборудования при измерении напряжения индустриальных радиопомех с использованием эквивалента сети приведено на рис. 1 и .

1 - металлический лист; 2 - испытуемое оборудование; 3 - подставка из изоляционного материала; 4 - эквивалент сети; 5 - измеритель радиопомех

Рисунок 1 - Расположение стационарного испытуемого оборудования, измерительной аппаратуры и вспомогательного оборудования при измерении напряжения индустриальных радиопомех с использованием эквивалента сети

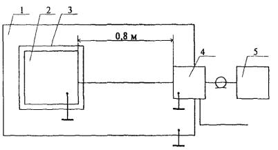
1 - испытуемое оборудование; 2 - провод заземления; 3 - соединительный шнур (кабель); 4 - эквивалент сети; 5 - стена экранированного помещения; 6 - стол; 7 - измеритель радиопомех; l - необходимый размер металлического листа при измерении вне экранированного помещения.

Рисунок 1а - Расположение переносного испытуемого оборудования, измерительной аппаратуры и вспомогательного оборудования при измерении напряжения индустриальных радиопомех с использованием эквивалента сети

Стационарное оборудование устанавливают на металлическом листе на изоляционной подставке. Эквивалент сети также располагают на металлическом листе, на расстоянии 0,8 м от испытуемого оборудования.

Зажим для подключения защитного заземления на испытуемом оборудовании соединяют с зажимом заземления металлического листа проводом минимально возможной длины.

Переносное оборудование располагают на столе, установленном у вертикально расположенного металлического листа. При измерении в экранированном помещении в качестве металлического листа может быть использован экран помещения. Эквивалент сети располагают у металлического листа на расстоянии 0,8 м от испытуемого оборудования.

Зажим заземления эквивалента сети соединяют с металлическим листом шиной или проводом минимально возможной длины, но не более 0,4 м.

Подключение оборудования к эквиваленту сети производят неэкранированным кабелем (если в технической документации на оборудование не указано иное) такой длины, чтобы часть его, расположенная горизонтально, была равна 0,8 м.

Если у оборудования кабель несъемный и имеет длину более 1 м, то часть его, расположенную горизонтально сворачивают в виде круглых колец. Если кабель имеет экранную оболочку или включает отдельный провод для заземления, то их соединяют с зажимом заземления эквивалента сети.

При технических сложностях с размещением оборудования на металлическом листе допускается измерять без металлического листа. В этом случае зажим заземления испытуемого оборудования соединяют с зажимами заземления эквивалента сети, нагрузок, внешних устройств (или их эквивалентов) медной или латунной шиной шириной не менее 0,1 м.

6.3.4. Схема измерения напряжения индустриальных радиопомех с использованием пробников напряжения приведена на рис. 2.

1 - испытуемое оборудование; 2 - шины, соединяющие пробник напряжения с зажимами устройства; 3 - пробники напряжения; 4 - соединительные коаксиальные кабели; 5 - переключатель фаз; 6 - измеритель радиопомех; 7 - шина, подключающая пробники напряжения к зажиму заземления; 8 - зажим заземления

Рисунок 2 - Схема измерения несимметричного напряжения индустриальных радиопомех с использованием пробников напряжения

Провода (шины), подключающие пробник напряжения к сетевым зажимам испытуемого оборудования и к зажиму заземления на его корпусе, должны быть минимально возможной длины.

Если фазное напряжение электрической сети более 250 В, то к входу каждого пробника напряжения подключают конденсатор емкостью 0,047 мкФ на рабочее напряжение 1000 В переменного тока. Пробники напряжения должны быть откалиброваны по ГОСТ 11001.

6.3.5. Если испытуемое оборудование имеет, кроме сетевых, зажимы для подключения нагрузки или внешних устройств, то напряжение индустриальных радиопомех на этих зажимах измеряют с использованием пробников напряжения.

6.4. Подготовка к проведению измерений напряжения индустриальных радиопомех на проводах воздушных низковольтных электрических сетей, выходящих за границу объекта

6.4.1. Схема измерения напряжения индустриальных радиопомех на зажимах электрических сетей с фазным напряжением до 250 В частоты 50 Гц приведена на рис. 3.

Если фазное напряжение электрической сети более 250 В, то к входу каждого пробника напряжения подключают конденсатор емкостью 0,047 мкФ на рабочее напряжение 1000 В переменного тока. Пробники напряжения должны быть откалиброваны по методике ГОСТ 11001.

Провода (шины), подключающие пробники напряжения к клемме заземления и между собой, а также подключающие пробники напряжения к зажимам электрической сети, должны быть минимально возможной длины.

1 - зажимы на вводном распределительном устройстве (ВРУ); 2 - шины, подключающие пробники напряжения к зажимам ВРУ; 3 - пробники напряжения; 4 - соединительные коаксиальные кабели; 5 - переключатель фаз; 6 - измеритель радиопомех; 7 - шина, подключающая пробники напряжения к зажиму заземления; 8 - зажим заземления

Рисунок 3 - Схема измерений несимметричного напряжения индустриальных радиопомех в электрических сетях.

6.4.2. Напряжение индустриальных радиопомех на проводах электрических сетей, выходящих за границу объекта и не заходящих в жилые дома, измеряют на зажимах, расположенных возможно ближе к границе объекта.

Напряжение индустриальных радиопомех на проводах электрических сетей, выходящих за границу объекта и заходящих в жилые дома, измеряют на зажимах вводных распределительных устройств дома.

6.5. Подготовка к проведению измерений общего несимметричного напряжения индустриальных радиопомех на проводах воздушных линий связи, трансляции и других симметричных линий, выходящих за границу объекта

6.5.1. Схема измерения общего несимметричного напряжения индустриальных радиопомех приведена на рис. 4.

Т-образный эквивалент сети в режиме пробника напряжения включается следующим образом. Зажимы «Источник радиопомех» подключаются к линии связи. Зажимы «Линия связи» остаются ненагруженными.

6.5.2. Измерение напряжения индустриальных радиопомех проводят на зажимах линий связи, расположенных возможно ближе к границе объекта.

6.6. Подготовка к измерению напряженности поля индустриальных радиопомех от передвижного (переносного) оборудования

6.6.1. Напряженность поля индустриальных радиопомех измеряют на измерительной площадке, аттестованной в соответствии с ГОСТ 16842.

Площадь под испытуемым оборудованием, между ним и измерительной антенной должна быть покрыта металлическими листами. Металлические листы должны выступать не менее чем на 1 м за границу испытуемого оборудования с одной стороны и не менее чем на 1 м за измерительную антенну с другой стороны.

Расстояние R от проекции центра измерительной антенны на землю до края корпуса испытуемого оборудования ближайшего к антенне должно быть 10 м. Измеритель радиопомех располагают не ближе 3 м от антенны.

Измерение напряженности поля индустриальных радиопомех по согласованию с органами, контролирующими радиопомехи, или «заказчиком» допускается проводить не на измерительной площадке. При этом условия измерений должны быть отражены в протоколе испытаний.

1 - зажимы на двухпроводной симметричной линии связи; 2 - Т-образный эквивалент сети; 3 - измеритель радиопомех; 4 - «земля».

Рисунок 4 - Схема измерения общего несимметричного напряжения индустриальных радиопомех на проводах воздушных линий связи, трансляции и других симметричных линий

6.6.2. Расположение аппаратуры и оборудования при измерении напряженности поля индустриальных радиопомех от передвижного (переносного) оборудования с автономным электропитанием приведено на рис. 5.

1 - испытуемое оборудование; 2 - положение антенны при испытаниях.

Рисунок 5 - Расположение испытуемого оборудования и измерительной аппаратуры при измерении напряженности поля индустриальных радиопомех от передвижного (переносного) оборудования с автономным питанием

6.6.3. Расположение аппаратуры и оборудования при измерении напряженности поля индустриальных радиопомех от передвижного (переносного) оборудования с питанием от электросети или от внешнего источника электропитания и (или) содержащего выносные блоки приведено на рис. 6.

1 - испытуемое оборудование; 2 - выносное электрооборудование; 3 - положение антенны при измерениях; А - размер испытуемого оборудования с выносным оборудованием.

Рисунок 6 - Расположение испытуемого оборудования и измерительной аппаратуры при измерении напряженности поля индустриальных радиопомех от передвижного (переносного) оборудования с питанием от электрической сети или от внешнего источника питания и (или) содержащего выносные блоки.

6.6.4. Бесколесные устройства устанавливают на штатной изоляционной подставке, а при ее отсутствии на изоляционной подставке высотой 0,4 м, если в ТУ на испытуемое оборудование не указано иное.

6.7. Подготовка к измерению напряженности поля индустриальных радиопомех от объекта

6.7.1. Напряженность поля индустриальных радиопомех от объекта проводят с каждой стороны на расстоянии 10 м от его границы.

Если границу объекта пересекают низковольтные электрические линии, то точки измерений выбирают не ближе 10 м от проекции проводов линии на землю.

Если границу объекта пересекают высоковольтные линии электропередач, то точки измерений должны быть удалены от линии на расстояние, превышающее указанное в ГОСТ 22012.

6.8. Проведение измерений

6.8.1. Индустриальные радиопомехи рекомендуется измерять на следующих частотах:

0,16; 0,24; 0,55; 1,0; 1,4; 2,0; 3,5; 6 и 22 МГц с отклонением 10 %;

30; 45; 65; 90; 150; 180 и 220 МГц с отклонением ± 5 МГц;

300; 450; 600; 750; 900 МГц с отклонением ± 20 МГц.

На частотах, расположенных между рекомендуемыми, уровни радиопомех контролируют по индикаторному прибору измерителя радиопомех при плавной перестройке частоты. При наличии превышений нормируемого уровня индустриальных радиопомех измерения проводят на частотах, где превышения зафиксированы.

6.8.2. Напряжение индустриальных радиопомех измеряют на всех зажимах оборудования и воздушных электрических сетей, выходящих за границу объекта.

6.8.3. При испытаниях измеряют вертикальную и горизонтальную составляющие напряженности поля индустриальных радиопомех. В процессе измерений меняют азимут направления антенны на испытуемое оборудование в пределах угла ± 15°.

6.8.4. Индустриальные радиопомехи, создаваемые передвижным оборудованием с двигателями внутреннего сгорания, измеряют на неподвижном оборудовании с работающим двигателем.

Если частота вращения коленчатого вала двигателя может меняться, то при испытаниях устанавливают число оборотов, равное 60 - 70 % от максимального.

6.8.5. При измерении напряженности поля индустриальных радиопомех от оборудования платформу, на которой расположено испытуемое оборудование, вращают до получения максимальных показаний.

Если испытуемое оборудование невозможно установить на поворотной платформе, то напряженность поля индустриальных радиопомех от оборудования с автономным питанием измеряют с четырех сторон, от оборудования с питанием от электросети - с трех сторон (измерения не проводят со стороны подключения провода электропитания).

6.8.6. При измерении горизонтальной и вертикальной составляющих напряженности поля индустриальных радиопомех высоту установки антенны плавно изменяют в пределах от 1 до 4 м до получения максимальных значений.

6.8.7. Напряженность поля индустриальных радиопомех от объекта измеряют в разные часы и дни его функционирования. Общее число сеансов измерений должно быть не менее семи.

6.9. Обработка и оценка результатов испытаний

6.9.1. Обработка и оценка результатов испытаний оборудования по ГОСТ 16842.

6.9.2. Объект считается соответствующим требованиям норм, если статистическое значение радиопомех, рассчитанное по формулам п. 6.2.1 ГОСТ 16842 на каждой частоте измерений не превышает требований норм.