ГОСТ Р 51639-2000

ГОСУДАРСТВЕННЫЙ СТАНДАРТ РОССИЙСКОЙ ФЕДЕРАЦИИ

КОРОНКИ ДЛЯ КОЛОНКОВОГО БУРЕНИЯ
СКВАЖИН БОЛЬШОГО ДИАМЕТРА

Типы и основные размеры

ГОССТАНДАРТ РОССИИ

Москва

Предисловие

1 РАЗРАБОТАН Межгосударственным техническим комитетом по стандартизации МТК 309 «Оборудование геологоразведочное»

ВНЕСЕН Министерством природных ресурсов Российской Федерации

2 ПРИНЯТ И ВВЕДЕН В ДЕЙСТВИЕ Постановлением Госстандарта России от 6 сентября 2000 г. № 214-ст

3 ВВЕДЕН ВПЕРВЫЕ

ГОСТ Р 51639-2000

ГОСУДАРСТВЕННЫЙ СТАНДАРТ РОССИЙСКОЙ ФЕДЕРАЦИИ

КОРОНКИ ДЛЯ КОЛОНКОВОГО БУРЕНИЯ СКВАЖИН БОЛЬШОГО ДИАМЕТРА

Типы и основные размеры

Bits for core exploratory drilling of big diameter wells. Types and main dimensions

Дата введения 2001-01-01

1 Область применения

Настоящий стандарт распространяется на коронки, применяемые для бурения скважин большого диаметра одинарными колонковыми трубами, и устанавливает типы и основные размеры коронок, армированных природными и синтетическими алмазами или композиционными сверхтвердыми материалами и резцами из металлокерамических твердых сплавов.

Стандарт не распространяется на коронки большого диаметра специальных конструкций.

Требования стандарта являются обязательными.

2 Нормативные ссылки

В настоящем стандарте использована ссылка на стандарт:

ГОСТ 6238-77 Трубы обсадные и колонковые для геологоразведочного бурения и ниппели к ним. Технические условия

3 Типы коронок

Стандартом предусмотрены два типа коронок для колонкового бурения скважин большого диаметра:

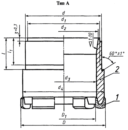
Тип А - армированные природными, синтетическими алмазами или композиционными сверхтвердыми материалами;

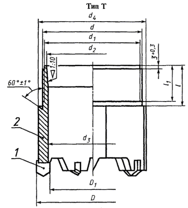
Тип Т - армированные резцами из металлокерамических твердых сплавов.

1 - матрица; 2 - корпус

Рисунок 1

1 - резец; 2 - корпус

Рисунок 2

Пример условного обозначения алмазной коронки типа А с наружным диаметром D 222 мм:

Коронка алмазная типа А 222 по ГОСТ Р 51639-2000

Пример условного обозначения твердосплавной коронки типа Т с наружным диаметром D 171 мм:

Коронка твердосплавная типа Т 171 по ГОСТ Р 51639-2000

4 Основные размеры коронок

Основные размеры коронок должны соответствовать указанным на рисунках 1 и 2 (конструкция режущей части коронок изображена условно) и в таблице 1.

Таблица 1 - Размеры коронок типов А и Т

Размеры в миллиметрах

Наружный диаметр коронки D

Внутренний диаметр коронки D1

Диаметр резьбы* d

Диаметр проточки d1

-0,5

Диаметр расточки под кернорватель d2

+0,5

Длина проточки под резьбу l

+2,0

Длина резьбы с полным профилем l1

-1,0

Внутренний диаметр корпуса коронки d3

Наружный диаметр корпуса коронки d4

Номин.

Пред. откл.

Номин.

Пред. откл.

Номин.

Пред.

Номин.

Пред.

Для коронок типа А

132

+0,4

-0,3

113

+0,3

-0,5

122

120

118

30

25

116

+0,35

129

-0,63

151

132

141

139

137

135

+0,4

148

Для коронок типов А и Т

171

±1,2

146

±1,2

160

158

156

40

35

149

+1,0

168

-1,65

197

±1,5

172

±1,5

186

184

182

175

194

222

200

213

211

209

203

219

248

222

238

236

234

225

245

276

±1,6

252

±1,6

267

265

263

255

273

327

302

319

317

315

305

324

* Профиль и размеры резьбы должны соответствовать ГОСТ 6238

Ключевые слова: коронки, колонковое бурение, скважины, большие диаметры, типы, основные размеры

 

СОДЕРЖАНИЕ

1 Область применения. 1

2 Нормативные ссылки. 1

3 Типы коронок. 1

4 Основные размеры коронок. 2