ГОСТ 30987-2003
(ИСО 10579:1993)
МЕЖГОСУДАРСТВЕННЫЙ СТАНДАРТ
ОСНОВНЫЕ НОРМЫ ВЗАИМОЗАМЕНЯЕМОСТИ
НАЗНАЧЕНИЕ
РАЗМЕРОВ И ДОПУСКОВ
ДЛЯ НЕЖЕСТКИХ ДЕТАЛЕЙ
МЕЖГОСУДАРСТВЕННЫЙ
СОВЕТ
ПО СТАНДАРТИЗАЦИИ, МЕТРОЛОГИИ И СЕРТИФИКАЦИИ
Минск
Предисловие
1 РАЗРАБОТАН Научно-исследовательским и конструкторским институтом средств измерения в машиностроении (ОАО «НИИизмерения»)
ВНЕСЕН Госстандартом России
2 ПРИНЯТ Межгосударственным советом по стандартизации, метрологии и сертификации (протокол № 23 от 22 мая 2003 г.)
За принятие проголосовали:
|
Наименование государства |
Наименование национального органа по стандартизации |
|
Азербайджанская Республика |
Азгосстандарт |
|
Республика Армения |
Армгосстандарт |
|
Республика Беларусь |
Госстандарт Республики Беларусь |
|
Республика Казахстан |
Госстандарт Республики Казахстан |
|
Кыргызская Республика |
Кыргызстандарт |
|
Российская Федерация |
Госстандарт России |
|
Республика Таджикистан |
Таджикстандарт |
|
Туркменистан |
Главгосслужба «Туркменстандартлары» |
|
Республика Узбекистан |
Узгосстандарт |
|
Украина |
Госпотребстандарт Украины |
3 Настоящий стандарт гармонизирован с международным стандартом ИСО 10579:1993 «Технические чертежи. Назначение размеров и допусков. Нежесткие детали» и содержит дополнительные требования, отражающие потребности экономики страны
4 Постановлением Государственного комитета Российской Федерации по стандартизации и метрологии от 10 декабря 2003 г. № 363-ст межгосударственный стандарт ГОСТ 30987-2003 (ИСО 10579:1993) введен в действие непосредственно в качестве государственного стандарта Российской Федерации с 1 января 2005 г.
5 ВВЕДЕН ВПЕРВЫЕ
ГОСТ 30987-2003
(ИСО 10579:1993)
МЕЖГОСУДАРСТВЕННЫЙ СТАНДАРТ
|
Основные нормы взаимозаменяемости НАЗНАЧЕНИЕ РАЗМЕРОВ И ДОПУСКОВ ДЛЯ НЕЖЕСТКИХ ДЕТАЛЕЙ Basic norms of interchangeability. Dimensioning and tolerancing for non-rigid parts |
Дата введения 2005-01-01
Настоящий стандарт распространяется на нежесткие детали машин и приборов и устанавливает для них правила назначения размеров и допусков.
Дополнительные требования, отражающие потребности экономики страны, выделены курсивом.
В настоящем стандарте использованы ссылки на следующие стандарты:
ГОСТ 2.308-79 Единая система конструкторской документации. Указание на чертежах допусков форм и расположения поверхностей
ГОСТ 24642-81 Основные нормы взаимозаменяемости. Допуски формы и расположения поверхностей. Основные определения
ГОСТ 25346-89 Основные нормы взаимозаменяемости. Единая система допусков и посадок. Общие положения, ряды допусков и основных отклонений
3.1 В настоящем стандарте применяют термины и определения по допускам формы и расположения поверхностей по ГОСТ 24642, по допускам и посадкам - по ГОСТ 25346, а также следующие термины с соответствующими определениями:
3.1.1 нежесткая деталь: Деталь, которая деформируется до такой степени, что в свободном состоянии выходит за пределы допусков размеров и (или) формы и расположения, относящихся к детали в закрепленном состоянии.
Примечание - В эту категорию включают как детали из жестких материалов (например, тонкие металлические детали), так и детали из гибких материалов (таких, как резина, пластики и т.д.).
3.1.2 свободное состояние: Состояние детали, на которую воздействует только сила тяжести.
4.1 Для нежестких деталей (элементов детали) размеры, геометрическая форма и расположение элементов в закрепленном состоянии (в технологическом, контрольно-измерительном оборудовании или в сборочной единице) и в свободном состоянии могут существенно различаться из-за влияния силы тяжести, ориентации детали, деформирующих усилий, гибкости материала, возникновения или снятия внутренних напряжений, вызванных обработкой, и др. В связи с этим допуски размеров, формы и расположения поверхностей на чертежах нежестких деталей должны сопровождаться указаниями условий, к которым эти допуски относятся. Для одних случаев может потребоваться назначение допусков в свободном состоянии, для других, в дополнение к ним или взамен них, - допуски в закрепленном состоянии.
4.2 Деталь по данному чертежу относится к разряду нежестких, если на чертеже имеется ссылка на настоящий стандарт в соответствии с 5.1.
4.3 Допуски размеров, формы и расположения в свободном состоянии в общем случае должны быть ограничены такими значениями, при которых возможно приведение нежесткой детали в соответствие с допусками, требуемыми для детали в закрепленном состоянии, с применением давлений или усилий, не превышающих значений, принятых для нормальных условий сборки. В случае назначения допусков в свободном состоянии при необходимости должны оговариваться условия, при которых должен соблюдаться данный допуск (направление силы тяжести, опоры и их размещение и т.д.).
4.4 При назначении допусков для нежестких деталей в закрепленном состоянии должны быть установлены элементы, по которым производится закрепление детали, и усилия закрепления. Условия закрепления (базы, усилия и т.п.) следует устанавливать исходя из условий сборки и функционирования детали. Эти условия должны применяться при контроле деталей, отнесенных на чертеже к нежестким, кроме тех случаев, когда размеры и допуски указаны для свободного состояния с помощью специального символа по 5.1.
5.1 Чертежи нежестких деталей должны включать соответственно следующие указания:
а) в основной надписи чертежа или вблизи от нее - указание «ГОСТ - NR».
Примечание - Латинские буквы NR от английских слов «nоn rigit» (нежесткая деталь);
б) в технических требованиях чертежа - условия, при которых деталь должна быть закреплена, чтобы удовлетворять требованиям чертежа;
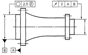
в)
допуски формы и (или) расположения, относящиеся к свободному состоянию, должны
указываться в соответствии с ГОСТ
2.308 с дополнением значения допуска символом
(рисунок 1)
Рисунок 1
г) условия, при которых должны достигаться допуски формы и расположения в свободном состоянии, такие как направление силы тяжести, ориентация детали и т.д.
5.2 Примеры указания допусков формы для нежестких деталей и их интерпретация приведены в приложении А.
5.3 Рекомендации по назначению допусков на средний диаметр нежестких деталей приведены в приложении Б.
(справочное)
Примеры указания допусков формы и их интерпретация приведены в таблице А.1.
Таблица А.1
|
Интерпретация |
|
|
ГОСТ -NR Условие закрепления Поверхность, указанная как база А, присоединяется 64 болтами М6 с крутящим моментом затяжки от 9 до 15 Нּм, а элемент, указанный как база В, закреплен при соответствующем пределе максимума материала |
Допуск
круглости, сопровождаемый символом Допуск радиального биения применяется при условиях, указанных текстом |
|
ГОСТ -NR Условие закрепления Поверхность, указанная как база А, присоединяется 120 болтами М20 с крутящим моментом затяжки от 18 до 20 Нּм, а элемент, указанный как база В, закреплен при соответствующем пределе максимума материала |
Допуски
формы, сопровождаемые символом |
(рекомендуемое)
Б.1 Для нежестких элементов с круглым поперечным сечением поле допуска диаметра элемента в свободном состоянии может ограничивать либо действительные местные диаметры (определенные двухточечным измерением, т.е. размеры между двумя противолежащими точками в данном сечении), либо значение среднего диаметра в поперечном сечении.
Б.2 Средний диаметр dcр (среднеарифметическое значение действительных местных диаметров в данном поперечном сечении элемента) вычисляют по формуле
(Б.1)
где
- i-e значение
действительного местного диаметра.
Примечания
1 Для определения среднего диаметра необходимо измерить двухточечным методом несколько, обычно не меньше четырех, местных диаметров в различных направлениях. При этом dcр вычисляют по формуле
(Б.2)
2 Если это практически приемлемо, то средний диаметр может быть определен на основе измерения длины периметра сечения (например измерением рулеткой или обкатным роликом). В таком случае средний диаметр определяется как диаметр правильной окружности, длина периметра которой равна длине периметра данного поперечного сечения:
(Б.3)
где Lпер - длина периметра профиля данного поперечного сечения.
3 Средний диаметр допускается определять как среднеарифметическое значение наибольшего и наименьшего значений местного диаметра:
(Б.4)
где
и
- соответственно
наибольший и наименьший местный диаметр в данном поперечном сечении.
4 В необходимых случаях определение среднего диаметра должно уточняться в технических требованиях.
Б.3 В тех случаях, когда допуск назначается на средний диаметр, в обозначении размера должна быть сделана специальная отметка в виде букв СР, помещаемых после обозначения номинального размера и поля допуска (предельных отклонений) диаметра, например,
20 m6 - СР.
Пример указания допуска среднего диаметра на чертеже приведен на рисунке Б.1

Рисунок Б.1
Б.4 Для нежестких деталей поле допуска на средний диаметр элемента не ограничивает отклонения формы (отклонение от круглости) в свободном состоянии. Допуск формы, как правило, больше допуска на средний диаметр элемента.
СОДЕРЖАНИЕ
|
Приложение А Примеры указания допусков формы и их интерпретация. 3 Приложение Б Назначение допусков на средний диаметр нежестких деталей. 4 |
Ключевые слова: нежесткие детали, допуски размеров, формы и расположения, указание допусков на чертежах