Государственное санитарно-эпидемиологическое
нормирование Российской Федерации
УТВЕРЖДЕНО
Председатель Госкомсанэпиднадзора России
Главный государственный санитарный врач
Российской Федерации
Е.Н. Беляев
8 июня 1996 г.
МУК 4.1.0.424-96
Дата введения: с момента утверждения
4.1. МЕТОДЫ КОНТРОЛЯ. ХИМИЧЕСКИЕ ФАКТОРЫ
М.
м. 186,18
N,N-динитрозопентаметилентетрамин - (1, 5-динитрозо-3, 7-эндометилен-1, 3, 5, 7-тетразоциклооктан) - кристаллическое вещество светло-желтого цвета. Не растворим в воде, гексане. Плохо растворим в метиловом, этиловом и изопропиловом спиртах. Растворим в ацетонитриле. Тпл. - 204 - 205 °С.
В воздухе находится в виде аэрозоля.
Обладает общетоксическим действием.
ПДК в воздухе - 2 мг/м3.
Характеристика метода
Метод основан на использовании высокоэффективной жидкостной хроматографии с применением УФ-детектора.
Отбор проб проводят с концентрированием на фильтр.
Нижний предел измерения N,N-динитрозопентаметилентетрамина в хроматографируемом объеме (10 мкл) - 0,025 мкг.
Нижний предел измерения концентраций N,N-динитрозопентаметилентетрамина в воздухе - 1 мг/м при отборе 12,5 л воздуха).
Диапазон измеряемых концентраций в воздухе N,N-динитрозопентаметилентетрамина от 1 до 20 мг/м3. Определению не мешает присутствие формальдегида.
Суммарная погрешность измерения не превышает ± 25 %.
Время выполнения измерения, включая отбор проб, - около 60 мин.
Приборы, аппаратура, посуда
Микроколоночный жидкостной
хроматограф «Милихром» или
другие модели с УФ-детектором
Хроматографическая колонка, длиной
120 мм с внутренним диаметром 2 мм,
заполненная сорбентом «Сепарон
SGX-super C18» с размером зерен 6 мкм (ЧСФР)
Весы аналитические типа ВЛР-200
или другие того же класса ГОСТ 19491-74
Электроаспиратор ЭА-1 ОСТ 95.10052-84
Фильтродержатель ТУ 95-72-05-77
Колбы мерные, вместимостью 100 мл ОСТ 1770-74
Пипетки, вместимостью 1, 10 мл ГОСТ 20292-74
Градуированные пробирки с пришлифованными
пробками, вместимостью 10 мл ГОСТ 10515-75
Реактивы, растворы, материалы
N,N-динитрозопентаметилентетрамин,
99 % чистоты, согласно ТУ
Метанол (спирт метиловый очищенный) ГОСТ 6995-777
Метанол очищенный получают из метанола, ТУ 2222-78Е
путем ректификации. Ректификационная
колонна длиной 550 мм и внутренним
диаметром 20 мм, флегмовое число 5
Насадка-спиральки Левина из нержавеющей
стали (2 ´ 2 ´ 0,2 мм). Основную фракцию
отбирают при температуре 65,5 °С
(атмосферное давление) в пределах
колебаний ± 0,1 °С
Элюент: вода-метанол, 20:1
Стандартный раствор № 1 с концентрацией N,N-динитрозопентаметилентетрамина 500 мкг/мл готовят растворением 0,05 г вещества в элюенте в мерной колбе вместимостью 100 мл.
Стандартный раствор № 2 с концентрацией N,N-динитрозопентаметилентетрамина 50 мкг/мл готовят соответствующим разбавлением стандартного раствора № 1.
Растворы устойчивы при хранении в холодильнике в течение 10 ч.
Фильтры АФА-ВП-10 ТУ 85-743-80
Отбор пробы воздуха
Воздух с объемным расходом 5 л/мин аспирируют через фильтр АФА-ВП-10. Для определения 1/2 ПДК достаточно отобрать 12,5 л воздуха. Пробы можно хранить в закрытых сосудах в холодильнике в течение месяца.
Подготовка к измерению
Для работы используется хроматографическая колонка промышленного изготовления.
Инжектируют в хроматограф от 0,025 до 0,5 мкг N,N-динитрозопентаметилентетрамина из стандартного раствора № 2.
Условия хроматографирования градуировочных смесей и анализируемых проб:
скорость подачи элюента (элюент:
вода-метанол, 20:1) 100 мкл/мин;
длина волны УФ-детектора 230 нм;
скорость движения диаграммной ленты 1,5 мм/мин;
диапазон измерения детектора 0,2 - 0,4;
диапазон измерения самопишущего
потенциометра 100 мВ;
максимальный объем вводимой пробы 10 мкл;
время удерживания N,N-динитрозопентаметилентетрамина 9 мин;
элюирующий объем 900 мкл;
эффективность колонки по
N,N-динитрозопентаметилентетрамину 300 тт.
На полученной хроматограмме измеряют площади пиков, относящихся к N,N-динитрозопентаметилентетрамину. и строят градуировочный график, выражающий зависимость площади пиков (мм2) от содержания N,N-динитрозопентаметилентетрамина в хроматографируемом объеме пробы (мкг).
Построение градуировочных графиков необходимо проводить не менее чем по 6 точкам, выполняя по 5 параллельных измерений для каждого инжектируемого объема. Проверку градуировочных графиков следует проводить при изменении условий анализа, но не реже 1 раза в месяц.
Проведение измерения
Фильтр с отобранной пробой помещают в пробирку с пришлифованной пробкой, добавляют 5 мл элюента и оставляют на 15 мин при комнатной температуре и периодическом перемешивании. Степень десорбции с фильтра - 97 %.
Хроматографирование анализируемого раствора проводят в тех же условиях по отношению к тому же элюенту, что и при построении градуировочного графика.
Количественное определение содержания N,N-динитрозопентаметилентетрамина в хроматографируемом объеме проводят по предварительно построенному градуировочному графику.
Расчет концентрации
Концентрацию (С) N,N-динитрозопентаметилентетрамина в воздухе (мг/м3) вычисляют по формуле:
![]()
а - содержание N.N-динитрозопентаметилентетрамина в хроматографируемом объеме пробы, найденное по градуировочному графику, мкг;
б - объем пробы, взятой на хроматографирование, мл;
в - общий объем анализируемого раствора, мл;
V - объем воздуха, отобранного для анализа и приведенного к стандартным условиям, л (см. приложение 1).
Методические указания разработаны НИИ «Экотокс», г. Москва.
проводят по формуле
![]()
Vt - объем воздуха, отобранный для анализа, л;
Р - барометрическое давление, кПа (101,33 кПа = 760 мм рт. ст.);
t - температура воздуха в месте отбора пробы, °С.
Для удобства расчета V20 следует пользоваться таблицей коэффициентов (приложение 2). Для приведения воздуха к стандартным условиям надо умножить Vt на соответствующий коэффициент.
|
Давление Р, кПа/мм рт. ст. |
||||||||||
|
°С |
97,33/730 |
97,86/734 |
98,4/738 |
98,93/742 |
99,46/746 |
100/750 |
100,53/754 |
101,06/758 |
101,33/760 |
101,86/764 |
|
-30 |
1,1582 |
1,1646 |
1,1709 |
1,1772 |
1,1836 |
1,1899 |
1,1963 |
1,2026 |
1,2058 |
1,2122 |
|
-26 |
1,1393 |
1,1456 |
1,1519 |
1,1581 |
1,1644 |
1,1705 |
1,1768 |
1,1831 |
1,1862 |
1,1925 |
|
-22 |
1,1212 |
1,1274 |
1,1336 |
1,1396 |
1,1458 |
1,1519 |
1,1581 |
1,1643 |
1,1673 |
1,1735 |
|
-18 |
1,1036 |
1,1097 |
1,1158 |
1,1218 |
1,1278 |
1,1338 |
1,1399 |
1,1460 |
1,1490 |
1,1551 |
|
-14 |
1,0866 |
1,0926 |
1,0986 |
1,1045 |
1,1105 |
1,1164 |
1,1224 |
1,1284 |
1,1313 |
1,1373 |
|
-10 |
1,0701 |
1,0760 |
1,0819 |
1,0877 |
1,0986 |
1,0994 |
1,1053 |
1,1112 |
1,1141 |
1,1200 |
|
-6 |
1,0540 |
1,0599 |
1,0657 |
1,0714 |
1,0772 |
1,0829 |
1,0887 |
1,0945 |
1,0974 |
1,1032 |
|
-2 |
1,0385 |
1,0442 |
1,0499 |
1,0556 |
1,0613 |
1,0669 |
1,0726 |
1,0784 |
1,0812 |
1,0869 |
|
0 |
1,0309 |
1,0366 |
1,0423 |
1,0477 |
1,0535 |
1,0591 |
1,0648 |
1,0705 |
1,0733 |
1,0789 |
|
+2 |
1,0234 |
1,0291 |
1,0347 |
1,0402 |
1,0459 |
1,0514 |
1,0571 |
1,0627 |
1,0655 |
1,0712 |
|
+6 |
1,0087 |
1,0143 |
0,0198 |
1,0253 |
1,0309 |
1,0363 |
1,0419 |
1,0475 |
1,0502 |
1,0557 |
|
+10 |
0,9944 |
0,9999 |
0,0054 |
1,0108 |
1,0162 |
1,0216 |
1,0272 |
1,0326 |
1,0353 |
1,0407 |
|
+14 |
0,9806 |
0,9860 |
0,9914 |
0,9967 |
1,0027 |
1,0074 |
1,0128 |
1,0183 |
1,0209 |
1,0263 |
|
+18 |
0,9671 |
0,9725 |
0,9778 |
0,9830 |
0,9884 |
0,9936 |
1,9989 |
1,0043 |
1,0069 |
1,0122 |
|
+20 |
0,9605 |
0,9658 |
0,9711 |
0,9783 |
0,9816 |
0,9868 |
0,9921 |
0,9974 |
1,0000 |
1,0053 |
|
+22 |
0,9539 |
0,9592 |
0,9645 |
0,9696 |
0,9749 |
0,9800 |
0,9853 |
0,9906 |
0,9932 |
1,9985 |
|
+24 |
0,9475 |
0,9527 |
0,9579 |
0,9631 |
0,9683 |
0,9735 |
0,9787 |
0,9839 |
0,9865 |
1,9917 |
|
+26 |
0,9412 |
0,9464 |
0,9516 |
0,9566 |
0,9618 |
0,9669 |
0,9721 |
0,9773 |
0,9799 |
1,9851 |
|
+28 |
0,9349 |
0,9401 |
0,9453 |
0,9503 |
0,9555 |
0,9605 |
0,9657 |
0,9708 |
0,9734 |
1,9785 |
|
+30 |
0,9288 |
0,9339 |
0,9391 |
0,9440 |
0,9432 |
0,9542 |
0,9594 |
0,9645 |
0,9670 |
0,9723 |
|
+34 |
0,9167 |
0,9218 |
0,9268 |
0,9318 |
0,9368 |
0,9418 |
0,9468 |
0,9519 |
0,9544 |
0,9595 |
|
+38 |
0,9049 |
0,9099 |
0,9149 |
0,9199 |
0,9248 |
0,9297 |
0,9347 |
0,9397 |
0,9421 |
0,9471 |

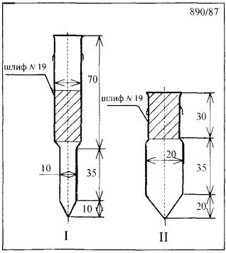
Рис. 1
Ловушка-концентратор.
Общий вид.

Рис. 2
Ловушка-концентратор.
|
Название вещества |
Методические указания |
|
1. Аммоний винно-кислый кислый |
Методические указания на фотометрическое определение аммиака: Сб. МУ в. 1 - 5. - М., 1981. - 58 с. К = 9,82 |
|
Аммоний винно-кислый |
Методические указания на фотометрическое определение аммиака: Сб. МУ в. 1 - 5. - М., 1981 - 58 с. К = 5,41 |
|
2. Калий винно-кислый Калий виннокислый кислый |
Методические указания по измерению концентраций сульфата калия, калийной магнезии и хлорида калия в воздухе рабочей зоны: Сб. МУ, в. 22. - М., 1988 - 182 с. К = 2,9 и 4,82 |
|
3. Калий сурьмоксид винно-кислый |
Методические указания по полярографическому измерению концентраций сурьмы в воздухе рабочей зоны: Сб. МУ, в. 8. - М., 1983. - 90 с. К = 2,66 |
|
4. Натрий винно-кислый кислый |
Методические указания по измерению концентраций натрия сульфата в воздухе рабочей зоны методом атомно-абсорбционной спектрофотометрии: Сб. МУ, в. 21. - М., 1986 - 135с. К = 7,48 |
|
Натрий винно-кислый |
Методические указания по измерению концентраций натрия сульфата в воздухе рабочей зоны методом атомно-абсорбционной спектрофотометрии: Сб. МУ, в. 21. - М., 1986 - 135 с. К = 4,22 |
|
Калий-натрий винно-кислый |
Методические указания по измерению концентраций натрия сульфата в воздухе рабочей зоны методом атомно-абсорбционной спектрофотометрии: Сб. МУ, в. 21. - М., 1986. - 135 с. К = 3,39 |
|
5. Полиметилмочевина |
Методические указания по гравиметрическому определению пыли в воздухе рабочей зоны и в системах вентиляционных установок: Сб. МУ, в. 1 - 5. - М., 1981. - 235 с. |
|
6. Трифторметансульфофторид (фторангидрид трифторметан сульфокислоты) |
Методические указания на фотометрическое определение фторорганических соединений: Сб. МУ, в. 1 - 5. - М. 1981. - 187 с. К = 2 |
|
7. Хлоргидрат изонипекотиновой кислоты |
Методические указания на фотометрическое определение диэтиламина в воздухе: Сб. МУ, в. 1 - 5. - М., 1981. - 123 с. Отбор проб на фильтр со скоростью 2 л/мин. |