МИНИСТЕРСТВО ВНУТРЕННИХ
ДЕЛ РОССИЙСКОЙ ФЕДЕРАЦИИ
ГЛАВНОЕ УПРАВЛЕНИЕ ВНЕВЕДОМСТВЕННОЙ ОХРАНЫ
ИНЖЕНЕРНО-ТЕХНИЧЕСКАЯ ЗАЩИТА
НЕТЕЛЕФОНИЗИРОВАННЫХ ОБЪЕКТОВ
РЕКОМЕНДАЦИИ
(Р 78.36.010-2000)
МОСКВА 2000
Рекомендации разработаны сотрудниками НИЦ «Охрана» ГУВО МВД России Н.Н. Котовым, Л.И. Савчук, Е.П. Тюриным, И.А. Тютриным и утверждены ГУВО МВД России 29 марта 2000 года.
Рассмотрены вопросы выбора и применения средств инженерно-технической укрепленности, технических средств охраны (ТСО), сбора, обработки и передачи служебной и тревожной информации в подразделения вневедомственной охраны с нетелефонизированных объектов хранения личного имущества граждан. Даны рекомендации и изложены требования, которые необходимо учитывать организациям, осуществляющим проектные и монтажные работы по оборудованию нетелефонизированных объектов ТСО и средствами инженерно-технической укрепленности.
Предназначены для инженерно-технических работников вневедомственной охраны, а также специалистов служб безопасности организаций, занимающихся вопросами поставки, проектирования и монтажа ТСО и инженерных средств защиты на объектах.
НИЦ «Охрана» ГУВО МВД России выражает признательность сотрудникам: B.C. Веремчуку, Ю.Н. Зуйкову, В.А. Лютенко, А.П. Толстоносову, И.М. Широкову (ГУВО МВД России), В.Н. Несевре, В.А. Музлову (УВО при ГУВД Московской области), А.А. Орехову, Г.В. Олейнику, С.Ю. Романову (УВО при УВД Тверской области), В.Н. Дурнобрагову, И.В Галкину (УВО при УВД Тульской области), А.Н. Кулакову (УВО при УВД Тюменской области) за предложения и замечания, высказанные в процессе подготовки и рецензирования настоящих Рекомендаций.
СОДЕРЖАНИЕ
Главную роль в обеспечении комплексной безопасности охраняемого объекта играет оснащение его техническими средствами охраны (ТСО) и элементами (средствами) инженерно-технической укрепленности. Правильный выбор и применение ТСО и элементов инженерно-технической укрепленности на объекте позволяют обеспечить достаточно высокую надежность его защиты от всех предполагаемых видов угроз и опасных ситуаций. В то же время отсутствие должного подхода к процессу выбора средств защиты снижает эффективность безопасности и может привести к невосполнимым материальным, финансовым и моральным потерям.
Под нетелефонизированными объектами понимают объекты: квартиры, домовладения (частные дома, коттеджи, дачи), гаражи, гаражно-строительные кооперативы (ГСК), коттеджные, дачные и садоводческие поселки, автостоянки, торговые палатки, киоски и места хранения личного имущества граждан (далее - объекты), которые не имеют абонентских телефонных линий АТС, позволяющих использовать традиционные услуги вневедомственной охраны с помощью широко распространенных систем передачи извещений (СПИ).
На правильность выбора варианта оснащения объекта ТСО и средствами инженерно-технической укрепленности оказывают влияние следующие факторы:
- количество и место размещения ценностей на объекте;
- место расположения объекта, криминогенная обстановка в населенном пункте, районе;
- время преодоления физических барьеров (решеток, замков, задвижек на окнах и дверях, ограждений, ворот, дверей, стен, перекрытий и т.п.) на пути возможного движения нарушителя;
- время реагирования подразделений охраны на сигнал тревоги;
- оптимальное соотношение на объекте ТСО и средств инженерно-технической укрепленности.
Чем выше уровень (или эффективность) безопасности, тем выше вероятность сохранения всех ценностей объекта от хищений или уничтожения. Уровень безопасности, в свою очередь, в основном зависит от времени реагирования ТСО на возникающую угрозу и от времени преодоления злоумышленником физических барьеров, то есть средств инженерно-технической укрепленности. И чем раньше обнаружится возникшая угроза объекту, тем эффективнее ее можно пресечь. Это можно достигнуть благодаря правильному выбору и использованию ТСО, а также их оптимальному размещению в охраняемых зонах. Использование средств инженерно-технической укрепленности увеличивает время, необходимое нарушителю для их преодоления, что делает более вероятной возможность его задержания. Особенно это проявляется при использовании указанных средств в сочетании с ТСО. Средства технической укрепленности помимо функций физического препятствия выполняют функции и психологического препятствия, предупреждающего возможность проникновения нарушителя на охраняемый объект.
Объекты, принимаемые под охрану подразделениями вневедомственной охраны, должны быть оборудованы ТСО, включенными в Перечень технических средств вневедомственной охраны, разрешенных к применению (далее - Перечень). При отсутствии в Перечне ТСО с необходимыми тактико-техническими характеристиками для защиты периметра допускается (по согласованию с ГУВО МВД России) использовать другие технические средства, имеющие российские сертификаты соответствия.
Оснащение ТСО объекта следует проводить только при оборудовании его средствами инженерно-технической укрепленности. Организации, осуществляющие монтажные работы на объекте, должны иметь государственные лицензии или иные документы, удостоверяющие их право на проведение работ этого профиля.
Категорией охраняемого объекта (согласно ГОСТ Р 50776-95) называется комплексная оценка состояния объекта, учитывающая его экономическую или иную (например, культурную) значимость в зависимости от характера и концентрации сосредоточенных ценностей, последствий от возможных преступных посягательств на них, сложности обеспечения требуемой надежности охраны.
В зависимости от степени телефонизации населенного пункта, района на объектах можно организовывать:
- автономную охрану с выводом тревожных извещений на внешние оповещатели объекта. (К таким объектам относятся рассредоточенные на ограниченной территории отдельные строения, дачи, небольшие автостоянки, торговые палатки, квартиры и т.п.);
- совмещенную охрану. Сбор тревожных извещений осуществляется сначала в специально организованный микро-ПЦО* или пункт автономной охраны объекта, а затем по телефонной линии, радиоканалу, специально проложенной линии связи и т.п. тревожное извещение передается в ПЦО или по радиостанции непосредственно группе задержания. (К таким объектам относятся расположенные на общей охраняемой территории сосредоточенные объекты: коттеджные, дачные и садоводческие поселки, ГСК, торговые палатки на рынках, крупные автостоянки, квартиры в многоквартирных домах и т.п.);
* Микро-ПЦО - это диспетчерский пункт централизованной охраны для сосредоточенных на небольшой территории (микрорайон, несколько зданий, строений) объектов, созданный в дополнение ПЦО и обслуживаемый персоналом этого пункта или персоналом, заключившим договор с ПЦО.
- централизованную охрану с помощью радиосистем или СПИ, работающих по занятым телефонным линиям, принадлежащим другим собственникам. (К таким объектам относятся ГСК, крупные автостоянки, отдельные коттеджи, квартиры и т.п.).
По значимости и размещению ценностей на охраняемом объекте или по степени риска проникновения на объект (через объект) объекты (согласно РД 78.147-93) можно отнести к группе А или Б. Однако практика оборудования объектов комплексом инженерно-технических средств охраны показала, что деление большого количества объектов различных форм собственности только на две группы недостаточна и часто приводит к неоправданным завышениям (или занижениям) требований к оборудованию объектов ТСО и средствам инженерно-технической укрепленности.
С учетом этого предлагается разделить все нетелефонизированные объекты на следующие три категории или группы:
- АI - объекты (с прилегающей территорией или без нее), где размешены материальные ценности, имеющие ориентировочную оценочную стоимость более 15 тыс. у.е. (в рублевом эквиваленте) или представляющие особую ценность и важность для владельца, утрата которых может принести особо крупный или невосполнимый материальный и финансовый ущерб. (К указанной категории относятся и физически охраняемые автостоянки с числом мест для парковки транспортных средств более 200);
- БII - объекты (с прилегающей территорией или без нее), где размещены материальные ценности, имеющие ориентировочную оценочную стоимость от 5 до 15 тыс. у.е. (в рублевом эквиваленте) или представляющие ценность и важность для владельца, утрата которых может принести значительный материальный и финансовый ущерб. (К указанной категории относятся и физически охраняемые автостоянки с числом мест для парковки транспортных средств от 100 до 200);
- БI - объекты, где размещены материальные ценности и другое личное имущество, имеющие ориентировочную оценочную стоимость до 5 тыс. у.е. (в рублевом эквиваленте). (К указанной категории относятся и физически охраняемые автостоянки с числом мест для парковки транспортных средств менее 100).
Любой категории охраняемых объектов в целом должна соответствовать определенная степень защиты отдельных строительных и защитных конструкций, элементов и ТСО. При несоответствии или недостаточной степени защиты отдельных конструктивных элементов категории объекта их следует усиливать элементами инженерно-технической укрепленности или защищать дополнительными средствами (рубежами) охранной сигнализации. Кроме того, степень защиты охраняемого объекта можно повысить в результате применения систем охранных телевизионных (СОТ), а также систем контроля и управления доступом (КУД).
Для оптимизации оценки защитных свойств строительных конструкций, ТСО и элементов инженерно-технической укрепленности предлагается ввести три степени защиты:
- 1 (минимально необходимая) - обеспечивает защиту объекта от посягательств малоквалифицированных злоумышленников (которые владеют простейшими приемами взлома, минимальными знаниями о системах охраны), использующих подручные средства взлома;
- 2 (средняя) - обеспечивает защиту объекта от посягательств заранее подготовленных злоумышленников (которые имеют общие сведения о системах охраны), использующих механический и электрический инструменты и простые орудия взлома;
- 3 (высокая) - обеспечивает защиту объекта от посягательств злоумышленников, которые планируют акции в отношении объекта, имеющего большие ценности, располагают информацией о системах безопасности и их слабых местах, обладают навыками преодоления охранных устройств, используют сложный специализированный инструмент и орудия взлома.
Рекомендуемая степень защиты конструктивных элементов объекта от взлома, ТСО от проникновения нарушителя для различных категорий объектов и от вида охраны приведена в таблице 1. При этом рекомендуемая степень защиты конструктивных элементов (стен, дверей, оконных проемов, замков и т.п.) объекта может быть на одну степень ниже при наличии:
- охраняемой территории, имеющей защитное ограждение 2-ой степени защиты и выше;
- круглосуточной физической охраны;
- дополнительной блокировки конструктивных элементов с помощью ТСО.
Степень защиты конструктивных элементов объекта зависит также от материалов и конструкций, из которых они изготовлены.
В Приложениях А - З приведены конструкции и материалы, с помощью которых можно обеспечить требуемую степень защиты. В Приложении И приведена рубежность охранной сигнализации, обеспечивающая требуемую степень защиты объекта. В Приложении К приведены способы усиления защиты объекта с помощью дополнительной блокировки конструкций ТСО.
Таблица 1
Степень защиты конструктивных элементов объекта и ТСО
|
Охрана |
|||||||||
|
автономная |
совмещенная |
централизованная |
|||||||
|
Категория объекта |
|||||||||
|
AI |
БII |
БI |
AI |
БII |
БI |
AI |
БII |
БI |
|
|
Степень защиты |
|||||||||
|
Стены, перекрытия, перегородки |
|
||||||||
|
Наружные стены помещений (зданий, строений, гаражей и боксов ГСК), а также стены, перекрытия помещений (расположенных внутри здания), примыкающих к помещениям других собственников. |
3 |
3 |
3 |
3 |
2 |
2 |
2 |
2 |
2 |
|
Наружные стены и перекрытия помещений (зданий, строений, боксов ГСК), расположенных на втором и выше этажах |
2 |
2 |
2 |
1 |
1 |
1 |
1 |
1 |
1 |
|
Двери и дверные проемы |
|
||||||||
|
Входные наружные двери и двери запасных выходов. |
3 |
3 |
3 |
3 |
3 |
2 |
3 |
3 |
2 |
|
Внутренние двери в помещениях и здании |
1 |
1 |
1 |
1 |
1 |
1 |
1 |
1 |
1 |
|
Окна и оконные проемы |
|
||||||||
|
Оконные проемы первого этажа здания (строения), выходящие во дворы, малолюдные переулки, а также оконные проемы второго и выше этажей, примыкающие к пожарным лестницам, балконам, карнизам и т.п. |
3 |
3 |
2 |
3 |
2 |
2 |
3 |
2 |
2 |
|
Фасадные оконные проемы первого этажа, выходящие на центральную улицу и магистраль |
3 |
3 |
1 |
3 |
2 |
1 |
3 |
9 |
1 |
|
Оконные проемы второго и выше этажей, не примыкающие к пожарным лестницам, балконам, карнизам и т.п. |
1 |
1 |
1 |
1 |
1 |
1 |
1 |
1 |
1 |
|
Замки |
|
||||||||
|
Наружные двери объекта; двери запасных выходов; двери, выходящие на крышу (чердак), в подвал. |
3 |
3 |
3 |
3 |
3 |
2 |
3 |
3 |
2 |
|
Внутренние двери объекта |
1 |
1 |
1 |
1 |
1 |
1 |
1 |
1 |
1 |
|
Ворота |
3 |
2 |
2 |
3 |
2 |
2 |
3 |
2 |
2 |
|
Ограждения объектов |
3 |
2 |
1 |
3 |
2 |
1 |
3 |
2 |
1 |
|
Ограждения открытых автостоянок |
2 |
2 |
2 |
2 |
1 |
1 |
2 |
1 |
1 |
|
Технические средства охраны |
|
||||||||
|
Усиление охраны отдельных строительных конструкций. |
1 |
1 |
1 |
1 |
1 |
1 |
1 |
1 |
1 |
|
Помещения, расположенные по периметру здания на первом и последнем этажах или примыкающие к помещениям (зданиям) других собственников, пожарным лестницам, балконам, карнизам на остальных этажах. |
3 |
2 |
2 |
3 |
2 |
2 |
3 |
2 |
2 |
|
Остальные помещения второго и выше этажей |
2 |
1 |
1 |
2 |
1 |
1 |
2 |
1 |
1 |
Ограждения периметра объекта представляют собой инженерно-технические сооружения, препятствующие умышленному или непреднамеренному доступу людей на территорию охраняемого объекта.
Ограждения не должны иметь лазов, подкопов, проломов и других повреждений, а также незапертых дверей, ворот и калиток. В непосредственной близости от ограждений не рекомендуется производить посадку кустарников, деревьев, размещать крупногабаритные предметы. (Это значительно затрудняет применение ТСО и ухудшает визуальный обзор).
Ограждения периметра объекта должны обеспечивать достаточную степень защиты от возможного несанкционированного проникновения нарушителя. Оценку и выбор конструкций и материалов ограждений проводят в соответствии с Приложением А.
Крыши одноэтажных зданий (гаражей, хозяйственных построек), являющихся продолжением периметра объекта, должны иметь механическую защиту от проникновения на них. Для усиления защиты отдельных объектов, в частности автостоянок, следует устанавливать по верхнему краю внешнего ограждения «козырек» из трех-четырех рядов колючей проволоки или инженерное средство защиты типа «Спираль АКЛ».
Для защиты от подкопа рекомендуется устанавливать под ограждением (с заглублением в грунт на 400 - 500 мм) бетонированный цоколь или сварную решетку с ячейками размерами 200×200 мм каждая. В настоящее время отечественные предприятия производят специальные железобетонные плиты ограждений с «юбкой», обеспечивающей защиту от подкопа.
Ограждения могут быть следующих типов:
- деревянные;
- сетчатые (решетчатые);
- сборные железобетонные;
- металлические;
- монолитные;
- комбинированные.
Деревянное ограждение - наименее надежное и недолговечное. Ограждение выполняют из щитов, досок или штакетника.
Сетчатое (решетчатое) ограждение - наиболее применяемое благодаря простоте его изготовления и быстроте установки. Для изготовления ограждения широко применяют сетку «рабица». Рекомендуемый вариант сетчатого ограждения - сварная металлическая сетка. Устанавливают ее следующим образом: в бетонном цоколе шириной 250 - 350 мм и высотой над грунтом 200 - 500 мм на расстоянии 1,5 м (определяется шириной сетки) устанавливают металлические столбы диаметром 50 - 100 мм высотой не менее 2 м над уровнем цоколя. Сварную сетку закрепляют с помощью сварки в стальной уголковой раме шириной 1,5 м и высотой не менее 2 м.
Сборное железобетонное ограждение состоит из железобетонных плит ограждений или пустотных железобетонных конструкций толщиной не более 250 мм, которые устанавливают в цокольные «башмаки», либо из вертикальных опор и вставляемых в пазы опор обычных железобетонных плит.
Металлическое ограждение в основном состоит из металлического пустотелого профиля (прямоугольного или трубчатого), арматурной или гладкой круглой стали. Часто металлическое ограждение с внутренней стороны закрывают металлическим листом.
Монолитное ограждение. К этому типу ограждений относятся монолитные железобетонные толщиной 100 - 200 мм, каменные, кирпичные, блочные, пустотные железобетонные конструкции толщиной не менее 250 мм. Ограждение указанного типа полностью снимает проблемы защиты от пролома.
Комбинированное ограждение. В большинстве случаев периметр объекта оборудуют ограждениями разных типов (например, фасадная часть - дорогостоящее декоративное ограждение, а боковые и тыльная стороны - более дешевый и простой забор). Это приводит к затруднениям при выборе ТСО, так как разные типы ограждений требуют разные типы охранных систем. Например, на монолитное ограждение можно устанавливать извещатели любого типа, а для сетчатого ограждения из сетки «рабица» нельзя использовать емкостные и вибрационные извещатели.
Ворота, устанавливаемые на автомобильных и железнодорожных въездах, могут быть различных конструкций: откатные и распашные, решетчатые или сплошные, реечные, цельнометаллические, деревянные или комбинированные (металлические со сплошным заполнением изнутри половой доской) и т.п.
Конструкция ворот и калиток должна обеспечивать надежное закрывание и жесткую фиксацию в закрытом положении, а также иметь достаточную степень защиты от возможного несанкционированного проникновения нарушителя и взлома. Оценку и выбор конструкций и материалов ворот, калиток проводят в соответствии с Приложениями Б и Г соответственно.
Рекомендуемые конструкции гаражных ворот и требования к ним приведены в Приложении Л.
В качестве запирающих устройств для ворот рекомендуется использовать замки гаражного типа повышенной секретности и устойчивости к взлому. Кроме того, ворота необходимо запирать на запоры или шпингалеты.
Редко открываемые ворота (запасные или аварийные) должны запираться на два мощных засова, которые, в свою очередь, рекомендуется запирать на висячие замки с закаленной или защищенной дужкой.
На больших объектах (автостоянки, ГСК) наравне с воротами могут быть использованы шлагбаумы.
Калитки рекомендуется запирать на засовы, которые, в свою очередь, следует запирать на висячие замки. Допускается запирать калитку на врезной (накладной) замок.
Усиление степени защиты калиток следует выполнять аналогично усилению дверей и их коробок способами, изложенными в Приложении М.
Контрольно-пропускной пункт (КПП), помещение охраны, сторожку и т.п. рекомендуется располагать при въезде на территорию объекта.
Входную дверь и окна КПП следует устраивать со стороны охраняемой территории. Для прохода людей со стороны ворот на пропускной пункт следует предусмотреть коридор. Для контроля за проездом автомашин и проходом людей в помещении КПП необходимо устраивать окна.
Для наблюдения за обстановкой на территории объекта перед КПП рекомендуется использовать системы охранные телевизионные. При наличии окон, выходящих на неохраняемую территорию, их усиление рекомендуется производить за счет применения специальных стекол или защитных пленок, имеющих российские сертификаты соответствия. При этом желательно обеспечить одностороннюю видимость из помещений контрольно-пропускного пункта.
Двери и окна КПП должны обеспечивать необходимую степень защиты для этой категории объекта (Приложения Г и Д соответственно).
Наружные и внутренние стены, перекрытия пола и потолка, перегородки помещений объекта, в которых размещают ценности, должны иметь достаточную степень защиты от возможного несанкционированного проникновения нарушителя. Оценку и выбор конструкций и материалов стен, перекрытий, перегородок проводят в соответствии с Приложением В.
При несоответствии степени защиты стен, перекрытий и перегородок категории объекта их усиление рекомендуется производить по всей площади стальной арматурной сеткой (решеткой), сваренной в соединениях, согласно РД 78.147-93.
Двери (в основном входные) и люки здания должны иметь достаточную степень защиты от возможного несанкционированного проникновения нарушителя. Оценку и выбор конструкций и материалов дверей, люков проводят в соответствии с Приложением Г.
При недостаточной степени защиты дверных конструкций их усиление рекомендуется производить в соответствии с Приложением М.
Окна, фрамуги и форточки во всех помещениях объекта должны иметь надежные и исправные запоры, жестко фиксирующие раму в закрытом состоянии. Стекла должны быть целыми и надежно закрепленными в пазах.
Окна, фрамуги и форточки должны иметь достаточную степень защиты от несанкционированного проникновения нарушителя. Оценку и выбор защитных конструкций окон, фрамуг, форточек проводят в соответствии с Приложением Д.
При защите оконных проемов решетками их рекомендуется устанавливать как с внутренней стороны помещения, так и между рамами. В отдельных случаях допускается, по согласованию с подразделениями охраны, установка решеток с наружной стороны помещения при обязательной блокировке их ТСО.
При установке решеток на все оконные проемы помещений объекта необходимо, чтобы одна из них была открывающейся с возможностью ее закрытия на замок (врезной или висячий). Доступ к замку должен быть возможным только из помещения.
Усиление стекол окон следует производить применением специальных стекол или защитных пленок, имеющих соответствующие российские сертификаты соответствия.
На объектах (дачи, коттеджи), где длительное время отсутствуют их владельцы, для защиты оконных проемов рекомендуется применять защитные щиты, ставни, рольставни или жалюзи, согласно РД 78.147-93.
При защите оконных проемов с внешней стороны помещения необходимо, чтобы защитные щиты и ставни запирались на один или два (при наличии высоких, более 1,5 м, окон) засова и висячие замки. Если защита осуществляется из помещения, то щиты и ставни можно запирать только на засов.
Двери, ворота, калитки, люки, ставни, жалюзи и решетки являются надежной защитой только в том случае, когда на них установлены соответствующие по классу замки.
Замки и запирающие устройства должны обеспечивать достаточную степень защиты от взлома. Оценку и выбор замков и их конструкций проводят в соответствии с Приложениями Е, Ж, З.
В качестве запирающих устройств, устанавливаемых на дверях и окнах, следует применять врезные, накладные несамозащелкивающиеся, висячие замки, задвижки, засовы, шпингалеты и т.п.
Висячие замки применяют, в основном, для дополнительного запирания дверей, решеток, ставен и т.п. Такие замки достаточно эффективны (с точки зрения защиты) только в случаях, если имеют дужку из закаленной стали и массивный прочный корпус (амбарный замок), а также при наличии на запираемых конструкциях замков (в местах их установки) защитных кожухов, пластин и других устройств, предотвращающих возможность высверливания, сворачивания, вытягивания механизма секретности или перепиливания ушек и дужек замков.
Для надежной работы электромагнитного замка необходимо обеспечить соприкосновение электромагнита и пластины без зазора, что достигается использованием дверного доводчика. При выборе доводчика следует учитывать нагрузку (массу двери), количество циклов открытия (закрытия) и климатические условия эксплуатации. Указанные параметры приведены в паспорте на изделие.
При выборе ТСО прежде всего необходимо, чтобы их рабочий диапазон температур соответствовал реальным условиям эксплуатации. В таблицах 2 и 3 приведены основные типы извещателей, приборов приемно-контрольных (ППК) и СПИ, рекомендуемых для эксплуатации на различных объектах.
Таблица 2
Рекомендуемые типы извещателей для установки на объекте
|
Наименование извещателей |
|
|
Отапливаемые объекты (от плюс 1 до 40 °С) |
|
|
1. Квартира, частный дом, коттедж, строение, торговая палатка, подвал |
Омические: провод типа НВМ, «Фольга», «Фольга-С» Магнитоконтактные: ИО102-2, -4, -5, -6, -15, -16, -21, -22 Ударно-контактные: «Окно-5», «Окно-6» Акустические: «Стекло-2»*, «Стекло-2-1», «Стекло-3», «Арфа» Ультразвуковые: «Эхо-А», «Витрина» Емкостные: «Пик», «Градиент» Пьезоэлектрические: «Грань-2», «Шорох-1», «Шорох-1-1» Оптико-электронные: «Фотон-6», «Фотон-6А», «Фотон-6Б», «Астра-МС», «Фотон-8», «Фотон-8А», «Фотон-8Б», «Фотон-9», «Фотон-СК», «Фотон-Ш», «Фотон-СК-2», «Вектор-2», «Вектор-8» Радиоволновые: «Аргус-2», «Аргус-3», «Тюльпан-3», «Волна-5»* Комбинированный: «Сокол-2» |
|
2. Гараж |
Омические, магнитоконтактные, ударно-контактные, радиоволновые, пьезоэлектрические всех типов, согласно п. 1 настоящей таблицы Выключатели конечные: ВК-200, ВК-300, ВПК-4000 |
|
Неотапливаемые объекты (от минус 30 до плюс 40 °С) |
|
|
3. Дача, сарай, погреб, частная хозяйственная постройка, киоск |
Омические, магнитоконтактные, ударно-контактные, радиоволновые всех типов и комбинированный, согласно п. 1 настоящей таблицы Оптико-электронные: «Фотон-6», «Фотон-8» и их модификации, «Фотон-Ш», «Вектор-8» Пьезоэлектрический: «Шорох-1-1» Выключатели конечные: ВК-200, ВК-300, ВПК-4000 |
|
4. Гараж |
Омические, магнитоконтактные, ударно-контактные и радиоволновые всех типов, согласно п. 1 настоящей таблицы Пьезоэлектрический: «Шорох-1-1» Выключатели конечные: ВК-200, ВК-300, ВПК-4000 |
|
Объекты, расположенные на открытом воздухе (от минус 40 до плюс 45 °С) |
|
|
5. Автостоянка, территория и периметр объекта |
Оптико-электронные: «Вектор-СПЭК», СПЭК-7 Радиоволновые: «Радий-2», «Радий-2/1», «Радий-2/2», «Шторм-2» Извещатели, приведенные в таблице 6 |
Таблица 3
Рекомендуемые типы ППК и СПИ для установки на объекте
|
Наименование ППК, СПИ |
|
|
Отапливаемые объекты (от плюс 1 до 40 °С) |
|
|
1 . Квартира, частный дом, коттедж, подвал, гараж |
«Нота», «Сигнал-СПИ», «Сигнал-ВК-4» (исп. 05), «Аккорд», «Сигнал-20», «Адрес», «Виста-101», «Виста-501», «Сеть»; «Фобос», «Юпитер», «Иртыш-3Р», «Атлас-2М-1», «Струна-3, -3М» |
|
Неотапливаемые объекты (от минус 30 до плюс 40 °С) |
|
|
2. Дача, сарай, погреб, частная хозяйственная постройка, гараж |
«Нота», «Сигнал-СПИ», «Аккорд», «Сигнал-ВК-4» (исп. 05), «Сигнал-20», «Адрес», «Сеть»; «Атлас-2М-1», «Струна-3, -3М». |
Примечание - На объекте устанавливают объектовые устройства (устройства оконечные) и ППК малой емкости. Приборы приемно-контрольные средней и большой емкости, ретрансляторы и пульты СПИ устанавливают в микро-ПЦО, пункте автономной охраны.
Кроме того, при выборе технических средств охраны необходимо учитывать:
- воздействие на их работу помех производственно-технологических процессов, бытовых приборов, транспортных средств;
- вероятность присутствия в непосредственной близости людей, животных (например, в смежных помещениях, за стеклами, вблизи охраняемого периметра, территории) и других факторов, негативно влияющих на работу ТСО;
- реальное состояние сети переменного тока на объекте и возможность резервирования электропитания;
- способ возможного криминального воздействия на охраняемый объект или строительную конструкцию.
Основные типы извещателей, обеспечивающие защиту строительных конструкций от предполагаемого (возможного) способа криминального воздействия, приведены в таблице 4.
Таблица 4
Способ криминального воздействия и тип извещателя для его обнаружения
|
Тип извещателя |
|
|
1 Разрушение остекленных конструкций (разбитие, вырезание, выдавливание, выворачивание) |
Омический (фольга), ударно-контактный, акустический, пьезоэлектрический |
|
2. Разрушение деревянных конструкций (пролом, выпиливание, сверление, разборка) |
Омический (провод), пьезоэлектрический |
|
3. Разрушение металлических конструкций (разрубание, раздвигание, выкусывание, выпиливание, высверливание, выдавливание, прожигание) |
Омический (провод), пьезоэлектрический |
|
4. Разрушение стен и перекрытий (пролом, пробитие, выдавливание, выпиливание, сверление, разборка) |
Омический (провод), пьезоэлектрический |
|
5. Открывание |
Магнитоконтактный, выключатель конечный, активный оптико-электронный, ультразвуковой |
|
6. Касание, приближение |
Емкостной |
|
7. Проникновение, перемещение нарушителя |
Пассивный и активный оптико-электронный, радиоволновой, ультразвуковой, комбинированный |
|
8. Перемещение, разрушение охраняемого предмета |
Омический (провод), магнитоконтактный, пьезоэлектрический, ультразвуковой |
Перечень возможных помех и способов уменьшения их влияния на функционирование извещателей приведен в таблице 5.
Таблица 5
Помехи и способы уменьшения их влияния на функционирование извещателей
|
Наименование извещателей |
|||||||||||||
|
ударно-контактный, магнитоконтактный |
ультразвуковой |
акустический |
радиоволновой |
оптико-электронные |
емкостный |
пьезоэлектрический |
комбинированный ИК+СВЧ |
||||||
|
пассивный |
активный |
||||||||||||
|
Внешние акустические помехи и шумы: - транспортные средства - строительные машины и агрегаты - летательные аппараты - погрузочные и разгрузочные работы, и т.п. вблизи объекта |
Не влияют |
Применять при уровне шума в помещении до 60 дБ |
Не влияют |
Применять при уровне шума в помещении до 60 дБ |
Не влияют |
||||||||
|
Внутренние акустические помехи и шумы: - холодильные установки, вентиляторы - телефонные и электрические звонки - дроссели люминесцентных ламп - гидравлические шумы в трубах |
Не влияют |
Не устанавливать вблизи источника помех. Правильно настроить извещатели |
Не влияют |
Правильно установить и настроить извещатель |
Не влияют |
||||||||
|
Совместная работа в одном помещении извещателей одинакового принципа действия |
Не влияют |
Правильно установить и настроить извещатель |
Не влияют |
Правильно установить извещатель. Применять извещатель с разными литерами |
Не влияют |
Правильно установить извещатель |
Не влияют |
||||||
|
Вибрация строительных конструкций |
При наличии постоянных вибраций большой амплитуды применять нельзя |
||||||||||||
|
Движение воздуха (сквозняки, тепловые потоки от батарей отопления) |
Не влияют |
Правильно установить и настроить извещатель |
Не влияют |
Правильно установить и настроить извещатель |
Не влияют |
Правильно установить и настроить извещатель |
|||||||
|
Движущиеся предметы и люди за некапитальными стенами, деревянными дверями |
Не влияют |
Правильно установить и настроить извещатель |
Не влияют |
Правильно установить и настроить извещатель |
Не влияют |
Правильно установить и настроить извещатель |
|||||||
|
Движущиеся предметы в охраняемой зоне (качание штор, растений, вращение лопастей вентиляторов) |
Не влияют |
Не устанавливать вблизи источника помех. Правильно настроить извещатель |
Не влияют |
Правильно установить и настроить извещатель |
Не влияют |
Правильно установить и настроить извещатель |
Не влияют |
Правильно установить и настроить извещатель |
|||||
|
Мелкие животные (мыши, крысы) |
Не влияют |
Правильно установить и настроить извещатель |
Не влияют |
Правильно установить и настроить извещатели |
Не влияют |
Правильно установить и настроить извещатель |
|||||||
|
Движение воды в пластмассовых трубах |
Не влияет |
Не устанавливать вблизи источника помех. Правильно настроить извещатели |
Заэкранировать трубы |
Не влияет |
Не устанавливать вблизи источника помех. Правильно настроить извещатель |
Правильно настроить извещатель |
|||||||
|
Изменение свободного пространства охраняемой зоны за счет внесения (вынесения) крупногабаритных предметов, обладающих повышенной способностью поглощения или отражения |
Не влияет |
Перенастроить извещатели |
Не влияет |
Перенастроить извещатель |
|||||||||
|
Колебания напряжения в сети переменного тока |
Использовать источник резервного питания постоянного тока |
||||||||||||
|
Электромагнитные помехи: - транспортные средства с электродвигателями - мощные радиопередатчики - электросварочные аппараты - линии электропередач - электроустановки мощностью более 15 кВ А |
Не влияют |
При напряженности поля более 10 В/м и УКВ-излучений более 40 Вт на расстоянии менее 3 м от извещателя применять нельзя |
|||||||||||
|
Люминесцентное освещение |
Не влияет |
Отключать освещение на период охраны |
Исключить прямые засветки. Правильно установить извещатели |
Не влияет |
Правильно установить извещатель |
||||||||
|
Засветка светом солнечных лучей, фар транспортных средств |
Не влияет |
Правильно установить извещатели |
Не влияет |
Правильно установить извещатель |
|||||||||
|
Изменение температуры фона |
Не влияет |
Скорость изменения температуры фона не более 1°/мин |
Не влияет |
||||||||||
При оборудовании периметра объекта ТСО, имеющими пространственную зону обнаружения, с внутренней стороны основного ограждения необходимо организовать зону отторжения (периметр коттеджных, дачных и садоводческих поселков, автостоянок, ГСК).
Периметр объекта рекомендуется разбивать на отдельные участки, с подключением каждого из них на самостоятельные номера ППК или СПИ. Основные ворота периметра следует подключать на отдельный номер ППК.
Здания и строения, являющиеся частью внешнего периметра, также должны быть оборудованы ТСО.
При выборе извещателей для защиты периметра объекта должны учитываться следующие факторы:
- место расположения объекта;
- возможные способы преодоления, разрушения ограждения;
- строительные характеристики ограждения;
- наличие зоны отторжения;
- характеристики грунта по всему периметру;
- диапазон изменения температур, вероятность сильных ветров, образование снежных заносов и их высота, частота и длительность туманов, их плотность;
- наличие растительности в зоне периметра;
- наличие вблизи периметра железнодорожных, автомобильных магистралей, пешеходных маршрутов;
- количество и виды разрывов (ворота, калитки) ограждения;
- требования к маскировке и дизайну;
- финансовые возможности владельца.
В таблице 6 приведены наиболее распространенные отечественные извещатели, применяемые для охраны периметра объекта, и даны их основные технические характеристики.
Таблица 6
Технические средства охраны периметра, площадок объектов
|
Назначение, особенности применения |
Зона обнаружения, м |
Электропитание |
Диапазон рабочих температур, °С |
Ориентировочная стоимость у.е. (руб.) |
||||||
|
Радиоволновые |
||||||||||
|
«Пион-Т (ТМ)» |
Блокировка протяженных участков периметра |
300×2×2 |
220 В, 50 Гц,
10 ВА. |
От минус 50 до плюс 50 |
820 |
|||||
|
«Радий-2»* «Радий-2/1»* «Радий-2/2»* |
(10.. . 200) × (2. ..5) (20..75)×(1,5..2,5) (5..20)×(0,75..1,50) |
220 В, 50 Гц,
28 ВА. |
От минус 40 до плюс 50 |
(7080) (6516) (6000) |
||||||
|
«Шторм-2»* |
Блокировка отдельных площадок |
50×8 |
220 В, 50 Гц,
30 ВА. |
От минус 45 до плюс 50 |
(22000) |
|||||
|
«Риф-РЛ» |
Блокировка протяженных участков периметра |
300×3×3 |
Пост. 22 ... 28
В, |
От минус 50 до плюс 50 |
1739 |
|||||
|
«Георгин» |
300×6 |
220 В, 50 Гц. |
5702 |
|||||||
|
«Луч-М» |
(25 ... 200)×(1,5 ... 5,0) |
Пост. 24 В, 4 ВА |
5300 |
|||||||
|
«Гарус» |
5×250 |
Пост. 7 ... 30 В, 20 мА |
3598 |
|||||||
|
«Лена-2» («Рута») |
(5 ... 125)×1 |
Пост. 24 В, 0,5 ВА |
4607 |
|||||||
|
«Протва» |
Блокировка периметров сложной конфигурации |
5×(15 ... 100)×6×(2 ... 4) |
220 В, 50 Гц. |
9729 |
||||||
|
РЛД-94 УМ-1-01, УМ-2-01, УМ-3-01 |
Блокировка разрывов ограждений, крыш, подступов к зданию |
100×4 300×6 30×3 |
Пост. 10 ... 30
В, |
7590 9246 5796 |
||||||
|
Оптико-электронные |
||||||||||
|
«Вектор-СПЭК»* |
Блокировка периметров, ограждений, ворот |
75, 150 |
Пост. 10,2 ... 30,0 В. 50 мА |
От минус 40 до плюс 55 |
200 |
|||||
|
СПЭК-7* |
8 - на улице. |
Пост. 10 ... 30 В, 40/60 мА** |
138 |
|||||||
|
Емкостные |
||||||||||
|
«Радиан-М» |
Блокировка металлических ограждений и козырьков |
10 ... 250 |
Пост. 20... 30
В, |
От минус 50 до плюс 50 |
927 |
|||||
|
«Радиан-13» |
Блокировка козырьков ограждений |
3 ... 500 |
Пост. 20... 30
В, |
225 |
||||||
|
Вибрационные |
||||||||||
|
«Дельфин» |
Блокировка сетчатых сварных ограждений, решеток окон |
3 ... 500 |
Пост. 20 ... 30
В, |
От минус 50 до плюс 50 |
2700 |
|||||
|
«Годограф» |
3 ... 250 |
Пост. 14 ... 36 В |
1000 |
|||||||
|
СОС-1 СОС-1-01 СОС-1-02 |
Блокировка периметров, не имеющих ограждений |
До 1000 |
220 В, 50 Гц. Резервное пост. 12 В |
- |
||||||
|
Проводноволновые |
||||||||||
|
«Уран-1М» |
Блокировка верха ограждений |
(25 ... 250)×1,0×0,6 |
Пост. 20... 30
В, |
От минус 50 до плюс 50 |
1362 |
|||||
|
«Липа-П» |
(25 ... 250)×0,7×0,4 |
220 В, 50 Гц. |
От минус 40 до плюс 50 |
1250 |
||||||
|
«Импульс-11» |
Блокировка ограждений из сетки и объектов без ограждений |
250,0×2,0×3,5 |
Пост. 20... 30
В, |
1250 |
||||||
|
Радиотехнические |
||||||||||
|
«Бином-М» |
Блокировка ограждений. Скрытая установка в грунте |
2 участка по (60 ... 125)×6,0×0,7 |
Пост. 20 ... 30
В, |
От минус 50 до плюс 50 |
12340 |
|||||
|
Оптико-волоконные |
||||||||||
|
«Ворон» |
Блокировка сетчатых ограждений |
До 500 |
Пост. 12 ... 30
В, |
От минус 40 до голос 40 |
|
|||||
|
Быстроразворачиваемые |
||||||||||
|
«Краб-1М» |
Блокировка объекта проводом |
10 ... 500 |
Пост. 3,7... 4,5 В, внешний 12 В |
От минус 10 до плюс 40 |
150 |
|||||
|
«Витим» |
Блокировка протяженных участков периметра |
1500 (10 участков) |
Автономное на 7 суток |
От минус 40 до плюс 40 |
72960 |
|||||
* Извещатели, включенные в Перечень.
** 40 мА потребляет СПЭК-7-2, 60 мА - СПЭК-7-6.
Двухпозиционные извещатели («Радий-2», «Радий-2/1»; «Радий-2/2», «Пион-Т», «Риф-РЛ», «Георгин», «Барьер», «Луч-М», «Крокус», «Лена-2», «Протва») нашли самое широкое применение в охране периметров. На работоспособность извещателей практически не влияют дождь, ветер, туман, однако для их устойчивого функционирования требуется геометрически свободное пространство между излучателем и приемником. Радиоволновые извещатели различаются, в основном, размерами зоны обнаружения. Обычно ее длина L составляет от 10 до 500 м, ширина W - от 1 до 6 м и высота Н - от 0,7 до 2,5 м.
Так, например, на коротких прямолинейных участках периметра можно устанавливать извещатель «Радий-2/2» (дальность действия 5 - 30 м), на средних - «Радий-2/7» (дальность действия 10 - 75 м), на протяженных - «Радий-2» (дальность действия 10 - 200 м).
Ширина W зоны обнаружения будет не более:
- для извещателя «Радий-2»: 2; 3 и 5 м при длине участка 50, 100 и 200 м соответственно;
- для извещателя «Радий-2/1»: 1,5; 2,0 и 2,5 м при длине участка 20, 40 и 75 м соответственно;
- для извещателя «Радий-2/2»: 0,75; 1,00 и 1,50 м при длине участка 5, 15 и 30 м соответственно.
Несмотря на то, что для работы извещателей требуется специально подготовленная (спланированная и очищенная от посторонних предметов) зона отторжения, ее значительные размеры в поперечнике делают извещатели весьма эффективным средством обнаружения. Поэтому преодолеть такую зону скрытно очень трудно. Учитывая специфику объекта, при выборе радиоволновых извещателей предпочтение следует отдавать извещателям с узкой зоной обнаружения.
Следует учитывать, что вблизи места установки извещателя не должны проходить автомобильные (не ближе 5 м от зоны обнаружения) и железнодорожные (не ближе 20 м от зоны обнаружения) трассы, а расстояние до высоковольтных линий электропередач должно быть не менее 20 м.
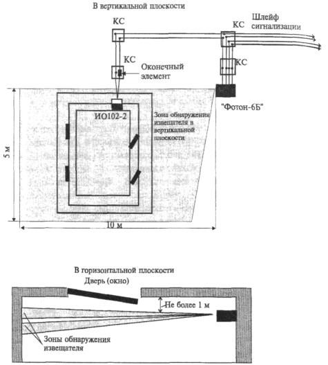
На рисунке 1 приведен вариант блокировки периметра основного ограждения извещателем.

Условные обозначения:
БИ - блок излучения; БП - блок приемника.
Рисунок 1 - Вариант блокировки периметра основного ограждения извещателем радиоволновым:
а) вид вдоль ограждения; б) вид сбоку
При установке извещателя необходимо выполнить следующее:
- приемники и передатчики соседних участков следует устанавливать с перекрытием зон обнаружения;
- в зоне отторжения не должно быть деревьев, кустарников, травы и крупногабаритных предметов.
Для исключения случайного попадания людей и животных в зону обнаружения извещателя рекомендуется установить вдоль нее предупредительное ограждение.
При отсутствии возможности организовать зону отторжения рекомендуется применять оптико-электронные извещатели.
Извещатели «Вектор-СПЭК», СПЭК-7 имеют линейную зону обнаружения и позволяют организовать узкие ИК-барьеры в любой плоскости.
«Вектор-СПЭК» - однолучевой извещатель. Однолучевым барьером рекомендуется блокировать верх ограждения. С помощью нескольких комплектов извещателей возможно создание многолучевых барьеров. Многолучевой барьер необходимо применять для блокировки ворот, дверей, окон и ограждений.
На рисунке 2 приведены варианты блокировки ограждений оптико-электронными извещателями.
СПЭК-7 - извещатель многолучевой, имеет модификации:
- СПЭК-7-2 - извещатель двухлучевой, расстояние между излучателями 0,35 м;
- СПЭК-7-6 - извещатель шестилучевой, расстояние между излучателями 0,07 м.
Извещатели СПЭК-7 (до 5 шт.) могут быть установлены в одну колонку высотой до двух метров и организовывать ИК-барьеры до 30 лучей.
На коротких прямолинейных участках периметра (например, въездных воротах) рекомендуется устанавливать извещатели СПЭК-7, на средних - «Вектор-СПЭК-75», на протяженных - «Вектор-СПЭК-150».
К недостаткам названных извещателей можно отнести ненадежное функционирование в экстремальных условиях (образование снежной корки на светофильтрах, засветка солнечными лучами и фарами транспортных средств, густой туман, повышенные запыленность и задымленность).
На рисунке 3 приведены варианты блокировки «козырька» основного ограждения извещателем оптико-электронным «Вектор-СПЭК» и извещателем проводным «Краб-1М».

Условные обозначения:
БИ - блок излучения, БФ - блок фотоприемника, КИ - колонка излучателей, ШС - шлейф сигнализации, КФ - колонка фотоприемников.
Рисунок 2 - Варианты блокировки извещателями «Вектор-СПЭК» и СПЭК-7:
а) двухлучевой режим («Вектор-СПЭК»); б) четырехлучевой синхронный режим («Вектор-СПЭК»); в) шестилучевой режим (СПЭК-7)
Рисунок 3 - Варианты блокировки «козырька» основного ограждения извещателями «Вектор-СПЭК» и «Краб-1М»
Извещатели «Радиан-М», «Радиан-13», «Радиан-14» имеют протяженный чувствительный элемент - антенну, которую разворачивают вдоль периметра. К достоинствам таких извещателей относятся отсутствие «мертвых» зон и высокая чувствительность. Зона обнаружения легко настраивается и регулируется. Извещатели выдают извещение о тревоге при приближении нарушителя или касании им чувствительного элемента (извещатель «Радиан-М»: длина охраняемого участка 10 - 250 м, извещатели «Радиан-13, -14»: длина охраняемого участка 3 - 500 м), хорошо работают на периметре со сложной конфигурацией и рельефом.
Извещатели емкостные рекомендуется применять на механически прочных ограждениях, особенно там, где в ограждения входят здания и постройки, а также имеются въездные ворота.
На рисунке 4 приведен вариант блокировки «козырька» основного ограждения извещателем емкостным типа «Радиан».
Рисунок 4 - Вариант блокировки «козырька» основного ограждения извещателем типа «Радиан»
Извещатели «Уран-1М», «Липа-П» создают объемную зону обнаружения вокруг чувствительного элемента, который состоит из двух изолированных проводов, проходящих параллельно на расстоянии 0,4 - 0,5 м друг от друга. Извещатели могут быть установлены на ограждениях любого типа, изготовленных из различных материалов. Длина охраняемого участка для этих извещателей составляет до 250 м.
На рисунке 5 приведен вариант блокировки «козырька» основного ограждения извещателем «Уран-1М».
Рисунок 5 - Вариант блокировки «козырька» основного ограждения извещателем «Уран-1М»
Извещатели проводноволновые применяют для защиты ограждения, «козырька» ограждения, стен зданий, кровли.
Извещатель «Импулъс-11» может быть использован для охраны неподготовленных участков периметра длиной до 250 м. Верхний провод устанавливают на диэлектрических стойках на высоте 1,8 м, а нижний - прокладывают по земле или углубляют в грунт на 30 - 50 мм. Ширина зоны обнаружения на земле составляет 3 м.
На рисунке 6 приведен вариант блокировки периметра с помощью извещателя «Импульс-11».
Рисунок 6 - Вариант блокировки периметра извещателем «Импульс-11»
Извещатели «Дельфин», «Годограф», СОС-1 воспринимают вибрацию (деформацию) элементов сетчатого или решетчатого ограждения, на котором установлен чувствительный элемент (как правило, трибоэлектрический, электретный, магнитострикционный).
К достоинствам указанных извещателей относятся узкая зона обнаружения и устойчивость к воздействию метеорологических и индустриальных помех, которые не создают вибрацию или деформацию ограждения. Однако они подвержены воздействию таких факторов, как порывы ветра, град, микросейсмические колебания почвы от проезжающих транспортных средств.
На рисунке 7 приведен вариант блокировки «козырька» основного ограждения извещателем вибрационным «Дельфин».
Рисунок 7 - Вариант блокировки «козырька» основного ограждения извещателем «Дельфин»
К указанному типу извещателей относится извещатель «Ворон». Он реагирует на изменение светового потока в оптико-волоконном кабеле при вибрации ограждения. Извещатель рекомендуется устанавливать на хорошо закрепленном сварном сетчатом ограждении. Основным достоинством извещателя является нечувствительность к электромагнитным помехам любого происхождения; недостатками - сложность ремонта в полевых условиях, малый ресурс работы лазера, высокая стоимость.
К извещателям этого типа относится «Бином-М». Принцип его работы основан на «линии вытекающей волны». Указанный извещатель применяют, как правило, там, где требуется скрытая установка. В качестве чувствительного элемента в извещателе используются два параллельно проложенных коаксиальных кабеля, оплетки которых по всей длине имеют перфорацию или специально прорежены. Кабели укладывают в грунт на глубину 1 - 0,3 м на расстоянии 2,0 - 2,5 м друг от друга.
К достоинствам извещателя «Бином-М» относятся: качественная маскировка, высокая чувствительность и помехоустойчивость независимо от рельефа местности и растительности. К недостаткам извещателя следует отнести критичность к нарушениям однородности грунта в пределах зоны укладки кабелей (причиной нарушений могут явиться затяжные сильные дожди или резкое таяние снега).
Извещатели указанного типа применяют для оборудования временных рубежей охраны на неподготовленной местности с практически любым рельефом, при отсутствии основного ограждения и кабельных коммуникаций (блокировка участков с поврежденной сигнализацией, стоянок транспорта, открытых складов и т.п.). Извещатель «Краб-1М» является самым простым, хорошо маскируемым и недорогим изделием. В качестве чувствительного элемента в извещателе используется микропровод, который разворачивают на земле вблизи ограждения либо закрепляют непосредственно на полотне или «козырьке» ограждения. Максимальная длина охраняемого участка для извещателя «Краб-1М» составляет 500 м. Основным недостатком указанного извещателя является слабая механическая прочность микропровода, который при визуальном обнаружении к тому же легко обойти.
Извещатель радиолучевой «Витим» состоит из 11 приемно-передающих стоек и позволяет организовать рубеж охраны протяженностью до 1,5 км. Достоинствами указанного извещателя являются автономность питания каждой стойки, передача извещений о тревоге по радиоканалу на расстояние до 30 км, высокая вероятность обнаружения, возможность установки менее чем за 1,5 ч; недостатком - высокая стоимость.
Основные ворота ограждения объекта, расположенные, как правило, у КПП, необходимо выделять в отдельный рубеж охраны, который должен отключаться на время проезда транспорта. В этот рубеж рекомендуется включать и прилегающие секции основного ограждения (не менее 5 м). Для блокировки ворот следует применять те же извещатели, что и для основного ограждения, при условии, если позволяют конструкция и материал ворот. Для блокировки основных ворот допускается использовать извещатели оптико-электронные, емкостные и радиоволновые.
Монтаж извещателей на воротах аналогичен монтажу на ограждении. Соединение шлейфа сигнализации (ШС) подвижной створки ворот и ограждения осуществляется с помощью гибкого перехода, дополнительно защищенного поливинилхлоридной трубкой. Для контроля за открытием ворот рекомендуется использовать выключатели конечные или извещатели магнитоконтактные.
Извещатели запасных или аварийных ворот включают в тот рубеж охраны, на котором они расположены (участок ограждения).
Для охраны отдельных участков территории рекомендуется использовать извещатель объемный радиоволновой «Шторм-2». При этом охраняемый участок должен иметь отдельное ограждение, препятствующее свободному проходу людей и животных.
Зону обнаружения рекомендуется настраивать таким образом, чтобы она не доходила до ограждения ближе 3 м. Максимальные размеры зоны обнаружения для извещателя «Шторм-2» составляют 50×8 м.
На рисунке 8 приведен вариант блокировки открытых площадок извещателем «Шторм-2».
Рисунок 8 - Вариант блокировки территории объекта извещателями «Шторм-2»
Для охраны (в основном в ночное время) отдельных рядов гаражей в ГСК, машин на автостоянках (длительной парковки), дач, коттеджей (в зимнее время) рекомендуется использовать извещатели оптико-электронные, проводноволновые и радиотехнические.
Варианты блокировки гаражных боксов в ГСК приведены на рисунке 9, а автомобилей на стоянке - на рисунке 10.
Рисунок 9 - Вариант блокировки гаражных боксов в ГСК извещателем «Вектор-СПЭК» или СПЭК-7
Рисунок 10 - Вариант блокировки автомобилей на автостоянке извещателем «Вектор-СПЭК» или СПЭК-7
Приведенные варианты блокировки рекомендуется использовать на объектах, имеющих автономную и совмещенную охрану.
Для охраны коттеджных, дачных и садоводческих участков в зимний период, а также отдельных машин с грузом на автостоянках рекомендуется использовать быстроразворачиваемые омические извещатели, которыми блокируют наиболее уязвимые места.
Основными факторами, которые определяют уровень надежности охраны объекта, оборудованного ТСО, являются: количество рубежей охраны, охраняемых зон, ШС в каждом рубеже, оперативность передачи тревожных извещений.
Количество шлейфов в каждом рубеже охраны должно определяться внутренней структурой объекта и протяженностью его периметра. Для оперативного определения места срабатывания извещателей, контролирующих периметр здания, объем и площадь помещения, рекомендуется периметр, объем и площадь помещения разбивать на отдельные участки (фасад, тыл, левая и правая стороны, и т.п.) с контролем каждого участка самостоятельным ШС. На объекте со сложной внутренней структурой самостоятельными шлейфами могут быть выделены также отдельные охраняемые зоны (переход, коридор и т.п.), организуемые на пути наиболее вероятного движения нарушителя.
Все помещения с постоянным или временным хранением материальных ценностей, а также все уязвимые места (окна, двери, люки, вентиляционные шахты и короба), расположенные на первом и последнем этажах по периметру здания, оборудуют ТСО.
В помещениях объекта категории БI, расположенных на втором и выше этажах, а также внутри его, установка ТСО не требуется (если объект охраняется по всему периметру: первый и последний этажи, все уязвимые места).
Оконные проемы помещений объектов категории AI, БII, расположенные на втором и выше этажах здания, охраняемого по всему периметру (первый и последний этажи, все уязвимые места), ТСО можно не оборудовать.
Первым рубежом охраны рекомендуется защищать:
- строительные конструкции по периметру объекта;
- места ввода коммуникаций, вентиляционные каналы;
- строительные проемы, выходящие к пожарным лестницам;
- некапитальные (и капитальные, если необходима их защита) стены.
Рекомендуется блокировать следующие строительные конструкции объекта:
- дверные проемы - на «открывание» и «пролом» (только деревянные);
- остекленные конструкции - на «открывание» и «разрушение» стекла;
- некапитальные (и капитальные стены, если это необходимо) - на «пролом»;
- места ввода коммуникаций, вентиляционные короба, дымоходы - на «разрушение».
Допускается осуществлять блокировку указанных конструкций только на «проникновение» с помощью объемных и линейных извещателей вместо блокировки остекленных конструкций на «открывание» и «разрушение», внутренних некапитальных стен на «пролом», дверей на «открывание» и «пролом». При этом следует иметь в виду, что использование для данных целей извещателей пассивных оптико-электронных (типа «Фотон» и других типов, работающих на том же принципе действия) обеспечивают защиту помещений только от непосредственного проникновения нарушителя.
Вторым рубежом охраны защищают объемы помещений с помощью извещателей пассивных оптико-электронных с объемной зоной обнаружения, ультразвуковых, радиоволновых или комбинированных.
Третьим рубежом охраны (если это необходимо) защищают отдельные предметы или подходы к ним с помощью емкостных, пьезоэлектрических или объемных, линейных и комбинированных извещателей различных принципов действия.
На охраняемом объекте следует устанавливать такие ТСО, чтобы не только была обеспечена необходимая степень защиты объекта, но и по возможности были бы сокращены расходы на их приобретение, монтаж и эксплуатацию.
Для усиления (увеличения степени защиты) существующих конструкций объекта необходимо применять дополнительные ТСО (Приложение К). Шлейфы сигнализации дополнительных ТСО (за исключением охранного телевидения) рекомендуется включать в рубеж охраны периметра или выводить самостоятельным дополнительным рубежом охраны.
Для усиления охраны объекта рекомендуется применять «извещатели-ловушки», которыми целесообразно оборудовать локальные участки (тамбуры, коридоры, двери, выходы из подвальных и чердачных помещений, вентиляционные короба, шкафы, сейфы, ценные и дорогостоящие изделия и предметы, и т.п.). В качестве «ловушек» применяют, как правило, извещатели магнитоконтактные, емкостные и оптико-электронные.
Для оперативной передачи в микро-ПЦО, пункты автономной или централизованной охраны сообщений о наличии противоправных действий на объекте (хулиганских действий, разбойных нападений и т.п.) используют устройства тревожной сигнализации: кнопки, в том числе радиокнопки, педали, извещатели оптико-электронные и т.п. Такие устройства устанавливают в незаметных для посторонних лиц местах, но удобных для владельцев и желательно во всех помещениях объекта.
Тревожную сигнализацию выполняют по схеме «без права отключения».
Для организации на объекте системы тревожной сигнализации рекомендуется использовать радиосистемы тревожной сигнализации «Радиокнопка» и «Риф Ринг 2».
Система «Радиокнопка» позволяет контролировать до 6 адресуемых радиокнопок с дальностью действия до 700 м; система «Риф Ринг 2» - до 100 адресуемых радиокнопок с дальностью действия до 200 м.
В таблице 7 приведены основные технические характеристики извещателей, рекомендуемых для защиты зданий и помещений (в соответствии с Перечнем).
Таблица 7
Технические средства охраны зданий и помещений
|
Назначение, особенности применения |
Размер зоны обнаружения, м, (м3) |
Электропитание |
Диапазон рабочих температур, °С |
|||
|
Магнитоконтактные |
||||||
|
ИО102-2 |
Блокировка дверей, оконных рам. Открытая установка |
|
|
От минус 40 до плюс 50 |
||
|
ИО102-4, ИО102-16 |
|
|
От минус 50 до плюс 50 |
|||
|
ИО102-5, ИО102-15 |
Блокировка дверей, оконных рам. Скрытая установка |
|
|
|||
|
ИО102-6 |
Блокировка металлических конструкций |
|
|
|||
|
ИО102-21, ИО102-22 |
Блокировка отдельных предметов. Скрытая установка |
|
|
|||
|
Оптико-электронные |
||||||
|
«Вектор-2» |
Активный. Блокировка периметра помещений |
Однолучевой барьер. Режим А - 100, режим Б - 20 |
10,2 ... 13,2
В, |
От минус 10 до плюс 50 |
||
|
«Вектор-8» |
Активный. Блокировка периметра помещений |
Однолучевой барьер. 25 |
10 … 15 В |
От минус 30 до плюс 50 |
||
|
СПЭК-7 |
Двух- или шестилучевой барьер. 30 - в помещении |
10 ... 30 В, |
От минус 40 до плюс 55 |
|||
|
«Фотон-6 |
Пассивный. Блокировка объема закрытых помещений |
Объемная зона. |
10 ... 15 В, |
От минус 30 до плюс 50 |
||
|
«Фотон-6А» |
Пассивный. Блокировка протяженных помещений (коридоров) |
Линейная зона
лучевой барьер). |
||||
|
«Фотон-6Б» |
Пассивный. Блокировка строительных конструкций и подходов к ценностям |
Поверхностная
(штора). |
||||
|
«Фотон-8» |
Пассивный. Блокировка протяженных помещений (коридоров) |
Объемная зона. |
От ШС 10 ... 72 В, в режиме КЗ - 2 мА в режиме РАЗР - 15 мА |
|||
|
«Фотон-8А» |
Пассивный. Блокировка строительных конструкций и подходов к ценностям |
Линейная зона (лучевой барьер). 20 |
||||
|
«Фотон-8Б» |
Поверхностная (штора). 10×5 |
|||||
|
«Фотон-9» |
Пассивный. Блокировка внутреннего объема |
10×12 |
10 ... 15 В, 15 мА |
От 0 до плюс 50 |
||
|
«Фотон-СК» |
Объемная 10×12 |
10 ... 15 В, 20 мА |
||||
|
«Астра-МС» |
Объемная 12×20 |
10 ... 18 В, 29 мА |
От минус 10 до плюс 40 |
|||
|
«Фотон-СК-2» |
Объемная 15×20 |
9,5 … 15 В, |
От минус 10 до плюс 55 |
|||
|
«Фотон-Ш» |
Пассивный. Блокировка проемов. Высота установки до 5 м |
Вертикальная штора |
10 ... 15 В, 20 мА |
От минус 30 до плюс 50 |
||
|
Радиоволновые и комбинированные |
||||||
|
«Аргус-2» |
Блокировка внутреннего объема |
Объемная зона 12×8 |
10,2 ... 15,0 В |
От минус 30 до плюс 50 |
||
|
«Тюльпан-3» |
Объемная зона 15×8 |
10,2 … 24,0 В, |
От минус 10 до плюс 50 |
|||
|
«Волна-5» |
Объемная зона 12×8 |
От ШС 10 ... 72 В, 1 мА |
||||
|
«Аргус-3» |
Объемная зона 7,5×4,0 |
10,2 ... 15,0
В, |
||||
|
«Сокол-2» |
Комбинированный. Блокировка внутреннего объема |
Объемная зона 12, угол обзора 90° |
10,2 ... 15,0
В, |
От минус 20 до плюс 50 |
||
|
Емкостные |
||||||
|
«Пик» |
Блокировка отдельных предметов |
Чувствительность до 0,2 м, емкость до 2000 пф |
10 ... 15 В, 15 мА |
От минус 10 до плюс 50 |
||
|
«Градиент» |
Блокировка стен ангаров, складов |
Эллиптическая 0,6×2,5×500 |
10,2 ... 15,0
В, |
|||
|
Пьезоэлектрические |
||||||
|
«Грань-2» |
Блокировка стен, пола и потолка |
(15) - одного датчика Всего датчиков 10 |
10,2 ... 15,0
В, |
От минус 10 до плюс 50 |
||
|
«Шорох-1» |
Одноблочный (12) |
От ШС 10 ... 30 В, 1 мА |
||||
|
«Шорох-1-1» |
9 ... 18 В, 20 мА |
От минус 30 до плюс 50 |
||||
|
Ударно-контактные |
||||||
|
«Окно-5» |
Блокировка остекленных конструкций |
(20) |
От ШС 10 … 30 В, 35 мкА |
От минус 40 до плюс 50 |
||
|
«Окно-6» |
(60) |
9 ... 17 В, 25 мА |
||||
|
Ультразвуковые |
||||||
|
«Эхо-А» |
Блокировка внутреннего объема |
Объемная зона 8×8 |
10,2 ... 15,0
В, |
От плюс 5 до 45 |
||
|
«Витрина» |
Блокировка внутреннего объема витрин |
Объемная зона |
9 ... 17 В, 50 мА |
От плюс 5 до 40 |
||
|
Акустические |
||||||
|
Стекло-2 |
Блокировка остекленных конструкций |
6 |
От ШС 10 ... 30 В, 1 мА |
От плюс 1 до 40 |
||
|
«Стекло-2-1» |
9 ... 18 В, 20 мА |
|||||
|
«Стекло-3» |
Блокировка остекленных конструкций и стекла с полимерной пленкой |
9 ... 17 В, 25 мА |
От плюс 10 до 45 |
|||
|
«Арфа» |
6 |
9,5 ... 16,0 В, |
От плюс 1 до 40 |
|||
* 40 мА потребляет СПЭК-7-2, 60 мА - СПЭК-7-6.
При блокировке окон и дверей на открывание (в зависимости от их конструкций) магниты и герконы извещателей магнитоконтактных могут быть установлены как на подвижных, так и на неподвижных частях конструкций. Для блокировки металлических рам окон, металлических дверей или дверей с металлической обвязкой следует использовать извещатели магнитоконтактные типа ИО102-6, специально предназначенные для этих целей.
На рисунке 11 приведены варианты установки извещателей на двери.
Рекомендуемое размещение извещателей - на верхних частях оконных рам и дверей. При невозможности такой установки из-за конструктивных или архитектурных особенностей окон и дверей допускается устанавливать извещатели магнитоконтактные на боковых (противопожарной петлям) сторонах рам и дверей. Разрешается также устанавливать указанные извещатели на нижних частях рам окон.
Для исключения возможности деблокирования извещателя магнитоконтактного, установленного на входной двери, с помощью мощного магнита рекомендуется устанавливать рядом с основным извещателем дополнительный «извещатель-ловушку». Это обычный извещатель магнитоконтактный, из корпуса магнитной части которого удален магнит. Геркон извещателя включается в ШС параллельно и работает на замыкание шлейфа сигнализации при воздействии на него мощного магнита.
Рисунок 11 - Варианты установки извещателей магнитоконтактных на двери
Извещатели активные и пассивные оптико-электронные с линейной или поверхностной узконаправленной зоной обнаружения (типа «коридор») рекомендуется применять для блокировки окон, дверей, стен, потолков, полов, коридоров и отдельных предметов на проникновение или подход.
В зависимости от архитектурных особенностей блокируемых конструкций извещатели можно устанавливать как на стенах помещения, так и на потолке (для защиты пола - только на стенах). При этом необходимо устанавливать извещатель таким образом, чтобы зона обнаружения располагалась не далее 1 м (0,5 м для пола) по всей ширине или высоте от блокируемой поверхности.
Следует иметь в виду, что при блокировке пола или потолка извещателями пассивными с поверхностной узконаправленной зоной обнаружения (извещатель повернут на 90°) дальность обнаружения уменьшается в два раза.
Извещатели активные оптико-электронные позволяют организовать узкие ИК-барьеры вдоль коридоров, окон, дверей, стен, перекрытий и самих ценностей, расположенных в помещении. Варианты блокировки строительных конструкций извещателями активными оптико-электронными «Вектор-СПЭК» и СПЭК-7 приведены на рисунке 2. При установке в помещении извещателя СПЭК-7 гарантируется его дальность действия до 30 м.
Извещатели пассивные оптико-электронные с объемной зоной обнаружения рекомендуется применять для защиты объема помещения, а также одновременной блокировки окон, дверей, стен, перекрытий и самих ценностей, находящихся в этом помещении.
На рисунке 12 приведен вариант блокировки двери (окна) на проникновение.
Для обеспечения устойчивой работы извещателя оптико-электронного необходимо выполнять следующие правила:
- не устанавливать извещатель над отопительными приборами;
- не направлять извещатель на вентиляторы теплого воздуха, двигатели автомашин, находящихся в боксах, прожекторы, лампы накаливания и другие источники, вызывающие быстрые изменения температуры;
- не допускать попадания на извещатель прямых солнечных лучей;
- не допускать нахождения в зоне обнаружения животных, предметов (штор, перегородок, шкафов и т.п.), способных создавать «мертвые» зоны.
Рисунок 12 - Вариант блокировки двери (окна) на проникновение извещателем пассивным оптико-электронным
На рисунке 13 приведен вариант одновременной блокировки стен, пола, потолка и объема помещения на проникновение.
В горизонтальной плоскости
Рисунок 13 - Вариант одновременной блокировки стен, пола, потолка и объема помещения на проникновение извещателем объемным пассивным оптико-электронным
Извещатели радиоволновой и комбинированный (оптико-электронный + радиоволновой) рекомендуется применять для охраны объемов закрытых помещений, внутреннего и внешнего периметров, открытых площадок, отдельных предметов и строительных конструкций.
При необходимости установки на объекте нескольких радиоволновых извещателей, рекомендуется использовать их с разными частотными литерами. В исключительных случаях (во избежание ложных срабатываний) можно устанавливать извещатели таким образом, чтобы их зоны обнаружения не пересекались.
Для обеспечения устойчивой работы извещателей радиоволновых и комбинированных необходимо выполнять следующие правила:
- устанавливать извещатели таким образом, чтобы их зоны обнаружения не выходили за пределы блокируемых помещений (оконные проемы, тонкие деревянные перегородки, стены палаток);
- не устанавливать извещатели на токопроводящие конструкции (металлические балки, сырую кирпичную кладку и т.п.), так как между извещателем и источником питания возникает двойной контур заземления, что может стать причиной ложного срабатывания извещателя;
- вынести за пределы зоны обнаружения колеблющиеся или движущиеся предметы, имеющие значительную отражающую поверхность, а также крупногабаритные предметы, способные создавать «мертвые» зоны, или сформировать зону обнаружения таким образом, чтобы эти предметы в нее не попадали. При наличии «мертвых» зон необходимо следить за тем, чтобы они не образовали нарушителю непрерывный путь к материальным ценностям;
- не устанавливать извещатели в районах, где имеются мощные радиопередающие устройства;
- на период охраны помещения закрывать на запоры двери, окна, форточки, фрамуги, люки, а также выключать вентиляционные и силовые переключающие установки;
- не допускать попадания в зону обнаружения извещателя пластмассовых труб, по которым возможно движение воды;
- на период охраны помещения выключать люминесцентные и неоновые лампы.
На рисунке 14 приведены варианты блокировки строительных конструкций и объема помещения на проникновение.
В горизонтальной плоскости

Рисунок 14 - Варианты блокировки строительных конструкций и объема помещения на проникновение извещателями радиоволновыми, комбинированными и ультразвуковыми
Извещатель емкостной «Пик» предназначен для блокировки металлических шкафов, сейфов, отдельных предметов, а также для создания защитных заграждений.
Для обеспечения устойчивой работы извещателя необходимо выполнять следующие правила:
- не устанавливать извещатель вблизи мощных электроустановок, которые не могут быть отключены на период охраны помещения;
- обеспечить надежный контакт антенны и заземления в местах их подсоединения;
- устанавливать блокируемые предметы на хорошо изолирующие от «земли» основания;
- устанавливать блокируемые предметы на расстоянии не менее 0,2 м от стен, окон и перегородок, за которыми возможно появление людей или животных.
Извещатель емкостной «Градиент» предназначен для блокировки металлических ангаров, хранилищ протяженностью по периметру до 250 м, а также кирпичных или деревянных ограждений протяженностью по периметру до 500 м с формированием защитного барьера высотой до 2,5 м.
К блоку обработки сигналов извещателя подключают чувствительный элемент в виде трех разнесенных между собой по высоте изолированных проводов (одного полезадающего и двух приемных). Провода чувствительного элемента закрепляют по стенам объекта с помощью изолированных опор.
Для создания условий устойчивой работы извещателя необходимо выполнять следующие правила:
- обеспечить надежное соединение несущих конструкций и обшивки объекта с контуром заземления;
- должны отсутствовать ветви деревьев и кустарников на расстоянии до 2 м от оконных проемов;
- должны отсутствовать параллельные линии ШС на расстоянии до 1 м от провода чувствительного элемента.
Извещатели пьезоэлектрические и ударно-контактные, предназначенные для блокировки строительных конструкций на разрушение или давление, формируют извещение о проникновении путем преобразования энергии упругих волн ультразвукового или звукового диапазона, возникающих при попытках разрушения блокируемой конструкции нарушителем.
Для надежной блокировки стен, пола, потолка на пролом с помощью извещателей поверхностных пьезоэлектрических вибрационных («Шорох», «Грань») извещатели необходимо устанавливать таким образом, чтобы они охватывали не менее 75 % блокируемой площади.
Извещатель ударно-контактный типа «Окно» в основном применяют для блокировки окон на разрушение стекла. Рекомендуемая установка - один датчик на полотно стекла площадью не более 4 м2.
Извещатели ударно-контактные и пьезоэлектрические особенно чувствительны к вибрационным помехам, вызываемых вибрациями строительных конструкций. Поэтому на объектах, подверженных таким помехам, эти извещатели применять не рекомендуется.
Извещатель акустический предназначен для дистанционного (неконтактного) обнаружения разрушения остекленных конструкций здания и элементов интерьера помещения.
Извещатель рекомендуется устанавливать на стене (на высоте не менее 2 м) или на потолке таким образом, чтобы все остекленные части блокируемой конструкции находились в пределах его зоны действия (угол обзора извещателя 90°).
При размещении извещателей в помещении на период охраны должны быть плотно закрыты все двери, окна, фрамуги, форточки, отключены вентиляторы, телефонные аппараты, громкоговорители, электрические звонки.
Во избежание потери чувствительности извещателей не допускается их маскирование.
Извещатель ультразвуковой, предназначенный для охраны объема закрытого помещения, формирует извещение о проникновении при возмущении поля упругих волн ультразвукового диапазона, вызываемых движением нарушителя в зоне обнаружения.
Для создания условий устойчивой работы ультразвуковых извещателей необходимо выполнять следующие правила:
- не применять извещатели в помещениях с уровнем акустических шумов выше 60 дБ;
- не устанавливать извещатели над батареями отопления, на подоконниках, вблизи оконных штор и комнатных растений, а также не допускать попадания этих предметов в зону обнаружения;
- производить прокладку соединительных линий извещателя на расстоянии не менее 0,75 м от электропроводок, кабелей и электроустановок. Допускается пересечение этих линий с силовыми цепями под прямым углом не более двух раз;
- вынести за пределы зоны обнаружения вибрирующие и крупногабаритные предметы, способные создавать «мертвые» зоны, или сформировать зону обнаружения таким образом, чтобы эти предметы в нее не попадали;
- закрывать на запоры двери, окна, форточки, фрамуги, люки, а также выключать вентиляционные и силовые переключающие установки, калориферы, телефоны, звонки, репродукторы и т.п. на период охраны;
- не допускать нахождения в охраняемом помещении животных и птиц;
- не размещать в одном помещении два и более извещателей или отрегулировать их таким образом, чтобы зоны обнаружения не пересекались при максимальной чувствительности.
Для блокировки витрин объемом от 0,03 до 1 м3 рекомендуется использовать извещатель ультразвуковой «Витрина».
На рисунке 14 приведен вариант блокировки помещения ультразвуковым извещателем.
Извещатель омический (алюминиевая фольга) применяют для блокировки от разбития конструкций из стекла, подверженных воздействию вибрационных и ударных помех.
Рекомендуемое применение - блокировка стеклянных конструкций, где не предъявляются повышенные требования к интерьеру (гаражи, хозяйственные постройки, торговые палатки и т.п.).
Блокировку алюминиевой фольгой производят посредством ее приклеивания по периметру стеклянного полотна.
Для защиты строительных конструкций - дверей, люков, ворот, некапитальных стен, перегородок и т.п. - на разрушение (пролом) используют провод типа НВМ сечением не более 0,2 мм2 или аналогичный по параметрам.
Указанный провод должен быть проложен по внутренней стороне строительных конструкций (по всей площади) параллельно контурным линиям (расстояние между проводами должно быть не более 200 мм) и закреплен скобами с шагом не более 200 мм. Под скобу необходимо подложить неразрезанную полихлорвиниловую трубку длиной 10 мм.
На рисунке 15 приведен вариант блокировки дверей (ворот) на открывание и на пролом.
Блокировка металлических решеток должна производиться обвиванием горизонтальных и вертикальных прутьев проводом с шагом витка 30 - 70 мм. В местах пересечения прутьев решетки проводом делают узел, который должен охватывать оба прута.
Решетки из металлических трубок следует блокировать пропусканием провода через все трубки.
Рисунок 15 - Вариант блокировки дверей (ворот) на открывание извещателями магнитоконтактными (выключателями конечными) и пролом проводом
В связи с ростом количества платных автостоянок становится актуальной проблема организации эффективного контроля и управления их работой. В настоящее время операцию въезда (выезда) и парковки транспортных средств решают в основном путем открытия (закрытия) охранником ворот, шлагбаума, что не соответствует современным требованиям.
Решение этой проблемы заключается в использовании системы КУД, которая позволяет освободить охранника от рутинной работы по идентификации владельцев автотранспорта, машин и их пропуску на территорию (с территории) стоянки.
В большинстве случаев система КУД автостоянки состоит из:
- набора карт-пропусков, выдаваемых автовладельцам либо прикрепляемых на автомобиле (обычно постоянным автовладельцам);
- считывателей - устройств, идентифицирующих автовладельца или его транспортное средство;
- исполнительных устройств, которыми могут быть электроприводы шлагбаумов, ворот любых типов;
- контроллера - электронного устройства, контролирующего работу считывателей, управляющего исполнительными устройствами и обеспечивающего доступ на территорию только при наличии постоянного, временного или разового электронного пропуска.
Контроллер обычно подключают к компьютеру, который позволяет обеспечить следующие дополнительные функции:
- автоматическую регистрацию даты, времени проезда (прохода), код пропуска;
- вывод на экран монитора пункта охраны информации о транспортном средстве и его владельце;
- постоянный вывод на экран монитора плана автостоянки для оперативного контроля заполнения парковочных мест;
- контроль за правильностью и своевременностью арендной платы. Если срок арендной платы истек, то сотрудник контрольно-пропускного пункта получит эту информацию и блокирует проход (проезд) через КПП;
- контроль состояния охранной сигнализации на объекте с отображением на плане автостоянки (в реальном масштабе времени) извещателя, выдавшего сигнал тревоги.
Таким образом, в любой момент можно быстро оценить обстановку на объекте и в случае внештатной ситуации принять максимально эффективные ответные меры.
В качестве карт-пропусков для постоянных владельцев автотранспорта рекомендуется использовать «proximity» карты, которые позволяют проводить идентификацию на расстоянии. При въезде на объект водителю не нужно подъезжать вплотную к считывателю или выходить из машины. «Proximity» системы имеют минимальную стоимость эксплуатационных расходов. Благодаря отсутствию физического контакта между картой и считывателем срок службы этих карт больше, чем других карт контактного типа.
Для идентификации автомобиля рекомендуется использовать специальные «proximity» карты-автотаги, которые крепят к днищу автомобиля. В полотно дороги при въезде на стоянку закладывают считывающую петлю. Автомобиль при подъезде к воротам или шлагбауму останавливают перед соответствующей разметкой на асфальте (над считывающей петлей), после чего происходит автоматическое считывание кода с автотага. Автотаг имеет прочный герметичный корпус, выдерживающий многолетнюю работу в сложных климатических условиях, а заложенная в асфальт проволочная антенна надежно защищена от повреждений.
На рисунке 16 представлен типовой вариант развертывания системы КУД на платной автостоянке. Количество въездов (выездов), пунктов оплаты определяется категорией и видом охраны автостоянки.
Алгоритм работы автоматической парковки следующий: владелец транспортного средства подъезжает к въездной стойке (контроллеру) и получает, например, разовый билет с нанесенным штрих-кодом. Билет фиксируется на въездной стойке. Открывается шлагбаум и автомобиль въезжает на стоянку. При этом фиксируется въезд автомобиля на стоянку и время начала парковки. Перед тем как покинуть стоянку, автовладелец оплачивает время парковки. В течение установленного времени он должен покинуть парковку, отметив на выезде (выездной стойке) оплаченный билет.
Кроме разовых билетов могут быть использованы и многоразовые карточки для постоянных автовладельцев: абонементные карты на определенный период, дебетные карты на определенную сумму стоимости парковки и т.п. В качестве постоянных карт рекомендуется использовать «proximity» или магнитные.
Для усиления охраны припаркованных автомашин, оборудованных сигнализацией с выводом тревожных сообщений на устройство дистанционного оповещения (пейджер), рекомендуется на время парковки оставлять на КПП указанное устройство в специально оборудованной ячейке. Это позволяет службе охраны автостоянки контролировать состояние охранной сигнализации автомобиля и оперативно реагировать на сигнал тревоги.
Рисунок 16 - Вариант развертывания системы КУД на автостоянке
Получить визуальную информацию о ситуации на охраняемом объекте либо о поведении и индивидуальных особенностях нарушителя позволяет только телевизионное изображение. Специфика задач, решаемых с помощью СОТ, делает их в некоторых случаях незаменимыми. Так, телевизионные камеры и мониторы, демонстративно установленные на объекте, могут отпугивать потенциальных преступников; скрытое наблюдение дает возможность оператору визуально контролировать ситуацию на объекте. Видеозапись позволяет получать документальный материал о происходящих событиях для последующего анализа или в качестве вещественного доказательства (идентифицировать личность нарушителя, определять номер автомобиля и т.п.). Очевидно, что СОТ могут выполнять некоторые функции охранных систем (например, обнаруживать факт проникновения нарушителя на охраняемый объект). Однако очевидно и то, что использование СОТ в таком качестве крайне неэффективно как с экономической, так и технической точек зрения (исключение может составлять охрана больших территорий и внешних периметров, оборудование которых охранными системами либо слишком дорого, либо технически неосуществимо).
Для усиления защиты объектов необходимо использовать современные технические средства СОТ, к техническим характеристикам которых предъявляются повышенные требования.
Рассмотрим основные характеристики технических средств СОТ, влияющие на качество изображения, и принципы их выбора.
Телевизионные камеры
Основными техническими характеристиками телекамеры являются: разрешение, рабочий диапазон освещенностей и отношение сигнал/шум.
Разрешение телекамеры, применяемой в охране объекта, должно быть не менее 450 телевизионных линий как для черно-белой, так и для цветной телекамеры. При таком разрешении расчет других технических характеристик должен быть проведен с учетом требований к необходимости обнаружения, различения или опознания (то есть степени распознавания) цели оператором на экране видеомонитора.
Связь степени распознавания цели с размером ее изображения на экране видеомонитора приведена в таблице 8.
Таблица 8
Размер изображения цели на экране видеомонитора и степень ее распознавания
|
Размер изображения цели от высоты экрана видеомонитора, % |
|
|
Обнаружение |
10 |
|
Различение |
60 |
|
Опознание |
120 |
Рабочий диапазон освещенностей телевизионной камеры должен быть шире (примерно на 10 %), чем диапазон освещенностей на объекте (сцене). При необходимости возможна организация дежурного освещения объекта (зон объекта) в темное время суток для сужения диапазона освещенностей. Все телекамеры, устанавливаемые на улице, должны быть оборудованы объективами с автодиафрагмой для нормальной работы в широком диапазоне освещенностей (от 0,1 лк ночью до 100000 лк в яркий солнечный день).
Отношение сигнал/шум телевизионной камеры должно быть не менее 50 дБ.
Все телекамеры, устанавливаемые на улице, должны работать при температуре окружающей среды от минус 40 до плюс 50 °С либо помещены в герметичные термокожухи, имеющие класс защиты не ниже IP65.
Устройства управления и коммутации
Чтобы облегчить работу оператора СОТ, необходимо использовать различные устройства управления и коммутации: последовательные переключатели, квадраторы, мультиплексоры, матричные переключатели. Рекомендуемые варианты использования устройств управления и коммутации в зависимости от количества телекамер в системе приведены в таблице 9.
Таблица 9
Использование устройств управления и коммутации
|
Рекомендуемый тип устройства |
|
|
1 |
Нет |
|
От 2 до 8 |
Последовательный переключатель, квадратор |
|
От 8 до 16 |
Мультиплексор |
|
Более 16 |
Матричный переключатель и мультиплексор, компьютер |
Основными техническими характеристиками устройств управления и коммутации являются: отношение сигнал/шум (не менее 60 дБ), перекрестные искажения вход/вход (не менее 45 дБ), разрешение (не менее 600 телевизионных линий или 750×500 пикселей).
Обнаружители движения
На объекте, где не должно быть никаких движений людей, даже в течение определенного времени (например, ночью), рекомендуется использовать обнаружители движения.
Используемый обнаружитель движения должен:
- программироваться на автоматический переход системы в определенное время из состояния наблюдения в состояние охраны;
- иметь несколько независимо настраиваемых зон обнаружения;
- иметь звуковое дублирование тревоги.
Основными техническими характеристиками обнаружителей движения являются: минимальный размер обнаруживаемой цели (не менее 10 % от размеров зоны обнаружения), минимальный контраст обнаруживаемой цели относительно фона (не более 5 %) и диапазон скоростей движения цели (от 0,3 до 3,0 м/с).
Видеонакопители
Для фиксации обстановки на охраняемом объекте рекомендуется использовать видеонакопители следующих типов:
- специальные видеомагнитофоны стандарта S-VHS;
- цифровые устройства записи (в том числе с использованием жесткого диска компьютера) с разрешением не менее 400 телевизионных линий.
Время записи в нормальном состоянии системы не должно превышать 24-х часов. При нахождении системы в состоянии тревоги запись должна производиться в реальном времени. Возможно ведение только «тревожной» записи, то есть ведение записи видеонакопителем только при извещении о тревоге. Рекомендуется для особо важных зон объекта предусмотреть режим оперативного отката (то есть просмотра ранее записанных изображений) на 1 - 5 с. Отношение сигнал/шум должно быть не менее 45 дБ.
Видеомониторы
Для наблюдения за обстановкой на охраняемом объекте должны быть использованы не менее двух видеомониторов. Для наблюдения оператором полноэкранного изображения от одной телекамеры рекомендуется использовать монитор с размером по диагонали не менее 14 дюймов, а для наблюдения полиэкранного изображения - не менее 17 дюймов.
Основными техническими характеристиками видеомониторов являются:
- разрешение - не менее 800 телевизионных линий (для черно-белого изображения), 450 телевизионных линий (для цветного изображения);
- максимальная яркость изображения. (Должна быть достаточной для нормальной видимости изображения в конкретных условиях работы);
- геометрические и нелинейные искажения изображения - не более 2 % от высоты экрана.
Не рекомендуется устанавливать видеомониторы напротив ярко освещенных окон или источников искусственного освещения. В помещении, где расположены видеомониторы, освещение не должно быть слишком ярким.
При проектировании СОТ особое внимание следует уделить составлению перечня помещений и территорий, которые необходимо оборудовать техническими средствами системы. В данный перечень рекомендуется включить:
- периметр территории охраняемого объекта;
- въездные ворота, контрольно-пропускной пункт;
- территорию объекта непосредственно перед главным и служебными входами;
- входные двери главного и служебных входов в здание.
При охране периметра территории объекта с помощью СОТ вдоль забора должна быть выделена зона отторжения (шириной не менее 2 м), свободная от посторонних предметов, деревьев, кустарников, высокой травы и других преград. Весь периметр разбивают на прямолинейные участки и определяют размеры (длину) контролируемых зон, исходя из требуемой степени распознавания цели. На каждом выделенном участке рекомендуется устанавливать две телекамеры (в начале и конце участка), направленные друг на друга. Такое расположение телекамер позволяет избежать образования «мертвой» зоны под каждой из телекамер. Каждая телевизионная камера может быть подключена к обнаружителю движения. Это позволит автоматизировать процесс обнаружения нарушителя. Для работы в ночное время необходимо обеспечивать дежурное освещение вдоль периметра либо применять инфракрасные прожекторы для подсветки цели (однако в этом случае будет невозможно использовать цветные телекамеры).
Схема размещения телекамеры для наблюдения за въездными воротами на объекте показана на рисунке 17.
Рисунок 17 - Схема размещения телекамеры для наблюдения за въездными воротами с помощью СОТ
Телекамера ТК 1, направленная на ворота, имеет зону обзора, чуть большую размеров ворот. Место установки телекамеры определяют ее параметрами. Данная телекамера может быть подключена к системе распознавания номеров автомобилей, что позволит автоматизировать процедуру пропуска автотранспорта на охраняемый объект. Так же, как и при организации охраны периметра, для работы телекамеры в темное время необходимо наличие дежурного освещения.
Территорию объекта перед главным входом рекомендуется защищать двумя телекамерами (см. рисунок 18).
Рисунок 18 - Схема размещения телекамер у главного входа в здание
Зоны обзора ТК 1 и ТК 2 выбирают и располагают таким образом, чтобы под наблюдением были особо опасная территория перед объектом (дорога, стоянка служебных машин и др.) и входная дверь главного входа. Если перед зданием проходит дорога и существует вероятность попадания фар транспортного средства в объектив телекамеры, необходимо устанавливать ее с функцией «инверсия белого» или с возможностью маскирования направлений сцены, откуда возможна засветка, средствами телевизионной камеры.
Для охраны открытых площадок (например, стоянок автомобилей) применяют телекамеру на поворотном (наклонном) устройстве и объектив с трансфокатором. Обзор всей площади автостоянки осуществляется при минимальном фокусном расстоянии объектива. При максимальном фокусном расстоянии возможно определение номера автомобиля, въезжающего (выезжающего) на стоянку (со стоянки). Телекамера может быть подключена к системе распознавания номеров автомашин. Схема охраны стоянки автомобилей приведена на рисунке 19.
Рисунок 19 - Схема охраны стоянки автомобилей
При организации видеоконтроля на автостоянках следует учитывать то, что в темное время въезд автомобиля на стоянку происходит с включенными фарами, на фоне которых номер автомобиля может стать неразличимым. Из этого положения есть два выхода:
- на въезде на автостоянку применять дежурное освещение, компенсирующее свет фар;
- использовать телекамеру с функцией «инверсия белого».
Существуют два способа ведения наблюдения: открытое (демонстративное) и скрытое. Как тот, так и другой способ имеют свои преимущества и недостатки и могут быть использованы при охране различных зданий и помещений, территорий объекта.
Открытое (демонстративное) наблюдение
Открытое (демонстративное) наблюдение применяют для отпугивания нарушителя от совершения противоправного действия. Телекамеры для ведения открытого наблюдения устанавливают, в основном, на подступах к охраняемому объекту (например, периметр территории, территория перед входом на объект и др.).
Телекамеры, используемые для открытого наблюдения, должны:
- иметь высокую степень защиты от несанкционированных действий;
- быть установлены в специальных кожухах, защищающих телекамеры от физического уничтожения;
- быть жестко закреплены на конструкциях объекта (стене, столбе и др.) для исключения возможности изменения ориентации камеры;
- быть расположены по возможности на большой высоте (4 - 5 м) для исключения воздействия нарушителя на телекамеру.
Провода, подводимые к телекамере (видео, питание, управление), должны быть помещены в металлорукав и жестко закреплены для исключения варианта их выдергивания или обрыва. Разводка кабеля на объекте должна быть выполнена в металлических трубах.
Скрытое наблюдение
Скрытое наблюдение применяют для негласного получения изображения из охраняемой зоны объекта. Телекамеры, используемые для скрытого наблюдения, устанавливают, в основном, на входных дверях помещений. Для этого применяют специальные миниатюрные бескорпусные и корпусные меры, не защищенные от климатических воздействий. Однако скрытое наблюдение можно организовать и на улице с помощью телевизионных камер, разместив их в непрозрачные для глаза кожухи, закамуфлированные, например, под светильники уличного освещения.
Монтаж телекамер, используемых для скрытого наблюдения, а также подводка проводов к ним должны быть выполнены тайно.
Домофоны сочетают в себе функции аудио- и видеоконтроля и управления доступом на объект. Домофоны позволяют абоненту (владельцу дома, квартиры, коттеджа), не подходя к входной двери, идентифицировать посетителя по изображению и (или) голосу, дистанционно выяснить все необходимое о посетителе и принять решение о его допуске в дом, подъезд, квартиру.
По виду (способу идентификации посетителей) домофоны подразделяются на аудиодомофоны и видеодомофоны.
Аудиодомофоны обеспечивают двухстороннюю аудиосвязь абонента с посетителем и позволяют идентифицировать посетителя по его голосу.
Видеодомофоны обеспечивают видеоконтроль наружного околодверного пространства, двухстороннюю аудиосвязь абонента с посетителем и позволяют идентифицировать посетителя по его изображению и голосу.
Особое место в видеодомофонных системах занимают так называемые видеоглазки, которые позволяют вести скрытое наблюдение посетителя.
По структуре (количеству обслуживаемых абонентов) различают индивидуальные, групповые и подъездные домофоны.
Индивидуальные (одноабонентские) домофоны позволяют обслуживать только одного абонента и применяют для защиты отдельных квартир, небольших офисов, загородных домов (коттеджей, дач и т.п.), а также могут быть установлены на постах охраны.
Групповые (малоабонентские) домофоны позволяют обслуживать небольшое количество абонентов (как правило, от двух до восьми) и применяются для защиты закрытых (имеющих один общий вход) приквартирных холлов, расположенных рядом коттеджей и домов на несколько семей, и т.п.
Подъездные (многоабонентские) домофоны позволяют обслуживать большое количество абонентов (от десятков до нескольких сотен) и применяются для защиты подъездов многоквартирных домов.
По способу связи с квартирами абонентов групповые и подъездные домофоны производят с прямой или кодовой адресацией.
Прямая адресация - каждому абоненту соответствует своя кнопка на блоке вызова (данные домофоны используют при количестве абонентов не более 20).
Кодовая адресация - номер вызываемого абонента набирают на цифровой клавиатуре.
Кодовая адресация, в свою очередь, реализуется следующими способами:
- координатно-матричный номер абонента определяется комбинацией кодов (проводной дешифратор). При количестве абонентов до 100 используют десятичную систему кодирования, при большем количестве абонентов (до 256) переходят к шестнадцатеричной системе. Недостатком этого способа является сложность монтажа, которая окупается высокой надежностью и простотой обслуживания системы;
- двухпроводный - адрес установлен («зашит») в абонентском устройстве. Преимуществом способа является простота монтажа (используется телефонный провод типа ТРП), а недостатками - большая стоимость и необходимость использования «развязок» для сохранения работоспособности системы при замыкании линии у одного из абонентов;
- малопроводный - дешифрация адреса осуществляется координатным коммутатором, который устанавливают на каждом этаже здания. К входу коммутатора подключают общую двухпроводную линию связи от блока вызова, а к выходам коммутатора - линии связи квартир. Недостатком способа является необходимость принятия дополнительных мер по вандалозащищенности коммутаторов.
Следует отметить перспективное применение беспроводной технологии для передачи аудио- и кодового сигналов (например, использование имеющихся в доме сетей переменного тока напряжением 220 В), что позволило бы устанавливать домофоны (не нарушая при этом созданный дизайн помещений) без прокладки дополнительных линий связи.
Групповые и подъездные домофоны, структурная схема которых представлена на рисунке 20, в общем случае состоят из:
- блока вызова;
- устройств абонентских;
- идентификатора;
- устройства запирающего;
- датчика выхода.
В состав системы могут входить дополнительно датчики закрытия двери, дверные доводчики, автоответчики (совместно с абонентскими устройствами) и т.д.
Блок вызова домофона работает в очень жестких эксплуатационных условиях (непрерывный цикл работы, большие перепады температур окружающей среды, повышенная влажность, акты вандализма), что обусловливает высокие требования к конструктивному исполнению и качеству изготовления оборудования.
Рисунок 20 - Структурная схема группового и подъездного домофонов
Самое уязвимое место блока вызова - клавиатура. Наряду с механическими, в современных домофонах применяют сенсорные пленочные и оптоэлектронные клавиатуры (набираемый код формируется при пересечении инфракрасных лучей, параллельных наборному полю). Использование сенсорных схем затруднено из-за проблем, связанных с разрядом статического электричества.
Устройство абонентское должно быть, с одной стороны, очень дешевым и доступным жильцам с минимальным достатком, с другой - иметь возможность функционального расширения, хорошо вписываться в интерьер помещения. Наиболее часто абонентское устройство конструктивно выполняют в виде телефонной трубки, позволяющей вести дуплексный акустический обмен (одновременно говорить и слушать как посетителю, так и абоненту).
Устройство запирающее должно сохранять свою работоспособность в тех же условиях эксплуатации, что и блок вызова, обеспечивая при этом беспрепятственный проход людей при пропадании электропитания, возникновении аварийных ситуаций и т.п. Установлено, что более половины вызовов, связанных с проведением ремонта домофонных систем и их обслуживанием, приходится на устранение поломок запирающего устройства. Нагрузка на замки, особенно в многоквартирных домах, слишком высока. Это приводит к быстрому изнашиванию механических узлов замка и выходу его из строя.
Указанный недостаток полностью отсутствует в запирающем устройстве нового типа - электромагнитном замке. Для запирания двери используется сильное магнитное поле притяжения между замком, устанавливаемым на косяке двери, и ферромагнитной пластиной, закрепленной на дверном полотне. Такая конструкция способна выдержать нагрузку до 650 кг, что вполне достаточно для надежного запирания двери. Запирающее устройство не имеет ни одной изнашивающейся детали и обладает высокой надежностью, а также способностью работать в самых неблагоприятных климатических и «вандальных» условиях. При пропадании напряжения в электросети дверь автоматически разблокируется, тем самым выполняются требования безопасности. Недостатком электромагнитного замка является его большая стоимость (ориентировочно 100 у.е.).
Обязательным условием надежной работы любого запирающего устройства является использование дверных доводчиков.
Идентификатор должен быть простым в эксплуатации, защищенным от копирования или подделки, воспроизводимым при утере, иметь высокую механическую прочность, небольшую стоимость.
Применение в качестве идентификатора кодонаборной клавиатуры имеет недостатки (возможность подглядывания и быстрое «расползание» кода, возможные ошибки при наборе кода, трудности при пользовании детьми и престарелыми людьми и т.д.). Однако полный отказ от использования этой клавиатуры невозможен из-за необходимости предоставить доступ для представителей аварийных служб, скорой помощи, милиции и т.д. (Обычно жильцы пользуются индивидуальными идентификаторами, а кодовый доступ оставлен для «аварийных» ситуаций).
В современных домофонах применяют следующие типы идентификаторов:
- резистивный ключ - пластмассовая пластина специальной формы с запрессованным резистором;
- оптический ключ - металлическая пластина толщиной 1 мм с кодовой комбинацией в виде отверстий;
- карточку магнитную, снабженную магнитной полосой, на которой записан код;
- карточку со штриховым кодом с цветовыми полосами, представляющими собой кодовую последовательность, которую наносят на поверхность карточки при ее изготовлении;
- карту Виганда, содержащую внутри себя короткие тонкие металлические проволочки, зафиксированные клеем в определенном порядке и представляющие собой кодовую комбинацию;
- карточку бесконтактную («Proximity»), имеющую встроенную микросхему (чип) с записанной в ней информацией, считываемой радиочастотным способом на расстоянии от 50 до 900 мм (для автомобильных идентификаторов данного типа расстояние считывания достигает 2 м);
- электронный ключ «Touch Memory», выполненный в виде брелочка, имеющего встроенную микросхему (чип) с записанной в ней кодовой информацией, считываемой при касании ключом считывателя.
При выборе типа идентификатора предпочтение следует отдавать карточкам «Proximity» и ключам «Touch Memory». Для малообеспеченных граждан рекомендуется использовать оптический ключ.
Датчик выхода предназначен для выдачи сигнала о необходимости разблокирования запирающего устройства при выходе человека из дома. В домофонах, имеющих низкую стоимость, в качестве датчиков выхода применяют простые электроконтактные кнопки, которые создают затруднения при выходе из дома с занятыми руками. В дорогих моделях домофонов используют оптико-электронные и емкостные датчики, позволяющие открывать запирающее устройство при приближении к двери с внутренней стороны дома.
По виду (способу идентификации посетителей) домофоны подразделяются на аудиодомофоны и видеодомофоны.
Аудиодомофон является более дешевым по цене и доступным для широких слоев населения устройством. Хотя оно и позволяет организовать только аудиосвязь абонента с посетителем, в большинстве случаев этого бывает достаточно. Поэтому при отсутствии у абонента повышенных требований к обеспечению собственной безопасности рекомендуется применять аудиодомофон.
Видеодомофон, являясь дорогостоящим устройством, обеспечивает более высокий уровень безопасности абонента, чем аудиодомофон, так как позволяет получить дополнительно телевизионное изображение посетителя, вести видеоконтроль наружного околодверного пространства, двухстороннюю аудиосвязь абонента с посетителем и идентифицировать посетителя по его голосу. Современный видеодомофон может запоминать изображения нескольких последних посетителей (как правило, до шестнадцати) и (или) иметь выход на видеомагнитофон для записи каких-либо событий. Некоторые видеодомофоны позволяют использовать обычный телевизор в качестве видеомонитора: при поступлении вызова телевизор автоматически (или вручную) переходит в режим видеодомофона, а после окончания переговоров - в обычный режим работы.
При выборе домофона следует обращать особое внимание на наличие:
- климатической устойчивости, прежде всего диапазона рабочих температур, который должен быть для некоторых блоков (например блока вызова, электрозамка, доводчика двери) от минус 40 до плюс 45 °С;
- устойчивости к вандализму;
- устойчивости к нестабильному питанию;
- возможности резервирования по электропитанию;
- российского сертификата соответствия;
-технических условий, по которым производится предлагаемая продукция;
- обязательной полной эксплуатационной документации с монтажными схемами на русском языке;
- доступной цены за оборудование, монтаж и техническую эксплуатацию;
- гарантийного и послегарантийного обслуживания оборудования и возможности закупки ремонтных ЗИП и отдельных модулей для эксплуатационного запаса.
При необходимости вести скрытое наблюдение за посетителем применяют видеоглазок. Он представляет собой комплект из миниатюрной камеры и специального объектива, который снаружи выглядит как обычный дверной глазок. Для работы в условиях полной темноты или слабой освещенности используют специальные ИК-прожекторы типа «болт», замаскированные под шляпку гвоздя на обивке двери или дверной коробке. Изображение видеоглазка может быть выведено на монитор с большим экраном, что позволяет получить достаточно качественное изображение. Для осуществления двухсторонней связи с посетителем видеоглазок применяют совместно с аудиодомофоном.
Видеоглазок для установки на входную дверь (уличную) должен выдерживать температуру окружающей среды от минус 40 до плюс 45 °С.
Видеоглазок с объективом «pin-hole», имеющим отверстие 0,8 - 2,0 мм, используют, как правило, в качестве дополнительной камеры для контроля пространства, не просматриваемого основной камерой видеодомофона (например, сбоку от входной двери, за углом на лестнице и т.п.). Такие камеры можно монтировать в дверной косяк или в стену под обои (см. рисунки 21, 22).
Рисунок 21 - Вариант установки видеоглазка в дверном косяке
Рисунок 22 - Вариант установки видеоглазка в стене
Представим некоторые варианты размещения видеоглазков для различного расположения объекта.
На рисунке 23а представлена обычная установка видеоглазка (ТК 1) в дверь (деревянную, металлическую) вместо обычного дверного глазка. Недостатком такого способа является наличие «мертвой» зоны справа и слева от двери. Его можно устранить путем:
- увеличения угла зрения ТК 1 (до 200°);
- установки дополнительной скрытой камеры ТК 2 в стене рядом с дверью охраняемой квартиры.
Нарушитель может находиться за углом на лестнице, поэтому проживающему лицу при выходе из квартиры необходимо видеть указанную часть лестничной площадки. Для этого рекомендуется (вместе с обычно установленной ТК 1) применять установленную скрыто в стене ТК 2, направленную на лестницу (см. рисунок 23б). Это дает возможность лицу, выходящему из квартиры, посмотреть и на лестничную площадку, оценить обстановку и принять необходимые меры (например, вызвать милицию).
Рисунок 23 - Обзор пространства с помощью дополнительной камеры:
а) сбоку от входной двери; б) лестничного пролета
При организации автономной охраны на охраняемом объекте следует устанавливать ППК малой емкости с подключенными ШС. Вывод сигнала тревоги осуществляется только на внешние оповещатели. Для привлечения внимания работников милиции, охраны, населения при срабатывании ППК служат звуковая и световая сигнализации.
В качестве световых оповещателей рекомендуется использовать лампы накаливания, неоновые лампы, светодиодные индикаторы, а в качестве звуковых оповещателей - различные звонки и сирены. Оповещатели должны быть установлены в местах, удобных для визуального и звукового контроля (наружные стены, межоконные пространства, тамбуры). Электрическая мощность оповещателей не должна превышать 25 ВА, а сила звука звукового оповещателя составлять не менее 90 дБ.
Установку ППК необходимо осуществлять в местах, защищающих прибор от механических повреждений и вмешательства в его работу посторонних лиц, или в запираемых металлических шкафах. Не допускается устанавливать ППК в сгораемых шкафах, а также на расстоянии менее 1 м от отопительных приборов. При установке ППК, а также оповещателей на деревянных стенах между корпусом и стеной следует устанавливать прокладку из металлического листа или другого несгораемого материала. Металлические корпуса приборов должны быть заземлены.
На объектах, где возможно отсутствие владельцев в течение длительного времени, рекомендуется устанавливать самовосстанавливающиеся ППК, которые после срабатывания (например, по ложному сигналу) через определенное время могут переходить автоматически из тревожного состояния обратно в дежурный режим и фиксировать сигнал тревоги в своей памяти.
При большом количестве автономно охраняемых объектов, сосредоточенных на ограниченной территории (например, отдельные строения в дачном или садоводческом кооперативе, боксы в ГСК и т.п.), рекомендуется организовывать охрану и вывод тревожных извещений следующими способами:
· 1 способ - на охраняемом объекте отсутствует ППК. Тревожные извещения с объекта непосредственно передаются на ППК средней или большой емкости, установленный в пункте автономной охраны объекта. Указанный пункт рекомендуется располагать в помещениях, занятых консьержами, сторожами, КПП, службами эксплуатации домов и т.п. На объекте следует применять только извещатели омические, магнитоконтактные, а также извещатели, питающиеся по ШС ППК, указанные в таблицах 2, 4, 5.
К недостаткам указанного способа относятся:
- отсутствие предварительного контроля владельцем за состоянием ШС охраняемого объекта при его закрытии, так как взятие под охрану возможно только с пункта автономной охраны объекта;
- возможность проникновения нарушителя на охраняемый объект в промежуток времени между закрытием объекта и его взятием под охрану;
· 2 способ - на охраняемом объекте установлен ППК (оконечное устройство). Тревожные извещения с объекта сначала поступают на этот прибор, а затем с него передаются на ППК средней или большой емкости, установленный в пункте автономной охраны объекта. На объекте следует применять извещатели, указанные в таблицах 2, 4, 5.
К преимуществам указанного способа относятся:
- наличие предварительного контроля состояния ШС охраняемого объекта при его закрытии по состоянию выносных оповещателей;
- оптимальная блокировка всех уязвимых мест объекта с помощью применения различных извещателей;
- невозможность перевзятия объекта с пункта автономной охраны без переключения ППК, установленного на охраняемом объекте.
К недостаткам указанного способа относятся:
- необходимость постоянного наличия на охраняемом объекте сетевого и (или) резервного электропитания;
- необходимость отопления при использовании некоторых типов ТСО.
При выборе ППК средней или большой емкости предпочтение следует отдавать прибору, работающему по двух-, четырехпроводным линиям связи или сети переменного тока. Количество выбранных ППК и их емкость определяют количеством охраняемых объектов (ШС).
Совмещенную охрану объекта организуют следующим образом:
1. Рубежи сигнализации подключают к установленным на объектах ППК или оконечным устройствам, с которых, аналогично пункту 19 настоящих Рекомендаций, затем выводят на ППК средней, большой емкости или СПИ, размещенные в микро-ПЦО (пункте автономной охраны).
2. Передача тревожного извещения с микро-ПЦО (пункта автономной охраны) в ПЦО осуществляется с помощью:
- телефона или радиостанции;
- традиционных абонентских линий СПИ;
- радиоканала РСПИ;
- специально проложенных линий.
Примерные схемы оборудования объекта ТСО приведены в Приложении Н.
Связь микро-ПЦО с ПЦО с помощью телефона или радиостанции
В микро-ПЦО или пункте автономной охраны могут быть установлена ППК средней, большой емкости или СПИ, осуществляющие контроль ШС охраняемого объекта.
Структурная схема организации охраны по этому варианту приведена на рисунке 24.
Рисунок 24 - Структурная схема связи микро-ПЦО с ПЦО с помощью телефона или радиостанции
При получении извещения о тревоге с охраняемого объекта дежурный оператор микро-ПЦО передает информацию на ПЦО по телефону или рации. Дежурный ПЦО, получив это извещение, передает соответствующие распоряжения группе задержания (ГЗ).
Связь микро-ПЦО с ПЦО с помощью традиционных абонентских линий СПИ
В микро-ПЦО могут быть установлены ППК средней, большой емкости или СПИ, способные передавать автоматически групповое извещение о тревоге с любого объекта в ПЦО. После получения этого извещения с микро-ПЦО, дежурный ПЦО передает соответствующие распоряжения ГЗ. Для определения конкретного объекта, на котором произошло нарушение, ГЗ необходимо сначала прибыть в микро-ПЦО или пункт автономной охраны, получить информацию о месте нарушения, после чего направиться на указанный объект.
Структурная схема организации охраны по этому варианту приведена на рисунке 25.
Рисунок 25 - Структурная схема связи микро-ПЦО с ПЦО с помощью традиционных абонентских линий СПИ
Для передачи группового сигнала по занятой телефонной линии применяют аппаратуру уплотнения типа «Атлас», которая может быть установлена как в микро-ПЦО, так и непосредственно около телефона (см. рисунок 26).
При невозможности прокладки ШС от охраняемого объекта до микро-ПЦО или пункта автономной охраны следует применять ППК, работающие с радиоканальными извещателями. Установка указанного типа ППК малой емкости в квартире, а извещателя в припаркованном около дома (гараж-«ракушка» и т.п.) автомобиле позволяет его владельцу организовать охрану автомобиля. (Извещатель или радиобрелок подключают к установленной на автомобиле сигнализации). При этом ППК выполняет роль приемника, а извещатель - передатчика.
Рисунок 26 - Структурная схема организации связи с помощью аппаратуры уплотнения телефонных линий
При организации такого вида охраны необходимо выполнять следующие основные условия:
- охраняемый автомобиль должен быть всегда припаркован в одном и том же месте. Расстояние между автомобилем и ППК определяется применяемой аппаратурой;
- кроме электронной сигнализации, на автомобиле должна быть установлена механическая защита, обеспечивающая устойчивость к взлому на время, необходимое для прибытия ГЗ (обычно не более 3 мин).
На рисунке 27 приведена структурная схема организации охраны припаркованного к дому автомобиля.
Рисунок 27 - Структурная схема организации охраны автомобиля
Связь микро-ПЦО с ПЦО с помощью радиоканала РСПИ
Указанный вариант отличается от предыдущего тем, что передача группового сигнала с ППК осуществляется с помощью радиоканала РСПИ.
Структурная схема организации охраны по этому варианту приведена на рисунке 28.
Рисунок 28 - Структурная схема связи микро-ПЦО с ПЦО с помощью радиоканала РСПИ
Связь микро-ПЦО с ПЦО с помощью специально выделенных абонентских или проложенных линий
Структурная схема организации канала связи по этому варианту приведена на рисунке 29.
Указанный вариант позволяет организовать централизованную охрану нетелефонизированных объектов с помощью СПИ. Для этого необходимо устанавливать: на объектах оконечные устройства СПИ, в микро-ПЦО или пунктах автономной охраны - ретрансляторы, в ПЦО пульты централизованного наблюдения (ПЦН). Связь ретрансляторов с ПЦН осуществляется по специально выделенной линии или аналогично с традиционным построением централизованной охраны.
Рисунок 29 - Структурная схема связи микро-ПЦО с ПЦО с помощью специально выделенных абонентских или проложенных линий
20.2. Каналы и линии связи между микро-ПЦО и объектами
Организация каналов связи с нетелефонизированных объектов до микро-ПЦО является одной из важных задач. В зависимости от типа установленных ППК и СПИ между микро-ПЦО и объектами прокладывают радиальные, адресные линии связи или используют существующие линии электросети. Прокладка линий связи требует значительных затрат и времени.
Радиальные линии связи обеспечивают непосредственное соединение определенного объекта с конкретным входом ППК или СПИ, установленных в микро-ПЦО (например, «Сигнал-20», «Атлас-2М1», «Фобос»).
Адресные линии связи обеспечивают соединение всех объектов с ППК, установленными в микро-ПЦО (например, «Виста», «Адрес», «Рубеж-07-3») с помощью двух- или четырехпроводной линии. Для связи объектов с ППК, установленными в микро-ПЦО, могут быть использованы стандартные интерфейсы (например, RS485).
Схема охраны объектов с помощью ППК, имеющими стандартный интерфейс связи RS485, показана на рисунке 30.
При установке ППК «Сеть» в микро-ПЦО используют линии сетей переменного тока 220 В.
Схемы охраны объектов с помощью ППК «Сеть» показаны на рисунках 31, 32.
Рисунок 30 - Схема охраны объектов с помощью ППК, имеющих стандартный интерфейс связи RS485
Рисунок 31 - Схема охраны объектов с помощью ППК «Сеть» при электропитании объектов от одного трансформатора
Перед установкой на объекте аппаратуры, работающей по сети переменного тока, рекомендуется произвести контрольные замеры уровня сигнала со всех мест предполагаемой установки устройств оконечных до ППК. (Уровень сигнала должен соответствовать техническим требованиям на аппаратуру).
Схема, приведения на рисунке 31, приемлема для большинства существующих объектов (дачные, садоводческие и коттеджные поселки, ГСК и т.д.). Если устройства оконечные объектовые (УОО) подключены к разным фазам сети, то все фазы необходимо соединить с помощью модуля соединителя фаз (МСФ),
При возможности выбора фазы сети на объекте оконечные устройства рекомендуется подключать к одной фазе. В этом случае подключать МСФ не требуется.
Максимальное расстояние от устройства оконечного пультового (УОП) до УОО по длине провода сети может составлять 400 м (для воздушной линии до 0,8 км).
При организации охраны объектов с помощью ППК «Сеть» при электропитании этих объектов от двух трансформаторов или от двух вводов одного трансформатора (см. рисунок 32) необходимо связать сети разных трансформаторов (вводов) с помощью специальной линии между УОП и УОО, подключенным к сети другого трансформатора. (Максимальное расстояние от УОП до УОО по длине провода сети с учетом длины специальной линии может составлять 300 м.) Модуль соединителя фаз подключают к обеим сетям.
Рисунок 32 - Схема охраны объектов с помощью ППК «Сеть» при электропитании объектов от двух трансформаторов
Устройство оконечное пультовое должно быть подключено к сети 220 В.
Для организации централизованной охраны объектов рекомендуется применять радиосистемы передачи извещений (РСПИ) с контролируемым каналом связи или специализированные СПИ типа «Ахтуба».
При развертывании РСПИ на объектах необходимо выполнять следующие требования:
- расстояние до охраняемых объектов не должно превышать дальности действия передатчика. При большем удалении объекта от ПЦО рекомендуется использовать узконаправленные антенны или ретрансляторы;
- максимальная дальность действия РСПИ типа «Струна» должна составлять 5 км (при использовании узконаправленных антенн - до 15 км), РСПИ «Иртыш-3Р» - до 20 км;
- на объекте должно быть установлено объектовое оборудование радиосистемы, а на ПЦО - пульт РСПИ с комплектом антенно-фидерного оборудования;
- не рекомендуется устанавливать приемник РСПИ вблизи от устройств, которые могут создавать радиопомехи (выключатели, лампы дневного света, сварочные трансформаторы, линии высокого напряжения, компьютеры и т.п.);
- внешние антенны, которые должны быть заземлены, следует устанавливать выше окружающих предметов не менее чем на 1 м. Не допускается монтаж антенн в железобетонных зданиях, металлических сооружениях,
В радиусе не менее 2 м от передающей антенны не должно быть металлических конструкций.
При установке антенны внутри помещения следует использовать антенну специальной конструкции.
Приемная антенна ПЦО должна быть расположена на крыше или специальной мачте на высоте не менее 15 м от уровня земли. При проведении монтажных работ недопустимо оставлять излишек антенного кабеля, а также свертывать его в бухту.
Схема централизованной охраны объектов по радиоканалу с помощью РСПИ типа «Струна» приведена на рисунке 33. По радиоканалу можно организовать охрану до 160 (в перспективе до 800) объектов с помощью радиосистем «Струна-3» и «Струна-3М».
Рисунок 33 - Схема централизованной охраны объектов по радиоканалу с помощью РСПИ типа «Струна»
Для увеличения дальности действия РСПИ типа «Струна» рекомендуется использовать ретранслятор РТ 20, который работает с 20 устройствами объектовыми РСПИ. Кроме того, ретранслятор имеет два ШС: один для блокировки помещения, в котором он установлен, второй - для контроля целостности корпуса. Располагая ретранслятор на краю зоны уверенного приема, дальность действия системы увеличивается в два раза при высоте подъема антенны на 20 м и в три раза - при высоте подъема антенны на 30 м.
На рисунке 34 приведена структурная схема РСПИ «Иртыш-3Р». В приведенном случае РСПИ позволяет организовать охрану до 1000 объектов. Из схемы видно, что блок 1 («Иртыш-324») осуществляет двухстороннюю связь с ПЦО по радиоканалу; блок 2 («Иртыш-324») выполняет функции ретранслятора; блок 3 («Иртыш-324») принимает команды от ПЦО, а свое состояние передает через ретранслятор; блок 4 («Иртыш-324») осуществляет двухстороннюю связь с ПЦО и передачу принятых сообщений от блоков 5 («Иртыш-112»). Кроме того, блок 6 («Иртыш-424Л») обеспечивает контроль до 3 ШС, осуществляет прием по двухпроводной линии связи извещений от блоков 7 («Иртыш-112Л») и транслирует принятую информацию на пульт.
Рисунок 34 - Структурная схема РСПИ «Иртыш-3Р»
Для организации централизованной охраны таких объектов, как квартиры, домовладения в малотелефонизированных районах, рекомендуется использовать автоматизированную СПИ «Ахтуба», которая позволяет организовать охрану до 32000 объектов. При этом для охраны каждых 16 близкорасположенных объектов требуется одна занятая телефонная линия.
Структурная схема автоматизированной СПИ «Ахтуба» для организации охраны 16 объектов приведена на рисунке 35.
На объектах устанавливают устройства оконечные (УО), которые соединяют двухпроводной линией с фильтром абонентским (ФА). Этот фильтр передает информацию о состоянии 16 УО по занятой телефонной линии на концентратор, установленный на кроссе АТС. Затем информация с концентратора поступает в ПЦН по выделенной линии через модем.
Рисунок 35 - Структурная схема АСПИ «Ахтуба» для организации охраны 16 объектов
Размещение и монтаж технических средств сигнализации, выбор проводов и кабелей для ШС и соединительных линий следует проводить в соответствии с Пособием к РД 78.145-93, технической документацией на применяемое изделие, ПУЭ и с требованиями настоящего раздела.
Следует помнить, что при длине электропроводки* более 50 м для борьбы с электромагнитными помехами необходимо использовать экранированные кабели и провода, витые пары. (Экран должен быть заземлен в одной точке на одном из концов провода).
* Электропроводка - это ШС, линии связи и низковольтные цепи питания постоянного тока ТСО.
Сечение (диаметр) проводника выбирают исходя из длины электропроводки и тока нагрузки. Кроме того, выбор вида электропроводки, провода, кабеля, трубы, короба и способа их прокладки необходимо осуществлять с учетом требований электро- и пожарной безопасности.
Прокладка электропроводки по стенам объекта с внешней стороны или по периметру территории должна быть выполнена скрытым способом или в металлических трубах, коробах.
Металлические трубы, короба должны быть заземлены!
Прокладку электропроводки между охраняемыми объектами, микро-ПЦО, пунктом охраны следует производить в канализационных каналах или траншеях. Воздушную проводку рекомендуется применять только при наличии молниеотводов и защиты электропроводов от преднамеренного вывода из строя.
При параллельной прокладке электропроводок и цепей питания 220 В переменного тока расстояние между ними должно быть не менее 0,5 м. При пересечении цепей питания 220 В переменного тока электропроводки следует защищать резиновыми или полихлорвиниловыми трубками, концы которых должны выступать на 4 - 5 мм с каждой стороны перехода.
Прокладка электропроводки по стенам внутри охраняемого объекта должна быть произведена на расстоянии не менее 0,1 м от потолка и, как правило, на высоте не менее 2,2 м от пола. При прокладке электропроводки на высоте менее 2,2 м от пола должна быть предусмотрена механическая защита (короба, трубы) ее от повреждений.
Примечание - Не допускается устанавливать пластмассовые трубы и короба в помещениях с температурой окружающей среды ниже минус 20 и выше плюс 60 °С.
На таких объектах, как гаражный кооператив, хозяйственная постройка, электропроводку рекомендуется монтировать только в металлической трубе.
Провода и кабели в трубах, коробах должны находиться в свободном состоянии, без натяжения. Суммарное сечение проводов, кабелей, рассчитанное по их наружным диаметрам, не должно превышать 30 % от внутреннего диаметра трубы, 35 % внутреннего сечения глухих коробов и 40 % для коробов с открываемыми крышками.
Примечание - Не допускается прокладывать провода, кабели цепей питания 220 В переменного тока в одной трубе, коробе совместно с электропроводками.
При использовании стандартного интерфейса RS485 в качестве линии связи ее монтаж между приборами должен осуществляться следующим образом: сигнальных проводов - витой парой; возвратного провода (объединяет логические нули приборов) - проводом любой марки. (Логический ноль прибора должен быть заземлен!) Разность потенциалов логических нулей приборов относительно «земли» должна быть не более 1 В.
Примечание - В качестве линии связи интерфейса запрещается использовать свободные пары в любом низковольтном кабеле.
Прокладку линии связи интерфейса на объекте рекомендуется производить в металлических трубах, коробах по стенам, ограждению объекта, в земле. Прокладку линии связи интерфейса воздушным способом по столбам допускается производить только при обеспечении требований грозозащиты.
Обеспечение электроснабжением ТСО должно соответствовать требованиям СНиП 2.04.09-84 и РД 78.143-92. Электропитание ТСО рекомендуется осуществлять от сети переменного тока с автоматическим переключением на источник резервного питания в аварийном режиме.
Резервный источник питания должен обеспечивать работу ТСО в течение не менее 24 ч в дежурном режиме и не менее 3 ч в режиме тревоги.
По согласованию с УВО, ОВО допускается следующее время работы от резервного источника питания:
- в течение не менее 4 ч в дежурном режиме и не менее 1 ч в режиме тревоги (в городах и поселках городского типа);
- в течение не менее 12 ч в дежурном режиме и не менее 2 ч в режиме тревоги (в сельских районах);
- в течение не менее 24 ч в дежурном режиме и не менее 3 ч в режиме тревоги (в труднодоступных районах).
Рекомендуемые для питания ТСО источники постоянного тока приведены в таблице 10.
Аккумуляторные батареи, как правило, должны быть размещены в специальных помещениях на стеллажах или полках шкафа в соответствии с требованиями ТУ 45-4-ДО.610.236-87 в поддонах, стойких к воздействию агрессивных сред.
Свинцовые аккумуляторы (емкостью не более 72 А·ч) и щелочные аккумуляторные батареи (емкостью не более 100 А·ч и напряжением до 60 В) могут быть установлены в общих невзрыво- и непожароопасных помещениях в металлических шкафах с обособленной приточно-вытяжной вентиляцией.
На объекте с длительным отсутствием владельца (гараж, дача, коттедж) рекомендуется использовать аккумуляторы, емкость которых обеспечивала бы работу (ток потребления) ТСО в дежурном режиме без подзарядки на весь период отсутствия владельца объекта.
При отсутствии на объекте отапливаемых помещений, для соблюдения температурного режима в них необходимо устанавливать аккумуляторы в непромерзающих сооружениях (погребах, подвалах и т.п.).
При длительном отсутствии (более 24 ч) сетевого напряжения питания в микро-ПЦО, пункте автономной охраны рекомендуется использовать бензиновые или дизельные электрогенераторы.
Для надежной работы ТСО, особенно извещателей, контролирующих периметр территории, требуется заземление. Заземляющее устройство должно быть устроено в соответствии с требованиями эксплуатационной документации на ТСО и ПУЭ. Заземлению подлежат ТСО с напряжением питания переменного тока, превышающего 42 В, и постоянного тока более 110 В, установленных в помещениях с повышенной опасностью и особо опасных, а также в наружных установках.
Таблица 10
Источники постоянного тока
|
Особенности |
Наименование |
Характеристики |
|
|
Питание ППК, извещателей |
Резервированные источники питания со встроенным аккумулятором |
РИП-12 |
Напряжение 12 В, ток 2 A. Аккумулятор 7 А·ч. Температура от плюс 1 до 40 °С |
|
РИП-24 |
Напряжение 24 В, ток 2 А. Аккумуляторы (2 шт.) по 7 А·ч. Температура от плюс 1 до 40 °С |
||
|
«Скат-1200Д» |
Напряжение 12 В, ток 5 А Аккумулятор 7 А·ч. Температура от минус 10 до плюс 40 °С |
||
|
«Скат-2400М» |
Напряжение 24 В, ток 2 А Аккумуляторы (2 шт.) по 4,5 А·ч. Температура от минус 10 до плюс 40 °С |
||
|
«Скат-2412» |
Напряжение 24 В (12 В), ток 2 А (0,5 А). Аккумуляторы (2 шт.) по 7 А·ч. Температура от минус 10 до плюс 40 °С |
||
|
Питание извещателей |
Малогабаритные источники питания с возможностью подключения резервного питания |
МИП-Р |
Напряжение 12 В, ток 0,05 А. Температура от минус 30 до плюс 40 °С |
|
МИП-Р-1 |
Напряжение 12 В, ток 0,16 А. Температура от минус 30 до плюс 40 °С |
||
|
Малогабаритный источник питания со встроенным аккумулятором |
МБП-12 |
Напряжение 12 В, ток 0,15 А. Аккумулятор 0,25 А·ч. Температуре от минус 30 до плюс 40 |
(Заземление не требуется при напряжении питания до 42 В переменного тока и до 110 В постоянного тока). Необходимо заземлять металлические корпуса ППК, сигнально-пусковых устройств и приборов управления. Сопротивление заземляющего устройства должно быть не более 4 Ом.
Заземляющие устройства состоят из заземляющих проводников и электродов заземления. В качестве проводника следует использовать:
- сталь полосовую 40×4 или 40×6 мм;
- сталь арматурную стержневую диаметром от 10 до 16 мм;
- проволоку стальную оцинкованную диаметром не менее 6 мм;
- изолированный проводник для заземления аппаратуры сечением не менее 1,5 мм2 (для меди) и не менее 2,5 мм2 (для алюминия).
В качестве электрода следует использовать:
- сталь угловую 50×50×5 или 63×63×6 мм;
- стержень из круглой стали диаметром от 10 до 16 мм;
- сталь полосовую 40×4 или 40×6 мм.
Допускается использовать естественные заземляющие устройства:
- водопроводные и другие металлические трубопроводы (за исключением трубопроводов горючих жидкостей, горючих или взрывчатых газов и смесей), проложенные в земле;
- металлические и железобетонные конструкции зданий и сооружений, находящиеся в соприкосновении с землей;
- обсадные трубы скважин;
- свинцовые оболочки кабелей, проложенные в земле.
Примечание - Алюминиевые оболочки кабелей в качестве естественных заземлителей применять нельзя!
В сухих помещениях без агрессивных сред заземляющие проводники прокладывают по стенам, в остальных помещениях - на расстоянии не менее 10 мм от стен.
Технические средства охраны должны быть подключены к заземлению с помощью отдельного ответвления. Последовательное включение ТСО в заземляющий проводник недопустимо!
Для уменьшения взаимного влияния заземляющих устройств на периметре территории рекомендуется располагать эти устройства не ближе 40 м друг от друга.
На рисунке 36 приведены два самых распространенных варианта заземляющих устройств. Глубина установки заземляющих электродов определяется глубиной промерзания грунта и должна быть не менее 0,7 м.
Рисунок 36 - Варианты вертикального и горизонтального заземлителей
На рисунке 37 приведен вариант линейного комбинированного заземлителя. Количество заземляющих электродов определяется мощностью ТСО, требуемой величиной сопротивления заземлителя, характеристиками грунта. На местности с большим удельным сопротивлением грунта рекомендуется применять многорядные комбинированные заземлители. Подсоединение заземляющих проводников и шин к ним должно быть произведено в середине их горизонтальной части.
Рисунок 37 - Схема линейного комбинированного заземлителя
1. ГОСТ Р 50775-95. Системы тревожной сигнализации. Часть 1. Общие требования. Раздел 1. Общие положения.
2. ГОСТ Р 50776-95. Системы тревожной сигнализации. Часть 1. Общие требования. Раздел 4. Руководство по проектированию, монтажу и техническому обслуживанию.
3. ГОСТ Р 5089-97. Замки и защелки для дверей. Технические условия.
4. ГОСТ Р 51072-97. Двери защитные. Общие технические требования и методы испытаний на устойчивость к взлому и пулестойкость.
5. ГОСТ Р 51136-98. Стекла защитные многослойные. Общие технические условия.
6. ГОСТ Р 51241-98. Средства и системы контроля и управления доступом. Классификация. Общие технические требования. Методы испытаний.
7. ГОСТ Р 51242-98. Конструкции защитные механические и электромеханические для дверных и оконных проемов. Технические требования и методы испытаний на устойчивость к разрушающим воздействиям.
8. РД 78.143-92. Системы и комплексы охранной сигнализации. Элементы технической укрепленности объектов. Нормы проектирования. - М.: НИЦ «Охрана», 1992.
9. РД 78.145-93. Системы и комплексы охранной, пожарной и охранно-пожарной сигнализации. Правила производства и приемки работ. - М.: НИЦ «Охрана», 1993.
10. РД 78.145-93. Пособие к руководящему документу. - М.: НИЦ «Охрана», 1995.
11. РД 78.146-93. Инструкция о техническом надзоре за выполнением проектных и монтажных работ по оборудованию объектов средствами охранной сигнализации. - М.: НИЦ «Охрана», 1993.
12. РД 78.147-93. Единые требования по технической укрепленности и оборудованию сигнализацией охраняемых объектов. - М.: НИЦ «Охрана», 1993.
13. РД 78.148-94. Защитное остекление. Классификация, методы испытаний, применение. - М.: НИЦ «Охрана», 1994.
14. Р 78.36.002-99. Выбор и применение телевизионных систем видеоконтроля: Рекомендации. - М.: НИЦ «Охрана». 1996.
15. Р 78.36.005-99. Выбор и применение систем контроля и управления доступом: Рекомендации. - М.: НИЦ «Охрана», 1999.
16. Р 78.36.006-99. Выбор и применение импортных радиосредств в системах радиосвязи подразделений вневедомственной охраны: Методические указания. - М.: НИЦ «Охрана», 1998.
17. Р 78.36.007-99. Выбор и применение средств охранно-пожарной сигнализации и средств технической укрепленности для оборудования объектов: Рекомендации. - М.: НИЦ «Охрана», 1998.
18. Р 78.36.008-99. Проектирование и монтаж систем охранного телевидения и домофонов: Рекомендации. - М.: НИЦ «Охрана», 1999.
19. РМ 78.36.001-99. Справочник инженерно-технических работников и электромонтеров технических средств охранно-пожарной сигнализации. - М.: НИЦ «Охрана», 1996.
20. РМ 78.36.002-99. Порядок обследования объектов, принимаемых под охрану: Методическое пособие. - М.: НИЦ «Охрана», 1998.
21. Маскировка и скрытая установка аппаратуры охранно-пожарной сигнализации на объектах народного хозяйства и защита капитальных строительных конструкций: Рекомендации. - М.: ВНИИПО МВД СССР, 1986.
22. Выбор и применение современных технических средств охранно-пожарной сигнализации (ТС ОПС) на объектах народного хозяйства: Рекомендации. - М.: ВНИИПО МВД СССР, 1991.
23. Вихирев А.А. Домофоны. - М.: НОУ «Такир», 1998.
24. Иванов И.В. Охрана периметров. - М.: Радио и связь, 1997.
25. Петраков А.В. Защита и охрана личности, собственности, информации. - М.: Радио и связь, 1997.
26. Поздняков Е.Н. Защита объектов. - М.: Концерн «Банковский деловой центр», 1997.
Таблица А.1
|
Степень защиты |
Характеристики, тип, применение |
|
1 (Минимально необходимая) |
Предупредительное ограждение высотой не менее 1,5 м из различных некапитальных конструкций (для предотвращения проникновения посторонних лиц, животных, проезда транспорта) |
|
2 (Средняя) |
Основное ограждение: деревянный сплошной забор, металлическое сетчатое и решетчатое ограждения высотой не менее 2,5 м; деревянный сплошной забор и металлическое сетчатое ограждение высотой не менее 2 м, имеющие заградительный козырек |
|
3 (Высокая) |
Основное ограждение: железобетонное, каменное, кирпичное, сплошное металлическое ограждения высотой не менее 2,5 м, имеющие заградительный козырек |
Таблица Б.1
|
Степень защиты |
Характеристики, тип, применение |
|
1 (Минимально необходимая) |
Ворога высотой не менее 1,5 м из некапитальных конструкций, используемые для ограничения свободного прохода посторонних лиц, животных и проезда транспорта |
|
2 (Средняя) |
Деревянные ворота высотой не менее 2 м со сплошным заполнением полотен доской толщиной не менее 40 мм. Комбинированные или решетчатые и реечные ворота высотой не менее 2 м, имеющие категорию и класс не ниже ОII, согласно ГОСТ 51242-98 |
|
3 (Высокая) |
Комбинированные или сплошные ворота высотой не менее 2,5 м, имеющие категорию и класс не ниже УI, согласно ГОСТ 51242-98. В качестве дополнения рекомендуется использовать шлагбаум |
Таблица В.1
|
Степень защиты |
Материалы и конструкции |
|
1 (Минимально необходимая) |
Гипсолитовая, гипсобетонная, цементно-стружечная панели. Щитовая конструкция из древесины или пластмасс. Конструкция из бревен или бруса толщиной менее 200 мм. Каркасная перегородка с обшивкой металлическими, в том числе профилированными листами. Кирпичная перегородка толщиной менее 138 мм (по СНиП III-17-78). Перегородка из легкого теплоизоляционного бетона толщиной менее 300 мм. Внутренняя стеновая панель толщиной менее 100 мм (по ГОСТ 12504-80). Пустотная железобетонная конструкция толщиной менее 160 мм (по ГОСТ 9561-91) |
|
2 (Средняя) |
Конструкция из бревен или бруса толщиной более 200 мм. Кирпичная стена толщиной 250 мм (по СНиП III-17-78). Кирпичная перегородка толщиной менее 138 мм (по СНиП III-17-78), усиленная стальной сеткой (по ГОСТ 23279-85) с толщиной прутка 8 мм и ячейкой 100×100 мм. Пустотные железобетонные плиты толщиной 220, 260 и 300 мм (по ГОСТ 9561-91) из легких бетонов и толщиной 160 мм из тяжелых бетонов. Сплошные железобетонные перекрытия толщиной 120, 160 мм (по ГОСТ 12767-80) из легких бетонов. Стеновая наружная (по ГОСТ 11024-84) и внутренняя панели (по ГОСТ 12504-80) и блок стеновой (по ГОСТ 19010-82) из легких бетонов толщиной до 300 мм и из тяжелых бетонов толщиной до 100 мм |
|
3 (Высокая) |
Кирпичная стена толщиной более 380 мм (по СНиП III-17-78). Пустотные железобетонные перекрытия толщиной 220, 260 и 300 мм (по ГОСТ 9561-91) из тяжелых бетонов. Сплошные железобетонные перекрытия толщиной 120 и 160 мм (по ГОСТ 12767-80) из тяжелых бетонов. Стеновая панель наружная (по ГОСТ 11024-84) и блок стеновой (по ГОСТ 19010-82) из легких бетонов толщиной более 300 мм. Стеновая наружная (по ГОСТ 11024-84) и внутренняя панели (по ГОСТ 12504-80), блок стеновой (по ГОСТ 19010-82) и стена из монолитного железобетона (по СНиП III-15-80) толщиной от 100 до 300 мм из тяжелых бетонов. Кирпичная стена толщиной 250 мм (по СНиП III-17-78), усиленная стальной сеткой (по ГОСТ 23279-85) с толщиной прутка 8 мм и ячейкой 100×100 мм |
Примечания:
1. Конструкции стен и перекрытий конкретных помещений должны быть равноценны по устойчивости к взлому.
2. Конструкция стыков сборных элементов по устойчивости к взлому должна отвечать требованиям, предъявляемым к конструкции в целом.
Таблица Г.1
|
Степень защиты |
Материалы и конструкции |
|
1 (Минимально необходимая) |
Двери деревянные внутренние с мелкопустотным заполнением полотен, а также остекленными полотнами с использованием обычного стекла. Двери с полотнами из стекла в металлических рамах или без них: стекло обычное (по ГОСТ 111-90). Двери со сплошным заполнением полотен при их толщине менее 40 мм |
|
2 (Средняя) |
Двери деревянные наружные (типа Н.С. по ГОСТ 24698-81) со сплошным заполнением полотен при их толщине не менее 40 мм. Двери с полотнами из стекла в металлических рамах или без них с использованием защитного остекления класса А1 и выше (по ГОСТ Р 51136-98) или обычного стекла, оклеенного защитной пленкой по классу А1. Двери, имеющие категорию и класс устойчивости не ниже ОII, согласно ГОСТ Р 51242-98 |
|
3 (Высокая) |
Двери деревянные со сплошным заполнением полотен толщиной не менее 40 мм, усиленные обивкой с двух сторон листовой сталью толщиной не менее 0,6 мм с загибом листа на внутреннюю поверхность двери или на торец полотна внахлест с креплением по периметру и диагоналям полотна гвоздями диаметром 3 мм и шагом не более 50 мм. Двери деревянные со сплошным заполнением полотен толщиной не менее 40 мм с дополнительным усилением полотен металлическими накладками. Двери с полотнами из стекла в металлических рамах или без них с использованием защитного остекления класса Б1 и выше (по ГОСТР 51136-98) или обычного стекла, оклеенного защитной пленкой по классу Б1. Двери, имеющие категорию и класс устойчивости не ниже УI, согласно ГОСТ Р 51242-98 |
Таблица Д.1
|
Степень защиты |
Материалы и конструкции |
|
1 (Минимально необходимая) |
Окна с заполнением обычным стеклом (марка М4 - М8 по ГОСТ 111-90 толщиной от 2,5 до 8,0 мм) |
|
2 (Средняя) |
Окна с заполнением обычным стеклом, дополнительно защищенные: - деревянными ставнями или жалюзи, согласно требованиям РД 78.147-93; - металлическими решетками, сетками произвольной конструкции; - защитными конструкциями, имеющими категорию и класс устойчивости не ниже ОII, согласно ГОСТ Р 51242-98. Окна специальной конструкции с защитным остеклением класса А1 и выше (по ГОСТ Р 51136-98) или с использованием обычного стекла, оклеенного защитной пленкой по классу А1 |
|
3 (Высокая) |
Окна с заполнением обычным стеклом, дополнительно защищенные: - деревянными ставнями, обитыми с двух сторон стальными листами толщиной не менее 0,6 мм или жалюзи соответствующей прочности, согласно требованиям РД 78.147-93; - металлическими решетками, изготовленными из стальных прутьев диаметром не менее 16 мм, образующих ячейки не более 150×150 мм; - защитными конструкциями, имеющими категорию и класс устойчивости не ниже УI, согласно ГОСТ Р 51242-98. Окна специальной конструкции с защитным остеклением класса А2 и выше (по ГОСТ Р 51136-98) или с использованием обычного стекла, оклеенного защитной пленкой по классу А2 |
Таблица Е.1
|
Степень защиты |
Характеристики, тип, конструкция |
|
1 (Минимально необходимая) |
Замок сувальдный (не менее 6 сувальд для врезного или 5 для накладного замка). Замок штифтовый (не менее 6 кодовых штифтов). Замок пластинчатый (не менее 6 кодовых пластин). Замок дисковый (не менее 6 кодовых дисков). Сечение засова не менее 250 мм2, длина головки не менее 30 мм |
|
2 (Средняя) |
Замок сувальдный (не менее 8 сувальд для врезного или 6 для накладного замка). Замок штифтовый (не менее 8 кодовых штифтов). Замок пластинчатый (не менее 7 кодовых пластин, наличие защиты от высверливания, сворачивания). Замок дисковый (не менее 8 кодовых дисков, наличие защиты от высверливания, сворачивания). Сечение засова не менее 300 мм2, длина головки не менее 35 мм |
|
3 (Высокая) |
Замок сувальдный (не менее 8 сувальд для врезного или 7 для накладного замка, наличие защиты от высверливания стойки хвостовика засова). Замок штифтовый (не менее 10 кодовых штифтов, наличие защиты от отмычки, высверливания, сворачивания, вытягивания механизма секретности). Замок пластинчатый (не менее 7 кодовых пластин, наличие зашиты от отмычки, высверливания, сворачивания, вытягивания механизма секретности). Замок дисковый (не менее 10 кодовых дисков, наличие защиты от высверливания, сворачивания, вытягивания механизма секретности). Сечение засова не менее 300 мм2, длина головки не менее 40 мм |
Таблица Ж.1
|
Степень защиты |
Характеристики, тип, конструкция |
|
1 (Минимально необходимая) |
Замок сувальдный (не менее 5 сувальд, материал засова - сталь, сечение засова не менее 300 мм2, вылет засова не менее 25 мм, длина головки засова не менее 35 мм, толщина листа корпуса не менее 1,5 мм) |
|
2 (Средняя) |
Замок сувальдный (не менее 6 сувальд, материал засова - сталь, сечение засова не менее 500 мм2, вылет засова не менее 30 мм, длина головки засова не менее 60 мм, толщина листа корпуса не менее 2 мм). Замок дисковый (наличие защиты от сворачивания, материал засова - сталь, сечение засова не менее 500 мм2, вылет засова не менее 30 мм, длина головки засова не менее 60 мм, толщина листа корпуса не менее 2 мм) |
|
3 (Высокая) |
Замок сувальдный (не менее 6 сувальд, наличие защиты от высверливания стойки хвостовика засова, материал засова - сталь, сечение засова не менее 750 мм2, вылет засова не менее 40 мм, длина головки засова не менее 80 мм, толщина листа корпуса не менее 2,5 мм). Замок дисковый (наличие защиты от высверливания, сворачивания, материал засова - сталь, сечение засова не менее 750 мм2, вылет засова не менее 40 мм, длина головки засова не менее 80 мм, толщина листа корпуса не менее 2,5 мм) |
Таблица З.1
|
Степень защиты |
Характеристики, тип, конструкция |
|
1 (Минимально необходимая) |
Замок штифтовый (количество кодовых элементов не менее 5, конструкция запора дуговая, диаметр запора не менее 10 мм). Замок дисковый (количество кодовых элементов не менее 6, конструкция запора дуговая, диаметр запора не менее 30 мм) |
|
2 (Средняя) |
Замок штифтовый (количество кодовых элементов не менее 6, конструкция запора дуговая, диаметр запора не менее 10 мм, наличие защиты от перепиливания запора). Замок дисковый (количество кодовых элементов не менее 8, конструкция запора дуговая, диаметр запора не менее 10 мм, наличие защиты от перепиливания запора) |
|
3 (Высокая) |
Замок штифтовый (количество кодовых элементов не менее 6, конструкция запора горизонтальная, диаметр запора не менее 12 мм, наличие защиты от отмычки перепиливания запора и сбивания замка). Замок дисковый (количество кодовых элементов не менее 10, конструкция запора горизонтальная, диаметр запора не менее 12 мм, наличие защиты от перепиливания запора и сбивания замка) |
Таблица И.1
|
Степень защиты |
Рубежность сигнализации |
|
1 (Минимально необходимая) |
Охрана отдельных зон Блокировка отдельных участков (дверей, окон, стен и т.д.) периметра помещения, здания, строения, ГСК, территории |
|
2 (Средняя) |
Однорубежная охрана Блокировка только периметра помещения, здания, строения (всех окон, дверей и, при необходимости, строительных конструкций этого помещения или здания), ограждения (ворот, калиток, проходов и т.д.). Блокировка только объема помещения, строения, гаража или площади территории |
|
3 (Высокая) |
Двухрубежная охрана Блокировка периметра (1-го рубежа) и объема (2-го рубежа) помещения, здания, строения или площади территории. Блокировка входных дверей (неполного 1-го рубежа) и объема (2-го рубежа) помещения, здания. Блокировка ворот, калиток (неполного 1-го рубежа) и площади (2-го рубежа) территории |
Таблица К.1
|
Вид конструкции |
Способы защиты |
|
Решетки, оконные проемы |
Блокировка решетки проводом. Блокировка оконного проема с внешней стороны линейным извещателем. Блокировка решетки емкостным извещателем. Установка системы охранного телевидения с внешней стороны оконного проема |
|
Стены |
Блокировка проводом. Блокировка линейным извещателем с внешней стороны стены. Блокировка стены объемным радиоволновым или ультразвуковым извещателем с внутренней стороны помещения. Блокировка извещателем, реагирующим на ударные воздействия. Блокировка охранной сигнализацией помещений, примыкающих к охраняемой стене. Установка системы охранного телевидения |
|
Двери |
Блокировка проводом. Блокировка линейным извещателем. Блокировка объемным радиоволновым (только для металлических дверей) или ультразвуковым извещателем. Блокировка извещателем, реагирующим на ударные воздействия. Блокировка охранной сигнализацией коридора. Установка прибора-сигнализатора, реагирующего на криминальное открытие замка. Установка системы охранного телевидения. Применение систем контроля и управления доступом |
Гаражные ворота должны отвечать следующим требованиям:
- несущая коробка ворот должна быть выполнена из стального швеллера № 5, 6, 8 и прочно закреплена к несущим элементам гаража;
- полотно ворот должно быть выполнено из стального листа толщиной не менее 2 мм, по периметру которого приварены усиливающие элементы, препятствующие отгибанию рычажным инструментом;
- усиливающие элементы должны быть выполнены из швеллера № 5 или стали уголковой размерами 50×50×5 мм;
- поверхность полотна ворот должна быть усилена указанными выше элементами, расположенными вертикально, горизонтально или по диагоналям;
- щель между створками ворот должна быть минимальной и исключать возможность использования рычажного инструмента для отгибания створок. (Рекомендуется закрывать щель стальной полосой, приваренной к одной из створок.);
- петли ворот должны быть выполнены из стали, диаметр штырей петель не менее 20 мм;
- на створках ворот (со стороны петель) должны быть установлены анкерные штыри для сцепления с коробкой, предотвращающие снятие створок ворот при перепиливании петель;
- пассивная створка ворот должна быть оборудована двумя стопорными шпингалетами, устанавливаемыми в верхней и нижней частях створки. (Диаметр шпингалета и глубина отверстия для него должны быть не менее 20 и 30 мм соответственно.);
- замок должен сохранять работоспособность при повышенной влажности и минусовой температуре. (Элементы замка не должны выступать за полотно створки ворот).
Для усиления деревянной дверной коробки ее необходимо обрамлять стальным уголком размерами не менее 45×28×4 мм, а также закреплять ее в стене стальными ершами (костылями) диаметром не менее 10 мм и длиной не менее 120 мм. Крепить эту коробку к стене рекомендуется с помощью металлических штырей, расстояние между которыми должно составлять не более 700 мм. Необходимо, чтобы средний штырь проходил через запорную планку замка. По возможности дверь должна открываться наружу.
Коробку металлической двери рекомендуется приварить по периметру к прочно заделанным в стену (на глубину не менее 80 мм) металлическим штырям, расстояние между которыми должно составлять не более 700 мм. Дверь должна открываться наружу.
Усиление прочности двери (ворот и калитки) достигается посредством использования предохранительных накладок, предохранительной уголковой замковой планки, массивных петель и усиления полотна двери.
Петли для двери, ворот, калитки должны быть прочными и выполнены из стали. Крепление их следует производить с помощью шурупов или сварки. На двери, воротах, калитке на стороне петель должны быть установлены торцевые крюки (анкерные штыри), препятствующие снятию двери в случае срывания петель или их механического повреждения. Торцевые крюки должны быть изготовлены из стального прутка диаметром 6 - 8 мм.
Дверные накладки, розетки, щитки рекомендуется изготавливать из стальной полосы толщиной 4 - 6 мм и шириной не менее 70 мм. Крепление их следует производить с помощью болтов. Пропускаемые через дверь болты должны быть закреплены с внутренней стороны помещения с помощью шайб и гаек с расклепкой конца болта.
Двухстворчатые двери на объекте рекомендуется оборудовать двумя стопорными шпингалетами, устанавливаемыми в верхней и нижней частях полотна двери. (Сечение шпингалета должно быть не менее 100 мм2, а глубина отверстия для него - не менее 30 мм).
На рисунке Н.1 приведен энергонезависимый вариант организации защиты объекта с помощью устройства оконечного ППК или СПИ. Для блокировки применяют извещатели, питающиеся по ШС. Указанный вариант характеризуется отсутствием вывода сигнала тревоги на внешние оповещатели и его запоминания на объекте. Сигнал тревоги фиксируется на ППК большой емкости или ПЦН, установленные в микро-ПЦО. Сигнал тревоги может передаваться в ПЦО с помощью УО РСПИ, телефона, радиостанции или устройства уплотнения.
Рисунок Н.1
На рисунке Н.2 приведен вариант организации защиты объекта с помощью ППК малой емкости. Для блокировки применяют любой тип извещателей. Указанный вариант характеризуется выводом сигнала тревоги на внешние оповещатели и его запоминания на объекте. Сигнал тревоги фиксируется на ППК большой емкости, установленный в микро-ПЦО. Групповой сигнал тревоги передается в ПЦО с помощью УО РСПИ.
Рисунок Н.2
На рисунке Н.3 приведен вариант организации защиты объекта с помощью ППК «Сеть». Сигнал тревоги передается в микро-ПЦО по сети 220 В или по специально проложенной линии связи. Групповой сигнал тревоги передается в ПЦО с помощью устройства уплотнения по занятой телефонной линии.
Рисунок Н.3
На рисунке Н.4 приведен вариант организации защиты объекта с помощью УО РСПИ. Групповой сигнал тревоги передается в ПЦО с помощью радиостанции. Указанный вариант рекомендуется использовать для больших удаленных объектов.
Рисунок Н.4