Изменение № 1 ГОСТ Р 52134-2003 Трубы напорные из термопластов и соединительные детали к ним для систем водоснабжения и отопления. Общие технические условия
Утверждено и введено в действие Приказом Федерального агентства по техническому регулированию и метрологии от 17.11.2009 № 506-ст
Раздел 2. Ссылку на ГОСТ 29325-92 и наименование исключить;
дополнить ссылками:
«ГОСТ Р ИСО 3126-2007 Трубопроводы из пластмасс. Пластмассовые элементы трубопровода. Определение размеров
ГОСТ ИСО 4065-2005 Трубы из термопластов. Таблица универсальных толщин стенок
ГОСТ ИСО 11922-1-2006 Трубы из термопластов для транспортирования жидких и газообразных сред. Размеры и допуски. Часть 1. Метрическая серия
ГОСТ ИСО 12162-2006 Материалы термопластичные для напорных труб и соединительных деталей. Классификация и обозначение. Коэффициент запаса прочности»;
заменить ссылку и слова: ГОСТ 13511-91E на ГОСТ 13511-2006, «табака и моющих средств» на «табачных изделий и моющих средств».
Раздел 3 дополнить абзацем (после пятого):
«нижний доверительный предел прогнозируемой гидростатической прочности σLPL, МПа: Величина, с размерностью напряжения, представляющая собой 97,5%-ный нижний доверительный предел прогнозируемой длительной гидростатической прочности при температуре Т и времени t»;
шестой абзац изложить в новой редакции:
«минимальная длительная прочность MRS, МПа: Значение нижнего доверительного предела σLPL при температуре 20 °С в течение 50 лет, округленное до ближайшего нижнего значения ряда R10 или ряда R20 по ГОСТ 8032 и ГОСТ ИСО 12162 в зависимости от значения σLPL»;
дополнить термином и определением (после последнего):
«трубы с барьерным слоем: Трубы, имеющие тонкий наружный барьерный слой, например, для уменьшения диффузионной проницаемости газов, для которых требуемые расчетные напряжения полностью обеспечиваются полимерным материалом основной трубы»;
термин «расчетное напряжение σs». Определение. Заменить слова: «до ближайшего нижнего значения ряда R10, если это значение не более 10 МПа, или ряда R20, если оно более 10 МПа» на «до ближайшего нижнего значения ряда R20».
Раздел 3. Последний абзац изложить в новой редакции:
«PVC-C (ХПВХ) - хлорированный поливинилхлорид типов PVC-C тип I (ХПВХ тип I) и PVC-C тип II (ХПВХ тип II)»;
дополнить абзацем:
«PE-RT (ПЭ-РТ) Полиэтилен повышенной термостойкости типов PE-RT тип I (ПЭ-РТ тип I) и PE-RT тип II (ПЭ-РТ тип II)».
Пункт 4.1 дополнить примечанием:
«Примечание
1 Номинальный наружный диаметр и номинальная толщина стенки, указанные в таблице 1, применяются для труб с барьерным слоем при условии, что:
- толщина наружного барьерного слоя, включая клеевые слои, не более 0,4 мм,
- расчет серий труб S'макс в соответствии с 5.2.7 осуществляется исходя из величины наружного диаметра и толщины стенки основной трубы.
2 Расчетные значения толщин стенок в соответствии с ГОСТ ИСО 4065 и [1] для труб из РЕ округлены в большую сторону до ближайших значений 2,0; 2,3 или 3,0»;
таблицу 1 изложить в новой редакции:
Таблица 1
|
Номинальный наружный диаметр d |
Серия 5 (стандартное размерное отношение SDR) |
||||||||||||||||||||
|
2(5) |
2,5(6) |
3,2(7,4) |
4(9) |
5(11) |
|||||||||||||||||
|
Номинальная толщина стенки е труб из |
|||||||||||||||||||||
|
РР-Н РР-В PP-R |
РР-Н РР-В PP-R |
РЕ 80 |
PE-RT |
РР-Н РР-В PP-R |
РЕ-Х |
РВ |
РЕ 80 РЕ 100 |
PE-RT |
РЕ-Х |
РВ |
PVC-C |
РЕ 80 РЕ 100 |
PE-RT |
РР-Н РР-В PP-R |
РЕХ |
РВ |
PVC-с |
РЕ 63 РЕ 80 РЕ 100 |
PVC-U |
PE-RT |
|
|
10 |
2,0 |
1,8 |
- |
1,7 |
|
1,4 |
1,4 |
- |
1,4 |
1,3 |
1,3 |
1,4 |
- |
1,3 |
- |
1,3 |
1,3 |
- |
- |
- |
1,3 |
|
12 |
2,4 |
2,0 |
- |
2,0 |
1,8 |
1,7 |
1,7 |
- |
1,7 |
1,4 |
1,4 |
1,4 |
- |
1,4 |
1,8 |
1,3 |
1,3 |
1,4 |
- |
1,5 |
1,3 |
|
16 |
3,3 |
2,7 |
3,0 |
2,7 |
2,2 |
2,2 |
2,2 |
2,3 |
2,2 |
1,8 |
1,8 |
1,8 |
2,0 |
1,8 |
1,8 |
1,5 |
1,5 |
1,5 |
- |
1,5 |
1,5 |
|
20 |
4,1 |
3,4 |
3,4 |
3,4 |
2,8 |
2,8 |
2,8 |
3,0 |
2,8 |
2,3 |
2,3 |
2,3 |
2,3 |
2,3 |
1,9 |
1,9 |
1,9 |
1,9 |
2,0 |
1 9 |
1,9 |
|
25 |
5,1 |
4,2 |
4,2 |
4,2 |
3,5 |
3,5 |
3,5 |
3,5 |
3,5 |
2,8 |
2,8 |
2,8 |
3,0 |
2,8 |
2,3 |
2,3 |
2,3 |
2,3 |
2,3 |
2,3 |
2,3 |
|
32 |
6,5 |
5,4 |
5,4 |
5,4 |
4,4 |
4,4 |
4,4 |
4,4 |
4,4 |
3,6 |
3,6 |
3,6 |
3,6 |
3,6 |
2,9 |
2,9 |
2,9 |
2,9 |
3,0 |
2,9 |
2,9 |
|
40 |
8,1 |
6,7 |
6,7 |
6,7 |
5,5 |
5,5 |
5,5 |
5,5 |
5,5 |
4,5 |
4,5 |
4,5 |
4,5 |
4,5 |
3,7 |
3,7 |
3,7 |
3,7 |
3,7 |
3,7 |
3,7 |
|
50 |
J0,J |
8,3 |
8,3 |
8,3 |
6,9 |
6,9 |
6,9 |
6,9 |
6,9 |
5,6 |
5,6 |
5,6 |
5,6 |
5,6 |
4,6 |
4,6 |
4,6 |
4,6 |
4,6 |
4,6 |
4,6 |
|
63 |
12,7 |
10,5 |
10,5 |
10,5 |
8,6 |
8,6 |
8,6 |
8,6 |
8,6 |
7,1 |
7,1 |
7,1 |
7,1 |
7,1 |
5,8 |
5,8 |
5,8 |
5,8 |
5,8 |
5,8 |
5,8 |
|
75 |
15,1 |
12,5 |
12,5 |
12,5 |
10,3 |
10,3 |
10,3 |
10,3 |
10,3 |
8,4 |
8,4 |
8,4 |
8,4 |
8,4 |
6,8 |
6,8 |
6,8 |
6,8 |
6,8 |
6,8 |
6,8 |
|
90 |
18,1 |
15,0 |
15,0 |
15,0 |
12,3 |
12,3 |
12,3 |
12,3 |
12,3 |
10,1 |
10,1 |
10,1 |
10,1 |
10,1 |
8,2 |
8,2 |
8,2 |
8,2 |
8,2 |
8,2 |
8,2 |
|
110 |
22,1 |
18,3 |
18,3 |
18,3 |
15,1 |
15,1 |
15,1 |
15,1 |
15,1 |
12,3 |
12,3 |
12,3 |
12,3 |
12,3 |
10,0 |
10,0 |
10,0 |
10,0 |
10,0 |
10,0 |
10,0 |
|
125 |
25,1 |
20,8 |
20,8 |
20,8 |
17,1 |
17,1 |
17,1 |
17,1 |
17,1 |
14,0 |
14,0 |
14,0 |
14,0 |
14,0 |
11,4 |
11,4 |
11,4 |
11,4 |
11,4 |
11,4 |
11,4 |
|
140 |
28,1 |
23,3 |
23,3 |
23,3 |
19,2 |
19,2 |
19,2 |
19,2 |
19,2 |
15,7 |
15,7 |
15,7 |
15,7 |
15,7 |
12,7 |
12,7 |
12,7 |
12,7 |
12,7 |
12,7 |
12,7 |
|
160 |
32,1 |
26,6 |
26,6 |
26,6 |
21,9 |
21,9 |
21,9 |
21,9 |
21,9 |
17,9 |
17,9 |
17,9 |
17,9 |
17,9 |
14,6 |
14,6 |
14,6 |
14,6 |
14,6 |
14,6 |
14,6 |
|
180 |
36,1 |
29,9 |
29,9 |
29,9 |
24,6 |
24,6 |
24,6 |
24,6 |
24,6 |
20,0 |
20,0 |
20,0 |
20,1 |
20,0 |
16,4 |
16,4 |
16,4 |
16,4 |
16,4 |
16,4 |
16,4 |
|
200 |
- |
33,2 |
33,2 |
33,2 |
27,4 |
27,4 |
27,4 |
27,4 |
27,4 |
22,4 |
22,4 |
22,4 |
22,4 |
22,4 |
18,2 |
18,2 |
18,2 |
18,2 |
18,2 |
18,2 |
18,2 |
|
225 |
- |
37,4 |
37,4 |
37,4 |
30,8 |
30,8 |
- |
30,8 |
30,8 |
25,2 |
25,2 |
25,2 |
25,2 |
25,2 |
20,5 |
20,5 |
20,5 |
20,5 |
20,5 |
- |
20,5 |
|
250 |
- |
- |
41,5 |
41,5 |
34,2 |
34,2 |
- |
34,2 |
34,2 |
27,9 |
27,9 |
27,9 |
27,9 |
27,9 |
22,7 |
22,7 |
22,7 |
22,7 |
22,7 |
- |
22,7 |
|
280 |
- |
- |
46,5 |
- |
38,3 |
- |
- |
38,3 |
- |
- |
- |
- |
31,3 |
- |
25,4 |
- |
25,4 |
25,4 |
25,4 |
- |
- |
|
315 |
- |
- |
52,3 |
- |
- |
- |
- |
43,1 |
- |
- |
- |
- |
35,2 |
- |
28,6 |
- |
28,6 |
28,6 |
28,6 |
- |
- |
|
355 |
- |
- |
59,0 |
- |
- |
- |
- |
48,5 |
- |
- |
- |
- |
39,7 |
- |
32,2 |
- |
- |
- |
32,2 |
- |
- |
|
400 |
- |
- |
- |
- |
- |
- |
- |
54,7 |
- |
- |
- |
- |
44,7 |
- |
36,3 |
- |
- |
- |
36,3 |
- |
- |
|
450 |
- |
- |
- |
- |
- |
- |
- |
61,5 |
- |
- |
- |
- |
50,3 |
- |
40,9 |
- |
- |
- |
40,9 |
- |
- |
|
500 |
- |
- |
- |
- |
- |
- |
- |
- |
- |
- |
- |
- |
55,8 |
- |
- |
- |
- |
- |
45,4 |
- |
- |
|
560 |
- |
- |
- |
- |
- |
- |
- |
- |
- |
- |
- |
- |
- |
- |
- |
- |
- |
- |
50,8 |
- |
|
|
630 |
- |
- |
- |
- |
- |
- |
- |
- |
- |
- |
- |
- |
- |
- |
- |
- |
- |
- |
57,2 |
- |
- |
|
710 |
- |
- |
- |
- |
- |
- |
- |
- |
- |
- |
- |
- |
- |
- |
- |
- |
- |
- |
- |
- |
- |
|
800 |
- |
- |
- |
- |
- |
- |
- |
- |
- |
- |
- |
- |
- |
- |
- |
- |
- |
- |
- |
- |
- |
|
900 |
- |
- |
- |
- |
- |
- |
- |
- |
- |
- |
- |
- |
- |
- |
- |
- |
- |
- |
- |
- |
- |
|
1000 |
- |
- |
- |
- |
- |
- |
- |
- |
- |
- |
- |
- |
- |
- |
- |
- |
- |
- |
- |
- |
- |
|
1200 |
- |
- |
- |
- |
- |
- |
- |
- |
- |
- |
- |
- |
- |
- |
- |
- |
- |
- |
- |
- |
- |
|
1400 |
- |
- |
- |
- |
- |
- |
- |
- |
- |
- |
- |
- |
- |
- |
- |
- |
- |
- |
- |
- |
- |
|
1600 |
- |
- |
- |
- |
- |
- |
- |
- |
- |
- |
- |
- |
- |
- |
- |
- |
- |
- |
- |
- |
- |
Продолжение таблицы 1
|
Номинальный наружный диаметр d |
Серия S (стандартное размерное отношение SDR) |
||||||||||||||
|
6,3(13,6) |
8(17) |
8,3(17,6) |
10(21) |
||||||||||||
|
Номинальная толщина стенки е труб из |
|||||||||||||||
|
РЕ-Х |
РВ |
PVC-C |
РЕ 63 РЕ 80 РЕ 100 |
PVC-U |
РВ |
PVC-C |
РЕ 80 РЕ 100 |
PVC-U |
РР-Н РР-В PP-R |
РЕ 63 |
РВ |
PVC-C |
РЕ 63 РЕ 80 РЕ 100 |
PVC-U |
|
|
10 |
- |
1,3 |
- |
- |
- |
1,3 |
- |
- |
- |
- |
- |
1,3 |
- |
- |
- |
|
12 |
- |
1,3 |
1,4 |
- |
- |
1,3 |
- |
- |
- |
- |
- |
1,3 |
- |
- |
- |
|
16 |
1,3 |
1,3 |
1,4 |
- |
- |
1,3 |
- |
- |
- |
- |
- |
1,3 |
- |
- |
- |
|
20 |
1,5 |
1,5 |
1,5 |
- |
1,5 |
1,3 |
1,6 |
- |
- |
- |
- |
1,3 |
- |
- |
- |
|
25 |
1,9 |
1,9 |
1,9 |
2,0 |
1,9 |
1,5 |
1,6 |
- |
1,5 |
- |
- |
1,3 |
1,6 |
- |
- |
|
32 |
2,4 |
2,4 |
2,4 |
2,4 |
2,4 |
1,9 |
1,9 |
2,0 |
1,9 |
1,8 |
2,0 |
1,6 |
1,6 |
- |
1,6 |
|
40 |
3,0 |
3,0 |
3,0 |
3,0 |
3,0 |
2,4 |
2,4 |
2,4 |
2,4 |
2,3 |
2,3 |
1,9 |
1,9 |
2,0 |
1,9 |
|
50 |
3,7 |
3,7 |
3,7 |
3,7 |
3,7 |
3,0 |
3,0 |
3,0 |
3,0 |
2,9 |
2,9 |
2,4 |
2,4 |
2,4 |
2,4 |
|
63 |
4,7 |
4,7 |
4,7 |
4,7 |
4,7 |
3,8 |
3,8 |
3,8 |
3,8 |
3,6 |
3,6 |
3,0 |
3,0 |
3,0 |
3,0 |
|
75 |
5,6 |
5,6 |
5,6 |
5,6 |
5,6 |
4,5 |
4,5 |
4,5 |
4,5 |
4,3 |
4,3 |
3,6 |
3,6 |
3,6 |
3,6 |
|
90 |
6,7 |
6,7 |
6,7 |
6,7 |
6,7 |
5,4 |
5,4 |
5,4 |
5,4 |
5,1 |
5,1 |
4,3 |
4,3 |
4,3 |
4,3 |
|
110 |
8,1 |
8,1 |
8,1 |
8,1 |
8,1 |
6,6 |
6,6 |
6,6 |
6,6 |
6,3 |
6,3 |
5,3 |
5,3 |
5,3 |
5,3 |
|
125 |
9,2 |
9,2 |
9,2 |
9,2 |
9,2 |
7,4 |
7,4 |
7,4 |
7,4 |
7,1 |
7,1 |
6,0 |
6,0 |
6,0 |
6,0 |
|
140 |
10,3 |
10,3 |
10,3 |
10,3 |
10,3 |
8,3 |
8,3 |
8,3 |
8,3 |
8,0 |
8,0 |
6,7 |
6,7 |
6,7 |
6,7 |
|
160 |
11,8 |
11,8 |
11,8 |
11,8 |
11,8 |
9,5 |
9,5 |
9,5 |
9,5 |
9,1 |
9,1 |
7,7 |
7,7 |
7,7 |
7,7 |
|
180 |
13,3 |
13,3 |
13,3 |
13,3 |
13,3 |
10,7 |
10,7 |
10,7 |
10,7 |
10,2 |
10,2 |
8,6 |
8,6 |
8,6 |
8,6 |
|
200 |
14,7 |
14,7 |
14,7 |
14,7 |
14,7 |
11,9 |
11,9 |
11,9 |
11,9 |
11,4 |
11,4 |
9,6 |
9,6 |
9,6 |
9,6 |
|
225 |
16,6 |
16,6 |
16,6 |
16,6 |
16,6 |
13,4 |
13,4 |
13,4 |
13,4 |
12,8 |
12,8 |
10,8 |
10,8 |
10,8 |
10,8 |
|
250 |
18,4 |
18,4 |
18,4 |
18,4 |
18,4 |
14,8 |
14,8 |
14,8 |
14,8 |
14,2 |
14,2 |
11,9 |
11,9 |
11,9 |
11,9 |
|
280 |
- |
20,6 |
20,6 |
20,6 |
20,6 |
16,6 |
16,6 |
16,6 |
16,6 |
15,9 |
15,9 |
13,4 |
13,4 |
13,4 |
13,4 |
|
315 |
- |
23,2 |
23,2 |
23,2 |
23,2 |
18,7 |
18,7 |
18,7 |
18,7 |
17,9 |
17,9 |
15,0 |
15,0 |
15,0 |
15,0 |
|
355 |
- |
26,1 |
26,1 |
26,1 |
26,1 |
21,1 |
21,1 |
21,1 |
21,1 |
20,1 |
20,1 |
16,9 |
16,9 |
16,9 |
16,9 |
|
400 |
- |
29,4 |
29,4 |
29,4 |
29,4 |
23,7 |
23,7 |
23,7 |
23,7 |
22,7 |
22,7 |
19,1 |
19,1 |
19,1 |
19,1 |
|
450 |
- |
- |
- |
33,1 |
33,1 |
26,7 |
26,7 |
26,7 |
26,7 |
25,5 |
25,5 |
21,5 |
21,5 |
21,5 |
21,5 |
|
500 |
- |
- |
- |
36,8 |
36,8 |
- |
29,7 |
29,7 |
29,7 |
28,4 |
28,4 |
- |
23,9 |
23,9 |
23,9 |
|
560 |
- |
- |
- |
41,2 |
- |
- |
- |
33,2 |
- |
31,7 |
31,7 |
- |
26,7 |
26,7 |
26,7 |
|
630 |
- |
- |
- |
46,3 |
- |
- |
- |
37,4 |
- |
35,7 |
35,7 |
- |
30,0 |
30,0 |
30,0 |
|
710 |
- |
- |
- |
52,2 |
- |
- |
- |
42,1 |
- |
40,2 |
40,2 |
- |
- |
33,9 |
- |
|
800 |
- |
- |
- |
58,8 |
- |
- |
- |
47,4 |
- |
45,3 |
45,3 |
- |
- |
38,1 |
- |
|
900 |
- |
- |
- |
- |
- |
- |
- |
53,3 |
- |
51,0 |
51,0 |
- |
- |
42,9 |
- |
|
1000 |
- |
- |
- |
- |
- |
- |
- |
59,3 |
- |
- |
56,6 |
- |
- |
47,7 |
- |
|
1200 |
- |
- |
- |
- |
- |
- |
- |
- |
- |
- |
- |
- |
- |
57,2 |
- |
|
1400 |
- |
- |
- |
- |
- |
- |
- |
- |
- |
- |
- |
- |
- |
- |
- |
|
1600 |
- |
- |
- |
- |
- |
- |
- |
- |
- |
- |
- |
- |
- |
- |
- |
Окончание таблицы 1
|
Номинальный наружный диаметр d |
Серия S (стандартное размерное отношение SDR) |
||||||||||||||
|
12,5(26) |
16(33) 16(33) |
20(41) |
|||||||||||||
|
Номинальная толщина стенки е труб из |
|||||||||||||||
|
РР-Н РР-В PP-R |
РВ |
PVC-C |
РЕ 63 РЕ 80 РЕ 100 |
PVC-U |
РР-Н РР-В PP-R |
РВ |
PVC-C |
РЕ 63 РЕ 80 РЕ 100 |
PVC-U |
РР-Н РР-В PP-R |
РВ |
PVC-C |
РЕ 63 РЕ 80 РЕ 100 |
PVC-U |
|
|
10 |
- |
1,3 |
- |
- |
- |
- |
1,3 |
- |
- |
- |
- |
1,3 |
- |
_ |
- |
|
12 |
- |
1,3 |
- |
- |
- |
- |
1,3 |
- |
- |
- |
- |
1,3 |
- |
- |
- |
|
16 |
- |
1,3 |
- |
- |
- |
- |
1,3 |
- |
- |
- |
- |
1,3 |
- |
- |
- |
|
20 |
- |
1,3 |
- |
- |
- |
- |
1,3 |
- |
- |
- |
- |
1,3 |
- |
- |
- |
|
25 |
- |
1,3 |
- |
- |
- |
- |
1,3 |
- |
- |
- |
- |
1,3 |
- |
- |
- |
|
32 |
- |
1,3 |
1,8 |
- |
1,5 |
- |
1,3 |
- |
- |
- |
_ |
1,3 |
- |
- |
- |
|
40 |
1,8 |
1,6 |
1,8 |
- |
1,6 |
- |
1,3 |
1,8 |
- |
1,5 |
- |
1,3 |
- |
- |
- |
|
50 |
2,0 |
2,0 |
2,0 |
2,0 |
2,0 |
1,8 |
1,6 |
1,8 |
- |
1,6 |
- |
1,3 |
1,8 |
- |
- |
|
63 |
2,5 |
2,5 |
2,5 |
2,5 |
2,5 |
2,0 |
2,0 |
2,0 |
- |
2,0 |
1,8 |
1,6 |
1,8 |
- |
- |
|
75 |
2,9 |
2,9 |
2,9 |
2,9 |
2,9 |
2,3 |
2,3 |
2,3 |
- |
2,3 |
1,9 |
1,9 |
1,9 |
- |
- |
|
90 |
3,5 |
3,5 |
3,5 |
3,5 |
3,5 |
2,8 |
2,8 |
2,8 |
- |
2,8 |
2,2 |
2,2 |
2,2 |
- |
- |
|
110 |
4,2 |
4,2 |
4,2 |
4,2 |
4,2 |
3,4 |
3,4 |
3,4 |
- |
3,4 |
2,7 |
2,7 |
2,7 |
- |
2,7 |
|
125 |
4,8 |
4,8 |
4,8 |
4,8 |
4,8 |
3,9 |
3,9 |
3,9 |
- |
3,9 |
3,1 |
3,1 |
3,1 |
- |
3,1 |
|
140 |
5,4 |
5,4 |
5,4 |
5,4 |
5,4 |
4,3 |
4,3 |
4,3 |
- |
4,3 |
3,5 |
3,5 |
3,5 |
- |
3,5 |
|
160 |
6,2 |
6,2 |
6,2 |
6,2 |
6,2 |
4,9 |
4,9 |
4,9 |
- |
4,9 |
4,0 |
4,0 |
4,0 |
- |
4,0 |
|
180 |
6,9 |
6,9 |
6,9 |
6,9 |
6,9 |
5,5 |
5,5 |
5,5 |
- |
5,5 |
4,4 |
4,4 |
4,4 |
- |
4,4 |
|
200 |
7,7 |
7,7 |
7,7 |
7,7 |
7,7 |
6,2 |
6,2 |
6,2 |
- |
6,2 |
4,9 |
4,9 |
4,9 |
- |
4,9 |
|
225 |
8,6 |
8,6 |
8,6 |
8,6 |
8,6 |
6,9 |
6,9 |
6,9 |
- |
6,9 |
5,5 |
5,5 |
5,5 |
- |
5,5 |
|
250 |
9,6 |
9,6 |
9,6 |
9,6 |
9,6 |
7,7 |
7,7 |
7,7 |
- |
7,7 |
6,2 |
6,2 |
6,2 |
- |
6,2 |
|
280 |
10,7 |
10,7 |
10,7 |
10,7 |
10,7 |
8,6 |
8,6 |
8,6 |
- |
8,6 |
6,9 |
6,9 |
6,9 |
- |
6,9 |
|
315 |
12,1 |
12,1 |
12,1 |
12,1 |
12,1 |
9,7 |
9,7 |
9,7 |
9,7 |
9,6 |
7,7 |
7,7 |
7,7 |
7,7 |
7,7 |
|
355 |
13,6 |
13,6 |
13,6 |
13,6 |
13,6 |
10,9 |
10,9 |
10,9 |
10,9 |
10,9 |
8,7 |
8,7 |
8,7 |
8,7 |
8,7 |
|
400 |
15,3 |
15,3 |
15,3 |
15,3 |
15,3 |
12,3 |
12,3 |
12,3 |
12,3 |
12,3 |
9,8 |
9,8 |
9,8 |
9,8 |
9,8 |
|
450 |
17,2 |
17,2 |
17,2 |
17,2 |
17,2 |
13,8 |
13,8 |
13,8 |
13,8 |
13,8 |
11,0 |
11,0 |
11,0 |
11,0 |
11,0 |
|
500 |
19,1 |
- |
19,1 |
19,1 |
19,1 |
15,3 |
- |
15,3 |
15,3 |
15,3 |
12,3 |
- |
12,3 |
12,3 |
12,3 |
|
560 |
21,4 |
- |
21,4 |
21,4 |
21,4 |
17,2 |
- |
17,2 |
17,2 |
17,2 |
13,7 |
- |
13,7 |
13,7 |
13,7 |
|
630 |
24,1 |
- |
24,1 |
24,1 |
24,1 |
19,3 |
- |
19,3 |
19,3 |
19,3 |
15,4 |
- |
15,4 |
15,4 |
15,4 |
|
710 |
27,2 |
- |
- |
27,2 |
27,2 |
21,8 |
- |
- |
21,8 |
21,8 |
17,4 |
- |
- |
17,4 |
17,4 |
|
800 |
30,6 |
- |
- |
30,6 |
30,6 |
24,5 |
- |
- |
24,5 |
24,5 |
19,6 |
- |
- |
19,6 |
19,6 |
|
900 |
34,4 |
- |
- |
34,4 |
- |
27,6 |
- |
- |
27,6 |
27,6 |
22,0 |
- |
- |
22,0 |
22,0 |
|
1000 |
38,2 |
- |
- |
38,2 |
- |
30,6 |
- |
- |
30,6 |
30,6 |
24,5 |
- |
- |
24,5 |
24,5 |
|
1200 |
45,9 |
- |
- |
45,9 |
- |
36,7 |
- |
- |
36,7 |
- |
29,4 |
- |
- |
29,4 |
- |
|
1400 |
53,5 |
- |
- |
53,5 |
- |
42,9 |
- |
- |
42,9 |
- |
34,3 |
- |
- |
34,3 |
- |
|
1600 |
61,2 |
- |
- |
61,2 |
- |
49,0 |
- |
- |
49,0 |
- |
39,2 |
- |
- |
39,2 |
- |
Пункт 4.2. Таблицу 2 изложить в новой редакции:
Таблица 2 - Предельные отклонения среднего наружного диаметра и допустимая овальность труб
Размеры в миллиметрах
|
Номинальный наружный диаметр d |
Материал труб |
||||||||||||||
|
РЕ 63, РЕ 80, РЕ 100 |
РР-Н, РР-В, РР-R |
PVC-U |
РЕ-Х |
РВ |
PVC-C |
PE-RT |
|||||||||
|
Пред. откл.7) (+) |
Овальность4) |
Пред. откл.1) (+) |
Овальность4) |
Пред. откл.3) (+) |
Овальность |
Пред. откл.1) (+) |
Овальность4) |
Пред. откл.2) (+) |
Овальность5) |
Пред. откл.3) (+) |
Овальность8) |
Пред. откл.1) (+) |
Овальность4) |
||
|
S 20 и S 166) |
S 12,5-S 58) |
||||||||||||||
|
10 |
- |
- |
0,3 |
1,1 |
0,2 |
- |
0,5 |
0,3 |
1,1 |
0,3 |
1,0 |
0,2 |
0,5 |
0,3 |
1,1 |
|
12 |
- |
- |
0,3 |
1,1 |
0,2 |
- |
0,5 |
0,3 |
1,1 |
0,3 |
1,0 |
0,2 |
0,5 |
0,3 |
1,1 |
|
16 |
0,3 |
1,2 |
0,3 |
1,2 |
0,2 |
- |
0,5 |
0,3 |
1,2 |
0,3 |
1,0 |
0,2 |
0,5 |
0,3 |
1,2 |
|
20 |
0,3 |
1,2 |
0,3 |
1,2 |
0,2 |
- |
0,5 |
0,3 |
1,2 |
0,3 |
1,0 |
0,2 |
0,5 |
0,3 |
1,2 |
|
25 |
0,3 |
1,2 |
0,3 |
1,2 |
0,2 |
- |
0,5 |
0,3 |
1,2 |
0,3 |
1,0 |
0,2 |
0,5 |
0,3 |
1,2 |
|
32 |
0,3 |
1,3 |
0,3 |
1,3 |
0,2 |
- |
0,5 |
0,3 |
1,3 |
0,3 |
1,0 |
0,2 |
0,5 |
0,3 |
1,3 |
|
40 |
0,4 |
1,4 |
0,4 |
1,4 |
0,2 |
- |
0,5 |
0,4 |
1,4 |
0,3 |
1,0 |
0,2 |
0,5 |
0,4 |
1,4 |
|
50 |
0,4 |
1,4 |
0,5 |
1,4 |
0,2 |
1,4 |
0,6 |
0,5 |
1,4 |
0,3 |
1,2 |
0,2 |
0,6 |
0,5 |
1,4 |
|
63 |
0,4 |
1,5 |
0,6 |
1,6 |
0,3 |
1,4 |
0,8 |
0,6 |
1,6 |
0,4 |
1,5 |
0,3 |
0,8 |
0,6 |
1,6 |
|
75 |
0,5 |
1,6 |
0,7 |
1,6 |
0,3 |
1,5 |
0,9 |
0,7 |
1,6 |
0,5 |
1,8 |
0,3 |
0,9 |
0,7 |
1,6 |
|
90 |
0,6 |
1,8 |
0,9 |
1,8 |
0,3 |
1,6 |
1,1 |
0,9 |
1,8 |
0,6 |
2,2 |
0,3 |
1,1 |
0,9 |
1,8 |
|
110 |
0,7 |
2,2 |
1,0 |
2,2 |
0,4 |
1,8 |
1,4 |
1,0 |
2,0 |
0,7 |
2,7 |
0,4 |
1,4 |
1,0 |
2,0 |
|
125 |
0,8 |
2,5 |
1,2 |
2,5 |
0,4 |
2,2 |
1,5 |
1,2 |
2,5 |
0,8 |
3,0 |
0,4 |
1,5 |
1,2 |
2,5 |
|
140 |
0,9 |
2,8 |
1,3 |
2,8 |
0,5 |
2,5 |
1,7 |
1,3 |
2,8 |
0,9 |
3,4 |
0,5 |
1,7 |
1 3 |
2 8 |
|
160 |
1,0 |
3,2 |
1,5 |
3,2 |
0,5 |
2,8 |
2,0 |
1,5 |
3,2 |
1,0 |
3,9 |
0,5 |
2,0 |
1,5 |
3 2 |
|
180 |
1Д |
3,6 |
1,7 |
3,6 |
0,6 |
3,2 |
2,2 |
1,7 |
3,6 |
1,1 |
4,4 |
0,6 |
2,2 |
1,7 |
3,6 |
|
200 |
1,2 |
4,0 |
1,8 |
4,0 |
0,6 |
3,6 |
2,4 |
1,8 |
4,0 |
1,2 |
4,8 |
0,6 |
2,4 |
1 8 |
4 0 |
|
225 |
1,4 |
4,5 |
2,1 |
4,5 |
0,7 |
4,0 |
2,7 |
2,1 |
4,5 |
1,4 |
5,4 |
0,7 |
2,7 |
2,1 |
4,5 |
|
250 |
1,5 |
5,0 |
2,3 |
5,0 |
0,8 |
4,5 |
3,0 |
2,3 |
5,0 |
1,5 |
6,0 |
0,8 |
3,0 |
2,3 |
5,0 |
|
280 |
1,7 |
9,8 |
2,5 |
9,8 |
0,9 |
5,0 |
3,4 |
- |
- |
2,6 |
6,8 |
0,9 |
3,4 |
- |
- |
|
315 |
1,9 |
11,1 |
2,8 |
11,1 |
1,0 |
6,8 |
3,8 |
- |
- |
2,9 |
7,6 |
1,0 |
3,8 |
- |
- |
|
355 |
2,2 |
12,5 |
3,2 |
12,5 |
1,1 |
7,6 |
4,3 |
- |
- |
3,2 |
8,6 |
1,1 |
4,3 |
- |
- |
|
400 |
2,4 |
14,0 |
3,6 |
14,0 |
1,2 |
8,6 |
4,8 |
- |
- |
3,6 |
9,6 |
1,2 |
4,8 |
- |
- |
|
450 |
2,7 |
15,6 |
3,8 |
15,8 |
1,4 |
9,6 |
5,4 |
- |
- |
3,8 |
10,8 |
1,4 |
5,4 |
- |
- |
|
500 |
3,0 |
17,5 |
4,0 |
17,5 |
1,5 |
10,8 |
6,0 |
- |
- |
- |
- |
1,5 |
6,0 |
- |
- |
|
560 |
3,4 |
19,6 |
4,3 |
19,6 |
1,7 |
12,0 |
6,8 |
- |
- |
- |
- |
1,7 |
6,8 |
- |
- |
|
630 |
3,8 |
22,1 |
4,6 |
22,1 |
1,9 |
13,5 |
7,6 |
- |
- |
- |
- |
1,9 |
7,6 |
- |
- |
|
710 |
6,4 |
24,9 |
4,9 |
24,9 |
2,0 |
15,2 |
8,6 |
- |
- |
- |
- |
- |
- |
- |
- |
|
800 |
7,2 |
28,0 |
5,0 |
28,0 |
2,0 |
17,1 |
9,6 |
- |
- |
- |
- |
- |
- |
- |
- |
|
900 |
8,1 |
31,5 |
5,0 |
31,5 |
2,0 |
19,2 |
- |
- |
- |
- |
- |
- |
- |
- |
- |
|
1000 |
9,0 |
35,0 |
5,0 |
35,0 |
2,0 |
21,6 |
- |
- |
- |
- |
- |
- |
- |
- |
- |
|
1200 |
10,8 |
42,0 |
6,0 |
42,0 |
- |
24,0 |
- |
- |
- |
- |
- |
- |
- |
- |
- |
|
1400 |
12,6 |
49,0 |
6,0 |
49,0 |
- |
- |
- |
- |
- |
- |
- |
- |
- |
- |
- |
|
1600 |
14,4 |
56,0 |
6,0 |
56,0 |
- |
- |
- |
- |
- |
- |
- |
- |
- |
- |
- |
|
1) Предельное отклонение среднего наружного диаметра соответствует квалитету А для d ≤ 400. 2) Предельное отклонение среднего наружного диаметра для d ≤ 250 соответствует квалитету В, а для d > 250 - квалитету А. 3) Предельное отклонение среднего наружного диаметра соответствует квалитету С для d ≥ 63. 4) Овальность соответствует квалитету N. 5) Овальность соответствует квалитету М. 6) Овальность для d ≤ 250 соответствует квалитету N, а для d > 250 - квалитету М. 7) Предельное отклонение среднего наружного диаметра для d ≤ 630 соответствует квалитету В, а для d ≥ 710 - квалитету А 8) Овальность соответствует значениям для квалитета М, умноженным на 0,5. Примечания: 1 Квалитеты установлены в ГОСТ ИСО 11922-1 и [2]. 2 Предельные отклонения среднего наружного диаметра рассчитываются по следующим формулам: квалитет А: (+ 0,009d), округленное до 0,1 мм, но не менее 0,3 и не более 10,0; квалитет В: (+ 0,006d), округленное до 0,1 мм, но не менее 0,3 и не более 4,0; квалитет С: (+ 0,003d), округленное до 0,1 мм, но не менее 0,3 и не более 2,0. 3 Допустимую овальность труб в отрезках, измеренную сразу после изготовления, рассчитывают по следующим формулам: квалитет N: для d ≤75: (0,008d + 1), но не менее 1,2 мм, для 75 < d ≤ 250: (0,02d) и для d > 250: (0,035d), округленная до 0,1 мм; квалитет М: (0,024d), округленная до 0,1 мм. 4 Предельные отклонения среднего наружного диаметра труб из РЕ, РР-Н, РР-В, PP-R, PE-X, PE-RT, соединяемых при помощи электросварных фитингов, должны соответствовать квалитету В. 5 Для труб, поставляемых в бухтах, по требованию потребителя может быть установлена допустимая овальность по квалитету К (0,06d), измеренная при отгрузке потребителю или перед установкой на объект.
|
|||||||||||||||
Пункт 4.2. Таблица 3. Заменить знак: «>» на «≥»;
дополнить графой - PE-RT;
в графе «PE-RT» для значений толщины стенки е от 1,0 мм до 42,0 мм включительно проставить значения предельных отклонений как в графе «РЕ-63, РЕ-80, РЕ-100», для значений толщины стенки е от 42,1 мм до 62,0 мм включительно проставить прочерк;
примечания изложить в новой редакции:
«Примечание
1 Квалитеты установлены ГОСТ ИСО 11922-1 и [2].
2 Предельные отклонения толщины стенки рассчитываются по формуле: квалитет W: (0,1е + 0,2), округленное до 0,1 мм.
3 Допускается в НД на конкретные виды труб устанавливать предельные отклонения толщины стенки, соответствующие квалитету V, рассчитываемые по следующей формуле: квалитет V: (0,1е + 0,1), округленное до 0,1 мм».
Пункт 4.5. Первый абзац после слов «с указанием десятикратного значения MRS» дополнить словами: «для труб из РЕ»;
третий абзац. Исключить слова: «минимальной длительной прочностью MRS = 8,0 МПа,»;
пример условного обозначения. Заменить обозначение: PP-R 80 на PP-R.
Подпункт 4.6.1 изложить в новой редакции:
«4.6.1 Фитинги для соединения при помощи сварки должны изготовляться из РЕ, РР-Н, РР-В, PP-R, РВ, РЕ-Х, PE-RT и свариваться с трубами из того же материала. Их различают по способу сварки:
- встык для труб из РЕ;
- в раструб для труб из РЕ, РР-Н, РР-В, PP-R, PB, PE-RT;
- электросварные для труб из РЕ, РР-Н, РР-В, PP-R, РВ, РЕ-Х, PE-RT».
Подпункт 4.6.3. Первый абзац после обозначения «PVC-C» дополнить обозначением: «,PE-RT».
Подпункт 4.6.5. Первый абзац после слов «с указанием десятикратного значения MRS» дополнить словами: «для фитингов из РЕ»;
третий абзац. Исключить слова: «минимальной длительной прочностью MRS = 8,0 МПа,»;
пример условного обозначения. Заменить обозначение: PP-R 80 на PP-R;
четвертый абзац. Заменить обозначение: PVC-U 100 на PVC-U.
Подпункт 5.1.2. Таблицу 5 изложить в новой редакции:
Таблица 5 - Трубы из РЕ 63, РЕ 80, РЕ 100
|
Температура испытаний, °С |
Время испытании, ч, не менее |
Начальное напряжение в стенке трубы, МПа |
||
|
РЕ 100 |
РЕ 80 |
РЕ 63 |
||
|
20 |
100 |
12,4 |
9,0 |
8,0 |
|
80 |
1651) |
5,4 |
4,5 |
3,5 |
|
80 |
1000 |
5,0 |
4,0 |
3,2 |
|
1) В случае пластического разрушения при режиме 80 °С - 165 ч проводят повторные испытания до получения удовлетворительного результата при более низких значениях напряжения в соответствии с таблицей 5а. |
||||
пункт дополнить таблицей - 5а:
Таблица 5а
|
РЕ 100 |
РЕ 80 |
РЕ 63 |
|||
|
Начальное напряжение в стенке трубы, МПа |
Время испытаний, ч |
Начальное напряжение в стенке трубы, МПа |
Время испытаний, ч |
Начальное напряжение в стенке трубы, МПа |
Время испытаний, ч |
|
|
|
4,5 |
165 |
|
|
|
5,4 |
165 |
4,4 |
233 |
3,5 |
165 |
|
5,3 |
256 |
4,3 |
331 |
3,4 |
295 |
|
5,2 |
399 |
4,2 |
474 |
3,3 |
538 |
|
5,1 |
629 |
4,1 |
685 |
3,2 |
1000 |
|
5,0 |
1000 |
4,0 |
1000 |
|
|
таблица 6. Наименование изложить в новой редакции: «Таблица 6 - Трубы из PVC-U»;
таблицы 8, 9. Заменить обозначение материала: РР-Н 100 на РР-Н, РР-В 80 на РР-В, PP-R 80 на PP-R, РВ 125 на РВ;
таблицу 10 изложить в новой редакции:
Таблица 10 - Трубы из PVC-C Тип I и PVC-C Тип II
|
Температура испытаний, °С |
Начальное напряжение в стенке трубы, МПа |
Время испытаний, ч, не менее |
|
|
PVC-C Тип I |
PVC-C Тип II |
||
|
20 |
43,0 |
48,0 |
1 |
|
95 |
5,6 |
5,9 |
165 |
|
95 |
4,6 |
4,7 |
1000 |
пункт дополнить таблицей - 10а:
Таблица 10а - Трубы из PE-RT Тип I и PE-RT Тип II
|
Температура испытаний, °С |
Начальное напряжение в стенке трубы, МПа |
Время испытаний, ч, не менее |
|
|
PE-RT Тип I |
PE-RT Тип II |
||
|
20 |
9,9 |
10,8 |
1 |
|
95 |
3,8 |
3,9 |
22 |
|
95 |
3,6 |
3,7 |
165 |
|
95 |
3,4 |
3,6 |
1000 |
Подпункты 5.1.3, 5.1.4 изложить в новой редакции:
«5.1.3 Термическая стабильность труб из РР-Н, РР-В, PP-R, РЕ-Х, РВ, PE-RT Тип I, PE-RT Тип II при действии постоянного внутреннего давления должна проверяться при режимах испытаний, указанных в таблице 11.
Таблица 11 - Термическая стабильность труб из РР-Н, РР-В, PP-R, РЕ-Х, РВ, PE-RT Тип I, PE-RT Тип II
|
Материал труб |
Температура испытаний, °С |
Начальное напряжение в стенке трубы, МПа |
Время испытаний, ч |
|
РЕ-Х |
110 |
2,5 |
8760 |
|
РР-Н |
1,95 |
||
|
РР-В |
1,4 |
||
|
PP-R |
1,9 |
||
|
РВ |
2,4 |
||
|
PE-RT Тип I |
1,9 |
||
|
РТ-ЯТ Тип II |
2,3 |
5.1.4 Термическая стабильность труб из PVC-C при действии постоянного внутреннего давления должна проверяться при режимах испытаний, указанных в таблице 12.
Таблица 12 - Термическая стабильность труб из PVC-C
|
Материал труб |
Температура испытаний, °С |
Начальное напряжение в стенке трубы, МПа |
Время испытаний, ч, не менее |
|
PVC-C Тип I |
95 |
3,6 |
8760 |
|
PVC-С Тип II |
100 |
2,4 |
8760 |
Подпункт 5.1.5. Таблицу 13 дополнить обозначением: PE-RT и соответствующими значениями:
|
Материал труб |
Температура испытаний, °С |
Толщина стенки, мм |
Время испытаний, мин |
Изменение длины после прогрева, %, не более |
|
PE-RT |
110±2 |
До 8 |
60 ± 2 |
2 |
|
От 8 до 16 |
120 ± 2 |
|||
|
Св.16 |
240 ± 5 |
Подпункт 5.1.8. Заменить слова: «30 % - для труб из РР-Н, РР-В, РР-В, PP-R (230 °С/2,16 кг)» на «30 % - для труб из РР-Н, РР-В, PP-R (230 °С/2,16 кг), PE-RT (190 °С/5,0 кг);».
Подпункт 5.1.11 изложить в новой редакции:
«5.1.11 Температура размягчения по Вика труб из PVC-U должна быть не менее 80 °С, труб из PVC-C Тип I - не менее 110 °С, труб из PVC-C Тип II - не менее 115 °С».
Подпункты 5.1.13, 5.1.14. Заменить слова: «классов эксплуатации 3-5» на «классов эксплуатации 4 и 5».
Подпункт 5.1.15 изложить в новой редакции:
«5.1.15 Стойкость материала фитингов при постоянном внутреннем давлении должна соответствовать таблице 15, если материал фитингов идентичен материалу труб. Материал фитингов, неидентичный материалу труб, должен проверяться на длительную прочность в соответствии с 5.3.1.
Таблица 15
|
Материал фитингов |
Температура испытаний, °С |
Начальное напряжение в стенке трубы, МПа |
Время испытаний, ч, не менее |
|
РР-Н |
20 |
21 |
1 |
|
|
95 |
3,5 |
1000 |
|
РР-В |
20 |
16,0 |
1 |
|
|
95 |
2,6 |
1000 |
|
PP-R |
20 |
16,0 |
1 |
|
|
95 |
3,5 |
1000 |
|
РЕ-Х |
20 |
12,0 |
1 |
|
|
95 |
4,4 |
1000 |
|
РВ |
20 |
15,5 |
1 |
|
|
95 |
6,0 |
1000 |
|
PE-RT Тип I |
20 |
9,9 |
1 |
|
|
95 |
3,4 |
1000 |
|
РЕ-RТ Тип II |
20 |
10,8 |
1 |
|
|
95 |
3,6 |
1000 |
|
PVC-C Тип I |
20 |
33,7 |
1 |
|
|
60 |
21,07 |
1 |
|
|
80 |
6,14 |
3000 |
|
PVC-С Тип II |
20 |
43,96 |
1 |
|
|
60 |
29,91 |
1 |
|
|
80 |
7,44 |
3000 |
|
|
95 |
4,37 |
1000 |
|
PVC-U |
60 |
10,0 |
1000 |
Подпункт 5.1.17. Последний абзац изложить в новой редакции:
«Величины испытательного давления фитингов из материалов, идентичных материалу труб, приведены в приложении Г. Фитинги из полимерных материалов, не идентичных материалу труб, должны соответствовать требованиям таблицы 15 в части температуры и времени испытаний, а испытательное давление должно рассчитываться по формуле (6)».
Подпункт 5.1.18. Таблицу 16 изложить в новой редакции:
Таблица 16
|
Температура испытаний, °С |
Время испытаний, ч, не менее |
Испытательное давление1), бар |
|
20 |
1 |
4,2PN |
|
20 |
100 |
3,5PN |
|
20 |
1000 |
3,2PN |
|
60 |
1000 |
1.0PN |
|
1) Значения номинальных давлений PN приведены в приложении Д. |
||
Подпункт 5.1.21 изложить в новой редакции:
«5.1.21 Температура размягчения по Вика фитингов из PVC-U должна быть не менее 74 °С, фитингов из PVC-C Тип I - не менее 103 °С, фитингов из PVC-C Тип II - не менее 115 °С».
Подпункт 5.1.23 изложить в новой редакции:
«5.1.23 Характеристики фитингов и деталей из металла должны соответствовать указанным в нормативных документах на изделия».
Подпункт 5.1.24. Таблица 19. Графа «клеевое». Для характеристики соединения «Стойкость к действию растягивающей нагрузки» заменить знак: «+» на «-».
Подпункт 5.1.25 после слов «указанных в таблице 20» дополнить словами: «и таблице 20а для клеевых соединений труб из PVC-C Тип I, PVC-С Тип II»;
дополнить абзацем (перед таблицей 20):
«Значения испытательного давления соединений приведены в приложении Г»;
таблицу 20 изложить в новой редакции:
Таблица 20
|
Материал труб |
Класс эксплуатации |
Температура испытаний, °С |
Время испытаний, ч, не менее |
Начальное напряжение в стенке трубы, МПа |
|
РР-Н |
1, 2, 5 |
95 |
1000 |
3,5 |
|
4 |
80 |
1000 |
5,0 |
|
|
РР-В |
1, 2, 5 |
95 |
1000 |
2,6 |
|
4 |
80 |
1000 |
3,7 |
|
|
PP-R |
1, 2, 5 |
95 |
1000 |
3,5 |
|
4 |
80 |
1000 |
4,6 |
|
|
РЕ-Х |
1, 2, 5 |
95 |
1000 |
4,4 |
|
4 |
80 |
1000 |
5,2 |
|
|
РВ |
1, 2, 5 |
95 |
1000 |
6,0 |
|
4 |
80 |
1000 |
8,2 |
|
|
РЕ-РТ Тип I |
1, 2, 5 |
95 |
1000 |
3,4 |
|
4 |
80 |
1000 |
4,5 |
|
|
РЕ-RT Тип II |
1, 2, 5 |
95 |
1000 |
3,6 |
|
4 |
80 |
1000 |
4,81 |
|
|
PVC-C Тип I (механическое соединение) |
1,2 |
80 |
3000 |
8,25 |
|
PVC-С Тип II (механическое соединение) |
1, 2, 5 |
95 |
1000 |
4,68 |
|
4 |
80 |
1000 |
10,18 |
пункт дополнить таблицей - 20а:
Таблица 20а
|
Материал фитингов |
Класс эксплуатации |
Температура испытаний, °С |
Время испытаний, ч, не менее |
Начальное напряжение в стенке трубы, МПа |
|
PVC-C Тип I (клеевое соединение) |
1,2 |
80 |
3000 |
6,14 |
|
PVC-С Тип II (клеевое соединение) |
1, 2, 5 |
95 |
1000 |
4,37 |
|
4 |
80 |
1000 |
8,59 |
Подпункт 5.1.26. Заменить значение: «не выше 90 °С» на «не более 95 °С».
Подпункт 5.1.27. Таблица 21. Графа «Максимум». Заменить значения: 0,4 на 0,6; 0,6 на 0,9; 0,8 на 1,2; 1,0 на 1,5.
Подпункт 5.1.28. Таблица 22. Заменить обозначение: «Тмакс + 10» на «Тмакс + 10, но не более 95 °С».
Подпункт 5.1.29. Второй абзац до слов «Может устанавливаться» изложить в новой редакции: «Требование распространяется на трубы из РР-Н, РР-В, PP-R, РЕ-Х, РВ, PE-RT».
Подпункт 5.1.31. Таблицу 23 изложить в новой редакции:
Таблица 23
|
Температура испытаний, °С |
Время испытаний, ч, не менее |
Испытательное давление1), бар |
|
20 |
1000 |
1,7PN |
|
40 |
1000 |
1,3PN |
|
60 |
1000 |
0,61PN |
|
1) Значения номинальных давлений PN приведены в приложении Д. |
||
Подпункт 5.1.33. Таблица 25. Головка. Заменить слова: «Испытательное давление, МПа» на «Испытательное давление».
Подпункт 5.2.1. Первый абзац после слов «в таблице 26» изложить в новой редакции (дополнить примечанием):
«Установлены следующие классы эксплуатации труб и фитингов:
- класс 1 - для РР-Н, РР-В, PP-R, РЕ-Х, РВ, PVC-C Тип I, PVC-C Тип II, PE-RT Тип I, PE-RT Тип II;
- класс 2 - для РР-Н, РР-В, PP-R, РЕ-Х, РВ, PVC-C Тип I, PVC-C Тип II, PE-RT Тип I, PE-RT Тип II;
- класс 4 - для РР-Н, РР-В, PP-R, РЕ-Х, РВ, PVC-C Тип II, PE-RT Тип I, PE-RT Тип II;
- класс 5 - для РР-Н, РР-В, PP-R, РЕ-Х, РВ, PVC-C Тип II, PE-RT Тип I, PE-RT Тип II;
- класс «ХВ» - для РЕ и PVC-U.
Примечание - Класс 3 (низкотемпературное напольное отопление), установленный в [5], не применяется в настоящем стандарте»;
таблица 26. Обозначение класса 3 и соответствующие значения исключить.
Подпункт 5.2.5. Заменить слова: «классов эксплуатации 1-5» на «классов эксплуатации 1, 2, 4 и 5».
Подпункт 5.2.6. Заменить обозначение: «PVC-C» на «PVC-C Тип I».
Подпункт 5.2.7 изложить в новой редакции:
«5.2.7 В качестве расчетной серии S'макс для труб классов эксплуатации 1, 2, 4 и 5 принимают меньшую из величин, полученных по формулам (9) или (9а):
S'макс = σо/рмакс (9)
где σо - расчетное напряжение в стенке трубы, МПа, для классов эксплуатации 1, 2, 4 и 5, определяемое по правилу Майнера (приложение А);
рмакс- максимальное рабочее давление 0,4; 0,6; 0,8 или 1,0 МПа;
S'макс = σs/рмакс (9а)
где σs - допустимое напряжение в стенке трубы при 20 °С в течение 50 лет;
рмакс - максимальное рабочее давление 1,0 МПа».
Подпункт 5.2.9. Первый абзац изложить в новой редакции:
«При определении S'макс и S'хв округление проводят до 0,1. Для заданного класса эксплуатации и величины максимального рабочего давления должна быть выбрана номинальная серия труб S, установленная в таблице 1, величиной не более расчетной серии S'макс».
Подпункт 5.2.10 Таблицу 27 изложить в новой редакции:
Таблица 27
|
Материал |
Коэффициент запаса прочности С, не менее 1) |
|
РЕ |
1,25 |
|
PE-RT |
1,25 |
|
РЕ-Х |
1,25 |
|
РР-Н |
1,6 |
|
РР-В, PP-R |
1,25 2) |
|
РВ |
1,25 |
|
PVC-U |
1,6 2) |
|
PVC-C |
1,6 2) |
|
1) Значения минимальных коэффициентов запаса прочности при температуре 20 °С установлены ГОСТ ИСО 12162 и [3]. 2) Установлены следующие коэффициенты запаса прочности С при температуре 20 °С для: РР-В, PP-R - 1,4; PVC-C - 2,5; PVC-U - 2,5 для d ≤ 90 мм и 2,0 для d > 90 мм. |
|
Подпункт 5.2.11 изложить в новой редакции:
«5.2.11 Толщина стенки фитингов из РР-Н, РР-В, PP-R, РЕ-Х, РВ, PE-RT, РЕ, PVC-U должна быть не менее рассчитанной для труб того же типоразмера и условий эксплуатации. Толщина стенки фитингов из PVC-C должна быть не менее рассчитанной для труб того же типоразмера и условий эксплуатации и умноженной на коэффициент 1,35».
Подпункт 5.3.1. Первый абзац после слова «уравнениями» изложить в новой редакции: «которые устанавливают величины σLPL и представлены в приложении В»;
Подпункт 5.3.2.2. Заменить обозначения: «PVC-U 100, PVC-U 125» на «PVC-U».
Подпункт 5.3.2.6 изложить в новой редакции:
«5.3.2.6 Хлорированный поливинилхлорид PVC-C типов PVC-C Тип I и PVC-C Тип II минимальной длительной прочностью MRS не менее 25,0 МПа для материала труб и не менее 20,0 МПа для материала фитингов».
Раздел 5 дополнить подпунктом - 5.3.2.7:
«5.3.2.7 Полиэтилен повышенной термостойкости PE-RT типов PE-RT Тип I и PE-RT Тип II минимальной длительной прочностью MRS не менее 8,0 МПа».
Подпункт 5.5.1 дополнить абзацем (после последнего):
«В маркировке фитингов из РР-Н, РР-В, PP-R, РЕ-Х, РВ, PVC-C, PE-RT допускается не указывать допустимые классы эксплуатации и соответствующие им величины максимального рабочего давления».
Подпункт 7.3.1. Таблицу 32 изложить в новой редакции:
|
Группа размеров |
Диапазон величин номинальных диаметров, мм |
|
1 |
От 10 до 63 |
|
2 |
« 75 « 225 |
|
3 |
« 250 « 630 |
|
4 |
710 и более |
Пункт 7.4. Таблица 35. Графа «Контролируемый параметр труб или фитингов». Показатель 11. Заменить обозначения:
«PVC-C» на «PVC-C, PE-RT»;
«20 °С» на «20 °С (60 °С)»;
«1000 ч» на «1000 ч (3000 ч)»;
для показателя 13 изложить в новой редакции:
|
Контролируемый параметр труб или фитингов |
Номер пункта настоящего стандарта |
Периодичность контроля, не менее |
Количество проб труб или образцов фитингов, шт. |
|
|
технических требований |
методов контроля |
|||
|
13 Стойкость при постоянном внутреннем давлении фитингов из PVC-U и их соединений: |
|
|
|
|
|
20 °С - 1 ч |
5.1.18, 5.1.31 |
8.7, 8.8 |
На каждой партии |
3 |
|
20 °С- 100 ч |
|
|
Один раз в 6 мес |
3 |
|
20 °С- 1000ч |
|
|
Один раз в 12 мес |
3 |
|
40 °С - 1000 ч или 60 °С - 1000 ч |
|
|
Один раз в 12 мес |
3 |
таблицы 36, 37. Сноску 1) после слов «при температуре 95 °С» дополнить словами: «для РР-Н, РР-В, PP-R, PE-X, PB, PVC-C Тип I, PVC-C Тип II, PE-RT Тип I, PE-RT Тип II»; заменить слова: «обе точки» на «все точки»;
таблица 37. Графу «Количество испытуемых фитингов» для параметра «Стойкость фитингов при постоянном внутреннем давлении» изложить в новой редакции: «3 для каждой группы размеров и видов»;
таблица 38. Графу «Количество испытуемых узлов соединений» изложить в новой редакции:
|
Контролируемый параметр соединения |
Количество испытуемых узлов соединений, шт. |
|
Стойкость к действию постоянного внутреннего давления |
3 для каждой группы размеров и конструкции соединения |
|
Стойкость при циклическом изменении температуры |
Согласно рисунку 3 для каждой конструкции соединения |
|
Стойкость при циклическом изменении давления |
3 для каждой группы размеров и конструкции соединения |
|
Стойкость к действию растягивающей нагрузки 1) |
3 для группы размеров 1 (таблица 32) для каждой конструкции соединения |
|
Стойкость к действию постоянного внутреннего давления при изгибе |
|
|
Стойкость при разрежении 1) |
3 для каждой группы размеров и группы давлений |
|
Стойкость клеевых соединений труб и фитингов из PVC-C Тип I к Тавар |
Согласно рисунку 2 на образцах любого номинального диаметра |
Подпункты 8.4.3, 8.4.4. Заменить ссылку: ГОСТ 29325 на ГОСТ Р ИСО 3126.
Пункт 8.9. Заменить обозначение: «PVC-C» на «PVC-С Тип I».
Пункт 8.16. Второй абзац изложить в новой редакции:
«Стружку помещают в контейнер из металлической сетки с размером ячейки (125 ± 25) мкм. Определяют массу контейнера со стружкой с погрешностью не более 0,001 г»;
третий абзац. Заменить слова: «из проволоки» на «из сетки»;
четвертый абзац. Заменить слова: «массу образца» на «массу контейнера с образцом»;
пятый, шестой абзацы изложить в новой редакции:
«Степень сшивки G в процентах вычисляют по формуле
(13)
где m1 - масса контейнера, г;
т2 - масса контейнера со стружкой до кипячения, г;
m3 - масса контейнера со стружкой после кипячения, г.
Результат округляют до целого числа»;
последний абзац. Заменить слова: «трех образцов» на «двух образцов».
Пункт 8.22. Заменить ссылку: (5.1.27) на (5.1.26);
второй абзац. Перечисление 1). Заменить слова: «составлять не менее 4,8 МПа» на «соответствовать таблице 48»;
дополнить таблицей - 48:
|
Материал труб |
Осевое напряжение, МПа |
|
РР-Н |
3,6 |
|
РР-В |
3,0 |
|
PP-R |
2,4 |
|
РЕ-Х |
1,8 |
|
РВ |
0,9 |
|
PVC-C |
3,4 |
|
РЕ-RТ Тип I |
2,2 |
|
РЕ-RТ Тип II |
2,6 |
Приложение А. Наименование приложения дополнить ссылкой: [6].
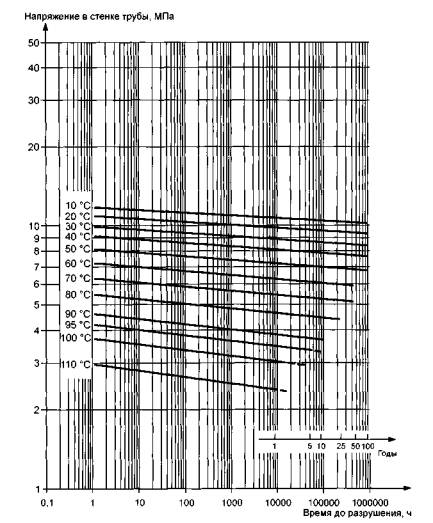
Приложение В. Пункт В.1 изложить в новой редакции (кроме рисунков В.1-В.5, В.8-В.10):
«В.1 Эталонные кривые длительной прочности РР-Н, РР-В, PP-R, РЕ-Х, РВ, PVC-C Тип I, PVC-C Тип II, PE-RT Тип I, PE-RT Тип II, РЕ 63, РЕ 80, РЕ 100, PVC-U представлены на рисунках В.1 - В.15.
Примечание - Эталонные кривые длительной прочности получены по методике стандарта [4]»;
рисунки В.1 - В.3, В.5. Наименование. Заменить слова: «труб из РР-Н 100» на «РР-Н», «труб из РР-В 80» на «РР-В», «труб из PP-R 80» на «PP-R», «труб из РЕ-Х» на «РЕ-Х», «труб из РВ 125» на «РВ»;
рисунки В.6, В.7, В.11 заменить новыми:

![]()
где t - время, ч; T - температура, K; σ - напряжение в стенке трубы, МПа
Рисунок В.6 - Эталонные кривые длительной прочности материала труб PVC-C Тип I

![]()
где t - время, ч; T - температура, K; σ - напряжение в стенке трубы, МПа
Рисунок В.7 - Эталонные кривые длительной прочности материала труб PVC-C Тип I

![]()
где t - время, ч; T - температура, K; σ - напряжение в стенке трубы, МПа
Рисунок В.11 - Эталонные кривые длительной прочности PVC-U
приложение В дополнить рисунками - В.12 - В.15:

![]()
где t - время, ч; T - температура, K; σ - напряжение в стенке трубы, МПа
Рисунок В.12 - Эталонные кривые длительной прочности материала труб PVC-C Тип II

![]()
где t - время, ч; T - температура, K; σ - напряжение в стенке трубы, МПа
Рисунок В.13 - Эталонные кривые длительной прочности материала фитингов PVC-C Тип II

Левая часть ломаной: lg(t) = - 190,481 - (58219,035/T) • lg(σ) + 78763,07/T + 119,877 - lg(σ).
Правая часть ломаной: lg(t) = - 23,7954 - (1723,318/7) • lg(σ) + 11150,56/T,
где t - время, ч; Т - температура, K; σ - напряжение в стенке трубы, МПа
Рисунок В.14 - Эталонные кривые длительной прочности РЕ-RТ Тип I

lg(t) = - 219 - (62600,752/T) • lg(σ) + 90635,353/T + 126,387 • lg(σ),
где t - время, ч; Т - температура, K; σ - напряжение в стенке трубы, МПа
Рисунок В.15 - Эталонные кривые длительной прочности PE-RT Тип II
Приложение Г. Пункт Г.1 изложить в новой редакции (кроме таблицы Г.1):
«Г.1 Значения испытательного давления Рф, МПа, фитингов из РР-Н, РР-В, PP-R, РЕ-Х, РВ, PE-RT Тип I, PE-RT Тип II и их соединений с трубами представлены в таблице Г.1»;
таблица Г.1. Заменить обозначение: РР-Н 100 на РР-Н, РР-В 80 на РР-В, PP-R 80 на PP-R, РЕ-Х 80 на РЕ-Х, РВ 125 на РВ;
головка таблицы. Для класса 4 заменить значение: 95 °С на 80 °С;
таблицу Г.1 дополнить обозначениями - PE-RT Тип I и PE-RT Тип II и соответствующими значениями:
|
Материал |
Максимальное рабочее давление Рмакс, МПа |
Испытательное давление, МПа |
|||||||
|
Класс 1 |
Класс 2 |
Класс 4 |
Класс 5 |
||||||
|
20 °С/ не менее 1 ч |
95 °С/ не менее 1000 ч |
20 °С/ не менее 1 ч |
95 °С/ не менее 1000 ч |
20 °С/ не менее 1 ч |
80 °С/ не менее 1000 ч |
20 °С/ не менее 1 ч |
95 °С/ не менее 1000 ч |
||
|
PE-RT |
0,4 |
1,48 |
0,51 |
1,48 |
0,51 |
1,48 |
0,68 |
1,66 |
0,58 |
|
Тип I |
0,6 |
1,80 |
0,63 |
2,21 |
0,77 |
1,82 |
0,84 |
2,48 |
0,87 |
|
|
0,8 |
2,40 |
0,83 |
2,94 |
1,02 |
2,43 |
1,12 |
3,31 |
1,15 |
|
|
1,0 |
2,99 |
1,04 |
3,68 |
1,28 |
3,03 |
1,40 |
4,14 |
1,44 |
|
PE-RT |
0,4 |
1,45 |
0,48 |
1,45 |
0,48 |
1,45 |
0,64 |
1,5 |
0,5 |
|
Тип II |
0,6 |
1,84 |
0,61 |
1,93 |
0,64 |
1,92 |
0,85 |
2,26 |
0,75 |
|
|
0,8 |
2,45 |
0,81 |
2,57 |
0,85 |
2,56 |
1,14 |
3,01 |
1,0 |
|
|
1,0 |
3,07 |
1,02 |
3,21 |
1,06 |
3,2 |
1,42 |
3,76 |
1,24 |
пункты Г.2, Г.3 и таблицы Г.2, Г.3 изложить в новой редакции:
«Г.2 Значения испытательного давления, МПа, фитингов из PVC-C Тип I и PVC-C Тип II и клеевых соединений представлены в таблице Г.2.
Таблица Г.2
|
Материал |
Класс эксплуатации |
Расчетное напряжение, σ0, МПа |
Температура испытаний, °С |
Время испытаний, ч. не менее |
Максимальное рабочее давление рмакс, МПа |
|||
|
0,4 |
0,6 |
0,8 |
1,0 |
|||||
|
PVC-C Тип I |
Класс 1 |
3,17 |
20 |
1 |
4,25 |
6,38 |
8,50 |
10,63 |
|
60 |
1 |
2,66 |
3,99 |
5,32 |
6,65 |
|||
|
80 |
3000 |
0,77 |
1,16 |
1,55 |
1,94 |
|||
|
Класс 2 |
3,08 |
20 |
1 |
4,38 |
6,56 |
8,75 |
10,94 |
|
|
60 |
1 |
2,74 |
4,10 |
5,47 |
6,84 |
|||
|
80 |
3000 |
0,80 |
1,20 |
1,59 |
1,99 |
|||
|
PVC-C Тип 11 |
Класс 1 |
3,74 |
20 |
1 |
5,5 |
7,06 |
9,42 |
11,7 |
|
60 |
1 |
3,20 |
4,80 |
6,41 |
8,01 |
|||
|
80 |
3000 |
0,80 |
1,20 |
1,59 |
1,99 |
|||
|
95 |
1000 |
0,47 |
0,7 |
0,94 |
1,17 |
|||
|
Класс 2 |
3,21 |
20 |
1 |
5,5 |
8,22 |
10,97 |
13,71 |
|
|
60 |
1 |
3,73 |
5,60 |
7,46 |
9,33 |
|||
|
80 |
3000 |
0,93 |
1,39 |
1,86 |
2,32 |
|||
|
95 |
1000 |
0,55 |
0,82 |
1,09 |
1,36 |
|||
|
Класс 4 |
4,31 |
20 |
1 |
5,5 |
6,12 |
8,15 |
10,19 |
|
|
60 |
1 |
2,77 |
4,16 |
5,55 |
6,94 |
|||
|
70 |
3000 |
0,97 |
1,46 |
1,94 |
2,43 |
|||
|
80 |
1000 |
0,8 |
1,2 |
1,59 |
1,99 |
|||
|
Класс 5 |
2,26 |
20 |
1 |
7,79 |
11,69 |
15,59 |
19,48 |
|
|
60 |
1 |
5,30 |
7,95 |
10,60 |
13,26 |
|||
|
95 |
1000 |
0,77 |
1,16 |
1,55 |
1,94 |
|||
|
95 |
3000 |
0,64 |
0,96 |
1,29 |
1,61 |
|||
Г.3 Значения испытательного давления для механических соединений труб из PVC-C Тип I и PVC-C Тип II представлены в таблице Г.3.
Таблица Г.3
|
Материал |
Класс эксплуатации |
Температура испытаний, °С |
Время испытаний, ч, не менее |
Максимальное рабочее давление pмакс, МПа |
|||
|
0,4 |
0,6 |
0,8 |
1,0 |
||||
|
PVC-C Тип I |
Класс 1 |
80 |
3000 |
0,75 |
1,13 |
1,51 |
1,88 |
|
Класс 2 |
80 |
3000 |
0,79 |
1,19 |
1,59 |
1,98 |
|
|
PVC-С Тип II |
Класс 1 |
95 |
1000 |
0,39 |
0,59 |
0,78 |
0,98 |
|
Класс 2 |
95 |
1000 |
0,41 |
0,62 |
0,82 |
1,03 |
|
|
Класс 4 |
80 |
1000 |
0,9 |
1,35 |
1,80 |
2,25 |
|
|
Класс 5 |
95 |
1000 |
0,66 |
0,98 |
1,31 |
1,64 |
|
Приложение Д. Таблица Д.1. Головку изложить в новой редакции:
|
SDR |
S |
Номинальное давление PN, бар 1), 2) |
|||||||||
|
РР-Н |
РР-В, PP-R |
РЕ-Х |
РВ |
PVC-C |
РЕ 63 С=1,25 |
РЕ 80 С=1,25 |
РЕ 100 С=1,25 |
PVC-U d≤90 мм С=2,5 |
PVC-U d>90 мм С=2,0 |
||
таблицу Д.1 дополнить сносками - 1), 2):
«1) Номинальное давление PN для классификации трубопроводов из РР-Н, РР-В, PP-R, РЕ-Х, РВ, PVC-C не применяется и установлено в соответствии с ранее действовавшими нормами.
2) Если для трубопроводов из РЕ 63, РЕ 80, РЕ 100 устанавливается более высокий коэффициент запаса прочности С, значения номинального давления PN рассчитываются по формуле: PN = 10σs/S, где σs - расчетное напряжение, МПа; S - серия труб».
Приложение Е. Пункт Е.1 изложить в новой редакции:
«Е.1 Значения расчетного напряжения σо, МПа, и расчетных серий S'макс труб из РР-Н, РР-В, PP-R, РЕ-Х, РВ, PVC-C Тип I, PVC-C Тип II, РЕ-RТ Тип I, РЕ-RТ Тип II приведены в таблицах Е.1 - Е.9»;
таблицы Е.1 - Е.6. Наименование. Заменить обозначение: РР-Н 100 на РР-Н, РР-В 80 на РР-В, PP-R 80 на PP-R, РЕ-Х 80 на РЕ-Х;
таблицу Е.6 изложить в новой редакции:
Таблица Е.6 - Трубы из PVC-C Тип I
|
Максимальное рабочее давление Рмакс, МПа |
Класс 1 |
Класс 2 |
Класс ХВ |
|||
|
σо |
S'макс |
σо |
S'макс |
σS |
S'XB |
|
|
0,4 |
4,38 |
10,0 |
4,16 |
10,0 |
10,0 |
|
|
0,6 |
7,3 |
7,1 |
|
|||
|
0,8 |
5,5 |
4,8 |
10,0 |
|||
|
1,0 |
4,4 |
4,2 |
|
|||
дополнить таблицами - Е.7, Е.8, Е.9:
Таблица Е.7 - Трубы из PVC-C Тип II
|
Максимальное рабочее давление Рмакс, МПа |
Класс 1 |
Класс 2 |
Класс 4 |
Класс 5 |
Класс ХВ |
|||||
|
σо |
S'макс |
σо |
S'макс |
σо |
S'макс |
σо |
S'макс |
σS |
S'XB |
|
|
0,4 |
4,79 |
11,2 |
4,55 |
11,2 |
4,52 |
11,2 |
2,86 |
7,1 |
11,2 |
11,2 |
|
0,6 |
8,0 |
7,6 |
7,5 |
4,8 |
||||||
|
0,8 |
6,0 |
5,7 |
5,6 |
3,6 |
||||||
|
1,0 |
4,8 |
4,5 |
4,5 |
2,9 |
||||||
Таблица Е.8 - Трубы из PE-RT Тип I
|
Максимальное рабочее давление Рмакс, МПа |
Класс 1 |
Класс 2 |
Класс 4 |
Класс 5 |
Класс ХВ |
|||||
|
σо |
S'макс |
σо |
S'макс |
σо |
S'макс |
σо |
S'макс |
σS |
S'XB |
|
|
0,4 |
3,29 |
6,7 |
2,68 |
6,7 |
3,25 |
6,7 |
2,38 |
6,0 |
6,68 |
6,68 |
|
0,6 |
5,5 |
4,5 |
5,4 |
4,0 |
||||||
|
0,8 |
4,1 |
3,4 |
4,1 |
3,0 |
||||||
|
1,0 |
3,3 |
2,7 |
3,3 |
2,4 |
||||||
Таблица Е.9 - Трубы из PE-RT Тип II
|
Максимальное рабочее давление Рмакс, МПа |
Класс 1 |
Класс 2 |
Класс 4 |
Класс 5 |
Класс ХВ |
|||||
|
σо |
S'макс |
σо |
S'макс |
σо |
S'макс |
σо |
S'макс |
σS |
S'XB |
|
|
0,4 |
3,53 |
7,5 |
3,37 |
7,5 |
3,38 |
7,5 |
2,88 |
7,2 |
7,47 |
7,47 |
|
0,6 |
59 |
5,6 |
5,6 |
4,8 |
||||||
|
0,8 |
4,4 |
4,2 |
4,2 |
3,6 |
||||||
|
1,0 |
3,5 |
3,4 |
3,4 |
2,9 |
||||||
Приложение Ж. Таблицу Ж.1 дополнить обозначением PE-RT и соответствующими значениями:
|
Материал |
Расчетный коэффициент запаса прочности С при температуре |
||
|
Траб |
Тмакс |
Тавар |
|
|
PE-RT |
1,5 |
1,3 |
1,0 |
Стандарт дополнить элементом - «Библиография»:
«Библиография
[1] ISO 4065:1996 «Thermoplastic pipes - Universal wall thickness table» («Трубы из термопластов. Таблица универсальных толщин стенок»)
[2] ISO 11922-1:1997 «Thermoplastics pipes for the conveyance of fluids - Dimensions and tolerances - Part 1: Metric series» («Трубы из термопластов для транспортирования жидкостей». Размеры и допуски - Часть 1: Метрическая серия»)
[3] ISO 12162:1995 «Thermoplastics materials for pipes and fittings for pressure applications - Classification and designation - Overall service (design) coefficient» («Материалы термопластичные для напорных труб и соединительных деталей - Классификация и обозначение - Коэффициент запаса прочности»)
[4] EN ISO 9080:2003 «Plastics piping and ducting systems - Determination of the long-term hydrostatic strength of thermoplastics materials in pipe form by extrapolation» («Трубы из пластмасс - Определение длительной гидростатической прочности термопластичных материалов в форме трубы путем экстраполяции»)
[5] ISO 10508:2006 «Plastics piping systems for hot and cold water installations - Guidance for classification and design» («Трубопроводы из пластмасс для горячей и холодной воды. Руководство по классификации и проектированию»)
[6] ISO 13760:1998 «Plastics pipes for the conveyance of fluids under pressure - Miner's rule - Calculation method for cumulative damage» («Трубы из пластмасс для транспортирования жидкостей под давлением - Правило Майнера - Расчетный метод определения накопленного повреждения»)».
(ИУС № 2 2010 г.)