
ГОСУДАРСТВЕННЫЙ СТАНДАРТ СОЮЗА ССР
Единая система конструкторской документации
НАНЕСЕНИЕ РАЗМЕРОВ
И ПРЕДЕЛЬНЫХ ОТКЛОНЕНИЙ
ГОСТ 2.307-68
(СТ СЭВ 1976-79, СТ СЭВ 2180-80)
ГОСУДАРСТВЕННЫЙ СТАНДАРТ СОЮЗА ССР
|
Единая система конструкторской документации НАНЕСЕНИЕ РАЗМЕРОВ И ПРЕДЕЛЬНЫХ ОТКЛОНЕНИЙ Unified
system for design documentation. |
ГОСТ (СТ СЭВ 1976-79, |
Дата введения 01.01.71
Настоящий стандарт устанавливает правила нанесения размеров и предельных отклонений на чертежах и других технических документах на изделия всех отраслей промышленности и строительства.
(Измененная редакция, Изм. № 3).
Исключение составляют случаи, предусмотренные в ГОСТ 2.414-75; ГОСТ 2.417-78; ГОСТ 2.419-68, когда величину изделия или его элементов определяют по изображениям, выполненным с достаточной степенью точности.
Основанием для определения требуемой точности изделия при изготовлении являются указанные на чертеже предельные отклонения размеров, а также предельные отклонения формы и расположения поверхностей.
1.2. Общее количество размеров на чертеже должно быть минимальным, но достаточным для изготовления и контроля изделия.
1.3. Размеры, не подлежащие выполнению по данному чертежу и указываемые для большего удобства пользования чертежом, называются справочными.
1.4. Справочные размеры на чертеже отмечают знаком «*», а в технических требованиях записывают: «* Размеры для справок». Если все размеры па чертеже справочные, их знаком «*» не отмечают, а в технических требованиях записывают: «Размеры для справок».
На строительных чертежах справочные размеры отмечают и оговаривают только в случаях, предусмотренных в соответствующих документах, утвержденных в установленном порядке.
1.5. К справочным относят следующие размеры:
а) один из размеров замкнутой размерной цепи. Предельные отклонения таких размеров на чертеже не указывают (черт. 1);
___________
* Размеры для справок.
Черт. 1
б) размеры, перенесенные с чертежей изделий-заготовок (черт. 2);
___________
* Размеры для справок.
Черт. 2
в) размеры, определяющие положение элементов детали, подлежащих обработке по другой детали (черт. 3);
___________
1* Размеры для справок.
2** Обработать по сопрягаемой детали (или по дет…).
Черт. 3
г) размеры на сборочном чертеже, по которым определяют предельные положения отдельных элементов конструкции, например, ход поршня, ход штока клапана двигателя внутреннего сгорания и т. п.;
д) размеры на сборочном чертеже, перенесенные с чертежей деталей и используемые в качестве установочных и присоединительных;
е) габаритные размеры на сборочном чертеже, перенесенные с чертежей деталей или являющиеся суммой размеров нескольких деталей:
ж) размеры деталей (элементов) из сортового, фасонного, листового и другого проката, если они полностью определяются обозначением материала, приведенным в графе 3 основной надписи.
Примечания:
1. Справочные размеры, указанные в подпунктах б, в, г, е, ж настоящего пункта, допускается наносить как с предельными отклонениями, так н без них
2. Установочными и присоединительными называются размеры, определяющие величины элементов, по которым данное изделие устанавливают на месте монтажа или присоединяют к другому изделию.
3. Габаритными называются размеры, определяющие предельные внешние (или внутренние) очертания изделия.
1.6. На чертежах изделий у размеров, контроль которых технически затруднен; наносят знак «*», а в технических требованиях помещают надпись «Размеры обеспеч. инстр.».
Примечание. Указанная надпись означает, что выполнение заданного чертежом размера с предельным отклонением должно гарантироваться размером инструмента или соответствующим технологическим процессом.
При этом размеры инструмента или технологический процесс проверяются периодически в процессе изготовления изделий.
Периодичность контроля инструмента или технологического процесса устанавливается предприятием-изготовителем совместно с представителем заказчика.
1.7. Не допускается повторять размеры одного н того же элемента на разных изображениях, в технических требованиях, основной надписи и спецификации. Исключение составляют справочные размеры, приведенные в п. 1.5 б и ж.
Если в технических требованиях необходимо дать ссылку на размер, нанесенный на изображение, то этот размер или соответствующий элемент обозначают буквой, а в технических требованиях помещают запись, аналогичную приведенной на черт. 4.
___________
1. Допуск параллельности осей отв. А и Б 0,05 мм.
2. Разность размеров В с обеих сторон не более 0,1 мм.
Черт. 4
На строительных чертежах размеры допускается повторять.
1.5-1.7. (Измененная редакция, Изм. № 2).
1.8. Линейные размеры и их предельные отклонения на чертежах и в спецификациях называют в миллиметрах, без обозначения единицы измерения.
Для размеров и предельных отклонений, приводимых в технических требованиях и пояснительных надписях на поле чертежа, обязательно указывают единицы измерения.
(Измененная редакция, Изм. № 3).
1.9. Если на чертеже размеры необходимо указать не в миллиметрах, а в других единицах измерения (сантиметрах, метрах и т.д.) то соответствующие размерные числа записывают с обозначением единицы измерения (см, м) или указывают их в технических требованиях.
На строительных чертежах единицы измерения в этих случаях допускается не указывать, если они оговорены в соответствующих документах, утвержденных в установленном порядке
1.10. Угловые размеры и предельные отклонения угловых размеров указывают в градусах, минутах и секундах с обозначением единицы измерения, например - 4°; 4°30'; 12°45'30"; 0°30'40"; 0°18'; 0°5'25"; 0°0'30"; 30°±l°; 30°±10'.
Черт. 5
Черт. 6
1.11. Для размерных чисел применять простые дроби не допускается, за исключением размеров в дюймах.
1.12. Размеры, определяющие расположение сопрягаемых поверхностей, проставляют, как правило, от конструктивных баз с учетом возможностей выполнения и контроля этих размеров.
1.13. При расположении элементов предмета (отверстий, пазов, зубьев и т. п.) на одной оси или на одной окружности размеры, определяющие их взаимное расположение, наносят следующими способами:
от общей базы (поверхности, оси) - по черт. 5а и б;
заданием размеров нескольких групп элементов от нескольких общих баз - по черт. 5в;
заданием размеров между смежными элементами (цепочкой) - по черт. 6.
1.14. Размеры на чертежах не допускается наносить в виде замкнутой цепи, за исключением случаев, когда один из размеров указан как справочный (см. черт. 1).
На строительных чертежах размеры наносят в виде замкнутой цепи, кроме случаев, предусмотренных в соответствующих документах, утвержденных в установленном порядке.
Размеры, определяющие положение симметрично расположенных поверхностей у симметричных изделий, наносят, как показано на черт. 7 и 8.
Черт. 7
___________
* Размеры для справок.
Черт. 8
(Измененная редакция, Изм. № 2).
1.15. Для всех размеров, нанесенных на рабочих чертежах, указывают предельные отклонения.
Допускается не указывать предельные отклонения:
а) для размеров, определяющих зоны различной шероховатости одной и той же поверхности, зоны термообработки, покрытия, отделки, накатки, насечки, а также диаметры накатанных и насеченных поверхностей. В этих случаях непосредственно у таких размеров наносят знак »;
б) для размеров деталей изделий единичного производства задаваемых с припуском на пригонку.
На таких чертежах в непосредственной близости от указанных размеров наносят знак «*», а в технических требованиях указывают:
«* Размеры с припуском на пригонку до дет. . . . . »,
«* Размеры с припуском на пригонку по черт. . . . . »,
«* Размеры с припуском на пригонку, по сопрягаемой детали».
На строительных чертежах предельные отклонения размеров указывают только в случаях, предусмотренных в соответствующих документах, утвержденных в установленном порядке.
1.16. При выполнении рабочих чертежей деталей, изготовляемых отливкой, штамповкой, ковкой или прокаткой с последующей механической обработкой части поверхности детали, указывают не более одного размера по каждому координатному направлению, связывающего механически обрабатываемые поверхности с поверхностями, не подвергаемыми механической обработке (черт. 9 и 10).
Черт. 9
Черт. 10
(Измененная редакция, Изм. № 2).
1.17. Если элемент изображен с отступлением от масштаба изображения, то размерное число следует подчеркнуть (черт. 10а).

Черт. 10а
(Введен дополнительно, Изм. № 2).
2.1. Размеры на чертежах указывают размерными числами и размерными линиями.
2.2. При нанесении размера прямолинейного отрезка размерную линию проводят параллельно этому отрезку, а выносные линии - перпендикулярно размерным (черт. 11).
Черт. 11
2.3. При нанесении размера угла размерную линию проводят в виде дуги с центром в его вершине, а выносные линии - радиально (черт. 12).
Черт. 12
2.4. При нанесении размера дуги окружности размерную линию проводят концентрично дуге, а выносные линии - параллельно биссектрисе угла, и над размерным числом наносят знак «Ç» (черт. 13).
Черт. 13
Допускается располагать выносные линии размера дуги радиально, и, если имеются еще концентричные дуги, необходимо указывать, к какой дуге относится размер (черт. 14).
Черт. 14
2.4а. При нанесении размеров деталей, подобных изображенной на черт. 14а, размерные линии следует проводить в радиусном направлении, а выносные - по дугам окружностей (черт. 14а).
Черт. 14а
(Введен дополнительно, Изм. № 2).
2.5. Размерную линию с обоих концов ограничивают стрелками, упирающимися в соответствующие линии, кроме случаев, приведенных в пп. 2.16, 2.17, 2.20 и 2.21, и при нанесении линии радиуса, ограниченной стрелкой со стороны определяемой дуги или скругления.
На строительных чертежах взамен стрелок допускается применять засечки на пересечении размерных и выносных линий, при этом размерные линии должны выступать за крайние выносные линии на 1 . . . 3 мм.
2.6. В случаях, показанных на черт. 15, размерную и выносные линии проводят так, чтобы они вместе с измеряемым отрезком образовали параллелограмм.
Черт. 15
2.7. Допускается проводить размерные линии непосредственно к линиям видимого контура, осевым, центровым и другим линиям (черт. 16 и 17).
Черт. 16
Черт. 17
2.8. Размерные линии предпочтительно наносить вне контура изображения.
2.9. Выносные линии должны выходить за концы стрелок размерной линии на 1 . . 5 мм.
2.10. Минимальные расстояния между параллельными размерными линиями должны быть 7 мм, а между размерной и линией контура - 10 мм и выбраны в зависимости от размеров изображения и насыщенности чертежа.
(Измененная редакция, Изм. № 2).
2.11. Необходимо избегать пересечения размерных и выносных линий (см. черт. 16).
2.12. Не допускается использовать линии контура, осевые, центровые и выносные линии в качестве размерных.
2.13. Выносные линии проводят от линий видимого контура, за исключением случаев, указанных в пп. 2.14 и 2.15, и случаев, когда при нанесении размеров на невидимом контуре отпадает необходимость в вычерчивании дополнительного изображения.
2.14. Размеры контура криволинейного профиля наносят, как показано на черт. 16 и 17.
2.15. Если надо показать координаты вершины скругляемого угла или центра дуги скругления, то выносные линии проводят от точки пересечения сторон скругляемого угла или центра дуги скругления (черт. 18).
Черт. 18
2.16. Если вид или разрез симметричного предмета или отдельных симметрично расположенных элементов изображают только до оси симметрии или с обрывом, то размерные линии, относящиеся к этим элементам, проводят с обрывом, и обрыв размерной линии делают дальше оси или линии обрыва предмета (черт. 19).
Черт. 19
На строительных чертежах в подобных случаях все размеры допускается указывать только до оси симметрии, а размерные линии на пересечении с осью симметрии ограничивать крестиком из засечек.
2.17. Размерные линии допускается проводить с обрывом в следующих случаях:
а) при указании размера диаметра окружности независимо от того, изображена ли окружность полностью или частично, при этом обрыв размерной линии делают дальше центра окружности (черт. 20);
Черт. 20
б) при нанесении размеров от базы, не изображенной на данном чертеже (черт. 21).
Черт. 21
2.18. При изображении изделия с разрывом размерную линию не прерывают (черт. 22).
Черт. 22
2.19. Величины элементов стрелок размерных линий выбирают в зависимости от толщины линий видимого контура и вычерчивают их приблизительно одинаковыми на всем чертеже. Форма стрелки и примерное соотношение ее элементов показаны на черт. 23.
Черт. 23
(Измененная редакция, Изм. № 2).
2.20. Если длина размерной линии недостаточна для размещения на ней стрелок, то размерную линию продолжают за выносные линии (или соответственно за контурные, осевые, центровые и т. д.) и стрелки наносят, как показано на черт. 24.
Черт. 24
2.21. При недостатке места для стрелок на размерных линиях, расположенных цепочкой, стрелки допускается заменять засечками, наносимыми под углом 45° к размерным линиям (черт. 25), или четко наносимыми точками (черт. 26).
Черт. 25
Черт. 26
2.22. При недостатке места для стрелки из-за близко расположенной контурной или выносной линии последние допускается прерывать (черт. 24 и 27).
Черт. 27
2.23. Размерные числа наносят над размерной линией возможно ближе к ее середине (черт. 28).
Черт. 28
2.24. При нанесении размера диаметра внутри окружности размерные числа смещают относительно середины размерных линий.
2.25. При нанесении нескольких параллельных или концентричных размерных линий на небольшом расстоянии друг от друга размерные числа над ними рекомендуется располагать в шахматном порядке (черт. 29).
Черт. 29
2.26. Размерные числа линейных размеров при различных наклонах размерных линий располагают, как показано на черт 30.
Черт. 30
Если необходимо нанести размер в заштрихованной зоне, соответствующее размерное число наносят на полке линии-выноски (черт. 31).
Черт. 31
2.27. Угловые размеры наносят так, как показано на черт. 32. В зоне, расположенной выше горизонтальной осевой линии, размерные числа помещают над размерными линиями со стороны их выпуклости; в зоне, расположенной ниже горизонтальной осевой линии - со стороны вогнутости размерных линий. В заштрихованной зоне наносить размерные числа не рекомендуется. В этом случае размерные числа указывают на горизонтально нанесенных полках.
Черт. 32
Для углов малых размеров при недостатке места размерные числа помещают на полках линий-выносок в любой зоне (черт. 33).
Черт. 33
2.28. На строительных чертежах допускается линейные и угловые размерные числа и надписи наносить без полок линий выносок.
2.29. Если для написания размерного числа недостаточно места над размерной линией, то размеры наносят, как показано на черт. 34; если недостаточно места для нанесения стрелок, то их наносят, как показано на черт. 35.
Черт. 34
Черт. 36
Способ нанесения размерного числа при различных положениях размерных линий (стрелок) на чертеже определяется наибольшим удобством чтения.
2.30. Размерные числа и предельные отклонения не допускается разделять или пересекать какими бы то ни было линиями чертежа. Не допускается разрывать линию контура для нанесения размерного числа и наносить размерные числа в местах пересечения размерных, осевых или центровых линий. В месте нанесения размерного числа осевые, центровые линии и линии штриховки прерывают (черт. 36 и 37).
Черт. 36
Черт. 37
2.29, 2.30. (Измененная редакция, Изм. № 2).
2.31. Размеры, относящиеся к одному и тому же конструкционному элементу (пазу, выступу, отверстию и т. п.), рекомендуется группировать в одном месте, располагая их на том изображении, на котором геометрическая форма данного элемента показана наиболее полно (черт. 38).
Черт. 38
2.32. При нанесении размера радиуса перед размерным числом помещают прописную букву R.
2.33. Если при нанесении размера радиуса дуги окружности необходимо указать размер, определяющий положение ее центра, то последний изображают в виде пересечения центровых или выносных линий.
При большой величине радиуса центр допускается приближать к дуге, в этом случае размерную линию радиуса показывают с изломом под углом 90 ° (черт. 39).
Черт. 39
2.34. Если не требуется указывать размеры, определяющие положение центра дуги окружности, то размерную линию радиуса допускается не доводить до центра и смещать ее относительно центра (черт. 40).
Черт. 40
2.35. При проведении нескольких радиусов из одного центра размерные линии любых двух радиусов не располагают на одной прямой (черт. 41).
черт. 41
При совпадении центров нескольких радиусов их размерные линии допускается не доводить до центра, кроме крайних (черт. 41а).
Черт. 41a
2.36. Размеры радиусов наружных округлении наносят, как показано на черт. 42, внутренних скруглений - на черт. 43.
Черт. 42
Черт. 43
Радиусы скругления, размер которых в масштабе чертежа 1 мм и менее, на чертеже не изображают и размеры их наносят, как показано на черт. 43а.
Черт. 43а
Способ нанесения размерных чисел при различных положениях размерных линий (стрелок) на чертеже определяется наибольшим удобством чтения. Размеры одинаковых радиусов допускается указывать на общей полке, как показано на черт. 43б:
Черт. 43б
Если радиусы скруглений, сгибов и т. п. на всем чертеже одинаковы или какой-либо радиус является преобладающим, то вместо нанесения размеров этих радиусов непосредственно на изображении рекомендуется в технических требованиях делать запись типа: «Радиусы скруглений 4 мм»; «Внутренние радиусы сгибов 10 мм»; «Неуказанные радиусы 8 мм» и т. п.
2.35, 2.36. (Измененная редакция, Изм. № 2).
2.37. При указании размера диаметра (во всех случаях) перед размерным числом наносят знак «Æ».
2.38. Перед размерным числом диаметра (радиуса) сферы также наносят знак Æ (R) без надписи «Сфера» (черт. 44). Если на чертеже трудно отличить сферу от других поверхностей, то перед размерным числом диаметра (радиуса) допускается наносить слово «Сфера» или знак О, например, «Сфера Æ18, ОR12».
Диаметр знака сферы равен размеру размерных чисел на чертеже.
Черт. 44
2.39. Размеры квадрата наносят, как показано на черт. 45, 46 и 46а.
Черт. 45
Черт. 46
Черт. 46а
Высота знака □ должна быть равна высоте размерных чисел на чертеже.
2.38, 2.39 (Измененная редакция, Изм. № 2).
2.40. Перед размерным числом, характеризующим конусность, наносят знак «<», острый угол которого должен быть направлен в сторону вершины конуса (черт. 47).
Черт. 47
Знак конуса и конусность в виде соотношения следует наносить над осевой линией или на полке линии-выноски.
2.41. Уклон поверхности следует указывать непосредственно у изображения поверхности уклона или на полке линии-выноски в виде соотношения (черт. 48а), в процентах (черт. 48б) или в промиллях (черт. 48в). Перед размерным числом, определяющим уклон, наносят знак «<», острый угол которого должен быть направлен в сторону уклона.
Черт. 48
2.42. Отметки уровней (высоты, глубины) конструкции или ее элемента от какого-либо отсчетного уровня, принимаемого за «нулевой» на виде и разрезе, помещают на выносных линиях (или на линиях контура) и обозначают знаком « ¯ », выполненным сплошными тонкими линиями, длина штрихов 2 - 4 мм под углом 45° к выносной линии или линии контура (черт. 49а), на виде сверху их следует наносить в рамке непосредственно на изображении или на линии-выноске (черт. 49б), или как показано на черт. 49а.
Черт. 49
Отметки уровней указывают в метрах с точностью до третьего десятичного знака без обозначения единицы измерения.
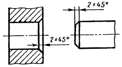
2.43. Размеры фасок под углом 45° наносят, как показано на черт. 50.
Черт. 50
Допускается указывать размеры не изображенной на чертеже фаски под углом 45°, размер которой в масштабе чертежа 1 мм и менее, на полке линии-выноски, проведенной от грани (черт. 50а).
Черт. 50а
Размеры фасок под другими углами указывают по общим правилам - линейным и угловым размерами (черт. 51а и б) или двумя линейными размерами (черт. 51в).
Черт. 51
2.40-2.43. (Измененная редакция, Изм. № 2).
2.44. Размеры нескольких одинаковых элементов изделия, как правило, наносят один раз с указанием на полке линии-выноски количества этих элементов (черт. 52а).
Допускается указывать количество элементов, как показано на черт. 52б.
Черт. 52
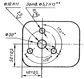
2.45. При нанесении размеров элементов, равномерно расположенных по окружности изделия (например, отверстий), вместо угловых размеров, определяющих взаимное расположение элементов, указывают только их количество (черт. 53-55).
Черт. 53

Черт. 54
Черт. 55
2.46. Размеры двух симметрично расположенных элементов изделия (кроме отверстий) наносят один раз без указания их количества, группируя, как правило, в одном месте все размеры (черт. 56 и 57).
Черт. 56
___________
* Размеры для справок.
Черт. 57
Количество одинаковых отверстий всегда указывают полностью, а их размеры - только один раз.
(Измененная редакция, Изм. № 2).
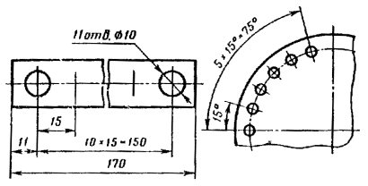
2.47. При нанесении размеров, определяющих расстояние между равномерно расположенными одинаковыми элементами изделия (например, отверстиями), рекомендуется вместо размерных цепей наносить размер между соседними элементами и размер между крайними элементами в виде произведения количества промежутков между элементами на размер промежутка (черт. 58).
Черт. 58
2.47а. Допускается не наносить на чертеже размеры радиуса дуги окружности сопрягающихся параллельных линий (черт. 58а).
Черт. 58 a
(Введен дополнительно, Изм. № 2).
2.48. При большом количестве размеров, нанесенных от общей базы, допускается наносить линейные и угловые размеры, как показано на черт. 59 и 60, при этом проводят общую размерную линию от отметки «0» и размерные числа наносят в направлении выносных линий у их концов.
Черт. 59
Черт. 60
2.48а. Размеры диаметров цилиндрического изделия сложной конфигурации допускается наносить, как показано на черт. 60а.
Черт. 60а
(Введен дополнительно, Изм. № 2).
2.49. При большом количестве однотипных элементов изделия, неравномерно расположенных на поверхности, допускается указывать их размеры в сводной таблице, при этом применяется координатный способ нанесения отверстий с обозначением их арабскими цифрами (черт. 61), или обозначение однотипных элементов прописными буквами (черт. 61а).
Черт. 61
Черт. 61a
|
Обозначение отверстий |
Кол. |
Размер, мм |
|
А |
2 |
3 |
|
Б |
4 |
6,5 |
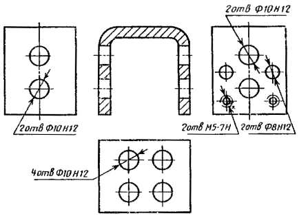
2.50. Одинаковые элементы, расположенные в разных частях изделия (например, отверстия), рассматривают как один элемент, если между ними нет промежутка (черт. 62а) или если эти элементы соединены тонкими сплошными линиями (черт. 62б).
При отсутствии этих условий указывают полное количество элементов (черт. 62в).
Черт. 62
2.51. Если одинаковые элементы изделия (например, отверстия) расположены на разных поверхностях и показаны на разных изображениях, то количество этих элементов записывают отдельно для каждой поверхности (черт. 63).
Черт. 63
Допускается повторять размеры одинаковых элементов изделия или их групп (в том числе отверстии), лежащих на одной поверхности, только в том случае, когда они значительно удалены друг от друга и не увязаны между собой размерами (черт. 64 и 65).
Черт. 64
Черт. 65
2.49-2.51. (Измененная редакция, Изм. № 2).
2.52. Если на чертеже показано несколько групп близких по размерам отверстий, то рекомендуется отмечать одинаковые отверстия одним из условных знаков, приведенных на черт. 66. Допускается применять и другие условные знаки.
Черт. 66
Отверстия обозначают условными знаками на том изображении, на котором указаны размеры, определяющие положение этих отверстий.
На строительных чертежах допускается одинаковые группы отверстий обводить сплошной тонкой линией с поясняющей надписью.
2.53 При обозначении одинаковых отверстий условными знаками количество отверстий и их размеры допускается указывать в таблице (черт. 67).
Черт. 67
(Измененная редакция, Изм. № 2).
2.54. При изображении детали в одной проекции размер ее толщины или длины наносят, как показано на черт. 68.
Черт. 68
2.55. Размеры детали или отверстия прямоугольного сечения могут быть указаны на полке линии-выноски размерами сторон через знак умножения. При этом на первом месте должен быть указан размер той стороны прямоугольника, от которой проводится линия-выноска (черт. 68а).
Черт. 68а
(Измененная редакция, Изм. № 2).
Общая запись о предельных
отклонениях размеров с неуказанными допусками должна содержать условные
обозначения предельных отклонений линейных размеров в соответствии с ГОСТ
25346-89 (для отклонений по квалитетам) или по ГОСТ 25670-83 (для
отклонений, по классам точности). Симметричные предельные отклонения,
назначаемые по квалитетам, следует обозначать
с указанием номера
квалитета.
Обозначения односторонних предельных отклонений по квалитетам, назначаемых только для круглых отверстий и валов (вариант 4 по ГОСТ 25670-83) дополняются знаком диаметра (Æ).
Примеры общих записей, соответствующие вариантам по ГОСТ 25670-83 для 14 квалитета и (или) класса точности «средний», приведены в табл. 1:
Таблица 1
|
Пример записи условными обозначениями |
|
|
1. |
Н14, h14, |
|
2. |
+t2, -t2, |
|
3. |
|
|
4. |
ÆН14, Æh14, |
Примечания:
1. Допускается
записи о неуказанных предельных отклонениях размеров дополнять поясняющими
словами, например, «Неуказанные предельные отклонения размеров: Н14,
h14,
».
2. Если технические требования па чертеже состоят из одного пункта,
содержащего запись о неуказанных предельных отклонениях размеров, или эта
запись приводится в текстовых документах, то она должна обязательно
сопровождаться поясняющими словами, например, «Неуказанные предельные
отклонения размеров
».
(Измененная редакция, Изм. № 2).
3.la. Неуказанные предельные отклонения радиусов закруглении, фасок и углов не оговариваются отдельно, а должны соответствовать приведенным в ГОСТ 25670-83 в соответствии с квалитетом или классом точности неуказанных предельных отклонений линейных размеров.
Если все предельные отклонения линейных размеров указаны непосредственно после номинальных размеров (общая запись отсутствует), то неуказанные предельные отклонения радиусов закруглений, фасок и углов должны соответствовать приведенным в ГОСТ 25670-83 для квалитетов от 12 до 16 и на чертеже не оговариваются.
(Введен дополнительно, Изм. № 2).
3.2.
Предельные отклонения линейных размеров указывают на чертежах условными
обозначениями полей допусков в соответствии с ГОСТ 25346-89, например: 18Н7, 12е8 или числовыми значениями, например:
18+0,018,
, или условными обозначениями полей допусков с указанием
справа в скобках их числовых значений, например: 18Н7(+0,018), 12e8
.
Допускается числовые значения предельных отклонений указывать в таблице (табл. 2), расположенной на свободном поле чертежа.
Таблица 2
мм
|
Пред. откл. |
|
|
18Н7 |
+0,018 |
|
12e8 |
-0,032 -0,059 |
При указании номинальных размеров буквенными обозначениями поля допусков должны быть указаны после тире, например, D-H11.
а) при назначении предельных отклонений (установленных стандартами на допуски и посадки) размеров, не включенных в ряды нормальных линейных размеров по ГОСТ 6636-69 например: 41,5 18Н7(+0,025),
б) при назначении предельных отклонений, условные обозначения которых не предусмотрены в ГОСТ 25347-82, например, для пластмассовой детали с предельными отклонениями по ГОСТ 25349-88 (черт. 69);
Черт. 69
в) при назначении предельных отклонений размеров уступов с несимметричным полем допуска (черт. 70, 71);
Черт. 70
Черт. 71
г) (Исключен, Изм. № 2).
3.4. Предельные отклонения угловых размеров указывают только числовыми значениями (черт. 72).
Черт. 72
3.5. При записи предельных
отклонений числовыми значениями верхние отклонения помещают над нижними. Предельные
отклонения, равные нулю, не указывают, например:
;
; 60+0,19; 60-0,19.
При симметричном расположении поля допуска абсолютную величину отклонений указывают один раз со знаком ±, при этом высота цифр, определяющих отклонения, должна быть равна высоте шрифта номинального размера, например: 60±0,23.
3.6. Предельные отклонения,
указываемые числовыми значениями, выраженными десятичной дробью, записывают до
последней значащей цифры включительно, выравнивая количество знаков в верхнем и
нижнем отклонении добавлением нулей, например:
; ![]()
3.7. Предельные отклонения размеров деталей, изображенных на чертеже в сборе, указывают одним из следующих способов:
а) в виде дроби, в числителе
которой указывают условное обозначение поля допуска отверстия, а в знаменателе
– условное обозначение поля допуска вала, например: 50
или 50Н11/h11 (черт. 73а);
б) в виде дроби, в числителе которой указывают числовые значения предельных отклонений отверстия, а в знаменателе - числовые значения предельных отклонений вала (черт. 73б);
Черт. 73
б1) в виде дроби, в числителе которой указывают условное обозначение поля допуска отверстия с указанием справа в скобках его числового значения, а в знаменателе - условное обозначение поля допуска вала с указанием справа в скобках его числового значения (черт. 73в);
в) в виде записи, в которой указывают предельные отклонения только одной из сопрягаемых деталей. В этом случае необходимо пояснить, к какой детали относятся эти отклонения (черт. 74).
_____________
* Размеры для справок.
черт. 74
3.8. Когда для участков поверхности с одним номинальным размером назначают разные предельные отклонения, границу между ними наносят сплошной тонкой линией, а номинальный размер указывают с соответствующими предельными отклонениями для каждого участка отдельно (черт. 75).
черт. 75
Через заштрихованную часть изображения линию границы между участками проводить не следует (черт. 75а).
Черт. 75а
3.2-3.8. (Измененная редакция, Изм. № 2).
3.9. Если необходимо ограничить колебания размера одинаковых элементов одной детали в пределах части поля допуска (черт. 76а) или необходимо ограничить величину накопленной погрешности расстояния между повторяющимися элементами (черт. 76б), то эти данные указывают в технических требованиях.
______________ Предельные отклонения расстояния
* Разность размеров 0,1 мм. между любыми несмежными зубьями
±0,1 мм.
Черт. 76
3.10. Когда необходимо указать только один предельный размер (второй ограничен в сторону увеличения или уменьшения каким-либо условием), после размерного числа указывают соответственно max или min (черт. 77).
Указывать предельные размеры допускается также на сборочных чертежах для зазоров, натягов, мертвых ходов и т.п., например: «Осевое смещение кулачка выдержать в пределах 0,6-1,4 мм».
Черт. 77
3.11. Предельные отклонения расположения осей отверстий можно указывать двумя способами:
а) позиционными допусками осей отверстий в соответствии с требованиями ГОСТ 2.308-79;
б) предельными отклонениями размеров, координирующих оси (черт. 78 - 80).
Черт. 78

1. Предельные отклонения размеров между осями двух любых отв. ±0,35 мм.
2. Смещение осей от плоскости А не более 0,18 мм
Черт. 79
Предельные отклонения размеров по диагонали между осями двух любых отв. ±0,5 мм.
Черт 80
Если допуски расположения осей зависимые, то после предельных отклонений размеров, координирующих оси, следует указывать знак зависимого допуска М
(Измененная редакция, Изм. № 2).
ИНФОРМАЦИОННЫЕ ДАННЫЕ
1. РАЗРАБОТАН И ВНЕСЕН Комитетом стандартов, мер и измерительных приборов при Совете Министров СССР
ИСПОЛНИТЕЛИ
В. Р. Верченко, Ю. И. Степанов, Я. Г. Старожилец, Б. Я. Кабаков, Л. В. Матвеев, П. Н. Колкин, В. Н. Взоров, М. Г. Арановский, Е. М. Колисеева.
2. УТВЕРЖДЕН И ВВЕДЕН В ДЕЙСТВИЕ Постановлением Комитета стандартов, мер и измерительных приборов при Совете Министров СССР в декабре 1967 г.
3. Стандарт полностью соответствует СТ СЭВ 1976-79 и СТ СЭВ 2180-80.
4. ВЗАМЕН ГОСТ 3458-59, ГОСТ 9171-59, ГОСТ 5292-60 в части разд. III
5. ССЫЛОЧНЫЕ НОРМАТИВНО-ТЕХНИЧЕСКИЕ ДОКУМЕНТЫ
|
Обозначение НТД, на который дана ссылка |
Номер пункта, перечисления |
|
3.11, перечисление a |
|
|
ГОСТ 2.414-75 |
|
|
ГОСТ 2.417-78 |
|
|
ГОСТ 2.419-68 |
|
|
ГОСТ 6636-69 |
3.3, перечисление a |
|
3.3, перечисление б |
|
|
ГОСТ 25349-88 |
3.3, перечисление б |
|
ГОСТ 25670-83 |
6. ПЕРЕИЗДАНИЕ (декабрь 1990 г.) с Изменениями 2, 3, утвержденными в июне 1983г.; Пост. 2650 от 22.06.83, сентябре 1987 г. (ИУС 9-83, 12-87).
СОДЕРЖАНИЕ