ГОСТ Р ИСО 7916-99
Машины для лесного хозяйства
КУСТОРЕЗЫ ПЕРЕНОСНЫЕ
1 РАЗРАБОТАН Техническим комитетом ТК 287 «Ручное портативное механизированное оборудование для лесной промышленности и лесного хозяйства»
ВНЕСЕН Управлением машиностроения Госстандарта России
2 ПРИНЯТ И ВВЕДЕН В ДЕЙСТВИЕ Постановлением Госстандарта России от 30 ноября 1999 г. № 487-ст
3 Настоящий стандарт представляет собой полный аутентичный текст ИСО 7916-89 «Машины для лесного хозяйства. Кусторезы переносные. Методы испытаний на вибрацию»
Содержание
|
|
Машины для лесного хозяйства
Forestry machinery.
Portable bruch-saws. Vibration. Test methods
Настоящий стандарт устанавливает методы измерения вибрации, создаваемой переносными кусторезами с двигателем внутреннего сгорания и передаваемой на руки оператора.
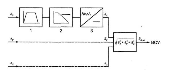
2.1 Измерению, в соответствии со схемой измерительного тракта, приведенной на рисунке 1, подлежат ортогональные корректированные значения виброускорения или взвешенное суммарное ускорение (ВСУ). Ускорение по трем ортогональным направлениям воспринимается акселерометрами и преобразуется в форму общего вибрационного значения взвешенного суммарного ускорения.

1 - полосовой фильтр; 2 -
корректированное значение; 3 - среднее квадратическое значение,
- среднее
квадратическое ускорение по каждому ортогональному направлению
Рисунок 1 - Схема измерительного тракта
Фильтр должен иметь характеристики, приведенные в таблице 1.
Таблица 1
|
Октавная полоса со средней геометрической частотой, Гц |
Поправочный коэффициент по виброускорению Ki |
Коррекция виброускорения, дБ |
|
31,5 |
0,5 |
6 |
|
63 |
0,25 |
12 |
|
125 |
0,125 |
18 |
|
250 |
0,063 |
24 |
|
500 |
0,0315 |
30 |
|
1000 |
0,016 |
36 |
Среднее квадратическое значение по каждому направлению определяют по формуле

где аxi - значение ускорения в i-й октавной полосе, м/с2;
n - число октавных полос.
Значения ускорения по трем направлениям измеряют одновременно.
2.2 Масса акселерометра
Общая масса акселерометра, позволяющего зафиксировать ускорение в одном направлении, не должна превышать 50 г, включая узел крепления к рукоятке.
2.3 Установка акселерометров
Акселерометры устанавливают на рукоятках кустореза в соответствии с рисунком 2.

Рисунок 2 - Места установки акселерометров
3.1 Погрешность измерительного тракта не должна быть более 10 % в частотном диапазоне от 8 до 1400 Гц.
3.2 Электрические помехи не должны превышать 5 % наибольших измеренных значений.
3.3 Для контроля режима работы двигателя кустореза должен быть использован тахометр с допустимой погрешностью измерения ±2,5 %. Использование тахометра не должно влиять на работу кустореза.
Вибрацию на рукоятках кустореза измеряют в трех режимах.
4.1 Режим холостого хода
Измерения проводят при работе двигателя на холостом ходу с отключенным режущим приспособлением и частоте вращения вала двигателя, рекомендованной изготовителем; кусторез при этом необходимо удерживать за обе рукоятки.
4.2 Режим полной нагрузки
Режим полной нагрузки кустореза обеспечивается при полном открытии дросселя. При разрезании древесины частота вращения двигателя должна регулироваться силой резания. Резание должно проводиться поперек волокон древесины.
Расстояние между центром режущего полотна кустореза и землей должно быть (300 ± 50) мм (рисунок 3).

1 - линия зрения оператора в направлении режущего инструмента; 2 - центр тяжести кустореза в сборе
Рисунок 3 - Положение кустореза для испытаний на резание
4.3 Режим разгона
Измерения проводят при частоте вращения вала двигателя, соответствующей 133 % частоты при наибольшей мощности двигателя. Кусторез удерживают за обе рукоятки.
Примечание - Если частота вращения вала двигателя ниже указанной, то измерения проводят при наибольшей возможной частоте вращения вала.
4.4 Каждое измерение должно проводиться за время не менее 2 с.
4.5 Число повторных измерений должно быть не менее пяти.
4.6 Требования к кусторезу и древесине
Вибрацию следует измерять на кусторезе серийного производства с режущим инструментом, рекомендованным изготовителем. Перед началом испытаний кусторез должен быть обкатан, а карбюратор отрегулирован согласно руководству по эксплуатации кустореза для работы кустореза с наибольшей производительностью.
При испытании на резание используется доска из мягкой древесины, крепко закрепленная в грунте.
Волокна доски должны располагаться вертикально. Толщина доски должна быть равна 2/3 разницы между радиусом режущего инструмента и шайбы, к которой он крепится. Ширина доски в направлении распила должна обеспечивать постоянную скорость движения кустореза и длительность каждого измерения по 4.4.
Протокол испытаний должен включать следующую информацию:
- описание кустореза:
предприятие-изготовитель,
модель (тип),
серийный номер,
режущее приспособление (тип и размеры);
- измерительное оборудование;
- описание способа установки акселерометра;
- ссылку на настоящий стандарт;
- дату и место проведения испытаний;
- данные об операторе;
- таблицы с результатами испытания;
- Ф.И.О. испытателей.
Ключевые слова: кусторезы, вибрация, измерение, коррекция виброускорения, октавная полоса, акселерометр, измерительный тракт, нагрузка