ГОСТ Р 51371-99
ГОСУДАРСТВЕННЫЙ СТАНДАРТ РОССИЙСКОЙ ФЕДЕРАЦИИ
МЕТОДЫ
ИСПЫТАНИЙ НА СТОЙКОСТЬ
К МЕХАНИЧЕСКИМ ВНЕШНИМ
ВОЗДЕЙСТВУЮЩИМ ФАКТОРАМ
МАШИН, ПРИБОРОВ И ДРУГИХ
ТЕХНИЧЕСКИХ ИЗДЕЛИЙ
Испытания на воздействие ударов
ГОССТАНДАРТ РОССИИ
Москва
Предисловие
1 РАЗРАБОТАН И ВНЕСЕН Техническим комитетом по стандартизации ТК 341 «Внешние воздействия» Госстандарта России
2 ПРИНЯТ И ВВЕДЕН В ДЕЙСТВИЕ Постановлением Госстандарта России от 29 ноября 1999 г. № 441-ст
3 Настоящий стандарт соответствует (с дополнениями и уточнениями в соответствии с потребностями экономики страны) международным стандартам:
МЭК 60068-2-27:1987 «Основные методы испытаний на воздействие внешних факторов. Часть 2. Испытания. Глава 27. Испытание Еa и руководство: Одиночный удар»
МЭК 60068-2-29:1986 «Основные методы испытаний на воздействие внешних факторов. Часть 2. Испытания. Глава 29. Испытание Еb и руководство: Многократные удары»
Данные о соответствии настоящего стандарта международным стандартам приведены в приложении В
4 ВВЕДЕН ВПЕРВЫЕ
Содержание
Введение
Настоящий стандарт является частью комплекса стандартов «Методы испытаний на стойкость к внешним воздействующим факторам машин, приборов и других технических изделий» (группа стандартов ГОСТ 30630.0), состав которого приведен в ГОСТ 30630.0.0, приложение Е.
Настоящий стандарт соответствует международным стандартам, указанным в предисловии. При этом настоящий стандарт дополняет и уточняет методы проведения испытаний, их классификацию и состав, увязывая методы (режимы) испытаний с условиями и сроками эксплуатации изделий и охватывая всю совокупность технических изделий, что в настоящее время не имеется в международных стандартах, относящихся к внешним воздействующим факторам.
В связи с указанным в настоящее время невозможно полное использование публикаций международных стандартов по внешним воздействиям в качестве государственных стандартов.
В разработке стандарта принимали участие М.Л. Оржаховский (руководитель), В.Н. Покровский, д-р техн. наук В.Н. Писарев, академики Академии проблем качества Российской Федерации.
ГОСУДАРСТВЕННЫЙ СТАНДАРТ РОССИЙСКОЙ ФЕДЕРАЦИИ
МЕТОДЫ ИСПЫТАНИЙ НА
СТОЙКОСТЬ
К МЕХАНИЧЕСКИМ ВНЕШНИМ ВОЗДЕЙСТВУЮЩИМ ФАКТОРАМ
МАШИН, ПРИБОРОВ И
ДРУГИХ ТЕХНИЧЕСКИХ ИЗДЕЛИЙ
Испытания на воздействие ударов
Mechanical environment stability test methods for machines, instruments and technical products. Test for influence of shocks
Дата введения 1)
для вновь разрабатываемых и модернизируемых изделий 2000-07-01
для разработанных до 2000-07-01 изделий 2002-07-01
Настоящий стандарт распространяется на машины, приборы и другие технические изделия всех видов (далее - изделия) и устанавливает методы их испытаний на воздействие ударов, в частности для проверки соответствия изделий техническим требованиям, указанным в стандартах и технических условиях на изделия, в том числе в соответствии с ГОСТ 30631.
Стандарт применяют совместно с ГОСТ 30630.0.0.
Требования разделов 4, 5, 6, 7 и приложения Б настоящего стандарта являются обязательными как относящиеся к требованиям безопасности.
В настоящем стандарте использованы ссылки на следующие стандарты:
ГОСТ 8.002-86 Государственная система обеспечения единства измерений. Государственный надзор и ведомственный контроль за средствами измерений. Основные положения
ГОСТ 8.513-84 Государственная система обеспечения единства измерений. Поверка средств измерений. Организация и порядок проведения
ГОСТ 15150-69 Машины, приборы и другие технические изделия. Исполнения для различных климатических районов. Категории, условия эксплуатации, хранения и транспортирования в части воздействия климатических факторов внешней среды
ГОСТ 23216-78 Изделия электротехнические. Общие требования к хранению, транспортированию, временной противокоррозионной защите и упаковке
ГОСТ 26883-86 Внешние воздействующие факторы. Термины и определения
ГОСТ 30630.0.0-99 Методы испытаний на стойкость к внешним воздействующим факторам машин, приборов и других технических изделий. Общие требования
ГОСТ 30630.1.1-99 Методы испытаний на стойкость к механическим внешним воздействующим факторам машин, приборов и других технических изделий. Определение динамических характеристик конструкции
ГОСТ 30630.1.2-99 Методы испытаний на стойкость к механическим внешним воздействующим факторам машин, приборов и других технических изделий. Испытания на воздействие вибрации
ГОСТ 30631-99 Общие требования к машинам, приборам и другим техническим изделиям в части стойкости к механическим внешним воздействующим факторам при эксплуатации
1) Порядок введения в действие стандарта - в соответствии с приложением А.
В настоящем стандарте применяют термины с соответствующими определениями и сокращениями, относящиеся к областям:
- общих понятий внешних воздействующих факторов (далее - ВВФ) - по ГОСТ 15150 и ГОСТ 26883;
- требований к изделиям по механическим ВВФ - по ГОСТ 30631;
- испытаний на стойкость к ВВФ - по ГОСТ 30630.0.0.
4.1 Испытание проводят с целью проверить способность изделия противостоять разрушающему воздействию механических ударов многократного действия и сохранять после этого воздействия значения параметров в пределах, указанных в стандартах и технических условиях (далее - стандарты и ТУ) на изделия и программе испытания (далее - ПИ). Испытание проводят одним из следующих методов:
104-1 - испытание на ударную прочность при верхнем рабочем значении пикового ударного ускорения. Испытание проводят в соответствии с требованиями 4.2 - 4.16;
104-2 - ускоренное испытание на ударную прочность при значении пикового ударного ускорения, превышающем верхнее рабочее значение. Испытание проводят в соответствии с требованиями 4.17.
Метод 104-1 является основным, метод 104-2 допускается применять при квалификационных и (или) периодических испытаниях вместо метода 104-1.
4.2 Испытанию на ударную прочность подвергают те же образцы изделий, которые были испытаны на ударную устойчивость, если последний вид испытания предусмотрен в стандартах и ТУ на изделия и ПИ.
4.3 Испытательная установка [(ударный стенд (далее - стенд)] должна обеспечивать получение механических ударов многократного действия с амплитудой ускорения, соответствующей заданной степени жесткости по таблице 1.
Испытательный режим устанавливают в контрольной точке по показаниям рабочих средств измерений со следующими отклонениями:
- амплитуда ускорения ± 15 %;
- длительность действия ударного ускорения - в соответствии с указанной в таблице 2. Остальные параметры удара - в соответствии с приложением Б.
4.4 Испытание проводят с учетом требований разделов 4 - 6 ГОСТ 30630.0.0.
4.5 Крепление изделий осуществляют в соответствии с требованиями раздела 5 ГОСТ 30630.0.0.
4.6 Проводят визуальный осмотр изделий и измерения их параметров в соответствии с требованиями раздела 4 ГОСТ 30630.0.0. Конечную стабилизацию не проводят.
4.7 Испытание проводят путем воздействия механических ударов многократного действия. Значение пикового ударного ускорения и общее число ударов должны соответствовать указанным в таблице 1.
|
Степень жесткости |
Значение пикового ударного ускорения, м·с-2 (g) |
Общее число ударов для предусмотренной в стандартах и ТУ на изделия выборки, шт. |
|
|
3 и менее |
более 3 |
||
|
1 |
30 (3) |
12000 |
10000 |
|
2 |
70 (7) |
1200 |
1000 |
|
3 |
100 (10) |
12000 |
10000 |
|
4 |
150 (15) |
12000 |
10000 |
|
4а |
150 (15) |
1200 |
1000 |
|
5 |
200 (20) |
12000 |
10000 |
|
6 |
400 (40) |
12000 |
10000 |
|
7 |
750 (75) |
6000 |
4000 |
|
8 |
1000 (100) |
6000 |
4000 |
|
9 |
1500 (150) |
6000 |
4000 |
|
Примечание - Испытание по степени жесткости 2а, устанавливаемое по ГОСТ 30631, не проводят. Соответствие изделия предъявленным требованиям обеспечивает испытанием на воздействие синусоидальной вибрации. |
|||
Если изделия имеют входящие в их конструкцию встроенные элементы защиты (например амортизаторы), то при выборе длительности действия ударного ускорения учитывают низшую резонансную частоту самого изделия, а не элементов защиты.
Таблица 2
|
Низшая резонансная частота изделия, Гц |
Длительность действия ударного ускорения, мс, для относительного коэффициента нелинейности системы |
|||||
|
0 |
0,25 |
0,5 |
0,75 |
|||
|
20 и ниже 1) |
60 ± 20 |
70 ± 25 |
90 ± 30 |
140 ± 45 |
||
|
Св. 20 до 40 1) |
30 ± 10 |
34 ± 11 |
45 ± 15 |
70 ± 20 |
||
|
Св. 40 до 60 1) |
18 ± 5 |
20 ± 4 |
25 ± 5 |
40 ± 8 |
||
|
Св. 60 до 100 1) |
11 ± 4 |
13 ± 4 |
16 ± 4 |
24 ± 6 |
||
|
Св. 100 до 200 1) |
6 ± 2 |
8 ± 3 |
10 ± 4 |
14 ± 4 |
||
|
Св. 200 до 500 |
3 ± 1 |
3 ± 1 |
4 ±1 |
6 ± 2 |
||
|
Св. 500 до 1000 |
2 ± 0,5 |
2 ± 0,5 |
2 ± 0,5 |
2 ± 0,5 |
||
|
Св. 1000 |
1 ± 0,3 2) |
- |
- |
- |
||
|
1) Если технические характеристики испытательного оборудования не обеспечивают требуемой длительности действия ударного ускорения, то допускается проведение испытаний в пределах длительности действия ударного ускорения τ , мс, рассчитанной по формуле
где f0н - низшая резонансная частота изделия, определенная по ГОСТ 30630.1.1, Гц. 2) Испытания на ударную прочность не проводят. |
||||||
4.9 Для передвижных и перемещаемых изделий, предназначенных для эксплуатации при перевозках транспортом, не работающим в движении (например групп исполнения М18, М20, М23 - М27, М29, М32 - М34, М37, М46, М47 по ГОСТ 30631), при отсутствии стендов соответствующей грузоподъемности, допускается проводить испытания путем перевозки на автомашинах, причем расстояние, скорость, вид покрытия дороги выбирают в соответствии с методикой испытания изделий в упаковке на прочность при транспортировании по ГОСТ 23216 и согласовывают с заказчиком. Должны быть также указаны способ крепления изделий и степень загрузки автомашины.
4.10 Форма импульса ударного ускорения должна быть полусинусоидальной. Методы измерения параметров удара приведены в приложении Б.
4.11 Контрольную точку выбирают в соответствии с требованиями 5.9 ГОСТ 30630.0.0. Допускается выбор контрольной точки на столе ударного стенда при наличии крепежного приспособления, если длительность действия ударного ускорения больше 1 мс.
При испытаниях крупногабаритных изделий, когда наложенные колебания не позволяют выделить очертания формы импульса ударного ускорения на осциллограмме из-за сильного влияния изделия на работу стенда, допускается контроль испытательного режима проводить с помощью настройки стенда с контрольным грузом, масса которого равна массе изделия с крепежным приспособлением. Допускаемое отклонение массы контрольного груза ±5 %. После настройки стенда на заданный режим груз снимают, устанавливают испытуемое изделие и далее испытание проводят при неизменной настройке стенда.
4.13 Частота следования ударов 40 - 120 в минуту. Допускаются перерывы в испытании, длительность которых не ограничивается, но при этом общее число ударов должно сохраниться.
4.14 Испытания проводят путем воздействия определенного числа последовательных ударов поочередно в каждом из трех взаимно перпендикулярных направлений по отношению к изделию. При этом общее число ударов должно поровну распределяться между направлениями, при которых проводят испытание.
Изделия, имеющие ось симметрии, испытывают в двух взаимно перпендикулярных направлениях (вдоль и перпендикулярно к оси симметрии) при сохранении общего числа ударов. Изделия с известным наиболее опасным направлением воздействия испытывают только в этом направлении при сохранении общего числа ударов.
Конкретное число направлений воздействия указывают в стандартах и ТУ на изделие и ПИ.
4.15 Визуальный осмотр и измерение параметров изделий проводят в соответствии с 4.6.
4.16 Оценка результатов испытаний - в соответствии с требованиями 4.21 ГОСТ 30630.0.0.
4.17 Испытание методом 104-2 проводят в соответствии с требованиями 4.2 - 4.16, но при значении пикового ударного ускорения, превышающем установленное в таблице 1 для соответствующей степени жесткости значение не более чем в 2 раза, и при уменьшенном общем числе ударов, вычисляемом для данной степени жесткости по формуле
|
|
(2) |
где jвр и Nвр - значение пикового ударного ускорения и общее число ударов соответственно, установленные для данной степени жесткости в таблице 1;
jy и Ny - значение пикового ударного ускорения и общее число ударов соответственно, установленные для данной степени жесткости при ускоренном испытании методом 104-2.
4.18 Испытание на ударную прочность изделий, низшая резонансная частота которых не превышает 1000 Гц, допускается не проводить, если предусмотрено испытание на вибропрочность; при этом низшая резонансная частота находится в диапазоне этого испытания и выполняется нижеследующее условие.
Испытание на ударную прочность можно не проводить, если выполняется следующее условие, характеризующее соотношение разрушающих потенциалов:
|
0,25·A2в Nв ≥ j2y Ny, |
(3) |
где Aв, jy - амплитуда вибрационного ускорения и пиковое ударное ускорение соответственно, м·с-2;
Nв, Ny - общее число циклов колебаний или ударов при испытаниях на вибропрочность или ударную прочность соответственно.
При этом jy и Ny - параметры испытательного режима на ударную прочность по настоящему разделу;
Ав и Nв - параметры испытательного режима на вибропрочность по методам испытания 103 по ГОСТ 30630.1.2, установленные для той же группы механического исполнения по ГОСТ 30631, что и jy и Ny.
При других соотношениях разрушающих потенциалов допускается заменять испытания на ударную прочность испытаниями на вибропрочность, проводимыми по методам и при значениях вибрационного ускорения, которые установлены ГОСТ 30630.1.2 для испытания 103 для той же группы механического исполнения по ГОСТ 30631, что и заменяемые испытания на ударную прочность. Эти испытания на вибропрочность проводят дополнительно к установленным ГОСТ 30630.1.2 при числе циклов колебаний Nв1, определяемом по формуле
|
|
(4) |
Продолжительность этих дополнительных испытаний tв1 определяют по формуле
|
|
(5) |
где tв0 - продолжительность испытаний, установленная ГОСТ 30630.1.2 для соответствующего метода испытания 103;
Nв0 - число циклов колебаний, установленных ГОСТ 30630.1.2 для метода 103-1.6.
5.1 Цели испытания:
- проверить способность изделий выполнять функции и сохранять значения параметров в пределах, указанных в стандартах и ТУ на изделия и ПИ, в условиях воздействия механических ударов многократного действия с заданными параметрами (метод 105-1);
- определить границы ударной устойчивости (метод 105-2).
5.2 Испытание проводят одним из следующих методов:
- 105-1 - испытание на ударную устойчивость;
- 105-2 - испытание для определения границы ударной устойчивости изделий, узлы которых имеют предварительное натяжение.
5.3 Метод 105-1. Испытание на ударную устойчивость
5.3.1 Стенд должен обеспечивать получение в контрольной точке ударов, параметры которых установлены соответствующими техническими требованиями на изделия.
5.3.2 Испытание проводят с учетом требований разделов 4 - 6 ГОСТ 30630.0.0.
5.3.3 Крепление изделий осуществляют в соответствии с требованиями раздела 5 ГОСТ 30630.0.0.
5.3.4 Проводят визуальный осмотр изделий и измерения их параметров в соответствии с требованиями раздела 4 ГОСТ 30630.0.0. Конечную стабилизацию не проводят.
5.3.5 Испытание проводят путем воздействия механических ударов многократного действия. Значение пикового ударного ускорения должно соответствовать техническим требованиям в стандартах и ТУ на изделия. Форма импульса ударного ускорения должна быть полусинусоидальной, если в стандартах и ТУ на изделия не установлены другие требования.
5.3.6 Испытание проводят по методике в соответствии с требованиями 4.6, 4.8, 4.11, 4.12, 4.15, за исключением требования к общему числу ударов.
5.3.7 Испытание проводят путем воздействия ударов поочередно в каждом из трех взаимно перпендикулярных направлений по отношению к изделию.
Изделия, имеющие ось симметрии, испытывают в двух взаимно перпендикулярных направлениях (вдоль и перпендикулярно к оси симметрии). Изделия с известным наиболее опасным направлением испытывают только в этом направлении.
Конкретное число направлений воздействия указывают в стандартах и ТУ на изделие и ПИ.
5.3.8 Изделие подвергают воздействию 20 ударов при каждом направлении воздействия, при этом частота следования ударов должна быть такой, чтобы был возможен контроль проверяемых параметров изделия.
5.3.9 В процессе испытания проводят контроль параметров изделий.
Проверяемые параметры, их значения и методы проверки указывают в стандартах и ТУ на изделия и ПИ.
Для проверки ударной устойчивости рекомендуется выбирать параметры, по изменению которых можно судить об ударной устойчивости изделия в целом (например уровень виброшумов, искажение выходного сигнала или изменение его значения, целость электрической цепи, нестабильность контактного сопротивления и т.д.). При совмещении испытания на ударную устойчивость с испытанием на ударную прочность число ударов должно соответствовать указанному в таблице 1, а контроль параметров изделий проводят в конце испытания на ударную прочность при воздействии не менее 20 ударов для каждого направления воздействия.
5.3.10 Оценка результатов испытаний - в соответствии с требованиями раздела 4 ГОСТ 30630.0.0.
5.4 Метод 105-2. Испытание для определения границы ударной устойчивости изделий, узлы которых имеют предварительное натяжение
5.4.1 Метод применяют при разработке технической документации на изделие или в целях решения вопросов о расширении диапазона применения изделий.
5.4.2 Граница ударной устойчивости (ГУУ) - зависимость максимальных значений пикового ударного ускорения jm, при которых еще не происходит нарушения работоспособности изделия, от длительности действия ударного ускорения.
5.4.3 ГУУ определяют графическим путем.
5.4.4 Вначале задают несколько значений относительного коэффициента нелинейности 0 < δi < 1 (рекомендуются значения 0,25; 0,5; 0,75) и определяют соответствующие значения jmi наибольших пиковых ударных ускорений по формуле
|
|
(6) |
где jm - пиковое ударное ускорение, определенное одним из методов 100-2 по ГОСТ 30630.1.1, м·с-2;
δi - относительный коэффициент нелинейности узла, при котором еще не происходит нарушения работоспособности изделия.
5.4.5
Вычисляют предельный коэффициент динамичности системы
(т.е. коэффициент
динамичности механической системы или узла изделия, соответствующий тому
ускорению, при котором соответствующие параметры изделия в целом или его
механической системы или узла изделия еще находятся в допустимых пределах) по
формуле
|
|
(7) |
где xпр - предельно допустимое перемещение центра масс узла изделия, при котором еще не происходит нарушение работоспособности изделия, определенное расчетным путем или одним из методов 100-2 по ГОСТ 30630.1.1;
f0н - низшая резонансная частота, Гц.
5.4.6
На рисунке 1 или 2 из точек на оси ординат, соответствующих вычисленным
, проводят горизонтальные линии до пересечения с
соответствующими линиями δi. В точках пересечения
находят соответствующие значения обобщенной частоты (f0н)

Рисунок 1
Примечание - На рисунках 1 и 2 в левом верхнем углу дано условное обозначение формы ударного импульса, где j - ускорение, t - время.

Рисунок 2
5.4.7 Определяют длительности ударных импульсов τi, соответствующих каждому jmi по формуле
|
|
(8) |
где f0н - низшая резонансная частота, Гц.
5.4.8 По полученным данным строят ГУУ удароустойчивости (рисунок 3).

Рисунок 3
5.4.9 Проверяют правильность определения зоны удароустойчивости путем испытания на ударную устойчивость при параметрах удара, выбранных по рисунку 3 и наиболее удобных для воспроизведения на существующем оборудовании.
6.1 Испытание проводят с целью проверить способность изделий противостоять разрушающему воздействию механических ударов одиночного действия и выполнять функции после этого воздействия, а также (если указано в стандартах и ТУ на изделия и ПИ) выполнять функции или не допускать ложных срабатываний в процессе воздействия ударов.
6.2 Испытание проводят одним из двух методов.
Метод 106-1 является предпочтительным. Изделия, предназначенные для кораблей и судов, допускается испытывать методом 106-2.
6.3 Испытание проводят с учетом требований разделов 4 - 6 ГОСТ 30630.0.0.
6.4 Если в стандартах и ТУ на изделия и ПИ указано на необходимость контроля параметров изделий в процессе испытания, то испытание проводят под механической и (или) электрической нагрузкой, параметры и методы контроля которой должны быть установлены в стандартах и ТУ на изделия и ПИ.
6.5.1 Испытательная установка должна обеспечивать получение механических ударов одиночного действия с амплитудой ускорения, соответствующей заданной степени жесткости.
6.5.2 Крепление изделий осуществляют в соответствии с требованиями раздела 5 ГОСТ 30630.0.0.
6.5.3 Проводят визуальный осмотр изделий и измерение их параметров в соответствии с требованиями 4.13 ГОСТ 30630.0.0. Начальную стабилизацию не проводят.
Испытания проводят путем воздействия механических ударов одиночного действия, форма импульса ударного ускорения которых соответствует одной из приведенных в приложении Б.
Конкретную форму импульса ударного ускорения устанавливают в стандартах и ТУ на изделия и ПИ. Рекомендуемая форма - полусинусоидальная.
6.5.4 Методы измерения параметров удара приведены в приложении Б.
6.5.5 Значения пикового ударного ускорения выбирают по таблице 3 в соответствии с требованиями, предъявленными к изделию по ГОСТ 30630.1.1.
Таблица 3
|
Степень жесткости |
Значение пикового ударного ускорения, м·c-2(g) |
Степень жесткости |
Значение пикового ударного ускорения, м·c-2(g) |
|
1 |
30(3) |
8 |
1500 (150) |
|
2 |
70(7) |
9 |
2000 (200) |
|
3 |
100 (10) |
10 |
5000 (500) |
|
4 |
200 (20) |
11 |
10000 (1000) |
|
5 |
500 (50) |
12 |
15000 (1500) |
|
6 |
750 (75) |
13 |
30000 (3000) |
|
7 |
1000 (100) |
|
|
|
Примечание - Испытания по степеням жесткости 3а, 4а, устанавливаемые по ГОСТ 30631, не проводят. Соответствие изделия предъявляемым требованиям обеспечивают испытаниями на воздействие многократных ударов. |
|||
Длительности действия ударного ускорения τ, мс, с импульсом трапецеидальной и пилообразной формы выбирают соответственно по формулам:
|
|
(9) |
|
|
(10) |
где значение n - число ударов выбирают от 3 до 100;
f0н - низшая резонансная частота изделия, Гц.
Полученные по формулам (9) и (10) значения т округляют (в любую сторону) до ближайших значений по таблице 4.
Таблица 4
|
Диапазон низших резонансных частот изделия, Гц |
Длительность действия ударного ускорения, мс |
|
1000-2000 |
1 ± 0,3 |
|
2000-5000 |
0,5 ± 0,2 |
|
5000-10000 |
0,2 + 0,1 |
|
10000-20000 |
0,1 ± 0,05 |
|
20000 и выше |
0,05 ± 0,02 |
|
Примечание - Если технические характеристики оборудования не обеспечивают требуемой длительности действия ударного ускорения, то при ударах с полусинусоидальной формой импульса ударного ускорения допускается проводить испытание с длительностью действия ударного ускорения, определяемой по формуле (1). |
|
6.5.7 Контрольную точку выбирают в соответствии с требованиями 5.9 ГОСТ 30630.0.0. Допускается выбор контрольной точки на столе ударного стенда при наличии крепежного
приспособления, если длительность действия ударного ускорения больше 1 мс.
6.5.8 Выполняют требования 4.12.
6.5.9 Испытания проводят путем воздействия ударов поочередно в каждом из двух противоположных направлений по трем взаимно перпендикулярным осям изделия (6 направлений), если у изделия невозможно выделить плоскость оси симметрии. В остальных случаях конкретные направления воздействия выбирают следующим образом:
- при наличии оси симметрии испытания проводят вдоль оси симметрии в двух противоположных направлениях и в любом направлении, перпендикулярном к оси симметрии;
- при наличии одной или нескольких плоскостей симметрии направление воздействия выбирают так, чтобы перпендикулярно к каждой плоскости симметрии испытание было проведено в одном направлении.
Изделия, для которых известно одно наиболее опасное направление воздействия, испытывают только в этом направлении.
Конкретное число направлений воздействия указывают в стандартах и ТУ на изделия и ПИ.
6.5.10 Независимо от числа выбранных направлений воздействия пикового ударного ускорения в каждом направлении производят три удара.
6.5.11 Если указано в стандартах и ТУ на изделия и ПИ, то в процессе испытания проводят контроль параметров изделий. Проверяемые параметры, их значения и методы проверки указывают в стандартах и ТУ на изделия и ПИ. Рекомендуется выбирать параметры, по изменению которых можно судить об устойчивости к воздействию одиночных ударов изделий в целом [например для некоторых электрорадиоизделий (далее - ЭРИ) - уровень виброшумов, искажение выходного сигнала или изменение его значения, целость электрической цепи, нестабильность контактного сопротивления и т.д.].
6.5.12 Оценка результатов испытаний - в соответствии с требованиями 4.21 ГОСТ 30630.0.0. 6.6 Метод 106-2
6.6.1 Испытания проводят в соответствии с 6.5 (метод 106-1), с учетом требований, установленных в 6.6.2.
6.6.2 Изделия массой до 200 кг испытывают на копре К-200.
6.6.3 Изделия, имеющие собственные амортизаторы, испытывают на амортизаторах в эксплуатационном положении.
6.6.4 На копре К-200 изделия испытывают при следующих характеристиках испытательного режима:
- отклонение маятника - 90º;
- высота падения вертикального груза - 1500 мм.
В обоснованных случаях, если это указано в стандартах и ТУ на изделия и ПИ, допускается применять следующий испытательный режим:
- отклонение маятника - 30°;
- высота падения вертикального груза - 500 мм.
При испытании на копре К-200 в зависимости от особенностей эксплуатации изделий и их схемно-конструктивных решений высоту падения вертикального груза и угол отклонения маятника допускается уточнять.
6.6.5 Изделия массой свыше 200 кг испытывают на специальных копрах и стендах. При отсутствии специальных стендов допускается проводить расчет прочности и деформации по каждой оси на механический удар в соответствии с требованиями, установленными в стандартах и ТУ на изделия и ПИ, по методике расчета, разработанной для конкретного изделия и согласованной с заказчиком.
6.6.6 Изделия при испытании крепят непосредственно на типовых плитах копра.
При невозможности крепления изделий непосредственно на плитах копра рекомендуется располагать изделия на креплениях или специальных приспособлениях, жесткость которых незначительно отличается от жесткости типовых креплений или жесткости крепления этих изделий в эксплуатационных условиях.
6.6.7 Изделия считают выдержавшими испытания, если они удовлетворяют требованиям, установленным в стандартах и ТУ на изделия и ПИ для испытания данного вида.
7.1 Испытание проводят с целью проверить способность изделий противостоять разрушающему действию, выполнять функции и сохранять значения параметров в пределах норм, указанных в стандартах и ТУ на изделия и ПИ, во время и (или) после воздействия сейсмических ударов, что должно быть указано в стандартах и ТУ на изделия и ПИ. Испытание проводят методом 118-1.
7.2 Значения параметров сейсмического удара при испытании устанавливают в соответствии с требованиями, указанными в техническом задании на изделия.
7.3 Изделия испытывают методом 106-1 (см. раздел 6). При этом выбирают полусинусоидальную форму импульса ударного ускорения.
7.4 Рекомендуется изделие, имеющее крепление к строительным конструкциям в одной плоскости, размещать на крепежном приспособлении (промежуточной раме), которое с учетом массы закрепленного изделия не должно иметь собственных частотных колебаний ниже 200 Гц.
Изделие с закреплением к строительным конструкциям в двух и более плоскостях испытывают в рамах, соответствующих по жесткости строительным конструкциям. Контрольную точку в этом случае выбирают на платформе стенда.
7.5 Изделия, входящие в комплектные устройства, испытывают в составе этих комплектных устройств или на макетах, соответствующих им по жесткости.
7.6 При испытаниях должны быть соблюдены следующие условия:
- изделия, имеющие два эксплуатационных положения «закрыто - открыто», а ЭРИ - коммутационное положение «включено - выключено», испытывают в обоих положениях;
- изделия, имеющие более двух эксплуатационных положений, испытывают в двух наименее устойчивых положениях. При этом каждый образец должен быть подвергнут не более чем трем ударам в каждом из трех направлений.
7.7 При проведении испытаний изделий, имеющих емкости и баки, последние должны быть заполнены рабочими жидкостями (топливом, маслом, изоляционными жидкостями, водой и пр.) или балластом.
7.8 Если к изделию предъявлены требования по воздействию сейсмического удара и ударов одиночного действия, то может быть проведено одно испытание, при котором значения пикового ударного ускорения и определенной по 6.5.6 длительности действия ударного ускорения устанавливают наибольшими, исходя из требований по обоим видам ударов.
7.9 Испытание на воздействие сейсмического удара допускается проводить на стендах, создающих знакопеременный импульс ударного ускорения, при этом за один импульс принимают период изменения ускорения. В этом случае при испытании изделия подвергают одновременно или последовательно трем ударам вдоль каждой из трех взаимно перпендикулярных осей изделий, если в стандартах и ТУ на изделия не установлены другие условия.
7.10 Допускается изделия, выдержавшие нормируемые воздействия, подвергать дальнейшим испытаниям для определения границ удароустойчивости и прочности к воздействию сейсмического удара.
Необходимость таких граничных испытаний устанавливают в стандартах и ТУ на изделия и ПИ.
В этом случае пиковое ударное ускорение полусинусоидального импульса должно повышаться, если изделие выдержало предыдущее воздействие, по отношению
|
|
(11) |
где ji - пиковое ударное ускорение предыдущего удара, который выдержало изделие, м·с-2;
ji+l - пиковое ударное ускорение последующего удара, м·с-2.
А.1 Для вновь разрабатываемых стандартов и изделий, а также модернизируемых изделий дата введения стандарта в действие установлена 2000-07-01.
А.2 Для разработанных до 2000-07-01 изделий введение стандарта осуществляется в период до 2002-07-01 при пересмотре стандартов и ТУ на изделия. При этом для разработанных до 2000-07-01 изделий при проведении первых испытаний после 2000-07-01 на подтверждение требований по стойкости к ВВФ, а также периодических испытаний изделий, находящихся в производстве, рекомендуется руководствоваться требованиями настоящего стандарта.
Б.1 Общие положения
Б.1.1 При измерении параметров удара регистрируют:
- пиковое ударное ускорение;
- длительность действия ударного ускорения;
- форму импульса ударного ускорения.
Кроме того, для характеристики испытательного режима в случае, когда амплитуда ускорения наложенных колебаний составляет более 5 % амплитуды ускорения ударного импульса, необходимо учитывать относительную амплитуду ускорения и частоту наложенных колебаний. Рекомендуется также регистрировать длительность фронта ударного ускорения.
Б.1.2 Измерение параметров удара проводят одним из следующих методов:
- с помощью пьезоэлектрического измерительного преобразователя (далее - ИП) с известным коэффициентом преобразования;
- по изменению скорости при ударе с использованием ИП с неизвестным коэффициентом преобразования;
- крешерным методом (только для измерения ускорения).
Предпочтительным является первый метод. Однако применение его может быть затруднено из-за отсутствия возможности определять коэффициент преобразования ИП в ударном режиме при ускорениях свыше 30000 м·с-2. В этом случае применяют два других метода. Причем измерения параметров удара по изменению скорости рекомендуются для стендов, у которых удар о неподвижную преграду формируется при принудительном разгоне метаемого тела, а также для стендов со свободно падающим столом.
Крешерный метод, как правило, является дополнительным.
Б.2 Метод измерения параметров удара с помощью ИП с известным коэффициентом преобразования
Б.2.1 Требования к измерительной аппаратуре
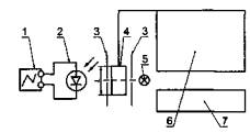
Б.2.1.1 Для измерений следует использовать аппаратуру, структурная схема которой представлена на рисунке Б.1, на котором:
1 - ИП, предназначенный для преобразования ускорения в электрический сигнал. В качестве ИП следует использовать пьезоэлектрический преобразователь ускорения (пьезоэлектрический акселерометр);
2 - согласующий усилитель (далее - СУ), служащий для согласования выходного сопротивления ИП с входным сопротивлением регистрирующего прибора (для этой цели могут быть использованы катодный или истоковый повторитель, усилитель заряда и т.п.);
3- фильтр, необходимый для снижения уровня шумов СУ, исключения влияния резонанса ИП и уменьшения амплитуды наложенных колебаний на кривой ударного импульса с целью улучшить различимость осциллограммы при измерении;
4- регистрирующий прибор (далее - РП), служащий для непосредственного наблюдения формы ударного импульса и отсчета его параметров. В качестве РП рекомендуется использовать электронные осциллографы с ждущей разверткой и временем запоминания, превышающим минимально необходимое время считывания параметров осциллограммы.

Рисунок Б.1
Для того чтобы документально оформить результаты измерения параметров удара, рекомендуется фотографировать осциллограммы импульса ударного ускорения или переводить их с экрана осциллографа на прозрачную бумагу.
Изображение импульса с экрана осциллографа фотографируют с помощью любой зеркальной фотокамеры (например «Зенит»). Для того чтобы расстояние от фотографируемого объекта было согласовано с длиной тубуса осциллографа, объектив фотокамеры с фокусным расстоянием 50 мм устанавливают в специальный тубус (кольцо, переходник) длиной 8 - 9 мм, в случае необходимости длину его уточняют экспериментально.
Б.2.1.2 ИП должен быть жестко закреплен в контрольной точке. ИП с резьбовым креплением должен быть ввернут до упора с моментом затяжки, указанным в нормативной документации. При отсутствии в нормативной документации такого указания рекомендуется момент затяжки:
- для резьб диаметром 6 мм - 1,5 - 2,1 Н·м;
- для резьб большого диаметра - увеличенный на 1,5 - 2,1 Н·м на каждый миллиметр увеличения диаметра резьбы.
Б.2.1.3 Амплитудно-частотная характеристика аппаратуры (включая ИП) должна соответствовать приведенной на рисунке Б.2. При этом неравномерность амплитудно-частотной характеристики б в децибелах следует определять относительно частоты /400 Гц.
Зависимость нижней и верхней частот среза фильтра, а также частоты, за пределами которой значение амплитудно-частотной характеристики может подниматься выше +1 дБ, от длительности импульса представлена в таблице Б.1.

Рисунок Б.2
Таблица Б.1
|
Длительность импульса τ, мс |
Нижняя частота среза , Гц |
Верхняя частота среза, кГц |
Частота, за пределом которой значение характеристики может подниматься выше +1 дБ, кГц |
|
|
fH1 |
fH2 |
fB1 |
fB2 |
|
|
0,05 ≤ τ <0,2 |
4 |
16 |
30 |
40 |
|
0,2 ≤ τ < 1 |
4 |
16 |
15 |
40 |
|
1 ≤ τ <3 |
4 |
16 |
5 |
25 |
|
τ > 3 |
1 |
4 |
5 |
25 |
Б.2.1.4 Низшая резонансная частота закрепленного ИП должна быть не менее:
- 50 кГц для измерения импульсов с длительностью фронта 0,05 мс и более;
- 25 кГц для измерения импульсов с длительностью фронта 0,1 мс и более;
- 10 кГц для измерения импульсов с длительностью фронта 0,5 мс и более.
Примечание - Значение низшей резонансной частоты закрепленного ИП и нелинейность амплитудной характеристики ИП определяют по паспортным данным или по результатам проверки.
Б.2.1.6 Постоянная времени входной цепи RC согласующего усилителя (СУ) должна быть не менее 0,2 с, где R - входное сопротивление СУ, Ом; С - суммарная емкость ИП, кабеля и входа СУ, Ф.
Б.2.1.7 Аппаратура для измерения параметров удара должна проходить периодическую поверку. Поверку должны проводить государственная или ведомственные метрологические службы согласно ГОСТ 8.002, ГОСТ 8.513.
Б.2.2 Измерение пикового ударного ускорения
Измерение пикового ударного ускорения следует проводить по осциллограммам ударного импульса и по известному коэффициенту преобразования ИП. Примеры осциллограмм приведены на рисунке Б.3.
|
|
|
а - с крутым фронтом; б - с пологим фронтом
Рисунок Б.3
Значение пикового ударного ускорения jm вычисляют по формуле
|
|
(Б.1) |
где Р - чувствительность осциллографа по вертикальной оси, мВ/мм (деление сетки);
Ncp - амплитуда усредненного импульса, изображенного на рисунке Б.3 а пунктирной линией, мм (деление сетки);
К - коэффициент преобразования ИП, определенный при поверке совместно с СУ, мВ/(м·с-2) (мВ/g) (напряжение и ускорение в амплитудных значениях).
Для того чтобы повысить точность измерения амплитуды ускорения путем исключения погрешности, вносимой осциллографом, значение Р рекомендуется определить с помощью поверенных приборов класса не менее 2,5 (звукового генератора с ламповым вольтметром или источника постоянного напряжения с вольтметром).
Если импульс ударного ускорения не содержит наложенных колебаний (рисунок Б.3 б), то за Ncp следует принимать максимальное отклонение луча по вертикали.
Если импульс ударного ускорения содержит наложенные колебания (рисунок Б.3 а), то для определения Ncp необходимо:
- отметить точки, соответствующие серединам участков осциллограммы, которые заключены между двумя соседними экстремумами (максимумами и минимумами) наложенных колебаний;
- соединить эти точки плавной линией (пунктирная линия на рисунке Б.3 а), максимум этой линии принять за Ncp.
Коэффициент преобразования К определяют при градуировке ИП в ударном режиме. При этом для измерения пикового ударного ускорения jm < 10000 м·с-2 (1000 g) и длительности τ ≥ 0,5 мс допускается градуировка в вибрационном режиме.
Б.2.3 Измерение длительности действия ударного ускорения и длительности фронта ударного ускорения
Б.2.3.1 За длительность действия ударного ускорения следует принимать время, в течение которого действуют мгновенные значения ускорения у, одного знака, удовлетворяющие условию
|
ji ≥ 0,1 jm. |
(Б.2) |
Для измерения длительности действия ударного ускорения τ необходимо зафиксировать на экране осциллографа или на осциллограмме (рисунок Б.3 б) горизонтальное отклонение луча n', мм (деление сетки), которое соответствует отрезку времени на уровне 0,1 Ncp, расположенному между передним и задним фронтами импульса, и рассчитать τ по формуле
|
τ = τ'n' |
(Б.3) |
где τ' - масштаб горизонтальной оси на осциллографе, с/мм (деление сетки);
n' - горизонтальное отклонение луча, мм.
Для импульсов с крутыми фронтами (трапецеидальный, полусинусоидальный с большим ускорением и малой длительностью и т.п.) за длительность действия ударного ускорения допускается принимать время, определенное по основанию импульса (рисунок Б.3 а).
Б.2.3.2 За длительность фронта ударного ускорения (время фронта удара) следует принимать время, в течение которого происходит нарастание значения ускорения от нуля до значения пикового ударного ускорения jm.
Для измерения длительности фронта ударного ускорения τф необходимо зафиксировать горизонтальное отклонение луча nф, мм (деление сетки), от начала процесса до соответствующего вертикального отклонения Nср (рисунок Б.3 а) и рассчитать τф по формуле
|
τф = τ'nф |
(Б.4) |
Б.2.4 Определение формы импульса ударного ускорения
Для определения формы исходного импульса следует получить его изображение на экране осциллографа. При этом временная развертка должна быть выбрана такой, чтобы наблюдать на экране импульс на временном участке, включающем в себя 0,4 т до начала импульса, длительность действия ударного ускорения т и отрезок времени, равный т после импульса ударного ускорения.
Если осциллограмму импульса ударного ускорения можно заключить между пунктирными линиями, соответствующими допускам:
- на пилообразный импульс (рисунок Б.4 а), то форму импульса ударного ускорения следует классифицировать как пилообразную (или треугольную);
- на полусинусоиду (рисунок Б.4 б), то форму импульса ударного ускорения следует классифицировать как полусинусоидальную;
- на трапецеидальный импульс (рисунок Б.4 в), то форму импульса ударного ускорения следует классифицировать как трапецеидальную.
- название одной из подходящих геометрических фигур (близкая к пилообразной, близкая к полусинусоидальной, близкая к трапецеидальной, колоколообразная, близкая к пилообразной с наложенными колебаниями, имеющими частоту fнк, кГц, и амплитуду ускорения jнк, составляющую n % пикового ударного ускорения, и т.п.);
- τф длительность фронта ударного ускорения;
- τ длительность действия ударного ускорения.
Например, форма импульса ударного ускорения близка к пилообразной с длительностью фронта ударного импульса τф = 0,2 мс при длительности действия ударного ускорения τ = 1,5 мс с наложенными колебаниями, имеющими частоту fнк = 20 кГц и амплитуду ускорения jнк = 0,3 jm.

а) – пилообразный импульс;
б) – полусинусоидальный импульс;
в) – трапециидальный импульс;
---- границы допусков
Рисунок Б.4
Б.2.4.3 Оценку частоты наложенных колебаний на кривой импульса ударного ускорения следует проводить путем подсчета на осциллограмме числа периодов наложенных колебаний nп, приходящихся на любой отрезок горизонтальной оси осциллограммы, который составляет не менее пяти периодов наложенных колебаний. Рекомендуется за такой отрезок принимать отрезок, соответствующий длительности действия ударного ускорения.
Если наложенные колебания лучше просматриваются во временном отрезке, следующем за действием импульса, то допускается подсчет их периодов проводить на этом участке остаточных колебаний.
Частоту наложенных колебаний fнк, Гц, рассчитывают по формуле
|
|
(Б.5) |
где nп - число периодов наложенных колебаний на учитываемом отрезке осциллограммы;
t - время, соответствующее длине учитываемого отрезка, мс.
Б.2.4.4 Для оценки формы импульса ударного ускорения рекомендуется следующее:
a) перенести на кальку (или на фотобумагу) осциллограмму импульса;
б) отметить на перенесенной на кальку осциллограмме значения, соответствующие длительности τ и амплитуде ускорения jm, исключив при этом из максимального отклонения луча по вертикали амплитуду ускорения наложенных колебаний jнк;
в) для значений τ и jm вычертить на кальке кривую, соответствующую одной из трех нормированных форм импульсов, в одном масштабе с исходным импульсом, наиболее подходящую для сравнения с исходным импульсом, приняв для нее значение τф, равное:
0,9 τ - для пилообразной формы;
0,5 τ - для полусинусоидальной формы;
0,1 τ - для трапецеидальной формы.
Нанести на эту же кальку по данным рисунка Б.4 пунктирные линии, соответствующие границам допусков выбранного для сравнения нормированного импульса;
г) наложить кальку с вычерченными границами допусков на осциллограмму исходного импульса и оценить его форму по размещению внутри граничных линий; если исходный импульс ударного ускорения не размещается внутри граничных линий, оценить форму исходного импульса по данным τф, τ и jнк согласно Б.2.4.2 и Б.2.4.3.

а - осциллограмма исходного импульса;
б - выявление усредненного профиля импульсов;
в - нормированная форма импульса;
г - оценка формы импульса
Рисунок Б.5
Последовательность операций для оценки полусинусоидальной формы импульса - по рисунку Б.5.
Б.2.4.5 Для того чтобы более оперативно оценить форму импульса ударного ускорения, допускается пользоваться трафаретами нормированных форм, изготовленными заранее, для ряда фиксированных значений длительности.
Для этого следует:
- на изображение импульса ударного ускорения на экране осциллографа наложить трафарет таким образом, чтобы совместить отрезки, соответствующие длительности τ;
- варьируя значением вертикального усиления осциллографа, установить значение исходного импульса ударного ускорения на одном горизонтальном уровне с амплитудой ускорения нормированного импульса на трафарете;
- по размещению исходного импульса внутри границ трафарета или за их пределами оценить форму исходного импульса ударного ускорения в соответствии с Б.2.4.1 или Б.2.4.2 и Б.2.4.3.
Б.2.5 Определение относительной амплитуды ускорения наложенных колебаний
Относительную амплитуду ускорения наложенных колебаний σнк определяют по осциллограмме импульса ударного ускорения по формуле
|
|
(Б.6) |
где Nнк - отклонение луча осциллографа от линии усредненного профиля импульса, соответствующее амплитуде наложенных колебаний, мм (деление сетки);
Р - чувствительность осциллографа по вертикальной оси, мВ/мм (деление сетки);
К - коэффициент преобразования ИП, определенный совместно с СУ, мВ/(м·с-2) (мВ/g) (напряжение и ускорение в амплитудных значениях);
jm - амплитуда импульса ударного ускорения, м·с-2 (g).
Б.3 Метод измерения параметров удара по изменению скорости при ударе с использованием ИП с неизвестным коэффициентом преобразования
Это метод косвенных измерений. Суть его заключается в измерении площади осциллограммы импульса пикового ударного ускорения, определении изменения скорости при ударе и расчете на основании данных этих изменений значений пикового ударного ускорения.
Б.3.1 Аппаратура
Схема измерения и требования к аппаратуре - в соответствии с требованиями Б.2.1, за исключением Б.2.1.5 и Б.2.1.7.
Б.3.2 Определение значений пикового ударного ускорения
Б.3.2.1 Для ударного импульса любой формы значения пикового ударного ускорения jm вычисляют по формуле
|
|
(Б.7) |
где N - вертикальное отклонение луча осциллографа, соответствующее пиковому ускорению при ударе, мм;
Dv - изменение скорости при ударе, м·с-1;
Sτ - площадь осциллограммы импульса ударного ускорения, мм2, которая ограничена кривой ускорения и участком оси времени, равным Ти включающим в себя длительность действия пикового ударного ускорения τ и время, равное 0,4τ до удара и 0,1τ после удара
(T = 0,4τ + τ + 0,1τ);
τ' - масштаб горизонтальной шкалы осциллографа, с/мм.
Б.3.2.2 Изменение скорости при ударе Dv, определяемое разностью векторов скоростей прохождения мерной базы до и после удара, вычисляют по формуле
|
|
(Б.8) |
где L - размер мерной базы, мм;
t1, t2 - время прохождения мерной базы до и после удара соответственно, с.
Мерная база должна быть жестко закреплена на стенде; размер L определяют с точностью до сотых долей миллиметра.
Время прохождения мерной базы рекомендуется измерять с помощью фотодиода и осциллографа согласно схеме рисунка Б.6.

1 - осциллограф; 2 - фотодиод; 3 - диафрагма; 4 - мерная база; 5 - источник света; 6 - стол испытательного стенда; 7 - наковальня
Рисунок Б.6
Мерная база является подвижной заслонкой луча света, падающего на фотодиод. При перекрытии луча света перед ударом происходит затемнение фотодиода и одновременный запуск луча осциллографа. При этом электронный луч фиксирует на экране время t1, в течение которого фотодиод находится в затемненном состоянии.
Время t1 соответствует времени прохождения мерной базы перед ударом.
После удара мерная база вновь перекроет луч света и затемнит фотодиод при движении стола стенда в обратном направлении в течение времени t2, соответствующего времени прохождения мерной базы на отскоке.
Расположение фотодиода, диафрагм и источника света, а также конструкция мерной базы должны быть такими, чтобы измерение времени прохождения мерной базы можно было проводить на участке, находящемся на расстоянии 1- 2 мм от поверхности соударения.
Допускается применять любые другие способы измерения скорости, обеспечивающие погрешность измерения не более ±10 %.
Если можно пренебречь эффектом торможения (для ударных стендов со свободно падающим столом), то изменение скорости при ударе Δv рассчитывают по формуле
|
|
(Б.9) |
где Н, h - высоты падения и отскока соответственно, мм;
g - ускорение свободного падения, м·с-2.
Б.3.2.3 Если форму импульса ударного ускорения можно классифицировать как пилообразную, то значение пикового ударного ускорения можно определить по формуле
|
|
(Б.10) |
Если форму импульса ударного ускорения можно классифицировать как полусинусоидальную, то значение пикового ударного ускорения можно приближенно определить по формуле
|
|
(Б.11) |
Б.3.2.4 Измерение остальных параметров удара
Измерение длительности действия пикового ударного ускорения τ, длительности фронта пикового ударного ускорения τф, определение формы импульса пикового ударного ускорения, частоты fнк и относительной амплитуды ускорения наложенных колебаний σнк следует проводить в полном соответствии с Б.2.3 - Б.2.5.
Б.4 Измерение пикового ударного ускорения крешерным методом
Б.4.1 Принцип метода
Крешерный метод измерения больших ускорений при ударе основан на равенстве произведенной работы при медленном воздействии силы, прилагаемой при тарировании крешеров, и работы, произведенной ударом в измеряемом процессе, что имеет место при условии
|
f0τ ≥ 2,5, |
(Б.12) |
где f0 - собственная частота инерционного элемента крешера, кГц;
τ - длительность действия ударного ускорения, мс.
Это условие выполняют путем подбора массы и материалов инерционного элемента и крешера. Ускорение определяют по размеру отпечатка, полученного при ударе в результате накола крешера острием инерционного элемента, путем сравнения размера отпечатка с данными тарировочной кривой.
Б.4.2 Конструкция крешерных устройств
Одна из возможных конструкций крешерного устройства, пригодного для измерения ускорений до 500000 м·с-2 (50000 g), приведена на рисунке Б.7. Инерционный элемент (тело) такого устройства изготовляют из закаленной инструментальной стали твердостью 61 ... 63 HRCэ. Значение массы инерционного тела рекомендуется от 5,0 до 10 г при значении измеряемого пикового ударного ускорения 10000 - 500000 м·с-2 (1000 - 50000 g) соответственно. Угол конуса подбирают экспериментально от 90° до 120° в зависимости от материала крешера и длительности импульса. Длина цилиндрической части инерционного тела рекомендуется (2-3) d.
|
|
|
|
1 - корпус крешерного устройства; 2 - инерционный элемент (тело); 3 - крешер; 4 - стол испытательного стенда |
1 - свинец; 2 – чашка |
|
Рисунок Б.7 |
Рисунок Б.8 |
Для измерений ускорений свыше 50000 м·с-2 (5000 g) крешер изготовляют из алюминия. Диаметр крешера D рекомендуется от 10 до 15 мм, а высота (0,5 - 0,7) D. Меньший диаметр применяют при измерении больших ускорений. Торцовые поверхности крешера полируют.
Для измерений ускорений меньше 50000 м·с-2 (5000 g) крешер изготовляют из свинца в соответствии с рисунком Б.8. Чашку изготовляют из стали, латуни; толщина стенок чашки 2 - 3 мм. При заливке чашку нагревают до температуры плавления свинца и после заполнения медленно охлаждают до нормальной температуры испытаний по ГОСТ 15150 (время понижения температуры - не менее 1 ч). С внутренним диаметром корпуса инерционный элемент и крешер сопрягаются по скользящей посадке.
В крешерных устройствах, основанных на продольной остаточной деформации, об ускорении судят по значению показателя деформации, в устройствах, работающих на смятие острия крешера, - по диаметру площадки на острие.
6.4.3 Тарирование крешеров
Для выполнения серии измерений требуется партия крешеров не менее 24 шт., изготовленных из одного прутка алюминия, меди или одного куска свинца; 12 крешеров необходимы для статической калибровки, остальные используют для измерений ускорений. Для статической калибровки крешеров крешерное устройство устанавливают на прессе (рисунок Б.9), где последовательно задают статические нагрузки Q1, Q2, Q3, Q4, контролируемые динамометром, причем значения Q выбирают в зависимости от значений массы инерционного элемента и измеряемых в процессе удара ускорений:
|
Qi = mji |
(Б.13) |
где Qi - статическая нагрузка, Н;
ji - ускорение, соответствующее Qi м·с-2;
-- масса инерционного тела, кг.
Для каждой ступени нагрузок используют не менее трех крешеров.
Диаметр лунки, оставляемый инерционным элементом на крешере, измеряют с помощью микроскопа, при этом необходимо делать не менее трех измерений в каждом из двух взаимно перпендикулярных направлений. За окончательный диаметр лунки принимают среднее арифметическое из результатов 18 измерений (шесть измерений на каждый из трех крешеров).
По результатам усредненных измерений с учетом уравнения (Б.13) строят кривую зависимости ускорения от диаметра лунки (рисунок Б.10)
|
Dл = Ψ (j), |
(Б.14) |
где Dл - усредненный диаметр лунки на крешере, мм;
j - ускорение, g.
|
|
|
|
1 - поршень пресса; 2 - динамометр; 3 - инерционное тело; 4 - крешерное устройство; 5 - крешер; 6 - стол пресса |
|
|
Рисунок Б.9 |
Рисунок Б.10 |
Б.4.4 Измерение пикового ударного ускорения
Для измерения пикового ударного ускорения крешерное устройство устанавливают на стол ударного стенда. После выполнения удара крешер снимают, измеряют диаметр лунки и по графику тарировки (рисунок Б.10) определяют значение пикового ударного ускорения. Если крешерный метод - основное средство измерения ускорений, то для получения более достоверных данных о значении пикового ускорения необходимо произвести три удара, каждый раз устанавливая новый крешер. В этом случае значение пикового ускорения определяют по средним данным, полученным при использовании трех крешеров.
Б.5.1 Длительность действия ударного ускорения может быть измерена как время нахождения в контакте металлических соударяющихся поверхностей с помощью осциллографа [схемы измерений - (рисунок Б.11)] или любым иным методом. Порог срабатывания осциллографа настраивают несколько выше падения напряжения на резисторе R1 при разомкнутой цепи бойка-наковальни. Значение сопротивления резистора R1 рекомендуется принимать равным 0,1 - 1,0 кОм, резистора R2 равным (5 - 10) R1; напряжения источника питания - 1 - 12 В.

1 - наковальня (основание); 2 - боек (стол); 3 - осциллограф
Рисунок Б.11
Допускается измерять длительность действия ударного ускорения τ с помощью ИП, имеющего неизвестный коэффициент преобразования и собственную резонансную частоту f0, удовлетворяющую условию:
|
|
(Б.15) |
Таблица В.1
|
Настоящий стандарт |
Стандарты МЭК |
Степень соответствия |
|||
|
Наименование метода испытаний |
Номер метода испытаний |
Наименование метода испытаний |
Условное обозначение метода |
Обозначение стандарта МЭК |
|
|
Испытание на ударную прочность (испытание 104) |
- |
Испытание Еb и руководство. Многократные удары |
Еb |
МЭК 60068-2-29:1987 |
1 В настоящем стандарте, как и в стандарте МЭК, режимы испытаний увязаны с условиями эксплуатации. Однако в настоящем стандарте установлена более реальная дифференциация степеней жесткости испытаний, соответствующая группам условий эксплуатации по ГОСТ 30631. В стандарте МЭК значения ускорений для конкретных условий эксплуатации в ряде случаев не совпадают со значениями ускорений, установленных для соответствующих условий эксплуатации по стандартам серии МЭК 60721 «Классификация условий окружающей среды». 2 В настоящем
стандарте выбор длительности действия ударного ускорения проводят исходя из
значений низшей резонансной частоты изделия, пикового ударного ускорения,
предварительного натяжения, что является более правильным, чем в 3 В стандарте МЭК испытание на ударную прочность не отделено от испытания на ударную устойчивость. 4 В настоящем
стандарте для ряда случаев предусмотрена возможность замены испытания на 5. В настоящем стандарте
сочетания значений ускорений с числом ударов установлены на основе |
Окончание таблицы В.1
|
Настоящий стандарт |
Стандарты МЭК |
Степень соответствия |
|||
|
Наименование метода испытаний |
Номер метода испытаний |
Наименование метода испытаний |
Условное обозначение метода |
Обозначение стандарта МЭК |
|
|
Испытание на ударную прочность при верхнем рабочем значении пикового ударного ускорения |
104-1 |
Испытание Еb и руководство. Многократные удары |
Еb |
МЭК 60068-2-29:1987 |
Соответствует МЭК в учетом указанного выше для данного испытания |
|
Ускоренные испытания на ударную прочность при значении пикового ускорения, превышающем верхнее рабочее значение |
104-2 |
- |
- |
- |
- |
|
Испытание на устойчивость при воздействии механических ударов многократного действия [испытание на ударную устойчивость (испытание 105)] |
- |
Испытание Еb и руководство. Многократные удары |
Еb |
МЭК 60068-2-29:1987 |
См. указанное в пунктах 1, 2, 3 настоящей графы для испытания 104 |
|
Определение ударной устойчивости |
105-1 |
Испытание Еb и руководство. Многократные удары |
Еb |
МЭК 60068-2-29:1987 |
Соответствует МЭК с учетом указанного выше для данного испытания |
|
Определение границы ударной устойчивости изделий, узлы которых имеют предварительное натяжение |
105-2 |
- |
- |
- |
- |
|
Испытание на воздействие одиночных ударов (испытание 106) |
- |
Испытание Еа и руководство. Одиночный удар |
Еа |
МЭК 60068-2-27:1986 |
1 В настоящем стандарте проведена увязка условий режимов испытаний с условиями эксплуатации; в стандарте МЭК такая увязка отсутствует. В нижней части ряда степеней жесткости [менее 2000 м·с-2 (200 g)] настоящего стандарта установлена более реальная, чем в МЭК дифференциация значений степеней жесткости условий испытаний, соответствующая условиям эксплуатации по ГОСТ 30631. В верхней части ряда дифференциации значений степеней жесткости по настоящему стандарту и стандарту МЭК совпадают. |
|
2 В настоящем стандарте выбор длительности действия ударного ускорения проводят исходя из значений низшей резонансной частоты изделия, пикового ударного ускорения, предварительного натяжения, что является более правильным, чем в стандарте МЭК, где выбор длительности действия ударного ускорения увязан только со значением пикового ускорения. |
|||||
|
3 Настоящий стандарт содержит дополнительный метод, отсутствующий в МЭК, что позволяет точнее оценить более широкую номенклатуру изделий |
|||||
|
Испытание на ударном стенде |
106-1 |
Испытание Еа и руководство. Одиночный удар |
Еа |
МЭК 60068-2-27:1986 |
Соответствует МЭК с учетом указанного выше для данного испытания |
|
Испытание на копре К-200 |
106-2 |
- |
- |
- |
|
|
Испытание на воздействие сейсмического удара (испытание 118) |
118-1 |
- |
- |
- |
Соответствует методу 106-1 настоящего стандарта с ограничениями |
|
Методы измерения параметров удара (приложение Б): |
- |
Испытание Еа и руководство. Одиночный удар, приложение А |
Еа, приложение А |
МЭК 60068-2-27:1986 |
Соответствует МЭК |
|
Определение форм ударного импульса и допусков на указанные формы; методы определения пикового ударного ускорения, длительности действия и скорости изменения значения ударного ускорения |
|
Определение форм ударного импульса и допусков на указанные формы; методы определения пикового ударного ускорения, длительности действия и скорости изменения значения ударного ускорения |
|
МЭК 60068-2-27:1986 |
|
|
Испытание Еb и руководство. Многократные удары, приложение А |
Еb, приложение А |
МЭК 60068-2-29:1987 |
Тоже |
||
|
Определение форм ударного импульса и допусков на указанные формы; методы определения пикового ударного ускорения, длительности действия и скорости изменения значения ударного ускорения |
|||||
Ключевые слова: механические внешние воздействующие факторы; методы испытаний; ударная прочность; ударная стойкость; ударная устойчивость; удары многократного действия; удары одиночного действия; машины, приборы и другие технические изделия