ГОСТ Р 41.46-99
(Правила ЕЭК ООН № 46)
ЕДИНООБРАЗНЫЕ ПРЕДПИСАНИЯ, КАСАЮЩИЕСЯ ОФИЦИАЛЬНОГО УТВЕРЖДЕНИЯ ЗЕРКАЛ ЗАДНЕГО ВИДА И МЕХАНИЧЕСКИХ ТРАНСПОРТНЫХ СРЕДСТВ В ОТНОШЕНИИ УСТАНОВКИ НА НИХ ЗЕРКАЛ ЗАДНЕГО ВИДА
ГОССТАНДАРТ РОССИИ
Москва
СОДЕРЖАНИЕ
1. РАЗРАБОТАН Всероссийским научно-исследовательским институтом стандартизации и сертификации в машиностроении (ВНИИНМАШ) на основе Правил № 46 ЕЭК ООН, принятых Рабочей группой по конструкции транспортных средств КВТ ЕЭК ООН
ВНЕСЕН Госстандартом России
2. ПРИНЯТ И
ВВЕДЕН В ДЕЙСТВИЕ Постановлением Госстандарта России от 26 мая
3 Настоящий стандарт представляет собой идентичный текст Правил ЕЭК ООН № 46, Пересмотр 1 (документ E/ECE/324-E/ECE/TRANS/505/Rev.l/Add.45/Rev. 1, дата вступления в силу 08.07.88) «Единообразные предписания, касающиеся официального утверждения зеркал заднего вида и механических транспортных средств в отношении установки на них зеркал заднего вида» и включает в себя:
- Пересмотр 1 - Поправка 1 (документ E/ECE/324-E/ECE/TRANS/505/ Rev.l/Add.45/Rev. 1/ Amend.l, дата вступления в силу 27.08.96);
- Пересмотр 1 - Поправка 2 (документ E/ECE/324-E/ECE/TRANS/505/ Rev.l/Add.45/Rev. 1/ Amend.2, дата вступления в силу 03.01.98)
4. ВВЕДЕН ВПЕРВЫЕ
ГОСУДАРСТВЕННЫЙ СТАНДАРТ РОССИЙСКОЙ ФЕДЕРАЦИИ
|
ЕДИНООБРАЗНЫЕ ПРЕДПИСАНИЯ, КАСАЮЩИЕСЯ ОФИЦИАЛЬНОГО УТВЕРЖДЕНИЯ ЗЕРКАЛ ЗАДНЕГО ВИДА И МЕХАНИЧЕСКИХ ТРАНСПОРТНЫХ СРЕДСТВ В ОТНОШЕНИИ УСТАНОВКИ НА НИХ ЗЕРКАЛ ЗАДНЕГО ВИДА Uniform provisions concerning the approval of rear-view mirrors, and of motor vehicles with regard to the installation of rear-view mirrors |
Дата введения 2000-07-01
Настоящий стандарт вводит в действие Правила ЕЭК ООН № 46 (далее - Правила).
Настоящие Правила применяют:
1.1 к зеркалам заднего вида, предназначенным для установки на механических транспортных средствах категорий М, N и всех других механических транспортных средствах, имеющих менее четырех колес и кузов частично или полностью закрытого типа, и
1.2 1) к установке зеркал заднего вида на:
1.2.1 механических транспортных средствах категорий М и N;
1.2.2 на всех других механических транспортных средствах, имеющих менее четырех колес и кузов частично или полностью закрытого типа.
1) Для механических транспортных средств, не подпадающих под категории М, N, и всех других механических транспортных средств, не имеющих кузова частично или полностью закрытого типа, применяют требования Правил, которые в настоящее время разрабатывают и номер которых будет определен позже.
В настоящем стандарте применяют следующие термины:
2.1 зеркало заднего вида: Любое устройство, предназначенное для обеспечения в пределах поля обзора, определенного в 16.5, четкого вида того, что находится позади и сбоку транспортного средства, за исключением сложных оптических систем, таких как перископы.
2.2 внутреннее зеркало заднего вида: Устройство, соответствующее определению, данному в 2.1, предназначенное для установки в пассажирском салоне транспортного средства.
2.3 внешнее зеркало заднего вида: Устройство, соответствующее определению, данному в 2.1, предназначенное для установки на внешней поверхности транспортного средства.
2.4 зеркало для наблюдения: Какое-либо зеркало заднего вида, иное, чем определенное в 2.1, которое устанавливают внутри или снаружи транспортного средства и предназначено для обеспечения поля обзора, иного, чем предписанное в 16.5.
2.5 тип зеркала заднего вида: Устройства, которые не отличаются друг от друга по следующим основным характеристикам:
2.5.1 размерам и радиусу кривизны отражающей поверхности зеркала заднего вида;
2.5.2 конструкции, форме или материалам, из которых изготовлено зеркало заднего вида (Поправка серии 01).
2.6 класс зеркал заднего вида: Все устройства, имеющие одну или несколько общих характеристик или функций.
Их классифицируют следующим образом:
I - внутренние зеркала заднего вида, обеспечивающие поле обзора, определенное в 16.5.2; II, III - так называемые «основные» внешние зеркала заднего вида, обеспечивающие поле обзора, определенное в 16.5.3;
IV - так называемые «широкоугольные» внешние зеркала заднего вида, обеспечивающие поле обзора, определенное в 16.5.4;
V - так называемые внешние зеркала «бокового обзора», обеспечивающие поле обзора, определенное в 16.5.5.
2.7 r. Средний радиус кривизны, измеренный по отражающей поверхности в соответствии с методом, предписанным в разделе 2 приложения 7 к настоящим Правилам.
2.8 основные радиусы кривизны в одной точке отражающей поверхности (ri): Величины, полученные с использованием приборов, определенных в приложении 7, измеренные по дуге отражающей поверхности, проходящей через центр зеркала параллельно сегменту b, определенному в 7.1.2.1, и по дуге, перпендикулярной этому сегменту.
2.9 радиус кривизны в одной точке отражающей поверхности (rp): Среднее арифметическое основных радиусов кривизны ri и r'i, то есть
![]()
2.10 центр зеркала: Центр тяжести видимой зоны отражающей поверхности.
2.11 радиус кривизны составных элементов зеркала заднего вида:
Радиус с дуги окружности, которая в наибольшей степени приближается к кривизне рассматриваемого элемента.
2.12 транспортные средства категорий М и N: Транспортные средства, определенные в 5.2.2 и 5.2.3 Правил № 13.
3.1 Заявка на официальное утверждение типа зеркала заднего вида должна представляться владельцем фабричной или торговой марки или его надлежащим образом уполномоченным представителем.
3.2 К заявке для каждого класса зеркала заднего вида должны быть приложены упомянутые ниже документы в трех экземплярах и следующие данные:
3.2.1 техническое описание, включая инструкции по установке с указанием типа(ов) транспортных средств, для которых предназначено данное зеркало заднего вида;
3.2.2 чертежи, достаточно подробные, чтобы:
3.2.2.1 определить класс,
3.2.2.2 проверить соответствие общим техническим требованиям, предписанным в разделе 6,
3.2.2.3 проверить соответствие размерам, предписанным в 7.1,
3.2.2.4 контролировать положение мест, предусмотренных для знака официального утверждения и предписанных ниже в 4.2.
3.3 Кроме того, к заявке на официальное утверждение должны быть приложены четыре образца данного типа зеркала заднего вида. По просьбе лаборатории могут быть затребованы дополнительные образцы.
3.4 Компетентный орган должен проверить наличие удовлетворительных мер по обеспечению эффективного контроля за соответствием производства до выдачи официального утверждения по типу конструкции.
4.1 На образцах зеркал заднего вида, представленных для официального утверждения, должен быть нанесен фабричный или торговый знак предприятия-изготовителя; знак должен быть четким и нестираемым.
4.2 На защитном корпусе каждого зеркала заднего вида должно быть место, достаточное для нанесения знака официального утверждения, который должен быть удобочитаемым после установки зеркала заднего вида на транспортное средство; это место должно быть указано в чертежах, упомянутых в 3.2.2.
5.1 Если образцы, представленные для официального утверждения, отвечают требованиям, содержащимся в разделах 6 - 8, то данный тип зеркала заднего вида считают официально утвержденным.
5.2 Каждому официально
утвержденному типу присваивают номер официального утверждения, первые две цифры
которого (в настоящее время 01, соответствующие поправкам серии 01, вступившим
в силу 5 октября
5.3 Стороны Соглашения, применяющие настоящие Правила, уведомляются об официальном утверждении, отказе в официальном утверждении, распространении или отмене официального утверждения или об окончательном прекращении производства того или иного типа зеркала заднего вида в соответствии с настоящими Правилами посредством карточки, удовлетворяющей образцу, приведенному в приложении 1 к настоящим Правилам.
5.4 На все зеркала заднего вида, соответствующие официально утвержденному типу согласно настоящим Правилам, наносят, кроме знака, предписанного в 4.1, в месте, предусмотренном в 4.2, легко читаемый международный знак официального утверждения, состоящий из:
5.4.1 круга, внутри которого помещена буква Е, за которой следует отличительный номер страны, в которой произведено официальное утверждение 1);
5.4.2 номера официального утверждения;
5.4.3 дополнительного знака, состоящего из римской цифры.
1) 1 - Германия, 2 - Франция, 3 - Италия, 4 - Нидерланды, 5 - Швеция, 6 - Бельгия, 7 - Венгрия, 8 - Чешская Республика, 9 - Испания, 10 - Югославия, 11 - Соединенное Королевство, 12 - Австрия, 13 -Люксембург, 14 - Швейцария, 15 - не присвоен, 16 - Норвегия, 17 - Финляндия, 18 - Дания, 19 -Румыния, 20 - Польша, 21 - Португалия, 22 - Российская Федерация, 23 - Греция, 24 - не присвоен, 25 - Хорватия, 26 - Словения, 27 - Словакия, 28 - Беларусь, 29 - Эстония, 30 - не присвоен, 31 - Босния и Герцеговина, 32 - 36 - не присвоены, 37 - Турция, 38 - 39 - не присвоены и 40 - бывшая югославская Республика Македония. Последующие порядковые номера присваиваются другим странам в хронологическом порядке ратификации ими Соглашения о принятии единообразных технических предписаний для колесных транспортных средств, предметов оборудования и частей, которые могут быть установлены и (или) использованы на колесных транспортных средствах, и об условиях взаимного признания официальных утверждений, выдаваемых на основе этих предписаний, или в порядке их присоединения к этому Соглашению. Присвоенные им таким образом номера сообщаются Генеральным секретарем Организации Объединенных Наций Договаривающимся сторонам Соглашения.
5.5 Знак официального утверждения и дополнительный знак должны быть легко читаемыми и нестирающимися.
5.6 В приложении 3 к настоящим Правилам приведен образец знака официального утверждения и дополнительного знака, упомянутых выше.
6.1 Все зеркала заднего вида должны быть регулируемыми.
6.2 Контур
отражающей поверхности должен быть окружен защитным корпусом (кожухом и т. д.),
который по своему периметру в любой точке и во всех направлениях должен иметь
значение с ≥
6.3 Если
зеркало заднего вида установлено на ровную поверхность, все его части при любой
регулировке устройства, а также все части, остающиеся прикрепленными в
защитному корпусу после проведения испытания, предусмотренного в 8.2, которые
в статическом положении могут вступать в контакт со сферой диаметром
6.3.1 Края отверстий для
крепления или выемки, диаметр или наибольшая диагональ которых составляет менее
6.4 Устройство
крепления на транспортном средстве должно быть сконструировано таким образом,
чтобы цилиндр радиусом
6.5 Соответствующие положения не распространяются на части внешних зеркал заднего вида, предусмотренные в 6.2 и 6.3, изготовленные из материала, твердость которого по Шору А не превышает 60.
6.6 Положения 6.2 и 6.3, касающиеся кронштейнов, не распространяются на части внутренних зеркал заднего вида, которые изготовлены из материала, твердость которого по Шору А составляет менее 50, и установлены на жестких кронштейнах.
7.1.1 Внутренние зеркала заднего вида (класс I)
Отражающая поверхность
должна иметь такие размеры, чтобы в них можно было вписать прямоугольник, одна
из сторон которого равна

7.1.2 Внешние зеркала заднего вида (классы II и III)
7.1.2.1 Отражающая поверхность должна иметь такие размеры, чтобы в них можно было вписать:
7.1.2.1.1 прямоугольник,
высота которого составляет
7.1.2.1.2 сегмент, параллельный высоте прямоугольника, длина которого, выраженная в сантиметрах, равна b.
7.1.2.2 Минимальные значения α и b приведены в следующей таблице.
|
Классы зеркал заднего вида |
Категория транспортных средств, для которых предназначены зеркала заднего вида |
α |
β |
|
II |
М2, М3, N2 и N3 |
|
20 |
|
III |
M1 и N1, N2 и N3 (в случае применения предписаний 16.2.1.3) |
|
7 |
7.1.3 «Широкоугольные» внешние зеркала заднего вида (класс IV)
Контур отражающей поверхности должен быть простым, а ее размеры должны быть такими, чтобы обеспечивалось поле обзора, предписываемое в 16.5.4.
7.1.4 Внешние зеркала «бокового обзора» (класс V)
Контур отражающей поверхности должен быть простым, а ее размеры должны быть такими, чтобы обеспечивалось поле обзора, предписываемое в 16.5.5.
7.2.1 Отражающая поверхность зеркала заднего вида должна быть плоской или иметь форму выпуклой сферы.
7.2.2 Расхождение между радиусами кривой
7.2.2.1 Разница между ri или r'i и rр в каждой опорной точке не должна превышать 0,15 r.
7.2.2.2 Разница между каждым из радиусов кривой (rp1, rр2 и rр3) и r не должна превышать 0,15 r.
7.2.2.3 Если r ≥
7.2.3 Значение r должно быть не менее:
7.2.3.1
7.2.3.2
7.2.3.3
7.2.4 Значение обычного коэффициента отражения, определенное по методу, описываемому в приложении 5 к настоящим Правилам, должно составлять не менее 40%. Если зеркало имеет две позиции («день» и «ночь»), то в положении «день» оно должно позволять распознавать цвета сигнальных знаков дорожного движения. Значение обычного коэффициента отражения в положении «ночь» должно быть не ниже 4%.
7.2.5 Отражающая поверхность должна сохранять характеристики, предписанные в 7.2.4, несмотря на продолжительное воздействие неблагоприятных погодных условий при нормальном режиме эксплуатации.
8.1 Зеркала заднего вида, не являющиеся зеркалами «бокового обзора» (класс V), подвергают испытаниям, описанным в 8.2 и 8.3.
8.1.1 Проведение
испытаний, предусмотренных в 8.2, не требуется для всех внешних зеркал заднего
вида, у которых ни одна из частей не располагается на высоте менее
Указанное выше
отступление от установленных правил применяют также в случае, когда элементы
крепления (крепежные пластины, кронштейны, шарниры и т.д.) располагаются на
высоте не менее
В этом случае к зеркалу заднего вида должно прилагаться описание, в котором указывают, что зеркало должно быть установлено таким образом, чтобы расположение элементов крепления к транспортному средству соответствовало вышеуказанным предписаниям.
При таком отступлении от
установленных правил на кронштейне зеркала должен быть нанесен нестираемый знак
, а в
свидетельстве об официальном утверждении должна быть сделана соответствующая
отметка.
8.2 Испытание на повреждение конструкции при ударе
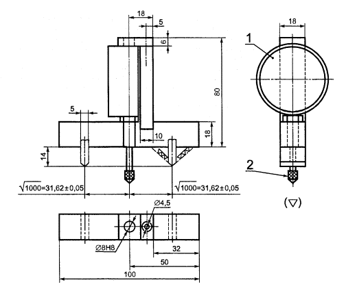
8.2.1 Описание испытательного устройства
8.2.1.1 Испытательное
устройство должно состоять из маятника, могущего колебаться вокруг двух
горизонтальных осей, перпендикулярных друг другу, одна из которых
перпендикулярна фронтальной плоскости, в которую вписывается траектория
«падения» маятника. На конце маятника должен быть установлен ударный элемент,
состоящий из жесткой сферы диаметром (165 ± 1) мм с резиновым покрытием
толщиной
8.2.1.2
Центр удара маятника должен быть совмещен с центром сферы, образующей ударную
часть. Расстояние l от центра
сферы до оси вращения в плоскости падения составляет (1000 ± 5) мм. Приведенная
масса маятника m0
в центре удара составляет (6,8 ± 0,05) кг (между т0, общей
массой маятника т и расстоянием d от центра тяжести
маятника до его оси вращения существует следующее соотношение
).

Рисунок 1
8.2.2 Описание испытания
8.2.2.1 Установка зеркала заднего вида на опоре должна производиться, как указано предприятием-изготовителем устройства или, в случае необходимости, конструктором транспортного средства.
8.2.2.2 Размещение зеркала заднего вида для испытания
8.2.2.2.1 Зеркала должны быть размещены на испытательном маятниковом устройстве таким образом, чтобы оси зеркала, которые находятся в горизонтальном и вертикальном положении при установке на транспортное средство в соответствии с указаниями изготовителя или конструктора транспортного средства, находились в том же положении.
8.2.2.2.2 Если зеркало регулируется по отношению к основанию, то во время испытания зеркало должно находиться в положении, наиболее неблагоприятном для отклонения в пределах регулировки, предусмотренных изготовителем или конструктором транспортного средства.
8.2.2.2.3 Если в зеркале предусмотрено устройство регулировки на расстоянии по отношению к основанию, то это устройство должно быть установлено таким образом, чтобы расстояние между защитным корпусом и основанием было минимальным.
8.2.2.2.4 Если отражающая поверхность подвижна в пределах защитного корпуса, регулировка должна быть такой, чтобы ее верхний угол, наиболее удаленный от транспортного средства, находился в положении, наиболее удаленном по отношению к защитному корпусу.
8.2.2.3 За исключением испытания 2 внутренних зеркал заднего вида (8.2.2.6.1), в случаях, когда маятник находится в вертикальном положении, горизонтальная и продольная вертикальная плоскости, проходящие через центр ударной части, должны проходить через центр зеркала, как предусмотрено в 2.10. Продольные направление колебания маятника должно быть параллельно продольной плоскости транспортного средства.
8.2.2.4 Если при регулировке, предусмотренной в 8.2.2.2.1 и 8.2.2.2.2, элементы зеркала заднего вида ограничивают подъем ударной части, точка удара должна быть смещена в направлении, перпендикулярном рассматриваемой оси вращения или поворота. Это смещение может производиться только в случае, если оно совершенно необходимо для проведения испытания. Оно должно ограничиваться:
8.2.2.4.1 либо таким образом, чтобы сфера, образующая ударный элемент, пересекала или по крайней мере касалась цилиндра, указанного в 6.4;
8.2.2.4.2 либо таким
образом, чтобы контакт с ударным элементом происходил на расстоянии не менее
8.2.2.5 Испытание представляет собой падение маятника с высоты, соответствующей углу 60° между маятником и вертикалью, таким образом, что ударный элемент бьет зеркало заднего вида в тот момент, когда маятник достигает вертикального положения.
8.2.2.6 Испытание зеркал заднего вида на удар проводят в следующих различных условиях.
8.2.2.6.1 Внутренние зеркала заднего вида
8.2.2.6.1.1 Испытание 1. Точка удара определена в 8.2.2.3; ударный элемент бьет по зеркалу со стороны отражающей поверхности.
8.2.2.6.1.2 Испытание 2. Удар наносят по краю защитного корпуса таким образом, что его направление образует угол 45° с плоскостью зеркала и расположено в горизонтальной плоскости, проходящей через центр зеркала. Направление удара - со стороны отражающей поверхности.
8.2.2.6.2 Внешние зеркала заднего вида
8.2.2.6.2.1 Испытание 1. Точка удара определена в 8.2.2.3 или 8.2.2.4; ударный элемент бьет по зеркалу со стороны отражающей поверхности.
8.2.2.6.2.2 Испытание 2. Точка удара определена в 8.2.2.3 или 8.2.2.4; ударный элемент бьет по зеркалу со стороны, противоположной отражающей поверхности.
8.2.2.6.2.3 В случаях, когда зеркала класса II или III имеют общий кронштейн с зеркалами класса IV, описанные выше испытания должны проводиться с внутренним зеркалом заднего вида.
Однако техническая
служба, уполномоченная проводить испытания, может повторить эти испытания или
одно из испытаний с верхним зеркалом, если оно расположено на высоте менее
8.3 Испытание на изгиб защитного корпуса, установленного на стержне
8.3.1 Описание испытания
8.3.1.1 Защитный корпус
должен быть установлен горизонтально на испытательном устройстве таким образом,
чтобы можно было надежно блокировать элементы регулировки крепления.
Оконечность, наиболее приближенную к точке крепления на элементе регулировки,
закрепляют в направлении наибольшего габарита защитного корпуса жестким упором
шириной
8.3.1.2 С другой стороны на защитный корпус устанавливают упор, аналогичный описанному выше, для того, чтобы приложить предусмотренную испытательную нагрузку (рисунок 2).
8.3.1.3 Допускается закрепление оконечности защитного корпуса, противоположной той, к которой прикладывают нагрузку, вместо удержания ее в положении, показанном на рисунке 2.
8.3.2
Испытательная нагрузка должна составлять

1 - нагрузка; 2 - металлические прокладки; 3 - защитный корпус; 4 - регулируемый упор; 5 - регулируемая опора; 6 - механизм блокировки
Рисунок 2 - Пример устройства для испытания на изгиб защитных корпусов зеркал заднего вида
8.4 Результаты испытаний
8.4.1 В испытаниях, предусмотренных в 8.2, маятник должен продолжать свое движение таким образом, чтобы проекция штанги маятника на плоскость падения образовывала с вертикалью угол не менее 20°.
8.4.1.1 Точность измерения угла должна составлять ± 1o.
8.4.1.2 Это предписание не распространяется на зеркала заднего вида, приклеиваемые на ветровое стекло, на которые после проведения испытания распространяются предписания 8.4.2.
8.4.1.3 Угол отклонения штанги маятника уменьшается с 20 до 10° в случае зеркал заднего вида класса II, а также зеркал класса III, если они имеют общий кронштейн с зеркалами класса IV.
8.4.2 В ходе испытания,
предусмотренного в 8.2 для зеркал заднего вида, приклеиваемых на ветровое
стекло, в случае поломки кронштейна зеркала остающаяся часть не должна
выступать по отношению к основанию более чем на
8.4.3 В ходе испытаний, предусмотренных в 8.2 и 8.3, зеркало не должно разбиваться. Однако допускается разбивание зеркала при соблюдении одного из следующих условий:
8.4.3.1 осколки должны
прилегать к основанию защитного корпуса или к поверхности, прочно соединенной с
защитным корпусом; однако допускается частичное отделение стекла при условии,
что оно не превышает
8.4.3.2 зеркало должно изготовляться из безопасного стекла.
9.1 Любое изменение типа зеркала, включая его крепление к кузову, должно доводиться до сведения административной службы, которая производит официальное утверждение данного типа зеркала. В этом случае такая служба имеет право:
9.1.1 либо признать, что внесенные изменения не окажут значительного неблагоприятного воздействия и в любом случае это зеркало по-прежнему отвечает предписаниям;
9.1.2 либо потребовать от технической службы, проводившей испытания, составить новый протокол.
(Поправка серии 01).
9.2 Подтверждение официального утверждения с указанием внесенных изменений или отказа в официальном утверждении должны доводиться до сведения сторон Соглашения, применяющих настоящие Правила, в соответствии с процедурой, указанной в 5.3.
9.3 Стороны Соглашения
9.4 При распространении официального утверждения компетентный орган проставляет на каждом уведомлении о таком распространении официального утверждения порядковый номер.
10.1 Зеркало заднего вида, официально утвержденное в соответствии с настоящими Правилами, должно быть изготовлено таким образом, чтобы оно соответствовало официально утвержденному типу и удовлетворяло требованиям, изложенным в разделах 6 - 8.
10.2 Для проверки выполнения требований 10.1 необходимо проводить соответствующий контроль за производством.
10.3 Владелец официального утверждения должен, в частности:
10.3.1 обеспечить принятие мер для эффективного контроля за качеством продукции;
10.3.2 иметь доступ к необходимому контрольному оборудованию для проверки соответствия каждого официально утвержденного типа;
10.3.3 регистрировать данные результатов испытаний и прилагаемые документы, которые должны храниться в течение периода времени, определяемого по согласованию с административной службой;
10.3.4 анализировать результаты каждого типа испытания в целях проверки и поддержания стабильных характеристик зеркал заднего вида с учетом отклонений, допускаемых в условиях промышленного производства;
10.3.5 обеспечить, чтобы по крайней мере для каждого типа зеркал заднего вида проводились испытания, предписанные в приложении 9 к настоящим Правилам;
10.3.6 обеспечить, чтобы в случае несоответствия производства при проведении данного типа испытания на выборке образцов или испытуемых деталях проводились новая выборка образцов и новые испытания. Должны быть предприняты все необходимые шаги для восстановления соответствия производства.
10.4 Компетентный орган, выдавший официальное утверждение, может в любое время проверить соответствие применяемых методов контроля в отношении каждой производственной единицы.
10.4.1 При каждой проверке инспектору должны представляться протоколы испытаний и производственные журналы технического контроля.
10.4.2 Инспектор может провести произвольную выборку образцов, проверку которых осуществляют в лаборатории предприятия-изготовителя. Минимальное число образцов может быть определено в зависимости от результатов, полученных при проверке самим предприятием-изготовителем.
10.4.3 Если качество является неудовлетворительным или представляется необходимым проверить правильность испытаний, проведенных в соответствии с 10.4.2, инспектор может отобрать образцы, которые отсылают технической службе, проводившей испытания для официального утверждения данного типа.
10.4.4 Компетентный орган может проводить любое испытание, предписываемое настоящими Правилами.
10.4.5 В обычных условиях компетентный орган разрешает проводить одну проверку в год. В случае получения отрицательных результатов в ходе одной из проверок компетентные органы незамедлительно предпринимают все необходимые меры для восстановления соответствия производства.
11.1 В случае несоблюдения условия, указанного в 10.1, или если тип зеркала заднего вида не прошел испытания, предписанные в 10.2, официальное утверждение, выданное для какого-либо типа зеркала заднего вида в соответствии с настоящими Правилами, может быть отменено.
11.2 В случае, если одна из сторон Соглашения, применяющая настоящие Правила, отменяет официальное утверждение, выданное ею ранее, она должна незамедлительно информировать об этом другие Договаривающиеся стороны, применяющие настоящие Правила, посредством копии регистрационной карточки официального утверждения, в конце которой крупным шрифтом делают отметку «ОФИЦИАЛЬНОЕ УТВЕРЖДЕНИЕ ОТМЕНЕНО» и проставляют подпись и дату.
Если предприятие-изготовитель официально утвержденной продукции окончательно прекращает производство того или иного типа зеркал заднего вида, официально утвержденного на основании настоящих Правил, он должен информировать об этом компетентный орган, выдавший официальное утверждение. По получении этого сообщения данный компетентный орган информирует о нем другие Стороны Соглашения, применяющие настоящие Правила, посредством копии регистрацией карточки официального утверждения, в конце которой крупным шрифтом делают отметку «ПРОИЗВОДСТВО ПРЕКРАЩЕНО» и проставляют подпись и дату.
В настоящем разделе применяют следующие термины:
13.1 тип транспортного средства в отношении зеркал заднего вида: Механические транспортные средства, не имеющие между собой различий в отношении следующих основных элементов:
13.1.1 характеристик кузова, ограничивающих поле обзора;
13.1.2 координат точки R сиденья водителя;
13.1.3 положений и типов обязательных и факультативных (если таковые установлены) зеркал.
13.2 окулярные
точки водителя: Две точки, удаленные друг от друга на
13.3 амбинокулярный обзор: Полное поле обзора, получаемое наложением монокулярных полей правого и левого глаза (см. рисунок 3).

Е - внутреннее зеркало заднего вида; OD, ОЕ - глаза водителя; ID; IE - виртуальное монокулярное изображение; I - виртуальное амбинокулярное изображение; А - угол обзорности левого глаза; В - угол обзорности правого глаза; С - бинокулярный угол обзорности; D - амбинокулярный угол обзорности
Рисунок 3 - Амбинокулярный обзор
14.1 Заявка на официальное утверждение какого-либо типа транспортного средства в отношении установки зеркал заднего вида представляется предприятием-изготовителем транспортного средства или его надлежащим образом уполномоченным представителем.
14.2 К заявке должны быть приложены указанные ниже документы в трех экземплярах и следующие данные:
14.2.1 описание типа транспортного средства в отношении точек, упомянутых в 13.1;
14.2.2 перечень элементов, необходимых для определения зеркал заднего вида, которые могут быть установлены на данное транспортное средство;
14.2.3 чертежи, на которых указано размещение на транспортном средстве зеркал заднего вида и приспособлений для их установки;
14.2.4 инструкция предприятия-изготовителя, в которой указаны:
14.2.4.1 параметры точки R сиденья водителя,
14.2.4.2 максимальная ширина кузова в случае, если транспортное средство поставляют с установленным кузовом,
14.2.4.3 максимальный и минимальный габариты кузова по ширине, с учетом которых утверждено данное зеркало заднего вида (для автомобилей без кузова, указанных в 6.3.3).
14.3 Один образец официально утверждаемого типа транспортного средства должен быть представлен технической службе, на которую возложено проведение испытаний для официального утверждения.
14.4 Компетентный орган должен проверить наличие удовлетворительных мер по обеспечению эффективного контроля за соответствием производства до выдачи официального утверждения данного типа.
15.1 Если тип транспортного средства, представленный для официального утверждения в соответствии с положениями раздела 14, удовлетворяет положениям раздела 16 настоящих Правил, то данный тип транспортного средства считают официально утвержденным.
15.2 Каждому официально
утвержденному типу присваивают номер официального утверждения, первые две цифры
которого (в настоящее время 01, соответствующие поправкам серии 01, вступившим
в силу 5 октября
15.3 Стороны Соглашения, применяющие настоящие Правила, уведомляются об официальном утверждении или об отказе в официальном утверждении, или о распространении официального утверждения типа транспортного средства на основании настоящих Правил посредством карточки, соответствующей образцу, приведенному в приложении 2 к настоящим Правилам.
15.4 На каждом транспортном средстве, соответствующем типу, официально утвержденному на основании настоящих Правил, в легкодоступном месте, указанном на карточке официального утверждения, наносят ясно различимый международный знак официального утверждения, состоящий из:
15.4.1 круга, в котором проставлена буква Е, за которой следует отличительный номер страны, предоставившей официальное утверждение 1);
15.4.2 номера настоящих Правил, который проставляют справа от круга, предусмотренного в 15.4.1, за которым следуют буква R, тире и номер официального утверждения.
1) См. сноску к 5.4.1.
15.5 Если транспортное средство соответствует типу транспортного средства, официально утвержденному на основании других приложенных к Соглашению Правил в той же стране, которая предоставила официальное утверждение на основании настоящих Правил, то не следует повторять обозначение, предусмотренное в 15.4.1. В этом случае номера Правил и официального утверждения, а также дополнительные обозначения всех Правил, на основании которых произведено официальное утверждение в стране, которая произвела официальное утверждение на основании настоящих Правил, должны быть расположены в вертикальных колонках, помещаемых справа от знака, предусмотренного в 15.4.1.
15.6 Знак официального утверждения должен быть четким и нестираемым.
15.7 Знак официального утверждения проставляют рядом с прикрепляемой предприятием-изготовителем табличкой, на которой приведены характеристики транспортного средства, или наносят на эту табличку.
15.8 В приложении 4 к настоящим Правилам приведены в качестве примера схемы знака официального утверждения.
16.1 Транспортное средство должно соответствовать следующим спецификациям.
16.1.1 Тип зеркал, устанавливаемых на транспортном средстве, должен быть официально утвержден на основании настоящих Правил.
16.1.2 Все зеркала заднего вида должны быть установлены таким образом, чтобы при перемещении они не изменяли расчетное поле обзора и в случае вибрации не давали искаженного изображения, которое могло бы быть неправильно воспринято водителем.
16.1.2.1 Требования,
содержащиеся в 16.1.2, должны соблюдаться при движении транспортного средства
со скоростью, составляющей 80 % максимальной расчетной скорости, однако не
более
16.2 Количество
16.2.1 Минимальное обязательное количество зеркал заднего вида
16.2.1.1 Для транспортных средств категорий М и N предписываемое в 16.5 поле обзора должно обеспечиваться минимальным обязательным количеством зеркал заднего вида, указанным в таблице.
16.2.1.2 Однако в случае транспортных средств категорий М1 и N1:
16.2.1.2.1 если внутреннее зеркало заднего вида не отвечает предписаниям 16.5.2, то на транспортном средстве должно быть установлено дополнительное внешнее зеркало заднего вида. Это зеркало устанавливают с правой стороны транспортного средства в странах с правосторонним движением и с левой стороны - в странах с левосторонним движением;
|
Категория транспортного средства |
Внутренние зеркала заднего вида класса I |
Количество зеркал заднего вида |
|||
|
Основные зеркала классов |
Широкоугольные зеркала класса IV |
Зеркала бокового обзора класса V |
|||
|
II |
III |
||||
|
M1 |
1 (см. также 16.2.1.2) |
- (см. также 16.2.1.2.3) |
1 Устанавливается на стороне, противоположной стороне направления движения (см. также 16.2.2.1) |
- |
- |
|
М2 |
- |
2 (по одному с левой и правой сторон) |
- |
(см. также 16.2.2.4) |
(см. также 16.2.2.2 и 16.3.7) |
|
М3 |
- |
2 (по одному с левой и правой сторон) |
- |
(см. также 16.2.2.4) |
(см. также 16.2.2.2 и 16.3.7) |
|
N1 |
1 (см. также 16.2.1.2) |
(см. также 16.2.1.2.3) |
1 Устанавливается на стороне, противоположной стороне направления движения (см. также 16.2.2.1) |
- |
- |
|
N2 ≤ 7,5 т |
- (см. также 16.2.2.3) |
2 (по одному с левой и правой сторон) |
- (см. также 16.2.1.3) |
(см. также 16.2.2.4 и 16.2.1.4) |
- (см. также 16.2.2.2 и 16.3.7) |
|
N2 ≥ 7,5 т |
- (см. также 16.2.2.3) |
2 (по одному с левой и правой сторон) |
- (см. также 16.2.1.3) |
1 - |
1 (см. также 16.3.7) |
|
N3 |
- (см. также 16.2.2.3) |
2 (по одному с левой и правой сторон) |
- (см. также 16.2.1.3) |
1 - |
1 (см. также 16.3.7) |
(Поправка серии 01).
16.2.1.2.2 если внутреннее зеркало заднего вида на обеспечивает никакого заднего обзора, то его установка не предписывается;
16.2.1.2.3 допускается установка зеркал заднего вида класса II.
16.2.1.3 Однако если на транспортных средствах категорий N2 или N3 в силу технических особенностей конструкции невозможно обеспечить поле обзора, предписываемое в 16.5.3.2.2 и 16.5.4, при установке зеркал заднего вида класса IV на общем кронштейне с зеркалами класса II, то вместо них допускается установка зеркал класса III.
16.2.1.4 Зеркало заднего вида класса IV подлежит установке на транспортные средства категории N2, максимальный вес которых не превышает 7,5 т, если обязательное для установки зеркало класса II, находящееся на той же стороне, не является выпуклым.
(Поправка серии 01).
16.2.1.5 Автотранспортные средства, имеющие менее четырех колес, с кузовом, полностью или частично закрывающим водителя, должны быть оборудованы:
- либо одним внутренним зеркалом заднего вида класса I и одним внешним зеркалом класса II или III, которые устанавливают с правой стороны транспортного средства в странах с правосторонним движением и с левой стороны транспортного средства - в странах с левосторонним движением;
- либо двумя внешними зеркалами заднего вида класса II или III, по одному с каждой стороны транспортного средства.
Предписания 6.5 к этим транспортным средствам 1) не применяют.
1) Поле обзора, которое должно быть предписано для этих транспортных средств, еще не определено.
16.2.2 Максимальное количество факультативных зеркал заднего вида
16.2.2.1 В случае транспортных средств категорий М1 и N1 допускается установка внешнего зеркала заднего вида на стороне, противоположной той, на которой устанавливают обязательное внешнее зеркало, предусмотренное в 16.2.1.1.
16.2.2.2 На транспортных средствах категорий М2, М3 и N2, максимальный вес которых не превышает 7,5 т, допускается установка внешнего зеркала заднего вида класса V.
(Поправка серии 01).
16.2.2.3 В случае транспортных средств категорий N2 и N3 допускается установка внутреннего зеркала заднего вида.
16.2.2.4 Установка внешнего зеркала заднего вида класса IV допускается на транспортных средствах:
- категории N2, максимальный вес которых не превышает 7,5;
- категорий М2, М3.
(Поправка серии 01).
16.2.2.5 Зеркала заднего вида, предусмотренные в 16.2.2.1 - 16.2.2.4, должны отвечать предписаниям настоящих Правил. Однако предписания 16.5 не распространяются на зеркала заднего вида, предусмотренные в 16.2.2.3.
16.2.2.6 Предписания
настоящих Правил не распространяются на внешние зеркала для наблюдения,
определяемые в 2.4.
Однако высота установки внешних зеркал для наблюдения должна составлять в
обязательном порядке на транспортном средстве, загруженном до его максимальной
допустимой массы, не менее
(Поправка серии 01).
16.3 Места установки
16.3.1 Зеркала заднего вида должны устанавливаться таким образом, чтобы позволять водителю, сидящему на своем месте в обычном положении вождения, наблюдать за дорогой позади транспортного средства и сбоку (с боков) от него.
16.3.2 Внешние зеркала заднего вида должны просматриваться через ту часть ветрового стекла, которая очищается стеклоочистителями, или через боковые стекла. Однако, ввиду конструктивных особенностей, это положение не распространяется на внешние зеркала заднего вида, устанавливаемые с правой стороны транспортных средств категорий М2 и М3 в странах с правосторонним движением и с левой стороны транспортных средств тех же категорий - в странах с левосторонним движением.
16.3.3 Для всех транспортных средств, на которых во время проведения испытаний по замеру поля обзора не был установлен кузов, минимальная и максимальная ширина кузова должна указываться предприятием-изготовителем и в случае необходимости обозначаться временными габаритными планками. Все принимаемые во внимание в ходе испытаний крайние точки транспортных средств и зеркал должны быть указаны в карточке официального утверждения (см. приложение 2).
16.3.4 Внешнее зеркало
заднего вида на стороне водителя должно устанавливаться таким образом, чтобы
угол между вертикальной продольной плоскостью, проходящей через середину
транспортного средства, и вертикальной плоскостью, проходящей через центр
зеркала заднего вида и середину сегмента длиной
16.3.5 Зеркало(ла) заднего вида должно выходить за внешние габариты транспортного средства ровно настолько, чтобы обеспечить поле обзора, указанное в 16.5.
16.3.6 Если верхний край
зеркала заднего вида нагруженного транспортного средства находится на высоте
менее
16.3.7 Зеркала
заднего вида класса V
должны устанавливаться на транспортных средствах таким образом, чтобы ни одна
из их частей или частей их опоры в любых возможных положениях регулировки не
располагалась на транспортном средстве, загруженном до его максимальной
допустимой массы, на высоте менее
Однако установка данного зеркала на транспортных средствах, кабины которых располагаются на такой высоте, что данное предписание не может быть выполнено, запрещается.
16.3.8 При соблюдении условий, указанных в 16.3.5 и 16.3.6, зеркала заднего вида могут выходить за разрешенные габариты транспортных средств.
16.4. Регулировка
16.4.1 Внутреннее зеркало заднего вида должно регулироваться водителем, находящимся на своем месте.
16.4.2 Внешнее зеркало заднего вида, находящееся со стороны водителя, должно регулироваться изнутри транспортного средства при закрытой двери, причем окно может быть открыто. Однако фиксация положения зеркала может осуществляться снаружи.
16.4.3 Требования 16.4.2 не распространяются на внешние зеркала заднего вида, которые, будучи сбитыми в результате толчка, могут быть возращены в первоначальное положение без регулировки.
16.5.1 Определенное ниже
поле обзора должно обеспечиваться при амбинокулярном обзоре, когда глаза
совмещены с «окулярными точками водителя», определенными в 13.2. Оно
определяется при движении транспортного средства, приведенного в 6.1.1
приложения 3 к документу TRANS/SC.1/WP. 29/78, в котором находится пассажир
весом
16.5.2 Внутренние зеркала заднего вида (класс I)
16.5.2.1 Поле обзора
должно быть таким, чтобы водитель мог видеть по крайней мере часть ровной и
горизонтальной дороги, центром которой является вертикальная продольная
плоскость, проходящая через середину транспортного средства, от горизонта до
расстояния
16.5.2.2 Допускается уменьшение поля обзора, вызванное наличием подголовников и таких устройств, как солнцезащитные экраны, задние стеклоочистители, обогревающие элементы, стоп-сигнал категории S3 l) если все они в совокупности не закрывают более 15% требуемого поля обзора при проекции их на обычную вертикальную плоскость, перпендикулярную продольной плоскости, проходящей через середину транспортного средства. Уменьшение поля обзора определяют при установке подголовников в наиболее низкое положение, предусматриваемое их системой регулировки, и при сложенных солнцезащитных щитках.
(Поправка серии 01).
1) См. Правила № 48, поправки серии 01, пункт 6.7.
16.5.3 Основные внешние зеркала заднего вида (классы II и III)
16.5.3.1 Левое внешнее зеркало заднего вида для транспортных средств, движущихся по правой стороне, и правое внешнее зеркало заднего вида для транспортных средств, движущихся по левой стороне
Поле обзора должно быть
таким, чтобы водитель мог видеть по крайней мере часть ровной и горизонтальной
дороги шириной
16.5.3.2 Правое внешнее зеркало заднего вида для транспортных средств, движущихся по правой стороне, и левое внешнее зеркало заднего вида для транспортных средств, движущихся по левой стороне
16.5.3.2.1 В случае
транспортных средств категорий М1
и N1 максимальная масса которых составляет 2 т,
поле обзора должно быть таким, чтобы водитель мог видеть по крайней мере часть
ровной горизонтальной дороги шириной
16.5.3.2.2 В случае
транспортных средств, иных, чем предусмотрены в 16.5.3.2.1, поле обзора должно
быть таким, чтобы водитель могут видеть по крайней мере часть ровной
горизонтальной дороги шириной
Кроме того, водитель
должен иметь возможность видеть дорогу по ширине
16.5.4 «Широкоугольное» наружное зеркало заднего вида (класс IV)
Поле обзора должно быть
таким, чтобы водитель мог видеть по крайней мере часть ровной горизонтальной
дороги шириной
Кроме того, водитель
должен иметь возможность видеть дорогу по ширине
16.5.5 Внешнее зеркало «бокового обзора» (класс V)
Поле обзора должно быть таким, чтобы водитель мог видеть сбоку от транспортного средства часть ровной горизонтальной дороги, ограниченную следующими вертикальными плоскостями (см. рисунки 5а и 5b приложения 6):
16.5.5.1 плоскостью,
параллельной вертикальной продольной средней плоскости транспортного средства и
проходящей через точку, находящуюся на расстоянии
16.5.5.2 в поперечном
направлении - параллельной плоскостью, проходящей на расстоянии
16.5.5.3 сзади -
плоскостью, параллельной вертикальной плоскости, проходящей через окулярные
точки водителя и расположенной на расстоянии
16.5.5.4 спереди - плоскостью,
параллельной вертикальной плоскости, проходящей через окулярные точки водителя
и расположенной на расстоянии
16.5.6 Если зеркала заднего вида состоят из нескольких отражающих поверхностей, имеющих разную степень изгиба или образующих между собой угол, то необходимо, чтобы по крайней мере одна отражающая поверхность обеспечивала такое поле обзора и имела такие размеры (см. 7.1.2), которые предписываются для того класса, к которому относятся данные зеркала.
16.5.7 Помехи
Не должны приниматься во внимание попадающие в предписанное выше поле обзора, помехи, создаваемые кузовом и некоторыми его элементами, такими как ручки дверей, габаритные огни, указатели поворотов, оконечности заднего бампера и т. д., а также помехи, создаваемые элементами системы очистки светоотражающих поверхностей, если в совокупности эти помехи не превышают 10 предписываемого поля обзора.
16.5.7.1 При определении помех подголовники должны устанавливаться в крайнее нижнее положение, насколько позволяет система их регулировки, а солнцезащитные щитки должны быть повернуты назад.
16.5.8 Процедура испытания
Поле обзора должно определяться путем помещения в окулярных точках мощных источников света и излучения света, отраженного на контрольном экране. Могут использоваться также другие аналогичные методы.
17.1 Любое изменение типа транспортного средства должно доводиться до сведения административной службы, которая провела официальное утверждение данного типа транспортного средства. Эта служба имеет право:
17.1.1 либо признать, что внесенные изменения не окажут значительного неблагоприятного воздействия и во всех случаях это транспортное средство по-прежнему удовлетворяет предписаниям;
17.1.2 либо потребовать от технической службы, на которую возложено проведение испытания, новый протокол.
17.2 Стороны Соглашения, применяющие настоящие Правила, уведомляются о подтверждении официального утверждения с указанием внесенных изменений или об отказе в выдаче официального утверждения в соответствии с процедурой, указанной в 15.3.
17.3 Стороны Соглашения
17.4 При распространении официального утверждения компетентный орган проставляет на каждом уведомлении о таком распространении официального утверждения порядковый номер.
18.1 Любое транспортное средство, официально утвержденное согласно настоящим Правилам, должно быть изготовлено таким образом, чтобы оно соответствовало официально утвержденному типу, удовлетворяя требованиям, изложенным в разделе 16.
18.2 Для проверки выполнения требований 18.1 необходимо проводить соответствующий контроль за производством.
18.3 Владелец официального утверждения должен, в частности:
18.3.1 обеспечить принятие мер для эффективного контроля за качеством транспортных средств по всем аспектам, регламентируемым предписаниями раздела 16;
18.3.2 обеспечить, чтобы каждый тип транспортного средства подвергался контролю в отношении количества и типа зеркал заднего вида и предписываемых для их точной установки расстояний, а также контролировать, чтобы все производимые транспортные средства удовлетворяли тем спецификациям, которые распространяются на транспортные средства, представляемые для официального утверждения;
18.3.3 обеспечить принятие всех необходимых мер для восстановления соответствия производства, если контроль, осуществленный согласно 18.3.2, свидетельствует о несоответствии одного или нескольких транспортных средств предписаниям раздела 16.
18.4. Компетентный орган, выдавший официальное утверждение, может в любое время проверить соответствие применяемых методов контроля в отношении каждой произведенной единицы транспортного средства. Он может также подвергнуть любому контролю серийно выпускаемые транспортные средства, основываясь на предписаниях раздела 16.
18.5 Если в ходе контроля, проводимого согласно 18.4, получены отрицательные результаты, компетентный орган должен обеспечить принятие всех необходимых мер для восстановления соответствия производства в возможно кратчайшие сроки.
19.1 Официальное утверждение, выданное для какого-либо транспортного средства на основании настоящих Правил, может быть отменено ввиду несоблюдения условия, указанного в 18.1, или если данное транспортное средство на выдержало проверочных испытаний, предусмотренных в 18.2.
19.2 В случае, если одна из Сторон Соглашения, применяющая настоящие Правила, отменяет официальное утверждение, которое она ранее выдала, она должна как можно скорее информировать об этом другие Договаривающиеся стороны, применяющие настоящие Правила, посредством копии регистрационной карточки официального утверждения, в конце которой крупным шрифтом делают отметку «ОФИЦИАЛЬНОЕ УТВЕРЖДЕНИЕ ОТМЕНЕНО» и проставляют подпись и дату.
Если предприятие-изготовитель, получившее официальное утверждение, окончательно прекращает производство типа транспортного средства, официально утвержденного в соответствии с настоящими Правилами, оно уведомляет об этом орган, предоставивший ему официальное утверждение. После такого уведомления данный орган информирует об этом другие Стороны Соглашения, применяющие настоящие Правила, посредством копии регистрационной карточки официального утверждения, на которой внизу крупным шрифтом делают отметку «ПРОИЗВОДСТВО ПРЕКРАЩЕНО» и проставляют подпись и дату.
21.1 Начиная с официальной даты вступления в силу поправок серии 01 к настоящим Правилам ни одна Договаривающаяся сторона, применяющая настоящие Правила, не может отказать в просьбе об официальном утверждении на основании настоящих Правил с внесенными в них поправками серии 01.
21.2 Начиная с 1 октября
21.3 Начиная с 1 октября
21.4 Начиная с 1 октября
21.5 Официальные утверждения зеркал заднего вида классов I - III, предоставленные на основании настоящих Правил в их первоначальном варианте (серия 00) до вступления в силу поправок данной серии, остаются в силе.
21.6 Предписания настоящих Правил не запрещают предоставлять официальное утверждение типа транспортного средства в отношении установки зеркал заднего вида на основании настоящих Правил с внесенными в них поправками серии 01, если все или часть зеркал заднего вида классов I, II или III, которые на нем установлены, имеют знак официального утверждения, определенный в первоначальном варианте (серия 00) настоящих Правил.
Стороны Соглашения, применяющие настоящие Правила, должны сообщать Секретариату Организации Объединенных Наций названия и адреса технических служб, уполномоченных проводить испытания для официального утверждения, и административных органов, которые выдают официальные утверждения и которым должны направляться карточки официального утверждения, отказа в официальном утверждении, распространения или отмены официального утверждения, выданного в других странах.

направленное___________________________
название административного органа
касающееся 2) ОФИЦИАЛЬНОГО УТВЕРЖДЕНИЯ,
ОТКАЗА В ОФИЦИАЛЬНОМ УТВЕРЖДЕНИИ,
РАСПРОСТРАНЕНИЯ ОФИЦИАЛЬНОГО УТВЕРЖДЕНИЯ,
ОТМЕНЫ ОФИЦИАЛЬНОГО УТВЕРЖДЕНИЯ,
ОКОНЧАТЕЛЬНОГО ПРЕКРАЩЕНИЯ ПРОИЗВОДСТВА
типа зеркал заднего вида на основании Правил № 46
|
Официальное утверждение №_____________________ |
Распространение официального |
утверждения №_________________
1. Зеркало заднего вида класса I, II, III, IV, V 2)
2. Краткое описание, содержащее, в частности, следующие указания:
2.1. способ проверки отражающей поверхности_____________________________________
2.2. основные размеры отражающей поверхности___________________________________
2.3. радиус номинального изгиба отражающей поверхности__________________________
3. Фабричная или торговая марка_________________________________________________
4. Предприятие-изготовитель и его адрес__________________________________________
5. В соответствующих случаях фамилия и адрес представителя предприятия-изготовителя
________________________________________________________________________________
________________________________________________________________________________
6. Знак
,
предусмотренный в 8.1.1 настоящих Правил:
да/нет 2).
7. Дата представления на официальное утверждение_________________________________
8. Техническая служба, уполномоченная проводить испытания для официального утверждения_____________________________________________________________________
9. Дата протокола, выданного данной службой______________________________________
10. Номер протокола, выданного данной службой___________________________________
11. Официальное утверждение предоставлено/в официальном утверждении отказано/официальное утверждение распространено/официальное утверждение отменено 2)
12. Основание(я) для распространения официального утверждения (при наличии)________
________________________________________________________________________________
________________________________________________________________________________
13. Место_____________________________________________________________________
14. Дата______________________________________________________________________
15. Подпись___________________________________________________________________
16. К сообщению прилагается перечень документов, представленных для официального утверждения и переданных на хранение административному органу, выдавшему данное официальное утверждение
1) Отличительный номер страны, которая предоставила /распространила/отказала/отменила официальное утверждение.
2) Ненужное вычеркнуть.

Направленное _________________________,
название административного органа
касающееся 2) ОФИЦИАЛЬНОГО УТВЕРЖДЕНИЯ,
ОТКАЗА В ОФИЦИАЛЬНОМ УТВЕРЖДЕНИИ,
РАСПРОСТРАНЕНИЯ ОФИЦИАЛЬНОГО УТВЕРЖДЕНИЯ,
ОТМЕНЫ ОФИЦИАЛЬНОГО УТВЕРЖДЕНИЯ,
ОКОНЧАТЕЛЬНОГО ПРЕКРАЩЕНИЯ ПРОИЗВОДСТВА
типа транспортного средства в отношении установки зеркал заднего вида на основании Правил № 46
|
Официальное утверждение №______________________ |
Распространение официального |
утверждения №________________
1. Фабричная или торговая марка_________________________________________________
2. Тип транспортного средства___________________________________________________
3. Категория транспортного средства (М1, М2, М3, N1 ≤ 2 т, N1, N2 N3) 2)
3.1. В случае транспортных средств категории 3: транспортное средство-тягач для прицепов/полуприцепов 2)
4. Предприятие-изготовитель и его адрес _____________.____________________________
5. В соответствующих случаях фамилия и адрес представителя предприятия-изготовителя
________________________________________________________________________________
________________________________________________________________________________
6. Фабричная или торговая марка зеркал заднего вида и номер официального утверждения
________________________________________________________________________________
________________________________________________________________________________
7. Класс(ы) зеркал заднего вида (1, II, III, IV, V) 2)
8. Отступление от Правил
(допускается до 1 октября
9. Официальное утверждение транспортного средства распространяется на следующий тип(ы) зеркал заднего вида_________________________________________________________
10. Координаты точки R сиденья водителя_________________________________________
11. Максимальная и минимальная ширина кузова, на основании которой официально утверждено данное зеркало заднего вида (в случае, если речь идет о транспортных средствах без кузова, упомянутых в 16.3.3 настоящих Правил)___________________________________
________________________________________________________________________________
________________________________________________________________________________
12. Дата представления транспортного средства на официальное утверждение___________
________________________________________________________________________________
________________________________________________________________________________
13. Техническая служба, уполномоченная проводить испытания для официального утверждения ____________________________________________________________________
14. Дата протокола, выданного данной службой ____________________________________
15. Номер протокола, выданного данной службой___________________________________
16. Официальное утверждение предоставлено/в официальном утверждении отказано/официальное утверждение распространено/официальное утверждение отменено 2)
17. Основание(я) для распространения официального утверждения (при наличии)________
________________________________________________________________________________
________________________________________________________________________________
18. Место _____________________________________________________________________
19. Дата ______________________________________________________________________
20. Подпись___________________________________________________________________
21. К сообщению прилагается перечень документов, представленных для официального утверждения и переданных на хранение административному органу, выдавшему данное официальное утверждение.
1) Отличительный номер страны, которая предоставила /распространила/отказала/отменила официальное утверждение.
2) Ненужное вычеркнуть.
(см. 5.4 настоящих Правил)

Приведенный знак официального утверждения, проставленный на зеркале заднего вида, указывает, что это зеркало класса II официально утверждено в Нидерландах (Е4) в соответствии с положениями Правил № 46 под номером 012439. Две первые цифры номера указывают, что на момент предоставления официального утверждения Правила № 46 уже включали поправки серии 01.
Примечание - Номер официального утверждения и дополнительный знак должны помещаться рядом с кругом и проставляться либо над/под буквой Е, либо слева/справа от этой буквы. Цифры номера официального утверждения должны быть расположены с той же стороны по отношению к букве Е и ориентированы в том же направлении. Дополнительный символ должен быть расположен с противоположной стороны от номера. Следует избегать использования для номеров римских цифр, чтобы исключить совпадения с другими знаками.
Образец А
(см. 15.4 настоящих Правил)

Приведенный знак официального утверждения, проставленный на транспортном средстве, указывает, что этот тип транспортного средства официально утвержден в Нидерландах (Е4) на основании Правил № 46 под номером 012439. Две первые цифры номера указывают, что на момент предоставления официального утверждения Правила № 46 уже включали поправки серии 01.
Образец В
(см. 15.5 настоящих Правил)

Приведенный знак официального утверждения, проставленный на транспортном средстве, указывает, что данный тип транспортного средства был официально утвержден в Нидерландах (Е4) на основании Правил № 46 и № 33 1). Номера официального утверждения указывают, что на момент выдачи соответствующих официальных утверждений Правила № 46 уже включали поправки серии 01, а Правила № 33 применялись в их первоначальном варианте.
1) Правила № 33 приведены в качестве примера
1 Определения
В настоящем стандарте применяют следующие термины:
1.1 стандартное осветительное средство МКС А 1):
|
λ |
|
(λ) |
|
600 |
1,062 |
2 |
|
620 |
0,854 |
4 |
|
650 |
0,283 |
5 |
1.2 стандартный источник МКС А 1): Лампа с вольфрамовой нитью в газовой атмосфере, работающая при цветовой температуре, близкой к Т68 = 2 855,6 К.
1.3 стандартный
колориметрический наблюдатель МКС (
(λ),
λ(),
(λ) (см. таблицу).
1.4 спектральные координаты цвета МКС 1): Координаты цвета в системе МКС (XYZ), монохроматические элементы равноэнергетического спектра.
1.5 дневное зрение 1): Зрение обычного глаза, адаптировавшегося к уровням освещения по крайней мере в несколько кандел на квадратный метр.
1) Определения взяты из Публикации МКС 50 (45) «Международный электротехнический словарь», группа 45 «Освещение».
2 Оборудование
2.1 Общие положения
2.1.1 Оборудование должно включать источник света, подставку для образца, приемник с фотоэлементом и индикатор (см. рисунок 1), а также средства, необходимые для устранения влияния постороннего света.
2.1.2 Для того чтобы облегчить изменение коэффициента отражения неплоских (выпуклых) зеркал заднего вида, приемное устройство должно включать шар Ульбрихта (см. рисунок 2).
2.2 Спектральные характеристики источников света и приемного устройства
2.2.1 Источник света должен представлять собой стандартный источник МКС А, соединенный с оптической системой, позволяющей получить пучок практически параллельных световых лучей. Для того чтобы поддерживать постоянное напряжение лампы в течение всего времени функционирования оборудования, рекомендуется предусмотреть стабилизатор напряжения.
2.2.2 Приемное устройство
должно состоять из фотоэлемента, спектральная характеристика которого
пропорциональна функции дневной освещенности для стандартного
колориметрического наблюдателя МКС (
2.3 Геометрические условия
2.3.1 Пучок падающих
лучей должен образовывать с перпендикуляром к испытательной поверхности угол θ, равный преимущественно (0,44 ±
0,9) рад [(25 ± 5)°]; однако этот угол не должен превышать верхнего предела
допуска (т.е. 0,53 рад, или 30°). Ось приемного устройства должна образовывать
угол θ, равный углу, образуемому
пучком падающих лучей с этим перпендикуляром (см. рисунок 1). Диаметр падающего
пучка лучей на испытательной поверхности должен составлять не менее
Отраженный пучок не должен быть более широким, чем чувствительная поверхность фотоэлемента, не должен покрывать менее 50 % этой поверхности и по возможности должен покрывать ту же часть поверхности, что и пучок, используемый для градуирования данного прибора.
2.3.2 Если приемное
устройство включает шар Ульбрихта, его минимальный диаметр должен составлять
2.4 Электрические характеристики комплекса фотоэлемент-индикатор
Мощность фотоэлемента, получаемая на индикаторе, должна представлять собой линейную функцию силы света светочувствительной поверхности.
Для упрощения установки на ноль и регулировки градуирования должны быть предусмотрены соответствующие средства (электрические, оптические или электрические и оптические одновременно). Эти средства не должны оказывать влияния на линейность или спектральные характеристики приборов. Точность комплекса приемное устройство - индикатор должна находиться в пределах ± 2% полной шкалы или + 10% измеряемой величины в зависимости от того, какая величина является меньшей.
2.5 Штатив для образца
Механизм должен позволять устанавливать образец таким образом, чтобы ось кронштейна источника и ось кронштейна приемного устройства пересекались на уровне отражающей поверхности. Эта отражающая поверхность может находиться в пределах любой из плоскостей образца зеркала или на одной их этих плоскостей в зависимости от того, идет ли речь о зеркале первой поверхности, второй поверхности или о призматическом зеркале типа «флип».
3 Процедура
3.1 Метод прямого градуирования
3.1.1 При прямом градуировании исходным используемым эталоном является воздух. Этот метод применяют для приборов, изготовленных таким образом, чтобы можно было производить градуирование всей шкалы, ориентируя приемное устройство непосредственно на ось источника света (см. рисунок 1).

1 - установка на ноль; 2 - штатив для закрепления образца; 3 - источник света и коллиматор; 4 - приемное устройство с фотоэлементом в положении для измерения и «косвенного» градуирования; 5 - штанга приемного устройства в положении для прямого градуирования; 6 - регулировка градуирования; 7 - регулируемый индикатор
Рисунок 1 - Общая схема прибора для измерения отражающей способности двумя методами градуирования
3.1.2 Метод позволяет в некоторых случаях (например, для измерения поверхности со слабой отражающей способностью) устанавливать точку промежуточного градуирования (между 0 или 100% шкалы). В этом случае в оптическую траекторию необходимо поместить фильтр нейтральной плотности с известным коэффициентом пропускания и регулировать систему градуирования до тех пор, пока индикатор не покажет процент передачи соответствующей фильтру нейтральной плотности. Перед началом проведения замеров отражающей способности этот фильтр необходимо снять.
3.2 Метод косвенного градуирования
Метод применяют к приборам, у которых источник света и принимающее устройство имеют установленную геометрическую форму. Для использования метода необходим соответствующим образом градуированный и технически исправный эталон отражения. Эталон должен по возможности представлять собой плоское зеркало, коэффициент отражения которого как можно более близок к коэффициенту отражения испытуемых образцов.
3.3 Измерения на плоском зеркале заднего вида
Коэффициент отражения образцов плоского зеркала заднего вида может быть измерен при помощи приборов, действующих по принципу прямого или косвенного градуирования. Значение коэффициента отражения считывается непосредственно со шкалы индикатора прибора.
3.4 Измерения на неплоском (выпуклом) зеркале заднего вида
Измерения коэффициента отражения неплоских (выпуклых) зеркал заднего вида требуют использования прибора, в приемном устройстве которого имеется шар Ульбрихта (см. рисунок 2). Если прибор считывания с шара с эталонным зеркалом, имеющим коэффициент отражения Е, %, дает nе делений, то с неизвестным зеркалом число делений nх будет соответствовать коэффициенту отражения X, %, получаемому по формуле
![]()

1 - источник света и коллиматор; 2 - регулируемый индикатор; 3 - регулировка градуирования; 4 - установка на ноль; 5 - фотоэлемент; 6 - штатив для закрепления образца
Рисунок 2 - Общая схема оборудования для измерения отражающей способности с использованием в приемном устройстве шара Ульбрихта
Значения спектральных
координат света стандартного колориметрического наблюдателя МКС (
(Таблица
представляет собой выдержку из Публикации МКС 50645 (
|
λ, нм |
|
|
|
|
380 |
0,001 4 |
0,000 0 |
0,006 5 |
|
390 |
0,004 2 |
0,000 1 |
0,020 1 |
|
400 |
0,014 3 |
0,000 4 |
0,067 9 |
|
410 |
0,043 5 |
0,001 2 |
0,207 4 |
|
420 |
0,134 4 |
0,004 0 |
0,645 6 |
|
430 |
0,283 9 |
0,011 6 |
1,385 6 |
|
440 |
0,348 3 |
0,023 0 |
1,747 1 |
|
450 |
0,336 2 |
0,038 0 |
1,772 1 |
|
460 |
0,290 8 |
0,060 0 |
1,669 2 |
|
470 |
0,195 4 |
0,091 0 |
1,287 6 |
|
480 |
0,095 6 |
0,139 0 |
0,813 0 |
|
490 |
0,032 0 |
0,208 0 |
0,465 2 |
|
500 |
0,004 9 |
0,323 0 |
0,272 0 |
|
510 |
0,009 3 |
0,503 0 |
0,158 2 |
|
520 |
0,063 3 |
0,710 0 |
0,078 2 |
|
530 |
0,165 5 |
0,862 0 |
0,042 2 |
|
540 |
0,290 4 |
0,954 0 |
0,020 3 |
|
550 |
0,433 4 |
0,995 0 |
0,008 7 |
|
560 |
0,594 5 |
0,995 0 |
0,003 9 |
|
570 |
0,762 1 |
0,952 0 |
0,002 1 |
|
580 |
0,916 3 |
0,870 0 |
0,001 7 |
|
590 |
1,026 3 |
0,757 0 |
0,001 1 |
|
600 |
1,062 2 |
0,631 0 |
0,000 8 |
|
610 |
1,002 6 |
0,503 0 |
0,000 3 |
|
620 |
0,854 4 |
0,381 0 |
0,000 2 |
|
630 |
0,642 4 |
0,265 0 |
0,000 0 |
|
640 |
0,447 9 |
0,175 0 |
0,000 0 |
|
650 |
0,283 5 |
0,107 0 |
0,000 0 |
|
660 |
0,164 9 |
0,061 0 |
0,000 0 |
|
670 |
0,087 4 |
0,032 0 |
0,000 0 |
|
680 |
0,046 8 |
0,017 0 |
0,000 0 |
|
690 |
0,022 7 |
0,008 2 |
0,000 0 |
|
700 |
0,011 4 |
0,004 1 |
0,000 0 |
|
710 |
0,005 8 |
0,002 1 |
0,000 0 |
|
720 |
0,002 9 |
0,001 0 |
0,000 0 |
|
730 |
0,001 4 |
0,000 5 |
0,000 0 |
|
740 |
0,000 7 |
0,000 2 2) |
0,000 0 |
|
750 |
0,000 3 |
0,000 1 |
0,000 0 |
|
760 |
0 000 2 |
0,000 1 |
0 000 0 |
|
770 |
0,000 1 |
0,000 0 |
0,000 0 |
|
780 |
0,000 0 |
0,000 0 |
0,000 0 |
1) Сокращенная таблица.
Значения величин
(λ) = v(λ)
округлены
до четырех знаков после запятой.
2) Изменено в
Пояснительный чертеж

С - приемное устройство; D - диафрагма; Е - окно входа; F- окно измерения; L - линза; М - окно для предмета; S - источник света; (S) - светомерный шар
I Внутреннее зеркало заднего вида (класс I)
(см. 16.5.2 настоящих Правил)

II Внешние зеркала заднего вида
(примеры транспортных средств для правостороннего движения)
1 «Основные» внешние зеркала заднего вида (классы II и III)
(см. 16.5.3
настоящих Правил)

1 - правое внешнее зеркало заднего вида; 2 - левое внешнее зеркало заднего вида; 3 - окулярные точки водителя
Рисунок 2 - Транспортные средства категорий М1 и N1 весом 2 т или менее

1 - окулярные точки водителя; 2 - правое внешнее зеркало заднего вида; 3 - левое внешнее зеркало заднего вида
Рисунок 3 - Транспортные средства, помимо предусмотренных на рисунке 4
2 «Широкоугольные» зеркала заднего вида (класс IV)
(см. 16.5.4 настоящих Правил)

1 - зеркало заднего вида; 2 - окулярные точки водителя
3 Внешнее зеркало бокового обзора (класс V)
(см. 16.5.5 настоящих Правил)

1 - зеркало бокового обзора; 2 - поле обзора на уровне дороги; 3 - окулярные точки
1 Измерения
1.1 Оборудование
Используют прибор, называемый «сферометром», показанный на рисунке 1.
1.2 Точки измерения
1.2.1 Измерение основных радиусов кривизны производят в трех точках, расположенных как можно ближе к 1/3, 1/2 и 2/3 дуги отражающей поверхности, проходящей через центр зеркала и параллельной сегменту b, или перпендикулярной ей дуги, проходящей через центр зеркала, если последняя дуга длиннее.
1.2.2 Однако если размеры зеркала не позволяют сделать замеры в направлениях, указанных в 1.2.1, технические службы, на которые возложено проведение испытаний, могут провести замеры в этой точке в двух перпендикулярных направлениях, расположенных как можно ближе к направлениям, определенным выше.
2 Расчет радиуса кривизны (r)
Радиус r, мм, рассчитывают по формуле
![]()
где rp1 - радиус кривизны первой, rp2 - второй и rp3 - третьей точки измерения, соответственно.

1 - компаратор; 2 - подвижная точка
Рисунок 1
1 Цель
Описываемый в настоящем приложении порядок предназначен для определения положения точки Н и фактического угла наклона туловища для одного или нескольких мест для сидения в автомобиле и проверки соотношения между измеренными параметрами и конструктивными спецификациями, указанными предприятием-изготовителем 1).
1) По усмотрению компетентного органа для любого сиденья, кроме передних сидений, для которого точка Н не может быть определена с помощью «объемного механизма определения точки Н» или соответствующих процедур, в качестве контрольной точки может приниматься точка R, указанная предприятием-изготовителем.
2 Определения
В настоящем приложении используют следующие термины:
2.1 контрольные параметры: Одна или несколько из следующих характеристик места для сидения:
2.1.1 точки H, R и их соотношение;
2.1.2 фактический и конструктивный углы наклона туловища и их соотношение.
2.2 объемный механизм определения точки Н: Устройство, применяемое для определения точки H и фактического угла наклона туловища. Описание этого устройства содержится в дополнении 1 к настоящему приложению.
2.3 точка Н: Центр вращения туловища и бедра объемного механизма определения точки H, установленного на сиденье транспортного средства в соответствии с предписаниями раздела 4. Точка Н располагается в середине центральной линии устройства, проходящей между визирными метками точки Н с обеих сторон механизма определения точки Н. Теоретическая точка Н соответствует (допуски см. 3.2.2) точке R. После определения точки Н в соответствии с порядком, описанным в разделе 4, считают, что эта точка является фиксированной по отношению к подушке сиденья и перемещается вместе с ней при регулировке сиденья.
2.4 точка R, или контрольная точка места для сидения: Условная точка, указываемая предприятием-изготовителем для каждого места для сидения и устанавливаемая относительно трехмерной системы координат.
2.5 линия туловища: Центральная линия штыря объемного механизма определения точки Н, когда штырь находится в крайнем заднем положении.
2.6 фактический угол наклона туловища: Угол, измеряемый между вертикальной линией, проходящей через точку Н, и линией туловища посредством заднего кругового сектора на объемном механизме определения точки Н. Теоретически фактический угол наклона туловища соответствует конструктивному углу наклона туловища (допуски см. 3.2.2).
2.7 конструктивный угол наклона туловища: Угол, измеряемый между вертикальной линией, проходящей через точку R, и линией туловища в положении, соответствующем конструктивному положению спинки сиденья, указанному предприятием-изготовителем транспортного средства.
2.8 центральная плоскость водителя или пассажира (C/L0):
Средняя плоскость объемного механизма определения точки Н, точно расположенная на каждом указанном месте для сидения; она представлена координатой точки Н относительно оси Y. На отдельных сиденьях центральная плоскость сиденья совпадает с центральной плоскостью водителя или пассажира. На других сиденьях центральная плоскость водителя или пассажира определяется предприятием-изготовителем.
2.9 трехмерная система координат: Система, описанная в дополнении 2 к настоящему приложению.
2.10 исходные точки отсчета: Физические точки (отверстия, плоскости, метки и углубления) на кузове транспортного средства, указанные предприятием-изготовителем.
2.11 положение для измерения на транспортном средстве: Положение транспортного средства, определенное координатами исходных точек отсчета в трехмерной системе координат;
3 Предписания
3.1 Представление данных
Для каждого места для сиденья, контрольные параметры которого будут использованы для проверки соответствия положениям настоящих Правил, представляют все или соответствующую выборку следующих данных в том виде, как это указано в дополнении 3 к настоящему приложению:
3.1.1 координаты точки R относительно трехмерной системы координат;
3.1.2 конструктивный угол наклона туловища;
3.1.3 все указания, необходимые для регулировки сиденья (если сиденье регулируемое), и установки его в положение для измерения, указанное ниже в 4.3.
3.2 Соотношение полученных данных и конструктивных спецификаций
3.2.1 Координаты точки Н и величина фактического угла наклона туловища, установленные согласно порядку, указанному в разделе 4, сравнивают соответственно с координатами точки R и величиной конструктивного угла наклона туловища, указанными предприятием-изготовителем.
3.2.2 Относительное
положение точек R, Н
и соотношение между конструктивным углом наклона туловища и фактическим углом
наклона туловища считают удовлетворительными для рассматриваемого места для
сидения, если точка Н, определенная
ее координатами, находится в пределах квадрата, горизонтальные и вертикальные
стороны которого, равные
3.2.3 В случае удовлетворения этих условий точку R и конструктивный угол наклона туловища используют для проверки соответствия положениям настоящих Правил.
3.2.4 Если точка Н или фактический угол наклона туловища не соответствуют предписаниям 3.2.2, точку Н и фактический угол наклона туловища определяют еще два раза (всего три раза). Если результаты двух из этих трех измерений удовлетворяют требованиям, применяют положения 3.2.3.
3.2.5 Если результаты по меньшей мере двух из трех измерений, определенные в 3.2.4, не удовлетворяют предписаниям 3.2.2 или проверка невозможна в связи с тем, что предприятие-изготовитель транспортного средства не представил информации, касающейся положения точки R или конструктивного угла наклона туловища, может использоваться барицентр трех полученных точек или средние значения трех измеренных углов, которые будут считаться приемлемыми во всех случаях, когда в настоящих Правилах упоминается точка R или конструктивный угол наклона туловища.
4 Порядок определения точки Н и фактического угла наклона туловища
4.1 Испытуемое
транспортное средство должно быть выдержано при температуре (20 + 10) °С по
выбору предприятия-изготовителя, для того чтобы температура материала, из
которого изготовлены сиденья, достигла комнатной. Если испытуемое сиденье
никогда не использовалось, на него необходимо поместить дважды в течение 1 мин
человека или устройство весом от 70 до
4.2 Транспортное средство должно занять положение для измерения, определенное в 2.11.
4.3 Если сиденье является регулируемым, его сначала устанавливают в крайнее заднее нормальное при управлении или использовании положение, предусмотренное предприятием-изготовителем транспортного средства, за счет одной лишь продольной регулировки сиденья, и без перемещения сиденья, предусмотренного для целей, иных, чем нормальное управление или использование. В случае наличия других способов регулировки сиденья (вертикальной, угла наклона спинки и т. д.), оно затем должно приводиться в положение, определенное предприятием-изготовителем транспортного средства. Для откидных сидений жесткая фиксация сиденья в вертикальном положении должна соответствовать нормальному положению при управлении транспортным средством, указанному предприятием-изготовителем.
4.4 Поверхность места для сиденья, с которой соприкасается объемный механизм определения точки Н, покрывают хлопчатобумажной тканью достаточного размера и соответствующей текстуры, определяемой как гладкая хлопчатобумажная ткань, имеющая 18,9 ниток на 1 см2 и весящая 0,228 кг/м2, или как вязаная или нетканая материя, имеющая аналогичные характеристики.
Если испытание проводят на сиденье вне транспортного средства, то пол, на который устанавливают сиденье, должен иметь те же основные характеристики 1) что и пол транспортного средства, в котором будет установлено такое сиденье.
1) Угол наклона, разница в высоте крепления сиденья, текстура поверхности и т.д.
4.5 Помещают основание и спинку объемного механизма определения точки Н таким образом, чтобы центральная плоскость водителя или пассажира (C/L0) совпадала с центральной плоскостью механизма. По просьбе предприятия-изготовителя механизм может быть передвинут внутрь относительно C/L0, если он находится снаружи и кромка сиденья не позволяет произвести его выравнивание.
4.6 Прикрепляют ступни и голени к основанию корпуса либо отдельно, либо посредством шарнирного Т-образного соединения. Линия, проходящая через визирные метки определения точки Н, должна быть параллельной грунту и перпендикулярной продольной центральной плоскости сиденья.
4.7 Располагают ступни и ноги объемного механизма определения точки Н следующим образом:
4.7.1 Сиденья водителя и пассажира - рядом с водителем.
4.7.1.1 Ступни и ноги перемещают вперед таким образом, чтобы ступни заняли естественное положение в случае необходимости между рабочими педалями. Левую ступню по возможности устанавливают таким образом, чтобы она находилась приблизительно на таком же расстоянии с левой стороны от центральной плоскости механизма определения точки Н, на каком находится правая ступня с правой стороны. С помощью уровня проверки поперечной ориентации устройства его приводят в горизонтальное положение за счет регулировки в случае необходимости основания корпуса либо за счет перемещения ступней и ног назад. Линия, проходящая через визирные метки точки Н, должна быть перпендикулярной продольной центральной плоскости сиденья.
4.7.1.2 Если левая нога не может удерживаться параллельно правой ноге, а левая ступня не может быть установлена на элементах конструкции транспортного средства, необходимо переместить левую ступню таким образом, чтобы установить ее на опору. Горизонтальность определяют визирными метками.
4.7.2 Задние внешние сиденья
Что касается задних или приставных сидений, то ноги необходимо располагать так, как предписывается предприятием-изготовителем. Если при этом ступни опираются на части пола, которые находятся на различных уровнях, то та ступня, которая первая прикоснулась к переднему сиденью, служит в качестве исходной, а другая ступня располагается таким образом, чтобы обеспечить горизонтальное положение устройства, проверяемое с помощью уровня поперечной ориентации основания корпуса.
4.7.3 Другие сиденья
Следует придерживаться общего порядка, указанного в 4.7.1, за исключением порядка установки ступней, который определяется предприятием-изготовителем транспортного средства.
4.8 Размещают грузы на голенях и бедрах и устанавливают объемный механизм определения точки Н в горизонтальное положение.
4.9 Наклоняют заднюю часть основания туловища вперед до остановки и отводят объемный механизм определения точки Н от спинки сиденья с помощью коленного шарнира. Вновь устанавливают механизм на прежнее место на сиденье посредством одного из нижеследующих способов.
4.9.1 Если объемный механизм определения точки Н скользит назад, применяют следующую процедуру: дают механизму возможность скользить назад до тех пор, пока не отпадет необходимость в использовании передней ограничительной горизонтальной нагрузки на коленный Т-образный шарнир, т.е. до тех пор, пока задняя часть механизма не соприкоснется со спинкой сиденья. В случае необходимости следует изменить положение голени и ступни.
4.9.2 Если объемный механизм определения точки Н не скользит назад, используют следующую процедуру: отодвинуть механизм назад за счет использования горизонтальной задней нагрузки, прилагаемой к коленному Т-образному шарниру, до тех пор, пока задняя часть механизма не войдет в соприкосновение со спинкой сиденья (см. рисунок 2 дополнения 1 к настоящему приложению).
4.10 Прикладывают нагрузку (100±10) Н к задней части и основанию механизма определения точки Н на пересечении углового квадранта бедра и кожуха коленного Т-образного шарнира. Это усилие должно быть все время направлено вдоль линии, проходящей через вышеуказанное пересечение до точки, находящейся чуть выше кожуха кронштейна бедра (см. рисунок 2 дополнения 1 к настоящему приложению). После этого осторожно возвращают назад спинку механизма до соприкосновения со спинкой сиденья. Оставшуюся процедуру необходимо проводить с осторожностью, для того чтобы не допустить соскальзывания механизма вперед.
4.11 Размещают грузы на правой и левой частях основания туловища и затем попеременно восемь грузов на спине. Горизонтальное положение объемного механизма определения точки Н проверяют с помощью уровня.
4.12 Наклоняют спинку объемного механизма определения точки Н вперед, чтобы устранить давление на спинку сиденья. Производят три полных цикла бокового качания механизма на дуге 10° (5° в каждую сторону от вертикальной центральной плоскости), для того чтобы выявить и устранить возможные точки трения между механизмом и сиденьем.
В ходе раскачивания коленный Т-образный шарнир механизма может отклоняться от установленного горизонтального и вертикального направления. Поэтому во время раскачивания механизма Т-образный шарнир должен удерживаться соответствующей поперечной силой. При удерживании шарнира и раскачивании механизма необходимо проявлять осторожность, чтобы не допустить появления непредусмотренных внешних вертикальных или продольных нагрузок.
При этом не следует удерживать ступни механизма или ограничивать их перемещение. Если ступни изменят свое положение, они должны оставаться некоторое время в новом положении.
Осторожно возвращают назад спинку механизма до соприкосновения со спинкой сиденья и выводят оба уровня в нулевое положение. В случае перемещения ступней во время раскачивания механизма их следует вновь установить следующим образом.
Попеременно приподнимают каждую ступню с пола на минимальную величину, необходимую для того, чтобы предотвратить ее дополнительное перемещение. При этом необходимо удерживать ступни таким образом, чтобы они могли вращаться; применение каких-либо продольных или поперечных сил исключается. Когда каждая ступня опять устанавливается в свое нижнее положение, пятка должна войти в соприкосновение с соответствующим элементом конструкции.
Выводят поперечный уровень в нулевое положение; в случае необходимости прикладывают поперечную нагрузку к верхней части спинки механизма; величина нагрузки должна быть достаточной для установки в горизонтальное положение спинки объемного механизма на сиденье.
4.13 Придерживают коленный Т-образный шарнир для того, чтобы не допустить соскальзывания механизма определения точки Н вперед на подушку сиденья, и затем:
а) возвращают назад спинку механизма до соприкосновения со спинкой сиденья;
b) попеременно применяют и убирают горизонтальную нагрузку, действующую в заднем направлении, не превышающую 25 Н, к штанге угла наклона спинки на высоте приблизительно центра крепления грузов к спине, пока круговой сектор бедра не покажет, что после устранения действия нагрузки достигнуто устойчивое положение. Необходимо обеспечить, чтобы на механизм не действовали какие-либо внешние силы, направленные вниз или вбок. В случае необходимости повторной ориентации механизма в горизонтальном направлении наклоняют спинку механизма вперед, вновь поворачивают его в горизонтальное положение и повторяют процедуру, указанную в 4.12.
4.14 Производят все измерения:
4.14.1 координаты точки Н измеряют относительно трехмерной системы координат;
4.14.2 фактический угол наклона туловища определяют на круговом секторе наклона спинки объемного механизма определения точки Н, причем штырь должен находиться в крайнем заднем положении.
4.15 В случае повторной установки объемного механизма определения точки Н сиденье должно быть свободным от любых нагрузок в течение не менее 30 мин до начала установки. Механизм не следует оставлять на сиденье сверх того времени, которое необходимо для проведения данного испытания.
4.16 Если сиденья, находящиеся в одном и том же ряду, могут рассматриваться как одинаковые (многоместное сиденье, идентичные сиденья и т.п.), следует определять только одну точку Н и один фактический угол наклона спинки сиденья для каждого ряда, помещая объемный механизм определения точки Н, описанный в дополнении 1 к настоящему приложению, в месте, которое можно рассматривать как типичное для данного ряда сидений. Этим местом являются:
4.16.1 в переднем ряду - место водителя;
4.16.2 в заднем ряду или рядах - одно из крайних мест.
1 Спинка и основание
Спинка и основание изготовлены из арматурного пластика и металла; они моделируют туловище и бедра человека и крепятся друг к другу механически в точке Н. На штырь, укрепленный в точке Н, устанавливают круговой сектор для измерения фактического угла наклона спинки. Регулируемый шарнир бедра, соединяемый с основанием туловища, определяет центральную линию бедра и служит исходной линией для кругового сектора наклона бедра.
2 Элементы туловища и ног
Элементы, моделирующие
ступни и голени, соединяют с основанием туловища с помощью коленного шарнира,
который является продольным продолжением регулируемого кронштейна бедра. Для
измерения угла сгиба колена элементы голени и лодыжки оборудованы круговыми
секторами. Элементы, моделирующие ступни, имеют градуировку для определения
угла наклона ступни. Ориентацию устройства обеспечивают за счет использования
двух уровней. Грузы, размещаемые на туловище, устанавливают в соответствующих
центрах тяжести и обеспечивают давление на подушку сиденья, равное оказываемому
пассажиром-мужчиной весом
1) За подробной информацией о
конструктивных особенностях объемного механизма определения точки Н следует
обращаться по адресу: Society of Automotive Engineers (SAE),
Механизм соответствует требованиям, установленным в ИСО 6549-80.

1 - спинка; 2 - кронштейн спинных грузов; 3 - уровень угла наклона спинки; 4 - круговой сектор наклона бедра; 5 - основание; 6 - кронштейн набедренных грузов; 7- Т-образный коленный шарнир; 8 - штырь; 9 - круговой сектор наклона спинки; 10 - визирные метки точки Н; 11 - ось вращения точки Н; 12 - поперечный уровень; 13 - кронштейн бедра; 14 - круговой сектор сгиба колена; 15 - круговой сектор сгиба ступни
Рисунок 1 - Обозначение элементов объемного механизма определения точки Н

1 - спинные грузы; 2 - седалищные грузы; 3 - набедренные грузы; 4 - ножные грузы; 5 - направление и точка приложения нагрузки
Рисунок 2 - Размеры элементов и объемного механизма определения точки Н и распределения грузов
1 Трехмерная система координат определяется тремя ортогональными плоскостями, установленными предприятием-изготовителем транспортного средства (см. рисунок)*).
2 Положение для измерения на транспортном средстве устанавливают за счет помещения данного транспортного средства на поддерживающую поверхность таким образом, чтобы координаты нулевых точек отсчета соответствовали величинам, указанным предприятием-изготовителем.
3 Координаты точек R и Н устанавливают относительно нулевых точек отсчета, определенных предприятием-изготовителем транспортного средства.
*) Система координат соответствует требованиям ИСО 4130-78.

Рисунок - Трехмерная система координат
1 Кодирование исходных данных
Исходные данные перечисляют последовательно по каждому месту для сидения. Места для сидения определяют двузначным кодом. Первый знак представляет собой арабскую цифру и обозначает ряд мест, причем отсчет ведут спереди назад. Вторым знаком является заглавная буква, которая обозначает расположение места для сидения в ряду, причем отсчет ведут в направлении движения транспортного средства вперед; при этом используют следующие буквы:
L - левая; С - центральная; R - правая.
2 Описание положения для измерения на транспортном средстве
2.1 Координаты нулевых точек отсчета:
X_________________________
Y_________________________
Z_________________________
3 Перечень исходных данных
3.1 Место для сидения__________________________________________________________
3.1.1 Координаты точки R.
X_________________________
Y_________________________
Z_________________________
3.1.2 Конструктивный угол наклона туловища______________________________________
3.1.3 Данные о регулировке сиденья1): горизонтальная, вертикальная, угловая, угол наклона туловища
Примечание - Перечислить исходные данные для других мест для сидения в пунктах 3.2, 3.3 и т.д.
1)Ненужное вычеркнуть. 36
1 Определения
В соответствии с настоящим приложением под типом системы смещения подразумевают такое соотношение осей, точек вращения и других механизмов, которые обеспечивают смещение зеркала в нужном направлении в случае удара.
2 Испытания
Зеркала заднего вида подвергают следующим испытаниям.
2.1 Отражающая поверхность (все классы)
2.1.1 Проверка номинального радиуса кривизны - в соответствии с предписаниями раздела 2 приложения 7 к настоящим Правилам.
2.1.2 Измерение отклонений между радиусами кривизны - в соответствии с предписаниями 7.2.2 настоящих Правил.
2.2 Внутренние зеркала заднего вида (класс I)
Испытание на изгиб защитного корпуса, установленного на стержне, - в соответствии с предписаниями 8.3 настоящих Правил.
2.3 Внешние зеркала заднего
вида (классы II - IV),
за исключением зеркал, у которых ни одна из частей не располагается на высоте
менее
Испытание на поведение при ударе - в соответствии с предписаниями 8.2 настоящих Правил.
3 Частота и результаты испытаний
3.1 Измерение номинального радиуса кривизны и отклонений между радиусами кривизны
3.1.1 Периодичность измерения
Раз в квартал для каждого номера официального утверждения и каждого отдельного значения номинального радиуса кривизны.
3.1.2 Результаты
Все результаты измерений должны регистрироваться. Предельные значения отклонений, предусмотренные в 7.2.2 настоящих Правил, должны быть соблюдены.
3.2 Испытание на изгиб защитного корпуса, установленного на стержне
3.2.1 Частота
Раз в месяц для каждого номера официального утверждения.
3.2.2 Результаты
Все результаты должны регистрироваться. Предписания 8.4 настоящих Правил должны быть соблюдены.
3.3 Испытание на поведение при ударе
3.3.1 Периодичность измерения
Раз в квартал для каждого номера официального утверждения, каждой системы смещения и конфигурации основания.
3.3.2 Результаты
Все результаты должны регистрироваться. Предписания 8.4 настоящих Правил должны быть соблюдены.
3.4 Выборка образцов
Подвергаемые испытаниям образцы должны отбираться с учетом объема производства каждого типа зеркал заднего вида.
Ключевые слова: механические транспортные средства, зеркала заднего вида, установка, спецификации, отражающая способность