ГОСТ Р 12.4.206-99
ГОСУДАРСТВЕННЫЙ СТАНДАРТ РОССИЙСКОЙ ФЕДЕРАЦИИ
Система стандартов безопасности труда
СРЕДСТВА
ИНДИВИДУАЛЬНОЙ ЗАЩИТЫ
ОТ ПАДЕНИЯ С ВЫСОТЫ
Методы испытаний
ГОССТАНДАРТ РОССИИ
Москва
Предисловие
1 РАЗРАБОТАН Рабочей группой подкомитета ПК 7 Технического комитета по стандартизации средств индивидуальной защиты ТК 320 «СИЗ»
ВНЕСЕН Техническим комитетом по стандартизации средств индивидуальной защиты ТК 320 «СИЗ»
2 ПРИНЯТ И ВВЕДЕН В ДЕЙСТВИЕ Постановлением Госстандарта России от 28 декабря 1999 г. № 758-ст
3 Настоящий стандарт представляет собой аутентичный текст регионального стандарта ЕН 364-92 «Индивидуальные средства защиты от падения с высоты. Методы испытаний» и содержит дополнительные требования, отражающие потребности экономики страны
4 ВВЕДЕН ВПЕРВЫЕ
5 ПЕРЕИЗДАНИЕ
СОДЕРЖАНИЕ
|
4 Общие технические требования к испытательному оборудованию.. 2 Приложение А. Рекомендации по последовательности проведения испытаний. 19 |
ГОСТ Р 12.4.206-99
ГОСУДАРСТВЕННЫЙ СТАНДАРТ РОССИЙСКОЙ ФЕДЕРАЦИИ
|
Система стандартов безопасности труда СРЕДСТВА ИНДИВИДУАЛЬНОЙ ЗАЩИТЫ ОТ ПАДЕНИЯ С ВЫСОТЫ Методы испытаний Occupational safety standards system. Personal protective equipment against falls from a height. Methods of testing |
Дата введения 2002-07-01
Настоящий стандарт устанавливает общие технические требования к испытательному оборудованию и методы испытаний для материалов, компонентов и систем средств индивидуальной защиты (СИЗ) от падений с высоты.
Дополнительные требования, отражающие потребности экономики страны, выделены курсивом.
В настоящем стандарте использованы ссылки на следующие стандарты:
ГОСТ Р 12.4.223-99 Система стандартов безопасности труда. Средства индивидуальной защиты от падения с высоты. Стропы. Общие технические требования. Методы испытаний
ГОСТ Р 12.4.224-99 Система стандартов безопасности труда. Средства индивидуальной защиты от падения с высоты. Страховочные привязи. Общие технические требования. Методы испытаний
ЕН 10002-1-91* Металлические материалы. Испытание на разрыв. Метод испытания при комнатной температуре
ИСО 9227-90* Испытание коррозийной стойкости в искусственной атмосфере. Метод с разбрызгиванием соляного раствора
* Перевод - во ВНИИКИ.
В настоящем стандарте применяют следующие термины с соответствующими определениями:
3.1 устройство для измерения нагрузки: Устройство, включающее преобразователь напряжения и аналоговый или цифровой дисплей, или устройство для графического изображения.
3.2 статическая нагрузка: Статическая нагрузка - постоянная в течение испытания нагрузка, установленная в требованиях стандартов на отдельные компоненты или системы СИЗ от падения с высоты.
4.1 Оборудование для статических испытаний
4.1.1 Требования к оборудованию для измерения нагрузки
Поверку измерительного оборудования должна проводить аккредитованная лаборатория, занимающаяся измерением статических и динамических сил, или аккредитованная поверочная служба.
4.1.2 Требования к нагрузке
4.1.2.1 Металлические материалы
Нагрузка должна соответствовать ЕН 10002-1.
4.1.2.2 Текстильные материалы
Скорость перемещения зажима для испытания компонентов или материалов длиной от 1,0 до 2,0 м должна быть от 50 до 150 мм в минуту.
Компоненты, имеющие длину менее 1,0 м, следует испытывать при пропорционально меньшей скорости перемещения зажима.
Компоненты, имеющие длину более 2,0 м, следует испытывать при пропорционально большей скорости перемещения зажима.
4.2 Манекен
Манекен для статических и динамических испытаний определенных компонентов и систем должен соответствовать размерам и требованиям, указанным на рисунке 1. Масса манекена - (100 ± 1) кг. Центр тяжести должен быть расположен выше промежности на (200 ± 25) мм. Кольца для подвешивания манекена должны иметь внутренний диаметр 40 мм и диаметр поперечного сечения 15 мм. Поверхность манекена должна быть гладкая. Если манекен изготовлен из дерева, то поверхность должна быть покрыта шеллаком или лакирована.
4.3 Испытательный цилиндр
Испытательный цилиндр, необходимый для статических испытаний удерживающих привязей, должен иметь диаметр (350 ± 10) мм. Он должен обладать жесткой структурой, быть твердым и гладким.
4.4 Оборудование для динамических испытаний
4.4.1 Конструкция
Испытательный стенд должен быть сконструирован таким образом, чтобы его собственная частота (вибрация) вдоль вертикальной оси в точке крепления была не менее 100 Гц и так, чтобы приложение силы в 20 кН к точке крепления не вызывало бы смещения более 1 мм. Точкой крепления на испытательном стенде должно быть кольцо или стержень диаметром поперечного сечения (15 ± 1) мм.
Высота точки крепления должна быть такой, чтобы не дать отдельному компоненту или всей системе, или испытательному манекену удариться об пол во время испытаний.
4.4.2 Устройство для измерения нагрузки (максимального усилия торможения)
Устройство для измерения нагрузки должно быть рассчитано на измерение силы от 2,0 до 20,0 кН с погрешностью не более ± 5 %, должно иметь ширину полосы пропускания 1000 Гц и включать в себя низкочастотный фильтр с неравномерностью 0,5 - 1,0 дБ в полосе пропускания и 3 дБ - при ширине полосы пропускания 60 Гц. Подавление за полосой пропускания должно быть не менее 12 дБ на октаву.
Если применяют промежуточный усилитель, то его нелинейность должна быть не более ± 0,1 % рабочего диапазона.
Если применяют самописец, регистрирующий силу в зависимости от времени, то он должен иметь погрешность не более ± 2,0 %.
Подавление синфазной помехи промышленной частоты должно быть не менее 60 дБ.
Настоящие требования допускают применение серийных усилителя и самописца в оборудовании для измерения нагрузки, если их общая погрешность не превышает ± 2 %.
Масса (100 ± 1) кг.
Материал - металлы или пластмассы (минимальная прочность по Шору 90).
Минимальный радиус сопряжения R50, если не оговорено специально
Рисунок 1 - Манекен
4.5 Жесткие стальные грузы
Жесткие стальные грузы массой (100 ± 1) кг или (150 ± 1) кг должны иметь болт с кольцом, надежно и жестко соединенный с грузом для обеспечения безопасного применения.
Грузы массой 100 кг и 150 кг должны иметь номинальный диаметр 200 мм. Болт с кольцом должен занимать центральное положение на одном из концов груза. Допускается также отклонение расположения болта от центрального положения (рисунок 2) для того, чтобы уравновесить горизонтальные нагрузки при испытаниях некоторых видов СИЗ.
Рисунок 2 - Жесткие стальные грузы (варианты расположения болта)
4.6 Устройство быстрого расцепления
Устройство для быстрого расцепления должно быть совместимо с кольцами болтов в манекене по 4.2 и жестких стальных грузов по 4.5. Оно должно обеспечивать надежное расцепление манекена или жесткого стального груза, не имеющего начальной скорости.
4.7 Оборудование для измерения коррозии
Оборудование для испытания коррозионных свойств металла должно быть рассчитано на работу с нейтральным солевым раствором. Испытания - по ИСО 9227.
4.8 Оборудование для создания определенных условий при испытаниях
4.8.1 Тепловая камера
Тепловая камера должна обеспечивать регулирование температуры до (50 ± 2) °С при относительной влажности (85 ± 5) %.
4.8.2 Холодильная камера
Холодильная камера должна обеспечивать регулирование температуры (40 ± 2) °С.
4.8.3 Оборудование для распыления воды
Оборудование для распыления воды должно обеспечивать распыление воды со скоростью примерно 70 дм3/ч. Температура воды - от 10 до 30 °С.
4.8.4 Камера для испытания пылью
Камера должна представлять собой куб с ребром 1 м (рисунок 3), в котором можно распылять частицы пыли струей воздуха под давлением 6 бар. В камере должно быть предусмотрено вентиляционное отверстие с фильтром. Сверху должен свисать шнур для управления механизмом в процессе испытаний.
1 - вентиляционная трубка диаметром 6 мм; 2 - куб вместимостью 1000 дм (внутренние размеры); 3 - уровень пола
Рисунок 3 - Камера для испытания пылью
4.9 Оборудование для испытания на износ
Оборудование должно быть рассчитано на работу в условиях свободного падения определенных грузов при испытании защитных устройств ползункового типа и типа рулетки.
Рекомендации по последовательности проведения испытаний даны в приложении А.
5.1 Страховочная привязь
5.1.1 Оборудование для проведения динамических испытаний
Оборудование должно соответствовать 4.2 и 4.4.
5.1.2 Метод динамических испытаний
5.1.2.1 Страховочную привязь плотно наденьте на манекен. В качестве стропа используйте горный канат (альпинистскую веревку) диаметром не менее 11 мм. Амортизатор в данном испытании не используйте. Общая длина стропа (веревки) от места прикрепления к привязи до места прикрепления к анкерному креплению испытательного стенда должна быть 2 м.
Длина стропа может составлять 4 м, если в рабочем состоянии место прикрепления стропа к жесткому анкерному креплению испытательного стенда и подъемно-расцепляющее устройство находятся на одном уровне.
В обоих случаях должна достигаться длина свободного падения манекена приблизительно 4 м.
5.1.2.2 Прикрепите манекен за верхнее кольцо болта крепления и поднимите его на такую высоту, чтобы свободное падение манекена составляло приблизительно 4 м.
5.1.2.3 При срабатывании расцепляющего устройства манекен, не имеющий начальной скорости, падает ногами вниз в свободном падении с высоты 4 м. Манекен не должен выпасть из привязи. После падения заметьте ориентацию манекена и измерьте угол между продольной осью манекена и вертикалью.
5.1.2.4 Используя ту же самую веревку (хотя допускается ее замена), через 15 мин повторите испытание с манекеном, подвешенным за нижнее кольцо крепления так, чтобы падение было головой вниз с высоты приблизительно 4 м.
5.1.2.5 Повторите испытания ногами вниз и головой вниз для каждого элемента крепления, которые обозначены в ГОСТ Р 12.4.224, как часть системы страховки от падения.
5.1.2.6 Для тех элементов крепления, которые не предусмотрены как части системы страховки от падения, выше указанные испытания с падением ногами вниз и головой вниз следует проводить с высоты около 2 м.
5.1.3 Оборудование для измерения статических нагрузок
Оборудование должно соответствовать 4.1 и 4.2.
5.1.4 Методы испытаний статической нагрузкой
5.1.4.1 Наденьте страховочную привязь на манекен.
5.1.4.2 Приложите статическую нагрузку между элементом крепления привязи и нижним кольцом болта крепления манекена. Поддерживайте эту нагрузку в течение 3 мин. Манекен не должен выпасть из привязи.
Повторите испытание для каждого элемента крепления привязи.
5.1.4.3 Повторите испытание, используя верхнее кольцо болта крепления манекена, при соответствующей статической нагрузке.
Примечание - Хотя это испытание является испытанием статической нагрузкой, оно дает возможность изучить поведение и движение различных компонентов, влияющих на безопасность пользователя.
5.2 Стропы
5.2.1 Оборудование для испытания статической нагрузкой
Оборудование должно соответствовать требованиям 4.1.
5.2.2 Метод испытания статической нагрузкой
Приложите статическую нагрузку между двумя концевыми соединениями стропа. Поддерживайте нагрузку в течение 3 мин. На стропе не должны появиться разрывы.
Примечание - Если строп изготовлен из текстильного материала и имеет металлические концевые соединения, то они могут быть заменены более надежными концевыми соединениями или могут быть зажаты с боков зажимами испытательного оборудования.
5.2.3 Оборудование для испытаний динамической нагрузкой
Оборудование для испытаний динамической нагрузкой должно соответствовать 4.4.1, 4.5 и 4.6.
5.2.4 Испытание динамической нагрузкой стропов, имеющих устройство для регулирования длины
Отрегулируйте длину между концевыми соединениями стропа, чтобы она была (2,0 ± 0,25) м. Если максимальная длина стропа, включая концевые соединения, меньше 2 м, то установите полную длину стропа.
Присоедините груз массой 100 кг к устройству регулирования длины, если таковое имеется, или к одному концевому соединению, а другое концевое соединение стропа закрепите в жесткой анкерной точке испытательного стенда.
Поднимите груз на такую высоту, чтобы свободное падение груза составляло приблизительно 4 м. Если длина стропа меньше 2 м, то поднимите груз настолько, насколько позволит длина стропа, при этом свободное падение груза составит две длины стропа.
Расстояние по горизонтали между анкерной точкой и кольцом болта груза должно быть не более 300 мм.
Если в рабочем состоянии анкерная точка и устройство быстрого расцепления находятся на одном уровне, то допускается длину испытуемого стропа увеличить до 4,0 м с помощью технологического фала из цепи.
С помощью расцепляющего устройства дайте грузу упасть. Груз не должен оторваться.
5.3 Амортизаторы
5.3.1 Оборудование для испытания статической предварительной нагрузкой
Оборудование должно соответствовать требованиям 4.1 или 4.4.1 с дополнительным испытательным грузом массой 204 кг.
5.3.2 Метод испытания статической предварительной нагрузкой
Приложите нагрузку между двумя концевыми соединениями амортизатора. Поддерживайте нагрузку в течение 3 мин или подсоедините одно концевое соединение амортизатора к подъемному устройству, а другое к испытательному грузу массой 204 кг. Приподнимите груз на 3 мин. После снятия нагрузки не должно появиться остаточное растяжение в виде разрывов.
5.3.3 Оборудование для испытания динамических характеристик
Оборудование для испытания динамических характеристик должно соответствовать требованиям 4.2, 4.4 - 4.6.
5.3.4 Метод испытания динамических характеристик
5.3.4.1 Амортизатор в качестве компонента
5.3.4.1.1 Присоедините с помощью соединительного элемента к одному концу амортизатора груз массой 100 кг, а к другому концу цепь, соответствующую требованиям для стропов ГОСТ Р 12.4.223 так, чтобы общая длина всей системы была (2 ± 0,25) м.
Если в рабочем состоянии анкерная точка крепления и устройство быстрого расцепления находятся на одном уровне, то допускается с помощью цепи устанавливать общую длину системы (4 ± 0,25) м.
5.3.4.1.2 Подвесьте эту собранную систему к жесткому анкерному креплению, включив в него датчик устройства для измерения силы, поднимите груз на высоту 4,0 м. Отклонение по горизонтали кольца болта груза от анкерного крепления не должно быть более 300 мм.
5.3.4.1.3 С помощью расцепляющего устройства дайте грузу упасть и измерьте максимальное значение силы, показанное прибором в процессе падения. Измерьте расстояние Н между точками крепления груза к амортизатору до и после падения (рисунок 4).
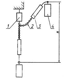
5.3.4.2 Амортизатор в комплексе со стропом
5.3.4.2.1 Если общая длина амортизатора со стропом и соединительными элементами составляет 2 м, то прикрепите груз массой 100 кг к одному концу амортизатора со стропом, а другой конец прикрепите к жесткому анкерному креплению, включив в него датчик устройства для измерения силы.
Примечание - Если общая длина амортизатора со стропом и с соединительными элементами менее 2,0 м, то длина должна быть доведена до (2 ± 0,25) м, как это описано в 5.3.4.1.1 (рисунок 5).
5.3.4.2.2 Поднимите груз на высоту 4,0 м. Отклонение по горизонтали кольца болта груза от анкерной точки крепления не должно быть более 300 мм.
1 - датчик устройства для измерения силы; 2 - цепь; 3 - амортизатор; 4 - груз массой 100 кг
Рисунок 4 - Испытание динамических характеристик амортизатора в качестве компонента
1 - датчик устройства для измерения силы; 2 - цепь; 3 - амортизатор; 4 - манекен
Рисунок 5 - Динамические испытания защитных свойств амортизатора в комплексе с привязью
5.3.4.2.3 С помощью расцепляющего устройства дайте грузу упасть и измерьте максимальное значение силы. После падения, когда груз находится в покое, измерьте расстояние Н по вертикали между точками крепления груза к амортизатору до и после падения.
5.3.4.3 Амортизатор в комплексе со страховочной привязью
5.3.4.3.1 Если невозможно ввести соединительный элемент в точке крепления амортизатора и привязи, то наденьте привязь на манекен и проведите испытание по 5.3.4.1 (рисунок 5).
5.3.5 Оборудование для испытаний статической нагрузкой
Оборудование должно соответствовать требованиям 4.1.
5.3.6 Метод испытаний статической нагрузкой
Приложите нагрузку между двумя концами амортизатора. Поддерживайте приложенную нагрузку в течение 3 мин. На амортизаторе не должны появиться разрывы, кроме тех, которые обусловлены защитным действием амортизатора.
Примечание - В тех случаях, когда амортизатор применяют в комплексе с привязью и невозможно подсоединить оборудование для испытания к двум концам амортизатора, допускается испытание статической нагрузкой по 5.1.4.2.
5.4 Соединительные элементы (карабины)
5.4.1 Оборудование для испытания статической нагрузкой
Оборудование должно соответствовать требованиям 4.1, и присоединительные элементы должны иметь диаметр сечения 12 мм.
Примечание - Если конструкция карабина не позволяет применять присоединительные элементы диаметром сечения 12 мм, производитель и испытательная лаборатория должны согласовывать конструкцию подходящих соединительных элементов.
5.4.2 Метод испытания статической нагрузкой.
Карабин должен быть подвергнут воздействию определенной статической нагрузки, приложенной между двумя его концами. При этом карабин должен занимать свое естественное положение на соединительном элементе. Поддерживайте прилагаемую нагрузку в течение 3 мин. Карабин не должен разрушиться.
Если испытывают карабин самозамыкающегося или самозащелкивающегося типа, то он должен быть испытан в незамкнутом состоянии.
5.5 Средства индивидуальной защиты ползункового типа с гибкой анкерной линией
5.5.1 Оборудование для испытания динамических характеристик
Оборудование должно соответствовать требованиям 4.4 - 4.6.
5.5.2 Метод испытания динамических характеристик
5.5.2.1 Закрепите верх анкерной линии к жесткой анкерной точке последовательно с датчиком устройства для измерения силы, как показано на рисунке 6.
5.5.2.2 Устройство защиты ползункового типа установите на расстоянии не более 300 мм от датчика устройства для измерения силы. Присоедините к средству защиты от падения груз массой 100 кг с помощью стропа или соединительных элементов.
5.5.2.3 Поднимите груз так высоко над средством защиты, на сколько строп и соединительные элементы это позволяют. Отклонение по горизонтали элемента крепления груза от анкерной точки крепления не должно быть более 300 мм. Закрепите груз с помощью расцепляющего устройства.
1 - датчик устройства для измерения силы; 2 - средство защиты от падения; 3 - груз массой 100 кг
Рисунок 6 - Испытание динамических характеристик средств защиты от падения ползункового типа с гибкой анкерной линией (канатом)
5.5.2.4 Дайте грузу упасть и измерьте максимальное значение силы в процессе падения. После падения, когда груз находится в покое, измерьте расстояние Н по вертикали между элементами крепления груза до и после падения.
5.5.2.5 Если средство защиты сконструировано так, что оно присоединяется непосредственно к привязи, то всю систему следует испытывать в соответствии с требованием 5.8.
5.5.3 Оборудование для испытания динамической нагрузкой
Оборудование должно соответствовать требованиям 4.4.1, 4.5 и 4.6.
5.5.4 Метод испытания динамической нагрузкой
Метод испытания аналогичен описанному в 5.5.2, но испытание проводят грузом массой 150 кг. Измерение силы и расстояния по вертикали Н не требуется. Устройство защиты ползункового типа должно сработать в соответствии с инструкцией, а груз не должен оторваться.
5.5.5 Оборудование для испытания статической нагрузкой
Оборудование должно соответствовать требованиям 4.1.
5.5.6 Метод испытания статической нагрузкой анкерного каната
Из верхнего конца анкерного каната сделайте образец длиной 2 м. При этом нижнее концевое соединение должно быть таким же, как и верхнее. Изготовитель может представить образцы, готовые для испытаний.
Приложите статическую нагрузку между концами образца в течение 3 мин. На образце не должны появиться разрывы.
5.6 Средства защиты от падения ползункового типа с жесткой анкерной линией
5.6.1 Оборудование для испытания динамических характеристик
Оборудование должно соответствовать требованиям 4.4 - 4.6.
Ввиду возможности механического повреждения оборудования, которое приведет к искажению результатов испытания, допускается заменить груз для испытания, описанный в 4.5, мешком с песком. Мешок с песком должен иметь массу (100 ± 1) кг и должен быть перетянут ремнями (рисунок 7).
5.6.2 Методы испытаний динамических характеристик
Применяют методы испытаний А или Б.
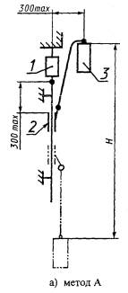
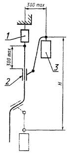
5.6.2.1 Метод испытания А
5.6.2.1.1 Прикрепите жесткую анкерную линию через датчик устройства для измерения силы к анкеру (рисунок 8а).
Примечание - Допускается боковое крепление жесткой анкерной линии по методу, согласованному между изготовителем и испытательной лабораторией.
5.6.2.1.2 Разместите средство защиты от падения на расстоянии 300 мм от верхней точки крепления жесткой анкерной линии, прикрепите СИЗ от падения к грузу массой 100 кг посредством прилагающегося к нему стропа и соединительного элемента.
1 - соединительный элемент; d - диаметр мешка с песком от 300 до 400 мм; h - высота мешка с песком
Рисунок 7 - Мешок с песком

1 - датчик устройства для измерения силы; 2 - СИЗ от падения; 3 - груз массой 100 кг
Рисунок 8 - Испытания динамических характеристик средств защиты от падения ползункового типа на жесткой анкерной линии
5.6.2.1.3 Поднимите груз так высоко над средством защиты от падения, насколько позволяют строп и соединительные элементы при максимальном отклонении по горизонтали от анкерной линии в 300 мм, закрепите его с помощью расцепляющего устройства.
5.6.2.1.4 Дайте грузу упасть и измерьте максимальное значение силы, измерьте расстояние Н по вертикали между элементом крепления груза до падения и после падения, когда груз находится в покое.
5.6.2.2 Метод испытания Б
В этом методе испытания максимальная общая длина датчика устройства для измерения силы должна быть не более 100 мм.
5.6.2.2.1 Закрепите жесткую анкерную линию согласно инструкциям изготовителя.
5.6.2.2.2 Прикрепите средство защиты от падения с помощью его стропа и соединительных элементов через датчик устройства для измерения силы к грузу массой 100 кг.
5.6.2.2.3 В положении, когда средство защиты от падения находится на середине между верхним и промежуточным анкером (рисунок 8 б), поднимите груз так высоко над средством защиты от падения, насколько позволяют строп, датчик устройства для измерения силы и соединительные элементы. При максимальном горизонтальном отклонении от анкерной линии 300 мм поднимите груз и закрепите его с помощью расцепляющего устройства.
5.6.2.2.4 Дайте грузу упасть и измерьте максимальное значение силы в процессе падения. Измерьте расстояние Н по вертикали между элементами крепления груза до и после падения.
5.6.3 Оборудование для испытания статической нагрузкой
Оборудование должно соответствовать требованиям 4.1.
5.6.4 Метод испытания статической нагрузкой СИЗ от падения ползункового типа на жесткой анкерной линии
Приложите статическую нагрузку между закрепленным концом жесткой анкерной линии и средством защиты через строп и соединительные элементы (включая соединение, если анкерная линия представляет собой рельс) таким образом, чтобы нагрузка была приложена одновременно ко всем элементам системы.
1 - датчик устройства для измерения силы; 2 - зажим; 3 - груз массой 100 кг
Рисунок 9 - Испытания динамических характеристик СИЗ от падения типа рулетки
5.7 СИЗ от падения типа рулетки
5.7.1 Оборудование для испытания динамических характеристик
Оборудование должно соответствовать требованиям 4.4 - 4.6.
5.7.2 Метод испытания динамических характеристик
5.7.2.1 Прикрепите верхнюю часть СИЗ от падения к жесткой анкерной точке последовательно с датчиком устройства для измерения силы, как показано на рисунке 9.
5.7.2.2 Вытяните строп на 600 мм от СИЗ от падения и укрепите зажимом так, чтобы предотвратить его втягивание. Прикрепите груз массой 100 кг. Поднимите груз так, чтобы его элемент крепления находился на одной горизонтальной линии с зажимом. Отклонение по горизонтали груза от вертикальной оси СИЗ не должно быть более 300 мм. Закрепите груз с помощью расцепляющего устройства.
5.7.2.3 Дайте грузу упасть и измерьте максимальную силу. Измерьте расстояние Н по вертикали между точками прикрепления груза до и после падения, когда груз находится в покое.
Если в СИЗ входит индикатор падения, то убедитесь, что все действия с ним проводятся в соответствии с инструкцией изготовителя.
5.7.3 Оборудование для испытания статической нагрузкой
Оборудование должно соответствовать требованиям 4.1.
5.7.4 Метод испытания статической нагрузкой
5.7.4.1 Вытяните вытягивающийся строп полностью, обрежьте его на расстоянии 1 м от СИЗ от падения и сделайте концевое соединение. Допускается, чтобы изготовитель поставлял для испытания образцы, изготовленные с концевыми соединениями.
5.7.4.2 Приложите статическую нагрузку между верхним анкерным креплением СИЗ и концевым соединением вытягивающегося стропа. Поддерживайте нагрузку в течение 3 мин, разрывов не должно быть.
5.7.4.3 Если в устройстве предусмотрено более одной анкерной точки крепления, то каждая из них должна быть испытана так, как описано в 5.7.4.2.
5.8 Динамические испытания для систем с привязью, соединенной непосредственно со средством защиты от падения ползункового типа на гибкой анкерной линии
Цель этого испытания - удостовериться, что в тех случаях, когда СИЗ от падения ползункового типа непосредственно соединены с привязью, компоненты этой системы совместимы.
5.8.1 Оборудование для испытания динамических характеристик
Оборудование должно соответствовать требованиям 4.2, 4.4 и 4.6.
5.8.2 Метод испытания динамических характеристик
5.8.2.1 Наденьте привязь на манекен и прикрепите ее к СИЗ от падения с помощью прилагающихся соединительных элементов.
5.8.2.2 Закрепите верхнюю часть анкерной линии к жесткой анкерной точке крепления последовательно с датчиком для измерения силы, как показано на рисунке 10.
5.8.2.3 Подвесьте манекен за верхний элемент крепления и поднимите его до тех пор, пока СИЗ от падения не окажется выше, чем 300 мм от верхней точки анкерной линии. Манекен, кроме того, должен находиться на расстоянии не более 300 мм по горизонтали от анкерной линии. Закрепите манекен с помощью расцепляющего устройства.
1 - датчик устройства для измерения силы; 2 - СИЗ от падения; 3 - манекен
Рисунок 10 - Испытания динамических характеристик системы, состоящей из привязи, соединенной непосредственно с СИЗ от падения ползункового типа на гибком анкерном канате
1 - регулятор длины стропа; 2 - манекен
Рисунок 11 - Испытание динамической нагрузкой удерживающей системы, состоящей из удерживающей привязи и стропа
5.8.2.4 Дайте манекену упасть и измерьте максимальное значение силы. Измерьте расстояние Н по вертикали между элементами крепления манекена до и после падения.
Примечание - Испытания статической нагрузкой СИЗ от падения ползункового типа с гибкой анкерной линией (канатом) описаны в 5.5.4 и 5.5.6.
5.9 Удерживающая система
5.9.1 Оборудование для динамических испытаний
Оборудование должно соответствовать требованиям 4.2, 4.4 и 4.6.
5.9.2 Метод динамических испытаний удерживающей привязи
5.9.2.1 Наденьте привязь на манекен. Прикрепите строп только к одному несущему элементу крепления привязи. Отрегулируйте длину стропа между элементом крепления привязи и устройством регулирования длины так, чтобы она была (1,0 ± 0,05) м. Прикрепите второй конец стропа к жесткой анкерной точке так, как показано на рисунке 11.
5.9.2.2 Подвесьте манекен за верхний элемент крепления и поднимите его так, чтобы боковой элемент крепления привязи находился на высоте примерно 1,0 м над точкой крепления стропа (но при этом обеспечьте достаточное горизонтальное удаление манекена от анкерных устройств для того, чтобы избежать его удара при падении). Закрепите манекен с помощью расцепляющего устройства.
Если в рабочем состоянии анкерная точка и устройство быстрого расцепления находятся на одном уровне, то допускается с помощью устройства регулирования длины установить длину стропа (2,0 ± 0,05) м. Если общая длина стропа с соединительными элементами менее 2 м, то длина стропа должна быть доведена до (2,0 ± 0,05) м, как это описано в 5.3.4.1.1.
5.9.2.3 Дайте манекену, не имеющему начальной скорости, упасть ногами вниз. Он пролетит примерно 2,0 м по вертикали. Манекен не должен выпасть или оторваться.
5.9.3 Оборудование для испытания статической нагрузкой удерживающей привязи в качестве отдельного компонента
Оборудование должно соответствовать требованиям 4.1 и 4.3.
5.9.4 Метод испытания статической нагрузкой удерживающей привязи в качестве отдельного компонента
Укрепите удерживающую привязь на испытательном цилиндре и приложите к нему силу между испытательным цилиндром и одним из боковых элементов укрепления (рисунок 12).
Если другой боковой элемент крепления с противоположной стороны отличается по своей конструкции или удерживающая привязь включает иные элементы крепления, повторите данное испытание для каждого из этих элементов.
5.9.5 Метод испытания статической нагрузкой удерживающей системы, состоящей из удерживающей привязи и стропа
Удерживающую привязь, соединенную со стропом, укрепите на испытательном цилиндре. Регулятором длины стропа установите активную длину стропа не менее 300 мм, как показано на рисунке 13. Приложите указанную испытательную нагрузку между испытательным цилиндром и соединительным элементом на свободном конце стропа. Поддерживайте приложенную нагрузку в течение 3 мин. Испытательный цилиндр не должен выпасть или оторваться.
1 - боковой элемент крепления; 2 - пряжка (при испытании пряжка не должна касаться цилиндра)
Рисунок 12 - Испытание статической нагрузкой удерживающей привязи
1 - боковой элемент крепления; 2 - регулятор длины стропа; 3 - пряжка (при испытании пряжка не должна касаться цилиндра)
Рисунок 13 - Испытание статической нагрузкой удерживающей системы, состоящей из удерживающей привязи и стропа
5.9.6 Испытание статической нагрузкой стропа, предназначенного для удерживающей привязи
Отрегулируйте длину стропа так, чтобы регулятор длины находился на расстоянии не менее 300 мм от свободного конца стропа, как показано на рисунке 14. Приложите указанную испытательную нагрузку между концами стропа. Поддерживайте приложенную нагрузку в течение 3 мин. На стропе не должны появиться разрывы.
1 - регулятор длины стропа
Рисунок 14 - Испытание статической нагрузкой стропа для удерживающей привязи
5.10 Удерживающая привязь
5.10.1 Оборудование для испытания статической нагрузкой
Оборудование должно соответствовать требованиям 4.1 и 4.3.
5.10.2 Метод испытания статической нагрузкой
5.10.2.1 Укрепите удерживающую привязь на испытательном цилиндре в оборудование для испытания и приложите нагрузку между испытательным цилиндром и элементом крепления привязи, как показано на рисунке 12. Поддерживайте приложенную нагрузку в течение 3 мин. Испытательный цилиндр не должен выпасть из привязи.
5.10.2.2 Если в удерживающей привязи применяют элементы крепления разной конструкции или расположенные несимметрично, повторите испытания на каждом элементе крепления.
5.11 Выдержка СИЗ от падения при заданных условиях окружающей среды
При испытаниях при комнатной температуре выдержка СИЗ должна быть не менее 2 ч.
Средства защиты от падения типа рулетки следует выдерживать при повышенной температуре по 5.11.1, на холоде по 5.11.2 и при определенной влажности по 5.11.3 так, чтобы стропы были вытянуты полностью.
5.11.1 Выдержка в условиях повышенной температуры
5.11.1.1 Оборудование для выдержки в условиях повышенной температуры должно соответствовать требованиям 4.8.1.
5.11.1.2 Поместите СИЗ в предварительно нагретую камеру на 2 ч при температуре (50 ± 2) °С и при относительной влажности 85 %.
Выньте СИЗ и в течение 90 с проведите испытание по 5.11.6.
5.11.2 Выдержка на холоде
5.11.2.1 Оборудование для выдержки на холоде должно соответствовать требованиям 4.8.2.
5.11.2.2 Поместите СИЗ от падения в холодильную камеру на 2 ч при температуре (минус 30 ± 2) °С.
5.11.2.3 Выньте СИЗ и в течение 90 с проведите испытание по 5.11.6.
5.11.3 Выдержка при определенной влажности
5.11.3.1 Оборудование для выдержки при определенной влажности должно соответствовать требованиям 4.8.3.
5.11.3.2 Выдержите СИЗ от падения при комнатной температуре в течение 24 ч. Установите СИЗ от падения вертикально в емкость и опрыскивайте его водой при температуре от 10 до 30 °С в течение 3 ч со скоростью приблизительно 70 дм3/ч.
Выньте СИЗ и в течение 90 с проведите испытание по 5.11.6.
5.11.4 Выдержка при испытаниях пылью
5.11.4.1 Оборудование для выдержки при испытаниях пылью должно соответствовать требованиям 4.8.4.
5.11.4.2 Поместите СИЗ от падения вместе с его анкерной линией в рабочем состоянии в куб так, чтобы он находился на 150 мм выше основания куба. Пропустите шнур через панель куба так, чтобы механизмом можно было управлять.
5.11.4.3 Положите на пол куба 5 кг сухого цемента и с интервалами в 5 мин распыляйте его воздушной струей в течение 2 с. Спустя час, начиная одновременно с фазой распыления, проведите следующие действия:
5.11.4.3.1 Для СИЗ от падения ползункового типа с гибким анкерным канатом или жесткой анкерной линией поднимите устройство так высоко, насколько позволяет крышка куба, и опустите его в исходное положение. Сразу же повторите эту операцию десять раз.
5.11.4.3.2 Для устройства типа рулетки выдвиньте строп полностью с помощью барабана или других средств внутри куба, приводимых в действие внешними средствами (заводные устройства), затем верните строп в исходное положение.
5.11.4.4 Повторите эту последовательность операций с интервалами в час до тех пор, пока не будет закончено пять таких циклов.
5.11.4.5 После последнего цикла прекратите распыление пыли воздухом. Дайте осесть в течение 15 мин и выньте СИЗ с анкерной линией или СИЗ типа рулетки из испытательного куба.
Проведите испытание так, как это описано в 5.11.6.
5.11.5 Выдержка под воздействием масел (для устройств ползункового типа с гибким анкерным канатом).
5.11.5.1 Погрузите анкерную линию в машинное масло при температуре (20 ± 2) °С и выдержите в нем не менее 30 мин.
5.11.5.2 Выньте анкерную линию из масла. Масло должно стекать в течение 24 ч. Проведите испытание по 5.11.6.
5.11.6 Испытание на надежность закрепления после выдержки в различных условиях окружающей среды
5.11.6.1 Испытание СИЗ ползункового типа
Подвесьте СИЗ за его верхний конец в незамкнутом состоянии и заставьте его действовать при падении груза массой 5 кг. Проследите, что замыкающее устройство СИЗ срабатывает и может быть разомкнуто после испытания.
5.11.6.2 Испытания для СИЗ типа рулетки
Подвесьте СИЗ за его верхний конец в незамкнутом состоянии и заставьте его действовать с соответствующим грузом при скорости не более 2,5 м/с. Проследите, сработало ли замыкающее устройство и может ли оно быть разомкнуто после испытания.
Минимальная масса груза должна быть 5 кг, но она может быть увеличена последовательным добавлением грузов в 1 кг до той массы, с которой предназначено работать устройству.
5.12 Испытания для определения срока службы СИЗ от падения типа рулетки и устройств ползункового типа
5.12.1 Оборудование должно соответствовать требованиям 4.9.
5.12.2 Метод испытания для определения срока службы
5.12.2.1 Подвесьте СИЗ за его верхний конец.
5.12.2.2 Вытяните строп из СИЗ на расстояние 1 м и передвиньте его на расстояние 300 мм. После этого заставьте СИЗ замкнуться вследствие падения груза со скоростью не более 2,5 м/с.
Минимальная масса груза должна быть 5 кг, но она может быть увеличена последовательным добавлением грузов в 1 кг до массы, с которой СИЗ предназначены работать.
5.12.2.3 Повторите процедуру 1000 раз. Замыкающее устройство СИЗ должно срабатывать каждый раз.
5.12.2.4 При испытании функционирования втягивающего устройства СИЗ вытяните строп полностью 10 раз из положения, когда строп был полностью втянут. Скорость вытягивания и втягивания стропа не должна превышать ту, на которую рассчитаны работать СИЗ.
5.13 Испытание коррозионной устойчивости металлических компонентов
5.13.1 Оборудование должно соответствовать требованиям 4.7.
5.13.2 Образец должен быть подвергнут воздействию разбрызгиваемого нейтрального соляного раствора в течение 24 ч, высушен в течение часа.
5.13.3 Осмотрите образец. На металлических частях не должно быть следов коррозии, которые могли бы сказаться на функциональных свойствах СИЗ (допускается образование белой пленки, не ухудшающей функциональных свойств СИЗ).
Если необходимо осмотреть внутренние компоненты СИЗ, разберите и проведите осмотр.
(справочное)
Чтобы уменьшить количество требуемых образцов для проведения всей программы испытаний, рекомендуется следующая последовательность испытаний:
А.1 Испытание на коррозионную стойкость (в тех случаях, когда это необходимо).
А.2 Испытание для определения срока службы (при необходимости).
А.3 Испытания на надежность замыкания после выдержки в определенных условиях окружающей среды по 5.11 (при необходимости).
А.4 Испытание с предварительной статической нагрузкой по 5.3.2 только для амортизаторов.
А.5 Испытания динамических характеристик.
А.6 Испытания динамической нагрузкой (при необходимости).
А.7 Испытания статической нагрузкой (при необходимости). Если придерживаться указанной последовательности, то во многих случаях удается провести все необходимые испытания с двумя образцами (допускается замена анкерных канатов между испытаниями для СИЗ от падения ползункового типа). В крайних случаях может потребоваться не более четырех образцов.
Ключевые слова: средства индивидуальной защиты, техника безопасности, падение (несчастный случай), испытание, контроль