МЕЖГОСУДАРСТВЕННЫЙ СТАНДАРТ
|
Основные нормы взаимозаменяемости РЕЗЬБА ТРАПЕЦЕИДАЛЬНАЯ ОДНОЗАХОДНАЯ Допуски Basic norms of interchangeability. Trapezoidal single-start screw thread. Tolerances |
ГОСТ |
Дата введения 01.01.1982 г.
Настоящий стандарт распространяется на трапецеидальную однозаходную резьбу с профилем по ГОСТ 9484, диаметрами и шагами по ГОСТ 24738 и устанавливает систему допусков трапецеидальной резьбы.
Стандарт не распространяется на трапецеидальные резьбы, предназначенные для осуществления точных перемещений.
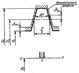
1.1. Обозначения, принятые в настоящем стандарте, приведены ниже:
d - наружный диаметр наружной резьбы (винта);
d2 - средний диаметр наружной резьбы;
d3 - внутренний диаметр наружной резьбы;
D1 - внутренний диаметр внутренней резьбы (гайки);
D2 - средний диаметр внутренней резьбы;
D4 - наружный диаметр внутренней резьбы;
Р - шаг резьбы.
N - длины свинчивания группы нормальные;
L - длины свинчивания группы длинные;
-
допуски диаметров d, d2, d3, D1;
D2;
es - верхнее отклонение диаметров наружной резьбы;
ES - верхнее отклонение диаметров внутренней резьбы;
ei - нижнее отклонение диаметров наружной резьбы;
EI - нижнее отклонение диаметров внутренней резьбы.
1.2. Система допусков резьбы предусматривает:
- допуски диаметров резьбы;
- положения полей допусков диаметров резьбы;
- классификацию длин свинчивания;
- поля допусков резьбы и их выбор с учетом длин свинчивания.
1.3. Схемы полей допусков наружной и внутренней резьбы приведены на чертеже.
Отклонения отсчитываются от номинального профиля резьбы в направлении, перпендикулярном оси резьбы.
1.4. Допуски диаметров резьбы устанавливаются по степеням точности, обозначаемыми цифрами. Степени точности диаметров резьбы приведены в табл. 1.
Допуски среднего диаметра резьбы являются суммарными.
Допуски диаметра D4 не устанавливаются.
Положения полей допусков наружной резьбы

Положения полей допусков внутренней резьбы

|
Вид резьбы |
Диаметр резьбы |
Степень точности |
Вид резьбы |
Диаметр резьбы |
Степень точности |
|
Наружная резьба |
d |
4; 6 |
Внутренняя резьба |
D2 |
6; 7; 8; 9 |
|
d2 |
6; 7; 8; 9 |
D1 |
4 |
||
|
d3 |
Примечания:
1. Степень точности 6 диаметра d допускается применять для резьбы, изготовляемой накатыванием.
2. Степень точности диаметра d3 должна соответствовать степени точности диаметра d2.
1.5. Положения полей допусков диаметра резьбы определяются основным отклонением (верхним es для наружной резьбы и нижним EI - для внутренней) и обозначаются буквами латинского алфавита (строчной для наружной резьбы и прописной - для внутренней).
Положения полей допусков приведены на чертеже и в табл. 2.
|
Вид резьбы |
Диаметр резьбы |
Основное отклонение |
Вид резьбы |
Диаметр резьбы |
Основное отклонение |
|
Наружная резьба |
d |
h |
Внутренняя резьба |
D4 |
H |
|
d2 |
c; e; g; h |
D2 |
|||
|
d3 |
h |
D1 |
1.6. Длины свинчивания подразделяются на две группы: нормальные N и длинные L.
1.7. Поле допуска диаметра резьбы образуется сочетанием допуска и основного отклонения.
Поле допуска наружной резьбы образуется сочетанием полей допусков наружного, среднего и внутреннего диаметров.
Поле допуска внутренней резьбы образуется сочетанием полей допусков среднего и внутреннего диаметров.
1.8. Расчетные формулы и правила округления числовых значений допусков, основных отклонений и длин свинчивания приведены в обязательном приложении 1.
2.1. Обозначение поля допуска трапецеидальной резьбы состоит из обозначения поля допуска среднего диаметра, т.е. цифры, обозначающей степень точности, и буквы, обозначающей основное отклонение.
Например:
7е, 7Н.
В тех случаях, когда для диаметра d назначают поле допуска 6h, то его дополнительно указывают в обозначении поля допуска резьбы.
Например:

2.2. В условном обозначении резьбы обозначение поля допуска должно следовать за обозначением размера резьбы.
Например:
Тr 32´6-7е;
Тr 32´6-7Н;
Тr 32´6 LH-7e.
2.3. Длина свинчивания N в условном обозначении резьбы не указывается.
Длина свинчивания L при необходимости указывается в миллиметрах за обозначением поля допуска резьбы.
Например:

2.4. Посадка в резьбовом соединении обозначается дробью, в числителе которой указывают обозначение поля допуска внутренней резьбы, а в знаменателе - обозначение поля допуска наружной резьбы.
Например:
Tr 32´6-7H/7e;
Тr 32´6 LH-7H/7e.
Числовые значения допусков диаметров наружной и внутренней резьбы должны соответствовать указанным в табл. 3 - 5.
Таблица 3
Допуски диаметров d и D1
|
Шаг Р, мм |
Наружная резьба |
Внутренняя резьба |
Шаг Р, мм |
Наружная резьба |
Внутренняя резьба |
||
|
Степень точности |
Степень точности |
||||||
|
4 |
6 |
4 |
4 |
6 |
4 |
||
|
Допуск, мкм |
Допуск, мкм |
||||||
|
Td |
|
Td |
|
||||
|
1,5 |
150 |
236 |
190 |
16 |
710 |
- |
1000 |
|
2 |
180 |
280 |
236 |
18 |
800 |
1120 |
|
|
3 |
236 |
375 |
315 |
20 |
850 |
1180 |
|
|
4 |
300 |
475 |
375 |
22 |
900 |
1250 |
|
|
5 |
335 |
530 |
450 |
24 |
950 |
1320 |
|
|
6 |
375 |
600 |
500 |
28 |
1060 |
1500 |
|
|
7 |
425 |
670 |
560 |
32 |
1120 |
1600 |
|
|
8 |
450 |
710 |
630 |
36 |
1250 |
1800 |
|
|
9 |
500 |
800 |
670 |
40 |
1320 |
1900 |
|
|
10 |
530 |
850 |
710 |
44 |
1400 |
2000 |
|
|
12 |
600 |
950 |
800 |
48 |
1500 |
2120 |
|
|
14 |
670 |
- |
900 |
||||
Допуски диаметров d2 и D2
|
Номинальный диаметр резьбы d, мм |
Шаг P, мм |
Наружная резьба |
Внутренняя резьба |
||||||
|
Степень точности |
|||||||||
|
6 |
7 |
8 |
9 |
6 |
7 |
8 |
9 |
||
|
Допуск, мкм |
|||||||||
|
|
|
||||||||
|
Св. 5,6 до 11,2 |
1,5 |
132 |
170 |
212 |
265 |
180 |
224 |
280 |
355 |
|
2 |
150 |
190 |
236 |
300 |
200 |
250 |
315 |
400 |
|
|
3 |
170 |
212 |
265 |
335 |
224 |
280 |
355 |
450 |
|
|
Св. 11,2 до 22,4 |
2 |
160 |
200 |
250 |
315 |
212 |
265 |
335 |
425 |
|
3 |
180 |
224 |
280 |
355 |
236 |
300 |
375 |
475 |
|
|
4 |
212 |
265 |
335 |
425 |
280 |
355 |
450 |
560 |
|
|
5 |
224 |
280 |
355 |
450 |
300 |
375 |
475 |
600 |
|
|
8 |
280 |
355 |
450 |
560 |
375 |
475 |
600 |
750 |
|
|
Св. 22,4 до 45 |
2 |
170 |
212 |
265 |
335 |
224 |
280 |
355 |
450 |
|
3 |
200 |
250 |
315 |
400 |
265 |
335 |
425 |
530 |
|
|
5 |
236 |
300 |
375 |
475 |
315 |
400 |
500 |
630 |
|
|
6 |
265 |
335 |
425 |
530 |
355 |
450 |
560 |
710 |
|
|
7 |
280 |
355 |
450 |
560 |
375 |
475 |
600 |
750 |
|
|
8 |
300 |
375 |
475 |
600 |
400 |
500 |
630 |
800 |
|
|
10 |
315 |
400 |
500 |
630 |
425 |
530 |
670 |
850 |
|
|
12 |
335 |
425 |
530 |
670 |
450 |
560 |
710 |
900 |
|
|
Св. 45 до 90 |
3 |
212 |
265 |
335 |
425 |
280 |
355 |
450 |
560 |
|
4 |
236 |
300 |
375 |
475 |
315 |
400 |
500 |
630 |
|
|
5 |
250 |
315 |
400 |
500 |
335 |
425 |
530 |
670 |
|
|
8 |
315 |
400 |
500 |
630 |
425 |
530 |
670 |
850 |
|
|
9 |
335 |
425 |
530 |
670 |
450 |
560 |
710 |
900 |
|
|
10 |
335 |
425 |
530 |
670 |
450 |
560 |
710 |
900 |
|
|
12 |
375 |
475 |
600 |
750 |
500 |
630 |
800 |
1000 |
|
|
14 |
400 |
500 |
630 |
800 |
530 |
670 |
850 |
1060 |
|
|
16 |
425 |
530 |
670 |
850 |
560 |
710 |
900 |
1120 |
|
|
18 |
450 |
560 |
710 |
900 |
600 |
750 |
950 |
1180 |
|
|
20 |
450 |
560 |
710 |
900 |
600 |
750 |
950 |
1180 |
|
|
Св. 90 до 180 |
4 |
250 |
315 |
400 |
500 |
335 |
425 |
530 |
670 |
|
5 |
280 |
355 |
450 |
560 |
375 |
475 |
600 |
750 |
|
|
6 |
300 |
375 |
475 |
600 |
400 |
500 |
630 |
800 |
|
|
8 |
335 |
425 |
530 |
670 |
450 |
560 |
710 |
900 |
|
|
12 |
400 |
500 |
630 |
800 |
530 |
670 |
850 |
1060 |
|
|
14 |
425 |
530 |
670 |
850 |
560 |
710 |
900 |
1120 |
|
|
16 |
450 |
560 |
710 |
900 |
600 |
750 |
950 |
1180 |
|
|
18 |
475 |
600 |
750 |
950 |
630 |
800 |
1000 |
1250 |
|
|
Св. 90 до 180 |
20 |
475 |
600 |
750 |
950 |
630 |
800 |
1000 |
1250 |
|
22 |
500 |
630 |
800 |
1000 |
670 |
850 |
1060 |
1320 |
|
|
24 |
530 |
670 |
850 |
1060 |
710 |
900 |
1120 |
1400 |
|
|
28 |
560 |
710 |
900 |
1120 |
750 |
950 |
1180 |
1500 |
|
|
32 |
600 |
750 |
950 |
1180 |
800 |
1000 |
1250 |
1600 |
|
|
Св. 180 до 355 |
8 |
355 |
450 |
560 |
710 |
475 |
600 |
750 |
950 |
|
10 |
400 |
500 |
630 |
800 |
530 |
670 |
850 |
1060 |
|
|
12 |
425 |
530 |
670 |
850 |
560 |
710 |
900 |
1120 |
|
|
18 |
500 |
630 |
800 |
1000 |
670 |
850 |
1060 |
1320 |
|
|
20 |
530 |
670 |
850 |
1060 |
710 |
900 |
1120 |
1400 |
|
|
22 |
530 |
670 |
850 |
1060 |
710 |
900 |
1120 |
1400 |
|
|
24 |
560 |
710 |
900 |
1120 |
750 |
950 |
1180 |
1500 |
|
|
32 |
530 |
800 |
1000 |
1250 |
850 |
1060 |
1320 |
1700 |
|
|
36 |
670 |
850 |
1060 |
1320 |
900 |
1120 |
1400 |
1800 |
|
|
40 |
670 |
850 |
1060 |
1320 |
900 |
1120 |
1400 |
1800 |
|
|
44 |
710 |
900 |
1120 |
1400 |
950 |
1180 |
1500 |
1900 |
|
|
48 |
750 |
950 |
1180 |
1500 |
1000 |
1250 |
1600 |
2000 |
|
|
Св. 355 до 640 |
12 |
450 |
560 |
710 |
900 |
600 |
750 |
950 |
1180 |
|
16 |
500 |
630 |
800 |
1000 |
670 |
850 |
1060 |
1320 |
|
|
20 |
560 |
710 |
900 |
1120 |
750 |
950 |
1180 |
1500 |
|
|
24 |
600 |
750 |
950 |
1180 |
850 |
1060 |
1320 |
1700 |
|
|
48 |
800 |
1000 |
1250 |
1600 |
1060 |
1320 |
1700 |
2120 |
|
Таблица 5
Допуски диаметра d3
|
Номинальный диаметр резьбы d, мм |
Шаг Р, мм |
Основное отклонение диаметра d2 |
||||||
|
с |
е |
g |
||||||
|
Степень точности |
||||||||
|
8 |
9 |
6 |
7 |
8 |
6 |
7 |
||
|
Допуск |
||||||||
|
Св. 5,6 до 11,2 |
1,5 |
405 |
471 |
232 |
279 |
332 |
197 |
245 |
|
2 |
445 |
525 |
259 |
309 |
366 |
226 |
276 |
|
|
3 |
501 |
589 |
298 |
350 |
416 |
261 |
313 |
|
|
Св. 11,2 до 22,4 |
2 |
462 |
544 |
271 |
321 |
383 |
238 |
288 |
|
3 |
520 |
614 |
310 |
365 |
435 |
273 |
328 |
|
|
4 |
609 |
721 |
360 |
426 |
514 |
325 |
391 |
|
|
5 |
656 |
775 |
386 |
456 |
550 |
351 |
421 |
|
|
8 |
828 |
965 |
482 |
576 |
695 |
435 |
529 |
|
|
Св. 22,4 до 45 |
2 |
481 |
569 |
284 |
336 |
402 |
251 |
303 |
|
3 |
564 |
670 |
335 |
397 |
479 |
298 |
361 |
|
|
5 |
681 |
806 |
401 |
481 |
575 |
366 |
446 |
|
|
6 |
767 |
899 |
449 |
537 |
649 |
411 |
499 |
|
|
7 |
813 |
950 |
475 |
569 |
688 |
433 |
527 |
|
|
8 |
859 |
1015 |
507 |
601 |
726 |
460 |
554 |
|
|
10 |
925 |
1087 |
544 |
650 |
775 |
490 |
596 |
|
|
12 |
998 |
1173 |
589 |
701 |
833 |
534 |
646 |
|
|
Св. 45 до 90 |
3 |
589 |
701 |
350 |
116 |
504 |
313 |
379 |
|
4 |
659 |
784 |
390 |
470 |
564 |
355 |
435 |
|
|
5 |
712 |
837 |
419 |
500 |
606 |
384 |
465 |
|
|
8 |
890 |
1052 |
526 |
632 |
757 |
479 |
585 |
|
|
9 |
943 |
1118 |
559 |
671 |
803 |
509 |
621 |
|
|
10 |
963 |
1138 |
569 |
681 |
813 |
515 |
627 |
|
|
12 |
1085 |
1273 |
639 |
764 |
920 |
584 |
709 |
|
|
14 |
1142 |
1355 |
680 |
805 |
967 |
620 |
745 |
|
|
16 |
1213 |
1438 |
721 |
853 |
1028 |
661 |
793 |
|
|
18 |
1288 |
1525 |
763 |
900 |
1088 |
703 |
840 |
|
|
20 |
1313 |
1550 |
775 |
912 |
1100 |
708 |
845 |
|
|
Св. 90 до 180 |
4 |
690 |
815 |
408 |
489 |
595 |
373 |
454 |
|
5 |
775 |
912 |
456 |
550 |
669 |
421 |
515 |
|
|
6 |
830 |
986 |
493 |
587 |
712 |
455 |
549 |
|
|
8 |
928 |
1103 |
551 |
663 |
795 |
504 |
616 |
|
|
12 |
1122 |
1335 |
670 |
795 |
958 |
615 |
740 |
|
|
14 |
1193 |
1418 |
711 |
843 |
1018 |
651 |
783 |
|
|
Св. 90 до 180 |
16 |
1263 |
1500 |
753 |
890 |
1078 |
693 |
830 |
|
18 |
1338 |
1588 |
794 |
950 |
1138 |
734 |
890 |
|
|
20 |
1363 |
1613 |
806 |
962 |
1150 |
739 |
895 |
|
|
22 |
1450 |
1700 |
849 |
1011 |
1224 |
780 |
943 |
|
|
24 |
1538 |
1800 |
899 |
1074 |
1299 |
828 |
1003 |
|
|
28 |
1625 |
1900 |
950 |
1138 |
1375 |
880 |
1068 |
|
|
32 |
1718 |
2005 |
1015 |
1203 |
1453 |
945 |
1133 |
|
|
Св. 180 до 355 |
8 |
965 |
1153 |
576 |
695 |
832 |
529 |
648 |
|
10 |
1088 |
1300 |
650 |
775 |
938 |
596 |
721 |
|
|
12 |
1173 |
1398 |
701 |
833 |
1008 |
646 |
778 |
|
|
18 |
1400 |
1650 |
825 |
987 |
1200 |
765 |
928 |
|
|
20 |
1488 |
1750 |
875 |
1050 |
1275 |
808 |
983 |
|
|
22 |
1513 |
1775 |
887 |
1062 |
1287 |
818 |
993 |
|
|
24 |
1600 |
1875 |
936 |
1124 |
1361 |
865 |
1053 |
|
|
32 |
1780 |
2092 |
1053 |
1265 |
1515 |
983 |
1195 |
|
|
36 |
1885 |
2210 |
1118 |
1343 |
1605 |
1048 |
1273 |
|
|
40 |
1925 |
2250 |
1138 |
1363 |
1625 |
1063 |
1288 |
|
|
44 |
2030 |
2380 |
1203 |
1440 |
1715 |
1128 |
1365 |
|
|
48 |
2145 |
2545 |
1273 |
1523 |
1810 |
1188 |
1438 |
|
|
Св. 355 до 640 |
12 |
1223 |
1460 |
733 |
870 |
1058 |
678 |
815 |
|
16 |
1375 |
1625 |
815 |
978 |
1190 |
755 |
918 |
|
|
20 |
1550 |
1825 |
912 |
1100 |
1337 |
845 |
1033 |
|
|
24 |
1663 |
1950 |
986 |
1174 |
1424 |
915 |
1103 |
|
|
48 |
2233 |
2670 |
1335 |
1585 |
1898 |
1250 |
1500 |
|
4.1. Числовые значения основных отклонений диаметров наружной и внутренней резьбы должны соответствовать указанным в табл. 6.
Таблица 6
|
Шаг Р, мм |
Наружная резьба |
Внутренняя резьба |
||||
|
Диаметр резьбы |
||||||
|
d2 |
d, d3 |
D4, D2, D1 |
||||
|
Основное отклонение, мкм |
||||||
|
es |
EI |
|||||
|
с |
е |
g |
h |
h |
H |
|
|
1,5 |
-140 |
-67 |
-32 |
0 |
0 |
0 |
|
2 |
-150 |
-71 |
-38 |
|||
|
3 |
-170 |
-85 |
-48 |
|||
|
4 |
-190 |
-95 |
-60 |
0 |
0 |
0 |
|
5 |
-212 |
-106 |
-71 |
|||
|
6 |
-236 |
-118 |
-80 |
|||
|
7 |
-250 |
-125 |
-83 |
0 |
0 |
0 |
|
8 |
-265 |
-132 |
-85 |
|||
|
9 |
-280 |
-140 |
-90 |
|||
|
10 |
-300 |
-150 |
-96 |
0 |
0 |
0 |
|
12 |
-335 |
-170 |
-115 |
|||
|
14 |
-355 |
-180 |
-120 |
|||
|
16 |
-375 |
-190 |
-130 |
0 |
0 |
0 |
|
18 |
-400 |
-200 |
-140 |
|||
|
20 |
-425 |
-212 |
-145 |
|||
|
22 |
-450 |
-224 |
-155 |
0 |
0 |
0 |
|
24 |
-475 |
-236 |
-165 |
|||
|
28 |
-500 |
-250 |
-180 |
|||
|
32 |
-530 |
-265 |
-195 |
0 |
0 |
0 |
|
36 |
-560 |
-280 |
-210 |
|||
|
40 |
-600 |
-300 |
-225 |
|||
|
44 |
-630 |
-315 |
-240 |
0 |
0 |
0 |
|
48 |
-670 |
-335 |
-250 |
|||
5.1. Длины свинчивания, относящиеся к группам N и L, должны соответствовать указанным в табл. 7.
Таблица 7
|
Номинальный диаметр резьбы d |
Шаг Р |
Длина свинчивания |
|
|
N |
L |
||
|
Св. 5,6 до 11,2 |
1,5 |
Св. 5 до 15 |
Св. 15 |
|
2 |
» 6 » 19 |
» 19 |
|
|
3 |
» 10 » 28 |
» 28 |
|
|
Св. 11,2 до 22,4 |
2 |
Св. 8 до 24 |
Св. 24 |
|
3 |
» 11 » 32 |
» 32 |
|
|
4 |
» 15 » 43 |
» 43 |
|
|
5 |
» 18 » 53 |
» 53 |
|
|
8 |
» 30 » 85 |
» 85 |
|
|
Св. 22,4 до 45 |
2 |
Св. 8 до 25 |
Св. 25 |
|
3 |
» 12 » 36 |
» 36 |
|
|
5 |
» 21 » 63 |
» 63 |
|
|
6 |
» 25 » 75 |
» 75 |
|
|
7 |
» 30 » 85 |
» 85 |
|
|
8 |
» 34 » 100 |
» 100 |
|
|
10 |
» 42 » 125 |
» 125 |
|
|
12 |
» 50 » 150 |
» 150 |
|
|
Св. 45 до 90 |
3 |
Св. 15 до 45 |
Св. 45 |
|
4 |
» 19 » 56 |
» 56 |
|
|
5 |
» 24 » 71 |
» 71 |
|
|
8 |
» 38 » 118 |
» 118 |
|
|
9 |
» 43 » 132 |
» 132 |
|
|
10 |
» 50 » 140 |
» 140 |
|
|
12 |
» 60 » 170 |
» 170 |
|
|
14 |
» 67 » 200 |
» 200 |
|
|
16 |
» 75 » 236 |
» 236 |
|
|
18 |
» 85 » 265 |
» 265 |
|
|
20 |
» 95 » 280 |
» 280 |
|
|
Св. 90 до 180 |
4 |
Св. 24 до 71 |
Св. 71 |
|
5 |
» 28 » 85 |
» 85 |
|
|
6 |
» 36 » 106 |
» 106 |
|
|
8 |
» 45 » 132 |
» 132 |
|
|
12 |
» 67 » 200 |
» 200 |
|
|
14 |
» 75 » 236 |
» 236 |
|
|
16 |
» 90 » 265 |
» 265 |
|
|
18 |
» 100 » 300 |
» 300 |
|
|
20 |
» 112 » 335 |
» 335 |
|
|
22 |
» 118 » 355 |
» 355 |
|
|
24 |
» 132 » 400 |
» 400 |
|
|
28 |
» 150 » 450 |
» 450 |
|
|
32 |
» 175 » 530 |
» 530 |
|
|
Св. 180 до 355 |
8 |
Св. 50 до 150 |
Св. 150 |
|
10 |
» 63 » 190 |
» 190 |
|
|
12 |
» 75 » 224 |
» 224 |
|
|
18 |
» 112 » 335 |
» 335 |
|
|
20 |
» 125 » 375 |
» 375 |
|
|
22 |
» 140 » 425 |
» 425 |
|
|
24 |
» 150 » 450 |
» 450 |
|
|
32 |
» 200 » 600 |
» 600 |
|
|
36 |
» 224 » 670 |
» 670 |
|
|
40 |
» 250 » 750 |
» 750 |
|
|
44 |
» 280 » 850 |
» 850 |
|
|
48 |
» 300 » 900 |
» 900 |
|
|
Св. 355 до 640 |
12 |
Св. 85 до 265 |
Св. 265 |
|
16 |
» 118 » 355 |
» 355 |
|
|
20 |
» 150 » 450 |
» 450 |
|
|
24 |
» 174 » 520 |
» 520 |
|
|
48 |
» 355 » 1060 |
» 1060 |
|
5.2. Допуск резьбы, если нет особых указаний, относится к наибольшей нормальной длине свинчивания, указанной в табл. 7, или ко всей длине резьбы, если она меньше наибольшей нормальной длины свинчивания.
6.1. Поля допусков наружной и внутренней резьбы, установленные в классах точности (точный, средний и грубый), должны соответствовать указанным в табл. 8.
Таблица 8
|
Класс точности |
Наружная резьба |
Внутренняя резьба |
||
|
Длина свинчивания |
||||
|
N |
L |
N |
L |
|
|
Поле допуска |
||||
|
Точный |
6е; 6g |
7е |
6Н |
7Н |
|
Средний |
7е; 7g |
8е |
7Н |
8Н |
|
Грубый |
8с; 8е |
9с |
8Н |
9Н |
Примечание. При повышенных требованиях к точности для длин свинчивания L допускается применять поля допусков, установленные для длин свинчивания N.
6.2. Поля допусков наружной и внутренней резьбы, указанные в табл. 8, являются ограничительным отбором из всей совокупности полей допусков, которые могут быть получены различным сочетанием степеней точности по табл. 1 и основных отклонений по табл. 2.
Поля допусков, не предусмотренные табл. 8, являются специальными. Их применение допускается в технически и экономически обоснованных случаях, если поля допусков по табл. 8 не могут обеспечить требования, предъявляемые к изделию.
6.3. Предельные отклонения наружной и внутренней резьбы, соответствующие полям допусков, установленным в табл. 8, приведены в обязательном приложении 2.
6.4. В посадках допускаются любые сочетания полей допусков наружной и внутренней резьбы, установленные настоящим стандартом. Предпочтительней сочетать поля допусков одного класса точности.
6.5. Рекомендуемые замены допусков резьб по ГОСТ 9562 приведены в рекомендуемом приложении 3.
1. Числовые значения допусков диаметров наружной и внутренней резьбы 6-й степени точности рассчитаны по формулам:
(1)
(2)
(3)
(4)
где d - среднее геометрическое крайних значений интервалов номинальных диаметров по табл. 4, за исключением интервала 355 - 640 мм, для которого d является средним геометрическим значений 355 и 710 мм; d, мм; Р, мм; Т, мкм.
2. Числовые значения допусков остальных степеней точности определены умножением допуска 6-й степени точности на коэффициенты, приведенные в таблице.
|
Степень точности |
4 |
6 |
7 |
8 |
9 |
|
Коэффициент |
0,63 |
1 |
1,25 |
1,6 |
2 |
3. Числовые значения допусков диаметра d3 рассчитаны по формулам:
(5)
(6)
(7)
(8)
где Т и es в мкм.
4. Числовые значения основных отклонений диаметров наружной и внутренней резьбы рассчитаны по формулам:
- для наружной резьбы
(9)
(10)
(11)
(12)
(13)
(14)
(15)
где es, мкм; Р, мм;
* Значения для промежуточных шагов установлены эмпирически с использованием в большинстве случаев чисел по ряду R40.
- для внутренней резьбы
(16)
5. Числовые значения длин свинчивания рассчитаны по формулам:
(17)
(18)
где d - наименьшее крайнее значение интервала номинальных диаметров, мм; lN, мм.
6. Числовые значения допусков и основных отклонений, рассчитанные по формулам (1)-(4) и (9)-(14), округлены до ближайших предпочтительных чисел по ряду R40.
В целях достижения равномерной градации числовые значения допусков, приведенные в стандарте, в некоторых случаях отличаются от числовых значений допусков, рассчитанных по формулам.
Числовые значения допусков и основных отклонений для
, рассчитанные по формулам (5)-(8), округлены в большую
сторону до следующего целого числа.
7. Числовые значения длин свинчивания, рассчитанные по формулам (17) и (18), округлены до целых миллиметров.
1. Предельные отклонения диаметров наружной резьбы должны соответствовать указанным в табл. 1, предельные отклонения диаметров внутренней резьбы - указанным в табл. 2.
Таблица 1
|
Номинальный диаметр резьбы d, мм |
Шаг Р, мм |
Поле допуска наружной резьбы |
|||||||||||
|
6е |
6g |
||||||||||||
|
Диаметр резьбы |
|||||||||||||
|
d |
d2 |
d3 |
d |
d2 |
d3 |
||||||||
|
Предельные отклонения, мкм |
|||||||||||||
|
es |
ei |
es |
ei |
es |
ei |
es |
ei |
es |
ei |
es |
ei |
||
|
Св. 5,6 до 11,2 |
1,5 |
0 |
-150 |
-67 |
-199 |
0 |
-232 |
0 |
-150 |
-32 |
-164 |
0 |
-197 |
|
2 |
-180 |
-71 |
-221 |
-259 |
-180 |
-38 |
-188 |
-226 |
|||||
|
3 |
-236 |
-85 |
-255 |
-298 |
-236 |
-48 |
-218 |
-261 |
|||||
|
Св. 11,2 до 22,4 |
2 |
0 |
-180 |
-71 |
-231 |
0 |
-271 |
0 |
-180 |
-38 |
-198 |
0 |
-238 |
|
3 |
-236 |
-85 |
-265 |
-310 |
-236 |
-48 |
-228 |
-273 |
|||||
|
4 |
-300 |
-95 |
-307 |
-360 |
-300 |
-60 |
-272 |
-325 |
|||||
|
5 |
0 |
-335 |
-106 |
-330 |
0 |
-386 |
0 |
-335 |
-71 |
-295 |
0 |
-351 |
|
|
8 |
-450 |
-132 |
-412 |
-482 |
-450 |
-85 |
-365 |
-435 |
|||||
|
Св. 22,4 до 45 |
2 |
0 |
-180 |
-71 |
-241 |
0 |
-284 |
0 |
-180 |
-38 |
-208 |
0 |
-251 |
|
3 |
-236 |
-85 |
-285 |
-335 |
-236 |
-48 |
-248 |
-298 |
|||||
|
5 |
-335 |
-106 |
-342 |
-401 |
-335 |
-71 |
-307 |
-366 |
|||||
|
6 |
0 |
-375 |
-118 |
-383 |
0 |
-449 |
0 |
-375 |
-80 |
-345 |
0 |
-411 |
|
|
7 |
-425 |
-125 |
-405 |
-475 |
-425 |
-83 |
-363 |
-433 |
|||||
|
8 |
-450 |
-132 |
-432 |
-507 |
-450 |
-85 |
-385 |
-460 |
|||||
|
10 |
0 |
-530 |
-150 |
-465 |
0 |
-544 |
0 |
-530 |
-96 |
-411 |
0 |
-490 |
|
|
12 |
-600 |
-170 |
-505 |
-589 |
-600 |
-115 |
-450 |
-534 |
|||||
|
Св. 45 до 90 |
3 |
0 |
-236 |
-85 |
-297 |
0 |
-350 |
0 |
-236 |
-48 |
-260 |
0 |
-313 |
|
4 |
-300 |
-95 |
-331 |
-390 |
-300 |
-60 |
-296 |
-355 |
|||||
|
5 |
-335 |
-106 |
-356 |
-419 |
-335 |
-71 |
-321 |
-384 |
|||||
|
8 |
0 |
-450 |
-132 |
-447 |
0 |
-526 |
0 |
-450 |
-85 |
-400 |
0 |
-479 |
|
|
9 |
-500 |
-140 |
-475 |
-559 |
-500 |
-90 |
-425 |
-509 |
|||||
|
10 |
-530 |
-150 |
-485 |
-569 |
-530 |
-96 |
-431 |
-515 |
|||||
|
12 |
0 |
-600 |
-170 |
-545 |
0 |
-639 |
0 |
-600 |
-115 |
-490 |
0 |
-584 |
|
|
14 |
-670 |
-180 |
-580 |
-680 |
-670 |
-120 |
-520 |
-620 |
|||||
|
16 |
|
-710 |
-190 |
-615 |
-721 |
-710 |
-130 |
-555 |
-661 |
||||
|
18 |
0 |
-800 |
-200 |
-650 |
0 |
-763 |
0 |
-800 |
-140 |
-590 |
0 |
-703 |
|
|
20 |
-850 |
-212 |
-662 |
-775 |
-850 |
-145 |
-595 |
-708 |
|||||
|
Св. 90 до 180 |
4 |
0 |
-300 |
-95 |
-345 |
0 |
-408 |
0 |
-300 |
-60 |
-310 |
0 |
-373 |
|
5 |
-335 |
-106 |
-386 |
-456 |
-335 |
-71 |
-351 |
-421 |
|||||
|
6 |
-375 |
-118 |
-418 |
-493 |
-375 |
-80 |
-380 |
-455 |
|||||
|
8 |
0 |
-450 |
-132 |
-467 |
0 |
-551 |
0 |
-450 |
-85 |
-420 |
0 |
-504 |
|
|
12 |
-600 |
-170 |
-570 |
-670 |
-600 |
-115 |
-515 |
-615 |
|||||
|
14 |
-670 |
-180 |
-605 |
-711 |
-670 |
-120 |
-545 |
-651 |
|||||
|
16 |
0 |
-710 |
-190 |
-640 |
0 |
-753 |
0 |
-710 |
-130 |
-580 |
0 |
-693 |
|
|
18 |
-800 |
-200 |
-675 |
-794 |
-800 |
-140 |
-615 |
-734 |
|||||
|
20 |
-850 |
-212 |
-687 |
-806 |
-850 |
-145 |
-620 |
-739 |
|||||
|
22 |
0 |
-900 |
-224 |
-724 |
0 |
-849 |
0 |
-900 |
-155 |
-655 |
0 |
-780 |
|
|
24 |
-950 |
-236 |
-766 |
-899 |
-950 |
-165 |
-695 |
-828 |
|||||
|
28 |
-1060 |
-250 |
-810 |
-950 |
-1060 |
-180 |
-740 |
-880 |
|||||
|
32 |
-1120 |
-265 |
-865 |
-1015 |
-1120 |
-195 |
-795 |
-945 |
|||||
|
Св. 180 до 355 |
8 |
0 |
-450 |
-132 |
-487 |
0 |
-576 |
0 |
-450 |
-85 |
-440 |
0 |
-529 |
|
10 |
-530 |
-150 |
-550 |
-650 |
-530 |
-96 |
-496 |
-596 |
|||||
|
12 |
-600 |
-170 |
-595 |
-701 |
-600 |
-115 |
-540 |
-646 |
|||||
|
18 |
0 |
-800 |
-200 |
-700 |
0 |
-825 |
0 |
-800 |
-140 |
-640 |
0 |
-765 |
|
|
20 |
-850 |
-212 |
-742 |
-875 |
-850 |
-145 |
-675 |
-808 |
|||||
|
22 |
-900 |
-224 |
-754 |
-887 |
-900 |
-155 |
-685 |
-818 |
|||||
|
24 |
0 |
-950 |
-236 |
-796 |
0 |
-936 |
0 |
-950 |
-165 |
-725 |
0 |
-865 |
|
|
32 |
-1120 |
-265 |
-895 |
-1053 |
-1120 |
-195 |
-825 |
-983 |
|||||
|
36 |
-1250 |
-280 |
-950 |
-1118 |
-1250 |
-210 |
-880 |
-1048 |
|||||
|
40 |
0 |
-1320 |
-300 |
-970 |
0 |
-1138 |
0 |
-1320 |
-225 |
-895 |
0 |
-1063 |
|
|
44 |
-1400 |
-315 |
-1025 |
-1203 |
-1400 |
-240 |
-950 |
-1128 |
|||||
|
48 |
-1500 |
-335 |
-1085 |
-1273 |
-1500 |
-250 |
-1000 |
-1188 |
|||||
|
Св. 355 до 640 |
12 |
0 |
-600 |
-170 |
-620 |
0 |
-733 |
0 |
-600 |
-115 |
-565 |
0 |
-678 |
|
16 |
-710 |
-190 |
-690 |
-815 |
-710 |
-130 |
-630 |
-755 |
|||||
|
20 |
-850 |
-212 |
-772 |
-912 |
-850 |
-145 |
-705 |
-845 |
|||||
|
24 |
0 |
-950 |
-236 |
-836 |
0 |
-986 |
0 |
-950 |
-165 |
-765 |
0 |
-915 |
|
|
48 |
-1500 |
-335 |
-1135 |
-1335 |
-1500 |
-250 |
-1050 |
-1250 |
|||||
Продолжение табл. 1
|
Номинальный диаметр резьбы d, мм |
Шаг Р, мм |
Поле допуска наружной резьбы |
|||||||||||
|
7е |
7g |
||||||||||||
|
Диаметр резьбы |
|||||||||||||
|
d |
d2 |
d3 |
d |
d2 |
d3 |
||||||||
|
Предельные отклонения, мкм |
|||||||||||||
|
es |
ei |
es |
ei |
es |
ei |
es |
ei |
es |
ei |
es |
ei |
||
|
Св. 5,6 до 11,2 |
1,5 |
0 |
-150 |
-67 |
-237 |
0 |
-279 |
0 |
-150 |
-32 |
-202 |
0 |
-245 |
|
2 |
-180 |
-71 |
-261 |
-309 |
-180 |
-38 |
-228 |
-276 |
|||||
|
3 |
-236 |
-85 |
-297 |
-350 |
-236 |
-48 |
-260 |
-313 |
|||||
|
Св. 11,2 до 22,4 |
2 |
0 |
-180 |
-71 |
-271 |
0 |
-321 |
0 |
-180 |
-38 |
-238 |
0 |
-288 |
|
3 |
-236 |
-85 |
-309 |
-365 |
-236 |
-48 |
-272 |
-328 |
|||||
|
4 |
-300 |
-95 |
-360 |
-426 |
-300 |
-60 |
-325 |
-391 |
|||||
|
5 |
-335 |
-106 |
-386 |
-456 |
-335 |
-71 |
-351 |
-421 |
|||||
|
8 |
-450 |
-132 |
-487 |
-576 |
-450 |
-85 |
-440 |
-529 |
|||||
|
Св. 22,4 до 45 |
2 |
0 |
-180 |
-71 |
-283 |
0 |
-336 |
0 |
-180 |
-38 |
-250 |
0 |
-303 |
|
3 |
-236 |
-85 |
-335 |
-397 |
-236 |
-48 |
-298 |
-361 |
|||||
|
5 |
-335 |
-106 |
-406 |
-481 |
-335 |
-71 |
-371 |
-446 |
|||||
|
6 |
-375 |
-118 |
-453 |
-537 |
-375 |
-80 |
-415 |
-499 |
|||||
|
7 |
-425 |
-125 |
-480 |
-569 |
-425 |
-83 |
-438 |
-527 |
|||||
|
8 |
-450 |
-132 |
-507 |
-601 |
-450 |
-85 |
-460 |
-554 |
|||||
|
10 |
-530 |
-150 |
-550 |
-650 |
-530 |
-96 |
-496 |
-596 |
|||||
|
12 |
-600 |
-170 |
-595 |
-701 |
-600 |
-115 |
-540 |
-646 |
|||||
|
Св. 45 до 90 |
3 |
0 |
-236 |
-85 |
-350 |
0 |
-416 |
0 |
-236 |
-48 |
-313 |
0 |
-379 |
|
4 |
-300 |
-95 |
-395 |
-470 |
-300 |
-60 |
-360 |
-435 |
|||||
|
5 |
-335 |
-106 |
-421 |
-500 |
-335 |
-71 |
-386 |
-465 |
|||||
|
8 |
-450 |
-132 |
-532 |
-632 |
-450 |
-85 |
-485 |
-585 |
|||||
|
9 |
-500 |
-140 |
-565 |
-671 |
-500 |
-90 |
-515 |
-621 |
|||||
|
10 |
-530 |
-150 |
-575 |
-681 |
-530 |
-96 |
-521 |
-627 |
|||||
|
12 |
-600 |
-170 |
-645 |
-764 |
-600 |
-115 |
-590 |
-709 |
|||||
|
14 |
-670 |
-180 |
-680 |
-805 |
-670 |
-120 |
-620 |
-745 |
|||||
|
16 |
-710 |
-190 |
-720 |
-853 |
-710 |
-130 |
-660 |
-793 |
|||||
|
18 |
-800 |
-200 |
-760 |
-900 |
-800 |
-140 |
-700 |
-840 |
|||||
|
20 |
-850 |
-212 |
-772 |
-912 |
-850 |
-145 |
-705 |
-845 |
|||||
|
Св. 90 до 180 |
4 |
0 |
-300 |
-95 |
-410 |
0 |
-489 |
0 |
-300 |
-60 |
-375 |
0 |
-454 |
|
5 |
-335 |
-106 |
-461 |
-550 |
-335 |
-71 |
-426 |
-515 |
|||||
|
6 |
-375 |
-118 |
-493 |
-587 |
-375 |
-80 |
-455 |
-549 |
|||||
|
8 |
-450 |
-132 |
-557 |
-663 |
-450 |
-85 |
-510 |
-616 |
|||||
|
12 |
-600 |
-170 |
-670 |
-795 |
-600 |
-115 |
-615 |
-740 |
|||||
|
14 |
-670 |
-180 |
-710 |
-843 |
-670 |
-120 |
-650 |
-783 |
|||||
|
16 |
-710 |
-190 |
-750 |
-890 |
-710 |
-130 |
-690 |
-830 |
|||||
|
18 |
-800 |
-200 |
-800 |
-950 |
-800 |
-140 |
-740 |
-890 |
|||||
|
20 |
-850 |
-212 |
-812 |
-962 |
-850 |
-145 |
-745 |
-895 |
|||||
|
22 |
-900 |
-224 |
-854 |
-1011 |
-900 |
-155 |
-785 |
-943 |
|||||
|
24 |
-950 |
-236 |
-906 |
-1074 |
-950 |
-165 |
-835 |
-1003 |
|||||
|
28 |
-1060 |
-250 |
-960 |
-1138 |
-1060 |
-180 |
-890 |
-1068 |
|||||
|
32 |
-1120 |
-265 |
-1015 |
-1203 |
-1120 |
-195 |
-945 |
-1133 |
|||||
|
Св. 180 до 355 |
8 |
0 |
-450 |
-132 |
-582 |
0 |
-695 |
0 |
-450 |
-85 |
-535 |
0 |
-648 |
|
10 |
-530 |
-150 |
-650 |
-775 |
-530 |
-96 |
-596 |
-721 |
|||||
|
12 |
-600 |
-170 |
-700 |
-833 |
-600 |
-115 |
-645 |
-778 |
|||||
|
18 |
-800 |
-200 |
-830 |
-927 |
-800 |
-140 |
-770 |
-928 |
|||||
|
20 |
-850 |
-212 |
-882 |
-1050 |
-850 |
-145 |
-815 |
-983 |
|||||
|
22 |
-900 |
-224 |
-894 |
-1062 |
-900 |
-155 |
-825 |
-993 |
|||||
|
24 |
-950 |
-236 |
-946 |
-1124 |
-950 |
-165 |
-875 |
-1053 |
|||||
|
32 |
-1120 |
-265 |
-1065 |
-1265 |
-1120 |
-195 |
-995 |
-1195 |
|||||
|
36 |
-1250 |
-280 |
-1130 |
-1343 |
-1250 |
-210 |
-1060 |
-1273 |
|||||
|
40 |
-1320 |
-300 |
-1150 |
-1363 |
-1320 |
-225 |
-1075 |
-1288 |
|||||
|
44 |
-1400 |
-315 |
-1215 |
-1440 |
-1400 |
-240 |
-1140 |
-1365 |
|||||
|
48 |
-1500 |
-335 |
-1285 |
-1523 |
-1500 |
-250 |
-1200 |
-1438 |
|||||
|
Св. 355 до 640 |
12 |
0 |
-600 |
-170 |
-730 |
0 |
-870 |
0 |
-600 |
-115 |
-675 |
0 |
-815 |
|
16 |
-710 |
-190 |
-820 |
-978 |
-710 |
-130 |
-760 |
-918 |
|||||
|
20 |
-850 |
-212 |
-922 |
-1100 |
-850 |
-145 |
-855 |
-1033 |
|||||
|
24 |
-950 |
-236 |
-986 |
-1174 |
-950 |
-165 |
-915 |
-1103 |
|||||
|
48 |
-1500 |
-335 |
-1335 |
-1585 |
-1500 |
-250 |
-1250 |
-1500 |
|||||
Продолжение табл. 1
|
Номинальный диаметр резьбы d, мм |
Шаг Р, мм |
Поле допуска наружной резьбы |
|||||||
|
8с |
8e |
||||||||
|
Диаметр резьбы |
|||||||||
|
d |
d2 |
d3 |
d |
||||||
|
Предельные отклонения, мкм |
|||||||||
|
es |
ei |
es |
ei |
es |
ei |
es |
ei |
||
|
Св. 5,6 до 11,2 |
1,5 |
0 |
-150 |
-140 |
-352 |
0 |
-405 |
0 |
-150 |
|
2 |
-180 |
-150 |
-386 |
-445 |
-180 |
||||
|
3 |
-236 |
-170 |
-435 |
-501 |
-236 |
||||
|
Св. 11,2 до 22,4 |
2 |
0 |
-180 |
-150 |
-400 |
0 |
-462 |
0 |
-180 |
|
3 |
-236 |
-170 |
-450 |
-520 |
-236 |
||||
|
4 |
-300 |
-190 |
-525 |
-609 |
-300 |
||||
|
5 |
0 |
-335 |
-212 |
-567 |
0 |
-656 |
0 |
-335 |
|
|
8 |
-450 |
-265 |
-715 |
-828 |
-450 |
||||
|
Св. 22,4 до 45 |
2 |
0 |
-180 |
-150 |
-415 |
0 |
-481 |
0 |
-180 |
|
3 |
-236 |
-170 |
-485 |
-564 |
-236 |
||||
|
5 |
-335 |
-212 |
-587 |
-681 |
-335 |
||||
|
6 |
0 |
-375 |
-236 |
-661 |
0 |
-767 |
0 |
-375 |
|
|
7 |
-425 |
-250 |
-700 |
-813 |
-425 |
||||
|
8 |
-450 |
-265 |
-740 |
-859 |
-450 |
||||
|
10 |
0 |
-530 |
-300 |
-800 |
0 |
-925 |
0 |
-530 |
|
|
12 |
-600 |
-335 |
-865 |
-998 |
-600 |
||||
|
Св. 45 до 90 |
3 |
0 |
-236 |
-170 |
-505 |
0 |
-589 |
0 |
-236 |
|
4 |
-300 |
-190 |
-565 |
-659 |
-300 |
||||
|
5 |
-335 |
-212 |
-612 |
-712 |
-335 |
||||
|
8 |
0 |
-450 |
-265 |
-765 |
0 |
-890 |
0 |
-450 |
|
|
9 |
-500 |
-280 |
-810 |
-943 |
-500 |
||||
|
10 |
-530 |
-300 |
-830 |
-963 |
-530 |
||||
|
12 |
0 |
-600 |
-335 |
-935 |
0 |
-1085 |
0 |
-600 |
|
|
14 |
-670 |
-355 |
-985 |
-1142 |
-670 |
||||
|
16 |
-710 |
-375 |
-1045 |
-1213 |
-710 |
||||
|
18 |
0 |
-800 |
-400 |
-1110 |
0 |
-1288 |
0 |
-800 |
|
|
20 |
-850 |
-425 |
-1135 |
-1313 |
-850 |
||||
|
Св. 90 до 180 |
4 |
0 |
-300 |
-190 |
-590 |
0 |
-690 |
0 |
-300 |
|
5 |
-335 |
-212 |
-662 |
-775 |
-335 |
||||
|
6 |
-375 |
-236 |
-711 |
-830 |
-375 |
||||
|
8 |
0 |
-450 |
-265 |
-795 |
0 |
-928 |
0 |
-450 |
|
|
12 |
-600 |
-335 |
-965 |
-1122 |
-600 |
||||
|
14 |
-670 |
-355 |
-1025 |
-1193 |
-670 |
||||
|
16 |
0 |
-710 |
-375 |
-1085 |
0 |
-1263 |
0 |
-710 |
|
|
18 |
-800 |
-400 |
-1150 |
-1338 |
-800 |
||||
|
20 |
-850 |
-425 |
-1175 |
-1363 |
-850 |
||||
|
22 |
0 |
-900 |
-450 |
-1250 |
0 |
-1450 |
0 |
-900 |
|
|
24 |
-950 |
-475 |
-1325 |
-1538 |
-950 |
||||
|
28 |
-1060 |
-500 |
-1400 |
-1625 |
-1060 |
||||
|
32 |
-1120 |
-530 |
-1480 |
-1718 |
-1120 |
||||
|
Св. 180 до 355 |
8 |
0 |
-450 |
-265 |
-825 |
0 |
-965 |
0 |
-450 |
|
10 |
-530 |
-300 |
-930 |
-1088 |
-530 |
||||
|
12 |
-600 |
-335 |
-1005 |
-1173 |
-600 |
||||
|
18 |
0 |
-800 |
-400 |
-1200 |
0 |
-1400 |
0 |
-800 |
|
|
20 |
-850 |
-425 |
-1275 |
-1488 |
-850 |
||||
|
22 |
-900 |
-450 |
-1300 |
-1513 |
-900 |
||||
|
24 |
0 |
-950 |
-475 |
-1375 |
0 |
-1600 |
0 |
-950 |
|
|
32 |
-1120 |
-530 |
-1530 |
-1780 |
-1120 |
||||
|
36 |
-1250 |
-560 |
-1620 |
-1885 |
-1250 |
||||
|
40 |
0 |
-1320 |
-600 |
-1660 |
0 |
-1925 |
0 |
-1320 |
|
|
44 |
-1400 |
-630 |
-1750 |
-2030 |
-1400 |
||||
|
48 |
-1500 |
-670 |
-1850 |
-2145 |
-1500 |
||||
|
Св. 355 до 640 |
12 |
0 |
-600 |
-335 |
-1045 |
0 |
-1223 |
0 |
-600 |
|
16 |
-710 |
-375 |
-1175 |
-1375 |
-710 |
||||
|
20 |
-850 |
-425 |
-1325 |
-1550 |
-850 |
||||
|
24 |
0 |
-950 |
-475 |
-1425 |
0 |
-1663 |
0 |
-950 |
|
|
48 |
-1500 |
-670 |
-1920 |
-2233 |
-1500 |
||||
Продолжение табл. 1
|
Номинальный диаметр резьбы d, мм |
Шаг Р, мм |
Поле допуска наружной резьбы |
|||||||||
|
8е |
9c |
||||||||||
|
Диаметр резьбы |
|||||||||||
|
d2 |
d3 |
d |
d2 |
d3 |
|||||||
|
Предельные отклонения, мкм |
|||||||||||
|
es |
ei |
es |
ei |
es |
ei |
es |
ei |
es |
ei |
||
|
Св. 5,6 до 11,2 |
1,5 |
-67 |
-279 |
0 |
-332 |
0 |
-150 |
-140 |
-405 |
0 |
-471 |
|
2 |
-71 |
-307 |
-366 |
-180 |
-150 |
-450 |
-525 |
||||
|
3 |
-85 |
-350 |
-416 |
-236 |
-170 |
-505 |
-589 |
||||
|
Св. 11,2 до 22,4 |
2 |
-71 |
-321 |
0 |
-383 |
0 |
-180 |
-150 |
-465 |
0 |
-544 |
|
3 |
-85 |
-365 |
-435 |
-236 |
-170 |
-525 |
-614 |
||||
|
4 |
-95 |
-430 |
-514 |
-300 |
-190 |
-615 |
-721 |
||||
|
5 |
-106 |
-461 |
0 |
-550 |
0 |
-335 |
-212 |
-662 |
0 |
-775 |
|
|
8 |
-132 |
-582 |
-695 |
-450 |
-265 |
-825 |
-965 |
||||
|
Св. 22,4 до 45 |
2 |
-71 |
-336 |
0 |
-402 |
0 |
-180 |
-150 |
-485 |
0 |
-569 |
|
3 |
-85 |
-400 |
-479 |
-236 |
-170 |
-570 |
-670 |
||||
|
5 |
-106 |
-481 |
-575 |
-335 |
-212 |
-687 |
-806 |
||||
|
6 |
-118 |
-543 |
0 |
-649 |
0 |
-375 |
-236 |
-766 |
0 |
-899 |
|
|
7 |
-125 |
-575 |
-688 |
-425 |
-250 |
-810 |
-950 |
||||
|
8 |
-132 |
-607 |
-726 |
-450 |
-265 |
-865 |
-1015 |
||||
|
10 |
-150 |
-650 |
0 |
-775 |
0 |
-530 |
-300 |
-930 |
0 |
-1087 |
|
|
12 |
-170 |
-700 |
-833 |
-600 |
-335 |
-1005 |
-1173 |
||||
|
Св. 45 до 90 |
3 |
-85 |
-420 |
0 |
-504 |
0 |
-236 |
-170 |
-595 |
0 |
-701 |
|
4 |
-95 |
-470 |
-564 |
-300 |
-190 |
-665 |
-784 |
||||
|
5 |
-106 |
-506 |
-606 |
-335 |
-212 |
-712 |
-837 |
||||
|
8 |
-132 |
-632 |
0 |
-757 |
0 |
-450 |
-265 |
-895 |
0 |
-1052 |
|
|
9 |
-140 |
-670 |
-803 |
-500 |
-280 |
-950 |
-1118 |
||||
|
10 |
-150 |
-680 |
-813 |
-530 |
-300 |
-970 |
-1138 |
||||
|
12 |
-170 |
-770 |
0 |
-920 |
0 |
-600 |
-335 |
-1085 |
0 |
-1273 |
|
|
14 |
-180 |
-810 |
-967 |
-670 |
-355 |
-1155 |
-1355 |
||||
|
16 |
-190 |
-860 |
-1028 |
-710 |
-375 |
-1225 |
-1438 |
||||
|
18 |
-200 |
-910 |
0 |
-1088 |
0 |
-800 |
-400 |
-1300 |
0 |
-1525 |
|
|
20 |
-212 |
-922 |
-1100 |
-850 |
-425 |
-1325 |
-1550 |
||||
|
Св. 90 до 180 |
4 |
-95 |
-495 |
0 |
-595 |
0 |
-300 |
-190 |
-690 |
0 |
-815 |
|
5 |
-106 |
-556 |
-669 |
-335 |
-212 |
-772 |
-912 |
||||
|
6 |
-118 |
-593 |
-712 |
-375 |
-236 |
-836 |
-986 |
||||
|
8 |
-132 |
-662 |
0 |
-795 |
0 |
-450 |
-265 |
-935 |
0 |
-1103 |
|
|
12 |
-170 |
-800 |
-958 |
-600 |
-335 |
-1135 |
-1335 |
||||
|
14 |
-180 |
-850 |
-1018 |
-670 |
-355 |
-1205 |
-1418 |
||||
|
16 |
-190 |
-900 |
0 |
-1078 |
0 |
-710 |
-375 |
-1275 |
0 |
-1500 |
|
|
18 |
-200 |
-950 |
-1138 |
-800 |
-400 |
-1350 |
-1588 |
||||
|
20 |
-212 |
-962 |
-1150 |
-850 |
-425 |
-1375 |
-1613 |
||||
|
22 |
-224 |
-1024 |
0 |
-1224 |
0 |
-900 |
-450 |
-1450 |
0 |
-1700 |
|
|
24 |
-236 |
-1086 |
-1299 |
-950 |
-475 |
-535 |
-1800 |
||||
|
28 |
-250 |
-1150 |
-1375 |
-1060 |
-500 |
-1620 |
-1900 |
||||
|
32 |
-265 |
-1215 |
-1453 |
-1120 |
-530 |
-1710 |
-2005 |
||||
|
Св. 180 до 355 |
8 |
-132 |
-692 |
0 |
-832 |
0 |
-450 |
-265 |
-975 |
0 |
-1153 |
|
10 |
-150 |
-780 |
-938 |
-530 |
-300 |
-1100 |
-1300 |
||||
|
12 |
-170 |
-840 |
-1008 |
-600 |
-335 |
-1185 |
-1398 |
||||
|
18 |
-200 |
-1000 |
0 |
-1200 |
0 |
-800 |
-400 |
-1400 |
0 |
-1650 |
|
|
20 |
-212 |
-1062 |
1275 |
-850 |
-425 |
-1485 |
-1750 |
||||
|
22 |
-224 |
-1074 |
-1287 |
-900 |
-450 |
-1510 |
-1775 |
||||
|
24 |
-236 |
-1136 |
0 |
-1361 |
0 |
-950 |
-475 |
-1595 |
0 |
-1875 |
|
|
32 |
-265 |
-1265 |
-1515 |
-1120 |
-530 |
-1780 |
-2092 |
||||
|
36 |
-280 |
-1340 |
-1605 |
-1250 |
-560 |
-1880 |
-2210 |
||||
|
40 |
-300 |
-1360 |
0 |
-1625 |
0 |
-1320 |
-600 |
-1920 |
0 |
-2250 |
|
|
44 |
-315 |
-1435 |
-1715 |
-1400 |
-630 |
-2030 |
-2380 |
||||
|
48 |
-335 |
-1515 |
-1810 |
-1500 |
-670 |
-2170 |
-2545 |
||||
|
Св. 355 до 640 |
12 |
-170 |
-880 |
0 |
-1058 |
0 |
-600 |
-335 |
-1235 |
0 |
-1460 |
|
16 |
-190 |
-990 |
-1190 |
-710 |
-375 |
-1375 |
-1625 |
||||
|
20 |
-212 |
-1112 |
-1337 |
-850 |
-425 |
-1545 |
-1825 |
||||
|
24 |
-236 |
-1186 |
0 |
-1424 |
0 |
-950 |
-475 |
-1655 |
0 |
-1950 |
|
|
48 |
-335 |
-1585 |
-1898 |
-1500 |
-670 |
-2270 |
-2670 |
||||
Таблица 2
|
Номинальный диаметр резьбы d, мм |
Шаг Р, мм |
Поле допуска внутренней резьбы |
|||||||||||||||||||
|
6Н |
7H |
8H |
9H |
||||||||||||||||||
|
Диаметр резьбы |
|||||||||||||||||||||
|
D4 |
D2 |
D1 |
D4 |
D2 |
D1 |
D4 |
D2 |
D1 |
D4 |
D2 |
D1 |
||||||||||
|
Предельные отклонения, мкм |
|||||||||||||||||||||
|
EI |
ES |
EI |
ES |
EI |
EI |
ES |
EI |
ES |
EI |
EI |
ES |
EI |
ES |
EI |
EI |
ES |
EI |
ES |
EI |
||
|
Св. 5,6 до 11,2 |
1,5 |
0 |
+180 |
0 |
+190 |
0 |
0 |
+220 |
0 |
+190 |
0 |
0 |
+280 |
0 |
+190 |
0 |
0 |
+355 |
0 |
+190 |
0 |
|
2 |
+200 |
+236 |
+250 |
+236 |
+315 |
+236 |
+400 |
+236 |
|||||||||||||
|
3 |
+224 |
+315 |
+280 |
+315 |
+355 |
+315 |
+450 |
+315 |
|||||||||||||
|
Св. 11,2 до 22,4 |
2 |
0 |
+212 |
0 |
+236 |
0 |
0 |
+265 |
0 |
+236 |
0 |
0 |
+335 |
0 |
+236 |
0 |
0 |
+425 |
0 |
+236 |
0 |
|
3 |
+236 |
+315 |
+300 |
+315 |
+375 |
+315 |
+475 |
+315 |
|||||||||||||
|
4 |
+280 |
+375 |
+355 |
+375 |
+450 |
+373 |
+560 |
+375 |
|||||||||||||
|
5 |
+300 |
+450 |
+375 |
+450 |
+475 |
+450 |
+600 |
+450 |
|||||||||||||
|
8 |
+375 |
+630 |
+475 |
+630 |
+600 |
+630 |
+750 |
+630 |
|||||||||||||
|
Св. 22,4 до 45 |
2 |
0 |
+224 |
0 |
+236 |
0 |
0 |
+280 |
0 |
+236 |
0 |
0 |
+355 |
0 |
+236 |
0 |
0 |
+450 |
0 |
+236 |
0 |
|
3 |
+265 |
+315 |
+335 |
+315 |
+425 |
+315 |
+530 |
+315 |
|||||||||||||
|
5 |
+315 |
+450 |
+400 |
+450 |
+500 |
+450 |
+630 |
+450 |
|||||||||||||
|
6 |
+355 |
+500 |
+450 |
+500 |
+560 |
+500 |
+710 |
+500 |
|||||||||||||
|
7 |
+375 |
+560 |
+475 |
+560 |
+600 |
+560 |
+750 |
+560 |
|||||||||||||
|
8 |
+400 |
+630 |
+500 |
+630 |
+630 |
+630 |
+800 |
+630 |
|||||||||||||
|
10 |
+425 |
+710 |
+530 |
+710 |
+670 |
+710 |
+850 |
+710 |
|||||||||||||
|
12 |
+450 |
+800 |
+560 |
+800 |
+710 |
+800 |
+900 |
+800 |
|||||||||||||
|
Св. 45 до 90 |
3 |
0 |
+280 |
0 |
+315 |
0 |
0 |
+355 |
0 |
+315 |
0 |
0 |
+450 |
0 |
+315 |
0 |
0 |
+560 |
0 |
+315 |
0 |
|
4 |
+315 |
+375 |
+400 |
+375 |
+500 |
+375 |
+630 |
+375 |
|||||||||||||
|
5 |
+335 |
+450 |
+425 |
+450 |
+530 |
+450 |
+670 |
+450 |
|||||||||||||
|
8 |
+425 |
+630 |
+530 |
+630 |
+670 |
+630 |
+850 |
+630 |
|||||||||||||
|
9 |
+450 |
+670 |
+560 |
+670 |
+710 |
+670 |
+900 |
+670 |
|||||||||||||
|
10 |
+450 |
+710 |
+560 |
+710 |
+710 |
+710 |
+900 |
+710 |
|||||||||||||
|
12 |
+500 |
+800 |
+630 |
+800 |
+800 |
+800 |
+1000 |
+800 |
|||||||||||||
|
14 |
+530 |
+900 |
+670 |
+900 |
+850 |
+900 |
+1060 |
+900 |
|||||||||||||
|
16 |
+560 |
+1000 |
+710 |
+1000 |
+900 |
+1000 |
+1120 |
+1000 |
|||||||||||||
|
18 |
+600 |
+1120 |
+750 |
+1120 |
+950 |
+1120 |
+1180 |
+1120 |
|||||||||||||
|
20 |
+600 |
+1180 |
+750 |
+1180 |
+950 |
+1180 |
+1180 |
+1180 |
|||||||||||||
|
Св. 90 до 180 |
4 |
0 |
+335 |
0 |
+375 |
0 |
0 |
+425 |
0 |
+375 |
0 |
0 |
+530 |
0 |
+375 |
0 |
0 |
+670 |
0 |
+375 |
0 |
|
5 |
+375 |
+450 |
+475 |
+450 |
+600 |
+450 |
+750 |
+450 |
|||||||||||||
|
6 |
+400 |
+500 |
+500 |
+500 |
+630 |
+500 |
+800 |
+500 |
|||||||||||||
|
8 |
+450 |
+630 |
+560 |
+630 |
+710 |
+630 |
+900 |
+630 |
|||||||||||||
|
12 |
+530 |
+800 |
+670 |
+800 |
+850 |
+800 |
+1060 |
+800 |
|||||||||||||
|
14 |
+560 |
+900 |
+710 |
+900 |
+900 |
+900 |
+1120 |
+900 |
|||||||||||||
|
16 |
+600 |
+1000 |
+750 |
+1000 |
+950 |
+1000 |
+1180 |
+1000 |
|||||||||||||
|
18 |
+630 |
+1120 |
+800 |
+1120 |
+1000 |
+1120 |
+1250 |
+1120 |
|||||||||||||
|
20 |
+630 |
+1180 |
+800 |
+1180 |
+1000 |
+1180 |
+1250 |
+1180 |
|||||||||||||
|
22 |
+670 |
+1250 |
+850 |
+1250 |
+1060 |
+1250 |
+1320 |
+1250 |
|||||||||||||
|
24 |
+710 |
+1320 |
+900 |
+1320 |
+1120 |
+1320 |
+1400 |
+1320 |
|||||||||||||
|
28 |
+750 |
+1500 |
+950 |
+1500 |
+1180 |
+1500 |
+1500 |
+1500 |
|||||||||||||
|
32 |
+800 |
+1600 |
+1000 |
+1600 |
+1250 |
+1600 |
+1600 |
+1600 |
|||||||||||||
|
Св. 180 до 355 |
8 |
0 |
+475 |
0 |
+630 |
0 |
0 |
+600 |
0 |
+630 |
0 |
0 |
+750 |
0 |
+630 |
0 |
0 |
+950 |
0 |
+630 |
0 |
|
10 |
+530 |
+710 |
+670 |
+710 |
+850 |
+710 |
+1060 |
+710 |
|||||||||||||
|
12 |
+560 |
+800 |
+710 |
+800 |
+900 |
+800 |
+1120 |
+800 |
|||||||||||||
|
18 |
+670 |
+1120 |
+850 |
+1120 |
+1060 |
+1120 |
+1320 |
+1120 |
|||||||||||||
|
20 |
+710 |
+1180 |
+900 |
+1180 |
+1120 |
+1180 |
+1400 |
+1180 |
|||||||||||||
|
22 |
+710 |
+1250 |
+900 |
+1250 |
+1120 |
+1250 |
+1400 |
+1250 |
|||||||||||||
|
24 |
+750 |
+1320 |
+950 |
+1320 |
+1180 |
+1320 |
+1500 |
+1320 |
|||||||||||||
|
32 |
+850 |
+1600 |
+1060 |
+1600 |
+1320 |
+1600 |
+1700 |
+1600 |
|||||||||||||
|
36 |
+900 |
+1800 |
+1120 |
+1800 |
+1400 |
+1800 |
+1800 |
+1800 |
|||||||||||||
|
40 |
+900 |
+1900 |
+1120 |
+1900 |
+1400 |
+1900 |
+1800 |
+1900 |
|||||||||||||
|
44 |
+950 |
+2000 |
+1180 |
+2000 |
+1500 |
+2000 |
+1900 |
+2000 |
|||||||||||||
|
48 |
+1000 |
+2120 |
+1250 |
+2120 |
+1600 |
+2120 |
+2000 |
+2120 |
|||||||||||||
|
Св. 355 до 640 |
12 |
0 |
+600 |
0 |
+800 |
0 |
0 |
+750 |
0 |
+800 |
0 |
0 |
+950 |
0 |
+800 |
0 |
0 |
+1180 |
0 |
+800 |
0 |
|
16 |
+670 |
+1000 |
+850 |
+1000 |
+1060 |
+1000 |
+1320 |
+1000 |
|||||||||||||
|
20 |
+750 |
+1180 |
+950 |
+1180 |
+1180 |
+1180 |
+1500 |
+1180 |
|||||||||||||
|
24 |
+850 |
+1320 |
+1060 |
+1320 |
+1320 |
+1320 |
+1700 |
+1320 |
|||||||||||||
|
48 |
+1060 |
+2120 |
+1320 |
+2120 |
+1700 |
+2120 |
+2120 |
+2120 |
|||||||||||||
2. Предельные отклонения диаметра d с полем допуска 6h должны соответствовать указанным в табл. 3 .
Таблица 3
|
Шаг Р, мм |
Предельные отклонения, мкм |
Шаг Р, мм |
Предельные отклонения, мкм |
||
|
es |
ei |
es |
ei |
||
|
1,5 |
0 |
-236 |
7 |
0 |
-570 |
|
2 |
-280 |
8 |
-710 |
||
|
3 |
-375 |
9 |
-800 |
||
|
4 |
-475 |
10 |
-850 |
||
|
5 |
-530 |
12 |
-950 |
||
|
6 |
-600 |
||||
Замену допусков резьб по ГОСТ 9562-60 допусками по настоящему стандарту рекомендуется производить в соответствии с табл. 1 - для винтов и табл. 2 - для гаек.
Допускаются другие замены из числа полей допусков, установленных в стандарте.
Таблица 1
|
Класс точности резьбы винтов по ГОСТ 9562-60 |
Заменяющее поле допуска |
Соотношение между отклонениями |
Соотношение между допусками |
Соотношение между отклонениями и допусками при других заменах |
|
Кл. 1 |
7g |
Верхнее отклонение кл. 1 равно нулю. Верхнее отклонение поля допуска 7g смещено внутрь поля допуска кл. 1 примерно на 20 %. Нижнее отклонение поля допуска 7g выходит за поле допуска кл. 1 при Р £ 12 мм на 10 - 20 %, при Р > 12 мм - на 3 - 7 % |
При Р £ 12 мм допуски приблизительно одинаковые (разница не более 10 %), при Р > 12 мм допуски 7g меньше допусков кл. 1 на 10 - 20 % |
Для наиболее точных соединений, когда увеличение зазора, вызванное заменой кл. 1 на поле допуска 7g, нежелательно, возможна замена на поле допуска 6g. В этом случае поле допуска 6g полностью вписывается в поле допуска кл. 1. Допуск 6g примерно на 25 % меньше допуска кл. 1 |
|
Кл. 2 |
7е |
Верхнее отклонение поля допуска 7е смещено внутрь поля допуска кл. 2 в среднем на 12 %. Нижнее отклонение поля допуска 7e смещено внутрь поля допуска кл. 2 на 10 - 25 % |
Допуск 7е меньше допуска кл. 2 при Р £ 10 мм на 25 - 30 %, а при Р > 10 мм - на 35 ¸ 40 % |
Если значительное сокращение допусков, вызванное заменой кл. 2 на поле допуска 7е, нежелательно, то возможна замена на поле допуска 8е. В этом случае разница верхних отклонений та же, что и при замене на поле допуска 7е, а нижнее отклонение поля допуска 8е практически не выходит за пределы кл. 2. Допуски при Р £ 10 мм приблизительно одинаковые (разница не более 10 %), а при Р > 10 мм допуск 8е меньше допуска кл. 2 в среднем на 20 % |
|
Кл. 3 |
8с |
Верхнее отклонение поля допуска 8с смещено внутрь поля допуска кл. 3 в среднем на 30 %. Нижнее отклонение поля допуска 8с практически не выходит за поле допуска кл. 3 |
Допуск 8с на 25 - 35 % меньше допуска кл. 3 |
Если увеличение гарантированных зазоров, вызванное заменой кл. 3 на поле допуска 8с, нежелательно, то возможна замена на поле допуска 8е. В этом случае смещение верхнего отклонения поля допуска 8е внутрь поля допуска кл. 3 не превышает 15 %, нижнее отклонение лежит в поле допуска кл. 3, а соотношение между допусками то же, что и при замене на поле допуска 8е |
|
Кл. 3Х |
8с |
Верхние отклонения полей допусков 8с и кл. 3Х практически совпадают (разница не более 10 %). Нижнее отклонение поля допуска 8с смещено внутрь поля допуска кл. 3Х на 25 - 40 % |
Допуск 8с на 25 - 35 % меньше допуска кл. 3Х |
При длинах свинчивания возможна замена кл. 3Х на поле допуска 9с. В этом случае соотношение верхних отклонений то же, что и при замене на поле допуска 8с, нижнее отклонение поля допуска 9с при Р £ 8 мм практически не выводит за пределы кл. 3Х, а при Р > 8 мм смещено внутрь поля допуска кл. 3Х на 15 - 20 %. Допуск 9с на 10 - 20 % меньше допуска кл. 3Х |
Примечание. Допуски наружного диаметра винтов по ГОСТ 9562-81 при Р £ 8 мм больше допусков по ГОСТ 9562-60 на 80 - 20 %, при Р = 10 - 16 мм допуски приблизительно одинаковые (разница не более 10 %), а при Р > 16 мм допуски по ГОСТ 9562-81 меньше на 11 - 34 %.
Таблица 2
|
Класс точности резьбы гаек по ГОСТ 9562-60 |
Заменяющее поле допуска |
Соотношение между отклонениями |
Соотношение между допусками |
Соотношение между отклонениями и допусками при других заменах |
|
Кл. 1 |
7Н |
Нижние отклонения совпадают (равны нулю) |
Допуски 7Н больше допусков кл. 1 при Р £ 10 мм в среднем на 30 %, при Р > 10 мм - на 10 - 20 % |
|
|
Кл. 2 |
7Н |
Нижние отклонения совпадают (равны нулю) |
Допуски 7Н при Р £ 10 мм приблизительно совпадают (разница не более 10 %), а при Р > 10 мм меньше допусков кл. 2, но не более чем на 20 % |
При длинах свинчивания L возможна замена кл. 2 на поле допуска 8Н. В этом случае допуски 7Н при Р £ 10 мм больше допусков кл. 2 в среднем на 20 %, а при Р > 10 мм допуски приблизительно одинаковые (разница не более 10 %) |
|
Кл. 3 |
8Н |
Нижние отклонения совпадают (равны нулю) |
Допуски 8Н при Р £ 10 мм приблизительно совпадают (разница не более 10 %), а при Р > 10 мм меньше допусков кл. 3, но не более чем на 20 % |
При длинах свинчивания L возможна замена кл. 3 на поле допуска 9Н. В этом случае допуски 9Н при Р £ 10 мм больше допусков кл. 3 в среднем на 20 %, а при Р > 10 мм допуски приблизительно одинаковые (разница не более 10 %) |
Примечание. Допуски внутреннего диаметра гаек по ГОСТ 9562-81 при Р = 2 - 24 мм больше допусков по ГОСТ 9562-60 на 136 - 10 %, при Р > 24 мм допуски приблизительно одинаковые (разница не более 10 %).
ИНФОРМАЦИОННЫЕ ДАННЫЕ
1. РАЗРАБОТАН И ВНЕСЕН Министерством станкостроительной и инструментальной промышленности
2. УТВЕРЖДЕН И ВВЕДЕН В ДЕЙСТВИЕ Постановлением Государственного комитета СССР по стандартам от 30.04.81 № 2265
3. ВЗАМЕН ГОСТ 9562-60
4. Стандарт полностью соответствует СТ СЭВ 836-78
5. ССЫЛОЧНЫЕ НОРМАТИВНО-ТЕХНИЧЕСКИЕ ДОКУМЕНТЫ
|
Обозначение НТД, на который дана ссылка |
Номер пункта |
6. ПЕРЕИЗДАНИЕ
СОДЕРЖАНИЕ