
ГОСУДАРСТВЕННЫЙ СТАНДАРТ СОЮЗА ССР
ИЗДЕЛИЯ ОГНЕУПОРНЫЕ ДИНАСОВЫЕ
ДЛЯ КЛАДКИ СТЕКЛОВАРЕННЫХ
ПЕЧЕЙ
ТЕХНИЧЕСКИЕ УСЛОВИЯ
ГОСТ 3910-75
ИПК ИЗДАТЕЛЬСТВО СТАНДАРТОВ
Москва
ГОСУДАРСТВЕННЫЙ СТАНДАРТ СОЮЗА ССР
|
ИЗДЕЛИЯ ОГНЕУПОРНЫЕ
ДИНАСОВЫЕ Технические условия Refractory
silica products for brickwork of glassmaking furnaces. |
ГОСТ |
Дата введения 01.07.77
Настоящий стандарт распространяется на динасовые огнеупорные изделия для кладки верхнего строения и регенераторов стекловаренных печей.
Коды ОКП приведены в приложении 2.
1.1. Изделия в зависимости от химического состава подразделяются на марки, указанные в табл. 1.
Таблица 1
|
Характеристика |
Применение |
|
|
ДСУ |
Изделия динасовые с массовой долей SiO2 не менее 96 % |
Для кладки наиболее ответственных участков верхнего строения стекловаренных печей в зонах варки и максимальных температур до 1580 °С |
|
ДСО |
Изделия динасовые с массовой долей SiO2 не менее 95 % |
Для кладки наиболее ответственных участков верхнего строения высокотемпературных стекловаренных печей до 1580 °С |
|
ДСО1 |
Изделия динасовые с массовой долей SiО2 не менее 95 % |
Для кладки наиболее ответственных участков верхнего строения стекловаренных печей с максимальной рабочей температурой до 1530 °С |
|
ДС |
Изделия динасовые с массовой долей SiO2 не менее 94 % |
Для кладки менее ответственных участков высокотемпературных стекловаренных печей и кладки печей с максимальной рабочей температурой до 1530 °С |
|
ДС1 |
Изделия динасовые с массовой долей SiO2 не менее 93 % |
|
|
Д1 |
Изделия динасовые с массовой долей SiO2 не менее 95 % |
Для кладки сводов стекловаренных печей |
(Измененная редакция, Изм. № 2, 3, 5, 6).
2.1. Форма и размеры изделий марок ДСУ, ДСО, ДСО1, ДС и ДС1 должны соответствовать указанным на черт. 1 - 9 и в табл. 2 - 10, марки Д1 - требованию потребителя.
Допускается изготовление изделий других форм и размеров по согласованию изготовителя и потребителя.
Брус прямой
Черт. 1
Таблица 2
|
а |
б |
в |
Применение |
|
|
мм |
||||
|
1 |
250 |
500 |
120 |
Для кладки стен и защиты пят |
|
2 |
250 |
600 |
100 |
Для подпятника влета горелок и защиты пят |
|
3 |
250 |
600 |
150 |
Для подпятника влета горелок |
|
4 |
300 |
250 |
100 |
Для кладки сводов толщиной 300 мм в сочетании с изделием № 14 |
|
5 |
300 |
380 |
100 |
Для кладки сводов толщиной 300 мм в сочетании с изделиями № 17 и 18 |
|
6 |
300 |
500 |
100 |
Для кладки сводов толщиной 300 мм в сочетании с изделиями № 19 и 20 |
|
7 |
400 |
250 |
100 |
Для кладки сводов толщиной 400 мм в сочетании с изделиями № 21 и 22 |
|
8 |
400 |
380 |
100 |
Для кладки сводов толщиной 400 мм в сочетании с изделиями № 23 и 24 |
|
9 |
500 |
250 |
100 |
Для кладки сводов толщиной 500 мм в сочетании с изделиями № 25 и 26 |
|
10 |
500 |
380 |
100 |
Для кладки сводов толщиной 500 мм в сочетании с изделиями № 27 и 28 |
Брус клиновый двусторонний

Черт. 2
Таблица 3
|
Номер изделия |
а |
б |
в |
г |
Применение |
|
мм |
|||||
|
11 |
250 |
600 |
100 |
120 |
Для кладки сводов, горелок, влетов и арок стены |
|
12 |
300 |
250 |
50 |
100 |
Для кладки сводов регенераторов вперевязку с изделием № 15 |
|
13 |
300 |
250 |
75 |
100 |
Для кладки сводов регенераторов вперевязку с изделием № 16 |
|
14 |
300 |
250 |
100 |
108 |
Для кладки сводов толщиной 300 мм в сочетании с изделием № 4 |
|
15 |
300 |
380 |
50 |
100 |
Для кладки сводов регенераторов толщиной 300 мм вперевязку с изделием № 12 |
|
16 |
300 |
380 |
75 |
100 |
Для кладки сводов регенераторов вперевязку с изделием № 13 |
|
17 |
300 |
380 |
100 |
108 |
Для кладки сводов толщиной 300 мм в сочетании с изделием № 5 |
|
18 |
300 |
380 |
100 |
115 |
То же |
|
19 |
300 |
500 |
100 |
108 |
Для кладки сводов толщиной 300 мм в сочетании с изделием № 6 |
|
20 |
300 |
500 |
100 |
115 |
То же |
|
21 |
400 |
250 |
100 |
111 |
Для кладки сводов толщиной 400 мм в сочетании с изделием № 7 |
|
22 |
400 |
250 |
100 |
120 |
То же |
|
23 |
400 |
380 |
100 |
111 |
Для кладки сводов толщиной 400 мм в сочетании с изделием № 8 |
|
24 |
400 |
380 |
100 |
120 |
Для кладки сводов толщиной 400 мм в сочетании с изделием № 8 |
|
25 |
500 |
250 |
100 |
113 |
Для кладки сводов толщиной 500 мм в сочетании с изделием № 9 |
|
26 |
500 |
250 |
100 |
125 |
То же |
|
27 |
500 |
380 |
100 |
113 |
Для кладки сводов толщиной 500 мм в сочетании с изделием № 10 |
|
28 |
500 |
380 |
100 |
125 |
То же |
|
29 |
700 |
200 |
152 |
160 |
Для кладки плоских арок вперевязку с изделием № 30 |
|
30 |
700 |
300 |
152 |
160 |
Для кладки плоских арок вперевязку с изделием № 29 |
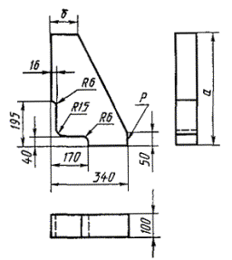
Зуб
Черт. 3
Таблица 4
|
Номер изделия |
а, мм |
Применение |
|
31 |
200 |
Для кладки подвесных стен |
|
32 |
300 |
То же |
Таблица 5
|
Номер изделия |
Применение |
|
33 |
Для кладки углов подвесных стен |
Зуб угловой правый

Черт. 4
Зуб угловой левый
Черт. 5
Таблица 6
|
Номер изделия |
Применение |
|
34 |
Для кладки углов подвесных стен |
Таблица 7
|
Номер изделия |
а, мм |
Применение |
|
35 |
100 |
Для кладки сводов горелок |
|
36 |
600 |
Для кладки сводов горелок и влетов |
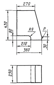
Пята

Черт. 6
Пята плоской арки
Черт. 7
Таблица 8
|
Номер изделия |
Применение |
|
37 |
Для кладки плоских арок |
Таблица 9
|
Номер изделия |
а |
б |
Применение |
|
мм |
|||
|
38 |
350 |
190 |
Для кладки сводов толщиной 300 мм |
|
39 |
400 |
165 |
Для кладки сводов толщиной 400 мм |
|
40 |
500 |
115 |
Для кладки сводов толщиной 500 мм |
Пята

Черт. 8
Черт. 9
Примечание. Буквой Р на черт. 1 - 9 обозначена рабочая поверхность.
Таблица 10
|
а |
б |
Применение |
|
|
мм |
|||
|
41 |
100 |
100 |
Для кладки сводов выборочных частей |
|
42 |
94 |
88 |
То же |
(Измененная редакция, Изм. № 1, 4, 5, 6).
2.2. Расчетная масса и объем изделий даны в приложении 1.
2.3. Предельные отклонения по размерам изделий не должны превышать указанных в табл. 11.
Таблица 11
мм
|
Предельное отклонение |
Размер |
Предельное отклонение |
|
|
До 100 |
±2 |
До 230 для изделий: |
|
|
Св. 100 до 350 |
±3 |
1-го класса |
±2 |
|
» 350 |
+6 |
2-го класса |
±3 |
|
|
-5 |
св. 230 для изделий |
|
|
|
|
1-го класса |
±1* |
|
|
|
2-го класса |
±2* |
* Данные приведены в процентах.
(Измененная редакция, Изм. № 5).
2.4. Радиусы закруглений (черт. 3 - 5, 7 - 9) приведены для построения чертежей пресс-форм.
(Измененная редакция, Изм. № 4).
3.1. Изделия должны изготовляться в соответствии с требованиями настоящего стандарта, по физико-химическим показателям и внешнему виду соответствовать требованиям, указанным в табл. 12.
Таблица 12
|
Норма для изделия марки |
||||||
|
ДСУ |
ДСО |
ДС |
ДСО1 |
ДС1 |
Д1 |
|
|
1. Массовая доля SiO2, %, не менее |
96 |
95 |
94 |
95 |
93 |
95 |
|
2. Массовая доля СаО, %, не более |
2,5 |
2,5 |
3,0 |
2,5 |
3,0 |
- |
|
3. Массовая доля Fe2O3, %, не более |
0,5 |
0,6 |
1,7 |
0,6 |
1,7 |
1,5 - 1,7 |
|
4. Огнеупорность, °С, не ниже |
1710 |
1710 |
1710 |
1710 |
1710 |
- |
|
5. Пористость открытая, %, не более |
|
|
|
|
|
|
|
для изделий массой до 35 кг |
20 |
21 |
22 |
21 |
22 |
23*; 25 |
|
для изделий массой св. 35 кг |
21 |
22 |
22 |
22 |
22 |
25 |
|
6. Температура начала размягчения, °С, не ниже |
1650 |
1650 |
1640 |
1650 |
1630 |
1650 |
|
7. Плотность, г/см3, не более |
2,37 для изделий массой до 19 кг, 2,38 для изделий массой св. 19 кг |
2,36 |
2,38 |
2,38 |
2,38 |
2,38* 2,40 |
|
8. Предел прочности при сжатии, Н/мм2, не менее |
30,0 |
25,0 |
20,0 |
22,0 |
17,5 |
22,0* 20,0 |
|
9. Отбитость углов и ребер не более: |
|
|
|
|
|
|
|
для изделий массой до 50 кг: |
|
|
|
|
|
|
|
на рабочей поверхности |
4 |
5 |
5 |
5 |
5 |
5* |
|
на остальных поверхностях |
8 |
8 |
8 |
8 |
8 |
10* |
|
для изделий массой св. 50 кг: |
|
|
|
|
|
|
|
на рабочей поверхности |
6 |
10 |
10 |
10 |
10 |
- |
|
на остальных поверхностях |
12 |
10 |
15 |
10 |
15 |
- |
|
10. Кривизна, мм, не более, для изделий размером, мм: |
|
|||||
|
до 230 |
- |
2 |
||||
|
св. 230 - 1-го класса |
- |
3 |
||||
|
2-го класса |
- |
1 % |
||||
|
до 350 |
2,5 |
- |
||||
|
Св. 350 |
3,5 |
|
||||
|
11. Выплавки отдельные диаметром (по впадине), мм, не более, в количестве не более 1 шт.: |
|
|||||
|
на рабочей поверхности |
Не допускаются |
5 |
- |
|||
|
на остальных поверхностях |
|
8 |
- |
|||
|
12. Посечки поверхностные длиной, мм, не более: |
Не нормируются, если не имеют характера сетки |
Не учитываются |
||||
|
шириной до 0,1 мм |
||||||
|
шириной от 0,1 до 0,3 мм: |
||||||
|
на рабочей поверхности |
30 для посечки шириной от 0,1 до 0,25 |
30 |
Не допускаются |
|||
|
на остальных поверхностях шириной св. 0,3 до 0,5 мм: |
50 |
|||||
|
на рабочей поверхности |
Не допускаются |
|||||
|
на остальных поверхностях |
30 |
|||||
|
13. Трещины св. 0,5 мм |
Не допускаются |
|||||
Примечания:
1. Для изделий марок ДСО1 и ДС1 массой свыше 35 кг допускается один образец из трех плотностью 2,39 г/см3.
2. На рабочей поверхности изделия допускается не более одного отбитого угла и ребра. Отбитость ребер для изделий марки Д1 установлена общей длиной не более 1/4 длины ребра.
Рабочей поверхностью изделий считается поверхность, соприкасающаяся с печным пространством, и маркировке не подлежит. Рабочая поверхность изделий, изготовляемых по чертежам потребителя, должна быть указана на этих чертежах.
3. Пересечение посечкой допускается не более 1 ребра.
4. Знаком * отмечены значения для изделий массой до 12 кг.
(Измененная редакция, Изм. № 2, 3, 4, 5, 6).
3.1а. Кривизна динасовых изделий всех марок, предназначенных для печей производства электровакуумного стекла, должна быть с 01.01.88 для изделий всех размеров не более 1 мм.
(Введен дополнительно, Изм. № 4).
3.2. Изделия по всей поверхности излома должны иметь однородное строение, без трещин, пустот и инородных включений. Отдельные зерна не должны выкрашиваться.
(Измененная редакция, Изм. № 2).
3а.1. При производстве динасовых изделий вредным производственным фактором является неорганическая пыль кварцита, содержащая двуокись кремния, относящуюся к 3-му классу опасности. Предельно допустимая концентрация пыли кварцита в воздухе рабочей зоны производственных помещений не должна превышать 1 мг/м3 (ГОСТ 12.1.005).
3а.2. Общие требования безопасности при работе с динасовыми изделиями - по ГОСТ 12.1.007.
3а.3. При производстве динасовых изделий должны соблюдаться требования ГОСТ 17.0.0.01, ГОСТ 12.2.032.
Разд. 3а. (Введен дополнительно, Изм. № 4).
4.1. Изделия предъявляются к приемке партиями. Каждая партия должна состоять из изделий одного назначения.
Масса партии устанавливается не более 150 т одной марки.
(Измененная редакция, Изм. № 2, 3).
4.2. Правила приемки - по ГОСТ 8179 и ОСТ 14-8-216.
(Измененная редакция, Изм. № 5).
4.3. (Исключен, Изм. № 3).
5.1. Химический состав изделий определяют по ГОСТ 2642.0, ГОСТ 2642.3, ГОСТ 2642.5, ГОСТ 2642.7.
Допускается химический состав изделий определять другими методами, утвержденными в установленном порядке, обеспечивающими требуемую точность определения.
(Измененная редакция, Изм. № 3).
5.2. Огнеупорность определяют по ГОСТ 4069.
5.3. Открытую пористость изделий номеров 1 - 29, 31, 32, 35, 38 - 42 определяют по ГОСТ 2409 или по ГОСТ 25714, остальных номеров изделий - по ГОСТ 2409.
5.4. Температуру начала размягчения определяют по ГОСТ 4070.
5.5. Плотность изделий номеров 1 - 29, 31, 32, 35, 38 - 42 определяют по ГОСТ 2211 или по ГОСТ 25714, остальных номеров изделий - по ГОСТ 2211.
5.6. Предел прочности при сжатии изделий номеров 1 - 29, 31, 32, 35, 38 - 42 определяют по ГОСТ 4071 или по ГОСТ 25714, остальных номеров изделий - по ГОСТ 4071.1 или ГОСТ 4071.2.
5.3 - 5.6. (Измененная редакция, Изм. № 4).
5.6а. Открытую пористость, плотность и предел прочности при сжатии по ГОСТ 25714 определяют на удвоенном количестве образцов.
(Введен дополнительно, Изм. № 4).
5.7. Размеры изделий определяют металлической линейкой по ГОСТ 427 с ценой деления шкалы 1 мм или соответствующими шаблонами, гарантирующими заданную точность измерения.
Размеры прямых изделий (длину, ширину) измеряют по двум параллельным граням - посередине каждой грани. Толщину изделий измеряют по четырем граням. За результат измерений принимают среднее значение результатов всех измерений. Размеры изделий других конфигураций измеряют посередине каждой грани.
5.8. Кривизну изделий определяют на поверочной плите (ГОСТ 10905) или аттестованной в установленном порядке металлической плите при помощи щупа-шаблона шириной 10 мм и толщиной, превышающей на 0,1 мм установленную норму кривизны. Щуп не должен входить в зазор между плитой и изделием.
Допускается кривизну крупногабаритных изделий определять поверочной линейкой (ГОСТ 8026) с помощью образцов просвета. Размер поверочной линейки должен перекрывать размеры контролируемых поверхностей изделий.
5.7, 5.8. (Измененная редакция, Изм. № 6).
5.9. Глубину отбитости углов и ребер определяют по ГОСТ 15136.
5.10. Ширину посечек и трещин определяют измерительной лупой по ГОСТ 25706. Длину посечек и трещин замеряют металлической линейкой с ценой деления шкалы 1 мм.
(Измененная редакция, Изм. № 3).
5.11. Диаметр выплавок определяют по наибольшему размеру впадины металлической линейкой (ГОСТ 427) с ценой деления шкалы 1 мм.
(Измененная редакция, Изм. № 4).
6.1. (Исключен, Изм. № 6).
6.2. Маркировка, упаковка, транспортирование и хранение изделий - по ГОСТ 24717.
Транспортная маркировка - по ГОСТ 14192.
Упаковка - в пакеты по ГОСТ 24717 (черт. 1), ящики типа I-1, I-2, по ГОСТ 10198 и контейнеры изготовителя и потребителя по нормативно-технической документации, утвержденной в установленном порядке и разработанной в соответствии с ГОСТ 19667.
Габаритные размеры пакета - по ГОСТ 24597.
Размеры ящиков - по ГОСТ 21140.
Изделия транспортируют в крытых железнодорожных вагонах, полувагонах и на платформах, водным или автомобильным транспортом в соответствии с правилами перевозки грузов, действующими на транспорте данного вида.
Размещение и крепление грузов в соответствии с техническими условиями погрузки и крепления грузов, утвержденными МПС СССР.
(Измененная редакция, Изм. № 3, 4).
Справочное
|
Номер изделия |
Объем, см3 |
Масса, кг |
Номер изделия |
Объем, см3 |
Масса, кг |
|
1 |
15000 |
28,5 |
22 |
11000 |
20,9 |
|
2 |
15000 |
28,5 |
23 |
16036 |
30,5 |
|
3 |
22500 |
42,8 |
24 |
16720 |
31,8 |
|
4 |
7500 |
14,3 |
25 |
13312 |
25,3 |
|
5 |
11400 |
21,7 |
26 |
14062 |
26,7 |
|
6 |
15000 |
28,5 |
27 |
20225 |
38,4 |
|
7 |
10000 |
19,0 |
28 |
21375 |
40,6 |
|
8 |
15200 |
28,9 |
29 |
21840 |
41,5 |
|
9 |
12500 |
23,8 |
30 |
32760 |
62,2 |
|
10 |
19000 |
36,1 |
31 |
16600 |
31,5 |
|
11 |
16500 |
31,4 |
32 |
24900 |
47,3 |
|
12 |
5625 |
10,7 |
33 |
35800 |
68,0 |
|
13 |
6562 |
12,5 |
34 |
35800 |
68,0 |
|
14 |
7800 |
14,8 |
35 |
5700 |
10,8 |
|
15 |
8550 |
16,2 |
36 |
34200 |
65,0 |
|
16 |
9975 |
19,0 |
37 |
31050 |
59,0 |
|
17 |
11856 |
22,5 |
38 |
8700 |
16,5 |
|
18 |
12255 |
23,3 |
39 |
9600 |
18,2 |
|
19 |
15600 |
29,6 |
40 |
11000 |
20,9 |
|
20 |
16125 |
30,6 |
41 |
6700 |
12,7 |
|
21 |
10550 |
20,0 |
42 |
6100 |
11,6 |
Примечание. При расчете массы изделий средняя кажущаяся плотность принята равной 1,90 г/см3
Обязательное
|
Марка |
Код ОКП |
|
ДСУ |
153711 |
|
ДСО |
153712 |
|
ДС |
153713 |
|
ДСО1 |
153715 |
|
ДС1 |
153716 |
|
Д1 |
153714 |
ПРИЛОЖЕНИЕ 2. (Введено дополнительно, Изм. № 5).
ИНФОРМАЦИОННЫЕ ДАННЫЕ
1. РАЗРАБОТАН И ВНЕСЕН Министерством металлургии СССР
РАЗРАБОТЧИКИ
А.П. Бакалкин, И.Ф. Усатиков, А.А. Елтышева
2. УТВЕРЖДЕН И ВВЕДЕН В ДЕЙСТВИЕ Постановлением Государственного комитета СССР по стандартам от 29.12.75 № 4061
3. ВЗАМЕН ГОСТ 3910-41
4. ССЫЛОЧНЫЕ НОРМАТИВНО-ТЕХНИЧЕСКИЕ ДОКУМЕНТЫ
|
Обозначение НТД, на который дана ссылка |
Номер пункта |
|
ГОСТ 2642.3-86 |
|
|
ГОСТ 2642.5-86 |
|
|
ГОСТ 2642.7-86 |
|
|
ГОСТ 4070-83 |
|
|
ГОСТ 8026-92 |
|
|
ГОСТ 8179-85 |
|
|
ГОСТ 10905-86 |
|
|
ГОСТ 19667-74 |
|
|
ГОСТ 25706-83 |
|
5. Ограничение срока действия снято Постановлением Госстандарта СССР от 26.04.91 № 587
6. ПЕРЕИЗДАНИЕ (июнь 1998 г.) с Изменениями № 1, 2, 3, 4, 5, 6, утвержденными в сентябре 1977 г., марте 1981 г., ноябре 1983 г., июле 1986 г., октябре 1988 г., апреле 1991 г.) (ИУС 11-77, 7-81, 2-84, 10-86, 1-89, 7-91)
СОДЕРЖАНИЕ
|
3а. Требования безопасности. 8 6. Маркировка, упаковка, транспортирование и хранение. 9 |