
ГОСУДАРСТВЕННЫЙ СТАНДАРТ СОЮЗА ССР
КЛЕИ ПОЛИМЕРНЫЕ
МЕТОДЫ ОПРЕДЕЛЕНИЯ ПРОЧНОСТИ
ПРИ
РАССЛАИВАНИИ И ОТСЛАИВАНИИ
ГОСТ 28966.1-91
ГОСУДАРСТВЕННЫЙ КОМИТЕТ СССР
ПО УПРАВЛЕНИЮ
КАЧЕСТВОМ ПРОДУКЦИИ И СТАНДАРТАМ
Москва
ГОСУДАРСТВЕННЫЙ СТАНДАРТ СОЮЗА ССР
|
КЛЕИ ПОЛИМЕРНЫЕ Метод определения
прочности Polymer adhesives. Method
of determining |
ГОСТ |
Дата введения 01.01.92
Настоящий стандарт распространяется на полимерные клеи и устанавливает метод определения прочности при расслаивании клеевых соединений гибких пленочных материалов.
Метод заключается в определении нагрузки, разрушающей клеевое соединение, путем измерения усилий, вызывающих расслаивание склеенных между собой в любой комбинации пленочных материалов и приведенных к линейным размерам клеевого шва.
При расслаивании усилие действует перпендикулярно к продольной оси плоскости клеевого шва.
Стандарт не распространяется на резиновые клеи.
Мягкие подложки - гибкие пленочные материалы с модулем упругости от 10-2 до 102 МПа и толщиной от 10 до 1000 мкм: поливинилхлорид (пластифицированный, непластифицированный, армированный тканью), полиэтилен, армированный полиэтилен, полипропилен, полиэтилентерефталат, полиуретан, целлофан, фторопласт, бумага, фольга (алюминиевая, медная) и др.
Модуль упругости определяют по ГОСТ 9550.
Заготовки мягких подложек вырубают или вырезают из материалов, отвечающих требованиям, указанным в нормативно-технической документации на них.
Полимерный клей должен отвечать требованиям, указанным в нормативно-технической документации на него.
1.2. Общий вид и размеры подложек и образца для испытания приведены в приложении 1.
1.3. Мягкая подложка должна иметь гладкую, ровную, без повреждений поверхность без вмятин, сколов, трещин и видимых дефектов.
1.4. На подготовленные поверхности подложки наносят полимерный клей. Подготовку поверхности к склеиванию, количество полимерного клея, наносимого на поверхности подложки, продолжительность хранения, способ нанесения, условия сушки подложки устанавливают в нормативно-технической документации на полимерный клей.
1.5. Для формирования клеевого шва, обеспечения его равномерности по толщине и по всей длине склеиваемой поверхности, а также устранения непроклеев склеенный образец пропускают через прорезь специального приспособления в соответствии с приложением 2.
В зависимости от толщины склеиваемых материалов и клеевого шва в приспособлении изменяется расстояние между подпружиненными валиками таким образом, чтобы в результате прохода образца через зону формирования в клеевом шве не создавалось дополнительное напряжение вследствие взаимного сдвига склеиваемых подложек. Допускаемое давление при формировании клеевого шва составляет от 0,7 до 1,0 МПа или указано в нормативно-технической документации на полимерный клей.
Для формирования клеевого шва может быть использован ручной стальной каток массой 3 кг при толщине материалов до 100 мкм и массой 6 кг при толщине материалов до 1000 мкм (см. приложение 2). При этом катком прокатывают по образцу в обоих направлениях продольной оси его не менее 3 раз.
1.6. Склеенный образец после формирования клеевого шва выдерживают при температуре (23 ± 2) °С в течение 24 ч или в условиях, указанных в нормативно-технической документации на полимерный клей.
1.7. Образец не должен иметь клеевые подтеки по кромке клеевого шва. При их наличии допускается зачищать кромки образца. Смещение размеров подложек по ширине склеивания не должно быть более 0,5 мм.
1.8. Толщину, длину, ширину подложек и склеенных образцов измеряют при помощи штангенциркуля по ГОСТ 166 с отсчетом по нониусу 0,05 мм, толщину 10 - 500 мкм измеряют микрометром по ГОСТ 6507.
Машина разрывная по ГОСТ 7762, ГОСТ 7855.
Прибор самопишущий для записи результатов испытания в координатах «усилие - перемещение подвижного захвата» или «усилие - время».
Термокриокамера для испытания при повышенных и пониженных температурах от минус 100 до плюс 200 °С.
3.1. Перед испытанием измеряют толщину склеиваемых материалов, длину и ширину клеевого шва. При этом измеряют ширину участков не менее чем в пяти точках, равноудаленных друг от друга по длине нахлеста клеевого шва.
Если разница в результатах измерений составляет более 5 %, то в протокол испытаний записывают оба размера участка - ширину и длину, на которых имеется разброс.
3.2. Испытанию подвергают не менее трех образцов.
3.3. Испытание на расслаивание проводят при скорости передвижения подвижного захвата 100 мм/мин. При разрыве одной из подложек образца испытание проводят при выборочной скорости 30 - 100 мм/мин.
3.4. Испытание на расслаивание проводят при температуре (23 ± 2) °С или температуре, указанной в нормативно-технической документации на полимерный клей.
3.5. При проведении испытаний при повышенных и пониженных температурах в камеру разрывной машины с заданной температурой вводят образец и выдерживают в течение не менее 30 мин или времени, указанного в нормативно-технической документации на клей. После этого проводят испытание на расслаивание.
3.6. При испытании подложек из разнородных материалов подложку с большим модулем упругости зажимают в неподвижном захвате разрывной машины, а подложку с меньшим модулем упругости - в подвижном захвате.
3.7. Включают разрывную машину и проводят расслаивание до полного отделения подложек.
3.8. Результаты испытаний подсчитывают по диаграмме самопишущего прибора «усилие - перемещение подвижного захвата» или «усилие - время» в соответствии с приложением 3.
За результат испытаний принимают среднее арифметическое не менее 50 % наименьших значений максимумов, но не менее 5. При этом первое максимальное усилие не учитывают.
3.9. Образцы, разрушившиеся в ходе испытаний и после них, подлежат визуальному осмотру для определения вида разрушения (адгезионное, когезионное, смешанное). Виды разрушения образцов приведены в приложении 4.
4.1. Разрушающее усилие для каждого образца и характер разрушения должны оформляться протоколом испытаний в соответствии с приложением 7.
4.2. Если в процессе испытания происходит разрыв подложки, то в протокол записывают разрушающее усилие, при котором произошел разрыв.
4.3. Прочность клеевого соединения при расслаивании (Прас) в ньютонах на метр вычисляют по формуле
![]()
где Р - разрушающее усилие, Н;
b - ширина клеевого шва, м.
При этом

где Р - среднее арифметическое не менее 50 % наименьших значений максимумов, но не менее 5. Первое максимальное усилие не учитывают;
Рi - разрушающее усилие, Н;
i - число разрушающих усилий;
п - число наименьших значений максимумов;

где b - среднее арифметическое результатов пяти измерений ширины участка клеевого шва по длине нахлеста;
bi - ширина клеевого шва одного образца, м.
За результат испытания принимают среднее арифметическое результатов не менее трех параллельных определений, допускаемое расхождение между которыми устанавливается в нормативно-технической документации на полимерный клей и не должно превышать 10 %.
Допускаемая относительная погрешность результата измерения ±5 % при доверительной вероятности 0,95.

а - подложка; б - образец для испытания; 1 - площадь склеивания; 2 - захват
Черт. 1

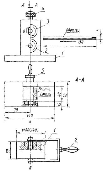
а - механическое приспособление: 1 - основание; 2 - ведущий валик диаметром 40 мм; 3 - ведомый валик диаметром 40 мм; 4 - регулировочный винт; 5 - рукоятка (привод); б - ручное приспособление: 1 - каток; 2 - ручка
Черт. 2

Стрелкой указаны минимальные максимумы
Черт. 3
|
Вид разрушения образца |
Наименование вида разрушения |
Обозначение вида разрушения |
|
|
Разрыв подклюшки |
ПР |
|
|
Когезионное разрушение по материалу |
КМР |
|
|
Когезионное разрушение по клею |
ККР |
|
|
Адгезионное разрушение |
АР |
Черт. 4
Примечание. Кроме указанных видов разрушений могут иметь место «смешанные» разрушения, обозначаемые следующим образом: КМР (50 %) + ККР (50 %), где в скобках указывают площадь склеивания, выраженную в процентах с данным видом разрушения.
ПРОТОКОЛ ИСПЫТАНИЙМарка клея _____________________________________________________________ обозначение стандарта, марка клея или НИР Скорость нагружения _____________________________________________________ Количество образцов _____________________________________________________ Время проведения испытания _______________________________________________ Состав клея ______________________________________________________________ наименование составляющих компонентов, % масс.
|
ИНФОРМАЦИОННЫЕ ДАННЫЕ
1. ПОДГОТОВЛЕН И ВНЕСЕН Министерством химической и нефтеперерабатывающей промышленности СССР
РАЗРАБОТЧИКИ
С.С. Геворкян; Г.Б. Степанян, канд. техн. наук (руководитель темы); М.С. Бабаян; С.С. Никогосян
2. УТВЕРЖДЕН И ВВЕДЕН В ДЕЙСТВИЕ Постановлением Государственного комитета СССР по управлению качеством продукции и стандартам от 05.04.91 № 454
3. Срок первой проверки - 1996 г.
Периодичность проверки - 5 лет
4. ВВЕДЕН ВПЕРВЫЕ
5. ССЫЛОЧНЫЕ НОРМАТИВНО-ТЕХНИЧЕСКИЕ ДОКУМЕНТЫ
|
Обозначение НТД, на который дана ссылка |
Номер пункта, раздела |
|
ГОСТ 7762-74 |
Разд. 2 |
|
ГОСТ 7855-84 |
Разд. 2 |
|
ГОСТ 9550-81 |
СОДЕРЖАНИЕ
|
3. Подготовка и проведение испытания. 2 Приложение 1 Общий вид и размеры подложки и образца для испытания. 4 Приложение 2 Приспособление для формирования клеевого шва. 4 |