
ГОСУДАРСТВЕННЫЙ СТАНДАРТ СОЮЗА ССР
РЕЛЬСЫ ЖЕЛЕЗНОДОРОЖНЫЕ
ТИПА Р50
КОНСТРУКЦИЯ И РАЗМЕРЫ
ГОСТ 7174-75
ГОСУДАРСТВЕННЫЙ КОМИТЕТ СССР ПО СТАНДАРТАМ
Москва
ГОСУДАРСТВЕННЫЙ СТАНДАРТ СОЮЗА ССР
|
РЕЛЬСЫ ЖЕЛЕЗНОДОРОЖНЫЕ ТИПА Р50 Конструкция и размеры Railway rails type Р50. |
ГОСТ Взамен ГОСТ 7174-65 |
Постановлением Государственного комитета стандартов Совета Министров СССР от 18 июня 1975 г. № 1572 срок введения установлен
с 01.01.77
Проверен в 1985 г. Постановлением Госстандарта от 09.04.85 № 1019 срок действия продлен
до 01.01.92
Несоблюдение стандарта преследуется по закону
1. Настоящий стандарт распространяется на закаленные и незакаленные железнодорожные рельсы типа Р50 и устанавливает их конструкцию и размеры.
Настоящий стандарт соответствует рекомендации СЭВ по стандартизации PC 1937-69.
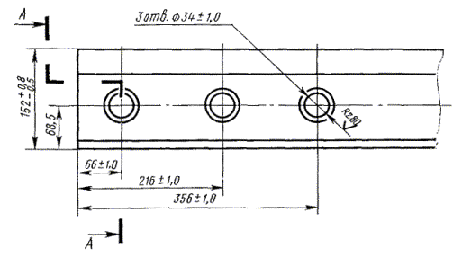
2. Конструкция и размеры поперечного сечения рельсов должны соответствовать указанным на черт. 1, а расположение и размеры отверстий в шейке на концах рельсов - на черт. 2.
По заказу потребителя рельсы могут быть изготовлены без отверстий в шейке и без закалки поверхности катания головки на одном или обоих концах.
Допускается по соглашению между изготовителем и потребителем изменение размещения отверстий на концах рельсов.
3. Предельные отклонения по выпуклости головки при измерении по оси симметрии поперечного профиля рельса должны быть ±0,5 мм, а по равномерной выпуклости подошвы - 0,5 мм. Вогнутость подошвы рельса не допускается.
А-А
* Размеры обеспечиваются инструментом.
Черт. 1
Примечание. Расположение болтовых отверстий контролируется по клиновой части пазухи.
Черт. 2
Условное обозначение железнодорожного рельса типа Р50:
Рельс Р50 ГОСТ 7174-75
4. Не допускается отклонение от симметричности профиля поперечного сечения рельса относительно его вертикальной оси: по подошве - более 1 мм и по головке - более 0,3 мм.
(Измененная редакция, Изм. № 1).
5. Кромки отверстий в шейке рельсов должны иметь фаски размером от 1,5 до 3 мм под углом 45°.
(Измененная редакция, Изм. № 2).
На объемнозакаленных рельсах снятие фаски по ГОСТ 18267-82.
6. Рельсы изготовляют длиной, соответствующей приведенной в таблице.
|
Длина рельса (при t=(20±2)°С), м |
Допускаемые отклонения по длине, мм, для рельсов |
Наличие отверстий в шейке на концах рельса |
||
|
нетермоупрочненных |
термоупрочненных по всей длине |
|||
|
I класс |
II класс |
|||
|
25,000 |
±20 |
±20 |
Без отверстий |
|
|
25,000 |
±6 |
±9 |
±15 |
Отверстия на обоих концах |
|
24,920 |
||||
|
24,840 |
||||
|
12,520 |
±6 |
±7 |
±10 |
Отверстия на одном конце |
|
12,500 |
±6 |
±7 |
±10 |
Отверстия на обоих концах |
|
12,460 |
||||
|
12,420 |
||||
|
12,380 |
||||
Примечание. По требованию потребителя рельсы изготовляют другой длины».
(Измененная редакция, Изм. № 2).
7. Допускается контактная или газопрессовая сварка рельсов длиной до 25 м из рельсов длиной не менее 6 м, изготовленных из стали одного способа выплавки. Количество кусков в свариваемом рельсе должно определяться по соглашению между изготовителем и потребителем.
8. Технические требования для незакаленных рельсов из мартеновской стали - по ГОСТ 24182-80, для объемно-закаленных рельсов - по ГОСТ 18267-82.
9. Соответствие профиля рельсов размерам, установленным настоящим стандартом, должно определяться шаблонами на расстоянии не более 150 - 200 мм от торца контролируемого рельса. Применение других приборов запрещается.
10. Расчетные данные приведены в справочном приложении к настоящему стандарту.
Справочное
Площадь поперечного сечения рельса, см2 ..................................................................... 65,99
Расстояние от центра тяжести, мм:
до низа подошвы ..................................................................................................... 70,5
до верха головки ...................................................................................................... 81,5
Момент инерции относительно осей, см4:
горизонтальной ....................................................................................................... 2011
вертикальной ............................................................................................................ 375
Момент сопротивления, см3:
по низу подошвы ...................................................................................................... 285
по верху головки ....................................................................................................... 247
по боковой грани подошвы ....................................................................................... 55
Теоретическая линейная масса одного метра рельса
(при плотности стали 7850 кг/м3), кг ................................................................................. 51,8
Распределение металла по площади поперечного сечения рельса,
% от всей площади:
в головке ................................................................................................................. 38,12
в шейке .................................................................................................................... 24,46
в подошве ............................................................................................................... 37,42