
ГОСУДАРСТВЕННЫЙ СТАНДАРТ СОЮЗА ССР
ЦЕМЕНТЫ ТАМПОНАЖНЫЕ
Методы определения предела прочности
при изгибе и сжатии
ГОСТ 26798.2-85
(СТ СЭВ 6825-89)
ГОСУДАРСТВЕННЫЙ КОМИТЕТ СССР ПО ДЕЛАМ СТРОИТЕЛЬСТВА
Москва
ГОСУДАРСТВЕННЫЙ СТАНДАРТ СОЮЗА ССР
|
ЦЕМЕНТЫ ТАМПОНАЖНЫЕ Oil-well cements. Test methods of strength limits in bending and compression |
ГОСТ
26798.2-85 |
Постановлением Государственного комитета СССР по делам строительства от 12 декабря 1985 г. № 220 срок введения установлен
с 01.01.87
СОДЕРЖАНИЕ
|
2. ПРОВЕДЕНИЕ ИСПЫТАНИЙ ПРИ АТМОСФЕРНОМ ДАВЛЕНИИ 3. ПРОВЕДЕНИЕ ИСПЫТАНИЙ В АВТОКЛАВЕ ПРИЛОЖЕНИЕ Обязательное. ПОВЕРКА ИСПЫТАТЕЛЬНОГО ОБОРУДОВАНИЯ И СРЕДСТВ ИЗМЕРЕНИЯ
|
Настоящий стандарт распространяется на все виды тампонажных цементов и устанавливает методы определения предела прочности при изгибе и сжатии.
Мешалка для приготовления цементного теста по ГОСТ 26798.1-85.
Чаша и лопатка по ГОСТ 310.3-76.
Форма для изготовления образцов-балочек по ГОСТ 310.4-81.
Шкаф для воздушно-влажного хранения и ванна для водного хранения образцов по СТ СЭВ 3920-82.
Термостат и автоклав, обеспечивающие поддержание режима испытаний по ГОСТ 26798.0-85.
Прибор для испытания на изгиб образцов-балочек по ГОСТ 310.4-81.
Пресс любой конструкции, имеющий подвижную шаровую опору с максимальной нагрузкой до 500 кН и допустимой погрешностью измерения нагрузки не более ±2 %.
Пластинки для передачи нагрузки по ГОСТ 310.4-81.
Разъемные формы для изготовления образцов-балочек при испытании цементов для повышенных и высоких температур размерами 20 ´ 20 ´ 100 мм (черт. 1).
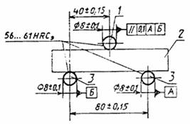
Прибор для испытания на изгиб образцов-балочек размером 20 ´ 20 ´ 100 мм. Для испытания образцов-балочек на изгиб допускается использовать приборы любой конструкции, имеющие среднюю скорость нарастания испытательной нагрузки на образец (15 ± 2) Н/с, погрешность определения не более 0,2 МПа. Схема расположения образца на опорных элементах, их форма, размеры и взаимное расположение должны соответствовать черт. 2. Опоры и нагрузочный стержень прибора должны быть изготовлены из нержавеющей стали с твердостью по Роквеллу 56 . . . 61 НRСэ.
Пластинки для передачи нагрузки при испытании на сжатие половинок образцов-балочек 20 ´ 20 ´ 100 мм - по черт. 3.
Испытательное оборудование и средства измерений должны подвергаться проверке в соответствии с обязательным приложением.
Схема формы размером 20´20´100 мм
1 - перегородка (3 шт.); 2 - дно (1 шт.); 3 - стенка (2 шт.)
Черт. 1
Схема расположения образца-балочки размером 20 ´ 20 ´ 100 мм
1 - нагрузочный стержень; 2 - образец-балочка, 3 - опора
Черт. 2
Рабочая часть пластины для испытания образцов на сжатие
Черт. 3
2.1. Испытание проводят по ГОСТ 310.4-81 и в соответствии с требованиями настоящего стандарта.
2.2. Цементное тесто готовят по ГОСТ 26798.0-85. При применении лабораторной мешалки цементное тесто готовят в два приема с последующим перемешиванием обеих порций в чаше вручную в течение 1 мин. Интервал между приготовлением обеих порций цементного теста не должен превышать 5 мин. При изготовлении цементного теста вручную его готовят в один прием.
Форму наполняют цементным тестом в два приема при ручном непрерывном перемешивании его в чаше. Через 1 ч после наполнения формы избыток теста срезают ножом вровень с краями формы.
2.3. Формы с образцами из цемента для низких и нормальных температур помещают в шкаф воздушно-влажного хранения. Через (24 ± 1) ч с момента изготовления образцы расформовывают, маркируют и погружают в ванну с водой, где хранят до проведения испытаний.
2.4. Формы с образцами из цемента для умеренных температур покрывают стеклянной или металлической пластинкой и загружают в термостат, прогретый до режимной температуры. Через (24 ± 1) ч образцы расформовывают и маркируют.
Образцы из цементов, для которых стандартами технических условий установлен срок испытаний 1 сут., после расформования охлаждают в ванне с водой комнатной температуры в течение 2 ч 30 мин и испытывают.
Образцы из других цементов погружают в термостат и хранят в нем до испытаний. Погрешность выдерживания срока твердения не должна превышать 1 ч. Перед испытаниями образцы охлаждают в ванне с водой комнатной температуры в течение 2 ч 30 мин.
3.1. Для приготовления образцов собирают две формы размерами 20 ´ 20 ´ 100 мм. Для герметизации форм используют пластичную смазку любой марки. Перед заливкой цементного теста внутренние поверхности форм смазывают индустриальным или консервационным маслом любой марки, а затем проверяют герметичность форм, заполняя их водой.
После проверки герметичности воду выливают.
3.2. Приготовленное по ГОСТ 26798.0-85 цементное тесто заливают в формы.
Не позднее чем через 30 мин от начала затворения формы с цементным тестом помещают в автоклав.
Температура предварительного прогрева автоклава, а также режимные температура и давление и время их достижения должны соответствовать ГОСТ 26798.0-85. Время выдержки при рабочем режиме устанавливают по стандартам или техническим условиям на цемент.
3.3. Время выдержки отсчитывают от момента достижения заданного режима твердения до момента отключения автоклава. Погрешность выдерживания срока твердения не должна превышать 1 ч.
3.4. Перед извлечением образцов, твердевших в автоклаве, его следует охладить до температуры 75 °С и снизить давление до атмосферного.
3.5. Извлеченные из автоклава формы с образцами охлаждают на воздухе (30±5) мин при комнатной температуре. Формы раскрывают, образцы протирают ветошью и маркируют, а затем помещают в воду комнатной температуры.
Образцы испытывают не позднее чем через 2 ч 30 мин после извлечения из автоклава.
3.6. Определение предела прочности при изгибе
3.6.1. Для испытания используют четыре образца-балочки. Образец-балочку устанавливают на опоры прибора и включают прибор.
3.6.2. Предел прочности при изгибе Rн, МПа, вычисляют для каждого образца-балочки по формуле
Rн = 0,015 Р, (1)
где Р - разрушающая нагрузка, Н.
Предел прочности при изгибе вычисляют как среднее арифметическое результатов испытаний четырех образцов с округлением до 0,1 МПа (1,0 кгс/см2).
3.7. Определение предела прочности при сжатии
3.7.1. Полученные после испытания на изгиб четыре нижние половинки балочек испытывают на сжатие по ГОСТ 310.4-81, используя пластинки для передачи нагрузки размером 20 ´ 25 мм.
3.7.2. Предел прочности при сжатии Rс, МПа, вычисляют для каждого образца по формуле
Rс = 0,002Р, (2)
где Р - разрушающая нагрузка, Н.
Наименьший результат не учитывают, предел прочности при сжатии цемента вычисляют как среднее арифметическое значение результатов испытаний трех других образцов. Вычисление выполняют с округлением до 0,1 МПа (1,0 кгс/см2).
1. Поверке подлежат формы для изготовления образцов-балочек, прибор для определения предела прочности образцов при изгибе, пресс для определения предела прочности образцов при сжатии, пластинки для передачи нагрузки на половинки образцов-балочек.
2. Поверку производят в соответствии с методиками поверки с периодичностью не реже одного раза в год.
3. Поверяемые параметры аппаратуры приведены в таблице.
|
Объект поверки |
Поверяемые узлы или детали |
Поверяемые параметры |
|
Мешалка |
Механизм в сборе |
Скорость вращения |
|
Формы для изготовления образцов-балочек |
- |
Внутренние размеры, параллельность и перпендикулярность стенок |
|
Прибор для определения предела прочности при изгибе |
Опорные и передающие нагрузку элементы |
Размеры элементов и их взаимное расположение |
|
|
Прибор в целом |
Точность воспроизведения нагрузок, средняя скорость нарастания нагрузки |
|
Пресс для определения предела прочности при сжатии |
Прибор в целом |
Точность воспроизведения нагрузок, средняя скорость нарастания нагрузки |
|
Пластинки для передачи нагрузки на половинки образцов-балочек |
- |
Состояние рабочей поверхности, размеры, плоскостность рабочей поверхности |