ГОСТ 21924.2-84
МЕЖГОСУДАРСТВЕННЫЕ СТАНДАРТЫ
ПЛИТЫ
ЖЕЛЕЗОБЕТОННЫЕ
С НЕНАПРЯГАЕМОЙ АРМАТУРОЙ
ДЛЯ ПОКРЫТИЙ ГОРОДСКИХ ДОРОГ
ИПК ИЗДАТЕЛЬСТВО СТАНДАРТОВ
Москва
МЕЖГОСУДАРСТВЕННЫЙ СТАНДАРТ
|
ПЛИТЫ
ЖЕЛЕЗОБЕТОННЫЕ С НЕНАПРЯГАЕМОЙ Конструкция и размеры Reinforced concrete slabs of unstressed fittings for pavements of city roads. |
ГОСТ |
Дата введения 01.01.85
1. Настоящий стандарт распространяется на железобетонные плиты с ненапрягаемой арматурой, изготовляемые из тяжелого бетона и предназначенные для устройства покрытий постоянных и временных городских дорог под автомобильную нагрузку Н-30 и Н-10, и устанавливает конструкцию этих плит.
Плиты применяют для дорог в районах с расчетной температурой наружного воздуха (средней наиболее холодной пятидневки района строительства по СНиП 2.01.01) до минус 40 °C включ.
При применении плит в климатическом подрайоне IVA должны учитываться дополнительные требования СНиП 2.03.01 к конструкциям, предназначенным для эксплуатации в этих условиях.
Допускается применение данных плит для дорог в районах с расчетной температурой наружного воздуха ниже минус 40 °C при соблюдении требований, предъявляемых СНиП 2.03.01 к конструкциям, предназначенным для эксплуатации в этих условиях.
(Измененная редакция, Изм. № 1).
2. Форма и основные параметры плит - по ГОСТ 21924.0.
3. Технические показатели плит приведены в табл. 1.
4. Плиты должны удовлетворять всем требованиям ГОСТ 21924.0 и настоящего стандарта.
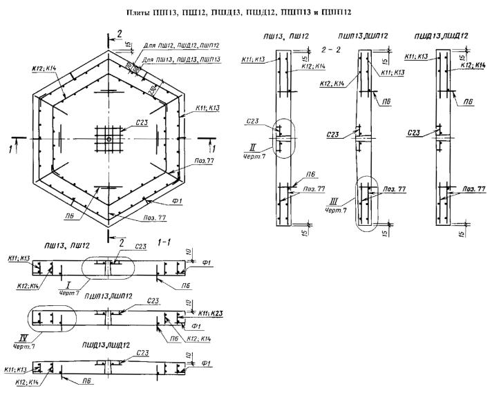
5. Армирование плит должно соответствовать приведенному на черт. 1 - 7.
Армирование плит термомеханически упрочненной арматурной сталью класса Ат-IIIС по ГОСТ 10884 аналогично армированию арматурной сталью класса А-III по ГОСТ 5781.
Примечание. Допускается применение для фиксации арматурных сеток вместо элементов К1-К10 и Ф1 фиксаторов других типов, которые без увеличения расхода стали на плиту обеспечивают фиксацию арматуры согласно требованиям данного стандарта при исключении выхода металла на лицевую поверхность плиты в пределах защитного слоя бетона.
6. Спецификация арматурных и монтажно-стыковых элементов приведена в табл. 2, выборка арматурной стали для их изготовления на одну плиту - в табл. 3.
5, 6. (Измененная редакция, Изм. № 1).
7. Форма и размеры арматурных и монтажно-стыковых элементов - по ГОСТ 21924.3.
8. Значения контрольной нагрузки (без учета собственного веса плиты) для испытания плит по прочности и трещиностойкости приведены в табл. 4.
9. Контрольная ширина раскрытия трещин при испытании плит по трещиностойкости не должна превышать 0,2 мм.
Таблица 1
|
Класс бетона по прочности на сжатие |
Марка бетона по прочности на растяжение при изгибе |
Площадь постели, м2 |
Расход материалов |
|||
|
Бетон на плиту, м3 |
Сталь, кг |
|||||
|
на плиту |
на 1 м3 постели |
|||||
|
1П35.28-30 |
В30 |
50 |
9,6 |
1,63 |
113,92 |
11,87 |
|
2П35.28-30 |
В22,5 |
|||||
|
1П35.28-10 |
В30 |
79,36 |
8,27 |
|||
|
2П35.28-10 |
В22,5 |
|||||
|
1П30.18-30 |
В30 |
5,2 |
0,88 |
66,26 |
12,74 |
|
|
2П30.18-30 |
В22,5 |
46,48 |
8,94 |
|||
|
1П30.18-10 |
В30 |
|||||
|
2П30.18-10 |
В22,5 |
37,24 |
7,16 |
|||
|
1П18.18-30 |
В30 |
3,0 |
0,48 |
46,94 |
15,65 |
|
|
2П18.18-30 |
В22,5 |
33,80 |
11,27 |
|||
|
1П18.18-10 |
В30 |
|||||
|
2П18.18-10 |
В22,5 |
23,02 |
7,67 |
|||
|
1П18.15-30 |
В30 |
2,6 |
0,41 |
35,12 |
13,51 |
|
|
2П18.15-30 |
В22,5 |
24,88 |
9,57 |
|||
|
1П18.15-10 |
В30 |
|||||
|
2П18.15-10 |
В22,5 |
20,26 |
7,79 |
|||
|
1ПББ35.20-30 |
В30 |
7,8 |
1,35 |
100,43 |
12,88 |
|
|
1ПББ35.20-10 |
71,27 |
9,14 |
||||
|
1ПТ35-30 |
6,1 |
1,03 |
79,75 |
13,07 |
||
|
2ПТ35-30 |
В22,5 |
|||||
|
1ПТ35-10 |
В30 |
56,58 |
9,28 |
|||
|
2ПТ35-10 |
В22,5 |
|||||
|
1ПШ13-30 |
В30 |
4,0 |
0,72 |
25,22 |
6,30 |
|
|
1ПШД13-30 |
0,76 |
|||||
|
1ПШП13-30 |
0,77 |
|||||
|
1ПШ12-30 |
3,5 |
0,63 |
24,02 |
6,86 |
||
|
1ПШД12-30 |
0,66 |
|||||
|
1ПШП12-30 |
0,67 |
|||||
|
1ДПШ13-30 |
2,0 |
0,36 |
16,25 |
8,12 |
||
|
1ДПШ12-30 |
1,7 |
0,31 |
15,48 |
9,10 |
||
|
1ППШ13-30 |
2,0 |
0,36 |
16,60 |
8,30 |
||
|
1ППШ12-30 |
1,7 |
0,31 |
15,83 |
9,31 |
||
Черт. 1

Черт. 2

Черт. 3

Черт. 4

Черт. 5

Черт. 6
Черт. 7
Таблица 2
|
Арматурные сетки |
Арматурные каркасы |
Монтажные петли |
Скобы |
Фиксаторы |
Отдельные стержни |
|||||||
|
Марка |
Число |
Марка |
Число |
Марка |
Число |
Марка |
Число |
Марка |
Число |
Поз. |
Число |
|
|
1П35.28-30, |
С8 |
2 |
К1 |
2 |
П3 |
4 |
- |
- |
- |
- |
19 |
4 |
|
2П35.28-30 |
20 |
|||||||||||
|
1П35.28-10, |
С9 |
К2 |
21 |
|||||||||
|
2П35.28-10 |
22 |
|||||||||||
|
1П30.18-30 |
С10 |
К3 |
П4 |
23 |
||||||||
|
24 |
||||||||||||
|
2П30.18-30, |
СП |
К4 |
25 |
|||||||||
|
1П30.18-10 |
26 |
|||||||||||
|
2П30.18-10 |
С12 |
К5 |
27 |
|||||||||
|
28 |
||||||||||||
|
1П18.18-30 |
С13 |
К6 |
П5 |
|
|
|
|
29 |
8 |
|||
|
2П18.18-30, 1П18.18-10 |
С14 |
К7 |
24 |
|||||||||
|
2П18.18-10 |
С15 |
К8 |
26 |
|||||||||
|
1П18.15-30 |
С16 |
К9 |
29 |
4 |
||||||||
|
30 |
||||||||||||
|
2П18.15-30, |
С17 |
К10 |
24 |
|||||||||
|
1П18.15-10 |
31 |
|||||||||||
|
2П18.15-10 |
С18 |
К8 |
26 |
|||||||||
|
32 |
||||||||||||
|
1ПББ35.20-30 |
С19 |
К9 |
3 |
П3 |
Ск1 |
4 |
33 |
|||||
|
1ПББ35.20-10 |
С20 |
К10 |
35 |
|||||||||
|
1ПТ35-30, |
С21 |
К3 |
|
|
71 |
|||||||
|
2ПТ35-30 |
72 |
2 |
||||||||||
|
73 |
||||||||||||
|
1ПТ35-10, |
С22 |
К4 |
74 |
4 |
||||||||
|
2ПТ35-10 |
75 |
2 |
||||||||||
|
76 |
||||||||||||
|
1ПШ13-30, |
С23 |
1 |
К11, К12 |
2 |
П6 |
Ф1 |
6 |
77 |
12 |
|||
|
1ПШД13-30, |
||||||||||||
|
1ПШП13-30 |
||||||||||||
|
1ПШ12-30, |
К13, К14 |
|||||||||||
|
1ПШД12-30, |
||||||||||||
|
1ПШП12-30 |
||||||||||||
|
1ДПШ13-30 |
К15 - К17 |
1 |
3 |
5 |
4 |
|||||||
|
1ДПШ12-30 |
К18 - К20 |
|||||||||||
|
1ППШ13-30 |
|
К21 - К23 |
6 |
6 |
||||||||
|
1ППШ12-30 |
К24 - К26 |
|||||||||||
Таблица 3
кг
|
Арматурная сталь по ГОСТ 5781 |
Арматурная сталь по ГОСТ 6727 |
Всего |
||||||||||||
|
Класс А-III |
Класс А-I |
Класс Вр-I |
||||||||||||
|
Диаметр, мм |
Итого |
Диаметр, мм |
Итого |
Диаметр, мм |
||||||||||
|
8 |
10 |
12 |
8 |
10 |
12 |
14 |
16 |
4 |
5 |
Итого |
||||
|
1П35.28-30, |
- |
43,78 |
61,80 |
105,58 |
- |
0,60 |
- |
6,08 |
- |
6,68 |
- |
1,66 |
1,66 |
113,92 |
|
2П35.28-30 |
||||||||||||||
|
1П35.28-10, |
28,04 |
42,96 |
- |
71,00 |
1,68 |
1,68 |
79,36 |
|||||||
|
2П35.28-10 |
||||||||||||||
|
1П30.18-30 |
- |
23,50 |
37,06 |
60,56 |
3,76 |
- |
4,36 |
1,34 |
1,34 |
66,26 |
||||
|
2П30.18-30, |
15,02 |
25,74 |
|
40,76 |
1,36 |
1,36 |
46,48 |
|||||||
|
1П30.18-10 |
||||||||||||||
|
2П30.18-10 |
16,50 |
- |
|
16,50 |
15,02 |
19,38 |
37,24 |
|||||||
|
1П18.18-30 |
|
43,04 |
43,04 |
- |
2,88 |
- |
2,88 |
1,02 |
1,02 |
46,94 |
||||
|
2П18.18-30, |
|
29,90 |
|
29,90 |
33,80 |
|||||||||
|
1П18.18-10 |
||||||||||||||
|
2П18.18-10 |
19,10 |
- |
|
19,10 |
1,04 |
1,04 |
23,02 |
|||||||
|
1П18.15-30 |
- |
12,78 |
18,44 |
31,22 |
1,02 |
1,02 |
35,12 |
|||||||
|
2П18.15-30, |
8,16 |
12,82 |
- |
20,98 |
24,88 |
|||||||||
|
1П18.15-10 |
||||||||||||||
|
2П18.15-10 |
8,18 |
- |
8,18 |
8,16 |
11,04 |
1,04 |
1,04 |
20,26 |
||||||
|
1ПББ35.20-30 |
- |
34,20 |
55,14 |
89,34 |
- |
1,20 |
6,08 |
2,28 |
9,56 |
1,53 |
1,53 |
100,43 |
||
|
1ПББ35.20-10 |
21,90 |
38,28 |
- |
60,18 |
71,27 |
|||||||||
|
1ПТ35-30, |
- |
27,76 |
43,30 |
71,06 |
0,60 |
- |
6,68 |
2,01 |
2,01 |
79,75 |
||||
|
2ПТ35-30 |
||||||||||||||
|
1ПТ35-10, |
17,78 |
30,08 |
- |
47,86 |
2,04 |
2,04 |
56,58 |
|||||||
|
2ПТ35-10 |
||||||||||||||
|
1ПШ13-30, |
- |
21,34 |
21,34 |
2,88 |
- |
2,88 |
1,00 |
- |
1,00 |
25,22 |
||||
|
1ПШД13-30, |
||||||||||||||
|
1ПШП13-30 |
||||||||||||||
|
1ПШ12-30, |
20,14 |
20,14 |
24,02 |
|||||||||||
|
1ПШД12-30, |
||||||||||||||
|
1ПШП12-30 |
||||||||||||||
|
1ДПШ13-30 |
13,32 |
13,32 |
2,16 |
2,16 |
0,77 |
0,77 |
16,25 |
|||||||
|
1ДПШ12-30 |
12,55 |
12,55 |
15,48 |
|||||||||||
|
1ППШ13-30 |
13,72 |
13,72 |
0,72 |
0,72 |
16,60 |
|||||||||
|
1ППШ12-30 |
12,95 |
12,95 |
15,83 |
|||||||||||
Примечание. При применении арматурной стали класса Ат-IIIC ее диаметр и расход следует принимать одинаковым с арматурной сталью класса А-III.
Таблица 4
|
Контрольная нагрузка (без учета собственного веса плиты), кН (тс), при испытании плит |
Марка плиты |
Контрольная нагрузка (без учета собственного веса плиты), кН (тс), при испытании плит |
||||
|
по прочности |
по трещиностойкости |
по прочности |
по трещиностойкости |
|||
|
1П35.28-30 |
115,6 (11,8) |
63,7 (6,5) |
1П18.15-30 |
179,3 (18,3) |
99,0 (10,1) |
|
|
2П35.28-30 |
113,7 (11,6) |
62,7 (6,4) |
2П18.15-30 |
122,5 (12,5) |
67,6 (6,9) |
|
|
1П35.28-10 |
67,6 (6,9) |
37,2 (3,8) |
1П18.15-10 |
123,5 (12,6) |
67,6 (6,9) |
|
|
2П35.28-10 |
66,6 (6,8) |
2П18.15-10 |
73,5 (7,5) |
40,2 (4,1) |
||
|
1П30.18-30 |
107,8 (11,0) |
59,8 (6,1) |
1ПББ35.20-30 |
69,6 (7,1) |
38,2 (3,9) |
|
|
2П30.18-30 |
68,6 (7,0) |
37,2 (3,8) |
1ПББ35.20-10 |
38,2 (3,9) |
21,6 (2,2) |
|
|
1П30.18-10 |
69,6 (7,1) |
38,2 (3,9) |
1ПТ35-30 |
83,3 (8,5) |
46,1 (4,7) |
|
|
2П30.18-10 |
33,3 (3,4) |
18,6 (1,9) |
2ПТ35-30 |
82,3 (8,4) |
45,1 (4,6) |
|
|
1П18.18-30 |
184,2 (18,8) |
100,9 (10,3) |
1ПТ35-10 |
50,0 (5,1) |
27,4 (2,8) |
|
|
2П18.18-30 |
128,4 (13,1) |
70,6 (7,2) |
2ПТ35-10 |
|||
|
1П18.18-10 |
129,4 (13,2) |
71,5 (7,3) |
1ПШ13, |
1ПШД13, |
94,1 (9,6) |
51,9 (5,3) |
|
2П18.18-10 |
78,4 (8,0) |
43,1 (4,4) |
1ПШП13 |
|||
|
1ПШ12, |
1ПШД12, |
79,4 (8,1) |
44,1 (4,5) |
|||
|
1ПШП12 |
||||||
ИНФОРМАЦИОННЫЕ ДАННЫЕ
1. РАЗРАБОТАН И ВНЕСЕН Министерством жилищно-коммунального хозяйства РСФСР
2. УТВЕРЖДЕН И ВВЕДЕН В ДЕЙСТВИЕ ПОСТАНОВЛЕНИЕМ Государственного комитета СССР по делам строительства от 30.09.83 № 210
3. ВВЕДЕН ВПЕРВЫЕ
4. ССЫЛОЧНЫЕ НОРМАТИВНО-ТЕХНИЧЕСКИЕ ДОКУМЕНТЫ
|
Обозначение НТД, на который дана ссылка |
Номер пункта |
5. ИЗДАНИЕ (январь 2002 г.) с Изменением № 1, утвержденным в декабре 1987 г. (ИУС 5-88)