МЕЖГОСУДАРСТВЕННЫЙ СТАНДАРТ
|
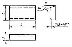
ПЛАСТИНЫ ТВЕРДОСПЛАВНЫЕ НАПАИВАЕМЫЕ ТИПА 24 Конструкция и размеры Hard metal brazed tips, type 24. Design and dimensions |
ГОСТ |
Дата введения 01.07.93
1. Настоящий стандарт распространяется на пластины для дисковых концевых фрез и торцево-цилиндрических фрез к агрегатным станкам.
2. Конструкция и размеры пластин должны соответствовать указанным на чертеже и в табл. 1.

* Размер для пресс-форм.
Таблица 1
Размеры в мм
|
Обозначение пластин |
l |
b |
s |
Основное применение |
Дополнительное применение |
Применение по специальному заказу |
|
24010 |
6 |
7 |
3,0 |
№ 2, № 7, № 10 |
№ 8, № 9, № 11 |
№ 1, № 3, № 4, № 5, № 13 |
|
24050 |
8 |
№ 2, № 7, № 10 |
№ 8, № 9, № 11 |
№ 1, № 3, № 4, № 5, № 13 |
||
|
24070 |
10 |
5 |
№ 2, № 7, № 10 |
№ 8, № 9, № 11 |
№ 1, № 3, № 4, № 5, № 13 |
|
|
24090 |
7 |
№ 2, № 7, № 10 |
№ 1, № 3, № 8, № 9, № 11 |
№ 4, № 5, № 13 |
||
|
24770 |
12 |
№ 2, № 3, № 7, № 10 |
№ 1, № 8, № 9, № 11 |
№ 4, № 5, № 13 |
||
|
24130 |
9 |
3,5 |
№ 2, № 3, № 7, № 10 |
№ 1, № 4, № 5, № 8, № 9, № 11 |
№ 13 |
|
|
24170 |
14 |
№ 2, № 3, № 7, № 10 |
№ 1, № 4, № 5, № 8, № 9, № 11 |
№ 13 |
||
|
24210 |
16 |
№ 2, № 3, № 4, № 5, № 7, № 10 |
№ 1, № 8, № 9, № 11 |
№ 13 |
||
|
24250 |
18 |
№ 2, № 3, № 4, № 7, № 10 |
№ 1, № 5, № 8, № 9, № 11 |
№ 13 |
||
|
24270 |
20 |
10 |
4,0 |
№ 2, № 3, № 4, № 7, № 10 |
№ 1, № 5, № 8, № 9, № 11 |
№ 13 |
|
24290 |
22 |
№ 3, № 4, № 7, № 10 |
№ 2, № 5, № 8, № 9, № 11 |
№ 1, № 13 |
||
|
24470 |
14 |
№ 3, № 4, № 7, № 10 |
№ 2, № 5, № 8, № 9, № 11 |
№ 1, № 13 |
||
|
24790 |
25 |
10 |
№ 3, № 4, № 10 |
№ 5, № 7, № 8, № 9, № 11 |
№ 1, № 2, № 13 |
|
|
24870 |
14 |
№ 3, № 4, № 10 |
№ 5, № 7, № 8, № 9, № 11 |
№ 1, № 2, № 13 |
||
|
24550 |
28 |
№ 4, № 10 |
№ 3, № 5, № 7, № 8, № 9, № 11, № 13 |
№ 1, № 2 |
||
|
24570 |
32 |
№ 4, № 10 |
№ 3, № 5, № 7, № 8, № 9, № 11, № 13 |
№ 1, № 2, № 3 |
||
|
24590 |
36 |
№ 4, № 10 |
№ 5, № 7, № 8, № 9, № 11 |
№ 1, № 2, № 3, № 13 |
||
|
24650 |
40 |
5,0 |
№ 4, № 10 |
№ 7, № 8, № 9, № 11 |
№ 1, № 2, № 3, № 13 |
|
|
24850 |
45 |
№ 4, № 10 |
№ 7, № 8, № 9, № 11 |
№ 5, № 13 |
3. Условное обозначение пластин - по ГОСТ 25393.
4. Ориентировочная масса пластин указана в приложении.
5. Технические требования - по ГОСТ 2209.
6. Применяемые марки сплавов: № 1 - Т30К4; № 2 - Т15К6; № 3 - Т14К8; № 4 - Т5К10; № 5 - ТТ10К8-Б; № 7 - ВК3, ВК3-М; № 8 - ВК6-М, ВК6-ОМ; № 9 - ВК6; № 10 - ВК8; № 11 - ВК10-ХОМ; № 13 - Т8К7.
ПРИЛОЖЕНИЕ
Справочное
Таблица 2
Ориентировочная масса пластин
|
Обозначение пластин |
Ориентировочная масса пластин в г из твердого сплава марок |
|||||||||
|
Т30К4 |
Т15К6 |
Т14К8 |
Т5К10 |
ТТ10К8-Б |
ВК3-М, ВК3 |
ВК6-ОМ, ВК6-М, ВК6 |
ВК8 |
ВК10-ХОМ |
Т8К7 |
|
|
24010 |
1,08 |
1,27 |
1,28 |
1,45 |
1,55 |
1,71 |
1,69 |
1,67 |
1,68 |
1,48 |
|
24050 |
1,46 |
1,71 |
1,73 |
1,95 |
2,09 |
2,31 |
2,27 |
2,24 |
2,26 |
1,99 |
|
24070 |
1,25 |
1,47 |
1,48 |
1,66 |
1,78 |
1,97 |
1,94 |
1,92 |
1,93 |
1,70 |
|
24090 |
1,82 |
2,14 |
2,16 |
2,43 |
2,60 |
2,88 |
2,83 |
2,80 |
2,82 |
2,49 |
|
24770 |
2,19 |
2,57 |
2,59 |
2,92 |
3,13 |
3,46 |
3,40 |
3,36 |
3,38 |
2,99 |
|
24130 |
3,31 |
3,89 |
3,92 |
4,42 |
4,73 |
5,23 |
5,15 |
5,09 |
5,13 |
4,52 |
|
24170 |
3,87 |
4,56 |
4,59 |
5,17 |
5,53 |
6,13 |
6,03 |
5,95 |
5,99 |
5,29 |
|
24210 |
4,40 |
5,20 |
5,20 |
5,90 |
6,31 |
7,00 |
6,85 |
6,80 |
6,85 |
6,04 |
|
24250 |
5,00 |
5,85 |
5,90 |
6,65 |
7,12 |
7,85 |
7,75 |
7,65 |
7,70 |
6,80 |
|
24270 |
7,00 |
8,25 |
8,30 |
9,40 |
10,10 |
11,10 |
11,00 |
10,80 |
10,88 |
9,62 |
|
24290 |
7,70 |
9,10 |
9,15 |
10,30 |
11,00 |
12,20 |
12,00 |
11,90 |
11,98 |
10,50 |
|
24470 |
11,10 |
13,00 |
13,10 |
14,80 |
15,80 |
17,50 |
17,30 |
17,10 |
17,22 |
15,10 |
|
24790 |
8,75 |
10,30 |
10,40 |
11,70 |
12,50 |
13,90 |
13,60 |
13,50 |
13,59 |
12,00 |
|
24870 |
12,60 |
14,80 |
14,90 |
16,80 |
18,00 |
19,90 |
19,60 |
19,40 |
19,54 |
17,20 |
|
24550 |
14,10 |
16,60 |
16,70 |
18,80 |
20,10 |
22,30 |
22,00 |
21,70 |
21,85 |
19,20 |
|
24570 |
16,00 |
18,90 |
19,00 |
21,50 |
23,00 |
25,50 |
25,00 |
24,80 |
24,97 |
22,00 |
|
24590 |
18,10 |
21,50 |
21,40 |
24,20 |
25,90 |
28,70 |
28,20 |
28,00 |
28,20 |
24,80 |
|
24650 |
24,90 |
29,30 |
29,50 |
33,30 |
35,60 |
39,40 |
38,80 |
38,30 |
38,57 |
34,10 |
|
24850 |
28,00 |
33,00 |
33,20 |
37,40 |
40,00 |
44,40 |
43,60 |
43,10 |
43,40 |
38,30 |
ИНФОРМАЦИОННЫЕ ДАННЫЕ
1. РАЗРАБОТАН И ВНЕСЕН Министерством металлургии СССР
2. УТВЕРЖДЕН И ВВЕДЕН В ДЕЙСТВИЕ Постановлением Государственного комитета СССР по управлению качеством продукции и стандартам от 31.10.90 № 2762
3. ВЗАМЕН ГОСТ 25409-82
4. ССЫЛОЧНЫЕ НОРМАТИВНО-ТЕХНИЧЕСКИЕ ДОКУМЕНТЫ
|
Обозначение НТД, на который дана ссылка |
Номер пункта |
|
5 |
|
|
3 |
5. ПЕРЕИЗДАНИЕ 2006 г.