
ГОСУДАРСТВЕННЫЕ СТАНДАРТЫ СОЮЗА ССР
СОЕДИНИТЕЛЬНЫЕ
И КРЕПЕЖНЫЕ ДЕТАЛИ
СТЕКЛЯННЫХ ТРУБОПРОВОДОВ
КРОНШТЕЙНЫ
КОНСТРУКЦИЯ
ГОСТ 24198-80
государственный комитет ссср по стандартам
Москва
ГОСУДАРСТВЕННЫЙ СТАНДАРТ СОЮЗА ССР
|
КРОНШТЕЙНЫ Конструкция Brackets. Design |
ГОСТ |
Дата введения 01.07.81
(Измененная редакция, Изм. № 2).
Несоблюдение стандарта преследуется по закону
1. Настоящий стандарт распространяется на кронштейны, применяемые для крепления стеклянных трубопроводов.
Требования настоящего стандарта являются обязательными.
(Измененная редакция, Изм. № 2).
2. Кронштейны должны быть изготовлены двух типов:
1 - для крепления стеклянных трубопроводов;
2 - для крепления стеклянных трубопроводов в теплицах и холодильниках.
Кронштейны типа 1 должны изготовляться 4-х исполнений;
кронштейны типа 2 - 2-х исполнений:
1 - кронштейн ОВН - для крепления стеклянных трубопроводов кровельного обогрева в теплицах;
2 - кронштейны ТХН - для крепления потолочных и пристенных батарей из стеклянных труб холодильников.
(Новая редакция, Изм. № 2).
3. Конструкция и основные размеры кронштейнов типа 1 должны соответствовать указанным на черт. 1 и в табл. 1.
(Измененная редакция, Изм. № 2).
Тип 1
Исполнение 1

Исполнение 2

Исполнение 3

Исполнение 4
1 - скоба; 2 - распорка
Черт. 1
* Размер для справок.
(Измененная редакция, Изм. № 2).
Таблица 1
Размеры в мм
|
l |
l1 |
l2 |
Число скоб |
Число распорок |
Масса, кг, не более |
|||||||||||
|
для исполнения |
для исполнения |
|||||||||||||||
|
1, 2 |
3, 4 |
1 |
2 |
3 |
4 |
1 |
2 |
3 |
4 |
1 |
2 |
3 |
4 |
|||
|
180 |
150 |
- |
- |
- |
1 |
2 |
2 |
4 |
1 |
2 |
- |
2 |
0,29 |
0,54 |
0,27 |
0,60 |
|
350 |
300 |
- |
- |
- |
- |
0,51 |
0,98 |
0,49 |
1,10 |
|||||||
|
450 |
430 |
- |
- |
2 |
3 |
- |
0,60 |
1,25 |
0,60 |
1,25 |
||||||
|
600 |
450 |
- |
- |
- |
- |
3 |
- |
1,63 |
0,80 |
1,70 |
||||||
|
750 |
600 |
750 |
- |
- |
- |
- |
- |
2,03 |
- |
2,10 |
||||||
|
900 |
- |
- |
4 |
- |
4 |
- |
2,40 |
- |
2,60 |
|||||||
|
1050 |
900 |
- |
- |
- |
- |
- |
2,78 |
- |
2,90 |
|||||||
(Измененная редакция, Изм. № 2).
Пример условного обозначения кронштейна длиной L = 450 мм, тип 1 исполнения 1, из стали марки Ст3кп:
Кронштейн 1-1-450 ГОСТ 24198-80
то же, из стали марки Ст3сп:
Кронштейн 1-1-450-С ГОСТ 24198-80
То же, исполнения 2, из стали марки Ст3кп:
Кронштейн 1-2-450 ГОСТ 24198-80
То же, из стали марки Ст3сп:
Кронштейн 1-2-450-С ГОСТ 24198-80
То же, исполнения 3, из стали марки Ст3кп:
Кронштейн 1-3-450 ГОСТ 24198-80
То же, из стали марки Ст3сп:
Кронштейн 1-3-450-С ГОСТ 24198-80
То же, исполнения 4, из стали марки Ст3кп:
Кронштейн 1-4-450 ГОСТ 24198-80
То же, из стали марки Ст3п:
Кронштейн 1-4-450-С ГОСТ 24198-80
(Измененная редакция, Изм. № 2).
4. Конструкция и основные размеры скоб должны соответствовать указанным на черт. 2 и в табл. 2.
Исполнение 1, 2

Исполнение 4
Черт. 2
Таблица 2
Размеры в мм
|
l |
l1 |
l2 |
Масса, кг, не более |
|||
|
для исполнения |
||||||
|
1, 2 |
3 |
4 |
||||
|
180 |
160 |
- |
- |
0,23 |
0,14 |
0,13 |
|
350 |
310 |
- |
- |
0,45 |
0,25 |
0,24 |
|
450 |
- |
- |
0,57 |
0,30 |
0,29 |
|
|
600 |
460 |
- |
0,76 |
0,40 |
0,39 |
|
|
750 |
610 |
- |
0,95 |
- |
0,49 |
|
|
900 |
760 |
1,14 |
- |
0,59 |
||
|
1050 |
910 |
1,33 |
- |
0,68 |
||
Пример условного обозначения скобы кронштейна длиной L = 450 мм, исполнения 1, 2, из стали марки Ст3кп:
Скоба 450 ГОСТ 24198-80
То же, из стали марки Ст3сп:
Скоба 450-С ГОСТ 24198-80
То же, исполнения 3 из стали марки Ст3кп:
Скоба 3-450 ГОСТ 24198-80
То же, из стали марки Ст3сп:
Скоба 3-450-С ГОСТ 24198-80
То же, исполнения 4 из стали марки Ст3кп:
Скоба 4-450 ГОСТ 24198-80
То же, из стали марки Ст3сп:
Скоба 4-450-С ГОСТ 24198-80
5. Конструкция и основные размеры распорок (исполнения 3, 4) должны соответствовать указанным на черт. 3.
Масса 0,05 кг, не более
Черт. 3
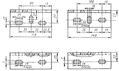
5а. Конструкция и основные размеры кронштейнов типа 2 должны соответствовать указанным на черт. 4 и в табл. 3.
Тип 2
Исполнение 1

Исполнение 2

Таблица 3
Размеры и мм
|
Для трубы Dу |
L |
L1 |
l |
l1 |
l2 |
п |
n1 |
Масса, кг, не более |
|
|
1 |
40 |
115 |
- |
35 |
22,5 |
85 |
- |
- |
0,46 |
|
50 |
140 |
- |
35,0 |
110 |
- |
- |
0,57 |
||
|
2 |
- |
500 |
300 |
45 |
- |
- |
6 |
2 |
1,87 |
|
- |
800 |
600 |
- |
- |
10 |
4 |
3,00 |
||
|
- |
950 |
300 |
- |
- |
6 |
2 |
3,55 |
||
|
- |
1500 |
300 |
- |
- |
5,60 |
||||
|
- |
1800 |
1650 |
20 |
- |
- |
24 |
11 |
6,76 |
|
|
- |
1850 |
1650 |
45 |
- |
- |
6,94 |
|||
|
- |
2300 |
2100 |
- |
- |
30 |
14 |
8,60 |
||
|
- |
2750 |
2550 |
- |
- |
36 |
17 |
10,00 |
||
|
- |
2900 |
2700 |
- |
- |
38 |
18 |
10,70 |
||
|
- |
3200 |
3000 |
- |
- |
42 |
20 |
12,00 |
||
|
- |
3500 |
3300 |
- |
- |
46 |
22 |
13,00 |
||
|
- |
3800 |
3600 |
- |
- |
50 |
24 |
14,00 |
||
|
- |
4100 |
3900 |
- |
- |
54 |
26 |
15,20 |
Пример условного обозначения кронштейна исполнения 1, длиной L = 115 мм:
Кронштейн 1-115 ГОСТ 24198-80
То же, исполнения 2 длиной L = 500 мм:
Кронштейн 2-500 ГОСТ 24198-80.
(Введен дополнительно, Изм. № 2).
6. Материал кронштейнов - сталь марки Ст3кп или Ст3сп по ГОСТ 380-88.
(Измененная редакция, Изм. № 2).
7. Технические требования - по ГОСТ 24201-80.
8. Коды ОКП приведены в приложении.
(Введен дополнительно, Изм. № 2).
Справочное
|
Условное обозначение кронштейна |
Код ОКП и контрольное число |
|
1-1-180 |
48 3475 0001 09 |
|
1-1-180-С |
48 3475 0002 09 |
|
1-2-180 |
48 3475 0003 08 |
|
1-2-180-С |
48 3475 0004 07 |
|
1-3-180 |
48 3475 0005 06 |
|
1-3-180-С |
48 3475 0006 05 |
|
1-4-180 |
48 3475 0007 04 |
|
1-4-180-С |
48 3475 0008 03 |
|
1-1-350 |
48 3475 0009 02 |
|
1-1-350-С |
48 3475 0011 08 |
|
1-2-350 |
48 3475 0012 07 |
|
1-2-350-С |
48 3475 0013 06 |
|
1-3-350 |
48 3475 0014 05 |
|
1-3-350-С |
48 3475 0015 04 |
|
1-4-350 |
48 3475 0016 03 |
|
1-4-350-С |
48 3475 0017 02 |
|
1-1-450 |
48 3475 0018 01 |
|
1-1-450-С |
48 3475 0019 00 |
|
1-2-450 |
48 3475 0021 06 |
|
1-2-450-С |
48 3475 0022 05 |
|
1-3-450 |
48 3475 0023 04 |
|
1-3-450-С |
48 3475 0024 03 |
|
1-4-450 |
48 3475 0025 02 |
|
1-4-450-С |
48 3475 0026 01 |
|
1-2-600 |
48 3475 0027 00 |
|
1-2-600-С |
48 3475 0028 03 |
|
1-3-600 |
48 3475 0029 09 |
|
1-3-600-С |
48 3475 0031 04 |
|
1-4-600 |
48 3475 0032 03 |
|
1-4-600-С |
48 3475 0033 02 |
|
1-2-750 |
48 3475 0034 01 |
|
1-2-750-С |
48 3475 0035 00 |
|
1-4-750 |
48 3475 0036 00 |
|
1-4-750-С |
48 3475 0037 09 |
|
1-2-900 |
48 3475 0038 08 |
|
1-2-900-С |
48 3475 0039 07 |
|
1-4-900 |
48 3475 0041 02 |
|
1-4-900-С |
48 3475 0042 01 |
|
1-2-1050 |
48 3475 0043 00 |
|
1-2-1050-С |
48 3475 0044 08 |
|
1-4-1050 |
48 3475 0045 09 |
|
1-4-1050-С |
48 3475 0046 08 |
|
1-115 |
48 3475 0049 05 |
|
1-140 |
48 3475 0051 00 |
|
2-500 |
48 3475 6001 08 |
|
2-800 |
48 3475 6002 07 |
|
2-950 |
48 3475 6003 06 |
|
2-1500 |
48 3475 6004 05 |
|
2-1800 |
48 3475 6005 04 |
|
2-1850 |
48 3475 6006 03 |
|
2-2300 |
48 3475 6007 02 |
|
2-2750 |
48 3475 6008 01 |
|
2-2900 |
48 3475 6009 00 |
|
2-3200 |
48 3175 6001 06 |
|
2-3500 |
48 3475 6012 05 |
|
2-3800 |
48 3475 6013 04 |
|
2-4100 |
48 3475 6014 03 |
(Измененная ред., Изм. № 1, 2).
1. РАЗРАБОТАН И ВНЕСЕН Министерством монтажных и специальных строительных работ СССР
ИСПОЛНИТЕЛИ
М.Г. Скакунов, д-р техн. наук; Н.Н. Куликов; Р.И. Шарунова
2. УТВЕРЖДЕН И ВВЕДЕН В ДЕЙСТВИЕ Постановлением Государственного комитета СССР по стандартам от 22.05.80 № 2306
3. ВЗАМЕН ГОСТ 15930-74
4. Срок проверки - I квартал 1990 г.; периодичность проверки - 5 лет.
5. ССЫЛОЧНЫЕ НОРМАТИВНО-ТЕХНИЧЕСКИЕ ДОКУМЕНТЫ
|
Обозначение НТД, на который дана ссылка |
Номер пункта |
|
ГОСТ 380-71 |
|
6. ПЕРЕИЗДАНИЕ (май 1988 г.) с Изменением № 1, утвержденным в январе 1988 г. (ИУС 4-88).
Снято ограничение срока действия Постановлением Госстандарта СССР от 18.01.88 № 156