
ГОСУДАРСТВЕННЫЕ СТАНДАРТЫ СОЮЗА ССР
СОЕДИНИТЕЛЬНЫЕ
И КРЕПЕЖНЫЕ ДЕТАЛИ
СТЕКЛЯННЫХ ТРУБОПРОВОДОВ
ПАТРУБКИ
КОНСТРУКЦИЯ
ГОСТ 24190-80
ГОСУДАРСТВЕННЫЙ КОМИТЕТ СССР ПО СТАНДАРТАМ
МОСКВА
ГОСУДАРСТВЕННЫЙ СТАНДАРТ СОЮЗА ССР
|
ПАТРУБКИ Конструкция Branch pipes. Design |
ГОСТ |
Дата введения 01.07.91
Несоблюдение стандарта преследуется по закону
1. Настоящий стандарт распространяется на патрубки, применяемые при монтаже стеклянных трубопроводов.
Требования настоящего стандарта являются обязательными.
(Измененная редакция, Изм. № 3).
2. Патрубки должны быть изготовлены двух типов:
1 - для соединения стеклянных трубопроводов;
2 - для соединения стеклянных трубопроводов кровельного отопления к металлическим трубопроводам.
Патрубки типа 1 должны изготовляться 2-х исполнений.
(Новая редакция, Изм. № 3).
3. Конструкция и основные размеры патрубков типа 1 должны соответствовать указанным на черт. 1 и в табл. 1.
Тип 1
Исполнение 1

Исполнение 2
* Размеры для справок.
1 - переходник; 2 - штуцер; 3 - накидная гайка; 4 - заглушка; 5 - прокладка
Черт. 1
Таблица 1
Размеры в мм
|
Наружный диаметр трубы Dн |
L |
Масса, кг, не более |
|||
|
для исполнения |
|||||
|
1 |
2 |
1 |
2 |
||
|
40 |
45 |
174 |
90 |
0,40 |
0,4 |
|
50 |
67 |
195 |
101 |
0,90 |
0,7 |
|
80 |
93 |
215 |
102 |
1,55 |
1,1 |
|
100 |
122 |
255 |
131 |
2,75 |
2,0 |
|
150 |
169 |
- |
155 |
- |
4,9 |
Пример условного обозначения патрубка для трубы наружным диаметром Dн = 45 мм тип 1 исполнения 1:
Патрубок 1-1-45 ГОСТ 24190-80
То же, исполнения 2:
Патрубок 1-2-45 ГОСТ 24190-80
(Измененная редакция, Изм. № 3).
4. Конструкция и основные размеры переходника должны соответствовать указанным на черт. 2 и в табл. 2.
Для труб Dн = 45 мм

Для труб Dн = 67, 93, 122 мм

Для труб Dн = 169 мм
Черт. 2
Таблица 2
Размеры в мм
|
Наружный диаметр трубы Dн |
D |
D1 |
D2 |
D3 |
D4 |
D5 |
D6 |
d |
B |
b |
Масса, кг, не более |
|
|
40 |
45 |
М48´2 |
45 |
35 |
50 |
88 |
102 |
68 |
7,6 |
80 |
9 |
0,28 |
|
50 |
67 |
М68´3 |
67 |
56 |
70 |
120 |
144 |
95 |
10,1 |
90 |
10 |
0,49 |
|
80 |
93 |
М95´3 |
93 |
81 |
96 |
148 |
172 |
116 |
11 |
0,70 |
||
|
100 |
122 |
M125´3 |
122 |
107 |
130 |
180 |
204 |
148 |
120 |
1,65 |
||
|
150 |
169 |
M170´3 |
169 |
152 |
175 |
250 |
280 |
186 |
12,1 |
140 |
12 |
3,50 |
Пример условного обозначения переходника для трубы наружным диаметром Dн = 45 мм:
Переходник 45 ГОСТ 24190-80
5. Конструкция и основные размеры штуцера должны соответствовать указанным на черт. 3 и в табл. 3.
Черт. 3
Таблица 3
Размеры в мм
|
Наружный диаметр трубы Dн |
D |
D1 |
D2 = D3 |
D4 |
L |
S |
a = а1 |
Масса, кг, не более |
|
|
40 |
45 |
45 |
28 |
34 |
36 |
90 |
4 |
10 |
0,10 |
|
50 |
67 |
64 |
46 |
52 |
54 |
100 |
5 |
14 |
0,25 |
|
80 |
93 |
90 |
69 |
79 |
82 |
120 |
15 |
0,63 |
|
|
100 |
122 |
120 |
94 |
106 |
110 |
130 |
1,10 |
Пример условного обозначения штуцера для трубы наружным диаметром Dн = 45 мм:
Штуцер 45 ГОСТ 24190-80
6. Конструкция и основные размеры накидной гайки должны соответствовать указанным на черт. 4 и в табл. 4.
Черт. 4
Таблица 4
Размеры в мм
|
Наружный диаметр трубы Dн |
D |
D1 |
D2 |
D3 |
B |
b |
Масса, кг, не более |
|
|
40 |
45 |
М48´2 |
58 |
68 |
37 |
29 |
23 |
0,065 |
|
50 |
67 |
М68´3 |
80 |
90 |
55 |
0,150 |
||
|
80 |
93 |
М95´3 |
100 |
116 |
83 |
32 |
25 |
0,220 |
|
100 |
122 |
M125´3 |
137 |
147 |
112 |
0,300 |
Пример условного обозначения накидной гайки для трубы наружным диаметром Dн = 45 мм:
Гайка 45 ГОСТ 24190-80
7. Конструкция и основные размеры заглушки должны соответствовать указанным на черт. 5 и в табл. 5.
Черт. 5
Таблица 5
Размеры в мм
|
Наружный диаметр трубы Dн |
D |
D1 |
D2 |
B |
b |
Масса, кг, не более |
|
|
40 |
45 |
М48´2 |
58 |
68 |
29 |
23 |
0,09 |
|
50 |
67 |
М68´3 |
80 |
90 |
0,19 |
||
|
80 |
93 |
М95´3 |
106 |
116 |
32 |
25 |
0,30 |
|
100 |
122 |
М125´3 |
137 |
147 |
26 |
0,43 |
|
|
150 |
169 |
M170´3 |
190 |
200 |
45 |
35 |
1,35 |
Пример условного обозначения заглушки для трубы наружным диаметром Dн = 45 мм:
Заглушка 45 ГОСТ 24190-80
3 - 7. (Измененная редакция, Изм. № 1).
8. Конструкция и размеры прокладок должны соответствовать указанным на черт. 6 и в табл. 6.
Черт. 6
Таблица 6
Размеры в мм
|
Наружный диаметр трубы Dн |
D |
d |
Н |
Масса, кг, не более |
|
|
40 |
45 |
44 |
35 |
4 |
0,006 |
|
50 |
67 |
64 |
53 |
5 |
0,008 |
|
80 |
93 |
90 |
81 |
0,016 |
|
|
100 |
122 |
120 |
108 |
0,020 |
|
|
150 |
169 |
167 |
155 |
0,022 |
Пример условного обозначения прокладки для трубы наружным диаметром Dн = 45 мм:
Прокладка 45 ГОСТ 24190-80
9. Детали патрубка должны быть изготовлены: переходник, штуцер, накидная гайка, заглушка - из алюминиевого сплава марки АК7 по ГОСТ 2685-75, а прокладки - из резины по рабочим чертежам, утвержденным в установленном порядке.
Сталь Ст.3 ГОСТ 380-88.
(Измененная редакция, Изм. № 3).
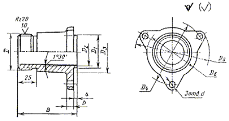
9a. Конструкция и основные размеры патрубков типа 2 должны соответствовать указанным на черт. 7 и в табл. 7.
Тип 2
Черт. 7
Таблица 7
Размеры в мм
|
D |
А |
В |
d |
Масса, кг, не более |
|
|
40 |
88 |
136,6 |
78 |
8 |
1,1 |
|
50 |
120 |
156,6 |
120 |
10 |
2,3 |
Пример условного обозначения патрубка типа 2 для трубы Dy = 40 мм:
Патрубок 2-40 ГОСТ 24190-80.
(Введен дополнительно, Изм. № 3).
10. Технические требования - по ГОСТ 24201-80.
11. Коды ОКП приведены в приложении.
(Введен дополнительно, Изм. № 3).
ПРИЛОЖЕНИЕ
Справочное
|
Условное обозначение |
Код ОКП и контрольное число |
|
|
патрубка |
прокладки |
|
|
1-1-45 |
- |
48 3473 0001 09 |
|
1-2-45 |
- |
48 3473 0002 08 |
|
1-1-67 |
- |
48 3473 0003 07 |
|
1-2-67 |
- |
48 3473 0004 06 |
|
1-1-93 |
- |
48 3473 0005 05 |
|
1-2-93 |
- |
48 3473 0006 04 |
|
1-1-122 |
- |
48 3473 0007 03 |
|
1-2-122 |
- |
48 3473 0008 02 |
|
1-2-169 |
- |
48 3473 0009 01 |
|
- |
45 |
25 3167 0801 06 |
|
- |
67 |
25 3167 0802 05 |
|
- |
93 |
25 3167 0803 04 |
|
- |
122 |
25 3167 0804 03 |
|
- |
169 |
25 3167 0805 02 |
|
2-40 |
- |
48 3475 0047 09 |
|
2-50 |
- |
48 3475 0048 08 |
(Введено дополнительно, Изм. № 1).
(Измененная редакция, Изм. № 3).
ИНФОРМАЦИОННЫЕ ДАННЫЕ
1. РАЗРАБОТАН И ВНЕСЕН Министерством монтажных и специальных строительных работ СССР
ИСПОЛНИТЕЛИ
М.Г. Скакунов, д-р техн. наук; В.И. Каптелов; Н.Н. Куликов; Р.И. Шарунова
2. УТВЕРЖДЕН И ВВЕДЕН В ДЕЙСТВИЕ Постановлением Государственного комитета СССР по стандартам от 22.05.80 № 2306
3. ВЗАМЕН ГОСТ 19696-74, ГОСТ 15919-74, ГОСТ 15920-74, ГОСТ 15921-74, ГОСТ 15922-74, ГОСТ 15923-74
4. Срок проверки - 1 квартал 1990 г.; периодичность проверки - 5 лет.
5. ССЫЛОЧНЫЕ НОРМАТИВНО-ТЕХНИЧЕСКИЕ ДОКУМЕНТЫ
|
Обозначение НТД, на который дана ссылка |
Номер пункта |
|
ГОСТ 2685-75 |
|
6. ПЕРЕИЗДАНИЕ (май 1988 г.) с Изменениями № 1, 2, утвержденными в сентябре 1982 г., в январе 1988 г. (ИУС 1-83, 4-88).
Снято ограничение срока действия Постановлением Госстандарта СССР от 28.01.88 № 155.