ГОСТ 19308-98
МЕЖГОСУДАРСТВЕННЫЙ СТАНДАРТ
ИЗЛОЖНИЦЫ ЦЕНТРОБЕЖНЫЕ С ФЛАНЦЕМ И ЦЕНТРОБЕЖНЫМИ ЗАМКАМИ
Конструкция и размеры
МЕЖГОСУДАРСТВЕННЫЙ СОВЕТ
ПО СТАНДАРТИЗАЦИИ, МЕТРОЛОГИИ И СЕРТИФИКАЦИИ
Минск
Предисловие
1. РАЗРАБОТАН Межгосударственным техническим комитетом МТК 252 «Литейное производство»
ВНЕСЕН Госстандартом России
2. ПРИНЯТ Межгосударственным
Советом по стандартизации, метрологии и сертификации (протокол № 14-98 от 12
ноября
За принятие проголосовали:
|
Наименование государства |
Наименование национального органа по стандартизации |
|
Азербайджанская Республика Республика Беларусь Республика Казахстан Киргизская Республика Российская Федерация Республика Таджикистан Туркменистан Республика Узбекистан Украина |
Азгосстандарт Госстандарт Беларуси Госстандарт Республики Казахстан Киргизстандарт Госстандарт России Таджикгосстандарт Главная государственная инспекция Туркменистана Узгосстандарт Госстандарт Украины |
3. Постановлением
Государственного комитета Российской Федерации по стандартизации и метрологии
от 23 июля
4. ВЗАМЕН ГОСТ 19308-73
Содержание
МЕЖГОСУДАРСТВЕННЫЙ СТАНДАРТ
|
ИЗЛОЖНИЦЫ ЦЕНТРОБЕЖНЫЕ С ФЛАНЦЕМ Конструкция и размеры Centrifugal moulds with flange and centrifugal locks. Construction and dimensions |
Дата введения 2000-01-01
Настоящий стандарт распространяется на центробежные изложницы с фланцем и центробежными замками для однопозиционных машин центробежного литья консольного типа с горизонтальной осью вращения, предназначенные для изготовления втулок из стали, чугуна и цветных сплавов.
Стандарт пригоден для целей сертификации.
Требования настоящего стандарта являются обязательными.
В настоящем стандарте использованы ссылки на следующие стандарты:
ГОСТ 977-88 Отливки стальные. Общие технические условия
ГОСТ 1412-85 Чугун с пластинчатым графитом для отливок. Марки
ГОСТ 5915-70 Гайки шестигранные класса точности В. Конструкция и размеры
ГОСТ 7293-85 Чугун с шаровидным графитом для отливок. Марки
ГОСТ 7798-70 Болты с шестигранной головкой класса точности В. Конструкция и размеры
ГОСТ 19310-98 Выталкиватели для центробежных изложниц. Конструкция и размеры
ГОСТ 19311-98 Крышки для центробежных изложниц. Конструкция и размеры
ГОСТ 19313-98 Замки центробежные для центробежных изложниц. Конструкция и размеры
ГОСТ 19315-98 Хомуты тройные для центробежных изложниц. Конструкция и размеры
ГОСТ 19316-98 Изложницы центробежные. Технические условия
3.1 Конструкция и размеры центробежных изложниц должны соответствовать указанным на рисунке 1 и в таблицах 1 и 2.

*Размеры для справок.
1 - изложница; 2 - выталкиватель; 3 - крышка; 4 - центробежный замок; 5 - тройной хомут; 6 - болт М16-6Н.5.05 по ГОСТ 5915; 8 - планшайба машины; 9 - шток выталкивателя
Таблица 1
Размеры в миллиметрах
|
Обозначение центробежных изложниц |
d |
l |
D |
D1 |
L |
Масса изложниц, кг, не более |
|
|
из чугуна |
из стали |
||||||
|
0570-0631 |
80 |
160 |
320 |
250 |
195 |
43,1 |
43,5 |
|
0570-0632 |
180 |
205 |
45,0 |
45,4 |
|||
|
0570-0633 |
200 |
235 |
46,7 |
47,2 |
|||
|
0570-0634 |
90 |
160 |
330 |
195 |
46,0 |
46,4 |
|
|
0570-0635 |
180 |
205 |
48,0 |
48,4 |
|||
|
0570-0636 |
200 |
235 |
50,0 |
50,4 |
|||
|
0570-0637 |
250 |
285 |
54,7 |
55,2 |
|||
|
0570-0638 |
100 |
160 |
340 |
280 |
195 |
52,0 |
52,5 |
|
0570-0639 |
180 |
205 |
54,1 |
54,6 |
|||
|
0570-0641 |
200 |
235 |
56,3 |
56,8 |
|||
|
0570-0642 |
250 |
285 |
61,7 |
62,2 |
|||
|
0570-0643 |
110 |
160 |
350 |
195 |
53,6 |
54,2 |
|
|
0570-0644 |
180 |
205 |
56,0 |
56,5 |
|||
|
0570-0645 |
200 |
235 |
58,3 |
58,8 |
|||
|
0570-0646 |
250 |
285 |
65,0 |
65,5 |
|||
|
0570-0647 |
125 |
200 |
385 |
235 |
65,3 |
65,8 |
|
|
0570-0648 |
250 |
285 |
72,2 |
72,8 |
|||
|
0570-0649 |
320 |
355 |
81,7 |
82,4 |
|||
|
0570-0651 |
140 |
200 |
405 |
235 |
71,2 |
71,8 |
|
|
0570-0652 |
250 |
285 |
79,3 |
80,0 |
|||
|
0570-0653 |
320 |
355 |
91,0 |
92,0 |
|||
|
0570-0654 |
160 |
200 |
425 |
320 |
235 |
79,0 |
79,7 |
|
0570-0655 |
250 |
285 |
88,1 |
88,8 |
|||
|
0570-0656 |
320 |
355 |
100,8 |
101,7 |
|||
|
0570-0657 |
180 |
200 |
445 |
235 |
87,3 |
88,0 |
|
|
0570-0658 |
250 |
285 |
93,4 |
94,2 |
|||
|
0570-0659 |
320 |
355 |
107,3 |
108,2 |
|||
|
0570-0601 |
200 |
200 |
465 |
360 |
235 |
100,3 |
101,1 |
|
0570-0692 |
250 |
285 |
111,5 |
112,4 |
|||
|
0570-0603 |
320 |
355 |
122,2 |
123,2 |
|||
|
0570-0604 |
220 |
200 |
495 |
400 |
235 |
122,0 |
123,0 |
|
0570-0605 |
250 |
285 |
136,0 |
137,2 |
|||
|
0570-0606 |
320 |
355 |
153,4 |
154,7 |
|||
|
0570-0610 |
280 |
200 |
585 |
450 |
235 |
154,2 |
155,4 |
|
0570-0611 |
250 |
285 |
171,0 |
172,4 |
|||
|
0570-0612 |
320 |
355 |
194,6 |
196,2 |
|||
|
0570-0613 |
320 |
250 |
635 |
520 |
285 |
224,8 |
226,6 |
|
0570-0614 |
320 |
355 |
255,8 |
258,0 |
|||
|
0570-0615 |
400 |
435 |
295,7 |
298,2 |
|||
|
0570-0616 |
360 |
250 |
705 |
285 |
246,7 |
248,7 |
|
|
0570-0617 |
320 |
355 |
281,0 |
283,2 |
|||
|
0570-0618 |
400 |
435 |
320,7 |
323,3 |
|||
|
0570-0619 |
400 |
250 |
765 |
630 |
285 |
340,3 |
343,0 |
|
0570-0620 |
320 |
355 |
386,3 |
389,5 |
|||
|
0570-0621 |
400 |
435 |
439,0 |
442,7 |
|||
Таблица 2
|
Обозначение центробежных изложниц |
Поз.1 Изложница |
Поз.2 Выталкиватель ГОСТ 19310 |
Поз.3* Крышка ГОСТ 19311 |
Поз. 4 Замок центробежный ГОСТ 19313 |
Поз.5 Хомут ГОСТ 19315 |
Поз. 6 Болт ГОСТ 7798 |
Поз. 7 Гайка ГОСТ 5915 |
|
Обозначение деталей |
|||||||
|
0570-0631 |
0570-0631/001 |
0554-0003 |
0556-0051; 0556-0052 |
0557-0204 |
0559-0211 |
М16-6gx60.88.35.05 |
М16-6Н.5.05 |
|
0570-0632 |
0570-0632/001 |
||||||
|
0570-0633 |
0570-0633/001 |
||||||
|
0570-0634 |
0570-0634/001 |
0554-0004 |
0556-0053; 0556-0054 |
0559-0212 |
|||
|
0570-0635 |
0570-0635/001 |
||||||
|
0570-0636 |
0570-0636/001 |
||||||
|
0570-0637 |
0570-0637/001 |
||||||
|
0570-0638 |
0570-0638/001 |
0554-0005 |
0556-0055; 0556-0056 |
0559-0213 |
|||
|
0570-0639 |
0570-0639/001 |
||||||
|
0570-0641 |
0570-0641/001 |
||||||
|
0570-0642 |
0570-0642/001 |
||||||
|
0570-0643 |
0570-0643/001 |
0554-0006 |
0556-0057; 0556-0058 |
0559-0214 |
|||
|
0570-0644 |
0570-0644/001 |
||||||
|
0570-0645 |
0570-0645/001 |
||||||
|
0570-0646 |
0570-0646/001 |
||||||
|
0570-0647 |
0570-0647/001 |
0554-0007 |
0556-0059; 0556-0061 |
0557-0201 |
0559-0215 |
||
|
0570-0648 |
0570-0648/001 |
||||||
|
0570-0649 |
0570-0649/001 |
||||||
|
0570-0651 |
0570-0651/001 |
0554-0008 |
0556-0062; 0556-0063 |
0559-0216 |
|||
|
0570-0652 |
0570-0652/001 |
||||||
|
0570-0653 |
0570-0653/001 |
||||||
|
0570-0654 |
0570-0654/001 |
0554-0009 |
0556-0064; 0556-0065 |
0559-0217 |
|||
|
0570-0655 |
0570-0655/001 |
||||||
|
0570-0656 |
0570-0656/001 |
||||||
|
0570-0657 |
0570-0657/001 |
0554-0010 |
0556-0066; 0556-0067 |
0559-0201 |
|||
|
0570-0658 |
0570-0658/001 |
||||||
|
0570-0659 |
0570-0659/001 |
||||||
|
0570-0601 |
0570-0601/001 |
0554-0011 |
0556-0207; 0556-0208 |
0559-0202 |
|||
|
0570-0602 |
0570-0602/001 |
||||||
|
0570-0603 |
0570-0603/001 |
||||||
|
0570-0604 |
0570-0604/001 |
0554-0012 |
0556-0209; 0556-0210 |
0559-0203 |
|||
|
0570-0605 |
0570-0605/001 |
||||||
|
0570-0606 |
0570-0606/001 |
||||||
|
0570-0607 |
0570-0607/001 |
0554-0013 |
0556-0211; 0556-0212 |
0557-0202 |
0559-0204 |
||
|
0570-0608 |
0570-0608/001 |
||||||
|
0570-0609 |
0570-0609/001 |
||||||
|
0570-0610 |
0570-0610/001 |
0554-0014 |
0556-0219; 0556-0220 |
0559-0205 |
|||
|
0570-0611 |
0570-0611/001 |
||||||
|
0570-0612 |
0570-0612/001 |
||||||
|
0570-0613 |
0570-0613/001 |
0554-0015 |
0556-0221; 0556-0222 |
0559-0206 |
|||
|
0570-0614 |
0570-0614/001 |
||||||
|
0570-0615 |
0570-0615/001 |
||||||
|
0570-0616 |
0570-0616/001 |
0554-0016 |
0556-0228 |
0557-0203 |
0559-0208 |
||
|
0570-0617 |
0570-0617/001 |
||||||
|
0570-0618 |
0570-0618/001 |
||||||
|
0570-0619 |
0570-0619/001 |
0554-0017 |
0556-0231; 0556-0233 |
0559-0209 |
|||
|
0570-0620 |
0570-0620/001 |
||||||
|
0570-0621 |
0570-0621/001 |
||||||
|
* Применение крышки определяется конструктивно. |
|||||||
Пример
условного обозначения центробежной
изложницы размерами d =
Изложница центробежная 0570-0631 ГОСТ 19308-98
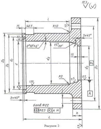
3.2 Конструкция и размеры изложниц (поз. 7) должны соответствовать указанным на рисунке 2 и в таблице 3.

Таблица 3
Размеры в миллиметрах
|
Обозначение изложниц |
d |
l |
d1 |
d2 |
d3 |
D |
D1 |
D2 |
D3 |
L |
h |
Масса изложниц, кг, не более |
|
|
Н11 |
из чугуна |
из стали |
|||||||||||
|
0570-0631/001 |
80 |
160 |
100 |
70 |
50 |
250 |
310 |
150 |
140 |
210 |
35 |
35,0 |
35,4 |
|
0570-0632/001 |
180 |
230 |
37,0 |
37,4 |
|||||||||
|
0570-0633/001 |
200 |
250 |
38,6 |
39,0 |
|||||||||
|
0570-0634/001 |
90 |
160 |
110 |
80 |
160 |
150 |
215 |
37,4 |
37,8 |
||||
|
0570-0635/001 |
180 |
235 |
39,4 |
39,8 |
|||||||||
|
0570-0636/001 |
200 |
255 |
41,3 |
41,7 |
|||||||||
|
0570-0637/001 |
250 |
305 |
46,1 |
46,6 |
|||||||||
|
0570-0638/001 |
100 |
160 |
120 |
90 |
70 |
280 |
340 |
170 |
160 |
215 |
40 |
42,7 |
43,2 |
|
0570-0639/001 |
180 |
235 |
44,8 |
45,3 |
|||||||||
|
0570-0641/001 |
200 |
255 |
47,0 |
47,5 |
|||||||||
|
0570-0642/001 |
250 |
305 |
52,4 |
53,0 |
|||||||||
|
0570-0643/001 |
110 |
160 |
130 |
100 |
180 |
170 |
215 |
43,8 |
44,2 |
||||
|
0570-0644/001 |
180 |
235 |
46,1 |
46,6 |
|||||||||
|
0570-0645/001 |
200 |
255 |
48,5 |
49,0 |
|||||||||
|
0570-0646/001 |
250 |
305 |
55,2 |
55,8 |
|||||||||
|
0570-0647/001 |
125 |
200 |
145 |
115 |
90 |
200 |
190 |
260 |
53,6 |
54,2 |
|||
|
0570-0648/001 |
250 |
310 |
60,5 |
61,2 |
|||||||||
|
0570-0649/001 |
320 |
380 |
70,0 |
70,7 |
|||||||||
|
0570-0651/001 |
140 |
200 |
160 |
130 |
90 |
220 |
210 |
260 |
58,3 |
59,0 |
|||
|
0570-0652/001 |
250 |
310 |
66,4 |
67,2 |
|||||||||
|
0570-0653/001 |
320 |
380 |
78,0 |
78,8 |
|||||||||
|
0570-0654/001 |
160 |
200 |
180 |
150 |
110 |
320 |
380 |
240 |
230 |
260 |
64,7 |
65,4 |
|
|
0570-0655/001 |
250 |
310 |
73,8 |
74,5 |
|||||||||
|
0570-0656/001 |
320 |
380 |
86,5 |
87,4 |
|||||||||
|
0570-0657/001 |
180 |
200 |
200 |
170 |
140 |
260 |
250 |
260 |
71,5 |
72,2 |
|||
|
0570-0658/001 |
250 |
310 |
77,6 |
78,4 |
|||||||||
|
0570-0659/001 |
320 |
380 |
91,5 |
92,4 |
|||||||||
|
0570-0601/001 |
200 |
200 |
220 |
190 |
360 |
420 |
280 |
270 |
260 |
80,7 |
81,5 |
||
|
0570-0602/001 |
250 |
310 |
92,0 |
93,0 |
|||||||||
|
0570-0603/001 |
320 |
380 |
102,6 |
103,6 |
|||||||||
|
0570-0604/001 |
220 |
200 |
240 |
210 |
170 |
400 |
460 |
310 |
300 |
260 |
45 |
98,7 |
99,7 |
|
0570-0605/001 |
250 |
310 |
112,7 |
114,0 |
|||||||||
|
0570-0606/001 |
320 |
380 |
130,1 |
131,4 |
|||||||||
|
0570-0607/001 |
250 |
200 |
270 |
240 |
190 |
340 |
330 |
270 |
105,2 |
106,3 |
|||
|
0570-0608/001 |
250 |
320 |
120,7 |
122,0 |
|||||||||
|
0570-0609/001 |
320 |
390 |
143,0 |
144,4 |
|||||||||
|
0570-0610/001 |
280 |
200 |
300 |
270 |
220 |
450 |
510 |
370 |
360 |
270 |
45 |
117,8 |
119,0 |
|
0570-0611/001 |
250 |
320 |
114,6 |
136,0 |
|||||||||
|
0570-0612/001 |
320 |
390 |
154,7 |
155,3 |
|||||||||
|
0570-0613/001 |
320 |
250 |
350 |
308 |
250 |
520 |
580 |
420 |
410 |
320 |
50 |
180,1 |
182,0 |
|
0570-0614/001 |
320 |
390 |
211,1 |
213,2 |
|||||||||
|
0570-0615/001 |
400 |
470 |
251,0 |
253,5 |
|||||||||
|
0570-0616/001 |
360 |
250 |
390 |
348 |
280 |
460 |
450 |
325 |
188,3 |
190,2 |
|||
|
0570-0617/001 |
320 |
395 |
222,6 |
224,8 |
|||||||||
|
0570-0618/001 |
400 |
475 |
262,3 |
265,0 |
|||||||||
|
0570-0619/001 |
400 |
250 |
430 |
388 |
320 |
630 |
700 |
520 |
510 |
325 |
270,7 |
273,4 |
|
|
0570-0620/001 |
320 |
395 |
316,7 |
320,0 |
|||||||||
|
0570-0621/001 |
400 |
475 |
369,4 |
373,0 |
|||||||||
Пример условного обозначения
изложницы размерами d =
Изложница 0570-0631/001 ГОСТ 19308-98
3.3. Материал:
изложниц для отливки втулок из цветных сплавов - чугун марки СЧ20 по ГОСТ 1412 или сталь марки 35Л по ГОСТ 977;
изложниц для отливки втулок из чугуна и стали - высокопрочный чугун марки ВЧ50 по ГОСТ 7293 или сталь марки 35Л по ГОСТ 977.
3.4. Неуказанные предельные
отклонения размеров: Н14, h14, ±
.
3.5. Остальные технические требования - по ГОСТ 19316.
Ключевые слова: центробежные изложницы, центробежные изложницы с фланцем и центробежными замками, конструкция и размеры