МЕЖГОСУДАРСТВЕННЫЙ СТАНДАРТ
РЫЧАГИ УГЛОВЫЕ С ДВУМЯ ОТВЕРСТИЯМИ
КОНСТРУКЦИЯ
ИПК ИЗДАТЕЛЬСТВО СТАНДАРТОВ
Москва
МЕЖГОСУДАРСТВЕННЫЙ ТАНДАРТ
|
РЫЧАГИ УГЛОВЫЕ С ДВУМЯ ОТВЕРСТИЯМИ Конструкция Levers cranked, with two holes. Design |
ГОСТ 12472-67 |
Дата введения 01.07.67
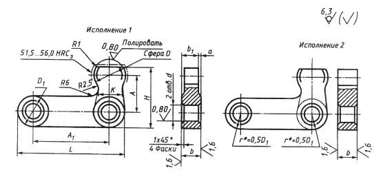
1. Конструкция и размеры угловых рычагов с двумя отверстиями должны соответствовать чертежу и таблице.

*Размеры для справок.
Размеры, мм
|
Обозначение рычагов |
Применяемость |
Исполнение |
А |
A1 |
d* Н7 или Н11 |
b d11 |
b1 |
Н |
D d11 |
D1 |
L |
a |
k |
Мизг, Н × м (кгс × м), не более |
Масса, кг |
|
7018-0421 |
|
1 |
20 |
40 |
8 |
10 |
8 |
32 |
16 |
16 |
56 |
1,0 |
12 |
174,56 (17,80) |
0,06 |
|
7018-0422 |
|
50 |
66 |
0,07 |
|||||||||||
|
7018-0423 |
|
2 |
40 |
- |
- |
56 |
- |
0,08 |
|||||||
|
7018-0424 |
|
50 |
66 |
0,09 |
|||||||||||
|
7018-0425 |
|
1 |
25 |
50 |
10 |
12 |
10 |
40 |
20 |
20 |
70 |
1,0 |
14 |
355,00 (36,20) |
0,14 |
|
7018-0426 |
|
65 |
85 |
|
0,16 |
||||||||||
|
7018-0427 |
|
2 |
50 |
- |
- |
70 |
- |
|
0,17 |
||||||
|
7018-0428 |
|
65 |
85 |
|
0,20 |
||||||||||
|
7018-0429 |
|
1 |
32 |
65 |
12 |
16 |
12 |
50 |
25 |
25 |
90 |
2,0 |
18 |
732,56 (74,70) |
0,26 |
|
7018-0430 |
|
80 |
105 |
|
0,29 |
||||||||||
|
7018-0431 |
|
2 |
65 |
- |
- |
90 |
- |
|
0,34 |
||||||
|
7018-0432 |
|
80 |
|
105 |
|
0,37 |
|||||||||
|
7018-0433 |
|
1 |
40 |
80 |
16 |
20 |
16 |
65 |
28 |
32 |
112 |
2,0 |
22 |
1395,00 (141,80) |
0,51 |
|
7018-0434 |
|
100 |
132 |
|
0,59 |
||||||||||
|
7018-0435 |
|
2 |
80 |
- |
- |
112 |
- |
|
0,62 |
||||||
|
7018-0436 |
|
100 |
132 |
|
0,72 |
||||||||||
|
7018-0437 |
|
1 |
50 |
100 |
20 |
25 |
20 |
80 |
36 |
40 |
140 |
2,5 |
28 |
2628,18 (268,00) |
0,96 |
|
7018-0438 |
|
125 |
165 |
1,12 |
|||||||||||
|
7018-0439 |
|
2 |
100 |
- |
- |
140 |
- |
1,19 |
|||||||
|
7018-0440 |
|
125 |
165 |
1,38 |
*В случае применения штифтов типа 1 по ГОСТ 3128 - поле допуска отверстия d-K7. Соответственно в условном обозначении указывать поле допуска К7.
Пример условного обозначения углового рычага с двумя отверстиями исполнения 1, размерами А = 20мм, А1 = 40мм, с полем допуска диаметра d - H7:
Рычаг 7018-0421 Н7 ГОСТ 12472-67
(Измененная редакция, Изм. № 1, 2).
2. Материал - сталь марки 40Х по ГОСТ 4543. Допускается замена на стали других марок с механическими свойствами не ниже, чем у стали марки 40Х.
3. Угловые рычаги с двумя отверстиями исполнения 1 изготавливать методом прецизионного литья.
4. Литейные радиусы - 3мм.
5. Твердость 36,5...41,5 HRCэ, кроме мест, обозначенных особо.
(Измененная редакция, Изм. № 1, 2).
6. Неуказанные предельные отклонения
размеров: ![]()
(Измененная редакция, Изм. № 2).
7. (Исключен, Изм. № 1).
8. Покрытие Хим. Окс. прм (обозначение покрытия - по ГОСТ 9.306).
9. Маркировать партию деталей одного типоразмера на таре или упаковке с указанием условного обозначения.
8, 9. (Измененная редакция, Изм. № 2).
10. Пример применения угловых рычагов указан в приложении.
(Введен дополнительно, Изм. № 2).

ИНФОРМАЦИОННЫЕ ДАННЫЕ
1. РАЗРАБОТАН И ВНЕСЕН Министерством тяжелого, энергетического и транспортного машиностроения СССР, Министерством станкостроительной и инструментальной промышленности СССР
РАЗРАБОТЧИКИ
В.В. Андреев; В.Н. Дзегиленок, канд. техн. наук; В.А. Петрова; К.И. Сокольский; А.З. Старосельский (руководитель темы); А.В. Хренова; Т.А. Шестакова
2. УТВЕРЖДЕН И ВВЕДЕН В ДЕЙСТВИЕ Постановлением Комитета стандартов, мер и измерительных приборов при Совете Министров СССР от 03.01.67 № 48
3. ВЗАМЕН МН 5415-67
4. ССЫЛОЧНЫЕ НОРМАТИВНО-ТЕХНИЧЕСКИЕ ДОКУМЕНТЫ
|
Обозначение НТД, на который дана ссылка |
Номер пункта |
|
ГОСТ 3128-70 |
8 1 2 |
5. Постановлением Госстандарта СССР от 17.03.88 № 568 снято ограничение срока действия
6. ПЕРЕИЗДАНИЕ (ноябрь 1999г.) с Изменениями № 1, 2, утвержденными в июне 1980г., марте 1988г. (ИУС 9-80, 6-88)