ГОСТ 12471-67
МЕЖГОСУДАРСТВЕННЫЙ СТАНДАРТ
РЫЧАГИ УГЛОВЫЕ
КОНСТРУКЦИЯ
ИПК ИЗДАТЕЛЬСТВО СТАНДАРТОВ
Москва
МЕЖГОСУДАРСТВЕННЫЙ СТАНДАРТ
|
РЫЧАГИ УГЛОВЫЕ Конструкция Levers cranked. Design |
ГОСТ 12471-67* Взамен МН 5416-64 |
Утвержден Комитетом стандартов, мер и измерительных приборов при Совете Министров СССР 3 января 1967г. Срок введения установлен с 01.07.67
Постановлением Госстандарта СССР от 17.03.88 № 568 снято ограничение срока действия
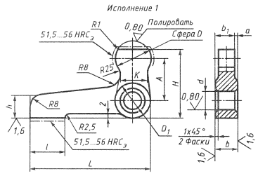
1. Конструкция и размеры угловых рычагов должны соответствовать чертежу и таблице.
|
|
|
*Размер для справок
Размеры в мм
|
Обозначения рычагов |
Применяемость |
Исполнение |
А |
L |
d (поле допуска Н7 или Н11)* |
b (поле допуска d l1) |
b1 |
H |
D (поле допуска d11) |
D1 |
а |
l |
h |
k |
Mизг, H × м (кгс × ),не более |
Масса, кг |
|
7018-0391 |
|
1 |
20 |
55 |
8 |
10 |
8 |
32 |
16 |
16 |
1,0 |
16 |
10 |
12 |
175,54 (17,90) |
0,06 |
|
0392 |
|
65 |
0,07 |
|||||||||||||
|
0393 |
|
2 |
55 |
- |
- |
- |
0,07 |
|||||||||
|
0394 |
|
65 |
0,08 |
|||||||||||||
|
0395 |
|
1 |
25 |
70 |
10 |
12 |
10 |
40 |
20 |
20 |
1,0 |
20 |
12 |
14 |
355,00 (36,20) |
0,11 |
|
0396 |
|
|
85 |
0,13 |
||||||||||||
|
0397 |
|
2 |
70 |
- |
- |
- |
0,12 |
|||||||||
|
0398 |
|
85 |
0,14 |
|||||||||||||
|
0399 |
|
1 |
32 |
90 |
12 |
16 |
12 |
50 |
25 |
25 |
2,0 |
25 |
16 |
18 |
818,85 (83,50) |
0,21 |
|
0400 |
|
105 |
0,23 |
|||||||||||||
|
0401 |
|
2 |
90 |
- |
- |
- |
0,26 |
|||||||||
|
0402 |
|
105 |
0,29 |
|||||||||||||
|
0403 |
|
1 |
40 |
110 |
16 |
20 |
16 |
65 |
28 |
32 |
2,0 |
32 |
20 |
22 |
1314,00 (134,00) |
0,43 |
|
0404 |
|
130 |
0,48 |
|||||||||||||
|
0405 |
|
2 |
110 |
- |
- |
- |
0,52 |
|||||||||
|
0406 |
|
130 |
0,59 |
|||||||||||||
|
0407 |
|
1 |
50 |
140 |
20 |
25 |
20 |
80 |
36 |
40 |
2,5 |
40 |
25 |
28 |
2711,54 (276,50) |
0,90 |
|
0408 |
|
165 |
1,01 |
|||||||||||||
|
0409 |
|
2 |
140 |
- |
- |
- |
1,17 |
|||||||||
|
7018-0410 |
|
165 |
1,30 |
* В случае применения штифтов типа 1 по ГОСТ 3128-70 - поле допуска отверстия d - К7. Соответственно в условном обозначении указывать поле допуска К7.
Пример условного обозначения углового рычага исполнения 1, размерами А = 20мм, L = 55мм, с полем допуска диаметра d - Н7:
(Измененная редакция, Изм. № 1, 2).
2. Материал - сталь марки 40Х по ГОСТ 4543-71. Допускается замена на стали других марок с механическими свойствами не ниже, чем у стали марки 40Х.
3. Угловые рычаги исполнения 1 изготавливать методом прецизионного литья.
4. Литейные радиусы - 3 мм.
5. Твердость - 36,5 ... 41,5 HRCэ, кроме мест, обозначенных особо.
(Измененная редакция, Изм. № 1, 2).
6. Неуказанные предельные
отклонения размеров: ![]()
(Измененная редакция, Изм. № 2).
7. (Исключен, Изм. № 1).
8. Покрытие Хим. Окс. прм (обозначение покрытия - по ГОСТ 9.306-85).
9. Маркировать партию деталей одного типоразмера на таре или упаковке с указанием условного обозначения.
8, 9. (Измененная редакция, Изм. № 2).
10. Пример применения рычагов указан в приложении.
(Введен дополнительно, Изм. № 2).
