ГОСТ 12470-67
МЕЖГОСУДАРСТВЕННЫЙ СТАНДАРТ
ВИЛКИ С РЕЗЬБОВЫМ ОТВЕРСТИЕМ
КОНСТРУКЦИЯ
ИПК ИЗДАТЕЛЬСТВО СТАНДАРТОВ
Москва
МЕЖГОСУДАРСТВЕННЫЙ СТАНДАРТ
|
ВИЛКИ С РЕЗЬБОВЫМ ОТВЕРСТИЕМ Конструкция Forks with thread holes. Design |
ГОСТ 12470-67* Взамен MH 5421-64 |
Утвержден Комитетом стандартов, мер и измерительных приборов при Совете Министров СССР 3 января 1967г. Срок введения установлен
с 01.07.67
Постановлением Госстандарта СССР от 17.03.88 № 568 снято ограничение срока действия
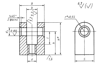
1. Конструкция и размеры вилок с резьбовым отверстием должны соответствовать чертежу и таблице.

*Размеры для справок.
Размеры в мм
|
Обозначение вилок |
Применяемость |
b (поле допуска Н11) |
d |
d1 (поле допуска Н7 или Н11) |
В |
S |
h |
l |
H |
Масса, кг |
|
7018-0371 |
|
8 |
М6 |
6 |
16 |
14 |
16 |
10 |
23,0 |
0,021 |
|
0372 |
|
10 |
М8 |
8 |
20 |
16 |
20 |
12 |
28,0 |
0,036 |
|
0373 |
|
20 |
М10 |
32 |
25 |
33,0 |
0,067 |
|||
|
0374 |
|
12 |
10 |
25 |
20 |
14 |
35,0 |
0,088 |
||
|
0375 |
|
25 |
М12 |
40 |
30 |
40,0 |
0,129 |
|||
|
0376 |
|
16 |
12 |
32 |
25 |
32 |
18 |
44,5 |
0,149 |
|
|
0377 |
|
32 |
М16 |
50 |
40 |
52,5 |
0,267 |
|||
|
0378 |
|
20 |
16 |
40 |
32 |
22 |
56,0 |
0,294 |
||
|
0379 |
|
40 |
М20 |
65 |
48 |
64,0 |
0,537 |
|||
|
0380 |
|
25 |
М24 |
20 |
50 |
40 |
55 |
28 |
75,0 |
0,609 |
|
0381 |
|
50 |
80 |
60 |
80,0 |
1,030 |
||||
|
0382 |
|
32 |
МЗО |
25 |
65 |
50 |
70 |
34 |
95,0 |
1,290 |
|
7018-0383 |
|
40 |
М36 |
32 |
80 |
60 |
90 |
45 |
120,0 |
1,375 |
*В случае применения штифтов типа 1 по ГОСТ 3128-70-поле допуска отверстия d1 - К7. Соответственно в условном обозначении указывать поле допуска К7.
Пример условного обозначения вилки с резьбовым отверстием размерами d-M6, b=8мм, с полем допуска диаметра d1 - Н7:
Вилка 7018-0371 Н7ГОСТ12470-67
(Измененная редакция, Изм. № 1, 2).
2. Материал - сталь марки 45 по ГОСТ 1050-88. Допускается замена на стали других марок с механическими свойствами не ниже, чем у стали марки 45.
3. Твердость - 35,0…39,5 HRCэ.
4. Неуказанные предельные
отклонения размеров: ![]()
3,4. (Измененная редакция, Изм. № 2).
5. Резьба метрическая - по ГОСТ 24705-81. Поле допуска резьбы - 6Н по ГОСТ 16093-81.
(Измененная редакция, Изм. № 1, 2).
6. Размеры фасок для резьбы - по ГОСТ 10549-80.
(Измененная редакция, Изм. № 1).
7. (Исключен, Изм. № 1).
8. Покрытие - Хим. Окс. прм (обозначение покрытия - по ГОСТ 9.306-85).
(Измененная редакция, Изм. № 2).
9. Маркировать партию деталей одного типоразмера на таре или упаковке с указанием условного обозначения.
(Измененная редакция, Изм. № 1, 2).
10. Пример применения вилок указан в приложении.
(Введен дополнительно, Изм. № 2).
