ГОСТ 12465-67
МЕЖГОСУДАРСТВЕННЫЙ СТАНДАРТ
ШТЫРИ УПОРНЫЕ
КОНСТРУКЦИЯ
ИПК ИЗДАТЕЛЬСТВО СТАНДАРТОВ
Москва
МЕЖГОСУДАРСТВЕННЫЙ СТАНДАРТ
|
ШТЫРИ УПОРНЫЕ Конструкция Stop pins. Design and sizes |
ГОСТ 12465-67* Взамен MH 5413-64 |
Утвержден Комитетом стандартов, мер и измерительных приборов при Совете Министров СССР 3 января 1967г.
с 01.07 1967г.
Постановлением Госстандарта СССР от 17.03.88 № 567 снято ограничение срока действия
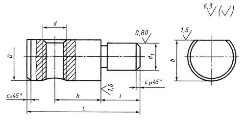
1. Конструкция и размеры упорных штырей должны соответствовать чертежу и таблице.

Размеры в мм
|
Обозначения штырей |
Применяемость |
d |
h |
L |
D |
d1 (поле допуска u8) |
t |
b |
c |
c1 |
Масса, кг |
|
7009-063L |
|
М4 |
6 |
20 |
10 |
6 |
8 |
8,5 |
1,0 |
0,6 |
0,007 |
|
0632 |
|
8 |
22 |
0,009 |
|||||||
|
0633 |
|
10 |
24 |
0,010 |
|||||||
|
0634 |
|
М6 |
10 |
26 |
12 |
8 |
10 |
10,5 |
0,015 |
||
|
0635 |
|
12 |
28 |
0,017 |
|||||||
|
0636 |
|
16 |
30 |
0,018 |
|||||||
|
0637 |
|
М8 |
12 |
32 |
16 |
10 |
12 |
14,0 |
0,031 |
||
|
0638 |
|
16 |
36 |
0,037 |
|||||||
|
7009-0639 |
|
20 |
40 |
0,043 |
|||||||
|
7009-0640 |
|
М10 |
16 |
42 |
20 |
12 |
16 |
17,0 |
1,6 |
1,0 |
0,062 |
|
0641 |
|
20 |
48 |
0,076 |
|||||||
|
0642 |
|
25 |
52 |
0,085 |
|||||||
|
0643 |
|
М12 |
16 |
48 |
25 |
16 |
20 |
21,0 |
0,110 |
||
|
0644 |
|
20 |
52 |
0,124 |
|||||||
|
0645 |
|
25 |
58 |
0,145 |
|||||||
|
0646 |
|
32 |
65 |
0,169 |
|||||||
|
0647 |
|
М16 |
20 |
60 |
32 |
20 |
25 |
27,0 |
0,216 |
||
|
0648 |
|
25 |
65 |
0,244 |
|||||||
|
0649 |
|
32 |
72 |
0,283 |
|||||||
|
0650 |
|
40 |
80 |
0,328 |
|||||||
|
0651 |
|
М20 |
25 |
75 |
40 |
25 |
32 |
33,0 |
2,5 |
1,6 |
0,402 |
|
0652 |
|
32 |
82 |
0,463 |
|||||||
|
0653 |
|
40 |
90 |
0,541 |
|||||||
|
0654 |
|
50 |
100 |
0,628 |
|||||||
|
0655 |
|
М24 |
32 |
90 |
45 |
28 |
36 |
37,0 |
0,636 |
||
|
0656 |
|
40 |
100 |
0,745 |
|||||||
|
0657 |
|
50 |
110 |
0,854 |
|||||||
|
0658 |
|
М30 |
40 |
110 |
50 |
32 |
40 |
42,0 |
4,0 |
2,5 |
0,995 |
|
0659 |
|
50 |
120 |
1,134 |
|||||||
|
0660 |
|
М36 |
50 |
130 |
60 |
36 |
45 |
50,0 |
1,632 |
||
|
7009-0661 |
|
60 |
140 |
1,829 |
Пример условного обозначения упорного штыря размерами d - М4, h = 6 мм:
Штырь 7009-0631 ГОСТ 12465-67
(Измененная редакция, Изм. № 2).
2. Материал - сталь марки 45 по ГОСТ 1050-88. Допускается замена на стали других марок с механическими свойствами не ниже, чем у стали марки 45.
(Измененная редакция, Изм. № 1).
3. Твердость - 30 ... 34 HRCэ.
4. Неуказанные предельные
отклонения размеров:![]()
3, 4. (Измененная редакция, Изм. № 2).
5. Резьба метрическая - по ГОСТ 24705-81. Поле допуска резьбы - 6Н по ГОСТ 16093-81.
(Измененная редакция, Изм. № 1, 2).
6. Размеры фасок для резьбы - по ГОСТ 10549-80.
(Измененная редакция, Изм. № 1).
7. Канавки для выхода шлифовального круга - по ГОСТ 8820-69
8. (Исключен, Изм. № 1).
9. Покрытие - Хим. Окс. прм (обозначение покрытия - по ГОСТ 9.306-85).
(Измененная редакция, Изм. № 2).
10. Маркировать партию деталей одного типоразмера на таре или упаковке с указанием условного обозначения.
11. Пример применения штырей указан в приложении.
(Введен дополнительно, Изм. № 2).
