ГОСТ 10888-93
(ИСО 5019-1-84,
ИСО 5019-2-84,
ИСО 5019-5-84)
МЕЖГОСУДАРСТВЕННЫЙ СТАНДАРТ
ИЗДЕЛИЯ ВЫСОКООГНЕУПОРНЫЕ
ПЕРИКЛАЗОХРОМИТОВЫЕ
ДЛЯ КЛАДКИ СВОДОВ
СТАЛЕПЛАВИЛЬНЫХ ПЕЧЕЙ
Технические условия
МЕЖГОСУДАРСТВЕННЫЙ СОВЕТ
ПО СТАНДАРТИЗАЦИИ, МЕТРОЛОГИИ И СЕРТИФИКАЦИИ
Минск
Предисловие
1. РАЗРАБОТАН Техническим комитетом «Огнеупоры Украины»
ВНЕСЕН Государственным комитетом Украины по стандартизации, метрологии и сертификации
2. ПРИНЯТ Межгосударственным Советом по стандартизации, метрологии и сертификации 17 февраля 1993 г.
За принятие проголосовали:
|
Наименование государства |
Наименование национального органа по стандартизации |
|
Азербайджанская Республика |
Азгосстандарт |
|
Республика Армения |
Армгосстандарт |
|
Республика Белоруссия |
Госстандарт Белоруссии |
|
Грузия |
Грузстандарт |
|
Республика Казахстан |
Госстандарт Республики Казахстан |
|
Киргизская Республика |
Киргизстандарт |
|
Республика Молдова |
Молдовастандарт |
|
Российская Федерация |
Госстандарт России |
|
Республика Узбекистан |
Узгосстандарт |
|
Украина |
Госстандарт Украины |
3. Стандарт соответствует международному стандарту ИСО 5019-1-84, ИСО 5019-2-84, ИСО 5019-5-84 в части размеров огнеупорных изделий
4. Постановлением Государственного комитета Российской Федерации по стандартизации, метрологии и сертификации от 21 января 1997 г. № 86 межгосударственный стандарт ГОСТ 10888-93 (ИСО 5019-1-84, ИСО 5019-2-84, ИСО 5019-5-84) введен в действие непосредственно в качестве государственного стандарта Российской Федерации с 1 января 1998 г.
5. ВЗАМЕН ГОСТ 10888-76
6. ПЕРЕИЗДАНИЕ. Август 2002 г.
ГОСТ 10888-93
(ИСО 5019-1-84,
ИСО 5019-2-84,
ИСО 5019-5-84)
МЕЖГОСУДАРСТВЕННЫЙ СТАНДАРТ
|
ИЗДЕЛИЯ
ВЫСОКООГНЕУПОРНЫЕ Технические условия Periclasechromite
refractories for the steelmelting furnace roofs. |
Дата введения 1998-01-01
Настоящий стандарт распространяется на высокоогнеупорные обожженные периклазохромитовые изделия, предназначенные для кладки сводов мартеновских, двухванных и электросталеплавильных печей.
1.1. Высокоогнеупорные обожженные периклазохромитовые изделия в зависимости от физико-химических свойств подразделяются на марки, указанные в таблице 1.
1.2. При применении изделий допускается взаимозаменяемость марок.
Таблица 1
|
Характеристика |
Применение |
|
|
пхсп |
Периклазохромитовые сводовые плотные |
Своды плавильного пространства двухванных, мартеновских печей вместимостью 850 - 900 т, работающих с повышенной удельной интенсивностью продувки ванны кислородом (8 - 12 м3/(т·ч)), с умеренной удельной интенсивностью продувки ванны кислородом (5 - 7 м3 (т·ч)), и электросталеплавильных печей вместимостью 50 т и более |
|
ПХСУТ |
Периклазохромитовые сводовые уплотненные термостойкие |
|
|
ПХСУ |
Периклазохромитовые сводовые уплотненные |
Своды плавильного пространства мартеновских печей вместимостью 200 - 300 т, работающих с повышенной удельной интенсивностью продувки ванны кислородом (11 - 20 м3/(т·ч)), мартеновских печей вместимостью 400 - 650 т, работающих с умеренной удельной интенсивностью продувки ванны кислородом (5 - 10 м3/(т·ч)), электросталеплавильных печей вместимостью менее 50 т |
|
пхсс |
Периклазохромитовые сводовые среднеплотные |
Своды плавильного пространства мартеновских печей вместимостью 200 - 300 т, работающих с умеренной удельной интенсивностью продувки ванны кислородом (7 - 10 м3/(т·ч)) |
|
пхсст |
Периклазохромитовые сводовые среднеплотные термостойкие |
Своды плавильного пространства мартеновских печей, работающих без продувки ванны кислородом, а также своды головок шлаковиков и регенераторов |
2.1. Форма и размеры изделий должны соответствовать требованиям, указанным на рисунках 1 - 7, в таблицах 2 - 8 и приложениях 1, 2, 3.
2.2. Расчетные объем и масса изделий приведены в приложении 4.
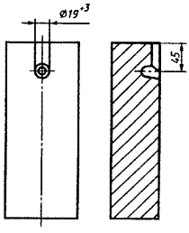
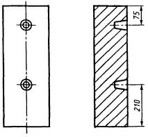
2.3. Изделия, приведенные на рисунках 1, 2, 4 - 6, кроме изделий длиной 230 мм, изготовляются с отверстиями для штырей по рисункам 8 - 11. Размеры, не указанные на рисунках 9 - 11, должны соответствовать данным рисунка 8.
Рабочей поверхностью изделий с номерами 9 - 46 считается поверхность по торцевой грани S1В (рисунок 2), S1L (рисунок 3), SB (рисунки 4, 5).
Нормы для показателей внешнего вида, приведенные в таблице 10 для изделий, форма которых не позволяет определить рабочую поверхность, относятся только к одной из поверхностей.
Рабочая поверхность изделий, изготовляемых по рисункам, согласованным между изготовителем и потребителем, должна быть указана на рисунках.
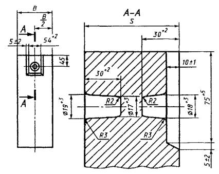
2.4. Для установки усиленной металлической подвески в изделиях со штыревыми отверстиями изготовляются углубления по рисункам 12 - 15. Размеры, не указанные на рисунках 13 - 15, должны соответствовать данным рисунка 12.
2.5. Размеры, определяющие расположение штыревых отверстий (рисунки 8 - 15), а также радиусы закруглений (рисунки 8, 12) и размер (5 ± 2) мм (рисунки 12, 15) подлежат контролю только при изготовлении пресс-формы.
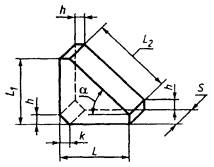
2.6. Размеры h, k, α (рисунок 7 и таблица 8) не подлежат контролю и даны только для использования при изготовлении пресс-формы.
2.7. Предельные отклонения по размерам изделий должны соответствовать размерам, указанным в таблице 9.
Рисунок 1 - Кирпич прямой
Таблица 2
|
L |
В |
S |
|
|
мм |
|||
|
1 |
230 |
115 |
65 |
|
2 |
300 |
150 |
75 |
|
3 |
380 |
150 |
75 |
|
4 |
380 |
150 |
90 |
|
5 |
460 |
150 |
75 |
|
6 |
460 |
150 |
90 |
|
7 |
520 |
150 |
75 |
|
8 |
520 |
150 |
90 |
Рисунок 2 - Клин торцевой двухсторонний
Таблица 3
|
Номер изделия |
L |
В |
S |
S1 |
|
мм |
||||
|
9 |
230 |
115 |
65 |
45 |
|
10 |
230 |
115 |
65 |
55 |
|
11 |
300 |
150 |
75 |
68 |
|
12 |
300 |
150 |
85 |
68 |
|
13 |
300 |
150 |
85 |
75 |
|
14 |
380 |
150 |
77 |
68 |
|
15 |
380 |
150 |
77 |
72 |
|
16 |
380 |
150 |
82 |
66 |
|
17 |
380 |
150 |
85 |
75 |
|
18 |
380 |
150 |
90 |
78 |
|
19 |
380 |
150 |
90 |
83 |
|
20 |
460 |
150 |
65 |
50 |
|
21 |
460 |
150 |
77 |
71 |
|
22 |
460 |
150 |
79 |
68 |
|
23 |
460 |
150 |
83 |
75 |
|
24 |
460 |
150 |
90 |
78 |
|
25 |
460 |
150 |
90 |
83 |
|
26 |
520 |
150 |
79 |
70 |
|
27 |
520 |
150 |
84 |
75 |
Рисунок 3 - Клин ребровый двухсторонний
Таблица 4
|
Номер изделия |
L |
В |
S |
S1 |
|
мм |
||||
|
28 |
230 |
115 |
68 |
45 |
|
29 |
230 |
115 |
65 |
55 |
|
30 |
230 |
150 |
65 |
55 |
|
31 |
300 |
150 |
65 |
55 |
|
32 |
300 |
150 |
75 |
55 |
|
33 |
300 |
150 |
75 |
65 |
|
34 |
300 |
150 |
90 |
80 |
Рисунок 4 - Клин переходный (радиальный) двухсторонний
Таблица 5
|
Номер изделия |
L |
В |
В1 |
S |
|
мм |
||||
|
35 |
230 |
115 |
93 |
65 |
|
36 |
300 |
150 |
135 |
75 |
|
37 |
380 |
150 |
80 |
75 |
|
38 |
380 |
150 |
96 |
90 |
|
39 |
460 |
150 |
85 |
90 |
|
40 |
460 |
150 |
130 |
90 |
|
41 |
520 |
154 |
80 |
90 |
Рисунок 5 - Клин пирамидальный двухсторонний
Таблица 6
|
Номер изделия |
L |
В |
В1 |
S |
S1 |
|
мм |
|||||
|
42 |
230 |
115 |
93 |
65 |
55 |
|
43 |
300 |
150 |
135 |
78 |
68 |
|
44 |
380 |
150 |
80 |
83 |
75 |
|
45 |
460 |
150 |
90 |
78 |
68 |
|
46 |
520 |
150 |
90 |
78 |
68 |
Рисунок 6 - Кирпич фасонный опорный
Таблица 7
|
Номер изделия |
L |
L1 |
В |
B1 |
S |
|
мм |
|||||
|
47 |
380 |
220 |
150 |
125 |
90 |
|
48 |
460 |
220 |
150 |
125 |
90 |
|
49 |
520 |
220 |
150 |
125 |
90 |
Рисунок 7 - Кирпич пятовый
Таблица 8
|
L |
L1 |
L2 |
S |
h |
k |
α |
|
|
мм |
|||||||
|
50 |
225 |
276 |
300 |
75 |
40 |
25 |
52° |
|
51 |
252 |
252 |
300 |
75 |
40 |
25 |
45° |
|
52 |
275 |
341 |
382 |
75 |
40 |
25 |
52° |
|
53 |
310 |
310 |
381 |
75 |
40 |
25 |
45° |
|
54 |
330 |
285 |
380 |
75 |
40 |
25 |
40° |
|
55 |
325 |
405 |
463 |
75 |
40 |
25 |
52° |
|
56 |
365 |
365 |
460 |
75 |
40 |
25 |
45° |
|
57 |
390 |
335 |
460 |
75 |
40 |
25 |
40° |
Рисунок 8
Таблица 9
|
Предельное отклонение, мм, для изделий марок |
||
|
ПХСП, ПХСУТ, ПХСУ |
ПХСС, ПХССТ |
|
|
Длина (L, L1, L2): |
|
|
|
до 230 мм включительно |
± 3 |
± 4 |
|
свыше 230 до 380 мм включительно |
± 4 |
± 6 |
|
свыше 380 до 520 мм включительно |
± 5 |
± 8 |
|
Ширина (B, В1) |
± 3 |
± 4 |
|
Толщина (S, S1) |
± 2 |
± 3 |
Рисунок 9

Рисунок 10
Рисунок 11
Рисунок 12
Рисунок 13

Рисунок 14
Рисунок 15
2.8. Предельные отклонения по размерам штыревых отверстий и углублений для подвески указаны на рис. 8 - 15. В пределах указанных отклонений диаметров допускается овальность штыревых отверстий. Для изделий, имеющих отверстие, допускается конус 1 мм на 100 мм толщины изделия.
2.9. Изготовление изделий других форм и размеров с другой конфигурацией и расположением штыревых отверстий и углублений для подвески, а также предельные отклонения по размерам допускается устанавливать по соглашению сторон.
3.1. По физико-химическим свойствам и показателям внешнего вида изделия должны соответствовать требованиям, указанным в таблице 10.
Таблица 10
|
Норма для изделий марок |
|||||
|
ПХСП |
ПХСУТ |
ПХСУ |
ПХСС |
ПХССТ |
|
|
Массовая доля, %, |
|
|
|
|
|
|
Cr2О3 |
7 - 15 |
7 - 15 |
7 - 15 |
7 - 15 |
7 - 18 |
|
MgO, не менее |
70 |
70 |
65 |
65 |
65 |
|
Предел прочности при сжатии, H/мм2, не менее |
37,5 |
35,0 |
32,5 |
27,5 |
25,0 |
|
Пористость открытая, %, не более |
16 |
18 |
20 |
22 |
22 |
|
Температура начала размягчения, °С, не менее |
1560 |
1540 |
1540 |
1520 |
1500 |
|
Термическая стойкость (нагрев до 1300 °С, охлаждение водяное), теплосмен, не менее |
4 |
6 |
5 |
3 |
5 |
|
Дополнительная линейная усадка при 1650 °С с выдержкой 3 ч, %, не более |
0,7 |
0,7 |
0,8 |
0,9 |
0,9 |
|
Кривизна, мм, не более, для изделий длиной: |
|
|
|
|
|
|
до 380 мм |
2 |
2 |
2 |
3 |
3 |
|
свыше 380 мм |
3 |
3 |
3 |
4 |
4 |
|
Отбитость углов глубиной, мм, не более, для изделий длиной: |
|
|
|
|
|
|
до 380 мм |
7 |
7 |
7 |
10 |
10 |
|
свыше 380 мм |
10 |
10 |
10 |
12 |
12 |
|
Отбитость ребер глубиной, мм, не более |
5 |
5 |
5 |
8 |
8 |
|
Посечки шириной до 0,50 мм включительно (отдельные длиной до 40 мм) |
Не нормируются |
||||
|
Трещины шириной свыше 0,50 до 1,00 мм |
Не допускаются |
Допускаются отдельные длиной до 40 мм |
|||
|
свыше 1,00 мм |
Не допускаются |
||||
|
Примечания 1. Для изделий длиной более 460 мм и пятовых изделий нормы открытой пористости допускаются на 1 % выше установленных в таблице 10. 2. При изготовлении периклазохромитовых изделий по комбинированной технологии с применением крупнозернистого и тонкомолотого хромита в шихте (в том числе с применением импортного магнезита) к наименованию марки изделий добавляется цифра 1 . |
|||||
3.2. Изделия в изломе должны иметь однородное строение, без пустот и расслоений.
3.3. На ребровых гранях допускается шероховатость.
3.4. Требования по показателям внешнего вида допускается устанавливать по соглашению сторон.
4.1. Изделия поставляют партиями. Масса партии должна быть не более 150 т. Партия должна состоять из изделий одной марки.
4.2. Правила приемки - по ГОСТ 8179 с дополнением: для приемки изделий применяют план контроля номер 3, для приемки изделий, не прошедших предварительную разбраковку: нормальных размеров - номер 4, фасонных - номер 5.
4.3. При проверке соответствия качества изделий требованиям настоящего стандарта проводят приемо-сдаточные испытания в соответствии с требованиями, приведенными в таблице 11.
Таблица 11
|
Периодичность отбора образцов и проб для проведения испытаний |
|
|
Внешний вид и размеры |
От каждой партии |
|
Строение в изломе |
То же |
|
Массовая доля Cr2О3 и MgO |
От каждой второй партии |
|
Открытая пористость |
От каждой партии |
|
Предел прочности при сжатии |
То же |
|
Температура начала размягчения |
От каждой пятой партии |
|
Термическая стойкость |
То же |
|
Дополнительная линейная усадка |
» |
5.1. Размеры изделий проверяют металлической линейкой по ГОСТ 427 с ценой деления 1 мм, рулеткой по ГОСТ 7502 с ценой деления 1 мм или соответствующими шаблонами, обеспечивающими заданную точность измерения. Размеры изделий (длину, ширину, толщину) измеряют посередине каждой грани. За результат измерения принимают среднее значение. Каждое измерение не должно превышать предельно допустимых отклонений.
5.2. Отбор и подготовку проб для химического анализа проводят по ГОСТ 2642.0. Массовую долю MgO, Сr2О3 определяют по ГОСТ 2642.8, ГОСТ 2642.9 или другими методами, обеспечивающими требуемую точность определений. При возникновении разногласий в оценке качества изделий определения проводят по ГОСТ 2642.8 и ГОСТ 2642.9. В указанных стандартах приведены нормы точности результатов комплексных химических анализов.
5.3. Образцы для определения качественных показателей вырезают с рабочей стороны изделий. Образцы, вырезанные из изделий для определения качественных показателей, не должны иметь каких-либо видимых дефектов (трещин, отбитостей).
5.4. Предел точности при сжатии определяют по ГОСТ 4071.1, ГОСТ 4071.2 или ГОСТ 25714. Контрольный метод - по ГОСТ 4071.1, ГОСТ 4071.2.
5.5. Открытую пористость определяют по ГОСТ 2409 или ГОСТ 25714. Контрольный метод - по ГОСТ 2409.
5.6. Определение предела прочности при сжатии и открытой пористости по ГОСТ 25714 проводят на удвоенном количестве образцов.
5.7. Температуру начала размягчения определяют по ГОСТ 4070.
5.8. Термическую стойкость определяют по ГОСТ 7875.0 - ГОСТ 7875.2.
5.9. Дополнительную линейную усадку определяют по ГОСТ 5402.1, ГОСТ 5402.2.
5.10. Кривизну изделий определяют на проверочной плите по ГОСТ 10905 или аттестованной металлической плите шаблоном (щупом) шириной 10 мм и толщиной, превышающей на 0,1 мм установленную норму кривизны. Шаблон не должен входить в зазор между плитой и изделием.
5.11. Ширину посечек и трещин определяют при помощи измерительной лупы по ГОСТ 25706. Лупу располагают таким образом, чтобы ее шкала была перпендикулярной к плоскости-посечки или трещины. Между измерительной шкалой и поверхностью изделия помещают полоску бумаги, которую располагают вдоль шкалы вплотную к ее делениям. Ширину посечки или трещины определяют в месте ее максимальной величины. Длину посечки или трещины определяют металлической линейкой по ГОСТ 427 с ценой деления 1 мм по прямой линии, соединяющей начало и конец посечки или трещины.
5.12. Глубину отбитости углов и ребер определяют по ГОСТ 15136.
5.13. Строение изделий в изломе определяют визуально.
Маркировка, упаковка, транспортирование и хранение изделий - по ГОСТ 24717 с дополнением: транспортирование грузов пакетами - по ГОСТ 26663.
Маркировку, упаковку, транспортирование и хранение изделий допускается осуществлять по соглашению сторон при условии гарантии сохранения эксплуатационных показателей.
(рекомендуемое)
МЕЖДУНАРОДНЫЙ СТАНДАРТ
|
ИЗДЕЛИЯ ОГНЕУПОРНЫЕ Размеры Часть 1. Прямоугольный кирпич Refractory bricks Dimensions. Part 1. Rectangular bricks |
ИСО 5019-1-84 |
В настоящем стандарте приведены размеры огнеупорных изделий, наиболее часто употребляемые во многих странах для футеровки печей.
Данный перечень размеров нельзя считать полным.
Примечание - Размеры кирпича, изготавливаемого в Северной Америке, очень близки к приведенным в таблице 1.
1. Объем и область применения
1.1. Эта часть ИСО 5019 устанавливает размеры двух серий прямоугольного огнеупорного кирпича.
1.2. Эти две серии кирпича могут применять вместе с сериями сводового кирпича, размеры которого приведены в ИСО 5019-2 (приложение 2).
2. Ссылка
ИСО 5019-2 Изделия огнеупорные. Размеры. Часть 2. Сводовый кирпич
3. Размеры прямоугольного огнеупорного кирпича
3.1. Размеры прямоугольного огнеупорного кирпича приведены в таблице 1.
3.2. Предпочтительно применять серию кирпича 76 мм.
4. Допускаемые отклонения
Допускаемые отклонения размеров, приведенных в таблице 1, должны быть согласованы между поставщиком и потребителем.
Таблица 1 - Размеры прямоугольного огнеупорного кирпича (прямой, лещадка, плитка), мм
|
Серия 64 мм |
Серия 76 мм |
|
|
Прямоугольный*
|
А´В´С** 230´114´64 230´172´64 345´114´64 |
А´В´С 230´114´76 230´172´76 345´114´76 |
|
Лещадка
|
А´В´С 230´114´32 |
А´В´С 230´114´38 |
|
Плитка
|
А´В´С 230´230´64 |
А´В´С 230´230´76 |
|
* В Северной Америке прямоугольный известен под названием «прямой». ** Буквы, которыми обозначены размеры, относятся только к рисункам данной таблицы. |
||
(рекомендуемое)
МЕЖДУНАРОДНЫЙ СТАНДАРТ
|
ИЗДЕЛИЯ ОГНЕУПОРНЫЕ Размеры Часть 2. Сводовый кирпич Refractory bricks Dimensions. Part 2. Arch bricks |
ИСО 5019-2-84 |
Применяются две взаимоисключающие системы определения размеров огнеупорного сводового кирпича с использованием постоянного, среднего размера и постоянного размера записи стороны.
Примечание - Размеры сводового кирпича с постоянным размером задней стороны, изготавливаемого в Северной Америке, очень близки к приведенным и таблице 2.
1. Объем и область применения
1.1. Эта часть ИСО 5019 уточняет размеры двух серий огнеупорного сводового кирпича с постоянным средним размером и одну серию огнеупорного сводового кирпича с постоянным размером задней стороны.
1.2. Эти серии кирпича могут применяться вместе с двумя сериями прямоугольного кирпича, размеры которого определяются в ИСО 5019-1 (приложение 1).
2. Ссылка
ИСО 5019-1 Изделия огнеупорные. Размеры. Часть 1. Прямоугольный кирпич
3. Размеры огнеупорного сводового кирпича
3.1. Размеры огнеупорного сводового кирпича должны соответствовать указанным в таблице 2.
3.2. Предпочтительно применять серию кирпича 76 мм.
4. Допускаемые отклонения
Допускаемые отклонения размеров, приведенных в таблице 2, должны быть согласованы между поставщиком и потребителем.
Таблица 2 - Размеры огнеупорного сводового кирпича, мм
|
Кирпич с постоянным средним размером |
Кирпич с постоянным размером задней стороны |
||
|
Серия 64 мм |
Серия 76 мм |
||
|
Ребровый двусторонний клин**
|
А´В´С/D 230´114´67/61 230´114´69/59 230´114´72/56 230´114´76/52 |
А´В´С/D 230´114´79/73 230´114´81/71 230´114´84/68 230´114´88/64 |
А´В´С/D 230´114´76/70 230´114´76/64 230´114´76/52 230´114´76/38 |
|
Торцевой клин**
|
А´В´С/D 230´114´66/62 230´114´69/59 230´114´72/56 230´114´76/52 |
А´В´С/D 230´114´78/74 230´114´81/71 230´114´84/68 230´114´88/64 |
А´В´С/D 230´114´76/70 230´114´76/64 230´114´76/57 230´114´76/52 |
|
Торцевой полуторный клиновой кирпич
|
А´В´С/D 230´172´66/62 230´172´69/59 230´172´72/56 230´172´76/52 |
А´В´С/D 230´172´78/74 230´172´81/71 230´172´84/68 230´172´88/64 |
А´В´С/D 230´172´76/70 230´172´76/64 30´172´76/57 230´172´76/52 |
|
Большой сводовый кирпич**
|
А´В´С/D 230´230´66/62 230´230´69/59 230´230´72/56 230´230´76/52 |
А´В´С/D 230´230´78/74 230´230´81/71 230´230´84/68 230´230´88/64 |
А´В´С/D 230´230´76/73 230´230´76/70 230´230´76/64 230´230´76/52 |
|
* Буквы, которыми обозначены размеры, относятся только к рисункам данной таблицы. ** В Северной Америке ребровый двусторонний клин известен под названием «арочный», торцевой клин - «клин», большой сводовый кирпич - «клиновой блок». |
|||
(рекомендуемое)
МЕЖДУНАРОДНЫЙ СТАНДАРТ
|
ИЗДЕЛИЯ ОГНЕУПОРНЫЕ Размеры Часть 5. Пятовый кирпич Refractory bricks Dimensions. Part 5. Skew bricks |
ИСО 5019-5-84 |
1. Объем и область применения
1.1. Эта часть ИСО 5019 устанавливает размеры двух видов, серий пятовых кирпичей: применяемого с кирпичом горизонтального ряда кладки высотой 64 мм и применяемого с кирпичом горизонтального ряда кладки высотой 76 мм.
Примечание - Размеры пятового кирпича, изготовляемого в Северной Америке, очень близки к приведенным на рисунках 1 и 2.
1.2. Эти виды пятового кирпича применяются вместе с соответствующими сериями сводового кирпича, размеры которого указаны в ИСО 5019-2 (приложение 2).
2. Ссылка
ИСО 5019-2 Изделия огнеупорные. Размеры. Часть 2. Сводовый кирпич
3. Размеры пятового кирпича
3.1. Размеры пятового кирпича, применяемого с кирпичом горизонтального ряда кладки высотой 64 мм, должны соответствовать указанным на рисунке 1.
3.2. Размеры пятового кирпича, применяемого с кирпичом горизонтального ряда кладки высотой 76 мм, должны соответствовать указанным на рисунке 2.
3.3. Предпочтительно применять серию кирпича 76 мм.
4. Допускаемые отклонения
Допускаемые отклонения размеров, указанных на рисунках 1 и 2, должны быть согласованы между поставщиком и потребителем.
Объем 5,57 дм3
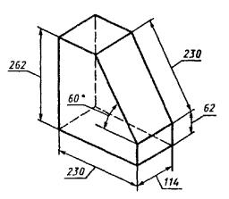
Рисунок 1 - Пятовый кирпич для применения вместе с кирпичом горизонтального ряда кладки высотой 64 мм
Объем 4,72 дм3
Рисунок 2 - Пятовый кирпич для применения вместе с кирпичом горизонтального рада кладки высотой 76 мм
(справочное)
Таблица 1
|
Номер изделия |
Объем, см3 |
Масса, кг, изделий марок |
||
|
ПХСП, ПХСУТ |
ПХСУ |
ПХСС, ПХССТ |
||
|
1 |
1719 |
5,36 |
5,23 |
5,16 |
|
2 |
3375 |
10,53 |
10,26 |
10,13 |
|
3 |
4275 |
13,34 |
13,00 |
12,83 |
|
4 |
5130 |
16,00 |
15,60 |
15,39 |
|
5 |
5175 |
16,15 |
15,73 |
15,53 |
|
6 |
6210 |
19,38 |
18,88 |
18,63 |
|
7 |
5850 |
18,25 |
17,78 |
17,55 |
|
8 |
7020 |
21,90 |
21,34 |
21,06 |
|
9 |
1455 |
4,54 |
4,42 |
4,37 |
|
10 |
1587 |
4,95 |
4,82 |
4,76 |
|
11 |
3218 |
10,04 |
9,78 |
9,65 |
|
12 |
3443 |
10,74 |
10,47 |
10,33 |
|
13 |
3600 |
11,23 |
10,94 |
10,60 |
|
14 |
4133 |
12,89 |
12,56 |
12,40 |
|
15 |
4247 |
13,25 |
12,91 |
12,74 |
|
16 |
4218 |
13,16 |
12,82 |
12,65 |
|
17 |
4560 |
14,23 |
13,86 |
13,68 |
|
18 |
4788 |
14,94 |
14,56 |
14,36 |
|
19 |
4931 |
15,38 |
14,99 |
14,79 |
|
20 |
3968 |
12,38 |
12,06 |
11,90 |
|
21 |
5106 |
15,93 |
15,52 |
15,32 |
|
22 |
5072 |
15,82 |
15,42 |
15,22 |
|
23 |
5451 |
17,00 |
16,37 |
16,35 |
|
24 |
5796 |
18,08 |
17,62 |
17,39 |
|
25 |
5969 |
18,62 |
18,15 |
17,91 |
|
26 |
5811 |
18,13 |
17,65 |
17,43 |
|
27 |
6201 |
19,35 |
18,85 |
18,60 |
|
28 |
1455 |
4,54 |
4,42 |
4,37 |
|
29 |
1587 |
4,95 |
4,82 |
4,76 |
|
30 |
2070 |
6,46 |
6,29 |
6,21 |
|
31 |
2700 |
8,42 |
8,21 |
8,10 |
|
32 |
2925 |
9,13 |
8,89 |
8,78 |
|
33 |
3150 |
9,83 |
9,58 |
9,45 |
|
34 |
3825 |
11,93 |
11,63 |
11,48 |
|
35 |
1555 |
4,85 |
4,73 |
4,76 |
|
36 |
3206 |
10,00 |
9,75 |
9,65 |
|
37 |
3278 |
10,23 |
9,97 |
9,83 |
|
38 |
4207 |
13,13 |
12,79 |
12,62 |
|
39 |
4865 |
15,18 |
14,79 |
14,60 |
|
40 |
5796 |
18,08 |
17,62 |
17,39 |
|
41 |
5476 |
17,09 |
16,65 |
16,43 |
|
42 |
1485 |
4,48 |
4,36 |
4,31 |
|
43 |
2993 |
9,34 |
9,10 |
8,98 |
|
44 |
3452 |
10,77 |
10,49 |
10,36 |
|
45 |
4030 |
12,57 |
12,25 |
12,09 |
|
46 |
4555 |
14,21 |
13,85 |
13,67 |
|
47 |
5075 |
15,83 |
15,43 |
15,23 |
|
48 |
6155 |
19,20 |
18,71 |
18,47 |
|
49 |
6965 |
21,73 |
21,17 |
20,90 |
|
50 |
2997 |
9,35 |
9,11 |
8,99 |
|
51 |
3054 |
9,53 |
9,28 |
9,16 |
|
52 |
4357 |
13,59 |
13,25 |
13,07 |
|
53 |
4450 |
13,88 |
13,53 |
13,35 |
|
54 |
4366 |
13,62 |
13,27 |
13,10 |
|
55 |
5948 |
18,56 |
18,08 |
17,84 |
|
56 |
6008 |
18,74 |
18,26 |
18,02 |
|
57 |
5903 |
18,42 |
17,95 |
17,71 |
|
Примечание - При расчете массы изделий средняя кажущаяся плотность их принята равной: для марок ПХСП, ПХСУТ - 3,12 г/см3, ПХСУ - 3,04 г/см3, ПХСС, ПХССТ - 3,00 г/см3. |
||||
ССЫЛОЧНЫЕ НОРМАТИВНО-ТЕХНИЧЕСКИЕ ДОКУМЕНТЫ
|
Обозначение НТД, на который дана ссылка |
Номер пункта, подпункта |
Обозначение НТД, на который дана ссылка |
Номер пункта, подпункта |
|
|
|||
|
ГОСТ 10905-86 |
|||
|
ГОСТ 25706-83 |
|||
СОДЕРЖАНИЕ
|
6. Маркировка, упаковка, транспортирование и хранение. 10 Приложение 1 ИСО 5019-1-84. 11 Приложение 2 ИСО 5019-2-84. 12 |
Ключевые слова: высокоогнеупорные изделия, обожженные периклазохромитовые изделия, марки, форма, размеры, технические требования, испытания, маркировка, упаковка, транспортирование, хранение