ГОСТ 10478-93

(ИСО 601-81, ИСО 2590-73)

МЕЖГОСУДАРСТВЕННЫЙ СТАНДАРТ

ТОПЛИВО ТВЕРДОЕ

МЕТОДЫ ОПРЕДЕЛЕНИЯ МЫШЬЯКА

МЕЖГОСУДАРСТВЕННЫЙ СОВЕТ
ПО СТАНДАРТИЗАЦИИ, МЕТРОЛОГИИ И СЕРТИФИКАЦИИ

Минск

Предисловие

1 РАЗРАБОТАН ТК «Кокс Украины»

ВНЕСЕН Государственным комитетом Украины по стандартизации, метрологии и сертификации

2 ПРИНЯТ Межгосударственным Советом по стандартизации, метрологии и сертификации (протокол № 3 от 18 февраля 1993 г.)

За принятие проголосовали:

Наименование государства

Наименование национального органа по стандартизации

Республика Азербайджан

Азгосстандарт

Республика Армения

Армгосстандарт

Республика Белоруссия

Белстандарт

Республика Грузия

Грузстандарт

Республика Казахстан

Казглавстандарт

Республика Молдова

Молдовастандарт

Российская Федерация

Госстандарт России

Туркменистан

Туркменгосстандарт

Республика Узбекистан

Узгосстандарт

Украина

Госстандарт Украины

3 Приложения 1 и 2 настоящего стандарта разработаны на основе аутентичного текста международных стандартов ИСО 601-81 «Топливо твердое минеральное. Определение содержания мышьяка фотометрическим методом с применением диэтилдитиокарбамата серебра» и ИСО 2590-73 «Общие методы определения мышьяка. Фотометрический метод применения диэтилдитиокарбамата серебра»

4 Постановлением Комитета Российской Федерации по стандартизации, метрологии и сертификации от 14 марта 1996 г. № 171 межгосударственный стандарт ГОСТ 10478-93 (ИСО 601-81, ИСО 2590-73) введен в действие непосредственно в качестве государственного стандарта Российской Федерации с 1 января 1997 г.

5 ВЗАМЕН ГОСТ 10478-75

6 ПЕРЕИЗДАНИЕ. Июнь 2002 г.

ГОСТ 10478-93

(ИСО 601-81, ИСО 2590-73)

МЕЖГОСУДАРСТВЕННЫЙ СТАНДАРТ

ТОПЛИВО ТВЕРДОЕ

Методы определения мышьяка

Solid fuel. Methods for determination of arsenic

Дата введения 1997-01-01

Настоящий стандарт распространяется на бурые и каменные угли, антрацит, кокс, горючие сланцы и торф и устанавливает два метода фотометрического определения мышьяка в указанных видах топлива:

по интенсивности окраски мышьяковомолибденовой сини в диапазонах массовой доли мышьяка от 0,0005 % до 0,01 %;

с использованием диэтилдитиокарбамата серебра (приложения 1 и 2).

Требования данного стандарта являются обязательными. При возникновении разногласий арбитражным является метод фотометрического определения мышьяка по интенсивности окраски мышьяковомолибденовой сини.

1 Сущность метода

Сущность метода заключается в озолении навески топлива со смесью Эшка, отделении мышьяка от мешающих примесей отгонкой в виде трихлорида, поглощении его азотной кислотой и фотометрическом определении мышьяка по интенсивности окраски раствора мышьяковомолибденовой сини.

2 Метод отбора проб

2.1 Отбор и подготовка проб углей - по ГОСТ 10742.

2.2 Отбор и подготовка проб торфа - по ГОСТ 11303.

2.3 Отбор и подготовка проб кокса - по ГОСТ 23083.

3 Аппаратура и реактивы

Печь муфельная электрическая с автоматическим терморегулятором, обеспечивающим температуру нагрева (800 ± 25) °С.

Фотоэлектроколориметр или спектрофотометр с основной погрешностью измерений не более 1 % (абс.) с набором кювет.

Шкаф сушильный, обеспечивающий температуру нагрева (200 ± 10) °С.

Электронагреватель с закрытой спиралью и терморегулятором.

Горелка газовая.

Весы с погрешностью взвешивания не более 0,0002 г по ГОСТ 24104.

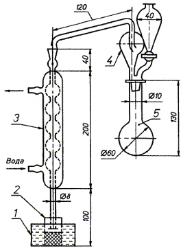
Прибор для отгонки мышьяка в виде AsCl3 (рисунок 1).

* С 1 июля 2002 г. введен в действие ГОСТ 24104-2001.

1 - сосуд с холодной водой; 2 - приемник дистиллята; 3 - холодильник; 4 - насадка; 5 - перегонная круглодонная колба

Рисунок 1 - Прибор для отгонки мышьяка

Бани водяная и песчаная.

Тигли фарфоровые № 4 высокие по ГОСТ 9147 с хорошо подогнанными крышками. Тигли и крышки нумеруют, прокаливают до постоянной массы и хранят в эксикаторе с осушающим веществом.

Пробирки П1-14-150 ХС по ГОСТ 25336, градуированные. Пробирки нумеруют и на них надевают резиновые кольца для установки их в алюминиевый диск.

Промывалка вместимостью 500 - 1000 см3.

Стаканы В1-50 ТС по ГОСТ 25336.

Цилиндры 1-10-2, 1-250-2 по ГОСТ 1770.

Бюретки 6-2-2, 6-2-5 по ГОСТ 29252.

Колбы 2-250-2, 2-500-2 и 2-1000-2 по ГОСТ 1770.

Воронка Бюхнера по ГОСТ 9147.

Спирт этиловый (гидролизный) ректификованный по ГОСТ 18300.

Аммония молибдат по ГОСТ 3765, раствор 0,01 г/см3, приготовленный из перекристаллизованной соли.

Перекристаллизацию проводят следующим образом: 200 г молибдата аммония при нагревании растворяют в 300 см3 дистиллированной воды. Нерастворившийся осадок отфильтровывают. К фильтрату добавляют 1/3 (по объему) этилового спирта. Выпавший мелкокристаллический осадок молибдата аммония отфильтровывают на воронке Бюхнера. Осадок трижды промывают спиртом и высушивают до воздушно-сухого состояния.

Мышьяка оксид (III) по ГОСТ 1973.

Гидразина сульфат по ГОСТ 5841, водный раствор массовой концентрации 0,0015 г/см3.

Калия бромид по ГОСТ 4160.

Кислота азотная по ГОСТ 4461, концентрированная.

Кислота серная по ГОСТ 4204, концентрированная, раствор молярной концентрации эквивалента 5 моль/дм3 и разбавленная 1:4.

Смесь Эшка, приготовленная из двух частей оксида магния по ГОСТ 4526 и одной части карбоната натрия по ГОСТ 83.

Натрия хлорид по ГОСТ 4233.

Вода дистиллированная по ГОСТ 6709.

Все применяемые реактивы должны иметь квалификацию «х.ч» или «ч.д.а».

4 Подготовка к анализу

4.1 Из аналитической пробы, приготовленной в зависимости от вида анализируемого топлива, в предварительно прокаленные и взвешенные тигли берут навеску топлива. Масса навески в зависимости от массовой доли мышьяка в ней приведена в таблице 1.

Таблица 1

Массовая доля мышьяка, %

Масса навески, г

Более 0,004

0,5

0,004 - 0,001

1

Менее 0,001

2

Результаты взвешивания в граммах записывают с точностью до четвертого десятичного знака.

4.2 Приготовление стандартных растворов мышьяка А и Б

Раствор А. Из предварительно высушенного при температуре (105 ± 10) °С в течение 2 ч оксида мышьяка (III) (As2O3) в стакан вместимостью 50 см3 помещают навеску массой 0,132 г, что соответствует 0,1 г мышьяка, окисляют 5 см3 концентрированной азотной кислоты, выпаривают досуха и взвешивают при температуре (125 ± 10) °С в течение 30 мин. Осадок в виде As2O5 после высушивания растворяют при нагревании в дистиллированной воде и количественно переносят в мерную колбу вместимостью 100 см3. Стакан промывают несколько раз горячей водой, сливая промывные воды в ту же мерную колбу, раствор в колбе охлаждают, доводят до метки водой и тщательно перемешивают.

1 см3 раствора А содержит 1 мг мышьяка.

Раствор Б. 10 см3 раствора А переносят в мерную колбу вместимостью 1000 см3, доливают дистиллированной водой до метки и перемешивают. 1 см3 раствора Б содержит 0,01 мг мышьяка.

4.3 Построение градуировочного графика

4.3.1 В пробирки с меткой на 10 см3 микробюреткой приливают соответственно 0; 0,5; 1,0; 2,0; 3,0; 4,0 см3 раствора Б и в каждую пробирку доливают дистиллированную воду, чтобы общий объем раствора составил около 7 см3. В пробирки последовательно добавляют 0,8 см3 раствора серной кислоты молярной концентрации эквивалента 5 моль/дм3, 0,6 см3 раствора молибдата аммония массовой концентрации 0,01 г/см3, 0,6 см3 водного раствора сульфата гидразина массовой концентрации 0,0015 г/см3, перемешивая после добавления каждого реактива. Затем доводят до метки дистиллированной водой, закрывают пробками и тщательно перемешивают.

Пробирки открывают и ставят в кипящую водяную баню так, чтобы часть пробирки, заполненная жидкостью, была погружена в воду. По истечении 10 мин пробирки вынимают и охлаждают под проточной водой.

После охлаждения пробирок до комнатной температуры измеряют оптическую плотность раствора на фотоэлектроколориметре в кюветах с расстоянием между рабочими гранями 20 мм при длине волны в интервале 625 - 750 нм или на спектрофотометре в кюветах с расстоянием между рабочими гранями 10 мм при длине волны 825 нм, используя в качестве раствора сравнения дистиллированную воду.

4.3.2 Оптическую плотность находят для четырех серий растворов. Для построения градуировочного графика берут среднеарифметическое результатов всех измерений оптической плотности, полученных для данной концентрации раствора.

На оси ординат откладывают значение оптической плотности за вычетом плотности раствора в контрольном опыте (пробирка с нулевым содержанием стандартного раствора Б), а на оси абсцисс - соответствующую ему массу мышьяка в миллиграммах.

В случае замены реактивов или приборов градуировочный график проверяют или строят вновь.

5 Проведение анализа

5.1 К навеске пробы топлива (см. 4.1) в каждый тигель добавляют 1 г смеси Эшка, тщательно перемешивают металлической палочкой, после чего содержимое тигля покрывают еще 1 г смеси Эшка.

5.2 Тигли с навесками пробы топлива помещают в холодную муфельную печь, поднимают температуру до (800 ± 25) °С в течение 1 ч и прокаливают пробы в течение 3 ч.

Одновременное прокаливание в муфельной печи проб топлива при определении других показателей не допускается.

5.3 После прокаливания тигли охлаждают, содержимое разрыхляют и, при отсутствии несгоревших частиц топлива, переносят в круглодонную колбу прибора для отгонки мышьяка (см. рисунок 1), в которую предварительно вносят 0,3 г сульфата гидразина, 1 г бромида калия и 10 г хлорида натрия. Затем в колбу вводят 5 см3 дистиллированной воды по палочке, смывая приставшие к шейке колбы частички.

Колбу соединяют с холодильником посредством насадки, снабженной воронкой с краном. Конец холодильника погружают в стакан-приемник дистиллята с 5 см3 концентрированной азотной кислоты. Приемник помещают в сосуд с холодной водой.

В мерный цилиндр наливают 15 см3 разбавленной 1:4 серной кислоты, часть этой кислоты наливают в тигель, в котором проводилось озоление, слегка подогревают на песчаной бане и сливают через воронку в колбу. Такую операцию проводят дважды.

Оставшуюся в цилиндре кислоту переводят в воронку, спускают в колбу и закрывают кран. Затем в ту же воронку наливают 10 см3 концентрированной серной кислоты и по каплям спускают ее в колбу (примерно 25 капель в минуту). При взаимодействии кислоты с хлоридом натрия образуется хлороводород, а мышьяк в виде AsCl3 отгоняется в приемник с азотной кислотой.

Когда в воронке останется 1 - 2 капли кислоты, закрывают кран и содержимое колбы кипятят. Когда отгонится 2/3 объема жидкости, отгонку заканчивают. После этого опускают приемник и, продолжая нагревание, собирают дистиллят еще в течение 3 мин.

5.4 Приемник ставят на песчаную баню и выпаривают его содержимое досуха, следя за тем, чтобы не было разбрызгивания, затем приемник переносят в сушильный шкаф и просушивают в течение 10 мин при температуре (125 ± 10) °С.

В приемник приливают из микробюретки 0,8 см3 раствора серной кислоты молярной концентрации эквивалента 5 моль/дм3, слегка нагревают его на кипящей водяной бане и переводят содержимое приемника в пробирку. Приемник трижды ополаскивают горячей водой (примерно по 2 см3) и сливают в пробирку. Затем в пробирку добавляют 0,6 см3 раствора молибдата аммония массовой концентрации 0,01 г/см3 и далее поступают как описано в 3.3.1.

Из полученного значения оптической плотности вычитают значение оптической плотности контрольного опыта. Контрольный опыт проводят при тех же условиях, применяя те же реактивы, но без навески топлива.

По градуировочному графику находят содержание мышьяка, соответствующее полученному значению оптической плотности.

6 Обработка результатов

6.1 Массовую долю мышьяка в аналитической пробе топлива (Asa) в процентах вычисляют по формуле

где т - масса мышьяка, найденная по градуировочному графику, мг;

т1 - масса навески топлива, г.

6.2 Пересчет результатов определения на другие состояния топлива проводят по ГОСТ 27313.

Массовую долю влаги в аналитической пробе определяют в зависимости от вида анализируемого топлива по ГОСТ 27314 или ГОСТ 11014, ГОСТ 11305 и ГОСТ 27589; полученный результат действителен в течение 7 сут.

6.3 Определение массовой доли мышьяка проводят параллельно в двух навесках.

6.4 Допустимые расхождения между результатами двух измерений (d2) при доверительной вероятности Р = 0,95 не должны превышать величин, приведенных в таблице 2.

Таблица 2

Массовая доля мышьяка, %

Допустимое расхождение (d2)

между двумя измерениями в одной лаборатории (сходимость)

между двумя определениями в разных лабораториях (воспроизводимость)

0,0005 - 0,001

0,0002

0,0003

0,001 - 0,003

0,0003

0,0004

0,003 - 0,005

0,0004

0,0006

0,005 - 0,01

0,0006

0,0008

6.5 Если при измерении содержания мышьяка в пробе расхождения между результатами двух измерений превышают допустимое значение d2, проводят третье измерение.

Если при этом расхождение между максимальным и минимальным значением в трех измерениях превышает 1,2d2, проводят четвертое измерение.

Если при четырех измерениях расхождение между максимальным и минимальным значением превышает 1,3d2, измерения прекращают до выявления и устранения причин, вызвавших рассеяние результатов.

6.6 За результат анализа принимают среднеарифметическое значение из всех измерений, удовлетворяющих 6.2 и 6.3 настоящего стандарта.

ПРИЛОЖЕНИЕ 1

(обязательное)

Топливо твердое минеральное. Определение мышьяка с использованием стандартного фотометрического метода по ИСО 2590, основанного на применении диэтилдитиокарбамата серебра

(ИСО 601-81)

1 Назначение и область применения

Настоящий международный стандарт устанавливает метод фотометрического определения содержания мышьяка в каменных и бурых углях, лигнитах и коксе с использованием диэтилдитиокарбамата серебра Ag (ДЦТК) по ИСО 2590.

Метод применим для определения мышьяка (As), содержащегося во всем растворе пробы либо в аликвоте, взятой для определения и содержащей от 1 до 20 мкг, но не менее чем 1 мкг.

2 Ссылки

ГОСТ 1770-74 Посуда мерная лабораторная стеклянная. Цилиндры, мензурки, колбы, пробирки. Общие технические условия

ГОСТ 8682-93 (ИСО 383-76) Посуда лабораторная стеклянная. Шлифы конические взаимозаменяемые

ГОСТ 9737-93 (ИСО 641-75) Посуда лабораторная стеклянная. Шлифы сферические взаимозаменяемые

ИСО 2590-73 Общие методы определения мышьяка. Фотометрический метод с применением диэтилдитиокарбамата серебра

3 Сущность метода

Пробу окисляют азотной и серной кислотами или применяют смесь Эшка. Далее, используя метод, установленный в ИСО 2590, мышьяк восстанавливают цинком в среде серной или хлороводородной кислоты с образованием арсина. Арсин поглощают раствором диэтилдитиокарбамата серебра в пиридине и фотометрируют пурпурно-красную окраску коллоидного серебра в максимуме полосы поглощения (длина волны около 540 нм).

Примечание - Коллоидное серебро образуется по реакции

AsH3 + 6Ag(ДЦТК) = 6Ag + 3Н(ДДТК) + As(ДДТК)3.

4 Реактивы

При проведении анализа используют квалификации «ч.д.а.», дистиллированную воду или воду эквивалентного качества. Все реактивы и, в частности, цинк должны быть свободными от мышьяка или иметь очень низкое его содержание. В дополнение к реактивам, указанным в разделе ИСО 2590, необходимы следующие реактивы:

4.1 Кислота серная концентрированная, р = 1,84 г/см3 (для 7.2).

4.2 Кислота азотная концентрированная, р = 1,42 г/см3 (для 7.2).

4.3 Кислота хлороводородная, р = 1,18 г/см3 (для 7.1).

4.4 Смесь Эшка (для 7.1).

Две массовые части слабопрокаленного оксида магния смешивают с одной частью безводного карбоната натрия (или калия). Смесь должна полностью проходить через сетку с размером квадратных ячеек 212 мкм (или сетку 02К по ГОСТ 6613).

5 Аппаратура

Вся стеклянная аппаратура должна быть выполнена из химически стойкого стекла. Весы с точностью взвешивания до 0,0002 г.

В дополнение к аппаратуре, перечисленной в разделе 5 ИСО 2590, необходимо следующее оборудование:

5.1 Аппарат для мокрого окисления пробы (рисунок 2) (для 7.2), состоящий из следующих частей:

5.1.1 Колба Къельдаля номинальной вместимостью 300 см3 с взаимозаменяемым конусом 24/29.

5.1.2 Трубка для отвода паров, имеющая наружный диаметр около 28 мм, оборудованная капельной воронкой вместимостью около 15 см3. Трубка может быть выполнена как единое целое или состоять из отдельных частей, соединенных шлифами.

5.1.3 Устройство для отсоса паров, состоящее из стеклянной трубки диаметром около 40 мм, закрытой с одного конца и другим концом присоединенной к водоструйному насосу. Стеклянная трубка оборудована дренажным краном и серией отверстий для присоединения нескольких трубок, через которые отводятся пары.

5.1.4 Водоструйный насос

5.1.5 Подставка с гнездами для установки колб Къельдаля под углом 45° и держателем устройства для отсоса паров.

Рисунок 2 - Аппарат для мокрого окисления пробы

5.2 Печь муфельная (7.1) электрическая с автоматическим терморегулятором, поддерживающим однородную температуру нагрева (800 ± 25) °С.

5.3 Тигли (для 7.1) из фарфора по ГОСТ 9147 или кварцевые вместимостью около 25 см3 с хорошо подогнанными крышками.

5.4 Изолирующая подставка (для 7.1) из кварца толщиной 6 мм или эквивалентная ей, размеры которой позволяют легко поместить ее в муфельную печь.

6 Подготовка проб

Воздушно-сухую пробу угля или кокса измельчают до прохождения через сетку с размером 212 мкм квадратных ячеек или сетку 02К по ГОСТ 6613. Пробу тщательно перемешивают в течение 1 мин непосредственно перед определением (предпочтительно механическим способом).

7 Проведение анализа

7.1 Метод сухого окисления

7.1.1 Взвешивают 1 г пробы.

7.1.2 Навеску пробы (7.1.1) помещают в тигель (5.3), содержащий 2 г смеси Эшка (4.4), тщательно перемешивают маленьким шпателем и покрывают еще 1 г смеси Эшка (4.4).

7.1.3 Тигель с пробой ставят на подставку (5.4), затем помещают в холодную муфельную печь (5.2) и нагревают до (800 ± 25) °С. Эту температуру поддерживают в течение 5 ч, затем тигель вынимают и охлаждают.

7.1.4 Прокаленную смесь количественно переносят в колбу, тигель промывают 10 см3 горячей воды и промывную воду сливают в колбу. Добавляют 20 см3 хлороводородной кислоты (4.3) для растворения смеси.

7.1.5 Полученный раствор или аликвоту раствора, содержащую 1 - 20 мкг мышьяка переносят в коническую колбу (см. 5.1.1 ИСО 2590) и разбавляют до 40 см3.

Примечание - Если взята аликвота раствора, то необходимо добавить хлороводородную кислоту в количестве, достаточном для получения молярной концентрации эквивалента 3 моль/дм3.

7.2 Метод мокрого окисления

7.2.1 Взвешивают 1 г пробы.

7.2.2 Пробу (7.2.1) помещают в сухую чистую колбу Къельдаля (5.1.1), постукивая по шейке колбы. Аппарат (5.1) собирают, как показано на рис. 2, в хорошо вентилируемом вытяжном шкафу. Приливают 7 см3 серной кислоты (4.1) и 3,5 см3 азотной кислоты (4.2) через капельную воронку, вращая колбу так, чтобы смыть остатки пробы с шейки колбы.

7.2.3 После прекращения бурной реакции колбу начинают осторожно нагревать так, чтобы дальнейшая реакция протекала спокойно, без вскипания. Нагрев колбы продолжают до тех пор, пока не станут выделяться только пары серной кислоты. В капельную воронку наливают 0,2 - 0,4 см3 азотной кислоты (4.2) и по каплям приливают ее в колбу.

Примечание - Если при добавлении смеси кислот появляется фиолетовая пена, то шейку колбы обматывают влажной тканью и нагревают с перерывами до прекращения вспенивания.

7.2.4 Нагревают в течение 2 - 3 мин до прекращения выделения густых бурых паров. Добавляют еще раз азотную кислоту, периодически вращая колбу, чтобы смыть угольные частички, прилипшие к стенкам колбы. Нагревают до тех пор, пока все видимые частички угля не окислятся и раствор не станет бледного, зеленовато-желтого цвета. Разложение длится в течение 1,5 - 2 ч и более для некоторых проб кокса.

Примечание - В первые 15 мин нагревания проб угля реакционная смесь представляет собой дегтеобразную массу.

Постепенно ее цвет из черного становится красновато-коричневым, затем янтарным и, наконец, бледнозеленовато-желтым.

Если по истечении 45 мин нагревания жидкость по-прежнему остается черной, то либо:

а) слишком низка температура и азотная кислота не вступает в реакцию с пробой (тогда температуру повышают для отгонки избытка азотной кислоты и продолжают окисление, как указано выше), либо

б) температура слишком высока и азотная кислота отгоняется, не вступая в реакцию (тогда охлаждают, добавляют еще азотной кислоты и нагревают смесь, как указано выше).

7.2.5 Колбу нагревают сильнее, до появления белых цветов, и дают дымить в течение 5 мин, затем охлаждают приблизительно до комнатной температуры, удаляют капельную воронку и трубку для отвода паров и к содержимому колбы добавляют несколько стеклянных или фарфоровых бусин.

Примечание - Если раствор снова становится янтарным или темно-красным, приливают еще 0,2 - 0,4 см3 азотной кислоты, нагревают до появления паров и дают дымить еще 5 мин.

7.2.6 Осторожно приливают 10 см3 воды, нагревают до появления белых паров и дают спокойно дымить в течение 10 мин. Затем колбу охлаждают до прекращения выделения белых паров, добавляют 0,2 см3 азотной кислоты, снова нагревают и дают дымить еще 10 мин.

7.2.7 Чтобы быть уверенным в полноте окисления, колбу охлаждают до комнатной температуры и повторяют операции, описанные в 7.2.6.

7.2.8 Колбу охлаждают до комнатной температуры, приливают 10 см3 воды, нагревают до появления густых паров и дают дымить в течение 20 мин. Добавляют еще 10 см3 воды, нагревают до появления густых паров, дают еще дымить 10 мин и охлаждают.

Примечание - Очень важно, чтобы следы азотной кислоты были удалены полностью, иначе результаты определения будут недействительными.

7.2.9 Весь раствор или аликвоту раствора, содержащую 1 - 20 мкг мышьяка, переносят в коническую колбу (см. 5.1.1 ИСО 2590) и разбавляют до 40 см3.

Примечание - Если берут аликвоту раствора, необходимо добавить серной кислоты в количестве, достаточном для получения молярной концентрации эквивалента 2 моль/дм3.

7.3 Холостой опыт

См. 6.2 ИСО 2590.

7.4 Построение градуировочного графика

См. 6.3 ИСО 2590.

7.5 Определение

См. 6.4 ИСО 2590.

8 Представление результатов

Массовую долю мышьяка вычисляют по формуле

где а - масса мышьяка, соответствующая результату фотометрического измерения, уменьшенная на массу мышьяка в холостом опыте, мкг;

т - масса анализируемой пробы или масса вещества в аликвоте исследуемого раствора, г.

Расчет массовой доли оксида мышьяка (III) в процентах проводят по формуле

As2O3 = As×1,3204.

Результаты записывают с точностью 0,0001 %.

9 Точность метода

9.1 Сходимость

Расхождение между результатами параллельных определений, выполненных в разное время в одной лаборатории, тем же лаборантом, на той же аппаратуре на двух порциях, отобранных из одной и той же пробы (см. раздел 6), не должно превышать значений, указанных в таблице 3.

Таблица 3

Массовая доля оксида мышьяка (III), %

Сходимость

Воспроизводимость

Менее 0,0006

0,0001 % (абс.)

0,0001 % (абс.)

Равно или больше 0,0006

±10 % среднего двух результатов

±10 % среднего двух результатов

9.2 Воспроизводимость

Расхождение между средними значениями результатов параллельных определений, выполненных в двух различных лабораториях на порциях, взятых из одной и той же пробы (см. раздел 6), не должно превышать значений, указанных в таблице 3.

ПРИЛОЖЕНИЕ 2

(обязательное)

Общие методы определения мышьяка. Фотометрический метод с применением диэтилдитиокарбамата серебра (ИСО 2590-73)

1 Назначение

Настоящий международный стандарт устанавливает общий метод фотометрического определения мышьяка с помощью диэтилдитиокарбамата серебра.

2 Область применения

Метод применяется для определения количества мышьяка (As), содержащегося во всем анализируемом растворе или в его аликвоте от 1 до 20 мкг, взятой для определения.

3 Принцип

Восстановление мышьяка цинком в хлороводородной кислоте с образованием арсина. Абсорбция арсина в растворе диэтилдитиокарбамата серебра в пиридине.

Фотометрическое определение пурпурно-красной окраски, образованной коллоиднораспределенным серебром на максимуме кривой абсорбции (длине волны около 540 нм).

Примечание - Реакция образования коллоидного серебра:

AsH3 + 6Ag(ДДTK) = 6Ag + 3Н(ДДТК) + Аs(ДДТК)3.

4 Реактивы

Все реактивы, и в частности цинк, не должны содержать мышьяк или иметь очень низкое его содержание. При испытании применяется дистиллированная вода или вода эквивалентная степени чистоты.

4.1 Кислота хлороводородная, р = 1,19 г/см3 или раствор с массовой долей 38 %, или раствор с молярной концентрацией эквивалента 12 моль/дм3.

4.2 Диэтилдитиокарбамат серебра Аg(ДДТК), раствор массовой концентрации 5 г/дм3 в пиридине.

Растворить 1 г диэтилдитиокарбамата серебра в пиридине (р 0,980 г/дм3) и долить 200 см пиридина с такой плотностью.

Хранить раствор в плотно закрытой склянке из темного стекла в защищенном от света месте.

Раствор сохраняется около двух недель.

4.3 Мышьяк, стандартный раствор 0,100 г/дм3.

Взвесить с точностью до 0,0001 г до 0,1320 г оксида мышьяка (III) (As2O3) и перенести его в склянку соответствующей вместимости (например, 1000 см3). Растворить оксид мышьяка (III) примерно в 2 см3 раствора гидроксида натрия массовой концентрации 50 г/дм3. Перенести раствор количественно в мерную колбу на 1000 см3. Несколько раз промыть стакан, перенести промывные воды в ту же колбу, долить до метки и перемешать.

1 см3 такого стандартного раствора содержит 100 мкг As.

4.4 Мышьяк, стандартный раствор 2,50 мг/дм3.

Перенести 25,0 см3 стандартного раствора мышьяка (4.3) в мерную колбу вместимостью 1000 см3, долить до метки и перемешать. Готовить раствор непосредственно перед использованием. В 1 см3 такого стандартного раствора содержится 2,5 мкг As.

4.5 Поглотительная вата, пропитанная ацетатом свинца.

Растворить 50 г тригидрата ацетата свинца Рb2Н3О2)2 3H2O в 250 см3 воды. Пропитать поглотительную вату этим раствором, дать стечь лишнему раствору и высушить вату в вакууме при комнатной температуре.

Хранить в воздухонепроницаемой емкости.

4.6 Иодид калия, раствор 150 г/дм3.

Растворить 15 г иодида калия в воде, долить до 100 см3 и перемешать.

4.7 Хлорид олова (II), раствор в хлороводородной кислоте.

Растворить 40 г дигидрата хлорида олова (II) (SnCl2×2H2O) в смеси 25 см3 воды и 75 см3 раствора хлороводородной кислоты (4.1).

4.8 Цинковая дробь. Размером от 0,5 до 1,0 мм или любой другой формы, которая согласно экспериментам дает эквивалентные результаты при указанных условиях анализа (см. приложение 1).

5 Аппаратура

Все стеклянные емкости, употребляемые для определения мышьяка, следует вымыть горячей концентрированной серной кислотой с соблюдением необходимых мер предосторожности, тщательно ополоснуть водой и полностью высушить.

Обычное лабораторное оборудование, а также:

5.1 Стеклянный аппарат с притертыми соединениями для выделения и полного поглощения арсина (рисунок 3).

Рисунок 3

Примечание - Относительно конических и сферических притертых соединений см. ГОСТ 8682 и ГОСТ 9737.

Соответствующий аппарат показан на рисунке 3, в его состав входит:

5.1.1 Коническая колба вместимостью 100 см3 для выделения арсина.

5.1.2 Соединительная трубка для улавливания сероводорода.

5.1.3 15-шариковая поглотительная колонка вместимостью 14 см3.

5.2 Спектрофотометр или

5.3 Фотоэлектрический абсорбциометр с фильтрами, имеющими максимальное пропускание в пределах 520 - 560 нм.

6 Методика

Внимание! В связи с токсичностью и неприятным запахом пиридина рекомендуется обращаться с ним осторожно и работать только в вытяжном шкафу с хорошей вентиляцией.

6.1 Проба для анализа и приготовление анализируемого раствора

Навеску пробы для анализа в количестве, указанном в международном стандарте на соответствующий продукт, обработать так, чтобы получить раствор для анализа, как описано ниже:

Раствор для анализа следует готовить так, чтобы общий объем или объем его аликвоты, взятой для определения, составлял 40 см3 и чтобы в нем содержалось от 1 до 20 мкг As и 10 см3 раствора хлороводородной кислоты (4.1). Окончательная кислотность перед добавлением раствора иодида калия - около 3 моль/л. В анализируемом растворе абсолютно не должно содержаться нитрат-ионов, кроме того, определенные элементы (кобальт, ртуть, серебро, медь, молибден, палладий и т.д.) снижают выход арсина. При необходимости в процедуре следует предусмотреть, как учитывать присутствие этих элементов.

Примечание - В том случае, когда анализируемым раствором обязательно служит серная кислота, кислотность должна составлять 3,8 - 4 моль/дм3 (в нем содержится 10 см3 раствора серной кислоты с молярной концентрацией эквивалента 15 моль/дм3).

6.2 Контрольный анализ

Параллельно определению провести контрольный анализ по такой же методике и с тем же количеством всех реагентов, которые применялись для определения.

6.3 Построение градуировочного графика

Градуировочный график строят каждый раз, когда приходится пользоваться новой порцией цинка, и каждый раз, когда готовится новый раствор диэтилдитиокарбамата серебра.

6.3.1 Приготовление стандартных равноценных растворов для фотометрического определения в ячейке 1 см.

Перенести в шесть отдельных конических колб (5.1.) количество стандартного раствора мышьяка (4.4), указанного в таблице 4.

Таблица 4

Объем стандартного раствора мышьяка, см3

Соответствующая масса мышьяка, мкг

Объем стандартного раствора мышьяка, см3

Соответствующая масса мышьяка, мкг

0*

0

4,00

10

1,00

2,5

6,00

15

2,00

5

8,00

20

* Компенсационный раствор.

Долить в каждую колбу по 10 см3 раствора хлороводородной кислоты (4.1) и воды примерно до 40 см3. Добавить по 2 см3 раствора иодида калия (4.6) и по 2 см3 раствора хлорида олова (II) (4.7), перемешать и дать отстояться в течение 15 мин.

Примечание - В случае анализируемых растворов в серной кислоте вместо 10 см3 раствора хлороводородной кислоты долить 10 см3 раствора серной кислоты с молярной концентрацией эквивалента 15 моль/дм3.

Вложить немного поглотительной ваты (4.5) в соединительную трубку (5.1.2) для приготовления сероводорода, который может выделяться вместе с арсином.

Смазать притертые соединения смазкой, нерастворимой в пиридине, перенести 5,0 см3 раствора диэтилдитиокарбамата серебра (4.2) в поглотительную склянку (5.1.3) и подсоединить соединительную трубку (5.1.2) к поглотительной склянке с помощью безопасного зажима.

После отстаивания в течение 15 мин добавить в коническую колбу через воронку 5 г цинка (4.8) и быстро собрать аппарат, как указано на рисунке 3.

Провести реакцию примерно в течение 45 мин.

Отсоединить поглотительную склянку (5.1.3), перемешать, чтобы растворить красный осадок, образовавшийся в ее нижней части, и полностью перемешать раствор.

Цвет раствора сохраняется постоянным в отсутствие света примерно в течение 2 ч и определение следует провести в течение этого времени.

6.3.2 Фотометрическое определение

Провести измерение на спектрофотометре (5.2) на максимуме поглотительной кривой (длина волны около 640 нм) или на фотоэлектрическом абсорбциометре (5.3) с соответствующими фильтрами после установки прибора на нулевое поглощение по компенсационному раствору.

6.3.3 Построение градуировочного графика

Построить график, отложив, например, содержание мышьяка в микрограммах в 5 см3 стандартного равноценного раствора по оси абсцисс и соответствующие значения поглощения - по оси ординат.

6.4 Определение

К 40 см3 анализируемого раствора (6.1), находящегося в конической колбе (5.1.1), добавить 2 см3 раствора иодида калия (4.6) и 2 см3 раствора хлорида олова (II) (4.7), перемешать и дать отстояться в течение 15 мин.

Продолжить операции по методике, описанной в 6.3.1.

6.4.1 Фотометрическое определение

Провести фотометрическое определение анализируемого раствора по методике, описанной в 6.3.2, после установки прибора на нуль поглощения по раствору контрольного анализа (6.2).

7 Представление результатов

С помощью градуировочного графика (см. 6.3) определить количество мышьяка, соответствующего значению фотометрического определения анализируемого раствора.

Для окончательных расчетов применяются формулы, которые будут даны в международных стандартах, относящихся к определенному продукту.

ПРИЛОЖЕНИЕ К ИСО 2590

Применение цинка в игольчатом виде

Если по каким-либо причинам применяется игольчатый цинк вместо дроби, в методику следует внести следующие изменения:

4.8 Читать: «Цинк в виде игл размером 2 - 3 мм».

6.1 1-й абзац читать: «Раствор для анализа следует готовить так, чтобы общий объем или объем его аликвоты, взятой для определения, составлял 30 см3 и чтобы в нем содержалось от 1 до 20 мкг As и 10 см3 раствора хлороводородной кислоты (4.1). Окончательная кислотность перед добавлением раствора иодида калия - около 4 моль/дм3».

6.31 2-й абзац читать: «Долить в каждую колбу по 10 см раствора хлороводородной кислоты (4.1) и воды примерно до 30 см3. Добавить по 2 см3 раствора иодида калия (4.6) и по 2 см раствора хлорида олова (II)...»

Предпоследний абзац читать: «Провести реакцию в течение 1 ч».

ИНФОРМАЦИОННЫЕ ДАННЫЕ

ССЫЛОЧНЫЕ НОРМАТИВНО-ТЕХНИЧЕСКИЕ ДОКУМЕНТЫ

Обозначение НТД, на который дана ссылка

Номер раздела, пункта

Обозначение НТД, на который дана ссылка

Номер раздела, пункта

ГОСТ 83-79

3

ГОСТ 9147-80

3

ГОСТ 1770-74

3, приложение 1

ГОСТ 9737-93

Разд. 2 приложения 1,

ГОСТ 1973-77

3

 

приложение 2

ГОСТ 3118-77

3

ГОСТ 10742-71

2.1

ГОСТ 3765-78

3

ГОСТ 11303-75

2.2

ГОСТ 4160-74

3

ГОСТ 11305-83

2.3

ГОСТ 4204-77

3

ГОСТ 18300-87

3

ГОСТ 4233-77

3

ГОСТ 23083-78

2.3

ГОСТ 4461-77

3

ГОСТ 24104-88

3

ГОСТ 4526-75

3

ГОСТ 25336-82

3

ГОСТ 5841-74

3

ГОСТ 27313-95

6.2

ГОСТ 6613-86

4.4, разд. 6 приложения 1

ГОСТ 27314-91

6.2

ГОСТ 6709-72

3

ГОСТ 27589-91

6.2

ГОСТ 8682-93

Разд. 2 приложения 1, приложение 2

ГОСТ 29252-91

3

СОДЕРЖАНИЕ

1 Сущность метода. 2

2 Метод отбора проб. 2

3 Аппаратура и реактивы.. 2

4 Подготовка к анализу. 4

5 Проведение анализа. 5

6 Обработка результатов. 5

Приложение 1 Топливо твердое минеральное. Определение мышьяка с использованием стандартного фотометрического метода по ИСО 2590, основанного на применении диэтилдитиокарбамата серебра. 6

Приложение 2 Общие методы определения мышьяка. Фотометрический метод с применением диэтилдитиокарбамата серебра (ИСО 2590-73) 10

Информационные данные. 14

Ключевые слова: твердое топливо, метод анализа, мышьяк