ТИПОВЫЕ
ТЕХНОЛОГИЧЕСКИЕ КАРТЫ
НА ПРОИЗВОДСТВО ОТДЕЛЬНЫХ ВИДОВ РАБОТ
РАЗДЕЛ 01
ТИПОВАЯ
ТЕХНОЛОГИЧЕСКАЯ КАРТА
НА ЗЕМЛЯНЫЕ И БУРОВЗРЫВНЫЕ РАБОТЫ
1.01.01.47
КОМПЛЕКСНО-МЕХАНИЗИРОВАННЫЙ
ПРОЦЕСС
ВОЗВЕДЕНИЯ ДАМБЫ ВЫСОТОЙ 10 м
ИЗ РАЗРЫХЛЕННОГО СКАЛЬНОГО ГРУНТА
С ЯДРОМ ИЗ СУГЛИНКА
НА ЗАБОЛОЧЕННОЙ ОБВОДНЕННОЙ ТЕРРИТОРИИ
МОСКВА – 1989
|
РАЗРАБОТАНА ВНИПИИСТРОМСЫРЬЕ Главный инженер института Р.А. Родин Главный инженер проекта В.Н. Буман |
ОДОБРЕНА Отделом организации и технологии строительного производства Госстроя СССР Письмо от 14.09.1988 г. № 23-532 Введена в действие с 01.01.1989 г. |
1.1. Типовая технологическая карта рекомендуется для возведения дамб из разрыхленного скального грунта с ядром из суглинка на заболоченной обводненной территории при сооружении объектов промышленного и мелиоративного строительства.
1.2. Типовая технологическая карта может быть использована при возведении дамб высотой 10, 20 и 30 м.
1.3. В данной технологической карте приведен пример возведения дамбы с параметрами:
длина - 350 м, ширина гребня - 1,0 м, высота - 10 м, заложение откосов: верхового - 1:3, низового - 1:2, глубина выемки некачественных грунтов - 2 м.
Уровень грунтовых вод совпадает с поверхностью земли.
Объем выемки некачественных грунтов - 24510 м3.
Объем отсыпки дамбы разрыхленным скальным грунтом - 45200 м3.
Объем отсыпки ядра из суглинка - 13400 м3.
Объем отсыпки обратного фильтра из песчано-гравийной смеси - 10200 м3.
1.4. Строительство осуществляется в средней зоне СССР при положительных температурах воздуха.
1.5. При привязке технологической карты к конкретному объекту и условиям строительства необходимо скорректировать объемы работ, график производства работ и калькуляцию затрат труда, средства механизации с учетом наличия парка землеройных механизмов.
2.1. Настоящий комплексно-механизированный технологический процесс состоит из подготовительных, основных и отделочных операций.
2.2. К подготовительным операциям относятся:
разбивка осей и контуров дамбы с установкой разбивочных знаков и реперов, устройство освещения мест разработки и укладки грунта, устройство подъездных землевозных автодорог.
2.3. К основным операциям относятся:
устройство подсыпок для проезда механизмов в пределах контура дамбы;
выемка некачественных грунтов в основании дамбы;
открытый водоотлив из котлована в основании дамбы;
разработка разрыхленного скального грунта, песчано-гравийной смеси и суглинка в карьере;
возведение дамбы из разрыхленного скального грунта;
устройство обратного фильтра;
устройство ядра из суглинка;
водоотлив;
отсыпка разворотных площадок и их разборка.
2.4. К отделочным операциям относится планировка гребня и откосов дамбы.
2.5. Состав вариантов комплексов машин, применяемых для основных и отделочных операций.
Таблица 1
|
Варианты комплексов машин |
||||
|
1 |
2 |
3 |
4 (аналог) |
|
|
Устройство подсыпок для проезда механизмов |
Бульдозер ДЗ-110А. Каток ДУ-47Б |
Бульдозер ДЗ-110А. Каток ДУ-47Б |
Бульдозер ДЗ-110А. Каток ДУ-47Б |
Бульдозер ДЗ-110А. Каток ДУ-47Б |
|
Выемка некачественных грунтов в основании дамбы. Открытый водоотлив. |
Экскаватор ЭО-5111Б драглайн. Автомобиль - самосвал КамАЗ-5511. Автогрейдер ДЗ-31-1. Бульдозер ДЗ-110А. Насос КМ80-50-200-СД |
Экскаватор ЭО-5111Б драглайн. Автомобиль - самосвал КамАЗ-5511. Автогрейдер ДЗ-31-3. Бульдозер ДЗ-110А. Насос КМ80-50-200-СД |
Экскаватор ЭО-5111Б драглайн. Автомобиль - самосвал КамАЗ-5511. Автогрейдер ДЗ-31-3. Бульдозер ДЗ-110А. Насос КМ80-50-200-СД |
Экскаватор ЭО-5111Б драглайн. Автомобиль - самосвал КамАЗ-5511. Автогрейдер ДЗ-31-1. Бульдозер ДЗ-110А. Насос КМ80-50-200-СД |
|
Разработка разрыхленного скального грунта, песчано-гравийной смеси и суглинка в карьере |
Экскаватор ЭО-4121Б прямая лопата. Автомобиль - самосвал КамАЗ-5511. Автогрейдер ДЗ-31-1 |
Экскаватор ЭО-4111В прямая лопата. Автомобиль - самосвал КамАЗ-5511. Автогрейдер ДЗ-31-1 |
Экскаватор ЭО-5122А прямая лопата. Автомобиль - самосвал КрАЗ-256Б. Автогрейдер ДЗ-31-1 |
Экскаватор ЭО-5111Б прямая лопата. Автомобиль - самосвал КамАЗ-5511. Автогрейдер ДЗ-31-1 |
|
Возведение дамбы из разрыхленного скального грунта. |
Бульдозер ДЗ-110А. Каток А-12. Трактор Т-130.1.Г-1. |
Бульдозер ДЗ-110А. Каток А-12. Трактор Т-130.1.Г-1. |
Бульдозер ДЗ-110А. Каток А-12. Трактор Т-130.1.Г-1. |
Бульдозер ДЗ-110А. Каток А-12. Трактор Т-130.1.Г-1. |
|
Устройство обратного фильтра |
Поливочная машина ПМ-130Б. |
Поливочная машина ПМ-130Б. |
Поливочная машина ПМ-130Б. |
Поливочная машина ПМ-130Б. |
|
Устройство ядра из суглинка. |
Насос КМ80-50-200-СД. |
Насос КМ80-50-200-СД. |
Насос КМ80-50-200-СД. |
Насос КМ80-50-200-СД. |
|
Водоотлив. Отсыпка разворотных площадок и их разборка |
Экскаватор ЭО-4121Б грейфер. Автогрейдер ДЗ-31-1 |
Экскаватор ЭО-4121Б грейфер. Автогрейдер ДЗ-31-1 |
Экскаватор ЭО-4121Б грейфер. Автогрейдер ДЗ-31-1 |
Экскаватор ЭО-4121Б грейфер. Автогрейдер ДЗ-31-1 |
|
Планировочные работы |
Бульдозер ДЗ-110А |
Бульдозер ДЗ-110А |
Бульдозер ДЗ-110А |
Бульдозер ДЗ-110А |
Ведущими машинами в комплексе являются:
в варианте 1 - экскаватор ЭО-4121Б, оборудованный прямой лопатой;
в варианте 2 - экскаватор ЭО-4111В, оборудованный прямой лопатой;
в варианте 3 - экскаватор ЭО-5122А, оборудованный прямой лопатой;
в варианте 4 - экскаватор ЭО-5111Б, оборудованный прямой лопатой.
2.6. Технология производства работ для варианта 1.
Дамба устраивается на обводненном участке местности. Предварительно, до начала выемки некачественных грунтов в основании дамбы устраивается подъездная автодорога к мосту производства работ и подсыпки для проезда механизмов и автомобилей-самосвалов по всей площади участка работ.
Автодорога и подсыпки устраиваются из доменного шлака либо из другого местного строительного материала шириной 5,50 м и высотой 0,50 м над поверхностью земли. Привезенный автомобилями-самосвалами шлак отсыпается «с головы», разравнивается бульдозером ДЗ-110А и уплотняется катком ДУ-47Б.
Выемка некачественных грунтов в основании дамбы производится экскаватором ЭО-5111Б, оснащенным драглайном. Грунт грузят на автомобили-самосвалы и вывозят в отвал. Разработка грунта выполняется при движении экскаватора и автомобилей-самосвалов по подсыпкам.
Разработка некачественных грунтов экскаватором ведется под защитой открытого водоотлива. Для этого в самой низкой точке основания дамбы устраивается водоприемный зумпф, из которого грунтовая вода откачивается насосом КМ-80-50-200-СД за пределы основания дамбы.
Экскаватор начинает разработку от зумпфа и двигается в направлении, противоположном уклону основания дамбы.
Одновременно с некачественными грунтами разрабатывается шлак, уложенный в подсыпки.
Материалы, из которых отсыпается дамба, разрабатываются в карьерах экскаватором ЭО-4121Б, оборудованным обратной лопатой.
Возведение дамбы выполняется слоями по 2,00 м.
Первоначально отсыпается часть дамбы из разрыхленного скального грунта. Отсыпка ведется по двухкартной схеме, где в технологической последовательности чередуются операции: отсыпка разрыхленного скального грунта автомобилями-самосвалами КамА3-5511 и разравнивание его бульдозером ДЗ-110A; увлажнение поливочной машиной ПМ-130Б и уплотнение прицепным вибрационным катком А-12.
Отсыпка части дамбы из разрыхленного скального грунта производится слоями по 0,70 - 0,75 м, причем для возможности проезда автомобилей-самосвалов в верхней части каждого слоя необходимо устраивать дороги из наиболее мелких отсортированных частиц каменного материала.
Во вторую очередь устраивается обратный фильтр из щебня и песчано-гравийной смеси.
Щебень подвозят автомобилями-самосвалами и разгружают на бровке откоса отсыпанной части дамбы. Разравнивание щебня по откосу производится автогрейдером ДЗ-31-1.
Песчано-гравийную смесь разгружают у бровки откоса отсыпанной части дамбы и подают к месту укладки экскаватором ЭО-4121Б, оборудованным грейдером.
Разравнивание песчано-гравийной смеси производится бульдозером ДЗ-110А слоями по 0,70 - 0,75 м.
Укладку суглинка в ядро дамбы ведут по двухкартной схеме.
Подвезенный автомобилями-самосвалами суглинок разгружают на бровке траншеи в одном месте и перемещают бульдозером ДЗ-110А вдоль траншеи к месту укладки с разравниванием слоями по 0,70 - 0,75 м на одной карте. При этом дальность перемещения бульдозера не должна превышать 100,00 м. Уплотнение суглинка производится на другой карте прицепным виброкатком А-12. Увлажнение суглинка производится в карьере при его разработке. Возведение дамбы из разрыхленного скального грунта, устройство обратного фильтра и ядра из суглинка ниже уровня грунтовых вод производится под защитой открытого водоотлива.
Для возведения верха дамбы используются разворотные площадки для катка и автомобилей-самосвалов. Грунт от разборки разворотных площадок укладывается в гребень дамбы бульдозером ДЗ-110А. Планировка откосов и гребня дамбы выполняется бульдозером ДЗ-110А. Землевозные дороги, по которым транспортируются грунты, должны постоянно поддерживаться автогрейдером ДЗ-31-1 в рабочем состоянии.
2.7. Возведение дамбы выполняется (при работе в одну смену) для варианта 1 следующим составом:
машинисты бульдозера 6 разряда - 2,
машинисты экскаватора 6 разряда - 7,
пом. машинистов экскаватора 5 разряда - 2,
машинист катка 6 разряда - 1,
машинист катка 5 разряда - 1,
машинист автогрейдера 6 разряда - 1,
машинист насоса 4 разряда - 1,
машинист поливочной машины 4 разряда - 1,
(водитель 3 класса)
водители автомобилей-самосвалов III класса - 8.
2.8. Контроль качества выполняемых работ производится в соответствии с табл. 2.
Таблица 2
|
Контроль качества выполнения операции |
|||||
|
производителем работ |
мастером |
Состав |
Способы, инструмент |
Время |
Привлекаемые службы |
|
Разбивка осей и контуров дамбы, подсыпок для проезда и землевозных автодорог |
Устройство подсыпок для проезда и землевозных автодорог |
Точность выноса разбивки, осадка подсыпок |
Теодолит, стальная рулетка |
До разработки и отсыпки грунта |
Геодезическая |
|
- |
Выемка некачественных грунтов в основании дамбы. Водоотлив |
Геометрические размеры в плане. Очередность разработки грунта |
Визуально, нивелир, стальная рулетка, откосник |
В процессе устройства котлована под основание дамбы |
Геодезическая, грунтовая лаборатория |
|
- |
Возведение дамбы из разрыхленного скального грунта, устройство обратного фильтра, устройство ядра из суглинка. Водоотлив при возведении дамбы ниже уровня грунтовых вод |
Толщина слоев отсыпки, геотехнические свойства грунта, геометрические размеры в плане, высотные отметки, водоотлив |
Нивелир, стальная рулетка, откосник, плотномер, влагомер |
В процессе возведения дамбы |
Геодезическая, грунтовая лаборатория |
|
- |
Планировочные работы, разборка разворотных площадок |
Соблюдение проектных отметок, крутизна откосов |
Нивелир, откосник |
После возведения дамбы |
Геодезическая |
В соответствии с принятыми вариантами комплексов машин (табл. 1) и на основании калькуляции затрат труда в табл. 3 приведены сравнительные технико-экономические показатели эффективности вариантов.
Таблица 3
|
Варианты комплексов механизации работ |
||||
|
1 |
2 |
3 |
4 (аналог) |
|
|
При высоте дамбы 10,0 м |
||||
|
Объем работ, м3 |
98470 |
98470 |
98470 |
98470 |
|
Общая трудоемкость, чел.-дн. |
1630,1 |
1778,4 |
1559,1 |
1877,7 |
|
То же, на 1000 м3 грунта, чел.-ч |
135,7 |
148,1 |
129,8 |
156,4 |
|
Затраты машинного времени на весь объем работ, маш.-смен |
1571,0 |
1719,3 |
1357,8 |
1573,9 |
|
Продолжительность процесса при двухсменной работе, день |
50,5 |
53,1 |
48,3 |
52,8 |
|
Выработка на 1 маш.-ч, м3 |
7,7 |
7,0 |
8,8 |
7,6 |
|
Стоимость затрат труда на весь объем работ, руб.-коп. |
11689-20 |
13105-31 |
12390-47 |
15606-70 |
|
То же, на 1000 м3 грунта, руб.-коп. |
118-71 |
133-09 |
125-83 |
138-18 |
|
Приведенные затраты на весь объем работ, руб. |
108908 |
110779 |
102310 |
110286 |
|
То же, на 1000 м3 грунта, руб. |
1106 |
1125 |
1039 |
1120 |
|
Эффективность в сравнении с аналогом на 1000 м3 грунта, руб. |
+14 |
-5 |
+81 |
- |
|
Прямые затраты на 1000 м3 грунта, руб. |
1050 |
1067 |
981 |
1060 |
|
При высоте дамбы 20,0 м |
||||
|
Объем работ, м3 |
208300 |
208300 |
208300 |
208300 |
|
Общая трудоемкость, чел.-дн. |
3097,2 |
3375,1 |
2963,4 |
3574,2 |
|
То же, на 1000 м3 грунта, чел.-ч |
121,9 |
132,9 |
116,7 |
140,7 |
|
Затраты машинного времени на весь объем работ, маш.-смен |
2984,9 |
3266,7 |
2579,8 |
2990,4 |
|
Продолжительность процесса при двухсменной работе, день |
60,6 |
63,7 |
58,0 |
63,4 |
|
Выработка на 1 маш.-ч, м3 |
8,5 |
7,8 |
9,8 |
8,5 |
|
Стоимость затрат труда на весь объем работ, руб.-коп. |
22677-05 |
25424-30 |
24038-10 |
25852-73 |
|
То же, на 1000 м3 грунта, руб.-коп. |
108-87 |
122-06 |
115-40 |
124-11 |
|
Приведенные затраты на весь объем работ, руб. |
208717 |
214549 |
197885 |
213299 |
|
То же, на 1000 м3 грунта, руб. |
1002 |
1030 |
950 |
1024 |
|
Эффективность в сравнении с аналогом на 1000 м3 грунта, руб. |
+22 |
-6 |
+74 |
- |
|
При высоте дамбы 30,0 м |
||||
|
Объем работ, м3 |
449200 |
449200 |
449200 |
449200 |
|
Общая трудоемкость, чел.-дн. |
6091,7 |
6720,4 |
5921,4 |
7043,2 |
|
То же, на 1000 м3 грунта, чел.-ч |
111,2 |
122,7 |
108,1 |
128,6 |
|
Затраты машинного времени на весь объем работ, маш.-смен |
5970,4 |
6530,4 |
5169,4 |
5980,8 |
|
Продолжительность процесса при двухсменной работе, день |
90,2 |
95,5 |
85,9 |
94,3 |
|
Выработка на 1 маш.-ч, м3 |
9,2 |
8,4 |
10,6 |
9,2 |
|
Стоимость затрат труда на весь объем работ, руб.-коп. |
45240-32 |
50808-60 |
48071-15 |
51725-54 |
|
То же, на 1000 м3 грунта, руб.-коп. |
100-71 |
113-11 |
107-01 |
115-15 |
|
Приведенные затраты на весь объем работ, руб. |
429435 |
440216 |
406526 |
435724 |
|
То же, на 1000 м3 грунта, руб. |
956 |
980 |
905 |
970 |
|
Эффективность в сравнении с аналогом на 1000 м3 грунта, руб. |
+14 |
-10 |
+65 |
- |
Примечание. Технико-экономические показатели для дамб высотой 20 и 30 м приведены без представления калькуляции затрат труда.
4.1. Потребность в машинах, оборудовании, инструменте, инвентаре и приспособлениях приведена в табл. 4.
Таблица 4
|
Наименование машин, оборудования, инструментов и приспособлений |
Тип |
Марка ГОСТ |
Количество машин для вариантов механизации, кг |
Техническая характеристика |
|||
|
1 |
2 |
3 |
4 |
||||
|
Бульдозер с неповоротным отвалом, управление гидравлическое |
На тракторе класса 10 т |
ДЗ-110А |
2 |
2 |
2 |
2 |
Трактор Т-130.1.Г-1, длина отвала 3220 мм |
|
Экскаватор универсальный |
Одноковшовый, гидравлический, на гусеничном ходу |
ЭО-4121Б 22894-77 |
5 |
- |
- |
- |
Оборудован прямой лопатой. Ковш 1,0 м3 |
|
Экскаватор универсальный |
Одноковшовый, канатный, на гусеничном ходу |
ЭО-4111В 17343-83 |
- |
7 |
- |
- |
Оборудован прямой лопатой. Ковш 0,65 м3 |
|
Экскаватор универсальный |
Одноковшовый, гидравлический, на гусеничном ходу |
ЭО-5122А 22894-77 |
- |
- |
4 |
- |
Оборудован прямой лопатой. Ковш 1,6 м3 |
|
Экскаватор универсальный |
Одноковшовый, канатный, на гусеничном ходу |
ЭО-5111Б 17343-83 |
- |
- |
- |
5 |
Оборудован прямой лопатой. Ковш 1,0 м3 |
|
Экскаватор универсальный |
Одноковшовый, канатный, на гусеничном ходу |
ЭО-5111Б 17343-83 |
2 |
2 |
2 |
2 |
Оборудован драглайном. Ковш 1,0 м3 |
|
Экскаватор универсальный |
Одноковшовый, гидравлический, на гусеничном ходу |
ЭО -4121Б 22894-77 |
1 |
1 |
1 |
1 |
Оборудован грейдером. Ковш 0,65 м3 |
|
Автогрейдер |
Среднего типа, самоходный |
ДЗ-31-1 9420-79 |
1 |
1 |
1 |
1 |
Мощность двигателя 96 кВт, длина отвала 3700 мм |
|
Каток |
Вибрационный самоходный, двухвальцовый с гладкими вальцами |
ДУ-47Б |
1 |
1 |
1 |
1 |
Мощность двигателя 37 кВт. Масса 6-8 т. Ширина уплотняемой полосы 1200 мм |
|
Каток (производство ГДР) |
Прицепной вибрационный |
А-12 |
1 |
1 |
1 |
1 |
Масса 12 т. Ширина уплотняемой полосы 2000 мм |
|
Трактор промышленный, общего назначения |
Класса 10 т, гусеничный |
Т-130.1.-Г-1 |
1 |
1 |
1 |
1 |
Мощность двигателя 147 кВт |
|
Поливочная машина на шасси ЗИЛ-130 |
|
ПМ-130Б |
1 |
1 |
1 |
1 |
Вместимость цистерны 6000 л |
|
Автомобиль-самосвал |
Трехосный |
КамАЗ-5511 |
8 |
8 |
- |
8 |
Грузоподъемность 10 т |
|
Автомобиль-самосвал |
Трехосный |
КрАЗ-256Б |
- |
- |
8 |
- |
Грузоподъемность 12 т |
|
Насос центробежный консольного типа |
Моноблочный |
КМ-80-50-200-СД |
1 |
1 |
1 |
1 |
Подача 50 м3/ч Напор 50 м. Мощность электродвигателя 15 кВт |
|
Теодолит |
|
Т-15 10529-66 |
1 |
1 |
1 |
1 |
|
|
Нивелир |
|
Н-10 10528-76 |
1 |
1 |
1 |
1 |
|
|
Рейка нивелирная |
|
РН-10 11158-83 |
2 |
2 |
2 |
2 |
|
|
Вешка геодезическая |
Стандартная |
|
3 |
3 |
3 |
3 |
|
|
Рулетка измерительная металлическая |
Стандартная |
PC-20 7502-60 |
1 |
1 |
1 |
1 |
|
|
Рейка трехметровая |
|
|
1 |
1 |
1 |
1 |
|
|
Плотномер |
|
ПГМ-1 |
1 |
1 |
1 |
1 |
|
|
Влагомер |
|
НВУ-1 26375-84 |
1 |
1 |
1 |
1 |
|
4.2. Потребность в эксплуатационных материалах приведена в табл. 5.
Таблица 5
|
Норма на час работы машины, кг |
Количество на принятый объем по вариантам, кг |
||||
|
1 |
2 |
3 |
4 |
||
|
Бульдозер ДЗ-100А |
|
|
|
|
|
|
Дизельное топливо |
7,70 |
7393 |
7393 |
7393 |
7393 |
|
Бензин |
0,23 |
221 |
221 |
221 |
221 |
|
Моторное масло |
0,37 |
355 |
355 |
355 |
355 |
|
Трансмиссионное масло |
0,10 |
96 |
96 |
96 |
96 |
|
Консистентная смазка |
0,08 |
77 |
77 |
77 |
77 |
|
Экскаватор ЭО-4121Б |
|
|
|
|
|
|
Дизельное топливо |
5,50 |
10269 |
898 |
898 |
898 |
|
Бензин |
0,16 |
299 |
26 |
26 |
26 |
|
Моторное масло |
0,27 |
504 |
44 |
44 |
44 |
|
Трансмиссионное масло |
0,03 |
56 |
5 |
5 |
5 |
|
Консистентная смазка |
0,16 |
299 |
26 |
26 |
26 |
|
Экскаватор ЭО-4111В |
|
|
|
|
|
|
Дизельное топливо |
5,70 |
- |
19140 |
- |
- |
|
Бензин |
0,17 |
- |
571 |
- |
- |
|
Моторное масло |
0,28 |
- |
940 |
- |
- |
|
Трансмиссионное масло |
0,03 |
- |
101 |
- |
- |
|
Консистентная смазка |
0,17 |
- |
571 |
- |
- |
|
Экскаватор ЭО-5122А |
|
|
|
|
|
|
Дизельное топливо |
6,60 |
- |
- |
7696 |
- |
|
Бензин |
0,20 |
- |
- |
233 |
- |
|
Моторное масло |
0,32 |
- |
- |
373 |
- |
|
Трансмиссионное масло |
0,04 |
- |
- |
47 |
- |
|
Консистентная смазка |
0,20 |
- |
- |
233 |
- |
|
Экскаватор ЭО-5111Б |
|
|
|
|
|
|
Дизельное топливо |
6,30 |
3053 |
3053 |
3053 |
3053 |
|
Бензин |
0,19 |
92 |
92 |
92 |
473 |
|
Моторное масло |
0,30 |
145 |
145 |
145 |
747 |
|
Трансмиссионное масло |
0,03 |
15 |
15 |
15 |
75 |
|
Консистентная смазка |
0,18 |
87 |
87 |
87 |
448 |
|
Автогрейдер ДЗ-31-1 |
|
|
|
|
|
|
Дизельное топливо |
5,20 |
4072 |
4294 |
3884 |
4268 |
|
Бензин |
0,16 |
125 |
132 |
120 |
131 |
|
Моторное масло |
0,25 |
196 |
206 |
187 |
205 |
|
Трансмиссионное масло |
0,07 |
55 |
58 |
52 |
57 |
|
Консистентная смазка |
0,06 |
47 |
50 |
45 |
49 |
|
Трактор Т-130.1.Г-1 |
|
|
|
|
|
|
Дизельное топливо |
7,10 |
1246 |
1246 |
1246 |
1246 |
|
Бензин |
0,20 |
35 |
35 |
35 |
35 |
|
Моторное масло |
0,29 |
51 |
51 |
51 |
51 |
|
Транмиссионное масло |
0,09 |
16 |
16 |
16 |
16 |
|
Консистентная смазка |
0,07 |
12 |
12 |
12 |
12 |
|
Каток ДУ-47Б |
|
|
|
|
|
|
Дизельное топливо |
3,20 |
37 |
37 |
37 |
37 |
|
Бензин |
0,10 |
12 |
12 |
12 |
12 |
|
Моторное масло |
0,18 |
2 |
2 |
2 |
2 |
|
Трансмиссионное масло |
0,05 |
0,6 |
0,6 |
0,6 |
0,6 |
|
Консистентная смазка |
0,04 |
0,5 |
0,5 |
0,5 |
0,5 |
|
Поливочная машина ПМ-130Б |
|
|
|
|
|
|
Бензин |
4,90 |
623 |
623 |
623 |
623 |
|
Автомобильное масло |
0,11 |
14 |
14 |
14 |
14 |
|
Автомобиль-самосвал КамАЗ-5511 |
|
|
|
|
|
|
Дизельное топливо |
5,40 |
29853 |
29853 |
- |
29853 |
|
Дизельное масло |
0,25 |
1382 |
1382 |
- |
1382 |
|
Трансмиссионное масло |
0,04 |
221 |
221 |
- |
221 |
|
Консистентная смазка |
0,02 |
110 |
110 |
- |
110 |
|
Автомобиль-самосвал КрАЗ-256Б |
|
|
|
|
|
|
Дизельное топливо |
6,06 |
- |
- |
27537 |
- |
|
Дизельное масло |
0,34 |
- |
- |
1545 |
- |
|
Трансмиссионное масло |
0,05 |
- |
- |
227 |
- |
|
Консистентная смазка |
0,04 |
- |
- |
182 |
- |
При выполнении работ по возведению дамбы необходимо руководствоваться требованиями СНиП-III-4-80 «Техника безопасности в строительстве».

1 - ось дамбы; 6 - поверхность земли;
2 - разрыхленный скальный грунт; 7 - основание дамбы;
3 - ядро из суглинка; 8 - гребень дамбы;
4 - обратный фильтр из песчано-гравийной смеси; 9 - УГВ.
5 - щебень;

1 - ось дамбы;
2 - контур основания дамбы;
3 - подсыпка для проезда механизмов;
4 - водоприемный зумпф;
5 - уровень грунтовых вод;
6 - экскаватор;
7 - автомобиль-самосвал;
8 - ось проходки экскаватора;
-
очередность проходки экскаватора.

1 - ось дамбы; 8 - вибрационный каток;
2 - разворотная площадка для катков 15 ´ 20 м; 9 - поливочная машина;
3 - разворотная площадка для автомобилей-самосвалов 5 ´ 20 м; 10 - оси проходок бульдозера;
4 - слои отсыпки дамбы высотой по 2 м; 11 - оси проходок катка;
5 - слои отсыпки разрыхленного скального грунта; 12 - ось движения поливочной машины;
6 - бульдозер; 13 - отвалы грунта, выгруженные из автомобилей-самосвалов.
7 - автомобиль-самосвал;

1 - ось дамбы; 6 - бульдозер;
2 - щебень; 7 - автомобиль-самосвал;
3 - песчано-гравийная смесь; 8 - экскаватор;
4 - разворотная площадка для катков 15 ´ 20 м; 9 - отвалы грунта.
5 - разворотная площадка для автомобилей-самосвалов 5 ´ 20 м;

|
1 - ось дамбы; |
6 - разворотная площадка для автомобилей-самосвалов 5 ´ 20 м; |
11 - оси проходок бульдозера; |
|
2 -щебень; |
7 - бульдозер; |
12 - оси проходок поливочной машины; |
|
3 - песчано-гравийная смесь; |
8 - автомобиль-самосвал; |
13 - оси проходок катка; |
|
4 - ядро из суглинка; |
9 - поливочная машина; |
14 - отвалы грунта, выгруженного из автомобилей-самосвалов; |
|
5 - разворотная площадка для катков 15 ´ 20 м; |
10 - виброкаток; |
15 - слои отсыпки суглинка. |

Примечание. Здесь и далее: 1. Пунктирная линия указывает на неполное использование механизмов в течение смены.
2. Объем подсыпок (шлака) приведен с учетом просадки на 0,5 м.
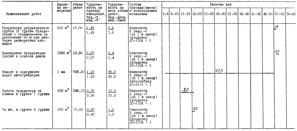
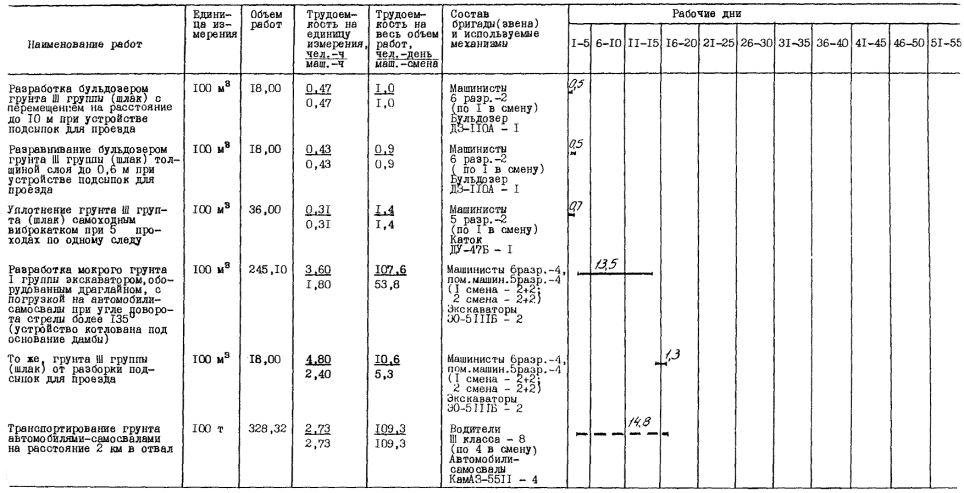
ГРАФИК ПРОИЗВОДСТВА РАБОТ. ВАРИАНТ 1 (продолжение)

ГРАФИК ПРОИЗВОДСТВА РАБОТ. ВАРИАНТ 1 (продолжение)

ГРАФИК ПРОИЗВОДСТВА РАБОТ. ВАРИАНТ 1 (продолжение)

|
Наименование работ |
Обоснование (ЕНиР и др.) |
Единица измерения |
Объем работ |
Норма времени на единицу измерения, чел.-ч маш.-ч |
Затраты труда на весь объем работ, чел.-день маш.-смена |
Время пребывания машины на объекте, маш.-смена |
Расценка на единицу измерения, руб.-коп. |
Стоимость затрат на весь объем работ, руб.-коп. |
Стоимость затрат с учетом пребывания машины на объекте, руб.-коп. |
|
Разработка бульдозером грунта III группы (шлак) с перемещением на расстояние до 10 м при устройстве подсыпок для проезда |
ЕниР §Е2-1-22, № 5в |
100 м3 |
18,00 |
0,47 0,47 |
1,0 1,0 |
1,0 |
0-49,8 |
8-96 |
8-96 |
|
Разравнивание бульдозером грунта III группы (шлак) толщиной слоя до 0,6 м при устройстве подсыпок для проезда |
ЕниР §Е2-1-28, п. 3е |
100 м3 |
18,00 |
0,43 0,43 |
0,9 0,9 |
0,9 |
0-45,6 |
8-21 |
8-21 |
|
Уплотнение грунта III группы (шлак) самоходным виброкатком ДУ-47Б при 5 проходах по одному следу |
ЕниР §Е17-7 |
100 м2 |
36,00 |
0,31 0,31 |
1,4 1,4 |
1,4 |
0-28,2 |
10-15 |
10-15 |
|
Разработка мокрого грунта I группы экскаватором ЭО-5111Б, оборудованным драглайном, с погрузкой на автомобили-самосвалы при угле поворота стрелы более 135° (устройство котлована под основание дамбы) |
ЕниР §Е2-1-10, № 5а, примеч. гл. 1, К = 1,1; п. 3.4; К = 1,1; п. 8.9 |
100 м3 |
245,10 |
3,60 1,80 |
107,6 53,8 |
53,8 |
3-58 |
877-46 |
877-46 |
|
То же, грунта III группы (шлак) от разборки подсыпок для проезда |
То же, № 5в |
100 м3 |
18,00 |
4,80 2,40 |
10,6 5,3 |
5,3 |
4-76 |
85-68 |
85-68 |
|
Транспортирование грунта автомобилями-самосвалами КамАЗ-5511 на расстояние 2 км в отвал |
ЕНВ* |
100 т |
328,32 |
2,73 2,73 |
109,3 109,3 |
118,4 |
1-94 |
636-94 |
695-89 |
|
Разработка разрыхленного грунта VI группы в карьере экскаватором ЭО-4121Б, оборудованным прямой лопатой, с погрузкой на автомобили-самосвалы (для возведения дамбы) |
Т. 79**, в. 10 |
100 м3 |
556,00 |
2,90 2,90 |
196,6 196,6 |
196,6 |
3-07 |
1706-92 |
1706-92 |
|
Разработка разрыхленного грунта I группы (песчано-гравийная смесь) в карьере экскаватором ЭО-4121Б, оборудованным прямой лопатой, с погрузкой на автомобили-самосвалы (для устройства обратного фильтра) |
Т. 79**, в. 10 |
100 м3 |
104,55 |
0,86 0,86 |
11,0 11,0 |
52,0 |
0-91,2 |
95-35 |
451-72 |
|
То же, грунта II группы для устройства ядра из суглинка |
Т. 79**, в. 10 |
100 м3 |
137,35 |
1,20 1,20 |
20,1 20,1 |
52,0 |
1-27 |
174-43 |
451-72 |
|
Транспортирование грунта автомобилями-самосвалами КамАЗ-5511 на расстояние 2 км |
ЕНВ* |
100 т |
1696,90 |
2,73 2,73 |
564,9 564,9 |
588,6 |
1-94 |
3291-99 |
3445-52 |
|
Разравнивание бульдозером грунта IV группы при возведении дамбы из разрыхленного скального грунта |
ЕниР §Е2-1-24, № 2а |
100 м3 |
452,00 |
1,70 1,70 |
93,7 93,7 |
125,2 |
1-80 |
813-60 |
1087-40 |
|
То же, грунта II группы при устройстве обратного фильтра из песчано-гравийной смеси |
ЕниР §Е2-1-28, № 3ж |
100 м3 |
102,00 |
0,21 0,21 |
2,6 2,6 |
2,6 |
0-22,3 |
22-75 |
22-75 |
|
То же, ядра из суглинка |
То же |
100 м3 |
134,00 |
0,21 0,21 |
3,4 3,4 |
3,4 |
0-22,3 |
29-88 |
29-88 |
|
Разравнивание щебня в обратном фильтре автогрейдером ДЗ-31-1 |
ЕНиР |
100 м2 |
51,60 |
0,08 |
0,5 |
0,5 0,5 |
0-08,5 |
4-39 |
4-39 |
|
Разработка грунта I группы экскаватором ЭО-412-1Б, оборудованным грейфером, при подаче песчано-гравийной смеси в обратный фильтр |
Данные ЦНИИОМТП |
100 м3 |
102,00 |
1,60 1,60 |
19,9 19,9 |
52,0 |
1-70 |
173-40 |
452-41 |
|
Увлажнение грунта поливочной машиной ПМ-130Б при уплотнении грунта |
ЕниР §Е17-2, ЕНВ* |
100 м3 |
58,60 |
2,17 2,17 |
15,5 15,5 |
65,4 |
1-64 |
96-10 |
402-98 |
|
Уплотнение грунта при возведении дамбы из разрыхленного скального грунта и устройстве ядра из суглинка прицепным виброкатком А-12 слоями по 0,7 м при 4 проходах по одному следу |
Данные ЦНИИОМТП |
100 м3 |
586,00 |
0,30 0,30 |
21,4 21,4 |
65,4 |
0-31,8 |
186-35 |
568-80 |
|
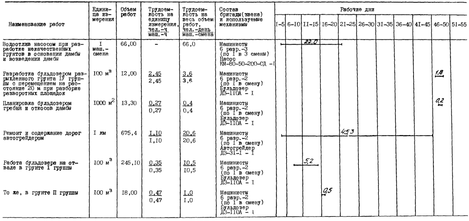
Водоотлив насосом КМ-80-50-200-СД при разработке некачественных грунтов в основании дамбы и при возведении дамбы |
Расчетные данные |
1 маш.-смена |
68,00 |
- |
66,0 66,0 |
66,0 |
6-48 |
427-68 |
427-68 |
|
Разработка разрыхленного грунта IV группы бульдозером ДЗ-110А с перемещением на расстояние 20 м при разборке разворотных площадок |
ЕниР §Е2-1-24, № 2а,б |
100 м3 |
12,00 |
2,45 2,45 |
3,6 3,6 |
3,6 |
1-59,5 |
19-14 |
19-14 |
|
Планировка гребня и откосов дамбы бульдозером ДЗ-110А |
ЕниР §Е2-1-40, № 4а |
1000 м2 |
13,30 |
0,27 0,27 |
0,4 0,4 |
0,4 |
0-28,6 |
3-80 |
3-80 |
|
Ремонт и содержание дорог автогрейдером ДЗ-31-1 |
ЕниР §Е17-20, п. 15 |
1 км |
708,20 |
1,10 1,10 |
95,0 95,0 |
95,0 |
1-17 |
828-59 |
828-59 |
|
Работа бульдозера на отвале в грунте I группы |
ЕниР §Е2-1-22, № 5а |
100 м3 |
245,10 |
0,35 0,35 |
10,5 10,5 |
10,5 |
0-37,1 |
90-93 |
90-93 |
|
То же, в грунте III группы |
То же, № 5в |
100 м3 |
18,00 |
0,47 0,47 |
1,0 1,0 |
1,0 |
0-49,8 |
8-96 |
8-96 |
|
Итого: |
|
|
|
|
1356,9 1297,8 |
1571,0 |
|
9601-66 |
11689-89 |
*ЕНВ - Здесь и далее: «Единые нормы времени на перевозку грузов автомобильным транспортом и сдельные расценки для оплаты труда водителей».
Т.79** - Здесь и далее: сборник «Типовые нормы и расценки...» Минтрансстроя СССР и «Земляные работы».

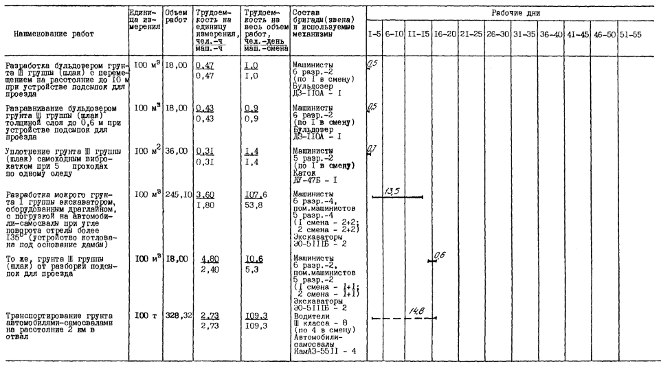
ГРАФИК ПРОИЗВОДСТВА РАБОТ. ВАРИАНТ 2 (продолжение)

ГРАФИК ПРОИЗВОДСТВА РАБОТ. ВАРИАНТ 2 (продолжение)

ГРАФИК ПРОИЗВОДСТВА РАБОТ. ВАРИАНТ 2 (продолжение)

|
Наименование работ |
Обоснование (ЕНиР и др.) |
Единица измерения |
Объем работ |
Норма времени на единицу измерения, чел.-ч маш.-ч |
Затраты труда на весь объем работ, чел.-день маш.-смена |
Время пребывания машины на объекте, маш.-смена |
Расценка на единицу измерения, руб.-коп. |
Стоимость затрат на весь объем работ, руб.-коп. |
Стоимость затрат с учетом пребывания машины на объекте, руб.-коп. |
|
Разработка бульдозером грунта III группы (шлак) с перемещением на расстояние до 10 м при устройстве подсыпок для проезда |
ЕНиР §Е2-1-22, № 5в |
100 м3 |
18,00 |
0,47 0,47 |
1,0 1,0 |
1,0 |
0-49,8 |
8-96 |
8-96 |
|
Разравнивание бульдозером грунта III группы (шлак) толщиной слоя до 0,6 м при устройстве подсыпок для проезда |
ЕНиР §Е2-1-28, № 3е |
100 м3 |
18,00 |
0,43 0,43 |
0,9 0,9 |
0,9 |
0-45,6 |
8-21 |
8-21 |
|
Уплотнение грунта III группы (шлак) самоходным виброкатком ДУ-47Б при 5 проходах по одному следу |
ЕНиР §Е17-7 |
100 м2 |
36,00 |
0,31 |
1,4 |
1,4 |
0-28,2 |
10-15 |
10-15 |
|
Разработка мокрого грунта I группы экскаватором ЭС-5111Б, оборудованным драглайном, с погрузкой на автомобили-самосвалы при угле поворота стрелы 135° (устройство котлована под основание дамбы) |
ЕНиР §Е2-1-10, № 5а, примеч. гл. 1, К=1,1; п. 3,4; К=1,1; п. 8,9 |
100 м3 |
245,10 |
3,60 1,80 |
107,6 53,8 |
53,8 |
3-58 |
877-46 |
877-46 |
|
То же, грунта III группы (шлак) от разборки подсыпок для проезда |
То же, № 5в |
100 м3 |
18,00 |
4,80 2,40 |
10,6 5,3 |
5,3 |
4-76 |
85-68 |
85-68 |
|
Транспортирование грунта автомобилями-самосвалами КамАЗ-5511 на расстояние 2 км |
ЕНВ* |
100 т |
328,32 |
2,73 2,73 |
109,3 109,3 |
118,4 |
1-94 |
636-94 |
695-89 |
|
Разработка разрыхленного грунта VI группы в карьере экскаватором ЭО-4111В, оборудованным прямой лопатой, с погрузкой на автомобили-самосвалы (для возведения дамбы) |
ЕНиР §Е2-1-8 |
100 м3 |
556,00 |
5,20 5,20 |
352,6 352,6 |
352,6 |
5-51 |
3063-56 |
3063-56 |
|
Разработка грунта I группы (песчано-гравийная смесь) в карьере экскаватором ЭО-4111В, оборудованным прямой лопатой, с погрузкой на автомобили-самосвалы для устройства обратного фильтра |
ЕНиР §Е2-1-8, Т-3; № 4а |
100 м3 |
104,55 |
1,70 1,70 |
21,7 21,7 |
52,0 |
180,2 |
188-40 |
451-77 |
|
То же, грунта II группы для устройства ядра из суглинка |
То же, № 4б |
100 м3 |
137,35 |
2,10 2,10 |
35,2 35,2 |
52,0 |
2-23 |
306-29 |
451-77 |
|
Транспортирование грунта автомобилями-самосвалами КамАЗ-5511 на расстояние 2 км |
ЕНВ* |
100 т |
1696,90 |
2,73 2,73 |
564,9 564,9 |
564,9 |
1-94 |
3291-99 |
3291-99 |
|
Разравнивание бульдозером грунта IV группы при возведении дамбы из разрыхленного скального грунта |
ЕНиР §Е2-1-24, № 2д |
100 м3 |
452,00 |
1,70 1,70 |
93,7 93,7 |
135,6 |
1-80 |
813-60 |
1177-79 |
|
То же, грунта II группы при устройстве обратного фильтра из песчано-гравийной смеси |
ЕНиР §Е2-1-28, № 3ж |
100 м3 |
102,00 |
0,21 0,21 |
2,6 2,6 |
2,6 |
0-22,3 |
22-75 |
22-75 |
|
То же, ядра из суглинка |
то же |
100 м3 |
134,00 |
0,21 0,21 |
3,4 3,4 |
3,4 |
0-22,3 |
29-88 |
29-88 |
|
Разравнивание щебня в обратном фильтре автогрейдером ДЗ-31-1 |
ЕНиР §Е17-4, т-2; № 1а |
100 м2 |
51,60 |
0,08 |
0,5 0,5 |
0,5 |
0-08,5 |
4-39 |
4-39 |
|
Разработка грунта I группы экскаватором ЭО-4121Б, оборудованным грейфером, при подаче песчано-гравийной смеси в обратный фильтр |
Данные ЦНИИОМТП |
100 м3 |
102,00 |
1,60 1,60 |
19,9 19,9 |
52,0 |
1-70 |
173-40 |
451-72 |
|
Увлажнение грунта поливочной машиной ПМ-130Б при уплотнении грунта |
ЕниР §Е17-2, ЕНВ* |
100 м3 |
58,60 |
2,17 2,17 |
15,5 15,5 |
70,6 |
1-64 |
96-10 |
434-96 |
|
Уплотнение грунта при возведении дамбы из разрыхленного скального грунта и устройстве ядра из суглинка прицепным виброкатком А-12 слоями по 0,7 м при 4 проходах по одному следу |
Данные ЦНИИОМТП |
100 м3 |
586,00 |
0,30 0,30 |
21,4 21,4 |
70,6 |
0-31,8 |
186-35 |
614-00 |
|
Водоотлив насосом КМ-80-50-200-СД при разработке некачественных грунтов в основании дамбы и возведении дамбы |
Расчетные данные |
1 маш.-смена |
66,0 |
- |
66,0 66,0 |
66,0 |
6-48 |
427-68 |
427-68 |
|
Разработка бульдозером разрыхленного грунта IV группы с перемещением на расстояние 20 м при разработке разворотных площадок |
ЕНиР §Е2-1-24, № 2а, б |
100 м3 |
12,00 |
2,45 2,45 |
3,6 3,6 |
3,6 |
1-59,5 |
19-14 |
19-14 |
|
Планировка бульдозером гребня и откосов дамбы |
ЕНиР §Е2-1-40, № 4а |
100 м2 |
13,3 |
0,27 0,27 |
0,4 0,4 |
0,4 |
0-28,6 |
3-80 |
3-80 |
|
Ремонт и содержание дорог автогрейдером ДЗ-31-1 |
ЕНиР §Е17-20, п. 15 |
1 км |
746,9 |
1,10 1,10 |
100,2 100,2 |
100,2 |
1-17 |
873-87 |
873-87 |
|
Работа бульдозера на отвале в грунте I группы |
ЕНиР §Е2-1-22, № 5а |
100 м3 |
245,10 |
0,35 0,35 |
10,5 10,5 |
10,5 |
0-37,1 |
90-93 |
90-93 |
|
То же, в грунте III группы |
То же, № 5а |
100 м3 |
18,00 |
0,47 0,47 |
1,0 1,0 |
1,0 |
0-49,8 |
8-96 |
8-96 |
|
Итого: |
|
|
|
|
1537,9 1478,8 |
1719,3 |
|
11228-49 |
13105-31 |

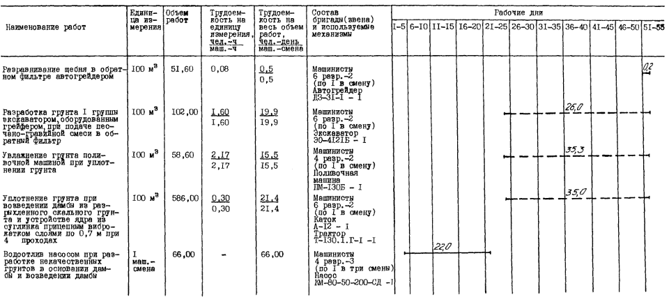
ГРАФИК ПРОИЗВОДСТВА РАБОТ. ВАРИАНТ 3 (продолжение)

ГРАФИК ПРОИЗВОДСТВА РАБОТ. ВАРИАНТ 3 (продолжение)

ГРАФИК ПРОИЗВОДСТВА РАБОТ. ВАРИАНТ 3 (продолжение)

|
Наименование работ |
Обоснование (ЕНиР и др.) |
Единица измерения |
Объем работ |
Норма времени на единицу измерения, чел.-ч маш.-ч |
Затраты труда на весь объем работ, чел.-день маш.-смена |
Время пребывания машины на объекте, маш.-смена |
Расценка на единицу измерения, руб.-коп. |
Стоимость затрат на весь объем работ, руб.-коп. |
Стоимость затрат с учетом пребывания машины на объекте, руб.-коп. |
|
Разработка бульдозером грунта III группы (шлак) с перемещением на расстояние до 10 м при устройстве подсыпок для проезда |
ЕНиР §Е2-1-22, № 5в |
100 м3 |
18,00 |
0,47 0,47 |
1,0 1,0 |
1,0 |
0-49,8 |
8-96 |
8-96 |
|
Разравнивание бульдозером грунта III группы (шлак) толщиной слоя до 0,6 м при устройстве подсыпок для проезда |
ЕНиР §Е2-1-28 |
100 м3 |
18,00 |
0,43 0,43 |
0,9 0,9 |
0,9 |
0-45,6 |
8-21 |
8-21 |
|
Уплотнение грунта III группы (шлак) самоходным виброкатком ДУ-47Б при 5 проходах по одному следу |
ЕНиР §Е17-7 |
100 м2 |
36,00 |
0,31 0,31 |
1,4 1,4 |
1,4 |
0-28,2 |
10-15 |
10-15 |
|
Разработка мокрого грунта I группы экскаватором ЭО-5111Б, оборудованным драглайном, с погрузкой на автомобили-самосвалы при угле поворота стрелы более 135° (устройство котлована под основание дамбы) |
ЕНиР §Е2-1-10, № 5а, К = 1,1; п. 3,4; К = 1,1; п. 8,9 |
100 м3 |
245,10 |
3,60 1,80 |
107,6 53,8 |
53,8 |
3-58 |
877-46 |
877-46 |
|
То же, грунта III группы (шлак) от разборки подсыпок для проезда |
То же, № 5а |
100 м3 |
18,00 |
4,80 2,40 |
10,6 5,3 |
5,3 |
4-76 |
85-68 |
85-68 |
|
Транспортирование грунта автомобилями-самосвалами КамАЗ-5511 на расстояние 2 км |
ЕНВ* |
100 т |
328,32 |
2,73 2,73 |
109,3 109,3 |
118,4 |
1-94 |
636-94 |
695-89 |
|
Разработка разрыхленного грунта VI группы в карьере экскаватором ЭО-5122А, оборудованным прямой лопатой, с погрузкой на автомобили-самосвалы (для возведения дамбы) |
ЕНиР §Е2-1-8, № 3е |
100 м3 |
556,00 |
3,60 1,80 |
244,0 122,0 |
122,0 |
3-55 |
1973-80 |
1973-80 |
|
Разработка грунта I группы (песчано-гравийная смесь) экскаватором ЭО-5122А, оборудованным прямой лопатой, с погрузкой на автомобили-самосвалы (для устройства обратного фильтра) |
ЕНиР §Е2-1-8, т-7, № 3а |
100 м3 |
104,55 |
1,20 0,60 |
15,2 7,6 |
50,0 |
1-15 |
120-23 |
805-16 |
|
То же, грунта II группы для устройства экрана из суглинка |
То же, № 3б |
100 м3 |
137,35 |
1,50 0,75 |
25,2 12,6 |
50,0 |
1-48 |
203-28 |
807-44 |
|
Транспортирование грунта автомобилями-самосвалами КамАЗ-5511 на расстояние 2 км |
ЕНВ* |
100 т |
1696,90 |
2,15 2,15 |
444,9 444,9 |
488,0 |
1-82 |
3088-36 |
3367-56 |
|
Разравнивание бульдозером грунта IV группы при возведении дамбы из разрыхленного скального грунта |
ЕНиР §Е2-1-24, № 2а |
100 м3 |
452,0 |
1,70 1,70 |
93,7 93,7 |
116,4 |
1-80 |
813-60 |
1010-91 |
|
То же, грунта II группы при устройстве обратного фильтра из песчано-гравийной смеси |
ЕНиР §Е2-1-28, № 3ж |
100 м3 |
102,00 |
0,21 0,21 |
2,6 2,6 |
2,6 |
0-22,3 |
22-75 |
22-75 |
|
То же, ядра из суглинка |
То же |
100 м3 |
134,00 |
0,21 0,21 |
3,4 3,4 |
3,4 |
0-22,3 |
29-88 |
29-88 |
|
Разравнивание щебня в обратном фильтре автогрейдером ДЗ-31-1 |
ЕНиР §Е17-4, т-2; № 1а |
100 м2 |
51,60 |
0,08 0,08 |
0,5 0,5 |
0,5 |
0-08,5 |
4-39 |
4-39 |
|
Разработка грунта I группы экскаватором ЭО-4121Б, оборудованным грейфером, при подаче песчано-гравийной смеси в обратный фильтр |
Данные ЦНИИОМТП |
100 м3 |
102,00 |
1,60 1,60 |
19,9 19,9 |
50,0 |
1-70 |
173-40 |
435-03 |
|
Увлажнение грунта поливочной машиной ПМ-130Б при уплотнении грунта |
ЕНиР §Е17-1, ЕНВ* |
100 м3 |
58,60 |
2,17 2,17 |
15,5 15,5 |
61,0 |
1-64 |
96-10 |
375-92 |
|
Уплотнение грунта при возведении дамбы из разрыхленного скального грунта и устройстве ядра из суглинка прицепным виброкатком А-12 слоями по 0,7 м при 4 проходах по одному следу |
Данные ЦНИИОМТП |
100 м3 |
586,00 |
0,30 0,30 |
21,4 21,4 |
61,0 |
0-81,8 |
196-35 |
530-55 |
|
Водоотлив насосом КМ-80-50-200-СД при разработке некачественных грунтов в основании дамбы и при возведении дамбы |
Расчетные данные |
1 маш.-смена |
66,00 |
- |
66,00 66,00 |
66,0 |
6-48 |
427-68 |
427-68 |
|
Разработка бульдозером разрыхленного грунта IV группы с перемещением на расстояние 20 м при разборке разворотных площадок |
ЕНиР §Е2-1-24, № 2а,б |
100 м3 |
12,00 |
2,45 2,45 |
3,6 3,6 |
3,6 |
1-59,5 |
19-14 |
19-14 |
|
Планировка бульдозером гребня и откосов дамбы |
ЕНиР §Е2-1-40, № 4а |
100 м2 |
13,30 |
0,27 0,27 |
0,4 0,4 |
0,4 |
0-28,6 |
3-80 |
3-80 |
|
Ремонт и содержание дорог автогрейдером |
ЕНиР §Е17-20, п. 15 |
1 км |
675,4 |
1,10 1,10 |
90,6 90,6 |
90,6 |
1-17 |
790-22 |
790-22 |
|
Работа бульдозера на отвале в грунте I группы |
ЕНиР §Е2-1-22, № 5а |
100 м3 |
245,10 |
0,35 0,35 |
10,5 10,5 |
10,5 |
0-37,1 |
90-93 |
90-93 |
|
То же, в грунте III группы |
То же, № 5в |
100 м3 |
18,00 |
0,47 0,47 |
1,0 1,0 |
1,0 |
0-49,8 |
8-96 |
8-96 |
|
Итого: |
|
|
|
|
1289,2 1087,9 |
1357,8 |
|
9680-27 |
12390-47 |

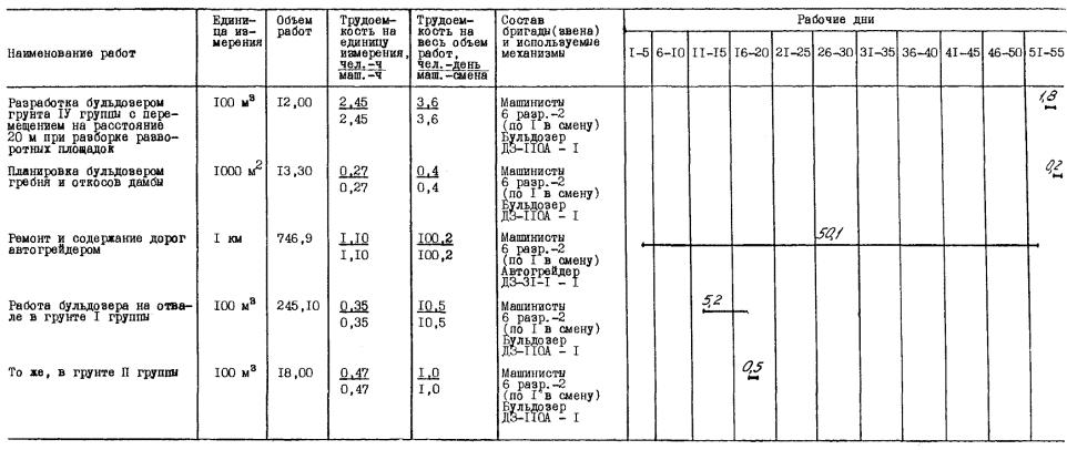
ГРАФИК ПРОИЗВОДСТВА РАБОТ. ВАРИАНТ 4 (продолжение)

ГРАФИК ПРОИЗВОДСТВА РАБОТ. ВАРИАНТ 4 (продолжение)

ГРАФИК ПРОИЗВОДСТВА РАБОТ. ВАРИАНТ 4 (продолжение)

КАЛЬКУЛЯЦИЯ ЗАТРАТ ТРУДА. ВАРИАНТ 4
|
Наименование работ |
Обоснование (ЕНиР и др.) |
Единица измерения |
Объем работ |
Норма времени на единицу измерения, чел.-ч маш.-ч |
Затраты труда на весь объем работ, чел.-день маш.-смена |
Время пребывания машины на объекте, маш.-смена |
Расценка на единицу измерения, руб.-коп. |
Стоимость затрат на весь объем работ, руб.-коп. |
Стоимость затрат с учетом пребывания машины на объекте, руб.-коп. |
|
Разработка бульдозером грунта III группы (шлак) с перемещением на расстояние до 10 м при устройстве подсыпок для проезда |
ЕниР §Е2-1-22, № 5в |
100 м3 |
18,00 |
0,47 0,47 |
10 1,0 |
1,0 |
0-49,8 |
8-96 |
8-96 |
|
Разравнивание бульдозером грунта III группы (шлак) толщиной слоя до 0,6 м при устройстве подсыпок для проезда |
ЕниР §Е2-1-28, № 3ж |
100 м3 |
18,00 |
0,43 0,43 |
0,9 0,9 |
0,9 |
0-45,6 |
8-21 |
8-21 |
|
Уплотнение грунта III группы (шлак) самоходным виброкатком ДУ-47Б при 5 проходах по одному следу |
ЕниР §Е17-7 |
100 м2 |
36,00 |
0,31 0,31 |
1,4 1,4 |
1,4 |
0-28,2 |
10-15 |
10-15 |
|
Разработка мокрого грунта I группы экскаватором ЭО-5111Б, оборудованным драглайном, с погрузкой на автомобили-самосвалы при угле поворота стрелы более 135° (устройство котлована под основание дамбы) |
ЕниР §Е2-1-10, № 5а, примеч. гл. 1: К = 1,1; п. 3,4; К = 1,1; п. 8.9 |
100 м3 |
245,10 |
3,60 1,80 |
107,6 53,8 |
53,8 |
3-58 |
877-46 |
877-46 |
|
То же, грунта III группы (шлак) от разборки подсыпок для проезда |
То же, № 5в |
100 м3 |
18,00 |
4,80 2,40 |
10,6 5,3 |
5,3 |
4-76 |
85-68 |
85-68 |
|
Транспортирование грунта автомобилями-самосвалами на расстояние 2 км в отвал |
ЕНВ* |
100 т |
328,32 |
2,73 2,73 |
109,3 109,3 |
118,4 |
1-94 |
636-94 |
695-89 |
|
Разработка разрыхленного грунта VI группы в карьере экскаватором ЭО-5111Б, оборудованным прямой лопатой, с погрузкой на автомобили-самосвалы (для возведения дамбы) |
ЕниР §Е2-1-8, т-3, № 6е |
100 м3 |
556,00 |
6,20 3,10 |
420,4 210,2 |
210,2 |
6-11 |
3397-16 |
3397-16 |
|
Наименование работ |
Обоснование (ЕНиР и др.) |
Единица измерения |
Объем работ |
Норма времени на единицу измерения, чел.-ч маш.-ч |
Затраты труда на весь объем работ, чел.-день маш.-смена |
Время пребывания машины на объекте, маш.-смена |
Расценка на единицу измерения, руб.-коп. |
Стоимость затрат на весь объем работ, руб.-коп. |
Стоимость затрат с учетом пребывания машины на объекте, руб.-коп. |
|
Разработка грунта I группы (песчано-гравийная смесь) в карьере для устройства обратного фильтра экскаватором ЭО-5111Б, оборудованным прямой лопатой, с погрузкой в автомобили-самосвалы |
ЕНиР §Е2-1-8, т-3, № 6а |
100 м3 |
104,55 |
2,00 1,00 |
25,4 12,7 |
52,0 |
1-97 |
205-96 |
547-56 |
|
То же, грунта II группы для устройства экрана из суглинка |
То же, № 6б |
100 м3 |
137,35 |
2,60 1,30 |
43,6 21,8 |
52,0 |
2-56 |
351-62 |
547-56 |
|
Транспортирование грунта автомобилями-самосвалами КамАЗ-5511 на расстояние 2 км |
ЕНВ* |
100 т |
1696,90 |
2,73 2,73 |
564,9 564,9 |
564,9 |
1-94 |
3291-99 |
3291-99 |
|
Разравнивание бульдозером грунта IV группы при возведении дамбы из разрыхленного скального грунта |
ЕНиР §Е2-1-24, № 2а |
100 м3 |
452,00 |
1,70 1,70 |
93,7 93,7 |
134,4 |
1-80 |
813-60 |
1167-36 |
|
То же, грунта II группы при устройстве обратного фильтра из песчано-гравийной смеси |
ЕНиР §Е2-1-28, № 3ж |
100 м3 |
102,00 |
0,21 0,21 |
2,6 2,6 |
2,6 |
0-22,3 |
22-75 |
22-75 |
|
То же, ядра из суглинка |
То же |
100 м3 |
134,00 |
0,21 0,21 |
3,4 3,4 |
3,4 |
0-22,3 |
29-88 |
29-88 |
|
Разравнивание щебня в обратном фильтре автогрейдером ДЗ-31-1 |
ЕНиР §Е17-4, т-2, № 1а |
100 м2 |
51,60 |
0,08 |
0,5 0,5 |
0,5 |
0-08,5 |
4-39 |
4-39 |
|
Разработка грунта I группы экскаватором ЭО-4121Б, оборудованным грейфером, при подаче песчано-гравийной смеси в обратный фильтр |
Данные ЦНИИОМТП |
100 м3 |
102,00 |
1,60 1,60 |
19,9 19,9 |
52,0 |
1-70 |
173-40 |
452-41 |
|
Увлажнение грунта поливочной машиной ПМ-130Б при уплотнении грунта |
ЕНиР §Е17-2, ЕНВ* |
100 м3 |
58,60 |
2,17 2,17 |
15,5 15,5 |
70,0 |
1-64 |
96-10 |
431-27 |
|
Уплотнение грунта (при возведении дамбы из разрыхленного скального грунта и устройстве ядра из суглинка) прицепным виброкатком А-12 слоями по 0,7 м при 4 проходах по одному следу |
Данные ЦНИИОМТП |
100 м3 |
586,00 |
0,30 0,30 |
21,4 21,4 |
70,0 |
0-31,8 |
186-35 |
608-78 |
|
Водоотлив насосом КМ-80-50-200-СД при разработке некачественных грунтов в основании дамбы и при возведении дамбы |
Расчетные данные |
1 маш.-смена |
66,00 |
- |
66,0 66,0 |
66,0 |
6-48 |
427-68 |
427-68 |
|
Разработка бульдозером грунта IV группы с перемещением на расстояние 20 м при разборке разворотных площадок |
ЕНиР §Е2-1-24, № 2а,б |
100 м3 |
12,00 |
2,45 2,45 |
3,6 3,6 |
3,6 |
1-59,5 |
19-14 |
19-14 |
|
Планировка бульдозером гребня и откосов дамбы |
ЕНиР §Е2-1-40, № 4а |
100 м2 |
13,30 |
0,27 0,27 |
0,4 0,4 |
0,4 |
0-28,6 |
3-80 |
3-80 |
|
Ремонт и содержание дорог автогрейдером ДЗ-31-1 |
ЕНиР §Е17-20, п. 15 |
1 км |
742,5 |
1,10 1,10 |
99,6 99,6 |
99,6 |
1-17 |
868-72 |
868-72 |
|
Работа бульдозера ДЗ-110А на отвале в грунте I группы |
ЕНиР §Е2-1-22, № 5а |
100 м3 |
245,10 |
0,35 0,35 |
10,5 10,5 |
10,5 |
0-37,1 |
90-93 |
90-93 |
|
То же, в грунте III группы |
То же, № 5в |
100 м3 |
18,00 |
0,47 0,47 |
1,0 1,0 |
1,0 |
0-49,8 |
8-96 |
8-96 |
|
ИТОГО: |
|
|
|
|
1623,2 1319,4 |
1573,9 |
|
11619-83 |
13606-70 |
СОДЕРЖАНИЕ