ГОСТ 17378-2001 (ИСО 3419-81)
МЕЖГОСУДАРСТВЕННЫЙ СТАНДАРТ
Детали трубопроводов
бесшовные приварные
из углеродистой и низколегированной стали
ПЕРЕХОДЫ
Конструкция
МЕЖГОСУДАРСТВЕННЫЙ СОВЕТ
ПО СТАНДАРТИЗАЦИИ, МЕТРОЛОГИИ И СЕРТИФИКАЦИИ
Предисловие
1. РАЗРАБОТАН ОАО «Корпорация МОНТАЖСПЕЦСТРОЙ»
ВНЕСЕН Государственным комитетом Российской Федерации по стандартизации и метрологии
2. ПРИНЯТ Межгосударственным Советом по стандартизации, метрологии и сертификации (протокол № 20 от 1 ноября 2001 г.).
За принятие проголосовали:
|
Наименование государства |
Наименование |
|
Азербайджанская Республика |
Азгосстандарт |
|
Республика Армения |
Армгосстандарт |
|
Республика Беларусь |
Госстандарт Республики Беларусь |
|
Грузия |
Грузстандарт |
|
Республика Казахстан |
Госстандарт Республики Казахстан |
|
Кыргызская Республика |
Кыргызстандарт |
|
Республика Молдова |
Молдовастандарт |
|
Российская Федерация |
Госстандарт России |
|
Республика Таждикистан |
Таджикстандарт |
|
Туркменистан |
Главгосслужба «Туркменстандартлары» |
|
Республика Узбекистан |
Узгосстандарт |
|
Украина |
Госстандарт Украины |
3. Стандарт соответствует ИСО 3419-81 «Фитинги из легированной и нелегированной стали приварные встык» в части конструкции переходов
4. Постановлением Государственного комитета Российской Федерации по стандартизации и метрологии от 27 мая 2002 г. № 205-ст межгосударственный стандарт ГОСТ 17378-2001 (ИСО 3419-81) введен в действие непосредственно в качестве государственного стандарта Российской Федерации с 1 января 2003 г.
5. ВЗАМЕН ГОСТ 17378-83
МЕЖГОСУДАРСТВЕННЫЙ СТАНДАРТ
Детали трубопроводов бесшовные приварные из
углеродистой
и низколегированной стали
ПЕРЕХОДЫ
Конструкция
Carbon and low-alloy steel butt-welding fittings. Reducers. Design
Дата введения 2003-01-01
Настоящий стандарт распространяется на бесшовные приварные концентрические и эксцентрические переходы из углеродистой и низколегированной стали.
Область применения переходов - в соответствии с разделом 1 ГОСТ 17380.
Требования пункта 4.1 - 4.3 и раздела 5 являются обязательными, остальные требования - рекомендуемыми.
В настоящем стандарте использована ссылка на ГОСТ 17380-2001 ИСО (3419-81). Детали трубопроводов бесшовные приварные из углеродистой и низколегированной стали. Общие технические условия.
Измененная редакция. Изм. № 1)
Термины, их определения, обозначения и сокращения - по ГОСТ 17380.
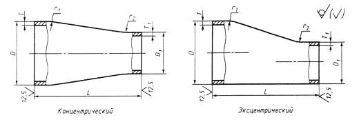
4.1. Конструкция и размеры переходов должны соответствовать указанным на рисунке 1 и в таблицах 1 и 2.
Рисунок 1
Таблица 1 - Переходы исполнения 1
Размеры в миллиметрах
|
DN |
D |
T |
D1 |
T1 |
L |
Масса, кг |
|
|
|
2,0 |
|
2,0 |
|
0,05 |
|
20 |
26,9 |
3,2 |
|
3,2 |
38 |
0,07 |
|
|
|
4,0 |
|
4,0 |
|
0,09 |
|
|
|
2,3 |
21,3 |
2,0 |
|
0,09 |
|
|
|
3,2 |
|
3,2 |
|
0,12 |
|
|
|
4,5 |
|
4,0 |
|
0,16 |
|
25 |
33,7 |
2,3 |
|
2,0 |
|
0,09 |
|
|
|
3,2 |
26,9 |
3,2 |
|
0,12 |
|
|
|
4,5 |
|
4,0 |
|
0,16 |
|
|
|
2,6 |
|
2,0 |
51 |
0,13 |
|
|
|
3,6 |
21,3 |
3,2 |
|
0,17 |
|
|
|
5,0 |
|
4,0 |
|
0,23 |
|
|
|
2,6 |
|
2,0 |
|
0,13 |
|
|
|
3,6 |
26,9 |
3,2 |
|
0,17 |
|
32 |
42,4 |
5,0 |
|
4,0 |
|
0,23 |
|
|
|
2,6 |
|
2,3 |
|
0,13 |
|
|
|
3,6 |
33,7 |
3,2 |
|
0,17 |
|
|
|
5,0 |
|
4,5 |
|
0,23 |
|
|
|
2,6 |
|
2,0 |
|
0,19 |
|
|
|
3,6 |
26,9 |
3,2 |
|
0,25 |
|
|
|
5,0 |
|
4,0 |
|
0,34 |
|
|
|
2,6 |
|
2,3 |
|
0,19 |
|
40 |
48,3 |
3,6 |
33,7 |
3,2 |
64 |
0,25 |
|
|
|
5,0 |
|
4,5 |
|
0,34 |
|
|
|
2,6 |
|
2,6 |
|
0,19 |
|
|
|
3,6 |
42,4 |
3,6 |
|
0,25 |
|
|
|
5,0 |
|
5,0 |
|
0,34 |
|
|
|
2,9 |
|
2,3 |
|
0,31 |
|
|
|
4,0 |
33,7 |
3,2 |
|
0,42 |
|
|
|
5,6 |
|
4,5 |
|
0,58 |
|
|
|
2,9 |
|
2,6 |
|
0,31 |
|
50 |
60,3 |
4,0 |
42,4 |
3,6 |
76 |
0,42 |
|
|
|
5,6 |
|
5,0 |
|
0,58 |
|
|
|
2,9 |
|
2,6 |
|
0,31 |
|
|
|
4,0 |
48,3 |
3,6 |
|
0,42 |
|
|
|
5,6 |
|
5,0 |
|
0,58 |
|
|
|
2,9 |
|
2,6 |
|
0,47 |
|
|
|
5,0 |
42,4 |
3,6 |
|
0,78 |
|
|
|
7,1 |
|
5,0 |
|
1,10 |
|
|
|
2,9 |
|
2,6 |
89 |
0,47 |
|
65 |
76,1 |
5,0 |
48,3 |
3,6 |
|
0,78 |
|
|
|
7,1 |
|
5,0 |
|
1,10 |
|
|
|
2,9 |
|
2,9 |
|
0,47 |
|
|
|
5,0 |
60,3 |
4,0 |
|
0,78 |
|
|
|
7,1 |
|
5,6 |
|
1,10 |
|
|
|
3,2 |
|
2,6 |
|
0,60 |
|
|
|
5,6 |
48,3 |
3,6 |
|
1,00 |
|
|
|
8,0 |
|
5,0 |
|
1,40 |
|
|
|
3,2 |
|
2,9 |
89 |
0,60 |
|
80 |
88,9 |
5,6 |
60,3 |
4,0 |
|
1,00 |
|
|
|
8,0 |
|
5,6 |
|
1,40 |
|
|
|
3,2 |
|
2,9 |
|
0,60 |
|
|
|
5,6 |
76,1 |
5,0 |
|
1,00 |
|
|
|
8,0 |
|
7,1 |
|
1,40 |
|
|
|
3,6 |
|
2,9 |
|
1,00 |
|
|
|
6,3 |
60,3 |
4,0 |
|
1,70 |
|
|
|
8,8 |
|
5,6 |
|
2,30 |
|
|
|
3,6 |
|
2,9 |
102 |
1,00 |
|
100 |
114,3 |
6,3 |
76,1 |
5,0 |
|
1,70 |
|
|
|
8,8 |
|
7,1 |
|
2,30 |
|
|
|
3,6 |
|
3,2 |
|
1,00 |
|
|
|
6,3 |
88,9 |
5,6 |
|
1,70 |
|
|
|
8,8 |
|
8,0 |
|
2,30 |
|
|
|
4,0 |
|
2,9 |
|
1,70 |
|
|
|
6,3 |
76,1 |
5,0 |
|
2,60 |
|
|
|
10,0 |
|
7,1 |
|
4,10 |
|
|
|
4,0 |
|
3,2 |
|
1,70 |
|
125 |
139,7 |
6,3 |
88,9 |
5,6 |
127 |
2,60 |
|
|
|
10,0 |
|
8,0 |
|
4,10 |
|
|
|
4,0 |
|
3,6 |
|
1,70 |
|
|
|
6,3 |
114,3 |
6,3 |
|
2,60 |
|
|
|
10,0 |
|
8,8 |
|
4,10 |
|
|
|
4,5 |
|
3,2 |
|
2,50 |
|
|
|
7,1 |
88,9 |
5,6 |
|
3,90 |
|
|
|
11,0 |
|
8,8 |
|
6,00 |
|
|
|
4,5 |
|
3,6 |
|
2,50 |
|
150 |
168,3 |
7,1 |
114,3 |
6,3 |
140 |
3,90 |
|
|
|
11,0 |
|
8,8 |
|
6,00 |
|
|
|
4,5 |
|
4,0 |
|
2,50 |
|
|
|
7,1 |
139,7 |
6,3 |
|
3,90 |
|
|
|
11,0 |
|
10,0 |
|
6,00 |
|
|
|
6,3 |
|
3,6 |
|
5,10 |
|
|
|
8,0 |
114,3 |
6,3 |
|
6,30 |
|
|
|
12,5 |
|
8,8 |
|
9,70 |
|
|
|
6,3 |
|
4,0 |
|
5,10 |
|
200 |
219,1 |
8,0 |
139,7 |
6,3 |
152 |
6,30 |
|
|
|
12,5 |
|
10,0 |
|
9,70 |
|
|
|
6,3 |
|
4,5 |
|
5,10 |
|
|
|
8,0 |
168,3 |
7,1 |
|
6,30 |
|
|
|
12,5 |
|
11,0 |
|
9,70 |
|
|
|
6,3 |
139,7 |
4,0 |
|
7,40 |
|
|
|
10,0 |
|
6,3 |
|
12,00 |
|
250 |
273,0 |
6,3 |
168,3 |
4,5 |
178 |
7,40 |
|
|
|
10,0 |
|
7,1 |
|
12,00 |
|
|
|
6,3 |
219,1 |
6,3 |
|
7,40 |
|
|
|
10,0 |
|
8,0 |
|
12,00 |
|
|
|
7,1 |
168,3 |
4,5 |
|
11,00 |
|
|
|
10,0 |
|
7,1 |
|
16,00 |
|
300 |
323,9 |
7,1 |
219,1 |
6,3 |
203 |
11,00 |
|
|
|
10,0 |
|
8,0 |
|
16,00 |
|
|
|
7,1 |
273,0 |
6,3 |
|
11,00 |
|
|
|
10,0 |
|
10,0 |
|
16,00 |
|
|
|
8,0 |
219,1 |
6,3 |
|
23,00 |
|
|
|
11,0 |
|
8,0 |
|
31,00 |
|
350 |
355,6 |
8,0 |
273,0 |
6,3 |
330 |
23,00 |
|
|
|
11,0 |
|
10,0 |
|
31,00 |
|
|
|
8,0 |
323,9 |
7,1 |
|
23,00 |
|
|
|
11,0 |
|
10,0 |
|
31,00 |
|
|
|
8,8 |
273,0 |
6,3 |
|
31,00 |
|
|
|
12,5 |
|
10,0 |
|
43,00 |
|
400 |
406,4 |
8,8 |
323,9 |
7,1 |
356 |
31,00 |
|
|
|
12,5 |
|
10,0 |
|
43,00 |
|
|
|
8,8 |
355,6 |
8,0 |
|
31,00 |
|
|
|
12,5 |
|
11,0 |
|
43,00 |
|
|
|
|
323,9 |
7,1 |
|
|
|
450 |
457,0 |
10,0 |
355,6 |
8,0 |
381 |
42,00 |
|
|
|
|
406,4 |
8,8 |
|
|
|
|
|
|
355,6 |
8,0 |
|
|
|
500 |
508,0 |
11,0 |
406,4 |
8,8 |
508 |
65,00 |
|
|
|
|
457,0 |
10,0 |
|
|
|
|
|
|
406,4 |
8,8 |
|
|
|
600 |
610,0 |
12,5 |
457,0 |
10,0 |
508 |
94,0 |
|
|
|
|
508,0 |
11,0 |
|
|
|
|
|
|
457,0 |
10,0 |
|
|
|
700 |
711,0 |
|
508,0 |
11,0 |
|
|
|
|
|
|
610,0 |
12,5 |
|
|
|
|
|
|
508,0 |
11,0 |
|
|
|
800 |
813,0 |
|
610,0 |
12,5 |
|
|
|
|
|
|
711,0 |
- |
|
|
|
|
|
- |
610,0 |
12,5 |
610 |
- |
|
900 |
914,0 |
|
711,0 |
|
|
|
|
|
|
|
813,0 |
- |
|
|
|
|
|
|
711,0 |
|
|
|
|
1000 |
1016,0 |
|
813,0 |
- |
|
|
|
|
|
|
914,0 |
|
|
|
|
|
|
|
|
|
|
|
|
Примечание - Масса приведена для справок |
||||||
Таблица 2 - Переходы исполнения 2
Размеры в миллиметрах
|
DN |
D |
T |
D1 |
T1 |
L |
Масса, кг |
|
|
|
2,0 |
|
2,0 |
|
0,1 |
|
|
|
3,0 |
32 |
3,0 |
|
0,2 |
|
|
|
4,0 |
|
4,0 |
|
0,2 |
|
32 |
38 |
2,0 |
|
1,6 |
|
0,1 |
|
|
|
3,0 |
|
3,0 |
|
0,2 |
|
|
|
4,0 |
|
3,0 |
|
0,2 |
|
|
|
2,5 |
25 |
1,6 |
|
0,1 |
|
|
|
4,0 |
|
3,0 |
|
0,2 |
|
|
|
5,0 |
|
3,0 |
|
0,3 |
|
|
|
2,5 |
|
2,0 |
30 |
0,1 |
|
40 |
45 |
4,0 |
32 |
4,0 |
|
0,2 |
|
|
|
5,0 |
|
5,0 |
|
0,3 |
|
|
|
2,5 |
|
2,0 |
|
0,1 |
|
|
|
4,0 |
38 |
4,0 |
|
0,2 |
|
|
|
5,0 |
|
5,0 |
|
0,3 |
|
|
|
3,0 |
|
1,6 |
|
0,2 |
|
|
|
4,0 |
25 |
1,6 |
|
0,3 |
|
|
|
5,0 |
|
3,0 |
|
0,3 |
|
|
|
6,0 |
|
3,0 |
|
0,4 |
|
|
|
3,0 |
|
2,0 |
|
0,2 |
|
|
|
4,0 |
32 |
2,0 |
|
0,3 |
|
|
|
5,0 |
|
3,0 |
45 |
0,3 |
|
|
|
6,0 |
|
4,0 |
|
0,4 |
|
50 |
57 |
3,0 |
|
2,0 |
|
0,2 |
|
|
|
4,0 |
38 |
4,0 |
|
0,3 |
|
|
|
5,0 |
|
4,0 |
|
0,3 |
|
|
|
6,0 |
|
4,0 |
|
0,4 |
|
|
|
3,0 |
|
2,5 |
|
0,2 |
|
|
|
4,0 |
45 |
2,5 |
60 |
0,3 |
|
|
|
5,0 |
|
4,0 |
|
0,3 |
|
|
|
6,0 |
|
5,0 |
|
0,4 |
|
|
|
3,0 |
|
2,0 |
|
0,3 |
|
|
|
3,5 |
|
2,5 |
|
0,4 |
|
|
|
5,0 |
38 |
3,0 |
55 |
0,6 |
|
|
|
6,0 |
|
3,0 |
|
0,6 |
|
|
|
7,0 |
|
4,0 |
|
0,7 |
|
65 |
76 |
3,0 |
|
2,5 |
|
0,4 |
|
|
|
3,5 |
|
2,5 |
|
0,5 |
|
|
|
5,0 |
45 |
4,0 |
|
0,6 |
|
|
|
6,0 |
|
4,0 |
|
0,7 |
|
|
|
7,0 |
|
5,0 |
|
0,8 |
|
|
|
3,0 |
|
3,0 |
70 |
0,3 |
|
|
|
3,5 |
|
3,0 |
|
0,4 |
|
|
|
5,0 |
57 |
4,0 |
|
0,6 |
|
|
|
6,0 |
|
5,0 |
|
0,7 |
|
|
|
7,0 |
|
6,0 |
|
0,8 |
|
|
|
3,5 |
|
2,5 |
|
0,6 |
|
|
|
6,0 |
45 |
4,0 |
|
0,9 |
|
|
|
8,0 |
|
5,0 |
|
1,2 |
|
|
|
3,5 |
|
3,0 |
|
0,6 |
|
80 |
89 |
6,0 |
57 |
4,0 |
75 |
0,9 |
|
|
|
8,0 |
|
5,0 |
|
1,2 |
|
|
|
3,5 |
|
3,5 |
|
0,6 |
|
|
|
6,0 |
76 |
5,0 |
|
0,9 |
|
|
|
8,0 |
|
6,0 |
|
1,2 |
|
|
|
4,0 |
|
3,0 |
|
0,9 |
|
|
|
6,0 |
57 |
4,0 |
|
1,2 |
|
|
|
8,0 |
|
5,0 |
|
1,6 |
|
|
|
9,0 |
|
6,0 |
|
1,8 |
|
100 |
108 |
4,0 |
|
3,5 |
80 |
0,9 |
|
|
|
6,0 |
76 |
5,0 |
|
1,2 |
|
|
|
8,0 |
|
6,0 |
|
1,6 |
|
|
|
9,0 |
|
7,0 |
|
1,8 |
|
|
|
4,0 |
|
3,5 |
|
0,9 |
|
|
|
6,0 |
89 |
6,0 |
|
1,2 |
|
|
|
8,0 |
|
8,0 |
|
1,6 |
|
|
|
9,0 |
|
8,0 |
|
1,8 |
|
|
|
4,0 |
|
3,0 |
|
1,0 |
|
|
|
6,0 |
57 |
4,0 |
|
1,3 |
|
|
|
8,0 |
|
5,0 |
|
1,7 |
|
|
|
9,0 |
|
6,0 |
|
1,9 |
|
100 |
114 |
4,0 |
|
3,5 |
80 |
1,0 |
|
|
|
6,0 |
76 |
5,0 |
|
1,3 |
|
|
|
8,0 |
|
6,0 |
|
1,7 |
|
|
|
9,0 |
|
7,0 |
|
1,9 |
|
|
|
4,0 |
|
3,5 |
|
1,0 |
|
|
|
6,0 |
89 |
6,0 |
|
1,3 |
|
|
|
8,0 |
|
8,0 |
|
1,7 |
|
|
|
9,0 |
|
8,0 |
|
1,9 |
|
|
|
4,0 |
|
3,0 |
|
1,3 |
|
|
|
8,0 |
57 |
4,0 |
|
2,5 |
|
|
|
10,0 |
|
5,0 |
|
3,1 |
|
|
|
5,0 |
|
3,5 |
|
1,6 |
|
|
|
8,0 |
76 |
5,0 |
|
2,5 |
|
|
|
10,0 |
|
6,0 |
|
3,1 |
|
|
|
4,0 |
|
3,5 |
|
1,3 |
|
125 |
133 |
6,0 |
89 |
5,0 |
100 |
1,9 |
|
|
|
8,0 |
|
6,0 |
|
2,5 |
|
|
|
5,0 |
|
4,0 |
|
1,6 |
|
|
|
8,0 |
108 |
6,0 |
|
2,5 |
|
|
|
8,0 |
|
8,0 |
|
2,5 |
|
|
|
10,0 |
|
9,0 |
|
3,1 |
|
|
|
5,0 |
|
4,0 |
|
1,6 |
|
|
|
8,0 |
114 |
6,0 |
|
2,5 |
|
|
|
8,0 |
|
8,0 |
|
2,5 |
|
|
|
10,0 |
|
9,0 |
|
3,1 |
|
|
|
4,5 |
|
3,0 |
|
1,5 |
|
|
|
8,0 |
57 |
4,0 |
|
2,6 |
|
|
|
10,0 |
|
5,0 |
|
3,2 |
|
|
|
12,0 |
|
6,0 |
|
3,9 |
|
|
|
4,5 |
|
3,5 |
75 |
1,5 |
|
|
|
8,0 |
76 |
5,0 |
|
2,6 |
|
|
|
10,0 |
|
6,0 |
|
3,2 |
|
|
|
12,0 |
|
7,0 |
|
3,9 |
|
|
|
4,5 |
|
3,5 |
|
2,3 |
|
150 |
159 |
8,0 |
89 |
6,0 |
|
3,9 |
|
|
|
10,0 |
|
8,0 |
|
4,8 |
|
|
|
12,0 |
|
8,0 |
|
5,9 |
|
|
|
4,5 |
|
4,0 |
|
2,3 |
|
|
|
8,0 |
108 |
6,0 |
|
3,9 |
|
|
|
10,0 |
|
8,0 |
|
4,8 |
|
|
|
12,0 |
|
9,0 |
|
5,9 |
|
|
|
4,5 |
|
4,0 |
130 |
2,3 |
|
|
|
8,0 |
114 |
6,0 |
|
3,9 |
|
|
|
10,0 |
|
8,0 |
|
4,8 |
|
|
|
12,0 |
|
9,0 |
|
5,9 |
|
|
|
4,5 |
|
4,0 |
|
2,3 |
|
|
|
8,0 |
133 |
8,0 |
|
3,9 |
|
|
|
10,0 |
|
10,0 |
|
4,8 |
|
|
|
12,0 |
|
10,0 |
|
5,9 |
|
|
|
4,5 |
|
3,0 |
|
1,6 |
|
|
|
8,0 |
57 |
4,0 |
|
2,7 |
|
|
|
10,0 |
|
5,0 |
|
3,3 |
|
|
|
12,0 |
|
6,0 |
|
4,0 |
|
|
|
4,5 |
|
3,5 |
75 |
1,6 |
|
|
|
8,0 |
76 |
5,0 |
|
2,7 |
|
|
|
10,0 |
|
6,0 |
|
3,3 |
|
|
|
12,0 |
|
7,0 |
|
4,0 |
|
|
|
4,5 |
|
3,5 |
|
2,6 |
|
150 |
168 |
8,0 |
89 |
6,0 |
|
4,1 |
|
|
|
10,0 |
|
8,0 |
|
5,1 |
|
|
|
12,0 |
|
8,0 |
|
6,2 |
|
|
|
4,5 |
|
4,0 |
|
2,6 |
|
|
|
8,0 |
108 |
6,0 |
|
4,1 |
|
|
|
10,0 |
|
8,0 |
|
5,1 |
|
|
|
12,0 |
|
9,0 |
|
6,2 |
|
|
|
4,5 |
|
4,0 |
130 |
2,6 |
|
|
|
8,0 |
114 |
6,0 |
|
4,1 |
|
|
|
10,0 |
|
8,0 |
|
5,1 |
|
|
|
12,0 |
|
9,0 |
|
6,2 |
|
|
|
4,5 |
|
4,0 |
|
2,6 |
|
|
|
8,0 |
133 |
8,0 |
|
4,1 |
|
|
|
10,0 |
|
10,0 |
|
5,1 |
|
|
|
12,0 |
|
10,0 |
|
6,2 |
|
|
|
6,0 |
|
3,0 |
|
2,9 |
|
|
|
10,0 |
|
4,0 |
|
4,6 |
|
|
|
12,0 |
57 |
4,0 |
|
5,5 |
|
|
|
14,0 |
|
5,0 |
|
6,4 |
|
|
|
16,0 |
|
6,0 |
|
7,3 |
|
|
|
6,0 |
|
3,5 |
95 |
2,9 |
|
|
|
10,0 |
|
5,0 |
|
4,6 |
|
|
|
12,0 |
76 |
5,0 |
|
5,5 |
|
|
|
14,0 |
|
6,0 |
|
6,4 |
|
|
|
16,0 |
|
7,0 |
|
7,3 |
|
|
|
6,0 |
|
3,5 |
|
2,9 |
|
|
|
10,0 |
|
5,0 |
|
4,6 |
|
200 |
219 |
12,0 |
89 |
5,0 |
|
5,5 |
|
|
|
14,0 |
|
6,0 |
|
6,4 |
|
|
|
16,0 |
|
8,0 |
|
7,3 |
|
|
|
6,0 |
|
4,0 |
95 |
2,9 |
|
|
|
10,0 |
|
6,0 |
|
4,6 |
|
|
|
12,0 |
108 |
8,0 |
|
5,5 |
|
|
|
14,0 |
|
8,0 |
|
6,4 |
|
|
|
16,0 |
|
9,0 |
|
7,3 |
|
|
|
6,0 |
|
4,0 |
|
2,9 |
|
|
|
10,0 |
|
6,0 |
|
4,6 |
|
|
|
12,0 |
114 |
8,0 |
|
5,5 |
|
|
|
14,0 |
|
8,0 |
|
6,4 |
|
|
|
16,0 |
|
9,0 |
|
7,3 |
|
|
|
6,0 |
|
4,0 |
|
4,4 |
|
|
|
10,0 |
|
8,0 |
|
7,2 |
|
200 |
219 |
12,0 |
133 |
8,0 |
|
8,8 |
|
|
|
14,0 |
|
10,0 |
|
10,0 |
|
|
|
16,0 |
|
10,0 |
|
12,0 |
|
|
|
6,0 |
|
4,5 |
|
4,4 |
|
|
|
10,0 |
|
8,0 |
|
7,2 |
|
|
|
12,0 |
159 |
10,0 |
|
8,8 |
|
|
|
14,0 |
|
12,0 |
|
10,0 |
|
|
|
16,0 |
|
12,0 |
|
12,0 |
|
|
|
6,0 |
|
4,5 |
|
4,4 |
|
|
|
10,0 |
|
8,0 |
|
7,2 |
|
|
|
12,0 |
168 |
10,0 |
|
8,8 |
|
|
|
14,0 |
|
12,0 |
|
10,0 |
|
|
|
16,0 |
|
12,0 |
|
12,0 |
|
|
|
7,0 |
|
4,0 |
140 |
6,0 |
|
|
|
10,0 |
|
6,0 |
|
8,5 |
|
|
|
12,0 |
108 |
8,0 |
|
10,0 |
|
|
|
14,0 |
|
8,0 |
|
12,0 |
|
|
|
16,0 |
|
9,0 |
|
13,0 |
|
|
|
18,0 |
|
9,0 |
|
15,0 |
|
|
|
7,0 |
|
4,0 |
|
6,0 |
|
|
|
10,0 |
|
6,0 |
|
8,5 |
|
250 |
273 |
12,0 |
114 |
8,0 |
|
10,0 |
|
|
|
14,0 |
|
8,0 |
|
12,0 |
|
|
|
16,0 |
|
9,0 |
|
13,0 |
|
|
|
18,0 |
|
9,0 |
|
15,0 |
|
|
|
7,0 |
|
4,0 |
|
6,0 |
|
|
|
10,0 |
|
6,0 |
|
8,5 |
|
|
|
12,0 |
133 |
8,0 |
|
10,0 |
|
|
|
14,0 |
|
8,0 |
|
12,0 |
|
|
|
16,0 |
|
10,0 |
|
13,0 |
|
|
|
18,0 |
|
10,0 |
|
15,0 |
|
|
|
7,0 |
|
4,5 |
|
8,3 |
|
|
|
10,0 |
|
8,0 |
|
12,0 |
|
|
|
12,0 |
159 |
10,0 |
|
14,0 |
|
|
|
14,0 |
|
10,0 |
|
16,0 |
|
|
|
16,0 |
|
12,0 |
|
18,0 |
|
|
|
18,0 |
|
12,0 |
|
20,0 |
|
|
|
7,0 |
|
4,5 |
|
8,3 |
|
|
|
10,0 |
|
8,0 |
|
12,0 |
|
250 |
273 |
12,0 |
168 |
10,0 |
180 |
14,0 |
|
|
|
14,0 |
|
10,0 |
|
16,0 |
|
|
|
16,0 |
|
12,0 |
|
18,0 |
|
|
|
18,0 |
|
12,0 |
|
20,0 |
|
|
|
7,0 |
|
6,0 |
|
8,3 |
|
|
|
10,0 |
|
8,0 |
|
12,0 |
|
|
|
12,0 |
219 |
10,0 |
|
14,0 |
|
|
|
14,0 |
|
12,0 |
|
16,0 |
|
|
|
16,0 |
|
14,0 |
|
18,0 |
|
|
|
18,0 |
|
16,0 |
|
20,0 |
|
|
|
8,0 |
|
4,0 |
|
9,0 |
|
|
|
10,0 |
|
4,0 |
|
11,0 |
|
|
|
12,0 |
|
6,0 |
|
16,0 |
|
|
|
14,0 |
108 |
6,0 |
|
18,0 |
|
|
|
16,0 |
|
8,0 |
|
20,0 |
|
|
|
18,0 |
|
8,0 |
|
23,0 |
|
|
|
22,0 |
|
9,0 |
|
28,0 |
|
|
|
8,0 |
|
4,0 |
|
9,0 |
|
|
|
10,0 |
|
4,0 |
|
11,0 |
|
|
|
12,0 |
|
6,0 |
|
16,0 |
|
300 |
325 |
14,0 |
114 |
6,0 |
|
18,0 |
|
|
|
16,0 |
|
8,0 |
|
20,0 |
|
|
|
18,0 |
|
8,0 |
|
23,0 |
|
|
|
22,0 |
|
9,0 |
|
28,0 |
|
|
|
8,0 |
|
5,0 |
|
11,0 |
|
|
|
10,0 |
|
6,0 |
|
13,0 |
|
|
|
12,0 |
|
8,0 |
|
16,0 |
|
|
|
14,0 |
133 |
8,0 |
140 |
18,0 |
|
|
|
16,0 |
|
8,0 |
|
20,0 |
|
|
|
18,0 |
|
10,0 |
|
23,0 |
|
|
|
22,0 |
|
10,0 |
|
28,0 |
|
|
|
8,0 |
|
4,5 |
|
11,0 |
|
|
|
10,0 |
|
6,0 |
|
14,0 |
|
|
|
12,0 |
|
8,0 |
|
16,0 |
|
|
|
14,0 |
159 |
8,0 |
|
18,0 |
|
|
|
16,0 |
|
10,0 |
|
20,0 |
|
|
|
18,0 |
|
10,0 |
|
23,0 |
|
|
|
22,0 |
|
12,0 |
|
28,0 |
|
|
|
8,0 |
|
4,0 |
|
11,0 |
|
|
|
10,0 |
|
6,0 |
|
14,0 |
|
|
|
12,0 |
|
8,0 |
|
16,0 |
|
300 |
325 |
14,0 |
168 |
8,0 |
|
18,0 |
|
|
|
16,0 |
|
10,0 |
|
20,0 |
|
|
|
18,0 |
|
10,0 |
|
23,0 |
|
|
|
22,0 |
|
12,0 |
|
28,0 |
|
|
|
8,0 |
|
7,0 |
|
11,0 |
|
|
|
10,0 |
|
8,0 |
|
14,0 |
|
|
|
12,0 |
|
10,0 |
|
17,0 |
|
|
|
14,0 |
219 |
10,0 |
|
20,0 |
|
|
|
16,0 |
|
12,0 |
|
22,0 |
|
|
|
18,0 |
|
14,0 |
|
25,0 |
|
|
|
22,0 |
|
16,0 |
|
31,0 |
|
|
|
8,0 |
|
7,0 |
180 |
11,0 |
|
|
|
10,0 |
|
10,0 |
|
14,0 |
|
|
|
12,0 |
|
12,0 |
|
17,0 |
|
|
|
14,0 |
273 |
12,0 |
|
20,0 |
|
|
|
16,0 |
|
14,0 |
|
22,0 |
|
|
|
18,0 |
|
16,0 |
|
25,0 |
|
|
|
22,0 |
|
18,0 |
|
31,0 |
|
|
|
12,0 |
|
6,0 |
|
22,0 |
|
|
|
16,0 |
|
8,0 |
|
29,0 |
|
|
|
20,0 |
159 |
10,0 |
|
35,0 |
|
|
|
24,0 |
|
12,0 |
|
42,0 |
|
|
|
26,0 |
|
12,0 |
|
45,0 |
|
|
|
12,0 |
|
6,0 |
|
22,0 |
|
|
|
16,0 |
|
8,0 |
|
29,0 |
|
|
|
20,0 |
168 |
10,0 |
|
35,0 |
|
|
|
24,0 |
|
12,0 |
|
42,0 |
|
|
|
26,0 |
|
12,0 |
|
45,0 |
|
|
|
12,0 |
|
8,0 |
|
22,0 |
|
|
|
16,0 |
|
10,0 |
|
29,0 |
|
350 |
377 |
20,0 |
219 |
12,0 |
220 |
35,0 |
|
|
|
24,0 |
|
14,0 |
|
42,0 |
|
|
|
26,0 |
|
16,0 |
|
45,0 |
|
|
|
10,0 |
|
7,0 |
|
20,0 |
|
|
|
12,0 |
|
10,0 |
|
24,0 |
|
|
|
14,0 |
|
12,0 |
|
28,0 |
|
|
|
16,0 |
273 |
12,0 |
|
31,0 |
|
|
|
20,0 |
|
16,0 |
|
38,0 |
|
|
|
24,0 |
|
18,0 |
|
45,0 |
|
|
|
26,0 |
|
18,0 |
|
49,0 |
|
|
|
10,0 |
|
8,0 |
|
20,0 |
|
|
|
12,0 |
|
10,0 |
|
24,0 |
|
|
|
14,0 |
|
12,0 |
|
28,0 |
|
|
|
16,0 |
325 |
16,0 |
|
31,0 |
|
|
|
20,0 |
|
18,0 |
|
38,0 |
|
|
|
24,0 |
|
22,0 |
|
45,0 |
|
|
|
26,0 |
|
22,0 |
|
49,0 |
|
|
|
12,0 |
|
8,0 |
|
37,0 |
|
|
|
16,0 |
|
10,0 |
|
53,0 |
|
|
|
20,0 |
159 |
10,0 |
|
65,0 |
|
|
|
22,0 |
|
10,0 |
|
71,0 |
|
|
|
26,0 |
|
12,0 |
|
83,0 |
|
|
|
28,0 |
|
12,0 |
|
89,0 |
|
|
|
12,0 |
|
8,0 |
|
37,0 |
|
|
|
16,0 |
|
10,0 |
|
53,0 |
|
|
|
20,0 |
168 |
10,0 |
|
65,0 |
|
|
|
22,0 |
|
10,0 |
|
71,0 |
|
|
|
26,0 |
|
12,0 |
|
83,0 |
|
|
|
28,0 |
|
12,0 |
|
89,0 |
|
|
|
12,0 |
|
8,0 |
|
32,0 |
|
|
|
16,0 |
|
10,0 |
|
45,0 |
|
|
|
20,0 |
219 |
12,0 |
|
56,0 |
|
|
|
22,0 |
|
12,0 |
|
61,0 |
|
|
|
26,0 |
|
14,0 |
|
72,0 |
|
|
|
28,0 |
|
16,0 |
|
76,0 |
|
|
|
12,0 |
|
10,0 |
|
27,0 |
|
|
|
16,0 |
|
12,0 |
|
36,0 |
|
|
|
20,0 |
273 |
14,0 |
|
44,0 |
|
400 |
426 |
22,0 |
|
14,0 |
220 |
48,0 |
|
|
|
26,0 |
|
18,0 |
|
56,0 |
|
|
|
28,0 |
|
18,0 |
|
59,0 |
|
|
|
10,0 |
|
8,0 |
|
23,0 |
|
|
|
12,0 |
|
10,0 |
|
27,0 |
|
|
|
14,0 |
|
12,0 |
|
31,0 |
|
|
|
16,0 |
325 |
12,0 |
|
36,0 |
|
|
|
20,0 |
|
16,0 |
|
44,0 |
|
|
|
22,0 |
|
18,0 |
|
48,0 |
|
|
|
26,0 |
|
20,0 |
|
56,0 |
|
|
|
28,0 |
|
22,0 |
|
59,0 |
|
|
|
10,0 |
|
10,0 |
|
23,0 |
|
|
|
12,0 |
|
12,0 |
|
27,0 |
|
|
|
14,0 |
|
14,0 |
|
31,0 |
|
|
|
16,0 |
377 |
16,0 |
|
36,0 |
|
|
|
20,0 |
|
20,0 |
|
44,0 |
|
|
|
22,0 |
|
20,0 |
|
48,0 |
|
|
|
26,0 |
|
24,0 |
|
56,0 |
|
|
|
28,0 |
|
26,0 |
|
59,0 |
|
|
|
12,0 |
|
10,0 |
|
46,0 |
|
|
|
14,0 |
|
12,0 |
|
54,0 |
|
|
|
16,0 |
377 |
12,0 |
|
61,0 |
|
|
|
20,0 |
|
16,0 |
|
75,0 |
|
|
|
22,0 |
|
20,0 |
|
81,0 |
|
|
|
26,0 |
|
22,0 |
|
94,0 |
|
500 |
530 |
12,0 |
|
10,0 |
|
46,0 |
|
|
|
14,0 |
|
12,0 |
|
54,0 |
|
|
|
16,0 |
426 |
16,0 |
|
61,0 |
|
|
|
20,0 |
|
16,0 |
300 |
75,0 |
|
|
|
22,0 |
|
20,0 |
|
81,0 |
|
|
|
26,0 |
|
22,0 |
|
94,0 |
|
50 |
57 |
3,0 |
45 |
2,5 |
45 |
0,2 |
|
3,5 |
2,5 |
0,2 |
||||
|
4,0 |
3,0 |
0,3 |
||||
|
5,0 |
4,0 |
0,3 |
||||
|
6,0 |
5,0 |
0,4 |
||||
|
80 |
89 |
3,5 |
76 |
3,0 |
55 |
0,5 |
|
4,0 |
3,5 |
0,5 |
||||
|
6,0 |
5,0 |
0,7 |
||||
|
8,0 |
6,0 |
0,9 |
||||
|
125 |
133 |
5,0 |
108 |
4,0 |
80 |
1,3 |
|
6,0 |
5,0 |
1,6 |
||||
|
8,0 |
7,0 |
2,0 |
||||
|
10,0 |
9,0 |
2,5 |
||||
|
5,0 |
114 |
4,5 |
1,3 |
|||
|
6,0 |
5,0 |
1,6 |
||||
|
8,0 |
6,0 |
2,0 |
||||
|
10,0 |
8,0 |
2,5 |
||||
|
150 |
159 |
5,0 |
4,0 |
105 |
2,0 |
|
|
6,0 |
5,0 |
2,5 |
||||
|
8,0 |
6,0 |
3,1 |
||||
|
10,0 |
8,0 |
3,8 |
||||
|
5,0 |
133 |
4,5 |
2,0 |
|||
|
6,0 |
5,0 |
2,5 |
||||
|
8,0 |
7,0 |
3,1 |
||||
|
10,0 |
9,0 |
3,8 |
||||
|
Примечание - Масса приведена для справок. |
||||||
Измененная редакция. Изм. № 1)
Примеры условных обозначений:
- концентрического перехода исполнения 1, D = 76,1 мм, Т = 2,9 мм, D1 = 48,3 мм, Т1 = 2,6 мм из стали марки Р9:
Переход К-1-76,1 ´ 2,9-48,3 ´ 2,6-Р9 ГОСТ 17378-2001
- эксцентрического перехода исполнения 2, D = 76 мм, Т = 3,0 мм, D1 = 45 мм, Т1 = 2,5 мм из стали марки 20:
Переход Э- 76 ´ 3-45 ´ 2,5 ГОСТ 17378-2001
- то же, из стали марки 09Г2С для трубопроводов, подконтрольных органам надзора:
Переход ПЭ-76 ´ 3-45 ´ 2,5-09Г2С ГОСТ 17378-2001
4.2. Толщина стенки переходов в неторцевых сечениях должна быть не менее Т1 при наружном диаметре сечения не более 1,1 D1, а в остальных сечениях - не менее Т.
4.3. Радиусы r1 и r2 переходов исполнения 1 должны соответствовать указанным в таблице 3, а исполнения 2 устанавливаются изготовителем в конструкторской документации с учетом применяемой технологии изготовления и обеспечения требуемых показателей прочности и надежности
Измененная редакция. Изм. № 1)
Таблица 3 - Радиусы сопряжения поверхностей переходов исполнения 1
|
Тип перехода |
r1 |
r2 |
|
не менее |
||
|
Концентрический |
0,4D |
0,4D1 |
|
Эксцентрический |
0,3D |
0,3D1 |
Измененная редакция. Изм. № 1)
4.4. По согласованию между изготовителем и потребителем (заказчиком) допускается изготовление переходов других размеров.
Технические условия - по ГОСТ 17380.
Ключевые слова: трубопроводы, детали трубопроводов, трубопроводные переходы, конструкция, размеры.