Скачать НТС 65-06 Выпуск 2. Подвижные и направляющие опоры для канальной прокладки теплопроводов Ду=100-1000 в пенополиуретановой изоляции в металлической оболочке. Рабочие чертежиДата актуализации: 01.01.2021
|
| Обозначение: | НТС 65-06 |
| Обозначение англ: | 65-06 |
| Статус: | не определен законодательством |
| Название рус.: | Выпуск 2. Подвижные и направляющие опоры для канальной прокладки теплопроводов Ду=100-1000 в пенополиуретановой изоляции в металлической оболочке. Рабочие чертежи |
| Дата добавления в базу: | 01.09.2013 |
| Дата актуализации: | 01.01.2021 |
| Дата введения: | 31.01.2008 |
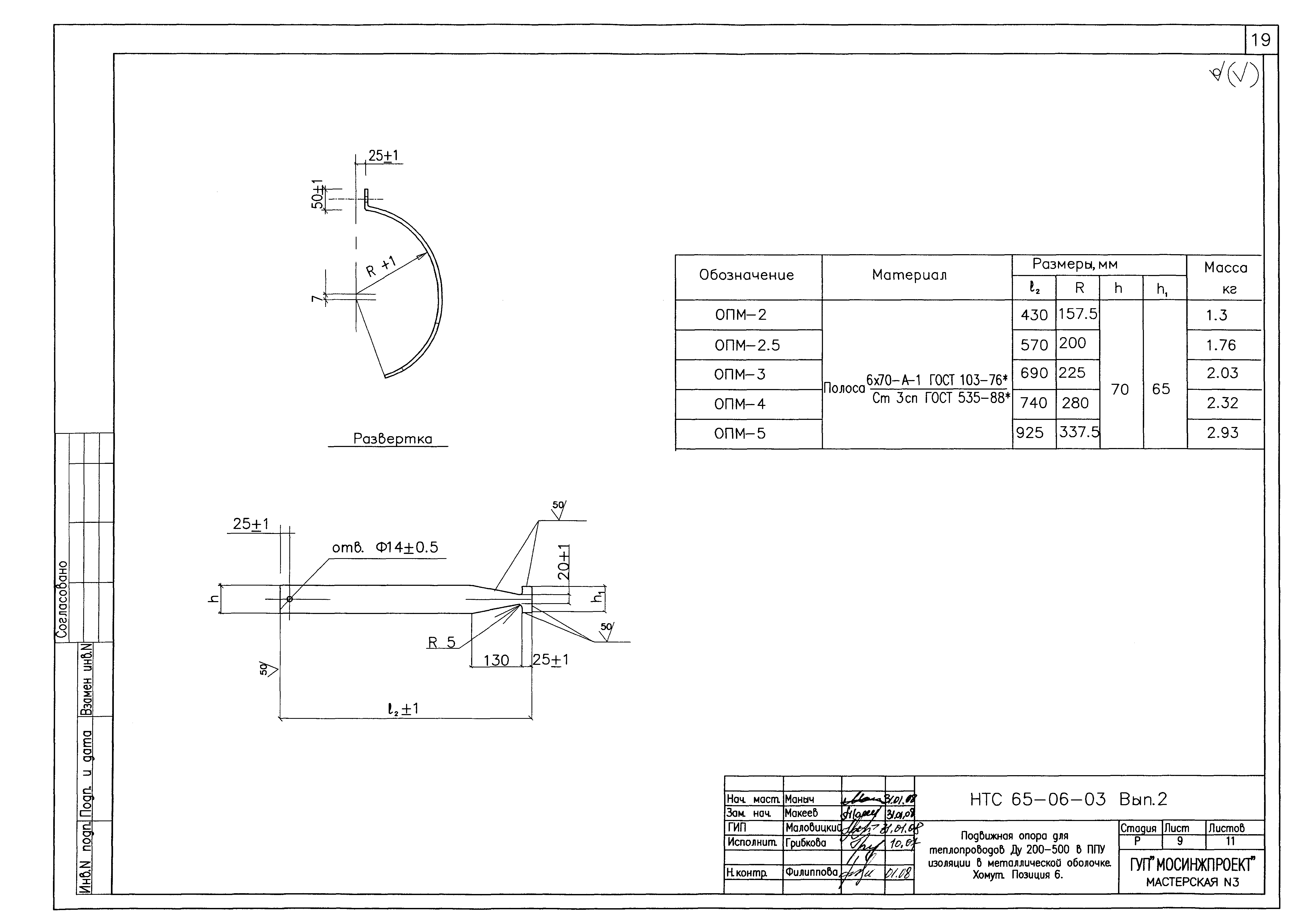
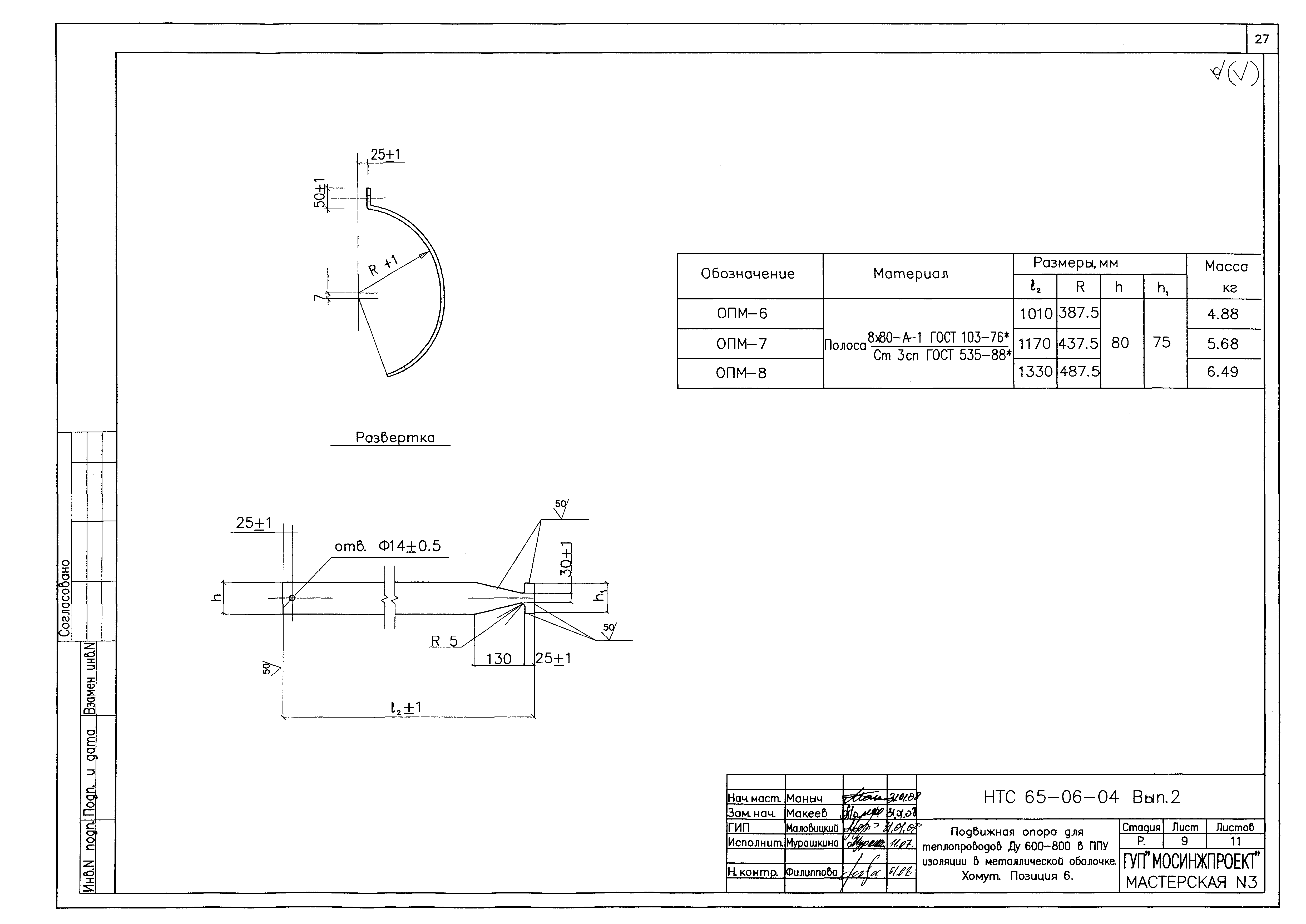
| Оглавление: | НТС 65-06 Вып.2 Содержание альбома. Выпуск 2 НТС 65-06-ПЗ Вып.2 Пояснительная записка НТС 65-06-01 Вып.2 Подвижная опора для теплопроводов Ду50-1000 в ППУ изоляции в металлической оболочке/ полиэтиленовой оболочке. Установочный чертеж. НТС 65-06-02 Вып.2 Подбивная опора для теплопроводов Ду50-150 в ППУ изоляции в металлической оболочке/ полиэтиленовой оболочке. Сборочный чертеж. НТС 65-06-02 Вып.2 Разрез 2-2. Узлы I и II НТС 65-06-02 Вып.2 Спецификация. НТС 65-06-02 Вып.2 Опорная плита. Позиция 1. НТС 65-06-02 Вып.2 Продольное ребро. Позиция 2. НТС 65-06-02 Вып.2 Ребро. Позиция 3. НТС 65-06-02 Вып.2 Подушка. Позиция 5. НТС 65-06-02 Вып.2 Хомут. Позиция 6. НТС 65-06-02 Вып.2 Резиновая прокладка 10. НТС 65-06-02 Вып.2 Резиновая прокладка 11. НТС 65-06-03 Вып.2 Подбивная опора для теплопроводов Ду200-500 в ППУ изоляции в металлической оболочке/ полиэтиленовой оболочке. Сборочный чертеж. НТС 65-06-03 Вып.2 Разрез 2-2. Узлы I и II НТС 65-06-03 Вып.2 Спецификация. НТС 65-06-03 Вып.2 Опорная плита Позиция 1. НТС 65-06-03 Вып.2 Продольное ребро. Позиция 2. НТС 65-06-03 Вып.2 Ребро. Позиция 3. НТС 65-06-03 Вып.2 Ребро. Позиция 4. НТС 65-06-03 Вып.2 Подушка. Позиция 5. НТС 65-06-03 Вып.2 Хомут. Позиция 6. НТС 65-06-03 Вып.2 Резиновая прокладка 10. НТС 65-06-03 Вып.2 Резиновая прокладка 11. НТС 65-06-04 Вып.2 Подвижная опора для теплопроводов Ду600-800 в ППУ изоляции в металлической оболочке/ полиэтиленовой оболочке. Сборочный чертеж. НТС 65-06-04 Вып.2 Разрез 2-2. Узлы I и II НТС 65-06-04 Вып.2 Спецификация. НТС 65-06-04 Вып.2 Опорная плита. Позиция 1. НТС 65-06-04 Вып.2 Продольное ребро. Позиция 2. НТС 65-06-04 Вып.2 Ребро. Позиция 3. НТС 65-06-04 Вып.2 Ребро. Позиция 4. НТС 65-06-04 Вып.2 Подушка. Позиция 5. НТС 65-06-04 Вып.2 Хомут. Позиция 6. НТС 65-06-04 Вып.2 Резиновая прокладка 10. НТС 65-06-05 Вып.2 Резиновая прокладка 11. НТС 65-06-05 Вып.2 Подвижная опора для теплопроводов ДуЭОО-1000 в ППУ изоляции в металлической оболочке/ полиэтиленовой оболочке. Сборочный чертеж. НТС 65-06-05 Вып.2 Разрез 2-2. Узлы I и II НТС 65-06-05 Вып.2 Спецификация. НТС 65-06-05 Вып.2 Опорная плита. Позиция 1. НТС 65-06-05 Вып.2 Продольное ребро. Позиция 2. НТС 65-06-05 Вып.2 Ребро. Позиция 3. НТС 65-06-05 Вып.2 Ребро. Позиция 4. НТС 65-06-05 Вып.2 Подушка. Позиция 5. НТС 65-06-05 Вып.2 Хомут. Позиция 6. НТС 65-06-05 Вып.2 Резиновая прокладка 10. НТС 65-06-05 Вып.2 Резиновая прокладка 11. |
| Разработан: | ГУП Мосинжпроект |
| Утверждён: | 31.01.2008 Мосинжпроект (Mosinzhproject ) |





































